Abstract
The demonstration of compliance of rolling stock against disturbance limits for railway signaling, and in particular track circuits, is subject to a large deal of variability, caused by the diverse values of the electrical parameters of the railway line and resulting transfer functions, as well as the operating conditions of the rolling stock during tests. Instrumental uncertainty is evaluated with a type B approach and shown to be much less than the experimental variability. Repeated test runs in acceleration, coasting, cruising, and braking conditions are considered, deriving both max-hold (spread) and sample (or experimental) standard deviation curves compared to the respective mean values (type A approach to the evaluation of uncertainty, as defined in of the Guide to the Uncertainty in Measurement. The major source of variability affecting a significant portion of the spectrum is caused by the superposed oscillations of the onboard LC filter, for which different choices of the transformation window duration are discussed. The test runs and the acquired data covered, overall, 1 day of tests along about 300 km of the Italian 3 kV DC railway network.
1. Introduction
Similarly to the electromagnetic compatibility (EMC) testing of an electrical or electronic product for the CE mark in Europe, new and revamped rolling stock (RS) must undergo a process of verification and certification (the so-called “homologation”), not only for radiated electromagnetic emissions (as per EN 50121-3-1 [1]), but also to demonstrate compliance with a range of signaling systems [2,3,4]. Harmonic and inter-harmonic distortion, differently from industrial and public low-voltage networks, is not yet disciplined by a harmonized standard for electrified railways, although distortion levels may be high, raising power quality concerns [5].
The tests must be exhaustive, covering normal and exceptional operating conditions (OCs): locomotive distortion changes with OCs (traction, cruising, coasting, braking) and operating point, OP (e.g., intensity of the effort) [4,6]. Such verification has safety implications, as generally occurs when dealing with traffic control and protection devices, although in many cases safety is ensured by redundant protocols and architectures, as explained in Section 2.2.
The track, as the return circuit, can couple disturbance onto various signaling systems and, in particular, track circuits (TCs) [2,7,8,9]. The RS return current amplitude and distribution may vary due to many reasons, both in terms of current imbalance in the two rails (a differential-mode component) and intensity vs. frequency and position. The overall number of conductors and geometry set the basic impedance behavior but, from a general viewpoint, rail-to-rail and track-to-track bonds, impedance bonds (IBs), soil resistivity, and track-to-earth leakage may change the resulting transfer function and direction of flow of the return current. In DC railways equipped with TCs, direct connections between tracks are forbidden and implemented only though IBs. In addition, as the return current flows back towards the respective traction power stations (TPSs), the relative position of the RS (or locomotive, in the specific case) dramatically modifies the line (or “hot path”) frequency response, both in AC railways [10,11] and in DC railways [12].
The relationship between the locomotive return current leaving the axles and the track quantities (first of all the rail currents , , but also the rail-to-rail voltage ) is thus affected by all such parameters; in addition to varying during tests on real lines, these parameters’ ranges can be in some way fixed a priori when deciding on which lines and portions of lines tests should take place. This coupling is called “cold path”, to distinguish it from the hot path above of the TPS current flowing to the locomotive along the catenary (), as shown in Figure 1. As said, the hot-path TF is also subject to variability caused by the TPS impedance, locomotive–TPS distance, geometry of the conductors, and also track parameters [12,13,14], and this is relevant for studying, e.g., resonances and induction on nearby circuits [15,16,17]. The cold-path TF, however, is more heavily affected by track parameter changes, such as the rail impedance [18], track capacitance [19,20], and track conductance [21,22], in addition to construction/connection details (such as transversal bonding connections, rail welding points, etc.). A graphical description is provided in Figure 1.
Figure 1.
Hot- and cold-path transfer functions of rolling stock on a track with track circuit and supplied, together with other traction units, from the catenary system [23]. On the return current side many probes on different paths may be necessary, from which the question mark symbol.
All these elements also contribute to the electrical asymmetry of the two rails [24], variable vs. frequency, which is on the order of a maximum of 10% [7,25,26]. Section 8.8.2 of the EN 50167-1 [27] also indicates 10%, but keeps a margin up to 20%. Such asymmetry, in addition to other practical imbalances of the connection and tuning of TCs, causes a non-negligible fraction of the return current to transform into a differential-mode signal (rail current difference or rail-to-rail voltage ), coupling onto and potentially disturbing the track signaling devices.
Despite the electrical safety issues due to the high pantograph voltage, can be measured more easily than as it flows in a well-definite conductor passing through the locomotive circuit breaker, rather than dispersing in the many paths to the wheels’ brushes (this is pointed out in Figure 1 by the green current probe symbols inside the “rolling stock under consideration”). As a note, on AC rolling stock the negative of the input transformer is also well defined and accessible and can be favorably used.
The locomotive current then, under worst-case assumptions for line and track parameters, configurations, and number of trains, can be related to the disturbance of the signaling circuits. This is the approach commonly used to decide the RS current limits by the infrastructure owners, once signaling susceptibility (and interference threshold) is quantified.
Coming to the variability in the measured data and the uncertainty of such an approach for the assessment of RS conducted emissions relevant to signaling operations, the following points must be considered:
- First of all, instrumental uncertainty, by applying metrology concepts [28] to the measurement chain, including sensors and the data acquisition system (DAS); there is no uniform approach to deal with uncertainty in measurement results when dealing with compliance to limits and safety [29]; either probabilistic approaches (combining the variability in the data and instrumental uncertainty, in order to derive the likely distribution of measurement results) or rigid worst-case standpoints (where a conservative estimate of variability due to uncertainty is added on top of measurement results) may be adopted.
- There is then a wide range of power supply transients [30], such as inrush and short-circuit events [17], that are intrinsic to the system and are not usually taken into account in the verification of interference of signaling; however, the criteria to discard such transients based on their duration, their nature, and their origin are not formalized and established.
- Other typical transients occurring instead of RS operation occur much more frequently and they are relevant in terms of both instrumental uncertainty (e.g., scale setting and consequently out-of-scale occurrences) and transient disturbance to signaling (as the result of non-characteristic components arising during such transients) [31]; examples of such transients are pantograph bounces (causing electric arcs and onboard filter oscillations in DC RS [32]), wheel slip (causing traction converter reaction), various overvoltages [33], etc.
In conclusion, distortion patterns are quite diversified, especially when including harmonics and higher-frequency components. With the aim of assessing the electromagnetic compatibility with signaling as part of the certification process, such behavior must be accounted for with a twofold objective: being as exhaustive as possible for safety implications and related probability calculations; and reducing the test time to a manageable duration, considering especially the problem of variability in the data and related uncertainty. Uncertainty in fact is part of the assessment process that compares to limits in order to establish compliance. It is remarked that uncertainty is rarely accounted for and thoroughly evaluated, as well as the sources of systematic error, such as the mentioned transients and variable operating conditions. In synthesis, this represents the novelty of this work.
This paper, after having introduced the problem with a good level of detail already in this Introduction, provides a more systematic characterization of rolling stock and track circuits in Section 2, focusing specifically on DC applications. Section 3 describes the typical approach to the experimental evaluation of RS conducted emissions with the aim of assessing compatibility with TCs, including details on instrumentation and post-processing methods. Finally, Section 4 reports and comments on the results of an extensive evaluation of a DC locomotive, evaluating and discussing the aspects related to repeatability and accuracy that determine the uncertainty in the assessment.
2. Rolling Stock and Signaling Characteristics
2.1. Rolling Stock and Return Current
RS consists of a locomotive loaded with coaches or, in the most modern implementations, of electrical multiple units, and is a source of distortion and disturbance. Distortion is caused by the traction and auxiliary converters that, for DC systems, are interfaced with the pantograph by means of a DC/DC buck converter (aka chopper), which masks the converter emissions by the interposed DC link capacitors and filters. This is a general benefit of DC railways, where distortion and the significant spectral components are less than for AC railways [34]. When the locomotive inverters take power directly from the catenary [35], the inverters’ distortion patterns may need significant optimization to avoid the frequency intervals where signaling is known to operate.
The locomotive return current couples with the affected TC conductively in differential mode [2,3,7], whereas in principle it flows out the axles symmetrically (with the rails in electric parallel).
A certain deal of asymmetry exists in the rail–wheel contact resistances, in the coupling between rails of the same and adjacent tracks [24], and in the distributed leakage to earth components that transform a fraction of the common-mode return current into differential-mode rail current. Such a transformation is variable because of the combined action of the elements above and is in general limited to about 10%, mainly due to the inductive coupling between the running rails of two parallel tracks [24]. To this, the conductive leakage paths, mainly from the track to the earth and possibly different for the two rails, must be added, providing an additional resistive term. Assuming a suitable value of such a transfer ratio between common-mode (from the rolling stock) and differential-mode (fed to the TC RX) current is an important step when determining safety margins and limits.
In DC systems, the input chopper is buffered by a low-pass LC filter, with the objective of filtering out the supply distortion components, but causing significant low-frequency oscillations when triggered by any transient due to a change in traction effort, and in general driving variability or also by the electric arcs at the pantograph [32].
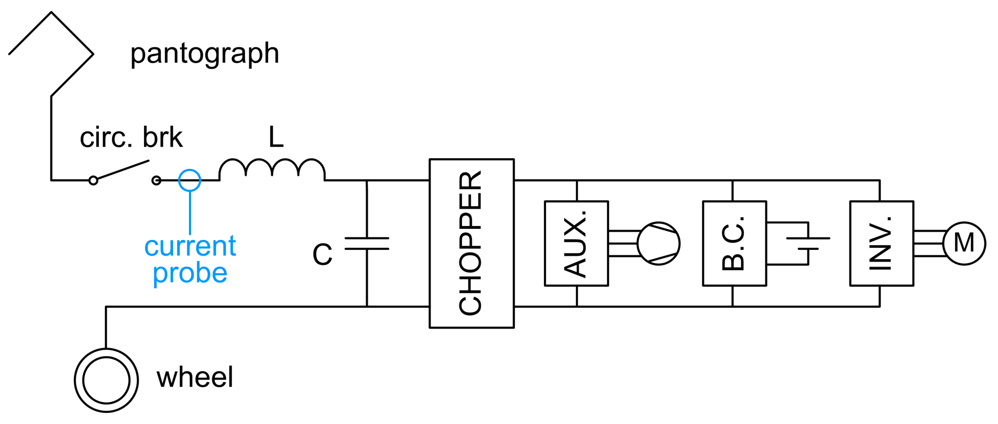
A sketch of a typical DC locomotive, like the one subjected to tests, is shown in Figure 2.
Figure 2.
Sketch of the power conversion systems onboard a DC locomotive: input LC filter, chopper, converter for auxiliaries (AUX), battery charger (B.C.), and traction inverter (INV) feeding the traction motors (M).
2.2. Signaling Systems
There are a variety of signaling systems that are connected to the track or in its proximity, against which return current spectrum must be assessed for compatibility:
- Track circuits (TCs) of the power frequency and audio frequency type [8], directly connected to the running rails and for this reason mostly affected by disturbance and current unbalance in the track;
- Axle counters, which are susceptible to rail current as a source of magnetic field interfering with the detection process [36], but operate at higher frequency, as described in the standard CLC/TS 50238-3 [37], and are not considered here;
- Specific short-length devices for protection of, e.g., level crossings and shunting yards, adopting track circuit technology and usually backed up by axle counters.
For many modern TCs, interference is only a matter of availability, as safety is always ensured by using robust techniques, such as using signal repetition and implementing independent paths for signal transmission (a second channel is through a twisted pair not interfered with by normal return current distribution to a large extent [16,38]).
The principle of operation of TCs is based on a modulated differential signal delivered by a transmitter (TX) over the track and picked up by one or more receivers (RXs) [8]; this is applicable for power frequency (PF) and audio frequency (AF) TCs. In general, TXs and RXs are coupled to the track with frequency-selective circuits, filtering to some extent components outside the operating bandwidth. Such circuits are frequency selective thanks to their resonant behavior with inductive elements.
For PF TCs the transformer, depending on the use of a single rail or both, in addition to ensuring the galvanic separation with the track, also provides separation of the common-mode and differential-mode current across a physical interruption of the rail (mechanical insulating rail joint). The principle of operation and main connections are shown in Figure 3.
Figure 3.
Principle of operation of a PF TC requiring insulating rail joints (IRJs) and impedance bonds to electrically separate the different TC sections (here, only one section “1” is shown), allowing at the same time the flow of the return current (in common mode). Transformer coupling ensures galvanic insulation; the signal at the receiver may be detected with a band-pass filter and rectification, or more complex circuits, to achieve detection of amplitude and phase or frequency shift.
For AF TCs, rails are continuous (mechanically and electrically) and frequency selectivity is achieved by simple LC circuits in combination with S- or O-shaped cable joints connected to the rails [7], as shown in Figure 4. The transformer-coupled TCs [8] are an older version.
Figure 4.
Principle of operation of jointless (above) and transformer-coupled (below) AF TC with TX, RX, and simplified coupling units (LC circuits). For the transformer-coupled circuit the winding inductance may be sufficient and no additional inductor is needed (drawn in gray). Different TCs are electrically separated by operating at different center frequencies (, , ) on which resonant LC circuits are tuned. Residual current at frequency may still leak from TC “a” to the adjacent TCs “b” and “c” (not fully shown in the figure, only partially sketched in different colors, green and plum, respectively; they are identical to “a” and cover the left- and right-hand sections of the track).
Additional filtering may be then inside the electronic circuits of TX and RX systems, where channel guarding and selection may be implemented [39] provides insight on a specific solution with resonant tuning units attached to a long track tuning area of 29 m for the Chinese TC ZPW-2000A.
The modulated signal ensures robustness against external noise, in addition to the band-pass filtering. The most widespread modulation (not to say the only one used nowadays) is frequency shift keying (FSK), utilizing a frequency modulation with a frequency offset around the center frequency , with k indicating the channel number, usually ranging up to a maximum of 4, 6, or 8, depending on products (in Figure 4 the channel frequencies are exemplified as “, , and ”).
For interoperable TCs, limits are specified in the CLC/TS 50238-2 [23], whereas those not intended for transnational use are disciplined by local codes, e.g., issued by the infrastructure owner or by a national safety agency. We refer to them altogether as “regulations” from herein.
The operation of a TC is quite simple, where the signal received at each RX is shunted by the axle resistance of the RS entering the TC section, reducing the received signal amplitude, from which an occupied track section is detected.
Any superposed noise can alter the received amplitude, possibly disguising an occupied track as a free track. It is in general a remote possibility that incoherent broadband electric noise features the necessary energy to alter the amplitude of the RX signal in low-impedance conditions; instead, coherent signals of the rolling stock return current are more localized over the frequency axis and feature a much larger amplitude. From this come the benefits of a well-defined and limited bandwidth and the use of modulations and persistence of the received signal over long time intervals of some seconds. A more trivial solution is an increase in the transmitted voltage, increasing, correspondingly, the signal-to-noise ratio at the RX.
The distributed resistance between the two rails (named “ballast resistance” in signaling jargon [22]) may be already at a low value, due to a large conductance to earth , for example, caused by a dirty track and high humidity. This ballast resistance loads the TX and operates in parallel to the RX input resistance, shunting away from it a fraction of the transmitted current (in [22] an approximately exponential decay with distance is observed; more pronounced for larger ballast resistance). The TX in this condition is significantly loaded when the track is free from train axles and tuning becomes more critical, requiring a large intensity to compensate the low RX voltage in the free track condition and in any case reducing the dynamic range between free and occupied conditions. It is evident that the sensitivity to detecting the entering RS axles is reduced and the TC is more exposed to superposed noise and distortion components of the return current.
It is also remarked that on modern railway lines both technologies may co-exist, so that PF TCs are kept for compatibility with older rolling stock, while upgrading the line to the newer AF TCs, for a matter of performance, safety level, and ease of maintenance, although the cost is certainly higher. This configuration is sometimes termed “overlapped” and is very convenient to enhance interoperability and to maximize flexibility as regards the planning and duration of modernization works and revamping. Thus, in principle, the entire disturbance limit curves should be complied with, not only because rolling stock may travel on different lines equipped with different signaling technologies during its service, but also because such technologies may co-exist, in some cases on the same track.
2.3. Track Frequency Response
As anticipated, track conductance and capacitance are two relevant parameters shunting the signal sourced by the TX, so that minimum requirements are set forth for a TC to operate correctly with the necessary dynamic range of RX signal amplitude between free and occupied track conditions [7].
It is clear that worst-case scenarios may be based on the maximum axle resistance and maximum track conductance . The choice of the worst case has to be nevertheless balanced, as maximizing all parameters would lead to scenarios where the TC is hard to tune and performs much worse than in normal operation. Although in a conservative perspective for safety reasons, the typical configurations for selected test lines are as discussed below:
- The usual choices are = 0.25 Ω to 0.5 Ω (as common conservative practice, especially when moving on turnout area and slowly on rusty tracks, the usual values being much less) and = 0.5 S/km (corresponding to the limit of conductance to earth established by the EN 50122-2 for stray current protection [40]);
- The EN 50617-1 [27] indicates a lower reference value of of S/km to apply for the demonstration of correct detection of the broken rail condition [7,41,42]; the EN 50617-1 shows at the same time a wide range of values, as adopted by different countries (roughly 0.125 S/km to 0.667 S/km);
- It is clear that when the RS moves along the lines in normal operating conditions, the immunity margins of the TCs found on the tracks are much more favorable, with the two parameters being much smaller, on the order of = 0.01 Ω to 0.1 Ω for a wheel–rail contact area of several , and = 0.1 mS/km to 10 mS/km, as found in [21] for three different types of lines, both DC 3 kV and AC 25 kV.
Track capacitance may also contribute in extreme cases: average values are on the order of 100 nF/km, that at 5 kHz contribute 3 mS/km of equivalent susceptance. This means that even changes by an order of magnitude keep it below the worst-case conductance value, but not for the normal conductance values mentioned above, on the order of 0.1 mS/km to 10 mS/km [21].
Setting up such scenarios can be pursued in a controlled environment, like a test track or a simulator. A real line, instead, is not under control, for which average values may be assumed, but their hypothetical wide range of variation causes a significant theoretical variability in the system response, not of the instrumentation and operating conditions [28]. Such variability, however, cannot be verified by repeated tests that are all performed on a few selected lines. As a consequence, the experimental variability (intended as type A uncertainty [28]), based on the measured data, is not able to represent the system variability for the track conditions expected from the perspective of functional safety assessment. It is instead able to characterize the experimental variability of the test and provides an indication of test uncertainty. To limit system variability, infrastructure owners prefer to use always one or a few lines for acceptance tests, so that variability is limited and specific behavior known by experience, if not evaluated by separate test campaigns of line parameter measurement.
3. Test Method and Setup
3.1. Line Configuration and RS Operating Conditions
The railway line configuration and the RS OCs are the most influential factors on the variability in the collected measured data, and must be chosen to be well representative of real operating scenarios, including worst-case situations.
As said, usually infrastructure owners prefer using the same lines for acceptance tests; that does not ensure, however, a thorough coverage of all conditions from a safety assessment perspective. This is in general assumed to be compensated by the margins introduced in the definition of the LFR and track asymmetry, or in the adoption of maximum values, rather than average or statistically relevant values (e.g., confidence interval).
With the aim of assessing the frequency response of the line selected for the tests, two approaches are generally followed:
- Either the test line is short and calculable, so that the frequency response can be accurately determined, and then, measurement results can be extrapolated to other worst-case scenarios;
- Or the test line is quite long and with a wide range of supply conditions, so that “hopefully” worst-case conditions of RS emissions are likely to occur frequently enough that they are captured during continuous recording.
3.2. Instrumentation and Data Post-Processing
It is quite common that infrastructure owners over-specify instrumentation performance, such as in terms of number of bits of the DAS, use of filters to further enhance the signal-to-noise ratio, or adoption of special sensors based on a specific technology, without a real critical evaluation of the performances of those available on the market. An example of the latter is imposing the use of a compensated transformer rather than a Rogowski coil or Hall-effect probe, hindering the adoption of the best devices available following the technological progress.
Conversely, national standards rarely provide an indication of the acceptable uncertainty and data variability. This aspect is discussed in the following section, showing that instrumental uncertainty, as derived from a type B approach, is much smaller than the variability in data caused by a variety of factors, such as normal small-scale variability within a seemingly constant OC, overlapped low-frequency transients of the onboard LC filter, and various forms of electrical noise.
3.2.1. Description of Instrumentation and Data Processing
For the tests discussed in the next section, the following instrumentation was used: a LEM Rogowski mod. R3030 located on the internal bus-bar near the main circuit breaker and a Picoscope mod. 4424 (12 bit), sampling at , that corresponds to a sampling time . This sampling frequency was selected to comply with the requirement of the Nyquist–Shannon sampling theorem for the high part of the spectrum (evaluation of the interval 8.5 kHz to 9 kHz for a specific compatibility case) and provide sufficient over-sampling in the frequency interval of interest for compliance with the Italian Railways specification FS96 [43], up to kHz.
The contribution of the instrumental uncertainty is limited and acceptable, as explained in the following.
The data consist of individual records of duration transferred through the USB connection, and for each record windows of duration are taken, overlapped by a factor of 0.5, that provide a frequency resolution and a minimum frequency of 10 Hz, as visible in the spectra reported in Section 4. The spectrum resulting from the average of the individual spectra over the record of duration is indicated by .
The averaging of the transformation windows provides some improvement in the spectrum noise floor. It is acknowledged that averaging over only , as in the reference case of , is not so effective, but the duration of was a constraint imposed by the Picoscope software (ver. 5.18) at the time of the tests. Now, an in-house developed program in the C language is able to acquire continuous data records of arbitrary length.
Before calculating the individual FFTs of each window, all data are windowed (or “tapered”) to reduce the spectral leakage [44] by using a Hanning window (that is also in line with the requirements of the Italian Railways specification FS96 [43]). The entire process is implemented in Matlab with the function spectrogram() that receives as parameters the Hamming window vector and the indication of the window overlap (in our case 50%).
The time interval of duration is indicated with the notation … and a time step ; the summation makes explicit the averaging and the sliding approach for the three windows over the record duration; the multiplication of the two time vectors of the signal and the Hanning window is component wise and is indicated by the symbol ×.
Spectral leakage is mainly caused by the continuously excited transient response of the onboard LC filter, so that it may affect the components at the lowest frequencies, but it is attenuated to a significant extent already at 50 Hz and above. This is shown in the next Section 4.1 and evaluated more accurately by showing the resulting dispersion after removal of major transients in Section 4.2.
3.2.2. Instrumentation Uncertainty
Instrumentation uncertainty, as is customary, is evaluated by inspecting the relevant manufacturers’ datasheets or using information derived from in-house calibrations. Type B uncertainty is in fact defined in section 4.3 of the GUM [28] in the following way. The estimated variance or the standard uncertainty associated with a quantity x are evaluated by scientific judgment based on the available information regarding the possible reasons and sources of variability. Such information encompasses (as derived from the GUM [28] and applicable to the present case):
- Experience or general knowledge of the behavior and characteristics of instruments (in the present case we have focused our attention on the most relevant instrumentation, and in particular the current sensor and the data acquisition unit; at such a low frequency range, for instance, cable attenuation is negligible);
- Manufacturer’s specifications;
- Data provided in calibration and other certificates;
- Uncertainties assigned to reference data taken from handbooks (as is the case for the quantization noise, that has theoretical grounds).
Data dispersion, instead, based on the pure statistical assessment of collected measurements, leads to “type A” uncertainty (Section 4.2 of the GUM [28]). In this case, the quantity of interest x is assumed to be a random variable and a certain number n of independent observations, or measurements, , are available. Based on such observations the best estimate of the unknown quantity is the sample mean and the experimental standard deviation of the mean characterizes the uncertainty in the estimate. is related to the sample standard deviation as .
The Rogowski probe was set to the lowest scale of 30 A to improve the sensitivity in some cases, but most of the time to the 300 A scale to allow a margin for the LC filter oscillations and avoid too frequent out-of-scale. Its contribution was about 1% of the uncertainty () from laboratory calibration, considering that it was well centered and fastened to the incoming bus-bar. Centering was achieved by interposition of a thick plastic foam layer, which was also to ensure electrical safety at the maximum level.
The data acquisition system (set to of input range) has an intrinsic quantization noise dispersion term of less than 0.01% (), as calculable from the number of bits, and a prevailing non-linearity uncertainty term on the order of 0.1%, as declared by the manufacturer (so likely on the safe side, being a worst-case figure).
The resulting instrumentation uncertainty with a type B approach [28] can be derived by combining the three uncertainty sources, namely, for the Rogowski coil, for the quantization noise, and for the non-linearity:
3.2.3. Uncertainty in Data Processing
The data records are processed as explained, by means of windowing [44], followed by FFT, and then, by the calculation of the average amplitude spectrum over . The averaging of the amplitude spectra is known as “non-coherent averaging” [45]; it reduces the amplitude of the noise floor of the spectral estimate in power terms with the square root of the number of averaged items, in this case only by .
The FFT itself may be considered absolutely accurate, being an “exact” mathematical transformation, affected by round-off errors either in its floating point or fixed point implementation. It was shown in [46] that for normal choices of the number of bits (e.g., 32 or 64) and number of points N in the transformation window (here larger than 780 occurring when ), the resulting uncertainty is always small, in particular for floating point calculations, where it reduces with , whereas with fixed point architectures the reduction is linear with N.
The tapering window (in our case a Hanning, or von Hann, window) also has a minor influence on the uncertainty, once the correction for its less-than-unity gain is applied. The more relevant aspect is the slight worsening of the frequency resolution, as caused by its equivalent noise bandwidth [44,47]. In the presence of transient emissions, however, it was demonstrated in [47] that underestimation of the amplitude may occur up to some dB, with the flat-top window providing the best and most robust estimate.
When the amplitude spectrum has been calculated for the incoming records, the way the result is represented for its statistical properties and their evolution over the time axis is quite relevant. We show in Section 4 that:
- Max-hold estimates, which accumulate the maximum for each frequency bin, are not only over-estimations, but deform the shape of the spectrum, as the recorded maxima did not occur in the same time instant; spectra tend to have larger humps and smoother curves;
- A representation providing statistical significance is preferable and the choice may fall on the confidence interval, for example, taking the experimental standard deviation; the pdf, however, is not symmetric and for the assessment of compliance to limits we are interested in the largest values, whereas the small ones may be represented less accurately.
4. Results
Sample results of a full day of test runs over about 300 km of railway lines are reported, discussing the observed variability and the compliance with limits for DC railways, taken from the Italian regulation [43], and the subset of interoperable track circuits for DC railways shown in [27].
4.1. Time-Domain Waveform
Before starting the discussion of the spectral behavior in the various OCs, it is worth having a look at the pantograph current waveform and its peculiar characteristics. Some examples are provided in Figure 5.
Figure 5.
Snapshots of the pantograph current showing large LC filter oscillatory transients (spanning in the worst case more than 30 A), chopper ripple almost overlapped to the substation 300 Hz component (as discussed in Section 4.3 below), and some high-frequency components (visible in particular as darker areas at top and bottom of ripple cycles). The two top snapshots refer to the end of the traction phase, whereas the two bottom snapshots were taken during the largest DC current absorption in the middle of the acceleration phase. The apparent contradiction of the two top curves showing the largest span is solved by observing, first, that the Rogowski is an AC sensor and does not measure the DC component, and second, that filter oscillations are larger when the power absorption is weaker and intermittent with occasional throttle release.
It is easy to see that the low-frequency amplitude of the signal (or “pedestal”) may be quite variable, depending on both the power flow intensity and the amount and amplitude of the onboard filter oscillations. The main ripple at 100 Hz in all four insets of Figure 5 stays at 4 App, whereas the filter oscillation at about 14 Hz causes significant signal excursion and variability. Taking long snapshots of 100 ms duration exposes the analysis to a significant spectral leakage, as evident when inspecting the four example insets. On the other hand, a shorter time window of, e.g., 20 ms, would not see much variation between its two ends most of the time (except for the steepest parts of the oscillating waveforms).
It is also observed that the low-frequency oscillations are a more complex phenomenon than a simple LC circuit transient response, as in Figure 5 there are situations where the instantaneous frequency changes (bottom right), the oscillation flattens (bottom left), and the sinusoidal shape is replaced by straight linear shapes (top left and right).
4.2. Variability and Uncertainty
4.2.1. Overall Type A Uncertainty in Traction and Braking Conditions
The overall type A uncertainty based on collected data under traction and braking conditions is shown in Figure 6 as profiles of (so 1 standard deviation) around the mean value (having used the Greek symbols for clarity also for sample quantities). It is evident that at many frequency points the blue profile is significantly higher than the mean, showing the previously reported variability due to line and operating conditions. Conversely, the red profile shows very small values, as they occur when no major transient occurs and the observed amplitude of the specific frequency bin is only influenced by external electric noise or numerical noise of the Fourier post-processing (they are not visible when plotted on a vertical log scale). Such small values are not relevant to the evaluation of interference with signaling.
Figure 6.
Pantograph current spectrum of the 3 kV DC locomotive (expressed as and profiles): (a) traction, (b) braking. The broken lower red line is due to extremely low values that fall outside the displayed range (the vertical axis, in fact, is distributed logarithmically; a clear example is the downward spike at about kHz).
The exhaustive and accurate determination of a probability density function (pdf) would require a huge number of tests as convergence for unlikely extreme values is slow. From theory [45], assuming a Gaussian distribution for the real and imaginary part of a spectrum component, the intensity is always positive and has a Rayleigh distribution, and this is not in contradiction with what can be seen in Figure 6. However, the spectrum is made of components of various natures with quite different pdfs: coherent components like harmonics and switching frequencies, external electrical noise, components from the TPS and remote trains, and internal noise of instrumentation. The Gaussian assumption may hold only for the broadband noise terms, whereas the other coherent components may well have bi-modal or multi-modal distributions, depending on the operating conditions of the respective sources.
However, focusing on the largest values that are relevant to the assessment of compliance and compatibility, a single-sided confidence interval may be estimated under an assumption of normality for the pdf profile above the average. The profile is a truncated normal distribution at the top side and includes all points at the bottom side, and the normality assumption holds up to about , so that a confidence level of 97.5% is achieved at a coverage factor , namely, at .
This is, in reality, a simplification as two factors must be taken into account:
- The TPS characteristic harmonics are much more stable and have step-like changes of amplitude when moving from one supply section to the other; nevertheless, limit masks are devised to treat such unavoidable emissions specifically and signaling devices are designed not to use such narrow frequency bands.
- RS emissions are significantly time-varying and non-stationary, as caused by transients and by variable OCs due to the dynamic behavior [6], well described by Figure 5 in [48]; similarly to what was reported for the measurement of the electromagnetic emissions by electric arcs, there is always a trade-off between the resolution bandwidth (here, the width of the Fourier-transformed window , that at the longest values entails an increasing number of samples) and the desired frequency resolution, as well as between the heavy use of the max-hold detector to clean up the resulting spectrum and the preservation of the shape for later interpretation [49].
4.2.2. Spectral Leakage Caused by Transients and Duration of Transformation Window
A closer look at the dispersion of the spectral components is provided in Figure 7, where both the standard deviation and the normalized standard deviation of are shown for two different choices of the transformation window ( 20 ms and 100 ms), leading to a different number of windows in a recording window , namely, 19 and 3, respectively. The sample dispersion is intended by definition as the standard deviation of the sample, having used the same notation for the dispersion of the population (that is unknown) using the Greek letter and the sample standard deviation using the Latin letter s.
Figure 7.
Calculation of the dispersion of the spectral components of for a recording sequence of about 10 s in traction OC for two selections of the transformation window , namely, (in brown) and (in blue). The sample dispersion is the top curve (in light color) and normalized sample dispersion is the bottom curve (in darker color).
The two choices for ( 20 ms and 100 ms) result, respectively, in a coarser and finer frequency resolution, but at the same time in more and less averaged terms over one recording window , and thus, better and poorer dispersion values. Theoretically, the estimated sample variance improves by the ratio of the two, so roughly a factor of 6, and the dispersion by its square root. This is true, but does not take into account the different frequency resolution, where at and the number of collected spectral components in one frequency bin is larger and reaches a greater deal of compensation, although such frequency resolution does not allow one to distinguish, for example, the substation component at 300 Hz and the chopper component at 270 Hz, and thus, is not commonly used.
It must be remarked that a shorter window reduces the influence of the underlying low-frequency transients, balancing better the values of the first and last point of the window [44]. Spectral leakage has the consequence of increasing the amplitude of spectral components by an undefined amount that approximately follows a slope, as visible in Figure 8, Figure 9, Figure 10 and Figure 11 of Section 4.3. So, in general, spectral leakage is a systematic error (or bias) not known accurately and should be avoided.
Figure 8.
Standstill condition in full configuration as measurement of background noise and normal minimal variability: average (black) and max-hold (violet) curves.
Figure 9.
Detail of stationary and variable components in coasting/cruising conditions at 110 km/h in full configuration: average (black) and max-hold (violet) curves.
Figure 10.
Acceleration condition between approximately 60 km/h and 110 km/h in full configuration: average (black) and max-hold (violet) curves.
Figure 11.
Braking condition starting at 110 km/h down to about 60 km/h in full configuration: average (black) and max-hold (violet) curves.
Looking at the resulting values of dispersion, the 20 ms case provides an approximately 3 times smaller dispersion, as expected. Neither window selection avoids the spectral leakage due to the low-frequency oscillations, for which dispersion up to about 300 Hz is quite large; this is a better indicator of this form of spectral leakage, rather than inspecting directly the resulting spectra. Curiously, the light brown 20 ms curve shows a higher first value than the corresponding one of the light blue curve for 100 ms: this is easily explained considering that this is the first frequency bin at 50 Hz for the 20 ms case and for this reason collects all the low-frequency instability that in the light blue curve is distributed over five frequency bins (spaced by 10 Hz).
If we consider the portion of the spectrum not significantly affected by spectral leakage (that means above 100 Hz to 200 Hz), the observed dispersion in the two cases is on the order of 0.1 Apk to 0.2 Apk for the 20 ms window, whereas it is up to about 1 Apk for the 100 ms. It is also remarkable that the 100 ms case shows some peaks of dispersion at both the characteristic frequencies of the substation (at 300 Hz and 600 Hz) and at those of the power conversion (around 500 Hz, 1000 Hz, and 2000 Hz).
The darker curves indicate the normalized dispersion (as dispersion divided by the mean ), which is unitless and easier to use and compare. The side effect is that at some spectral components a large mean value may hide a large dispersion, but this is known and implicit in the normalization operation.
4.3. Behavior at Different Operating Conditions
The measurements at standstill in Figure 8 show the background distortion caused by the TPS at 300 Hz and its multiples and the 100 Hz component caused by a second harmonic at the rectifier output exciting the resonance filter of the TPS LC filter. In addition, the 270 Hz component of the onboard chopper and its second harmonic can be recognized (before the TPS characteristic component at 600 Hz). It may be observed that all components are quite stable and that the max-hold value (violet) is practically the same as the average value. The frequency interval below about 80 Hz shows the result of onboard filter oscillations and slow transients.
The visible separation between the violet and black curves in the intervals featuring small values at the bottom of the curves is simply due to the variability in the background and FFT numerical noise and is not relevant to the assessment of interference.
The tests performed in coasting conditions show that the TPS-related components have unaltered amplitude and are quite stable and stationary, with the max-hold almost overlapped with the average curves (as shown in Figure 9).
The cruising condition alternates moderate acceleration with coasting, and results in a mix of patterns coming from traction converters and auxiliaries. The traction converters are exploited at a fraction of the nominal power, so that unusual modulation conditions may occur. A pure acceleration condition does not normally “excite” such a broad range of spectral components and broad humps are generally not present (see, for example, Figure 10).
What can be observed in Figure 10 for the acceleration condition is that the TPS characteristic harmonics are slightly different if compared to Figure 8, with the 100 and 600 Hz components larger, but the 300 Hz smaller. This is not of course a consequence of the acceleration condition, but of the fact that the two recorded sequences are 8 min distant in time and that the locomotive has continued traveling on the line, being supplied under a different TPS at the end.
Braking is usually one of the most critical OCs for emissions, as the braking chopper has a variable modulation while tracking the catenary voltage. The results of one test run spanning about 15 s are shown in Figure 8. Components around 400 and 800 Hz show a significant dynamicity, with an increase of a factor 5–10 with respect to the standstill test. The shape of the spectrum is weird, like a big hump with steep sides, as the max-hold profile is obtained keeping all maxima, even if they occur at different time intervals over the recording time of about 15 s.
4.4. Comparison with Limits
As the final step of the compliance verification process, emissions must be compared with the limits in force in the country or on the infrastructure in which the RS is going to operate. A direct comparison of the max-hold results for the three considered OCs is shown below in Figure 12.
Figure 12.
Overall comparison of max-hold emission profiles with the limits: braking (green), acceleration (red), coasting/cruising (light blue), and for the operating conditions FS96 [43] (brown) and EN 50617-1 [27] (magenta).
Although visually the recorded RS emissions are much lower than the limits, there are two areas of concern that deserve a comment.
At high frequency, at about kHz in braking conditions a spectrum component is clearly above the limit. It is one of the high-order harmonics of the chopper switching frequency and it is possible to note in Figure 11 that the average value is much lower than the maximum. This is one example of max-hold analysis that does not reflect the real distortion and possible interference; for this reason the limits of the FS96 are accompanied by a statistical evaluation, and high values are tolerated provided that they occur seldom (as it was in the present case, with an overall positive result of the homologation).
Second, the low-frequency interval is characterized by large values caused by the onboard filter transient oscillations and affected by a significant spectral leakage. This phenomenon is more pronounced during coasting/cruising, when the absorbed power is low and frequent small adjustments of the speed are applied by the driver. In this case, the transients are usually discarded and in any case they occur for a small fraction of the overall test duration.
5. Conclusions
The paper has evaluated quantitatively the variability and uncertainty in measured conducted emissions of rolling stock for assessment of compliance with limits of interference with signaling. Of the various types of signaling devices, track circuits are those affected by the most intense low-frequency components of the return current leaving the rolling stock back to the traction power station.
The examined case is that of a DC locomotive whose main spectral signatures are the front-end chopper switching frequency and harmonics, some leakage of spectral components of the converters downstream (e.g., traction and auxiliary converters), and the slower transients of the input LC filter (polluting the lowest part of the spectrum with significant spectral leakage caused by the low damping and long settling time of the filter). Such transients are peculiar to DC traction supply systems.
From the point of view of assessing the compatibility of the rolling stock under test against a wide range of signaling devices (such as power frequency and audio frequency track circuits), the sources of variability are many at various steps of the process.
- First of all, the frequency response of the track and the distribution of the return current may vary for the various types of tracks and catenary power lines in a whole country. Such variability is covered by the choice of margins made by the regulatory body when determining the limits for the return current assigned to the single unit undergoing the homologation tests.
- The variability during the tests of the specific rolling stock unit, then, is caused most of all by the variable operating conditions (traction, braking, cruising, coasting, etc., at different power levels).
- Additional variability is caused by the spectral leakage resulting from the onboard filter oscillations that are unavoidable and may be addressed by only selecting short transformation windows on the order of 20 ms, of course establishing then a fundamental component of the analysis at 50 Hz (by the way adequate for all track circuits to our knowledge).
- A fourth element influencing the result is the way the data are processed and compared to the limits, having shown that an over-cautious max-hold approach leads not only to too pessimistic conclusions, but also affects the spectrum shape, so that it is more difficult to identify the origin and time behavior of specific spectral components.
The evaluated dispersion for the spectral components not significantly affected by spectral leakage (so above some hundreds of Hz) is on the order of 0.1 Apk to 0.2 Apk when choosing a 20 ms window, whereas it increases to about 1 Apk if 100 ms is chosen, with occasional peaks for some spectral components. Normalizing such dispersion by the mean value provides more stable values and a unitless expression of dispersion.
Since the observed variability measured as dispersion is always significant, even in nominally constant operating conditions, a robust approach to the evaluation of compliance with limits is advisable as the operational uncertainty is significantly large (as contrasted with the instrumental uncertainty, that amounts to a few %). A max-hold approach nevertheless is too cautious and may lead to spotting some non-compliant cases where indeed there is no real risk of interference with the track circuits. From this it may be concluded that the statistical approach included in the FS96 specification [43] was well conceived, although it requires a significant amount of experimental data to reach statistical significance.
Author Contributions
Conceptualization, A.M.; Software, S.B.; Resources, A.M.; Data curation, S.B.; Writing—original draft, A.M.; Writing—review & editing, S.B. and A.M.; Supervision, A.M. All authors have read and agreed to the published version of the manuscript.
Funding
This research received no external funding.
Data Availability Statement
The original contributions presented in the study are included in the article.
Conflicts of Interest
The authors declare no conflicts of interest.
References
- EN 50121-3-1; Railway Applications—Electromagnetic Compatibility. Part 3-1: Rolling Stock—Train Andcomplete Vehicle. CENELEC: Brussels, Belgium, 2017.
- Havryliuk, V.; Serdyuk, T. Distribution of harmonics of return traction current on feeder zone and evaluation of its influence on the work of rail circuits. In Proceedings of the 18th International Wroclaw Symposium and Exhibition on Electromagnetic Compatibility, Wroclaw, Poland, 28–30 June 2006. [Google Scholar]
- Yuan, L.; Yang, Y.; Hernandez, A.; Shi, L. Novel Adaptive Peak Detection Method for Track Circuits Based on Encoded Transmissions. IEEE Sens. J. 2018, 18, 6224–6234. [Google Scholar] [CrossRef]
- Moine, E.H.; Hassane, M.; Marouane, E.A. Harmonic analysis caused by static converters of the railway high speed train and their impact on the track circuit. In Proceedings of the International Conference on Wireless Technologies, Embedded and Intelligent Systems (WITS), Fez, Morocco, 3–4 April 2019. [Google Scholar] [CrossRef]
- Olczykowski, Z.; Kozyra, J. Propagation of Disturbances Generated by DC Electric Traction. Energies 2022, 15, 6851. [Google Scholar] [CrossRef]
- Salles, R.S.; de Oliveira, R.A.; Ronnberg, S.K.; Mariscotti, A. Analytics of Waveform Distortion Variations in Railway Pantograph Measurements by Deep Learning. IEEE Trans. Instrum. Meas. 2022, 71, 1–11. [Google Scholar] [CrossRef]
- Mariscotti, A.; Ruscelli, M.; Vanti, M. Modeling of Audiofrequency Track Circuits for Validation, Tuning, and Conducted Interference Prediction. IEEE Trans. Intell. Transp. Syst. 2010, 11, 52–60. [Google Scholar] [CrossRef]
- Scalise, J. How Track Circuits Detect and Protect Trains. 2014. Available online: http://www.railwaysignalling.eu/wp-content/uploads/2014/11/How-track-circuits-detect-and-protect-trains.pdf (accessed on 8 May 2024).
- Serdiuk, T.; Havryliuk, V.; Feliziani, M.; Serdiuk, K. Propagation of Harmonics of Return Traction Current in Rail lines. In Proceedings of the 2019 International Symposium on Electromagnetic Compatibility—EMC EUROPE, Barcelona, Spain, 2–6 September 2019. [Google Scholar] [CrossRef]
- Dolara, A.; Gualdoni, M.; Leva, S. EMC disturbances on track circuits in the 2 × 25 kV high speed AC railways systems. In Proceedings of the IEEE Trondheim PowerTech, Trondheim, Norway, 19–23 June 2011. [Google Scholar] [CrossRef]
- Huang, W.; He, Z.; He, Z.; Hu, H.; Wang, Q. Study on Distribution Coefficient of Traction Return Current in High-Speed Railway. Energy Power Eng. 2013, 5, 1253–1258. [Google Scholar] [CrossRef]
- Ferrari, P.; Mariscotti, A.; Pozzobon, P. Reference curves of the pantograph impedance in DC railway systems. In Proceedings of the IEEE International Symposium on Circuits and Systems, Geneva, Switzerland, 28–31 May 2000. [Google Scholar] [CrossRef]
- CCITT Directives. Concerning the Protection of Telecommunication Lines against Harmful Effects from Electric Power and Electrified Railway Lines—Capacitive, Inductive and Conductive Coupling: Physical Theory and Calculation Methods; CCITT: Geneva, Switzerland, 1989; Volume III. [Google Scholar]
- Zhao, B.; Ou, J.; Wang, D. Calculation Of Rail Impedance Of Track Circuit Considering Earth Stratification. J. Appl. Sci. Eng. 2022, 26, 197–205. [Google Scholar] [CrossRef]
- CCITT Directives. Concerning the Protection of Telecommunication Lines against Harmful Effects from Electric Power and Electrified Railway Lines—Inducing Currents and Voltages in Electrified Railway Systems; CCITT: Geneva, Switzerland, 1989; Volume IV. [Google Scholar]
- Mariscotti, A. Induced Voltage Calculation in Electric Traction Systems: Simplified Methods, Screening Factors, and Accuracy. IEEE Trans. Intell. Transp. Syst. 2011, 12, 201–210. [Google Scholar] [CrossRef]
- Bongiorno, J. Induced touch voltage in wayside cables of AC railways caused by traction supply transients. Electr. Eng. 2022, 105, 13–24. [Google Scholar] [CrossRef]
- Mariscotti, A. Impact of rail impedance intrinsic variability on railway system operation, EMC and safety. Int. J. Electr. Comput. Eng. (IJECE) 2021, 11, 17. [Google Scholar] [CrossRef]
- Lucca, G. Per unit length parameters of a multiconductor line with earth return inside a tunnel. IEEE Trans. Electromagn. Compat. 2000, 42, 6–15. [Google Scholar] [CrossRef]
- Li, T.; Wu, M.; He, F.; Song, K. Finite element calculation of leakage resistance and distributed capacitance of rail to earth in ballastless track. In Proceedings of the International Conference on Power System Transients, Vancouver, BC, Canada, 18–20 July 2013. [Google Scholar]
- Mariscotti, A.; Pozzobon, P. Experimental Results on Low Rail-to-Rail Conductance Values. IEEE Trans. Veh. Technol. 2005, 54, 1219–1222. [Google Scholar] [CrossRef]
- Ma, T.; Zheng, Y.; Xu, J.; Wang, J. Uninsulated Track Circuit Parameter Adjustment and Ballast Resistance Analysis. J. Phys. Conf. Ser. 2023, 2561, 012019. [Google Scholar] [CrossRef]
- CLC/TS 50238-2; Railway Applications—Compatibility between Rolling Stock and Train Detection Systems—Part 2: Compatibility with Track Circuits. CENELEC: Brussels, Belgium, 2015.
- Zhang, J.; Yang, S.; Song, K.; Wang, Y.; Konstantinou, G.; Wu, M. Railway Signaling System Interference by Unbalanced Traction Harmonic Current: Mechanism, Modeling, and Solutions Based on Engineering Practice. IEEE Trans. Transp. Electrif. 2024, 10, 1850–1862. [Google Scholar] [CrossRef]
- Zhao, L.; Li, M. Probability Distribution Modeling of the Interference of the Traction Current in Track Circuits. J. Theor. Appl. Inf. Technol. 2012, 46, 125–131. [Google Scholar]
- Razghonov, S.; Kuznetsov, V.; Zvonarova, O.; Chernikov, D. Track circuits adjusting calculation method under current influence traction interference and electromagnetic compatibility. Iop Conf. Ser. Mater. Sci. Eng. 2020, 985, 012017. [Google Scholar] [CrossRef]
- EN 50617-1; Railway Applications—Technical Parameters of Train Detection Systems for the Interoperability of the Trans-European Railway System—Part 1: Track Circuits. CENELEC: Brussels, Belgium, 2022.
- JCGM 100; Evaluation of Measurement Data—Guide to the Expression of Uncertainty in Measurement. BIPM: Paris, France, 2008.
- Pendrill, L.R. Using measurement uncertainty in decision-making and conformity assessment. Metrologia 2014, 51, S206–S218. [Google Scholar] [CrossRef]
- Hanafy, A.M.; Hebala, O.M.; Hamad, M.S. Power Quality Issues in Traction Power Systems. In Proceedings of the 2021 22nd International Middle East Power Systems Conference (MEPCON), Assiut, Egypt, 14–16 December 2021. [Google Scholar] [CrossRef]
- Mariscotti, A. Characterization of Power Quality transient phenomena of DC railway traction supply. Acta Imeko 2012, 1, 26. [Google Scholar] [CrossRef][Green Version]
- Mariscotti, A.; Giordano, D. Experimental Characterization of Pantograph Arcs and Transient Conducted Phenomena in DC Railways. Acta Imeko 2020, 9, 10. [Google Scholar] [CrossRef]
- Nicolae, P.M.; Nicolae, M.S.; Nicolae, I.D.; Netoiu, A. Overvoltages Induced in the Supplying Line by an Electric Railway Vehicle. In Proceedings of the IEEE International Joint EMC/SI/PI and EMC Europe Symposium, Raleigh, NC, USA, 26 July–13 August 2021. [Google Scholar] [CrossRef]
- Giordano, D.; Signorino, D.; Femine, A.D.; Gallo, D.; Cipolletta, G. Power Quality in DC railway systems. In Proceedings of the IEEE 11th International Workshop on Applied Measurements for Power Systems (AMPS), Cagliari, Italy, 29 September–1 October 2021. [Google Scholar] [CrossRef]
- Steczek, M.; Chudzik, P.; Szelag, A. Combination of SHE- and SHM-PWM Techniques for VSI DC-Link Current Harmonics Control in Railway Applications. IEEE Trans. Ind. Electron. 2017, 64, 7666–7678. [Google Scholar] [CrossRef]
- Yudhistira, Y.; Yoppy, Y.; Trivida, E.; Wahyu Wijanarko, T.A.; Nugroho, H.W.; Mandaris, D. Electromagnetic interference measurement for axle counters light rapid transit railway in Indonesia. Int. J. Electr. Comput. Eng. (IJECE) 2022, 12, 4632. [Google Scholar] [CrossRef]
- CLC/TS 50238-3; Railway Applications—Compatibility between Rolling Stock and Train Detection Systems—Part 3: Compatibility with Axle Counters. CENELEC: Brussels, Belgium, 2019.
- Yang, L.; Hian, L.C.; Leong, L.W.; Chuan, K.O.M. Induced voltage study and measurement for communication system in railway. In Proceedings of the IEEE International Symposium on Electromagnetic Compatibility and 2018 IEEE Asia-Pacific Symposium on Electromagnetic Compatibility (EMC/APEMC), Suntec City, Singapore, 14–18 May 2018. [Google Scholar] [CrossRef]
- Li, B.; Lu, K.; Lu, Y. Case Analysis of ZPW-2000A Track Circuit Trouble. In Proceedings of the 2023 6th International Conference on Artificial Intelligence and Big Data (ICAIBD), Chengdu, China, 26–29 May 2023. [Google Scholar] [CrossRef]
- EN 50122-2; Railway Applications—Fixed Installations—Electrical Safety, Earthing and the Return Circuit—Part 2: Provisions against the Effects of Straycurrents Caused by DC Traction Systems. CENELEC: Brussels, Belgium, 2022.
- Thurston, D.F. Broken Rail Detection: Practical Application of New Technology or Risk Mitigation Approaches. IEEE Veh. Technol. Mag. 2014, 9, 80–85. [Google Scholar] [CrossRef]
- Espinosa, F.; Hernandez, A.; Mazo, M.; Urena, J.; Perez, M.C.; Jimenez, J.A.; Fernandez, I.; Garcia, J.C.; Garcia, J.J. Detector of Electrical Discontinuity of Rails in Double-Track Railway Lines: Electronic System and Measurement Methodology. IEEE Trans. Intell. Transp. Syst. 2017, 18, 743–755. [Google Scholar] [CrossRef]
- Ferrovie dello Stato. Specifica N. 370582 esp. 1.0. 1997. Available online: https://www.ansfisa.gov.it/documents/20142/0/370582-1.1+%28Maschera+FS96%29.pdf (accessed on 19 June 2024).
- Harris, F. On the use of windows for harmonic analysis with the discrete Fourier transform. Proc. IEEE 1978, 66, 51–83. [Google Scholar] [CrossRef]
- Lyons, R.G. Understanding Digital Signal Processing, 3rd ed.; Pearson: London, UK, 2010. [Google Scholar]
- Betta, G.; Liguori, C.; Pietrosanto, A. Propagation of uncertainty in a discrete Fourier transform algorithm. Measurement 2000, 27, 231–239. [Google Scholar] [CrossRef]
- Sandrolini, L.; Mariscotti, A. Impact of short-time fourier transform parameters on the accuracy of EMI spectra estimates in the 2–150 kHz supraharmonic interval. Electr. Power Syst. Res. 2021, 195, 107130. [Google Scholar] [CrossRef]
- Salles, R.S.; Rönnberg, S.K. Review of Waveform Distortion Interactions Assessment in Railway Power Systems. Energies 2023, 16, 5411. [Google Scholar] [CrossRef]
- Mariscotti, A. Critical Review of EMC Standards for the Measurement of Radiated Electromagnetic Emissions from Transit Line and Rolling Stock. Energies 2021, 14, 759. [Google Scholar] [CrossRef]
Disclaimer/Publisher’s Note: The statements, opinions and data contained in all publications are solely those of the individual author(s) and contributor(s) and not of MDPI and/or the editor(s). MDPI and/or the editor(s) disclaim responsibility for any injury to people or property resulting from any ideas, methods, instructions or products referred to in the content. |
© 2024 by the authors. Licensee MDPI, Basel, Switzerland. This article is an open access article distributed under the terms and conditions of the Creative Commons Attribution (CC BY) license (https://creativecommons.org/licenses/by/4.0/).











