Traditional and Hybrid Topologies for Single-/Three-Phase Transformerless Multilevel Inverters
Abstract
1. Introduction
2. Classification of Conventional and Hybrid TMLI Topologies
2.1. Conventional Topologies of TMLIs
2.1.1. NPC TMLIs
2.1.2. Cascaded TMLIs
2.1.3. FC TMLIs
2.1.4. ANPC TMLIs
2.2. Hybrid Topologies of RC-TMLIs
2.2.1. Single-Phase RC-TMLIs
High Step-Up Five-Level RC-TMLI
FCHB-Type RC-TMLI
DSCC-HBC RC-TMLI
Hybrid ANPC-LVS RC-TMLI
Boost ANPC RC-TMLI
2.2.2. Control Approaches of Hybrid Single-Phase RC-TMLI Topologies
High Step-Up Five-Level RC-TMLI
- Positive Output Voltage:
- 2.
- Negative Output Voltage:
FCHB-Type RC-TMLI
DSCC-HBC RC-TMLI
Hybrid ANPC-LVS RC-TMLI
Boost ANPC RC-TMLI
2.2.3. Three-Phase RC-TMLIs
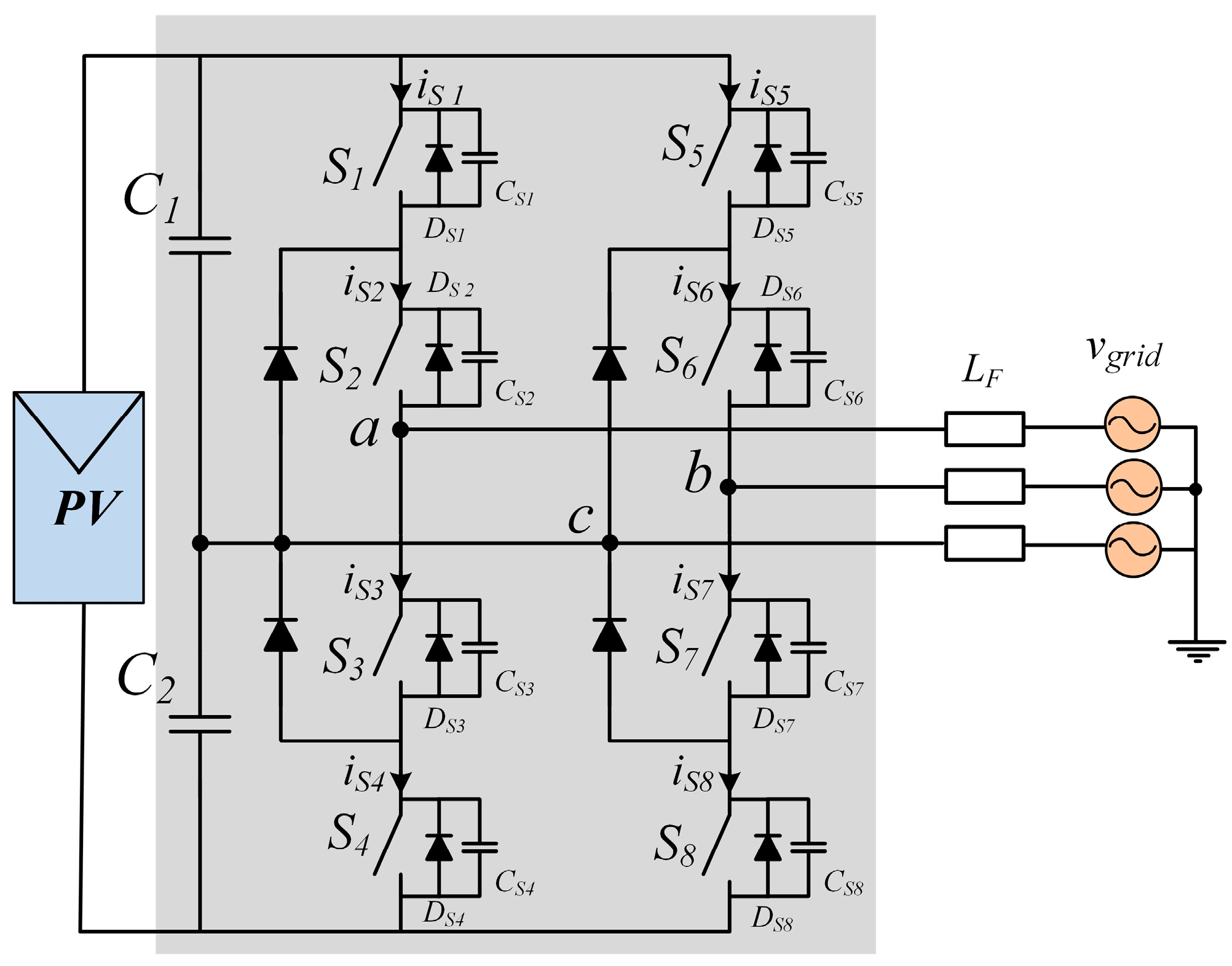
Three-Phase Three-Level Two-Leg RC TMLI
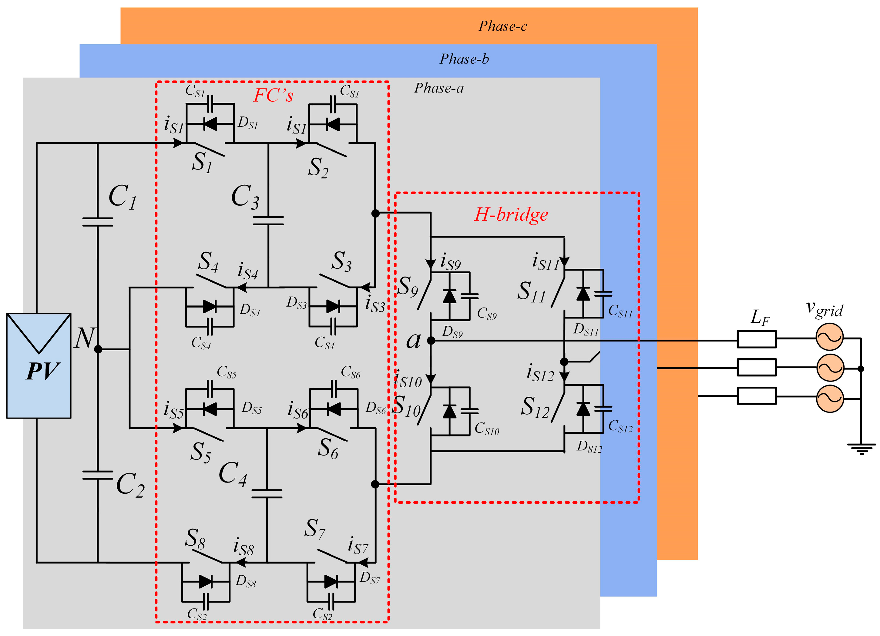
Hybrid 9-Level RC-TMLI
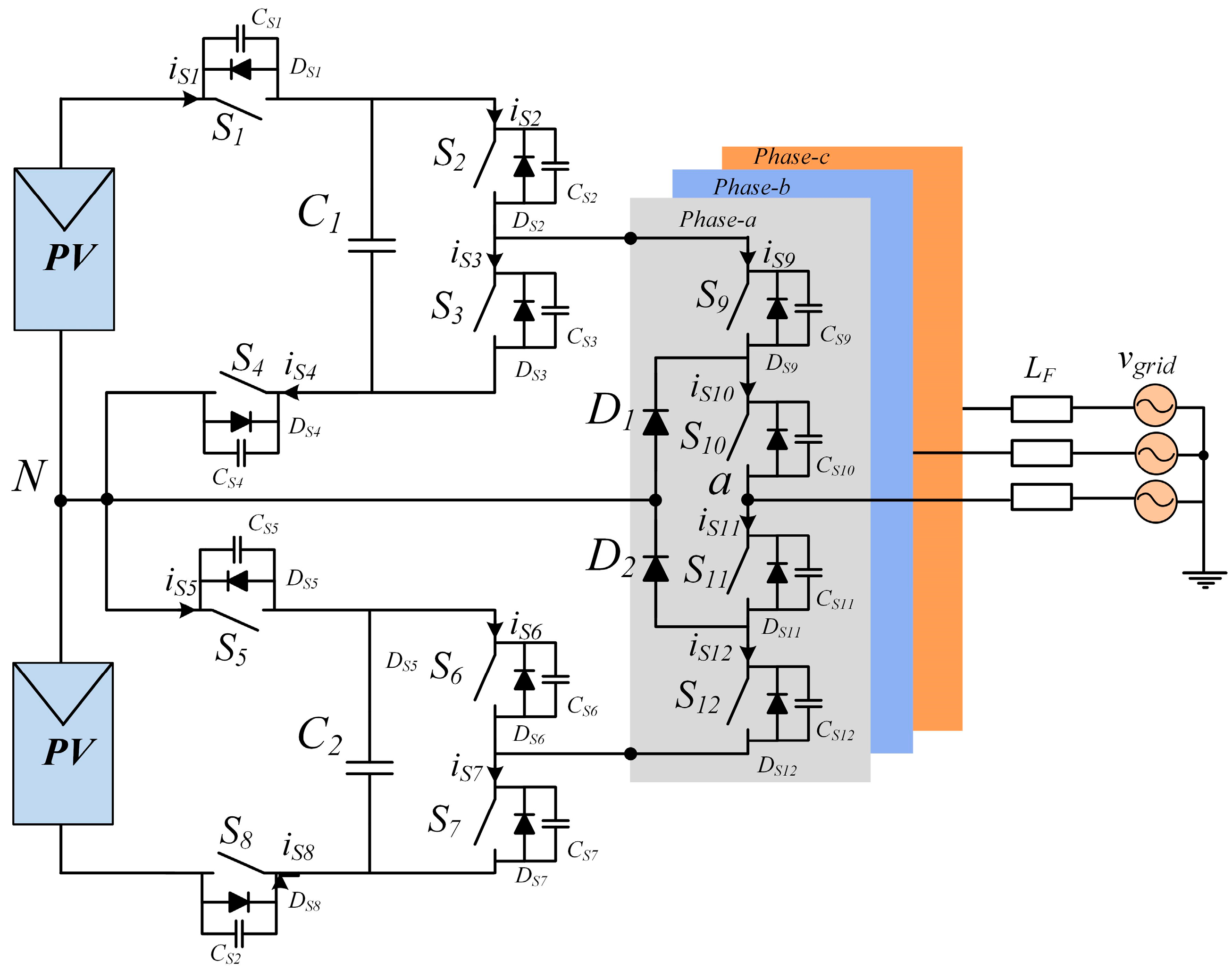
Hybrid 13-Level RC-TMLI
Modular TMLI
Switched Capacitor TMLI
Three-Phase TMLI
Self-Balanced Switched Capacitor TMLI
2.2.4. Control Approaches of Hybrid Three-Phase RC-TMLI Topologies
Three-Phase Three-Level Two-Leg RC TMLI
Hybrid Nine-Level RC-TMLI
Hybrid 13-Level RC-TMLI
Modular TMLI
Switched Capacitor TMLI
- An output voltage of magnitude 0 is obtained through the simultaneous activation of the switches S1, S3, S4, S5, S7, S8, and S10.
- A magnitude of 0.5VDC at the output is obtained through the activation of switches S1, S3, S4, S5, S7, S8, S11, and S12.
- Switches S1, S3, S4, S5, S7, S8, and S9 are activated to attain an output voltage of 1VDC.
- Through the activation of switches S1, S3, S4, S6, S8, and S11, a magnitude of 1.5VDC is obtained at the output.
- Finally, a 2VDC output is obtained through the activation of switches S1, S3, S4, S6, and S8.
Three-Phase TMLI
Self Balanced Switched Capacitor TMLI
- The first stage involved a value of 0 for the output voltage, during which switches S1, S2, S3, S4, S5, and S6 are in the active state.
- The switches S1, S2, S3, S5, and S6 are in the active state, leading to the output voltage being equivalent to the DC voltage source.
- In order to obtain +2Vdc at the output, two paths are considered, which both involve switches S3, S5, and S6 to be in the active state and with capacitor C1 discharging in first path and C2 discharging in the end.
- In the next stage, the output voltage is the sum of voltage of both capacitors and the DC source (+3Vdc). During this stage, all six switches are in the active state.
- For +4Vdc at the output, S1, S2, S3, S5, and S6 remain in the active state.
2.3. Dual Input RC-TMLI Topologies
- Modular RC-TMLI
- RCC TMLI
Control Approaches of Dual-Input RC-TMLI Topologies
- Modular RC-TMLI
- RCC TMLI
3. Comparative Analysis
3.1. Analysis of Physical Parameters
3.2. Analysis of Performance Parameters
4. Conclusions
Author Contributions
Funding
Data Availability Statement
Acknowledgments
Conflicts of Interest
References
- Tawfiq, A.A.E.; El-Raouf, M.O.A.; Mosaad, M.I.; Gawad, A.F.A.; Farahat, M.A.E. Optimal Reliability Study of Grid-Connected PV Systems Using Evolutionary Computing Techniques. IEEE Access 2021, 9, 42125–42139. [Google Scholar] [CrossRef]
- Qazi, A.; Hussain, F.; Rahim, N.A.; Hardaker, G.; Alghazzawi, D.; Shaban, K.; Haruna, K. Towards Sustainable Energy: A Systematic Review of Renewable Energy Sources, Technologies, and Public Opinions. IEEE Access 2019, 7, 63837–63851. [Google Scholar] [CrossRef]
- Romero-Cadaval, E.; Spagnuolo, G.; Franquelo, L.G.; Ramos-Paja, C.A.; Suntio, T.; Xiao, W.M. Grid-connected photovoltaic generation plants: Components and operation. IEEE Ind. Electron. Mag. 2013, 7, 6–20. [Google Scholar] [CrossRef]
- Yao, M.; Cai, X. An overview of the photovoltaic industry status and perspective in China. IEEE Access 2019, 7, 181051–181060. [Google Scholar] [CrossRef]
- Rehman, W.U.; Bhatti, A.R.; Awan, A.B.; Sajjad, I.A.; Khan, A.A.; Bo, R.; Haroon, S.S.; Amin, S.; Tlili, I.; Oboreh-Snapps, O. The penetration of renewable and sustainable energy in Asia: A state-of-the-art review on net-metering. IEEE Access 2020, 8, 170364–170388. [Google Scholar] [CrossRef]
- Abdel-Rahim, O.; Chub, A.; Vinnikov, D.; Blinov, A. DC Integration of Residential Photovoltaic Systems: A Survey. IEEE Access 2022, 10, 66974–66991. [Google Scholar] [CrossRef]
- Akbari, A.; Poloei, F.; Bakhshai, A. A Brief Review on State-of-the-art Grid-connected Inverters for Photovoltaic Applications. IEEE Int. Symp. Ind. Electron. 2019, 2019, 1023–1028. [Google Scholar] [CrossRef]
- Kjaer, S.B.; Pedersen, J.K.; Blaabjerg, F. A review of single-phase grid-connected inverters for photovoltaic modules. IEEE Trans. Ind. Appl. 2005, 41, 1292–1306. [Google Scholar] [CrossRef]
- Usmani, A.A.; Shahrukh, M.; Mustafa, A. Comparison of different three phase inverter topologies: A review. In Proceedings of the IEEE International Conference on Innovations in Electrical, Electronics, Instrumentation and Media Technology, ICIEEIMT 2017, Coimbatore, India, 3–4 February 2017; Volume 2017, pp. 19–24. [Google Scholar] [CrossRef]
- Khan, M.T.A.; Tanaka, T.; Tan, B.; Dagstanyan, R.; Borland, J. Hybrid String Inverter with Energy Storage for Grid Independent Power System. In Proceedings of the 2018 IEEE 7th World Conference on Photovoltaic Energy Conversion, WCPEC 2018—A Joint Conference of 45th IEEE PVSC, 28th PVSEC and 34th EU PVSEC, Waikoloa, HI, USA, 10–15 June 2018; pp. 573–578. [Google Scholar] [CrossRef]
- Chaudhary, S.; Singh, S.N. Single Phase Grid Interactive Solar Photovoltaic Inverters: A Review. In Proceedings of the 2018 National Power Engineering Conference, NPEC 2018, Madurai, India, 9–10 March 2018. [Google Scholar] [CrossRef]
- Jiahui, J.; Yanhui, Q.; Daolian, C. A distributed maximum power point tracking flyback type PV grid-connected inverter. In Proceedings of the IECON 2017—43rd Annual Conference of the IEEE Industrial Electronics Society, Beijing, China, 29 October–1 November 2017; Volume 2017, pp. 7713–7717. [Google Scholar] [CrossRef]
- Hassan, J.; Minambres-Marcos, V.; Barrero-Gonzalez, F.; Alvi, A.A. An Improved Three-Phase Transformerless Neutral Point Clamped Inverter Topology for Common Mode Voltage Reduction. In Proceedings of the CPE-POWERENG 2023—17th IEEE International Conference on Compatibility, Power Electronics and Power Engineering, Tallinn, Estonia, 14–16 June 2023. [Google Scholar] [CrossRef]
- Hassan, J.; Minambres-Marcos, V.; Barrero-Gonzalez, F.; Alvi, A.A.; Malinowski, M.; Martinez-Caballero, L. A Comparative Study of Three-Phase Inverter Topologies for Common Mode Voltage Reduction in Photovoltaic Applications Acknowledgements. In Proceedings of the 2023 25th European Conference on Power Electronics and Applications (EPE’23 ECCE Europe), Aalborg, Denmark, 4–18 September 2023. [Google Scholar]
- Schweizer, M.; Friedli, T.; Kolar, J.W. Comparative Evaluation of Advanced Three-Phase Three-Level Inverter/Converter Topologies Against Two-Level Systems. IEEE Trans. Ind. Electron. 2013, 60, 5515–5527. [Google Scholar] [CrossRef]
- Mukundan, M.C.N.; Vineeth, K.; Kumar, S.S.; Jayaprakash, P. Improved H-bridge Multilevel Inverter for Grid Integration of Photovoltaic Power Conversion System with Power Quality Enhancement. In Proceedings of the 2020 IEEE International Conference on Power Electronics, Smart Grid and Renewable Energy, PESGRE 2020, Cochin, India, 2–4 January 2020. [Google Scholar] [CrossRef]
- Ali, A.I.M.; Sayed, M.A.; Takeshita, T. Isolated single-phase single-stage DC-AC cascaded transformer-based multilevel inverter for stand-alone and grid-tied applications. Int. J. Electr. Power Energy Syst. 2021, 125, 106534. [Google Scholar] [CrossRef]
- Dhanamjayulu, C.; Sanjeevikumar, P.; Muyeen, S.M. A structural overview on transformer and transformer-less multi level inverters for renewable energy applications. Energy Rep. 2022, 8, 10299–10333. [Google Scholar] [CrossRef]
- Chamarthi, K.; Al Durra, A.; Saleh, S.A. A Novel Three-Phase Transformerless Cascaded Multilevel Inverter Topology for Grid-connected Solar PV Applications. In Proceedings of the 2020 IEEE Industry Applications Society Annual Meeting, IAS 2020, Detroit, MI, USA, 10–16 October 2020. [Google Scholar] [CrossRef]
- Barzegarkhoo, R.; Lee, S.S.; Khan, S.A.; Siwakoti, Y.; Lu, D.D.C. A Novel Generalized Common-Ground Switched-Capacitor Multilevel Inverter Suitable for Transformerless Grid-Connected Applications. IEEE Trans. Power Electron. 2021, 36, 10293–10306. [Google Scholar] [CrossRef]
- Calais, M.; Agelidis, V.G. Multilevel converters for single-phase grid connected photovoltaic systems-an overview. In Proceedings of the IEEE International Symposium on Industrial Electronics. Proceedings. ISIE’98 (Cat. No.98TH8357), Pretoria, South Africa, 7–10 July 1998; pp. 224–229. [Google Scholar] [CrossRef]
- Peng, F.Z.; McKeever, J.W.; Adams, D.J. Cascade multilevel inverters for utility applications. In Proceedings of the IECON Proceedings (Industrial Electronics Conference), New Orleans, LA, USA, 14 November 1997; Volume 2, pp. 437–442. [Google Scholar] [CrossRef]
- Peng, F.Z.; Lai, J.S. Dynamic performance and control of a static var generator using cascade multilevel inverters. IEEE Trans. Ind. Appl. 1997, 33, 748–755. [Google Scholar] [CrossRef]
- Manjrekar, M.D.; Lipo, T.A. A generalized structure of multilevel power converter. In Proceedings of the PEDES 1998—1998 International Conference on Power Electronic Drives and Energy Systems for Industrial Growth, Perth, WA, Australia, 1–3 December 1998; Volume 1, pp. 62–67. [Google Scholar] [CrossRef]
- Hinga, K.; Ohnishi, T.; Suzuki, T. New PWM inverter for photovoltaic power generation system. In Proceedings of the PESC Record—IEEE Annual Power Electronics Specialists Conference, Taipei, Taiwan, 20–25 June 1994; Volume 1, pp. 391–395. [Google Scholar] [CrossRef]
- Casini, D.; Marchesoni, M.; Puglisi, L. Sliding Mode Multilevel Control for Improved Performances in Power Conditioning Systems. IEEE Trans. Power Electron. 1995, 10, 453–463. [Google Scholar] [CrossRef]
- Calais, M.; Agelidis, V.G.; Meinhardt, M. Multilevel converters for single-phase grid connected photovoltaic systems: An overview. Sol. Energy 1999, 66, 325–335. [Google Scholar] [CrossRef]
- Sun, X.; Wang, B.; Zhou, Y.; Wang, W.; Du, H.; Lu, Z. A Single DC Source Cascaded Seven-Level Inverter Integrating Switched-Capacitor Techniques. IEEE Trans. Ind. Electron. 2016, 63, 7184–7194. [Google Scholar] [CrossRef]
- Waltrich, G.; Barbi, I. Three-phase cascaded multilevel inverter using power cells with two inverter legs in series. In Proceedings of the 2009 IEEE Energy Conversion Congress and Exposition, ECCE, San Jose, CA, USA, 20–24 September 2009; Volume 2009, pp. 3085–3092. [Google Scholar] [CrossRef]
- Chellammal, N.; Dash, S.S.; Premalatha, S.; Rajaguru, N.K. Three Phase Multicarrier PWM Switched Cascaded Multilevel Inverter as Voltage Sag Compensator. AASRI Procedia 2012, 2, 282–287. [Google Scholar] [CrossRef]
- Kerekes, T.; Sera, D.; Mathe, L. Leakage current measurement in transformerless PV inverters. In Proceedings of the International Conference on Optimisation of Electrical and Electronic Equipment, OPTIM, Brasov, Romania, 24–26 May 2012; pp. 887–892. [Google Scholar] [CrossRef]
- López, Ó.; Teodorescu, R.; Doval-Gandoy, J. Multilevel transformerless topologies for single-phase grid-connected converters. In Proceedings of the IECON Proceedings (Industrial Electronics Conference), Paris, France, 6–10 November 2006; pp. 5191–5196. [Google Scholar] [CrossRef]
- Zhang, L.; Sun, K.; Feng, L.; Wu, H.; Xing, Y. A family of neutral point clamped full-bridge topologies for transformerless photovoltaic grid-tied inverters. IEEE Trans. Power Electron. 2013, 28, 730–739. [Google Scholar] [CrossRef]
- Madhusoodhanan, S.; Zheng, Z.; Li, Y. Harmonic Analysis and Controller Design of 15 kV SiC IGBT-Based Medium-Voltage Grid-Connected Three-Phase Three-Level NPC Converter. IEEE Trans. Power Electron. 2017, 32, 3355–3369. [Google Scholar] [CrossRef]
- Wang, K.; Zheng, Z.; Li, Y. Topology and Control of a Four-Level ANPC Inverter. IEEE Trans. Power Electron. 2020, 35, 2342–2352. [Google Scholar] [CrossRef]
- Wang, H.; Kou, L.; Liu, Y.F.; Sen, C. A New Six-Switch Five-Level Active Neutral Point Clamped Inverter for PV Applications. IEEE Trans. Power Electron. 2017, 32, 6700–6715. [Google Scholar] [CrossRef]
- Barbosa, P.; Steimer, P.K.; Steinke, J.; Winkelnkemper, M.; Celanovic, N. Active-Neutral-Point-Clamped (ANPC) multilevel converter technology. In Proceedings of the 2005 European Conference on Power Electronics and Applications 2005, Dresden, Germany, 11–14 September 2005. [Google Scholar] [CrossRef]
- Li, J.; Huang, A.Q.; Liang, Z.; Bhattacharya, S. Analysis and design of active NPC (ANPC) inverters for fault-tolerant operation of high-power electrical drives. IEEE Trans. Power Electron. 2012, 27, 519–533. [Google Scholar] [CrossRef]
- Kieferndorf, F.; Basler, M.; Serpa, L.A.; Fabian, J.H.; Coccia, A.; Scheuer, G.A. A new medium voltage drive system based on ANPC-5L technology. In Proceedings of the IEEE International Conference on Industrial Technology, Via del Mar, Chile, 14–17 March 2010; pp. 643–649. [Google Scholar] [CrossRef]
- Wang, K.; Xu, L.; Zheng, Z.; Li, Y. Capacitor voltage balancing of a five-level ANPC converter using phase-shifted PWM. IEEE Trans. Power Electron. 2014, 30, 1147–1156. [Google Scholar] [CrossRef]
- Sadigh, A.K.; Hosseini, S.H.; Sabahi, M.; Gharehpetian, G.B. Double Flying Capacitor Multicell Converter Based on Modified Phase-Shifted Pulsewidth Modulation. IEEE Trans. Power Electron. 2010, 25, 1517–1526. [Google Scholar] [CrossRef]
- Abdelhakim, A.; Mattavelli, P.; Spiazzi, G. Three-Phase Three-Level Flying Capacitors Split-Source Inverters: Analysis and Modulation. IEEE Trans. Ind. Electron. 2017, 64, 4571–4580. [Google Scholar] [CrossRef]
- Lee, S.G.; Kang, D.W.; Lee, Y.H.; Hyun, D.S. The carrier-based PWM method for voltage balance of flying capacitor multilevel inverter. In Proceedings of the PESC Record—IEEE Annual Power Electronics Specialists Conference, Vancouver, BC, Canada, 17–21 June 2001; Volume 1, pp. 126–131. [Google Scholar] [CrossRef]
- Zhang, L.; Waite, M.J.; Chong, B. Three-phase four-leg flying-capacitor multi-level inverter-based active power filter for unbalanced current operation. IET Power Electron. 2013, 6, 153–163. [Google Scholar] [CrossRef]
- Akagi, H. Classification, terminology, and application of the modular multilevel cascade converter (MMCC). In Proceedings of the 2010 International Power Electronics Conference-ECCE Asia-, IPEC, Sapporo, Japan, 21–24 June 2010; Volume 2010, pp. 508–515. [Google Scholar] [CrossRef]
- Vazquez, S.; Leon, J.I.; Franquelo, L.G.; Padilla, J.J.; Carrasco, J.M. DC-voltage-ratio control strategy for multilevel cascaded converters fed with a single DC source. IEEE Trans. Ind. Electron. 2009, 56, 2513–2521. [Google Scholar] [CrossRef]
- Fazel, S.S.; Bernet, S.; Krug, D.; Jalili, K. Design and comparison of 4-kV neutral-point-clamped, flying-capacitor, and series-connected H-bridge multilevel converters. IEEE Trans. Ind. Appl. 2007, 43, 1032–1040. [Google Scholar] [CrossRef]
- Zambra, D.A.B.; Rech, C.; Pinheiro, J.R. Comparison of neutral-point-clamped, symmetrical, and hybrid asymmetrical multilevel inverters. IEEE Trans. Ind. Electron. 2010, 57, 2297–2306. [Google Scholar] [CrossRef]
- Soto, D.; Green, T.C. A comparison of high-power converter topologies for the implementation of FACTS controllers. IEEE Trans. Ind. Electron. 2002, 49, 1072–1080. [Google Scholar] [CrossRef]
- Omer, P.; Kumar, J.; Surjan, B.S. A Review on Reduced Switch Count Multilevel Inverter Topologies. IEEE Access 2020, 8, 22281–22302. [Google Scholar] [CrossRef]
- Alsayed, Y.M.; Maamoun, A.; Shaltout, A. Comparative Analysis of using Single /Three-Phase Voltage-Source for SVPWM Three-Phase Inverter Feeding a PM Servo Motor. In Proceedings of the 2019 International Conference on Innovative Trends in Computer Engineering, ITCE, Aswan, Egypt, 2–4 January 2019; Volume 2019, pp. 236–241. [Google Scholar] [CrossRef]
- Bhat, A.H.; Agarwal, P. Three-phase, power quality improvement ac/dc converters. Electr. Power Syst. Res. 2008, 78, 276–289. [Google Scholar] [CrossRef]
- Yousefpoor, N.; Fathi, S.H.; Farokhnia, N.; Abyaneh, H.A. THD minimization applied directly on the line-to-line voltage of multilevel inverters. IEEE Trans. Ind. Electron. 2012, 59, 373–380. [Google Scholar] [CrossRef]
- Koshti, A.K.; Rao, M.N. A brief review on multilevel inverter topologies. In Proceedings of the 2017 International Conference on Data Management, Analytics and Innovation, ICDMAI, Pune, India, 24–26 February 2017; Volume 2017, pp. 187–193. [Google Scholar] [CrossRef]
- Vahedi, H.; Sharifzadeh, M.; Al-Haddad, K. Modified Seven-Level Pack U-Cell Inverter for Photovoltaic Applications. IEEE J. Emerg. Sel. Top. Power Electron. 2018, 6, 1508–1516. [Google Scholar] [CrossRef]
- Barater, D.; Lorenzani, E.; Concari, C.; Franceschini, G.; Buticchi, G. Recent advances in single-phase transformerless photovoltaic inverters. IET Renew. Power Gener. 2016, 10, 260–273. [Google Scholar] [CrossRef]
- Faruqui, S.N.A.; Anwer, N. A Review Analysis of Inverter Topologies for Solar PV Applications Focused on Power Quality. J. Inst. Eng. India Ser. B 2017, 98, 517–525. [Google Scholar] [CrossRef]
- Venkatesan, M.; Rajeswari, R.; Keerthivasan, K. A survey of single phase grid connected photovoltaic system. In Proceedings of the 2012 International Conference on Emerging Trends in Science, Engineering and Technology (INCOSET), Tiruchirappalli, India, 13–14 December 2014; Volume 2012, pp. 404–408. [Google Scholar] [CrossRef]
- Chandra, C.S.; Jain, S.K. A Review on Single-Phase Transformerless Inverter Topologies for PV Applications. In Proceedings of the 2021 International Conference on Control, Automation, Power and Signal Processing, CAPS 2021, Jabalpur, India, 10–12 December 2021. [Google Scholar] [CrossRef]
- Zhang, P.; Wang, Y.; Xiao, W.; Li, W. Reliability evaluation of grid-connected photovoltaic power systems. IEEE Trans. Sustain. Energy 2012, 3, 379–389. [Google Scholar] [CrossRef]
- Taghvaie, A.; Haque, M.E.; Saha, S.; Mahmud, M.A. A Multilevel Solid-State Transformer-Based Grid-Connected Solar Photovoltaic Systems. In Proceedings of the Conference Record—IAS Annual Meeting (IEEE Industry Applications Society), Vancouver, BC, Canada, 10–14 December 2021; Volume 2021. [Google Scholar] [CrossRef]
- Kaundinya, D.P.; Balachandra, P.; Ravindranath, N.H. Grid-connected versus stand-alone energy systems for decentralized power—A review of literature. Renew. Sustain. Energy Rev. 2009, 13, 2041–2050. [Google Scholar] [CrossRef]
- Lewicki, A.; Krzeminski, Z.; Abu-Rub, H. Space-Vector Pulsewidth Modulation for Three-Level NPC Converter with the Neutral Point Voltage Control. IEEE Trans. Ind. Electron. 2011, 58, 5076–5086. [Google Scholar] [CrossRef]
- Rodríguez, J.; Lai, J.S.; Peng, F.Z. Multilevel inverters: A survey of topologies, controls, and applications. IEEE Trans. Ind. Electron. 2002, 49, 724–738. [Google Scholar] [CrossRef]
- Iqbal, A.; Meraj, M.; Tariq, M.; Lodi, K.A.; Maswood, A.I.; Rahman, S. Experimental Investigation and Comparative Evaluation of Standard Level Shifted Multi-Carrier Modulation Schemes with a Constraint GA Based SHE Techniques for a Seven-Level PUC Inverter. IEEE Access 2019, 7, 100605–100617. [Google Scholar] [CrossRef]
- Jayakumar, V.; Chokkalingam, B.; Munda, J.L. Performance Analysis of Multi-Carrier PWM and Space Vector Modulation Techniques for Five-Phase Three-Level Neutral Point Clamped Inverter. IEEE Access 2022, 10, 34883–34906. [Google Scholar] [CrossRef]
- Sabry, A.; Mohammed, Z.M.; Nordin, F.H.; Ali, N.H.N.; Al-Ogaili, A.S. Single-Phase Grid-Tied Transformerless Inverter of Zero Leakage Current for PV System. IEEE Access 2020, 8, 4361–4371. [Google Scholar] [CrossRef]
- Guo, X.; Yang, Y.; Zhu, T. ESI: A Novel Three-Phase Inverter with Leakage Current Attenuation for Transformerless PV Systems. IEEE Trans. Ind. Electron. 2018, 65, 2967–2974. [Google Scholar] [CrossRef]
- Halabi, L.M.; Alsofyani, I.M.; Lee, K.-B. Multiple-Fault-Tolerant Strategy for Three-Phase Hybrid Active Neutral Point Clamped Converters Using Enhanced Space Vector Modulation Technique. IEEE Access 2020, 8, 180113–180123. [Google Scholar] [CrossRef]
- Lai, J.-S.; Peng, F.Z. Multilevel Converters-A New Breed of Power Converters. IEEE Trans. Ind. Appl. 1996, 32, 509–517. [Google Scholar]
- Nami, A.; Ghosh, A.; Blaabjerg, F. A Hybrid Cascade Converter Topology with Series-Connected Symmetrical and Asymmetrical Diode-Clamped H-Bridge Cells. IEEE Trans. Power Electron. 2011, 26, 51. [Google Scholar] [CrossRef]
- Mali, R.; Vaidya, A.P.; Adam, N.; Satpaise, A. Performance Comparison of Two Level Inverter with Classical Multilevel Inverter Topologies. In Proceedings of the 2019 IEEE International Conference on Electrical, Computer and Communication Technologies (ICECCT), Coimbatore, India, 20–22 February 2019. [Google Scholar]
- Shuvo, S.; Hossain, E.; Islam, T.; Akib, A.; Padmanaban, S.; Khan, M.D.Z.R. Design and Hardware Implementation Considerations of Modified Multilevel Cascaded H-Bridge Inverter for Photovoltaic System. IEEE Access 2019, 7, 16504–16524. [Google Scholar] [CrossRef]
- Ray, S.; Gupta, N.; Gupta, R.A. A Comprehensive Review on Cascaded H-bridge Inverter-Based Large-Scale Grid-Connected Photovoltaic. IETE Tech. Rev. 2017, 34, 463–477. [Google Scholar] [CrossRef]
- Ziaeinejad, S.; Sangsefidi, Y.; Mehrizi-Sani, A. A Generalized Switching Strategy and Capacitor Sizing Algorithm for Granular Multilevel Converters. IEEE Trans. Ind. Electron. 2018, 65, 4443. [Google Scholar] [CrossRef]
- Huang, J.; Corzine, K.A. Extended Operation of Flying Capacitor Multilevel Inverters. IEEE Trans. Power Electron. 2016, 21, 140–147. [Google Scholar] [CrossRef]
- Narimani, M.; Member, S.; Wu, B.; Zargari, N.R. A Novel Five-Level Voltage Source Inverter with Sinusoidal Pulse Width Modulator for Medium-Voltage Applications. IEEE Trans. Power Electron. 2016, 31, 1959–1967. [Google Scholar] [CrossRef]
- Dodo, Y.; Sato, Y.; Ito, T.; Mochidate, S. A Study for Improvement in Power Density of Flying Capacitor Multilevel Inverters for Grid-Connected Applications. In Proceedings of the 2016 IEEE 8th International Power Electronics and Motion Control Conference (IPEMC-ECCE Asia), Hefei, China, 22–26 May 2016. [Google Scholar]
- Estévez-Bén, A.A.; Alvarez-Diazcomas, A.; Rodríguez-Reséndiz, J. Transformerless Multilevel Voltage-Source Inverter Topology Comparative Study for PV Systems. Energies 2020, 13, 3261. [Google Scholar] [CrossRef]
- Qashqai, P.; Sheikholeslami, A.; Vahedi, H.; Al-Haddad, K. A Review on Multilevel Converter Topologies for Electric Transportation Applications. In Proceedings of the 2015 IEEE Vehicle Power and Propulsion Conference (VPPC), Montreal, QC, Canada, 19–22 October 2015. [Google Scholar]
- Patrao, I.; Figueres, E.; González-Espín, F.; Garcerá, G. Transformerless topologies for grid-connected single-phase photovoltaic inverters. Renew. Sustain. Energy Rev. 2011, 15, 3423–3431. [Google Scholar] [CrossRef]
- Alavi, O.; Viki, A.H.; Shamlou, S. A Comparative Reliability Study of Three Fundamental Multilevel Inverters Using Two Different Approaches. Electronics 2016, 5, 18. [Google Scholar] [CrossRef]
- Abu-Rub, H.; Member, S.; Holtz, J.; Rodriguez, J.; Baoming, G. Medium-Voltage Multilevel Converters-State of the Art, Challenges, and Requirements in Industrial Applications. IEEE Trans. Ind. Electron. 2010, 57, 2581–2596. [Google Scholar] [CrossRef]
- Humayun, M.; Khan, M.M.; Ali, M.; Jianming, X.; Zhang, W. Evaluation of symmetric flying capacitor multilevel inverter for grid-connected application. Int. J. Electr. Power Energy Syst. 2019, 115, 105430. [Google Scholar] [CrossRef]
- Khazraei, M.; Member, S.; Sepahvand, H.; Corzine, K.A.; Member, S.; Ferdowsi, M. Active Capacitor Voltage Balancing in Single-Phase Flying-Capacitor Multilevel Power Converters. IEEE Trans. Ind. Electron. 2012, 59, 769. [Google Scholar] [CrossRef]
- Feng, Z.; Zhang, X.; Wang, J.; Yu, S. A High-Efficiency Three-Level ANPC Inverter Based on Hybrid SiC and Si Devices. Energies 2020, 13, 1159. [Google Scholar] [CrossRef]
- Teymour, H.R.; Sutanto, D. Novel Modulation and Control Strategy for Five-level ANPC Converter with Unbalanced DC Voltage Applied to a Single-Phase Grid Connected PV System. In Proceedings of the 2013 IEEE Industry Applications Society Annual Meeting, Lake Buena Vista, FL, USA, 6–11 October 2013. [Google Scholar]
- Haederli, C.; Ladoux, P.; Meynard, T.; Gateau, G.; Lienhardt, A.-M. Neutral point control in multi level converters applying novel modulation schemes. In Proceedings of the 2006 37th IEEE Power Electronics Specialists Conference, Jeju, Republic of Korea, 18–22 June 2006. [Google Scholar]
- Brückner, T.; Bernet, S.; Steimer, P.K.; Drives, M.V. The Active NPC Converter for Medium-Voltage Applications. In Proceedings of the Fourtieth IAS Annual Meeting. Conference Record of the 2005 Industry Applications Conference, Hong Kong, China, 2–6 October 2005. [Google Scholar]
- Hu, C.; Yu, X.; Holmes, D.G.; Shen, W.; Wang, Q.; Luo, F.; Liu, N. An Improved Virtual Space Vector Modulation Scheme for Three-Level Active Neutral-Point-Clamped Inverter. IEEE Trans. Power Electron. 2017, 32, 7419. [Google Scholar] [CrossRef]
- Pineda, W.A.; Rech, C. Modified Five-Level ANPC Inverter with Output Voltage Boosting Capability. In Proceedings of the IECON 2019—45th Annual Conference of the IEEE Industrial Electronics Society, Lisbon, Portugal, 14–17 October 2019. [Google Scholar]
- Brückner, T.; Bernet, S.; Güldner, H. The Active NPC Converter and Its Loss-Balancing Control. IEEE Trans. Ind. Electron. 2005, 52, 855–868. [Google Scholar] [CrossRef]
- Wang, K.; Zheng, Z.; Li, Y.; Liu, K.; Shang, J. Neutral-Point Potential Balancing of a Five-Level Active Neutral-Point-Clamped Inverter. IEEE Trans. Ind. Electron. 2013, 60, 1907–1918. [Google Scholar] [CrossRef]
- Lara, J.; Masisi, L.; Hernandez, C.; Arjona, M.A.; Chandra, A. Novel Five-Level ANPC Bidirectional Converter for Power Quality Enhancement during G2V/V2G Operation of Cascaded EV Charger. Energies 2021, 14, 2650. [Google Scholar] [CrossRef]
- Brückner, T.; Bernet, S.; Steimer, P.K. Feedforward Loss Control of Three-Level Active NPC Converters. IEEE Trans. Ind. Appl. 2007, 43, 1588–1596. [Google Scholar] [CrossRef]
- Abarzadeh, M.; Javadi, A.; Al-Haddad, K. Novel Simplified Single Carrier PWM Method for 5L ANPC Converter with Capacitor Voltage Self-Balancing and Improved Output Voltage Spectrum. In Proceedings of the 2019 IEEE 28th International Symposium on Industrial Electronics (ISIE), Vancouver, BC, Canada, 12–14 June 2019. [Google Scholar]
- Gao, F. An Enhanced Single-Phase Step-Up Five-Level Inverter. IEEE Trans. Power Electron. 2016, 31, 8024–8030. [Google Scholar] [CrossRef]
- Sandeep, N.; Yaragatti, U.R. Design and Implementation of a Sensorless Multilevel Inverter with Reduced Part Count. IEEE Trans. Power Electron. 2017, 32, 6677–6683. [Google Scholar] [CrossRef]
- Narayanan, S.; Surendran, S.M. Comparison of Seven and Nine Level Flying Capacitor-Multilevel Inverter using Staircase and Stepped Modulation. Available online: http://ssrn.com/link/ICSEE-2019.html (accessed on 15 July 2024).
- Rajasekaran, P.; Senthilkumar, V.J. Comparison of Various Strategies in DTFC Based Multilevel NPC Inverter Fed Induction Drive for Torque Ripple Reduction. Trans. Electr. Electron. Mater. 2018, 19, 290–303. [Google Scholar] [CrossRef]
- Suresh, Y.; Panda, A.K. Investigation on stacked cascade multilevel inverter by employing single-phase transformers. Eng. Sci. Technol. Int. J. 2016, 19, 894–903. [Google Scholar] [CrossRef]
- Liu, J.; Wu, J.; Zeng, J.; Guo, H. A Novel Nine-Level Inverter Employing One Voltage Source and Reduced Components as High-Frequency AC Power Source. IEEE Trans. Power Electron. 2017, 32, 2939–2947. [Google Scholar] [CrossRef]
- Hinago, Y.; Koizumi, H. A Switched-Capacitor Inverter Using Series/Parallel Conversion with Inductive Load. IEEE Trans. Ind. Electron. 2012, 59, 878–887. [Google Scholar] [CrossRef]
- Babaei, E.; Gowgani, S.S. Hybrid Multilevel Inverter Using Switched Capacitor Units. IEEE Trans. Ind. Electron. 2014, 61, 4614–4621. [Google Scholar] [CrossRef]
- Siwakoti, Y.P.; Liese, S.; Mahajan, A.; Palanisamy, A.; Rogers, D.; Blaabjerg, F. A New Seven-Level Active Boost Neutral Point Clamped (7L-ABNPC) Inverter. In Proceedings of the 2018 IEEE Energy Conversion Congress and Exposition (ECCE), Portland, OR, USA, 23–27 September 2018. [Google Scholar]
- Siwakoti, Y.P.; Mahajan, A.; Rogers, D.J.; Blaabjerg, F. A Novel Seven-Level Active Neutral-Point-Clamped Converter with Reduced Active Switching Devices and DC-Link Voltage. IEEE Trans. Power Electron. 2019, 34, 10492–10508. [Google Scholar] [CrossRef]
- Abarzadeh, M.; Al-Haddad, K. An Improved Active-Neutral-Point-Clamped Converter with New Modulation Method for Ground Power Unit Application. IEEE Trans. Ind. Electron. 2019, 66, 203–214. [Google Scholar] [CrossRef]
- Lee, S.S.; Member, S.; Lim, C.S.; Lee, K.-B. Novel Active-Neutral-Point-Clamped Inverters with Improved Voltage-Boosting Capability. IEEE Trans. Power Electron. 2020, 35, 5978–5986. [Google Scholar] [CrossRef]
- Siwakoti, Y.P. A New Six-Switch Five-Level Boost-Active Neutral Point Clamped (5L-Boost-ANPC) Inverter. In Proceedings of the 2018 IEEE Applied Power Electronics Conference and Exposition (APEC), San Antonio, TX, USA, 4–8 March 2018. [Google Scholar]
- Wang, H.; Kou, L.; Liu, Y.F.; Sen, P.C. A seven-switch five level active-neutral-point-clamped converter and its optimal modulation strategy. IEEE Trans. Power Electron. 2017, 32, 5146–5161. [Google Scholar] [CrossRef]
- Ibrahim, S.; Hasan, K.; Sevki, D.; Necmi, A.; Saban, O. Three-phase three-level inverter with reduced number of switches for stand-alone PV systems. In Proceedings of the 2017 IEEE 6th International Conference on Renewable Energy Research and Applications (ICRERA), San Diego, CA, USA, 5–8 November 2017. [Google Scholar]
- Dasgupta, S.; Member, S.; Mohan, S.N.; Sahoo, S.K.; Member, S.; Panda, S.K. Application of Four-Switch-Based Three-Phase Grid-Connected Inverter to Connect Renewable Energy Source to a Generalized Unbalanced Microgrid System. IEEE Trans. Ind. Electron. 2013, 60, 1204–1215. [Google Scholar] [CrossRef]
- Ozdemir, S.; Altin, N.; Komurcugil, H.; Sefa, I. Sliding Mode Control of Three-Phase Three-Level Two-Leg NPC Inverter with LCL Filter for Distributed Generation Systems. In Proceedings of the IECON 2018—44th Annual Conference of the IEEE Industrial Electronics Society, Washington, DC, USA, 21–23 October 2018. [Google Scholar]
- Doan, N.X.; Van, L.T.; Van Nguyen, N. High-Performance Discontinuous Pulse Width Modulation Strategy for 3-level Asymmetric T-NPC Inverter. In Proceedings of the ICPE 2023-ECCE Asia—11th International Conference on Power Electronics—ECCE Asia: Green World with Power Electronics, Jeju Island, Republic of Korea, 22–25 May 2023; pp. 1773–1779. [Google Scholar] [CrossRef]
- Doan, N.X.; Van Nguyen, N. Improved Model Predictive Control for Asymmetric T-Type NPC 3-Level Inverter. Electronics 2021, 10, 2244. [Google Scholar] [CrossRef]
- Wang, K.; Zheng, Z.; Wei, D.; Boran, F.; Li, Y. Topology and Capacitor Voltage Balancing Control of a Symmetrical Hybrid Nine-Level Inverter for High-Speed Motor Drives. IEEE Trans. Ind. Appl. 2017, 53, 5563–5572. [Google Scholar] [CrossRef]
- Zheng, Z.; Wang, K.; Xu, L.; Li, Y. A Hybrid Cascaded Multilevel Converter for Battery Energy Management Applied in Electric Vehicles. IEEE Trans. Power Electron. 2014, 29, 3537. [Google Scholar] [CrossRef]
- Goel, R.; Davis, T.; Dey, A. Thirteen-Level Multilevel Inverter Structure Having Single DC Source and Reduced Device Count. IEEE Trans. Ind. Appl. 2022, 58, 4932–4942. [Google Scholar] [CrossRef]
- Wang, W.; Ma, K.; Cai, X. Flexible nearest level modulation for modular multilevel converter. IEEE Trans. Power Electron. 2021, 36, 13686–13696. [Google Scholar] [CrossRef]
- Barzegarkhoo, R.; Forouzesh, M.; Lee, S.; Blaabjerg, F.; Siwakoti, Y.P. Switched-capacitor multilevel inverters: A comprehensive review. IEEE Trans. Power Electron. 2022, 37, 11209–11243. [Google Scholar] [CrossRef]
- Jena, K.; Kesh, R.; Kumar, D.; Padhy, A.P.; Ahmed, M.I. Transformer-less multilevel inverter (TMLI) with reduced device count and voltage stress. e-Prime Adv. Electr. Eng. Electron. Energy 2024, 7, 100417. [Google Scholar] [CrossRef]
- Tak, N.; Chattopadhyay, S.K. Single DC Source Based Three Phase High Resolution Transformerless Multilevel Inverter. In Proceedings of the IEEE IAS Global Conference on Emerging Technologies (GlobConET), Arad, Romania, 20–22 May 2022; pp. 527–532. [Google Scholar]
- Sia, Y.P.; Choo, W.C.; Yew, W.S.; Kah, H.L. 13-Level Self-Balanced Switched-Capacitor Single Source Transformerless Boost Inverter with Reduced Components for Solar Photovoltaic Applications. In Proceedings of the 2022 International Conference on Green Energy, Computing and Sustainable Technology (GECOST), Miri Sarawak, Malaysia, 26–28 October 2022; pp. 435–439. [Google Scholar]
- Dargahi, S.; Babaei, E.; Eskandari, S.; Dargahi, V.; Sabahi, M. Flying-capacitor stacked multicell multilevel voltage source inverters: Analysis and modelling; Flying-capacitor stacked multicell multilevel voltage source inverters: Analysis and modelling. IET Power Electron. 2014, 7, 2969–2987. [Google Scholar] [CrossRef]
- Loganathan, U. A Reduced Component Count Five-Level Inverter Topology for High Reliability Electric Drives. IEEE Trans. Power Electron. 2020, 35, 725. [Google Scholar] [CrossRef]
- Nabae, A.; Takahashi, I.; Akagi, H. A New Neutral-Point-Clamped PWM Inverter. IEEE Trans. Ind. Appl. 1981, 17, 518–523. [Google Scholar] [CrossRef]
- Yadav, A.K.; Boby, M.; Pramanick, S.K.; Gopakumar, K.; Umanand, L.; Franquelo, L.G. Generation of High-Resolution 12-Sided Voltage Space Vector Structure Using Low-Voltage Stacked and Cascaded Basic Inverter Cells. IEEE Trans. Power Electron. 2018, 33, 7349–7358. [Google Scholar] [CrossRef]
- Smida, M.B.; Ammar, F.B. Modeling and DBC-PSC-PWM Control of a Three-Phase Flying-Capacitor Stacked Multilevel Voltage Source Inverter. IEEE Trans. Ind. Electron. 2010, 57, 2231–2239. [Google Scholar] [CrossRef]
- Yan, G.; Mu, G.; Huang, Y.; Liu, W. A Novel PWM Method for Stacked Flying Capacitor Inverter. In Proceedings of the 2006 CES/IEEE 5th International Power Electronics and Motion Control Conference, Shanghai, China, 14–16 August 2006. [Google Scholar]
- Kadam, A.; Shukla, A. A 5-level High Efficiency Low Cost Hybrid Neutral Point Clamped Transformerless Inverter for Grid Connected Photovoltaic Application. In Proceedings of the 2018 IEEE Applied Power Electronics Conference and Exposition (APEC), San Antonio, TX, USA, 4–8 March 2018. [Google Scholar]
- Choudhury, S.; Bajaj, M.; Dash, T.; Kamel, S.; Jurado, F. Multilevel Inverter: A Survey on Classical and Advanced Topologies, Control Schemes, Applications to Power System and Future Prospects. Energies 2021, 14, 5773. [Google Scholar] [CrossRef]
- Bouali, Y.; Imarazene, K.; Berkouk, E.M. Total Harmonic Distortion Optimization of Multilevel Inverters Using Genetic Algorithm: Experimental Test on NPC Topology with Self-Balancing of Capacitors Voltage Using Multilevel DC–DC Converter. Arab. J. Sci. Eng. 2023, 48, 6067–6087. [Google Scholar] [CrossRef]
- Fakhri, N.; Laali, S.; Naderi, M.S.; Rahimi, H.; Farkoush, S.G. A new symmetric modular eleven-level inverter using single and double source unit for low voltage applications with reduced number of switches. IET Power Electron. 2023; early view. [Google Scholar] [CrossRef]
- Wang, T.; Zhang, J.; Wang, H.; Wang, Y.; Diallo, D.; Benbouzid, M. Multi-mode fault-tolerant control strategy for cascaded H-bridge multilevel inverters. IET Power Electron. 2020, 13, 3119–3126. [Google Scholar] [CrossRef]
- Li, Y.; Tian, H.; Wei, Y.L. Generalized Phase-Shift PWM for Active-Neutral-Point-Clamped Multilevel Converter. IEEE Trans. Ind. Electron. 2020, 67, 9048–9058. [Google Scholar] [CrossRef]
- Maswood, A.I.; Gabriel, O.H.P.; Al Ammar, E. Comparative study of multilevel inverters under unbalanced voltage in a single DC link. IET Power Electron. 2013, 6, 1530–1543. [Google Scholar] [CrossRef]
- Barkati, S.; Baghli, L.; Berkouk, E.M.; Boucherit, M.S. Harmonic elimination in diode-clamped multilevel inverter using evolutionary algorithms. Electr. Power Syst. Res. 2008, 78, 1736–1746. [Google Scholar] [CrossRef]
- Hoon, Y.; Radzi, M.A.M.; Hassan, M.K.; Mailah, N.F. Control Algorithms of Shunt Active Power Filter for Harmonics Mitigation: A Review. Energies 2017, 10, 2038. [Google Scholar] [CrossRef]
- Watkins, S.J.; Zhang, L. Influence of Multilevel Sinusoidal PWM Schemes on the Performance of a Fly Ing-Capacitor Inverter. In Proceedings of the 2002 International Conference on Power Electronics, Machines and Drives (Conf. Publ. No. 487), Santa Fe, NM, USA, 4–7 June 2002. [Google Scholar]
- Malinowski, M.; Member, S.; Gopakumar, K.; Rodriguez, J.; Pérez, M.A. A Survey on Cascaded Multilevel Inverters. IEEE Trans. Ind. Electron. 2010, 57, 2197–2206. [Google Scholar] [CrossRef]
- Bharatkar, S.S.; Raju, M.; Bhoyar, R.; Sarang, M.; Khadtare, A. Analysis of Three Phase Cascaded H-Bridge Multilevel Inverter for Symmetrical & Asymmetrical Configuration. In Proceedings of the 2014 First International Conference on Automation, Control, Energy and Systems (ACES), Adisaptagram, India, 1–2 February 2014. [Google Scholar]
- Rahmani, R.; Langeroudi, N.M.A.; Yousefi, R.; Mahdian, M.; Seyedmahmoudian, M. Fuzzy logic controller and cascade inverter for direct torque control of IM. Neural Comput. Appl. 2014, 25, 879–888. [Google Scholar] [CrossRef]
- Kumbhare, J.M.; Deshmukh, A.C.; Renge, M.M.; Kumar, K. THIPWM Technique Applied to Three Level ANPC Converter for Grid Tied PV Applications. In Proceedings of the 2016 21st Century Energy Needs—Materials, Systems and Applications (ICTFCEN), Kharagpur, India, 17–19 November 2016. [Google Scholar]
- Zhang, G.; Yang, Y.; Iannuzzo, F.; Li, K.; Blaabjerg, F.; Xu, H. Loss Distribution Analysis of Three-Level Active Neutral-Point-Clamped (3L-ANPC) Converter with Different PWM Strategies. In Proceedings of the 2016 IEEE 2nd Annual Southern Power Electronics Conference (SPEC), Auckland, New Zealand, 5–8 December 2016. [Google Scholar]
- Salem, A.; Member, S.; Ahmed, E.M.; Orabi, M.; Member, S.; Ahmed, M. Study and Analysis of New Three-Phase Modular Multilevel Inverter. IEEE Trans. Ind. Electron. 2016, 63, 7804–7813. [Google Scholar] [CrossRef]



























| Control Approaches | ||||||
|---|---|---|---|---|---|---|
| 2-leg RC-TMLI | 9-Level RC-TMLI | 13-Level RC-TMLI | Modular RC-TMLI | SC RC-TMLI | 3-Phase TMLI | Self-Balanced SC RC-TMLI |
| [111] | [116] | [118] | [119] | [121] | [122] | [123] |
| Carrier PWMPI controller | Bipolar PWM | Level-shifted sinusoidal PWM | Nearest level PWM | Phase disposition PWM | Sinusoidal PWM using voltage, current control | Selective harmonic elimination PWM |
| Control Approaches | |
|---|---|
| Modular RC-TMLI | RCC TMLI |
| [117] | [125] |
| Level-shift PWM | Multilevel PWM with voltage control |
| Comparison of Physical Parameters of Single-Phase Multilevel Inverter Topologies | |||||||||||||
|---|---|---|---|---|---|---|---|---|---|---|---|---|---|
| Traditional Topologies | Hybrid Topologies | ||||||||||||
| NPC | FC | CHB | ANPC | Three-Phase 2-Leg RC-TMLI | Modular RC-TMLI | RCC | Hybrid 9-Level | Hybrid 13-Level | |||||
| [101,130,131,132,133] | [38,39,133] | [49,133,134,135,136] | [137,138,139] | [140] | [141] | [142] | [143] | [144] | |||||
| Number of levels | 3 | 13 | 3 | 13 | 3 | 13 | 3 | 13 | 3 | 3 | 5 | 9 | 13 |
| Number of DC sources | 1 | 1 | 1 | 1 | 3 | 18 | 1 | 1 | 1 | 2 | 2 | 3 | 1 |
| Number of switches | 12 | 72 | 12 | 72 | 12 | 72 | 18 | 468 | 8 | 12 | 20 | 36 | 30 |
| Number of gate drivers | 12 | 72 | 12 | 72 | 12 | 72 | 18 | 468 | 8 | 12 | 20 | 36 | 27 |
| Number of diodes | 6 | 396 | - | - | - | - | - | - | 4 | - | 6 | - | - |
| Number of capacitors | - | - | 3 | 198 | - | - | - | - | - | - | 2 | 6 | 6 |
| Dc bus capacitors | 2 | 12 | 2 | 12 | - | - | 2 | 12 | 2 | - | - | 6 | 2 |
| Comparison of physical parameters of three-phase multilevel inverter topologies | |||||||||||||
| Traditional Topologies | Hybrid Topologies | ||||||||||||
| NPC | FC | CHB | ANPC | Three-Phase 2-Leg RC-TMLI | Modular RC-TMLI | RCC | Hybrid 9-Level | Hybrid 13-Level | |||||
| [101,130,131,132,133] | [38,39,133] | [49,133,134,135,136] | [137,138,139] | [140] | [141] | [142] | [143] | [144] | |||||
| Number of levels | 3 | 13 | 3 | 13 | 3 | 13 | 3 | 13 | 3 | 3 | 5 | 9 | 13 |
| Number of DC sources | 1 | 1 | 1 | 1 | 3 | 18 | 1 | 1 | 1 | 2 | 2 | 3 | 1 |
| Number of switches | 12 | 72 | 12 | 72 | 12 | 72 | 18 | 468 | 8 | 12 | 20 | 36 | 30 |
| Number of gate drivers | 12 | 72 | 12 | 72 | 12 | 72 | 18 | 468 | 8 | 12 | 20 | 36 | 27 |
| Number of diodes | 6 | 396 | - | - | - | - | - | - | 4 | - | 6 | - | - |
| Number of capacitors | - | - | 3 | 198 | - | - | - | - | - | - | 2 | 6 | 6 |
| Dc bus capacitors | 2 | 12 | 2 | 12 | - | - | 2 | 12 | 2 | - | - | 6 | 2 |
| Comparison of Performance Parameters of Single-Phase Multilevel Inverter Topologies | ||||||||
|---|---|---|---|---|---|---|---|---|
| Traditional Topologies | Hybrid Topologies | |||||||
| NPC | FC | CHB | High Step-Up RC-TMLI | FCHB-Type RC-TMLI | DSCC HBC RC-TMLI | Hybrid ANPC | Boost ANPC | |
| [101,130,131,132,133] | [38,39,133] | [49,133,134,135,136] | [137,138,139] | [140] | [141] | [142] | [143] | |
| Voltage Stress | 50% | 50% | 25–33% | Low | Low | Low | Low | Low |
| Leakage Current | 100 mA | 150 mA | 50 mA | Low | Low | Low | Low | Low |
| Efficiency | 97% | 96% | 98% | 96% | 98.9% | 94.18% | 97.33% | 96% |
| Hardware cost | 1.2–1.5x | 1.6x | 1.5–2x | Low | Low | Low | Low | High |
| THD | 2–4% | 2–4% | 1–3% | 40.48% | 6% | 3.13% | 13.16% | 2–5% |
| Modulation complexity | High | Low | Lowest | High | Low | Low | Low | Low |
| Comparison of Performance Parameters of Three-Phase Multilevel Inverter Topologies | ||||||||
| Traditional Topologies | Hybrid Topologies | |||||||
| NPC | FC | CHB | 3-Phase 2-Leg RC-TMLI | 9 Level RC-TMLI | 13 Level RC-TMLI | Modular RC-TMLI | SC RC-TMLI | |
| [101,130,131,132,133] | [38,39,133] | [49,133,134,135,136,138,139,140,141,142] | [90,137,138,139,143,144] | [111,140] | [141,145] | [125,142] | [116,143] | |
| Voltage Stress | 50% | 50% | 33% | Low | Low | Low | Low | Low |
| Leakage Current | 600 mA | 750 mA | 450 mA | Low | Low | Low | Low | Low |
| Efficiency | 98% | 97% | 99% | 95–97% | 96–98% | 97–99% | 98–99% | 96–98% |
| Hardware cost | 1.5x | 1.7x | 1.6–2x | Low | Low | Low | Low | Low |
| THD | 1.5–3% | 1.5–3% | 1–2.5% | 1% | 5.06% | 7.15% | 7.13% | 1% |
| Modulation complexity | High | Low | Lowest | Low | Low | Low | Low | High |
Disclaimer/Publisher’s Note: The statements, opinions and data contained in all publications are solely those of the individual author(s) and contributor(s) and not of MDPI and/or the editor(s). MDPI and/or the editor(s) disclaim responsibility for any injury to people or property resulting from any ideas, methods, instructions or products referred to in the content. |
© 2024 by the authors. Licensee MDPI, Basel, Switzerland. This article is an open access article distributed under the terms and conditions of the Creative Commons Attribution (CC BY) license (https://creativecommons.org/licenses/by/4.0/).
Share and Cite
Aslam, A.W.; Hassan, J.; Minambres-Marcos, V.; Al-salloomee, A.G.S.; Roncero-Clemente, C. Traditional and Hybrid Topologies for Single-/Three-Phase Transformerless Multilevel Inverters. Electronics 2024, 13, 4058. https://doi.org/10.3390/electronics13204058
Aslam AW, Hassan J, Minambres-Marcos V, Al-salloomee AGS, Roncero-Clemente C. Traditional and Hybrid Topologies for Single-/Three-Phase Transformerless Multilevel Inverters. Electronics. 2024; 13(20):4058. https://doi.org/10.3390/electronics13204058
Chicago/Turabian StyleAslam, Ayesha Wajiha, Jamil Hassan, Víctor Minambres-Marcos, Ali Gaeed Seger Al-salloomee, and Carlos Roncero-Clemente. 2024. "Traditional and Hybrid Topologies for Single-/Three-Phase Transformerless Multilevel Inverters" Electronics 13, no. 20: 4058. https://doi.org/10.3390/electronics13204058
APA StyleAslam, A. W., Hassan, J., Minambres-Marcos, V., Al-salloomee, A. G. S., & Roncero-Clemente, C. (2024). Traditional and Hybrid Topologies for Single-/Three-Phase Transformerless Multilevel Inverters. Electronics, 13(20), 4058. https://doi.org/10.3390/electronics13204058

