A Low-Voltage Self-Starting Boost Converter Using MPPT with Pulse Multiplication for Energy Harvesting
Abstract
1. Introduction
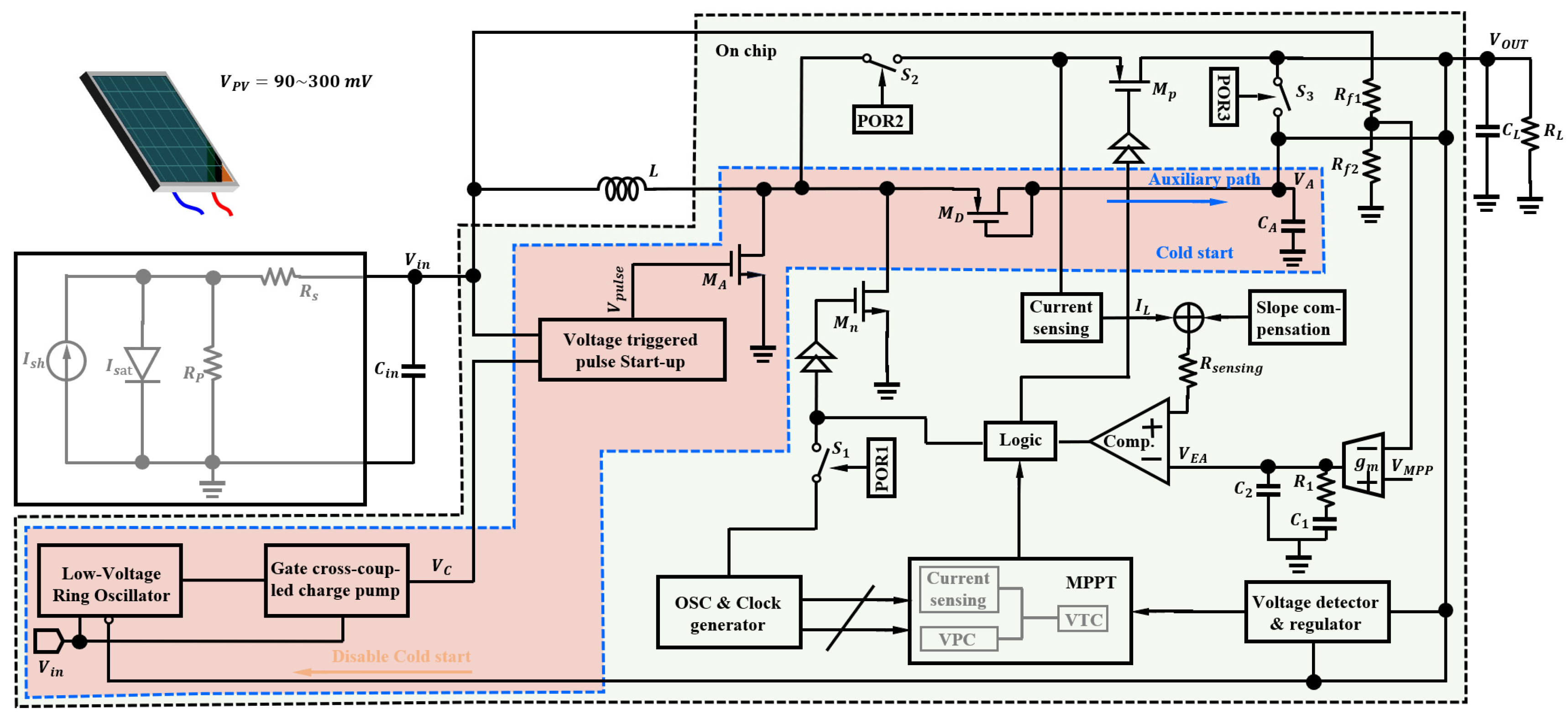
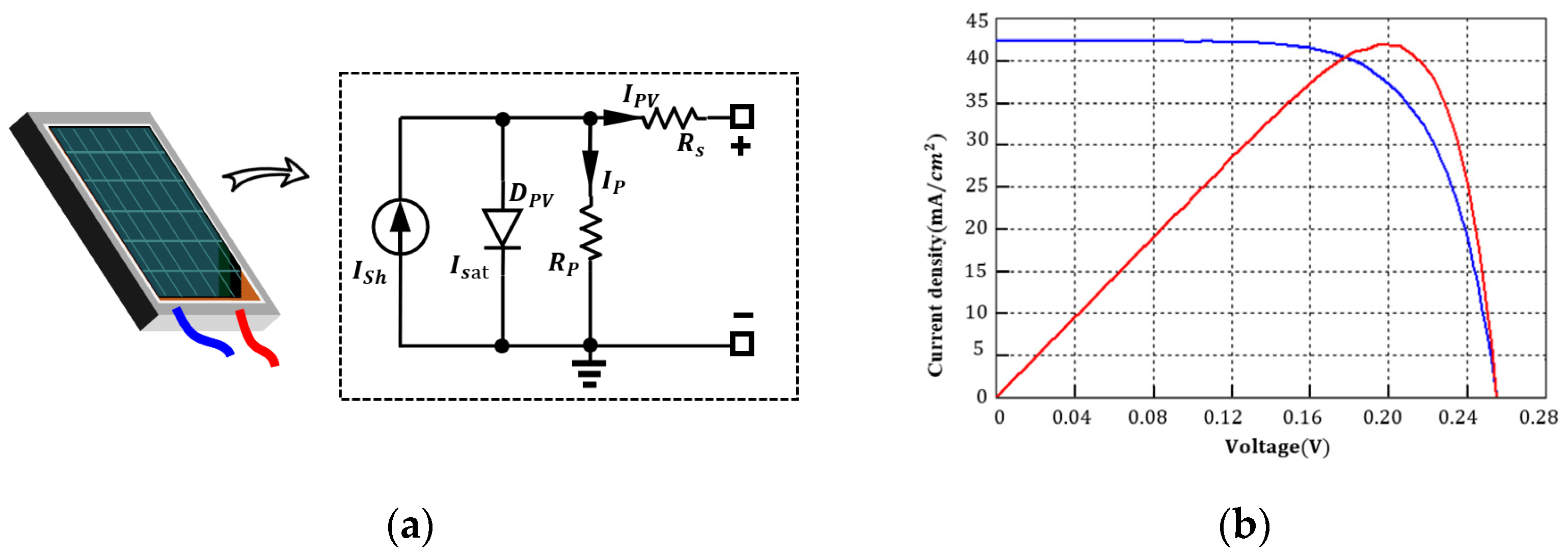
2. Architecture and Operation Principles for PV Energy Harvesting
2.1. Three-Step Low-Voltage Self-Starting Design
2.2. MPPT Control Loop and Small Signal Model
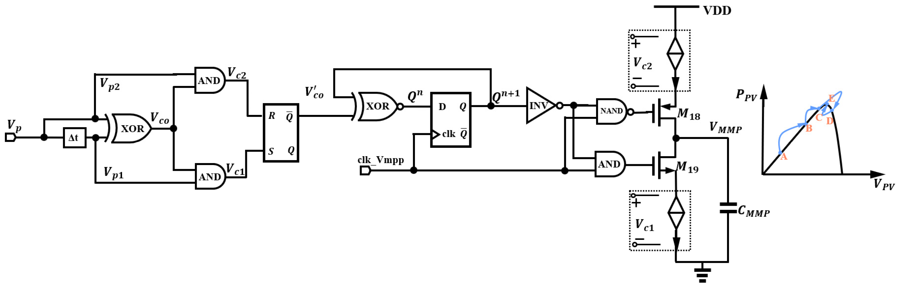
2.3. Pulse Multiplication
3. Circuit Implementation
3.1. Low-Voltage Cold Start-Up
3.2. MPPT Circuit Based on Pulse Multiplication
4. Results and Discussion
5. Conclusions
Author Contributions
Funding
Data Availability Statement
Conflicts of Interest
References
- Zeb, H.; Gohar, M.; Ali, M.; Rahman, A.U.; Ahmad, W.; Ghani, A.; Choi, J.G.; Koh, S.J. Zero Energy IoT Devices in Smart Cities Using RF Energy Harvesting. Electronics 2023, 12, 148. [Google Scholar] [CrossRef]
- Statista. Available online: https://www.statista.com/statistics/471264/iot-number-of-connected-devices-worldwide/ (accessed on 17 December 2022).
- Nesbitt, R.; Shah, S.; Wagih, M.; Imran, M.; Abbasi, Q.; Ansari, S. Next-Generation IoT: Harnessing AI for Enhanced Localization and Energy Harvesting in Backscatter Communications. Electronics 2023, 12, 5020. [Google Scholar] [CrossRef]
- Nwalike, E.; Ibrahim, K.; Crawley, F.; Qin, Q.; Luk, P.; Luo, Z. Harnessing Energy for Wearables: A Review of Radio Frequency Energy Harvesting Technologies. Energies 2023, 16, 5711. [Google Scholar] [CrossRef]
- Shuvo, M.; Titirsha, T.; Amin, N.; Islam, S. Energy Harvesting in Implantable and Wearable Medical Devices for Enduring Precision Healthcare. Energies 2022, 15, 7495. [Google Scholar] [CrossRef]
- Abdellatif, S.; Moustafa, A.; Khalid, A.; Ghannam, R. Integration of Capacitive Pressure Sensor-on-Chip with Lead-Free Perovskite Solar Cells for Continuous Health Monitoring. Micromachines 2023, 14, 1676. [Google Scholar] [CrossRef] [PubMed]
- Kimiyoshi, U.; Songxiang, W.; Kaito, N.; Giovanna, L.; Paolo, M. A 200mV Operable On-Chip Temperature Sensor for IoT Devices Powered by Energy Harvesters with Ultra-Low Output Voltage. In Proceedings of the 2023 IEEE International Conference on Internet of Things and Intelligence Systems (IoTaIS), Bali, Indonesia, 28–30 November 2023. [Google Scholar] [CrossRef]
- Mahdi Elsiddig Haroun, F.; Mohamad Deros, S.N.; Ahmed Alkahtani, A.; Md Din, N. Towards Self-Powered WSN: The Design of Ultra-Low-Power Wireless Sensor Transmission Unit Based on Indoor Solar Energy Harvester. Electronics 2022, 11, 2077. [Google Scholar] [CrossRef]
- Ahmed, A.H.; Ahmed, N.M. An integrated thermal and RF energy harvesting system with rectifying combination and storage controller for IoT devices. Microelectron. J. 2023, 142, 106020. [Google Scholar] [CrossRef]
- Vullers, R.J.M.; van Schaijk, R.; Doms, I.; Van Hoof, C.; Mertens, R.M.E.H. Micropower energy harvesting. Solid-State Electron. 2009, 53, 684–693. [Google Scholar] [CrossRef]
- Ioannis, M.; Vasiliki, G.; Eftichios, K.; Stylianos, S. Integrated Maximum Power Point Tracking System for Photovoltaic Energy Harvesting Applications. IEEE Trans. Power Electron. 2022, 37, 9865–9875. [Google Scholar] [CrossRef]
- Jingcheng, T.; Wei, M.; Zhihong, L.; Lei, Z.; Chun-Huat, H. A Fully Integrated Power Converter for Thermoelectric Energy Harvesting with 81% Peak Efficiency and 6.4-mV Minimum Input Voltage. IEEE Trans. Power Electron. 2022, 37, 4968–4972. [Google Scholar] [CrossRef]
- Aatmesh, S.; Nathan, E.R.; Osama, U.K.; David, D.W.; Benton, H.C. A 10 mV-Input Boost Converter with Inductor Peak Current Control and Zero Detection for Thermoelectric and Solar Energy Harvesting with 220 mV Cold-Start and −14.5 dBm, 915 MHz RF Kick-Start. IEEE J. Solid-State Circuits 2015, 50, 1820–1832. [Google Scholar] [CrossRef]
- Rafael, L.R.; Mohamad, S.; Carlos, G.M.; Márcio, C.S. A 7.5-mV-Input Boost Converter for Thermal Energy Harvesting with 11-mV Self-Startup. IEEE Trans. Circuits Syst. II Express Briefs 2020, 67, 1379–1383. [Google Scholar] [CrossRef]
- Lianxi, L.; Yihe, X.; Wenbin, H.; Xufeng, L.; Yongyuan, L. A 10mV-500mV Input Range, 91.4% Peak Efficiency Adaptive Multi-Mode Boost Converter for Thermoelectric Energy Harvesting. IEEE Trans. Circuits Syst. I Regul. Pap. 2022, 69, 609–619. [Google Scholar] [CrossRef]
- Thinh, T.D.; Hieu, M.P.; Loan, P.N.; Sang-Gug, L.; Hanh-Phuc, L. Power Management IC with a Three-Phase Cold Self-Start for Thermoelectric Generators. IEEE Trans. Circuits Syst. I Regul. Pap. 2021, 68, 103–113. [Google Scholar] [CrossRef]
- Soumya, B.; Tejasvi, A.; Matthew, L.J. A 3.5-mV Input Single-Inductor Self-Starting Boost Converter with Loss-Aware MPPT for Efficient Autonomous Body-Heat Energy Harvesting. IEEE J. Solid-State Circuits 2021, 56, 1837–1848. [Google Scholar] [CrossRef] [PubMed]
- Tsung-Wei, H.; Hung-Hsien, W.; Dian-Lin, T.; Chia-Ling, W. Photovoltaic energy harvester with fractional open-circuit voltage based maximum power point tracking circuit. IEEE Trans. Circuits Syst. II Express Briefs 2019, 66, 257–261. [Google Scholar] [CrossRef]
- Hadeed, A.S.; Ali, F.M.; Abdullah, N.; Khaled, E.A.; Kamal, A.; Marcello, C. A New Sensorless Hybrid MPPT Algorithm Based on Fractional Short-Circuit Current Measurement and P&O MPPT. IEEE Trans. Sustain. Energy 2015, 6, 1426–1434. [Google Scholar] [CrossRef]
- Fangrui, L.; Shanxu, D.; Fei, L.; Bangyin, L.; Yong, K. A Variable Step Size INC MPPT Method for PV Systems. IEEE Trans. Ind. Electron. 2008, 55, 2622–2628. [Google Scholar] [CrossRef]
- Ahmed, M.; Harbi, I.; Kennel, R.; Abdelrahem, M. Predictive Fixed Switching Maximum Power Point Tracking Algorithm with Dual Adaptive Step-Size for PV Systems. Electronics 2021, 10, 3109. [Google Scholar] [CrossRef]
- Chen, P.H.; Ishida, K.; Ikeuchi, K.; Zhang, X.; Honda, K.; Okuma, Y.; Ryu, Y.; Takamiya, M.; Sakurai, T. Startup Techniques for 95 mV Step-Up Converter by Capacitor Pass-On Scheme and VTH-Tuned Oscillator with Fixed Charge Programming. IEEE J. Solid-State Circuits 2012, 47, 1252–1260. [Google Scholar] [CrossRef]
- HungHsien, W.; LiangYun, C.; ChiaLing, W. Wide-input-voltage-range and high-efficiency energy harvester with a 155-mV startup voltage for solar power. In Proceedings of the ESSCIRC 2017-43rd IEEE European Solid State Circuits Conference, Leuven, Belgium, 11–14 September 2017. [Google Scholar] [CrossRef]
- Daniel, S.T.; James, B.; Atul, W.; Alain, G.; David, D.W.; Benton, H.C. Modeling and Design of Cold-Start Charge Pumps for Photovoltaic Energy Harvesters. IEEE Trans. Circuits Syst. I Regul. Pap. 2023, 70, 4334–4345. [Google Scholar] [CrossRef]
- Zhiyuan, C.; Man-Kay, L.; Pui-In, M.; Rui, P.M. A Single-Chip Solar Energy Harvesting IC Using Integrated Photodiodes for Biomedical Implant Applications. IEEE Trans. Biomed. Circuits Syst. 2017, 11, 44–53. [Google Scholar] [CrossRef]
- Jinwei, Z.; Roghaieh, P.; Rami, G.; Man-Kay, L.; Finlay, W.; Muhammad, A.I.; Hadi, H. Self-Powered Implantable CMOS Photovoltaic Cell with 18.6% Efficiency. IEEE Trans. Electron Devices 2023, 70, 3149–3154. [Google Scholar] [CrossRef]














| Reference | [23] | [24] | [25] | [26] | This Work |
|---|---|---|---|---|---|
| Start-up Method | Ring oscillator + voltage multiplier | Ring oscillator + | Auxiliary charge pump | No | Ring oscillator + charge pump + auxiliary path |
| Technology (nm) | 180 | 55 | 180 | 65 | 180 |
| MPPT | No | Yes | No | No | Yes |
| Self-Startup Voltage (mV) | 155 | 365 | 250 | No | 90 |
| VPV (V) | 0.02–1.7 | 0.365–0.8 | 0.25–0.53 | 0.35–0.6 | 0.09–0.3 |
| VIN,min (mV) | 20 | 365 | 250 | N/A | 90 |
| VOUT (V) | 1.8 | 0.7 | 1.08 | 2.5 V | 1.2 |
| Peak Efficiency | 92.8@1.2 V | 48.9%0.436 V | 21.9%@0.31 V | 18.6% | 93%@0.22 V |
Disclaimer/Publisher’s Note: The statements, opinions and data contained in all publications are solely those of the individual author(s) and contributor(s) and not of MDPI and/or the editor(s). MDPI and/or the editor(s) disclaim responsibility for any injury to people or property resulting from any ideas, methods, instructions or products referred to in the content. |
© 2024 by the authors. Licensee MDPI, Basel, Switzerland. This article is an open access article distributed under the terms and conditions of the Creative Commons Attribution (CC BY) license (https://creativecommons.org/licenses/by/4.0/).
Share and Cite
Wang, N.; Zhang, X.; Xu, S.; Liu, Y.; Zhang, L.; Zhao, Z.; Hu, Z.; Shan, H. A Low-Voltage Self-Starting Boost Converter Using MPPT with Pulse Multiplication for Energy Harvesting. Electronics 2024, 13, 1713. https://doi.org/10.3390/electronics13091713
Wang N, Zhang X, Xu S, Liu Y, Zhang L, Zhao Z, Hu Z, Shan H. A Low-Voltage Self-Starting Boost Converter Using MPPT with Pulse Multiplication for Energy Harvesting. Electronics. 2024; 13(9):1713. https://doi.org/10.3390/electronics13091713
Chicago/Turabian StyleWang, Ning, Xiaofei Zhang, Shuxi Xu, Yuan Liu, Lei Zhang, Zhonghui Zhao, Zhiyang Hu, and Hengsheng Shan. 2024. "A Low-Voltage Self-Starting Boost Converter Using MPPT with Pulse Multiplication for Energy Harvesting" Electronics 13, no. 9: 1713. https://doi.org/10.3390/electronics13091713
APA StyleWang, N., Zhang, X., Xu, S., Liu, Y., Zhang, L., Zhao, Z., Hu, Z., & Shan, H. (2024). A Low-Voltage Self-Starting Boost Converter Using MPPT with Pulse Multiplication for Energy Harvesting. Electronics, 13(9), 1713. https://doi.org/10.3390/electronics13091713

