Complexity Reduction for Converter-Driven Stability Analysis in Transmission Systems
Abstract
1. Introduction
2. Overview of the Proposed Complexity Reduction Procedure
- Identification of critical network use cases
- Reduction of network area under study
3. Modeling of the Network and Its Components
3.1. Converter Modeling
3.2. Passive Component Modeling
3.3. Network Modeling
4. Frequency Domain Stability Analysis Method
5. Frequency Domain Network Reduction Method
- Original network topology: The network topology is used to formulate the frequency-dependent admittance matrix of the network.
- Identification of original network impedance: The network impedance matrix is calculated using the formulated admittance matrix. The self-impedance (zpcc,pcc (f)) at the point of common connection (PCC) with the converter is identified.
- Sensitivity analysis: Sensitivity analysis is carried out by varying the admittance at a node proportional to the admittance of the components connected at the node. The following equation gives the change of the admittance at a node at one time.where is the mth component connected at node , is the original admittance of node and is the admittance of component at node . For the change of admittance at a node, the change in the admittance matrix given by is calculated. Here, is the number of buses in the original network topology.
- Identification of modified network impedance: The changed admittance matrix is inverted to obtain the modified impedance matrix (. From this, the modified self-impedance ( is identified.
- Ranking metric: Using the modified self-impedance and the original self-impedance at PCC, the network components are ranked as low, medium, and high influence components. The ranking metric is given by the following equation.It describes an average of the direct deviation of original and modified self-impedances over frequency set points.
- Node reduction condition: The buses are deemed low influence based on the ranking of the components at a bus. If all the components of a bus are of low rank, then the bus is eligible for reduction. However, if only a few components are of low influence, then the bus cannot be reduced, but the low-influence components of the bus can use simplified models. For example, if a transmission line is deemed low influence, the PI section models of the line, instead of wideband line models, can be used.
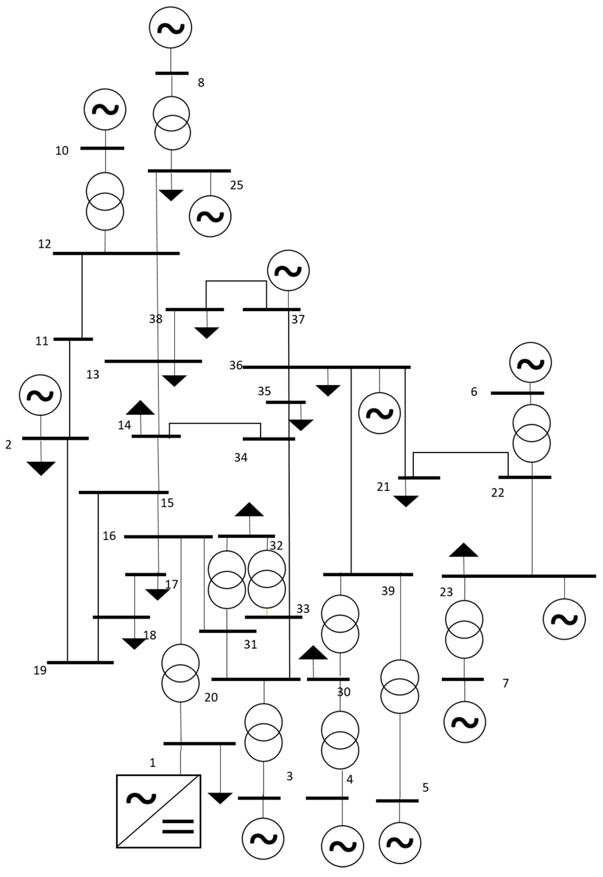
- Final network reduction: The boundary buses coupling the low-influence buses are identified. Through the ward reduction method, the low-influence buses are reduced, and the boundary buses are then connected to power flow equivalents. The resulting network has a smaller number of nodes but retains the power flow of the network and the frequency-dependent characteristics at the PCC.
- To summarize, this method uses the frequency-dependent impedances of the network calculated in stage one for obtaining component impedance sensitivities and for performing node reduction based on ranking metrics.
6. Results
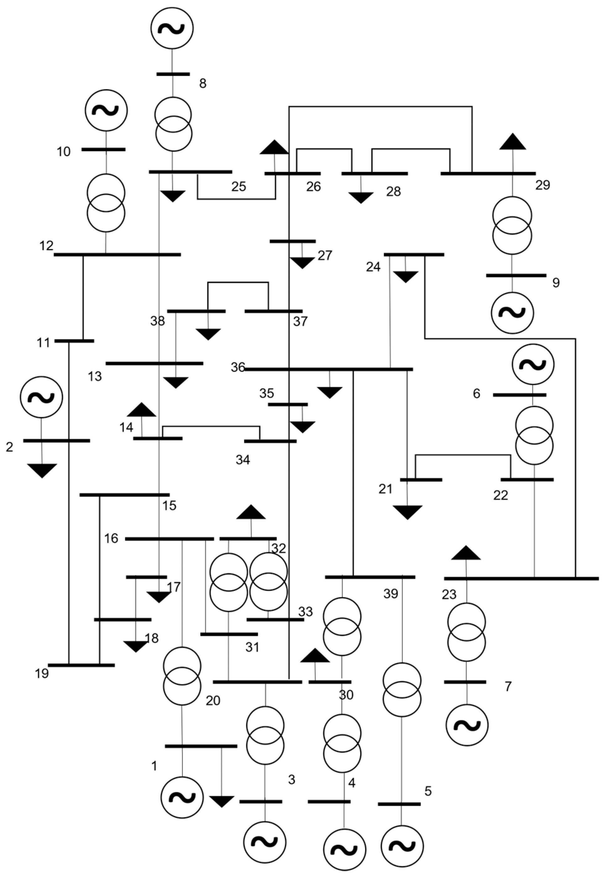
6.1. Test System and Use Case Definition
- Use case 1: conventional generator at bus 1 (PCC) of the IEEE 39 bus system.
- Use case 2: MMC at bus 1 (PCC) of the IEEE 39 bus system.
- Frequency-dependent network model
- Screening method or the frequency domain stability analysis method
- Frequency domain network reduction method
6.2. Case Study
- Validation of Frequency Domain Network Model
- 2.
- Validation of Frequency Domain Stability Analysis
- 3.
- Validation of Frequency Domain Network Reduction Method
7. Conclusions
Author Contributions
Funding
Data Availability Statement
Conflicts of Interest
References
- Kundur, P. Power System Stability and Control; McGraw-HillP New York, NY, USA, 1993.
- Hatziargyriou, N.; Milanovic, J.; Rahmann, C.; Ajjarapu, V.; Canizares, C.; Erlich, I.; Hill, D.; Hiskens, I.; Kamwa, I.; Pal, B.; et al. Definition and Classification of Power System Stability—Revisited & Extended. IEEE Trans. Power Syst. 2021, 36, 3271–3281. [Google Scholar] [CrossRef]
- Buchhagen, C.; Rauscher, C.; Menze, A.; Jung, J. BorWin1—First Experiences with harmonic interactions in converter dominated grids. In Proceedings of the International ETG Congress 2015, Bonn, Germany, 17–18 November 2015. [Google Scholar]
- CIGRE Study Committee C4. Electromagnetic Transient Simulation Models for Large-Scale System Impact Studies in Power Systems Having a High Penetration of Inverter-Connected Generation; C4 Technical Brochure Power System Technical Performance; CIGRE: Paris, France, 2022. [Google Scholar]
- Lara, J.D.; Ramasubramanian, D. Revisiting Power Systems Time-domain Simulation Methods and Models. IEEE Trans. Power Syst. 2023, 38, 123–136. [Google Scholar]
- Quester, M. Investigating Converter Control Interactions in the Transmission Grid; Fakultät für Elektrotechnik und Informationstechnik der Rheinisch-Westfälischen Technischen Hochschule Aachen: Aachen, Germany, 2021. [Google Scholar]
- Sun, J. Impedance-Based Stability Criterion for Grid-Connected Inverters. IEEE Trans. Power Electron. 2011, 26, 3075–3078. [Google Scholar] [CrossRef]
- Quester, M.; Yellisetti, V.; Puffer, F.L.R. Assessing the Impact of Offshore Wind Farm Grid Configuration on Harmonic Stability. In Proceedings of the 2019 IEEE Milan PowerTech, Milan, Italy, 23–27 June 2019; pp. 1–6. [Google Scholar] [CrossRef]
- Zhang, M.M.A.R.; Cai, X.; Zhang, C.C. Impedance-based Analysis of Interconnected Power Electronics Systems: Impedance Network Modeling and Comparative Studies of Stability Criteria. IEEE J. Emerg. Sel. Top. Power Electron. 2020, 8, 881–894. [Google Scholar] [CrossRef]
- Yellisetti, V.; El Azzati, O.; Moser, A. Investigation of Frequency Domain Analysis Methods for Converter-Driven Stability Evaluation of Converter-Dominated Meshed Systems. In Proceedings of the 2023 IEEE Belgrade PowerTech, Belgrade, Serbia, 25–29 June 2023; pp. 1–6. [Google Scholar] [CrossRef]
- Salas, A.B. Control Interactions in Power Systems with Multiple VSC HVDC—Analysis, Modelling, and Mitigation. Ph.D. Dissertation, Arenberg Doctoral School, Faculty of Engineering Science, KU Leuven, Leuven, Belgium, 2018. [Google Scholar]
- Technische Regeln für den Anschluss von Kundenanlagen an das Höchstspannungsnetz und Deren Betrieb (TAR Höchstspannung); VDE-AR-N 4130; VDE: Frankfurt, Germany, 2017.
- Gatous, O.M.; Pissolato, J. Frequency-Dependent Skin-Effect Formulation for Resistance and Internal Inductance of a Solid Cylindrical Conductor. IEE Proc. Microw. Antennas Propag. 2004, 151, 212–216. [Google Scholar] [CrossRef]
- CIGRE Joint Working Group C4/B4.38. Network Modelling for Harmonic Studies; CIGRE Technical Brochure No. 766; CIGRE: Paris, France, 2019. [Google Scholar]
- Wedepohl, L.M.; Wilcox, D.J. Transient analysis of underground power-transmission systems—System model and wave propagation characteristics. Proc. Inst. Electr. Eng. 1973, 120, 253–260. [Google Scholar] [CrossRef]
- Maciejowski, J.; Dagless, E. Multivariable Feedback Design. Electronic Systems; Addison-Wesley: Reading, MA, USA, 1989. [Google Scholar]
- Hiskens, I. IEEE PES Task Force on Benchmark Systems for Stability Controls; IEEE: Piscataway, NJ, USA, 2013. [Google Scholar]


















Disclaimer/Publisher’s Note: The statements, opinions and data contained in all publications are solely those of the individual author(s) and contributor(s) and not of MDPI and/or the editor(s). MDPI and/or the editor(s) disclaim responsibility for any injury to people or property resulting from any ideas, methods, instructions or products referred to in the content. |
© 2024 by the authors. Licensee MDPI, Basel, Switzerland. This article is an open access article distributed under the terms and conditions of the Creative Commons Attribution (CC BY) license (https://creativecommons.org/licenses/by/4.0/).
Share and Cite
Yellisetti, V.; Moser, A. Complexity Reduction for Converter-Driven Stability Analysis in Transmission Systems. Electronics 2025, 14, 55. https://doi.org/10.3390/electronics14010055
Yellisetti V, Moser A. Complexity Reduction for Converter-Driven Stability Analysis in Transmission Systems. Electronics. 2025; 14(1):55. https://doi.org/10.3390/electronics14010055
Chicago/Turabian StyleYellisetti, Viswaja, and Albert Moser. 2025. "Complexity Reduction for Converter-Driven Stability Analysis in Transmission Systems" Electronics 14, no. 1: 55. https://doi.org/10.3390/electronics14010055
APA StyleYellisetti, V., & Moser, A. (2025). Complexity Reduction for Converter-Driven Stability Analysis in Transmission Systems. Electronics, 14(1), 55. https://doi.org/10.3390/electronics14010055

