Research on ZVS Arc Ignition Circuit and Its Conducted Interference
Abstract
1. Introduction
2. Hardware Test Platforms
3. Hardware Circuit Comparison and Design
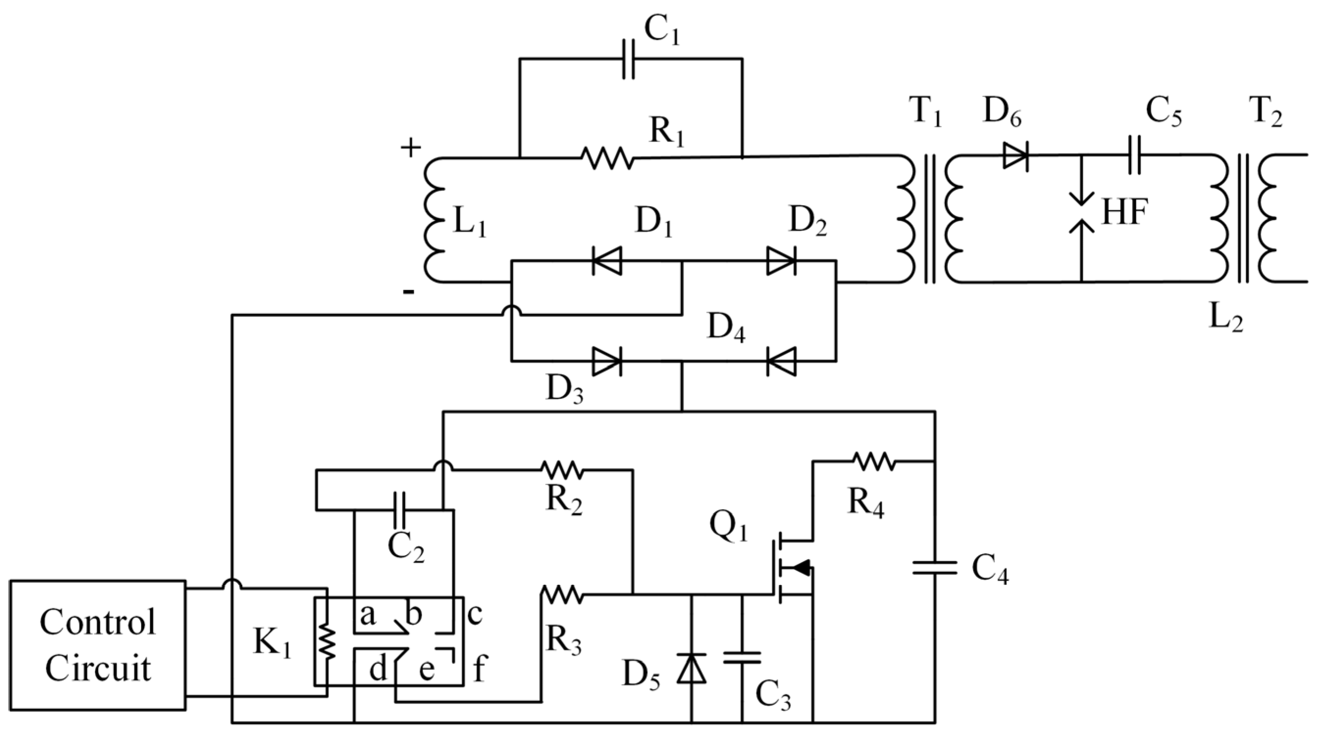
3.1. Original Arc Ignition Circuit Design
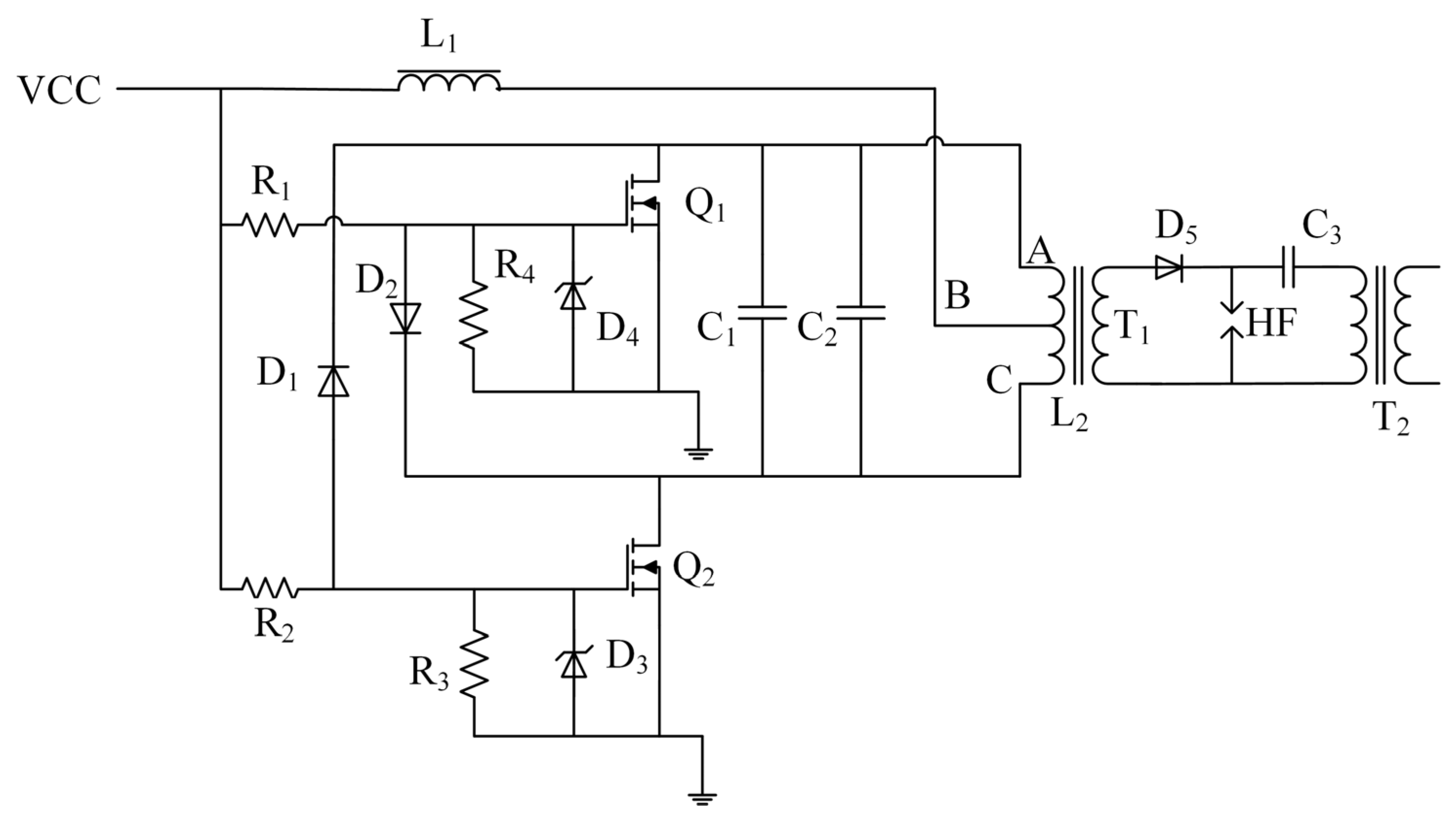
3.2. Zero-Voltage Switching Arc Ignition Circuit Operation Principle
3.3. Parametric Design of Oscillatory Coupling Circuits
4. Circuit Verification and Test Results
4.1. Circuit Verification
4.1.1. Zero-Voltage Switching Circuit Waveforms
4.1.2. Oscillating Coupled Circuit Waveforms
4.2. Conducted Interference Test
4.2.1. Interference Test with No Load on the Soldering Gun
4.2.2. Arc Ignition Instantaneous Interference Test
4.3. Product Comparison Analysis
5. Conclusions
Author Contributions
Funding
Data Availability Statement
Conflicts of Interest
References
- GB/T 15579.10; Arc Welding Equipment—Part 10: Electromagnetic Compatibility (EMC) Requirements. National Technical Committee for Standardization of Electric Welding Machines: Beijing, China, 2020.
 - Sonar, T.; Balasubramanian, V.; Malarvizhi, S.; Venkateswaran, T.; Sivakumar, D. Maximizing strength and corrosion resistance of InterPulsed TIG welded Superalloy 718 joints by RSM for aerospace applications. CIRP J. Manuf. Sci. Technol. 2021, 35, 474–493. [Google Scholar] [CrossRef]
 - Gao, Y.; Ren, B.; Chen, Y.; Sui, X.; Zhao, X.; Fan, C.; Chen, C. Improvement of Formation, Microstructure and Mechanical Properties of TIG Welded TC4 Titanium Alloy by Ultrasonic Coaxial Radiation. Acta Metall. Sin. 2024, 37, 2045–2056. [Google Scholar] [CrossRef]
 - Nice, D.M.; Kiger, C.J. Electromagnetic compatibility concerns of in-situ welding on instrumentation and control systems. In Proceedings of the 9th International Topical Meeting on Nuclear Plant Instrumentation, Control, and Human-Machine Interface Technologies, Charlotte, NC, USA, 22–26 February 2015. [Google Scholar]
 - Zang, Y.; Jia, M.; Zhang, Z.; Cui, W. Experimental Investigation on Gliding Arc Plasma Ignition and Assisted Combustion Actuator. IEEE Trans. Plasma Sci. 2023, 51, 127–139. [Google Scholar] [CrossRef]
 - Park, M.; Hirata, Y.; Urabe, T. Development of controlled micro-discharge at the atmospheric pressure. Weld. World 2014, 58, 47–54. [Google Scholar] [CrossRef]
 - Tsukamoto, M.; Murai, K.; Tanaka, M.; Kayahara, T.; Abe, N.; Nakata, K.; Ushio, M. Pulsed laser focusing for triggering discharge in arc welding system. Q. J. Jpn. Weld. Soc. 2005, 23, 265–269. [Google Scholar] [CrossRef]
 - Pang, S.; Cao, B. Low current arc ignition stability in micro-TIG welding. J. Manuf. Process. 2021, 69, 12–20. [Google Scholar] [CrossRef]
 - Liu, K.; Khan, M.A.; Zhou, Z.; Song, D.; Zhou, J. High-efficiency DC-SEAM for aerospace materials with Joule-arc heat transition and ignition mechanism. CIRP J. Manuf. Sci. Technol. 2023, 41, 216–224. [Google Scholar] [CrossRef]
 - Tang, Y.; Zhu, Z.; Yang, Z.; Fu, P.; Yu, Y. TIG arc-induced non-contact MIG arc ignition. J. Mater. Process. Technol. 2018, 257, 45–53. [Google Scholar] [CrossRef]
 - Xia, Y.; Song, Y.; Ran, G.; Shi, L. Analysis on mechanism of laser-assisted TIG arc ignition. Trans. China Weld. Inst. 2010, 31, 9–11. [Google Scholar]
 - An, Z.; Wang, Q.; He, Y.; Jia, Z. EMI analysis and suppression method of hybrid electric vehicle ignition system. Int. J. Electr. Hybrid Veh. 2013, 5, 166–176. [Google Scholar] [CrossRef]
 - Middelstaedt, L.; Wang, J.; Stark, B.H.; Lindemann, A. Direct Approach of Simultaneously Eliminating EMI-Critical Oscillations and Decreasing Switching Losses for Wide Bandgap Power Semiconductors. IEEE Trans. Power Electron. 2019, 34, 10376–10380. [Google Scholar] [CrossRef]
 - Ji, J.; Chen, W.; Yang, X.; Lu, J. Delay and Decoupling Analysis of a Digital Active EMI Filter Used in Arc Welding Inverter. IEEE Trans. Power Electron. 2018, 33, 6710–6722. [Google Scholar] [CrossRef]
 - Fischer, W.; Doebbelin, R.; Lindemann, A. Conducted EMI analysis of hard and soft switching arc welding power supplies. In Proceedings of the 2009 13th European Conference on Power Electronics and Applications, Barcelona, Spain, 8–10 September 2009. [Google Scholar]
 - Zhang, T.; Wang, X. Design and analysis of EMC of twin wire arc welding power source with LCL filter. Trans. China Weld. Inst. 2021, 42, 92–96. [Google Scholar]
 - Bazzi, A.; Cottatellucci, L.; Slock, D. Blind on board wideband antenna RF calibration for multi-antenna satellites. In Proceedings of the 2017 IEEE International Conference on Acoustics, New Orleans, LA, USA, 5–9 March 2017. [Google Scholar]
 - GB 4824-2019; Industrial, Scientific and Medical Equipment RF Disturbance Characteristics Limits and Measurement Methods. China Standard Press: Beijing, China, 2019.
 - CISPR 16-1-1: 2019; Specification for Radio Disturbance and Immunity Measuring Apparatus and Methods—Part 1–1 Radio Disturbance and Immunity Measuring Apparatus—Measuring Apparatus. International Special Committee on Radio Interference; IEC: Geneva, Switzerland, 2019.
 - Edry, D.; Ben-Yaakov, S. Capacitive-loaded push-pull parallel-resonant converter. IEEE Trans. Aerosp. Electron. Syst. 1993, 29, 1287–1296. [Google Scholar] [CrossRef]
 - Kamineni, A.; Covic, G.A.; Boys, J.T. Self-Tuning Power Supply for Inductive Charging. IEEE Trans. Power Electron. 2017, 32, 3467–3479. [Google Scholar] [CrossRef]
 - Zhang, X.N.; Li, J.Y.; Yang, Y.Q.; Yang, L.J.; Li, H. Mathematic Analysis and Parameters Definition of Circuit of High Frequency Oscillator for Arc Ignition. Trans. China Weld. Inst. 2002, 2, 13–17. [Google Scholar]
 - Kumar, D. Inter Laboratory Comparison (ILC) of Both Quasi-Peak and Average Mode Measurement Results of Conducted Emission (CE) Test for Better Analysis of Performance Evaluation of EMC Laboratories. IEEE Electromagn. Compat. Mag. 2021, 10, 52–58. [Google Scholar] [CrossRef]
 - Krug, F.; Russer, P. Quasi-peak detector model for a time-domain measurement system. IEEE Trans. Electromagn. Compat. 2005, 47, 320–326. [Google Scholar] [CrossRef]
 











| Parameter | Value Range | 
|---|---|
| Power Efficiency | 82% | 
| Isolation Voltage | 1500 V (DC) | 
| Standby Power | 0.048 W | 
| Input Voltage | 36~75 V | 
| Insulation Resistance | 100 MΩ | 
Disclaimer/Publisher’s Note: The statements, opinions and data contained in all publications are solely those of the individual author(s) and contributor(s) and not of MDPI and/or the editor(s). MDPI and/or the editor(s) disclaim responsibility for any injury to people or property resulting from any ideas, methods, instructions or products referred to in the content.  | 
© 2025 by the authors. Licensee MDPI, Basel, Switzerland. This article is an open access article distributed under the terms and conditions of the Creative Commons Attribution (CC BY) license (https://creativecommons.org/licenses/by/4.0/).
Share and Cite
Lv, X.; Li, Y. Research on ZVS Arc Ignition Circuit and Its Conducted Interference. Electronics 2025, 14, 2195. https://doi.org/10.3390/electronics14112195
Lv X, Li Y. Research on ZVS Arc Ignition Circuit and Its Conducted Interference. Electronics. 2025; 14(11):2195. https://doi.org/10.3390/electronics14112195
Chicago/Turabian StyleLv, Xiaoqing, and Yinghao Li. 2025. "Research on ZVS Arc Ignition Circuit and Its Conducted Interference" Electronics 14, no. 11: 2195. https://doi.org/10.3390/electronics14112195
APA StyleLv, X., & Li, Y. (2025). Research on ZVS Arc Ignition Circuit and Its Conducted Interference. Electronics, 14(11), 2195. https://doi.org/10.3390/electronics14112195
        