Inverse-Time Overcurrent Protection Scheme for Smart Grids Based on Composite Parameter Protection Factors
Abstract
1. Introduction
1.1. Operating Principle of Inverse-Time Overcurrent Protection
1.2. Problems of Inverse-Time Overcurrent Protection in Microgrids
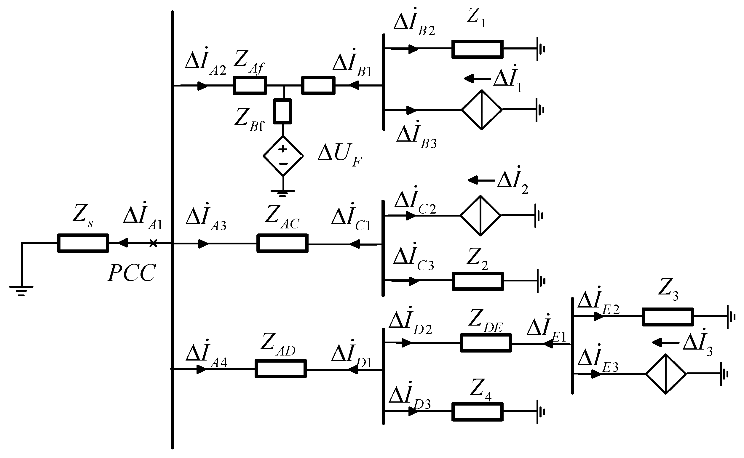
2. Fault Characteristic Analysis in Microgrids
2.1. Grid-Connected Operation Mode
2.1.1. DG Output Characteristics
2.1.2. Analysis of Positive-Sequence Fault Components
2.2. Islanded Operation
2.2.1. DG Output Characteristics in Islanded Mode
- (1)
- Output Characteristics of PQ-Controlled DGs
- (2)
- Output Characteristics of V/F-Controlled DGs
2.2.2. Analysis of Positive-Sequence Fault Components in Islanded Mode
3. Improved Inverse-Time Overcurrent Protection Scheme
3.1. Protection Criterion Based on Composite Parameter Protection Factor
3.2. Protection Scheme Flow Based on Composite Parameter Protection Factor
4. Simulation Verification
4.1. Grid-Connected Operation
4.1.1. Three-Phase Short-Circuit Fault at f2
4.1.2. Three-Phase Short-Circuit Fault at f4
4.1.3. Two-Phase Phase-to-Phase Short-Circuit Fault at f3
4.2. Protection Performance Verification in Islanded Mode
4.2.1. Three-Phase Short-Circuit Fault at f1
4.2.2. Two-Phase Phase-to-Phase Short-Circuit Fault at f4
4.3. Impact of Transition Resistance on Protection Performance
4.4. Computational Complexity and Feasibility Analysis
4.5. Immunity to Interference in Phase Calculation
5. Conclusions
Author Contributions
Funding
Data Availability Statement
Conflicts of Interest
References
- Mou, L.; Jiang, B.; Tong, R.; Zhang, X. Overview on micro-Grid relay protection. Electr. Energy Manag. Technol. 2014, 1–7. (In Chinese) [Google Scholar]
- Mei, W.; Shi, Y.; Zhang, X.; Wu, G. Research on microgrid development. Chin. J. Power Sources 2017, 1, 334–336. (In Chinese) [Google Scholar]
- Wang, G.; Feng, J.; Li, J. Adaptive Current Differential Protection for Distribution Networks With Inverter-interfaced Distributed Generators and Branch Loads. Power Syst. Technol. 2024, 48, 2593–2602. (In Chinese) [Google Scholar]
- Cagnan, A.E.; De Tuglie, E.; Mancarella, P. Microgrids: Overview and guidelines for practical implementations and operation. Appl. Energy 2020, 258, 1–18. [Google Scholar] [CrossRef]
- Zhou, L.; Qi, Z. A review of the research on microgrid protection development. Power Syst. Prot. Control 2015, 43, 147–154. (In Chinese) [Google Scholar]
- Cao, J.; Fan, K.; Xu, B.; Zhang, B.; Yin, X. Applicability Analysis of Capacity Boundary Value Based Three-level Protection in Distribution Networks Containing High Percentage of Inverter Interfaced Distributed Energy Resources. Power Syst. Technol. 2024, 48, 3438–3448. (In Chinese) [Google Scholar]
- Jain, R.; Lubkeman, D.L.; Lukic, S.M. Dynamic adaptive protection for distribution systems in grid-connected and islanded modes. IEEE Trans. Power Deliv. 2019, 34, 281–289. [Google Scholar] [CrossRef]
- Jing, L.; Wang, Y.; Zhao, T.; Zhou, J. Protection methods for AC microgrids considering photovoltaic low-voltage ride-through Characteristics. Electr. Power Autom. Equip. 2022, 42, 54–60. (In Chinese) [Google Scholar]
- Zhou, H.; Mou, L.; Guo, W. Islanded microgrid protection based on fault components. Trans. China Electrotech. Soc. 2017, 32, 11–20. (In Chinese) [Google Scholar]
- Smith, A.; Lee, B. Multi-agent Optimization for Microgrid Protection. IEEE Trans. Smart Grid 2024, 15, 1234–1245. [Google Scholar]
- Zhang, X.; Wang, Y. Dynamic Voltage-Phase Decoupling in Fault Scenarios. Renew. Energy 2023, 198, 567–578. [Google Scholar] [CrossRef]
- Li, Y.; Jin, Q.; Li, B.; Li, Z. Application of inverse-time overcurrent protection based on low voltage acceleration in micro-grid. J. Tianjin Univ. 2011, 44, 955–960. (In Chinese) [Google Scholar]
- Cao, Z.; Ji, L.; Chang, X.; Shi, J.; Zhu, L. Inverse-time current protection method of a microgrid based on a composite fault compensation factor. Power Syst. Prot. Control 2020, 48, 133–140. (In Chinese) [Google Scholar]
- Muda, H.; Jena, P. Superimposed adaptive sequence current based microgrid protection: A new technique. IEEE Trans. Power Deliv. 2016, 32, 57–67. [Google Scholar] [CrossRef]
- Huang, W.; Tai, N.; Zhao, X. Inverse-time low-impedance protection scheme for microgrids. Proc. CSEE 2014, 34, 105–114. (In Chinese) [Google Scholar]
- Sharma, A.; Panigrahi, B.K. Phase fault protection scheme for reliable operation of microgrids. IEEE Trans. Ind. Appl. 2017, 54, 2646–2655. [Google Scholar] [CrossRef]
- Larik, N.A.; Li, M.S.; Wu, Q.H. Enhanced Fault Detection and Localization Strategy for High-Speed Protection in Medium-Voltage DC Distribution Networks Using Extended Kalman Filtering Algorithm. IEEE Access 2024, 12, 30329–30344. [Google Scholar] [CrossRef]
- Kim, S.; Park, J. Low-Voltage Acceleration Schemes in Modern Grids. Int. J. Electr. Power 2025, 156, 78–89. [Google Scholar]
- Chen, L.; Zhang, H.; Wang, Y.; Li, X. DE-PSO Based Protection Coordination for Distributed Generators. Electr. Power Syst. Res. 2024, 224, 109876. [Google Scholar]
- IEC 60255-151:2009; Measuring Relays and Protection Equipment—Part 151: Functional Requirements for Over/Under Current Protection. International Electrotechnical Commission: Geneva, Switzerland, 2009.
- Ji, L.; Cao, Z.; Hong, Q. An improved inverse-time over-current protection method for a microgrid with optimized acceleration and coordination. Energies 2020, 13, 5726. [Google Scholar] [CrossRef]
- Pan, G.; Zeng, D.; Wang, G.; Xiao, S. Fault analysis on distribution network with inverter interfaced distributed generations based on PO control strategy. Proc. CSEE 2014, 34, 555–561. (In Chinese) [Google Scholar]
- Li, M.; Chang, Y.; Mao, X.; Wang, Z.; Liu, J. Review andprospectofstabilitycontroltechniquesfo1grid-following/grid-forming converters in high-penetration renewable energy generation. High Volt. Eng. 2024, 50, 4773–4788. (In Chinese) [Google Scholar]
- Han, H.; Mou, L.; Guo, W.; Tong, R. Applicability of fault component-based protection strategies for microgrids. Autom. Electr. Power Syst. 2016, 40, 90–96. (In Chinese) [Google Scholar]
- Peng, F.; Gao, H.; Guo, Y.; Li, C.; Zhang, Y. A review of fault ride-through control strategies of grid-forming inverter-based resources. Power Syst. Technol. 2024, 48, 3673–3685. (In Chinese) [Google Scholar]
- Wang, C.; Wu, Z.; Li, P. Research on key technologies of microgrid. Trans. China Electrotech. Soc. 2014, 29, 1–12. (In Chinese) [Google Scholar]
- Zhou, Y.; Yao, W.; Zong, Q.; Liu, X.; Chen, J. Optimal Configuration of Grid-following/Grid-forming Switchable Units in New Energy Stations Based on Operating Short-circuit Ratio. Power Syst. Technol. 2024, 48, 1091–1102. (In Chinese) [Google Scholar]
- Zeng, D.; Pan, G.; Wang, G.; Xiao, S.; Li, Y. Method of fault analysis on microgrid with distributed generation based on V/f control strategy. Proc. CSEE 2014, 34, 2604–2611. (In Chinese) [Google Scholar]
- Li, Y.; Jia, K.; Bi, T.; Gao, H.; Wang, H. Influence mechanism of inverter-interfaced renewable energy generators on fault component based directional relay. Power Syst. Technol. 2017, 41, 3230–3236. (In Chinese) [Google Scholar]
- Han, H.; Mou, L.; Zhang, F.; Guo, W. Microgrid protection considering low voltage ride-through of IIDG. Proc. CSEE 2017, 37, 110–119. (In Chinese) [Google Scholar]
- IEC 61850-5; Communication Networks and Systems for Power Utility Automation. International Electrotechnical Commission: Geneva, Switzerland, 2023. Available online: https://webstore.iec.ch/en/publication/6028 (accessed on 7 May 2025).
- IEC 61869-1:2017; Instrument Transformers—Part 1: General Requirements. International Electrotechnical Commission: Geneva, Switzerland, 2017.










| Bus Name | Bus Voltage | Fault Component | Phase | Phase Difference | ||
|---|---|---|---|---|---|---|
| ∆UB | −135.35 | / | / | |||
| ∆IB1 | −170.70 | 35.35 | 1 | |||
| B | 1.90 | 0.21 | ∆IB2 | −152.16 | 16.81 | 1 |
| ∆IB3 | 14.51 | −149.86 | 0.33 | |||
| ∆UA | −110.00 | / | / | |||
| ∆IA1 | −152.16 | 42.16 | 1 | |||
| A | 6.12 | 0.65 | ∆IA2 | 9.31 | −119.31 | 0.67 |
| ∆IA3 | 176.43 | 73.57 | 1 | |||
| ∆IA4 | −170.62 | 60.62 | 1 |
| Protection | CPPF | ITOCR/(S) | Improved ITOCR |
|---|---|---|---|
| B3 | 0.07 | 0.39 | 0.03 |
| A2 | 0.44 | 1.03 | 0.45 |
| Bus Name | Bus Voltage | Fault Component | Phase | Phase Difference | ||
|---|---|---|---|---|---|---|
| ∆UE | −150.12 | / | / | |||
| ∆IE1 | −172.09 | 21.97 | 1 | |||
| E | 2.43 | 0.26 | ∆IE2 | 2.16 | −152.28 | 0.31 |
| ∆IE3 | 140.34 | 69.54 | 1 | |||
| ∆UD | −140.02 | / | / | |||
| ∆ID1 | −176.26 | 36.24 | 1 | |||
| D | 5.69 | 0.61 | ∆ID2 | −172.09 | 32.07 | 1 |
| ∆ID3 | 10.98 | −151.00 | 0.32 | |||
| ∆UA | −115.03 | / | / | |||
| ∆IA1 | −159.12 | 44.09 | 1 | |||
| A | 8.01 | 0.85 | ∆IA2 | −177.79 | 62.76 | 1 |
| ∆IA3 | −176.43 | 61.40 | 1 |
| Protection | CPPF | ITOCR/(S) | Improved ITOCR |
|---|---|---|---|
| E3 | 0.08 | 0.19 | 0.02 |
| D2 | 0.20 | 0.67 | 0.13 |
| A4 | 0.58 | 1.12 | 0.65 |
| Bus Name | Bus Voltage | Fault Component | Phase | Phase Difference | ||
|---|---|---|---|---|---|---|
| ∆UD | −135.17 | / | / | |||
| ∆ID1 | −169.35 | 34.18 | 1 | |||
| D | 3.45 | 0.37 | ∆ID2 | −163.04 | 27.87 | 1 |
| ∆ID3 | 14.32 | −149.49 | 0.34 | |||
| ∆UA | −109.97 | / | / | |||
| ∆IA1 | −153.47 | 43.50 | 1 | |||
| A | 7.63 | 0.81 | ∆IA2 | −169.82 | 59.85 | 1 |
| ∆IA3 | −173.32 | 63.35 | 1 | |||
| ∆IA4 | 4.74 | −114.71 | 0.73 | |||
| E | 2.71 | 0.29 | / | / | / | 0.34 |
| Protection | CPPF | ITOCR/(S) | Improved ITOCR |
|---|---|---|---|
| D2 | 0.13 | 0.74 | 0.10 |
| E1 | 0.10 | 0.82 | 0.08 |
| A4 | 0.59 | 1.08 | 0.64 |
| Bus Name | Bus Voltage | Fault Component | Phase | Phase Difference | ||
|---|---|---|---|---|---|---|
| ∆UA | −149.36 | / | / | |||
| ∆IA2 | −2.84 | −146.52 | 0.37 | |||
| A | 2.26 | 0.24 | ∆IA3 | 177.55 | 33.09 | 1 |
| ∆IA4 | 176.77 | 33.87 | 1 | |||
| B | 5.43 | 0.57 | / | / | / | 0.37 |
| Protection | CPPF | ITOCR/(S) | Improved ITOCR |
|---|---|---|---|
| A2 | 0.09 | 0.69 | 0.06 |
| B1 | 0.21 | 0.35 | 0.07 |
| Bus Name | Bus Voltage | Fault Component | Phase | Phase Difference | ||
|---|---|---|---|---|---|---|
| ∆UE | −170.49 | / | / | |||
| ∆IE1 | −176.11 | 5.62 | 1 | |||
| E | 1.03 | 0.11 | ∆IE2 | 1.50 | −171.99 | 0.09 |
| ∆IE3 | 165.28 | 24.23 | 1 | |||
| ∆UD | −150.86 | / | / | |||
| ∆ID1 | −179.42 | 28.56 | 1 | |||
| D | 4.67 | 0.50 | ∆ID2 | 3.89 | −154.75 | 0.28 |
| ∆ID3 | −165.23 | 14.37 | 1 | |||
| ∆UA | −149.73 | / | / | |||
| A | 5.93 | 0.63 | ∆IA2 | −177.14 | 27.41 | 1 |
| ∆IA3 | −176.77 | 33.50 | 1 | |||
| ∆IA4 | −2.58 | −147.15 | 0.37 |
| Protection | CPPF | ITOCR/(S) | Improved ITOCR |
|---|---|---|---|
| E2 | 0.01 | 0.31 | 0.00 |
| D2 | 0.14 | 1.21 | 0.17 |
| A4 | 0.23 | 2.44 | 0.56 |
| Microgrid Operating Mode | Transition Resistance | Protection | ITOCR | CPFF |
|---|---|---|---|---|
| 1.00 | B3 | 0.63 | 0.17 | |
| A2 | 1.32 | 0.47 | ||
| Grid-connected operation | 5.00 | B3 | 0.89 | 0.21 |
| A2 | 2.24 | 0.59 | ||
| 10.00 | B3 | 1.64 | 0.23 | |
| A2 | 3.14 | 0.62 | ||
| 1.00 | B3 | 0.71 | 0.04 | |
| A2 | 1.94 | 0.19 | ||
| Off-grid operation | 5.00 | B3 | 1.21 | 0.07 |
| A2 | 3.12 | 0.22 | ||
| 10.00 | B3 | 2.23 | 0.09 | |
| A2 | 4.26 | 0.27 |
Disclaimer/Publisher’s Note: The statements, opinions and data contained in all publications are solely those of the individual author(s) and contributor(s) and not of MDPI and/or the editor(s). MDPI and/or the editor(s) disclaim responsibility for any injury to people or property resulting from any ideas, methods, instructions or products referred to in the content. |
© 2025 by the authors. Licensee MDPI, Basel, Switzerland. This article is an open access article distributed under the terms and conditions of the Creative Commons Attribution (CC BY) license (https://creativecommons.org/licenses/by/4.0/).
Share and Cite
Dan, Y.; Sun, K.; Wang, C.; Zhang, X.; Yu, L. Inverse-Time Overcurrent Protection Scheme for Smart Grids Based on Composite Parameter Protection Factors. Electronics 2025, 14, 4204. https://doi.org/10.3390/electronics14214204
Dan Y, Sun K, Wang C, Zhang X, Yu L. Inverse-Time Overcurrent Protection Scheme for Smart Grids Based on Composite Parameter Protection Factors. Electronics. 2025; 14(21):4204. https://doi.org/10.3390/electronics14214204
Chicago/Turabian StyleDan, Yangqing, Ke Sun, Chenxuan Wang, Xiahui Zhang, and Le Yu. 2025. "Inverse-Time Overcurrent Protection Scheme for Smart Grids Based on Composite Parameter Protection Factors" Electronics 14, no. 21: 4204. https://doi.org/10.3390/electronics14214204
APA StyleDan, Y., Sun, K., Wang, C., Zhang, X., & Yu, L. (2025). Inverse-Time Overcurrent Protection Scheme for Smart Grids Based on Composite Parameter Protection Factors. Electronics, 14(21), 4204. https://doi.org/10.3390/electronics14214204
