Resonant Energy Carrier Base Active Charge-Balancing Algorithm
Abstract
1. Introduction
2. Proposed Circuit Configuration and Principle of Operation
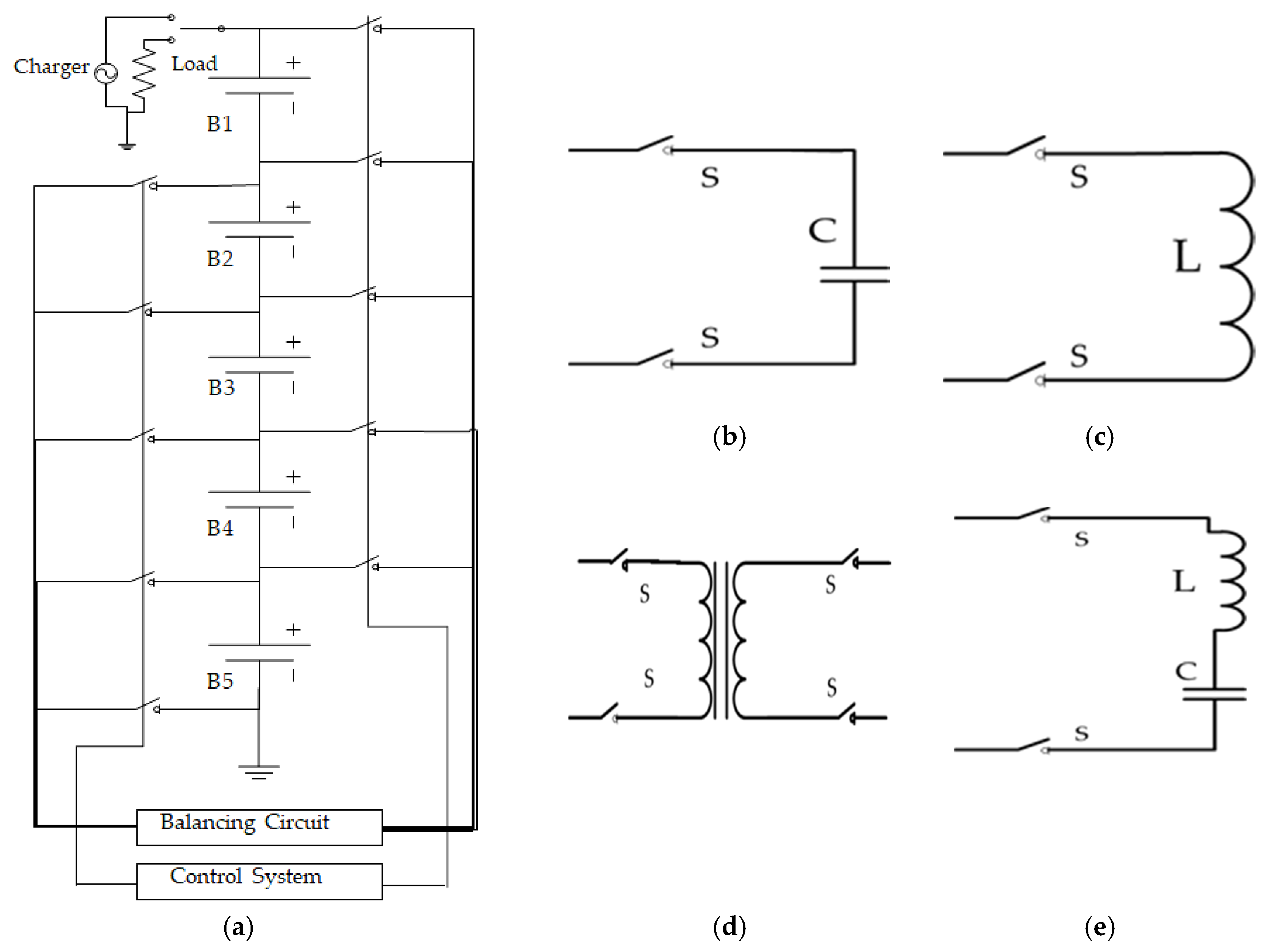
2.1. Basic Circuit Structure
- (a).
- This circuit can balance energy from any battery cell-to-cell.
- (b).
- Reduce the balancing time.
- (c).
- As a single LC tank is used, this circuit becomes small and easy to implement.
- (d).
- All switches are operated in zero voltage condition, so this circuit has less power loss.
2.2. Operation Principle
2.2.1. Working Mode I: Cell1 > Cell2
2.2.2. Working Mode II: Cell2 > Cell1
2.3. Circuit Analysis
3. Voltage Balancing Algorithm
| Algorithm 1 Proposed Charge Balancing |
| 1: Initialize the system; |
| 2: Read the battery cells voltage status; |
| 3: Check the cells’ status, so whether battery cells are normal or abnormal. |
| 4: If (battery cells are operating at normal), |
| 5: go to step2 |
| 6: else (Battery cell abnormal) |
| 7: Go to next |
| 8: Check the condition of the battery cell; |
| 9: If (cell in the battery is found as overcharged) 10: Execute the condition of the overcharge limit of the battery cell; 11: Go to step 7; |
| 12: else (a cell in the battery is found as undercharged) |
| 13: Execute the condition of the undercharge limit of the battery cell and |
| 14: Start the cell balancing process. |
| 15: Estimate the voltage of the equivalent cells. |
| 16: Check the voltage value by IC for discharge balancing. |
| 17: Execute the cell discharge mode if; the battery cell voltage is classified as overcharged, 18: where voltage is the highest IC reading value of the battery cells. |
| 19: Control the MOSFET switches by PWM signal to detect battery cells for discharging the overcharged, control the DC-DC resonant converter, and allow the balancing current for discharging. |
| 20: Check the balancing of discharging cells. |
| 21: If (equivalent cell is unbalanced && voltage is lower IC reading value of all battery cells) 22: Go to step7 23: else (the cells in the battery balanced) 24: Go to step 2 |
| 25: Check the cell voltage value for charge balancing. |
| 26: If (battery cell voltage is classified as an undercharged battery && Voltage is the IC reading state) 27: Execute the charge mode. 28: else Go to step 2. |
| 29: Control the MOSFET switches by PWM signal to detect battery cell for charging the undercharged, control the DC-DC resonant converter, and allow the balancing current for charging. 30: Check the balancing status of the charging cell. 31: If (corresponding cell is unbalanced && Vvoltage is higher IC reading value) 32: Go to step 7; 33: else (cells in the battery is balanced) 34: Go to step 2; 35: Execute the voltage-balancing process 36: Repeat |
4. Simulation
5. Experiment Result and Discussion
5.1. Implementation
5.2. Experiment Result
5.3. Benchmark
5.4. Discussion
6. Conclusions
Author Contributions
Funding
Conflicts of Interest
Abbreviations
| Nomenclature | |
| η | Efficiency |
| BMS | Battery management system |
| C | Capacitor [V] |
| C2C | Cell-to-cell |
| C2P | Cell-to-pack |
| CO | Carbon-mono-oxide |
| CO2 | Carbon-di-oxide |
| D | Duty cycle |
| DC | Direct current |
| EV | Electric vehicle |
| i | Current [A] |
| IC | Intergrade circuit |
| ICE | Internal combustion engine |
| iL | Inductor current [A] |
| L | Inductor [H] |
| LC | Resonant tank |
| MD | Bi-directional MOSFET |
| MS | Single MOSFET |
| MOSFET | Metal Oxide Silicon Field Effect Transistor |
| OCV | Open circuit voltage |
| P2C | Pack-to-cell |
| P2P | Pack-to-pack |
| PWM | Pulse-width modulation |
| Rds | Internal drain to source resistance in the MOSFET [Ω] |
| Req1 | LC tank charging state equivalent resistance [Ω] |
| Req2 | LC tank discharging state equivalent resistance [Ω] |
| SOC | State of charge |
| t | Time [s] |
| t0 | Initial time [s] |
| T | Switching time [s] |
| Vc | Resonant capacitor voltage [V] |
| VCell | Battery cell voltage [V] |
Appendix A
References
- Azad, F.S.; Habib, A.A.; Rahman, A.; Ahmed, I. Active cell balancing of Li-Ion batteries using a single capacitor and single LC series resonant circuit. Bull. Elec. Eng. Inf. 2020, 9, 1318–1325. [Google Scholar] [CrossRef]
- Habib, A.A.; Hasan, M.K.; Mahmud, M.; Motakabber, S.M.; Ibrahimy, M.I.; Islam, S. A Review: Energy Storage System and Balancing Circuits for Electric Vehicle Application. IET P. Elec. 2020. accepted. [Google Scholar]
- Un-Noor, F.; Padmanaban, S.; Mihet-Popa, L.; Mollah, M.N.; Hossain, E. A comprehensive study of key electric vehicle (EV) components technologies challenges impacts and future direction of development. Energies 2017, 10, 1217. [Google Scholar] [CrossRef]
- Choudhari, V.G.; Dhoble, A.S.; Panchal, S. Numerical analysis of different fin structures in phase change material module for battery thermal management system and its optimization. Int. J. Heat Mass Transf. 2020, 163, 120434. [Google Scholar] [CrossRef]
- Tran, M.K.; Mevawala, A.; Panchal, S.; Raahemifar, K.; Fowler, M.; Fraser, R. Effect of integrating the hysteresis component to the equivalent circuit model of Lithium-ion battery for dynamic and non-dynamic applications. J. Energy Storage 2020, 32, 101785. [Google Scholar] [CrossRef]
- Hasan, M.K.; Ahmed, M.M.; Hashim, A.H.A.; Razzaque, A.; Islam, S.; Pandey, B. A Novel Artificial Intelligence Based Timing Synchronization Scheme for Smart Grid Applications. Wirel. Pers. Commun. 2020, 114, 1067–1084. [Google Scholar] [CrossRef]
- Gong, X.; Xiong, R.; Mi, C.C. Study of the characteristics of battery packs in electric vehicles with parallel-connected lithium-ion battery cells. IEEE Trans. Ind. Appl. 2015, 51, 1872–1879. [Google Scholar] [CrossRef]
- Hossain, E.; Faruque, H.M.R.; Sunny, M.S.H.; Mohammad, N.; Nawar, N. A Comprehensive Review on Energy Storage Systems: Types, Comparison, Current Scenario, Applications, Barriers, and Potential Solutions, Policies, and Future Prospects. Energies 2020, 13, 3651. [Google Scholar] [CrossRef]
- Hannan, M.A.; Hoque, M.M.; Hussain, A.; Yusof, Y.; Ker, P.J. State-of-the-art and energy management system of lithium-ion batteries in electric vehicle applications: Issues and recommendations. IEEE Access 2018, 6, 19362–19378. [Google Scholar] [CrossRef]
- Habib, A.A.; Motakabber, S.M.; Ibrahimy, M.I. Comparative Study of Electrochemical Battery for Electric Vehicles Applications. In Proceedings of the 2019 IEEE International Conference on Power, Electrical, and Electronics and Industrial Applications (PEEIACON), Dhaka, Bangladesh, 29 November–1 December 2019; pp. 43–47. [Google Scholar]
- Hoque, M.M.; Hannan, M.A.; Mohamed, A. Voltage Equalization Control Algorithm for Monitoring and Balancing of Series Connected Lithium-Ion Battery. J. Renew. Sustain. Energy 2016, 8, 1–15. [Google Scholar] [CrossRef]
- Pham, V.L.; Duong, V.T.; Choi, W. A Low Cost and Fast Cell-to-Cell Balancing Circuit for Lithium-Ion Battery Strings. Electronics 2020, 9, 248. [Google Scholar] [CrossRef]
- Li, S.; Mi, C.; Zhang, M. A high-efficiency active battery-balancing circuit using multiwinding transformer. IEEE Trans. Ind. Appl. 2013, 49, 198–207. [Google Scholar] [CrossRef]
- Shang, Y.; Xia, B.; Lu, F.; Zhang, C.; Cui, N.; Mi, C.C. A switched-coupling-capacitor equalizer for series-connected battery strings. IEEE Trans. Power Electron. 2017, 32, 7694–7706. [Google Scholar] [CrossRef]
- Hoque, M.M.; Hannan, M.A.; Mohamed, A.; Ayob, A. Battery charge equalization controller in electric vehicle applications: A review. Renew. Sustain. Energy Rev. 2017, 75, 1363–1385. [Google Scholar] [CrossRef]
- Habib, A.A.; Motakabber, S.M.; Ibrahimy, M.I. A Series Regeneration Converter Technique for Voltage Balancing of Energy Storage Devices. Indones. J. Electr. Eng. Comput. Sci. 2017, 8, 475–481. [Google Scholar] [CrossRef]
- Gallardo-Lozano, J.; Romero-Cadaval, E.; Milanes-Montero, M.I.; Guerrero-Martinez, A.M. Battery equalization active methods. J. Power Sources 2014, 246, 934–949. [Google Scholar] [CrossRef]
- Park, H.S.; Kim, C.H.; Park, K.B.; Moon, G.W.; Lee, J.H. Design of a charge equalizer based on battery modularization. IEEE Trans. Veh. Technol. 2009, 58, 3216–3223. [Google Scholar] [CrossRef]
- Lim, C.S.; Lee, K.J.; Ku, N.J.; Hyun, D.S.; Kim, R.Y. A modularized equalization method based on magnetizing energy for a series-connected lithium-ion battery string. IEEE Trans. Power Electron. 2014, 29, 1791–1799. [Google Scholar] [CrossRef]
- Kim, C.H.; Kim, M.Y.; Moon, G.W. A modularized charge equalizer using a battery monitoring IC for series-connected Li-ion battery strings in electric vehicles. IEEE Trans. Power Electron. 2013, 28, 3779–3787. [Google Scholar] [CrossRef]
- Cui, N.; Shang, Y.; Zhang, Q.; Zhang, C. A direct multi-cells-tomulti-cells equalizer based on LC matrix converter for series-connected battery strings. In Proceedings of the 2018 IEEE Applied Power Electronics Conference and Exposition (APEC), San Antonio, TX, USA, 4–8 March 2018; pp. 1–6. [Google Scholar]
- Park, H.S.; Kim, C.E.; Moon, G.W. Two-stage cell balancing scheme for hybrid electric vehicle lithium-ion battery strings. In Proceedings of the 2007 IEEE Power Electronics Specialists Conference, Orlando, FL, USA, 17–21 June 2007; Institute of Electrical and Electronics Engineers (IEEE): Orland, FL, USA, 2007; pp. 273–279. [Google Scholar]
- Kim, M.Y.; Kim, C.H.; Cho, S.Y.; Moon, G.W. A cell selective charge equalizer using multi-output converter with auxiliary transformer. In Proceedings of the 8th International Conference on Power Electronics—ECCE Asia, Jeju, Korea, 30 May–3 June 2011; pp. 310–317. [Google Scholar]
- Xu, A.; Xie, S.; Liu, X. Dynamic voltage equalization for seriesconnected ultracapacitors in EV/HEV applications. IEEE Trans. Veh. Technol. 2009, 58, 3981–3987. [Google Scholar]
- Hasan, M.K.; Ahmed, M.M.; Musa, S.S. Measurement and Modeling of DTCR Software Parameters Based on Intranet Wide Area Measurement System for Smart Grid Applications. In International Conference on Innovative Computing and Communications; Springer: Berlin, Germany, 2020; pp. 1139–1150. [Google Scholar]
- Habib, A.A.; Motakabber, S.M.; Ibrahimy, M.I.; Hasan, M.K. Active voltage balancing circuit using single switched-capacitor and series LC resonant energy carrier. Electron. Lett. 2020, 56, 1036–1039. [Google Scholar] [CrossRef]
- Daowd, M.; Antoine, M.; Omar, N.; den Bossche, P.V.; Mierlo, J.V. Single switched capacitor battery balancing system enhancements. Energies 2013, 6, 2149–2174. [Google Scholar] [CrossRef]
- Yarlagadda, S.; Hartley, T.T.; Husain, I. A battery management system using an active charge equalization technique based on a DC/DC converter topology. IEEE Trans. Ind. Appl. 2013, 49, 2720–2729. [Google Scholar] [CrossRef]
- Lee, K.M.; Lee, S.W.; Choi, Y.G.; Kang, B. Active balancing of Li-ion battery cells using transformer as energy carrier. IEEE Trans. Ind. Electron. 2016, 64, 1251–1257. [Google Scholar] [CrossRef]
- Park, S.H.; Park, K.B.; Kim, H.S.; Moon, G.W.; Youn, M.J. Single-magnetic cell-to-cell charge equalization converter with reduced number of transformer windings. IEEE Trans. Power Electron. 2012, 27, 2900–2911. [Google Scholar] [CrossRef]
- Fukui, R.; Koizumi, H. Double-tiered switched capacitor battery charge equalizer with chain structure. In Proceedings of the IECON 2013—39th Annual Conference of the IEEE Industrial Electronics Society, Vienna, Austria, 10–13 November 2013; pp. 6715–6720. [Google Scholar]
- Guo, X.; Kang, L.; Huang, Z.; Yao, Y.; Yang, H. Research on a novel power inductor-based bidirectional lossless equalization circuit for series-connected battery packs. Energies 2015, 8, 5555–5576. [Google Scholar] [CrossRef]
- Lee, Y.; Cheng, G. Battery equalization using bi-directional cuk converter in DCVM operation. In Proceedings of the 2005 IEEE 36th Power Electronics Specialists Conference, Recife, Brazil, 16 June 2005; pp. 1–9. [Google Scholar]
- Lee, Y.S.; Chen, M.W.; Hsu, K.L.; Du, J.Y.; Chuang, C.F. Cell equalization scheme with energy transferring capacitance for series connected battery strings. In Proceedings of the 2002 IEEE Region 10 Conference on Computers, Communications, Control and Power Engineering. TENCOM ’02. Proceedings, Beijing, China, 28–31 October 2002; Volume 3, pp. 2042–2045. [Google Scholar]
- X, L.; Qian, W.; Peng, F.Z. Modularized buck-boost+ Cuk converter for high voltage series connected battery cells. In Proceedings of the 2012 Twenty-Seventh Annual IEEE Applied Power Electronics Conference and Exposition (APEC), Orlando, FL, USA, 5–9 February 2012; pp. 2272–2278. [Google Scholar]
- Shang, Y.; Zhang, C.; Cui, N.; Guerrero, J.M. A cell-to-cell battery equalizer with zero-current switching and zero-voltage gap based on quasi-resonant LC converter and boost converter. IEEE Trans. Power Electron. 2014, 30, 3731–3747. [Google Scholar] [CrossRef]
- Kim, M.Y.; Kim, J.H.; Moon, G.W. Center-cell concentration structure of a cell-to-cell balancing circuit with a reduced number of switches. IEEE Trans. Power Electron. 2013, 29, 5285–5297. [Google Scholar] [CrossRef]
- Wu, T.H.; Moo, C.S.; Hou, C.H. A Battery Power Bank with Series-Connected Buck–Boost-Type Battery Power Modules. Energies 2017, 10, 650. [Google Scholar] [CrossRef]
- Moo, C.S.; Hsieh, Y.C.; Tsai, I.S. Charge equalization for series connected batteries. IEEE Trans. Aerosp. Electron. Syst. 2003, 39, 704–710. [Google Scholar] [CrossRef]
- Ye, Z.; Stuart, T.A. Sensitivity of a ramp equalizer for series batteries. IEEE Trans. Aerosp. Electron. Syst. 1998, 34, 1227–1236. [Google Scholar] [CrossRef]
- Lee, K.M.; Chung, Y.C.; Sung, C.H.; Kang, B. Active cell balancing of li-ion batteries using LC series resonant circuit. IEEE Trans. Ind. Electron. 2015, 62, 5491–5501. [Google Scholar] [CrossRef]
- Yu, Y.; Saasaa, R.; Khan, A.A.; Eberle, W. A series resonant energy storage cell voltage balancing circuit. IEEE J. Emerg. Sel. Top. Power Electron. 2020, 8, 3151–3161. [Google Scholar] [CrossRef]
- Kim, J.W.; Ha, J.I. Cell balancing control of single switch flyback converter using generalized filters. In Proceedings of the 2014 IEEE Applied Power Electronics Conference and Exposition—APEC 2014, Fort Worth, TX, USA, 16–20 March 2014; pp. 3273–3277. [Google Scholar]
- Iyuke, F.O.; Idrus, B. Evaluation of Gauss Rules with a Centralised Dynamic Load Balancing Technique in Parallel Computing Systems. Asia-Pac. J. Inf. Technol. Multimed. 2005, 2. [Google Scholar]
- Shang, Y.; Xia, B.; Zhang, C.; Cui, N.; Yang, J.; Mi, C. An automatic battery equalizer based on forward and flyback conversion for series-connected battery strings. In Proceedings of the 2017 IEEE Applied Power Electronics Conference and Exposition (APEC), Tampa, FL, USA, 26–30 March 2017; pp. 3218–3222. [Google Scholar]
- Hannan, M.A.; Hoque, M.M.; Peng, S.E.; Uddin, M.N. Lithium-ion battery charge equalization algorithm for electric vehicle applications. IEEE Trans. Ind. Appl. 2017, 53, 2541–2549. [Google Scholar] [CrossRef]














| Part | Part Name | Value |
|---|---|---|
| Single switches (MS) | nMOSFET | IRF450A |
| Bidirectional Switches (MD) | nMOSFET | IRF8721 |
| Gate driver | Optocoupler | 817c |
| Logic gate | SN7404 | |
| Resonant tank | Inductor | 100 μH |
| capacitor | 222 μH | |
| Microcontroller | Arduino Uno | atmega328p |
| Monitoring IC | - | Different amplifier |
| Battery | Li-ion - Lade-acid | 4200 mAh, 3.7 V (Ultra Fire BRC 18650) 12 V, 1.2 Ah (Battery mart) |
| Type Parameter | Boost Converter [15,36] | Buck-Boost Converter [37] | Fly-Back Converter [46] | Ramp Converter [15,40] | Cuk Converter [34] | Resonant Converter [41,42] | Proposed Converter |
|---|---|---|---|---|---|---|---|
| Switch’s | n + 1 | 2n | 2n + 6 | n | n | 2n | 2n − 2 |
| Diode | 0 | 0 | 2 | n | 0 | 1 | 0 |
| Inductor | 2n − 2 | N − 1 | 0 | N − 2 | n | 1 | 1 |
| Capacitor | N − 1 | 0 | 2 | n | N − 1 | 1 | 1 |
| Transformer | 0 | 0 | 2 | 0 | 0 | 0 | 0 |
| Power loss * | 1.9% ύ | 22% ύ | 7.2% | 9% | 6.2% | 13.6% [41] 3.6% [42] | 4.9% |
| Efficiency | 98% | 82.5% | 92% | 87.4% [40] | - | 78.9% [41] 96% [42] ύ | 94.8% |
| Type Parameter | Buck Boost Converter [39] | Fly-Back Converter [44] | Cuk Converter [33] | Quasi-Resonant Converter [36] | LC Matrix Converter [21] | Resonant Converter [42] | Proposed Converter |
|---|---|---|---|---|---|---|---|
| Battery/SC Rating | 4.0 Ah Batteries | 2.65 Ah Batteries | 10.0 Ah Batteries | 6.2 Ah Batteries | 6.2 Ah Batteries | 300 F SC | 4.2 Ah Batteries |
| Initial voltage Difference (mV) | 560 | 250 | 1000 | 620 | 500 | 527 | 246 |
| Final voltage gap (mV) | 0 | 25 | 0 | 80 | 4.5 | 10 | 0 |
| Balancing time (s) | 2700 | 5500 | 4500 | 6800 | 3500 | 900 | 4680 |
| Normalized voltage balancing time (s/j) | 20.1 | 15.4 | 7.5 | 20.3 | 12.3 | 11.2 | 13.8 |
Publisher’s Note: MDPI stays neutral with regard to jurisdictional claims in published maps and institutional affiliations. |
© 2020 by the authors. Licensee MDPI, Basel, Switzerland. This article is an open access article distributed under the terms and conditions of the Creative Commons Attribution (CC BY) license (http://creativecommons.org/licenses/by/4.0/).
Share and Cite
Hasan, M.K.; Habib, A.A.; Islam, S.; Ghani, A.T.A.; Hossain, E. Resonant Energy Carrier Base Active Charge-Balancing Algorithm. Electronics 2020, 9, 2166. https://doi.org/10.3390/electronics9122166
Hasan MK, Habib AA, Islam S, Ghani ATA, Hossain E. Resonant Energy Carrier Base Active Charge-Balancing Algorithm. Electronics. 2020; 9(12):2166. https://doi.org/10.3390/electronics9122166
Chicago/Turabian StyleHasan, Mohammad Kamrul, AKM Ahasan Habib, Shayla Islam, Ahmad Tarmizi Abdul Ghani, and Eklas Hossain. 2020. "Resonant Energy Carrier Base Active Charge-Balancing Algorithm" Electronics 9, no. 12: 2166. https://doi.org/10.3390/electronics9122166
APA StyleHasan, M. K., Habib, A. A., Islam, S., Ghani, A. T. A., & Hossain, E. (2020). Resonant Energy Carrier Base Active Charge-Balancing Algorithm. Electronics, 9(12), 2166. https://doi.org/10.3390/electronics9122166

