Study of the Effect of Throttling on the Success of Starting a Line-Start Permanent Magnet Motor Driving a Centrifugal Fan
Abstract
1. Introduction
2. Problem Statement
- Only one fan is operating in the hydraulic system.
- All hydraulic resistances including inlet vanes (such as rooms, air ducts, air duct connections, filters, etc.) are reduced to one hydraulic diameter and reduced to one lumped element.
- There are no leaks.
- The gas is ideal and its properties are the same at every point of the duct.
- Belt drive losses are not considered.
3. Mathematical Models of System Elements
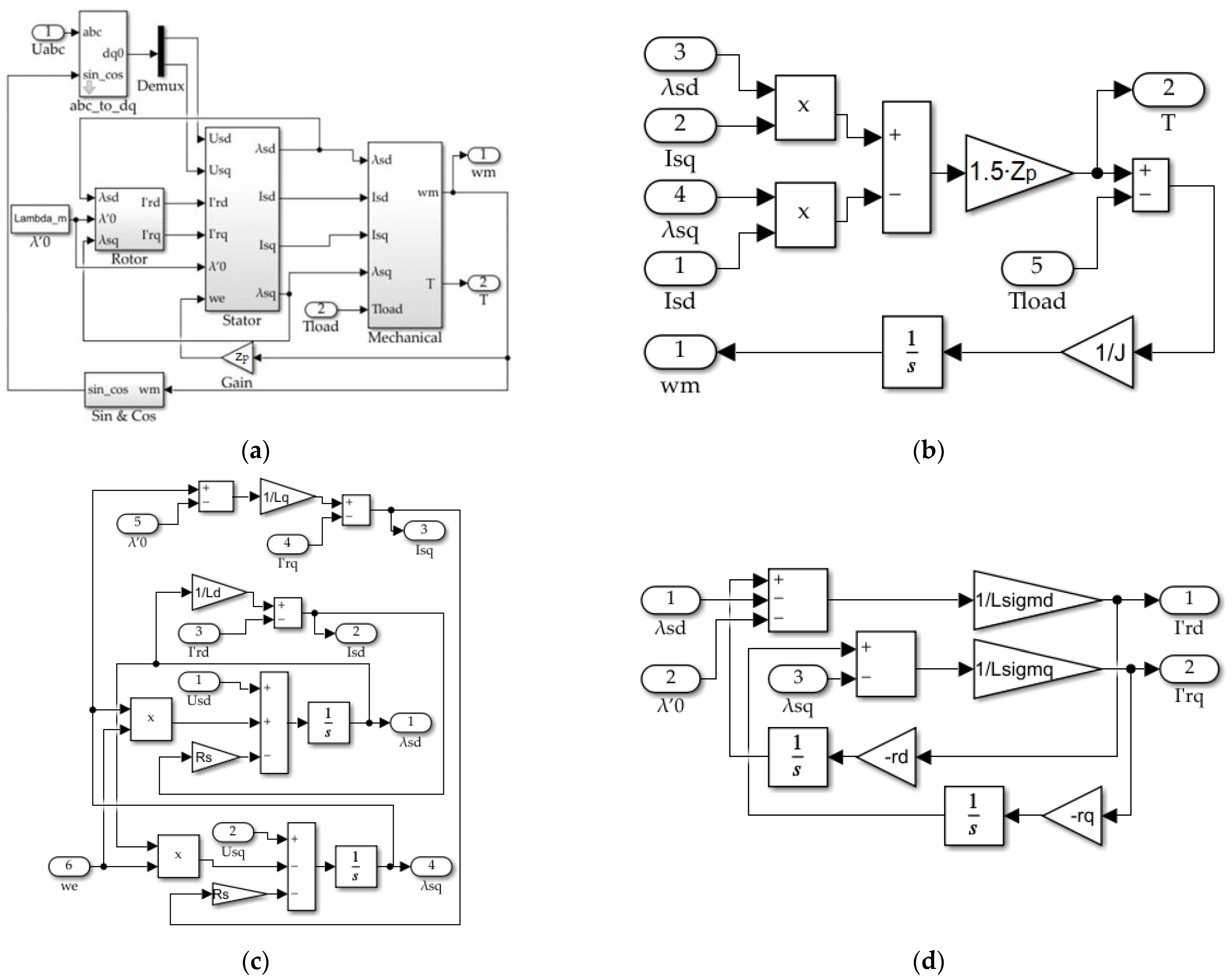
3.1. LSPMSM’s Mathemetical Model
- Magnetic fluxes generated by the stator and rotor windings have a sinusoidal distribution along the air gap.
- The magnetic permeability of steel is constant.
- Stator and rotor windings are symmetrical.
- Each winding is powered by a separate source.
- The supply voltage value does not depend on the load of the electrical machine.
- Losses in the magnetic core are not considered.
dλsq/dt + λsd · ωr + Rs · Isq = Usq;
dλ′rd/dt + r′d · I′rd = 0;
dλ′rq/dt + r′q · I′rq = 0,
dφ/dt = ωm,
λ′rd = Md · Isd + Lrd · I′rd;
λsq =Lsq · Isq + Mq · I′rq + λ′0;
λrq = Mq · Isq + Lrq · I′rq + λ′0,
λ′rd = Lsd · Isd + (Lsd + Lσd) · I′rd;
λsq = Lsq · Isq + Lsq · I′rq + λ′0;
λ′rq = Lsq · Isq + (Lsq + Lσq) · I′rq + λ′0.
I′rq = (λ′rq − λsq)/Lσq;
Isd = λsd/Lsd − I′rd;
Isq = (λsq − λ′0)/Lsq − I′rq.
dλsq/dt + Zp · λsd · dφ/dt + Rs · Isq = Usq;
dλ′rd/dt + r′d · I′rd = 0;
dλ′rq/dt + r′q · I′rq = 0;
I′rd = (λ′rd − λsd)/Lσd;
I′rq= (λ′rq − [λsq − λ′0])/Lσq;
Isd = λsd/Lsd − I′rd;
Isq = (λsq − λ′0)/Lsq − I′rq;
T = 3/2 · Zp · (λsd · Isq − λsq · Isd);
J · d2φ /dt2 = T − Tload.
3.2. Modeling the Fan, Throttle, and Duct
4. Simulation Model of the Centrifugal Fan with the LSPMSM Drive
5. Simulation Results
- (1)
- When the inlet vanes are fully open (the control signal of the inlet valve is maximum Svalve = S).
- (2)
- When dynamically changing the valve position, corresponding to the following algorithm: Svalve = 0.25 · S at t < 4 s (this value of the control signal corresponds to the minimum fan flow from the flow–pressure curve given for the considered fan type in the catalog [32], which models the fan operation with a fully closed valve; this assumption is made due to the lack of information about the fan braking torque at lower flow rates) and Svalve = S at t ≥ 4. Figure 7, Figure 8, Figure 9, Figure 10, Figure 11 and Figure 12 show the simulation results for both cases.
6. Conclusions
Author Contributions
Funding
Data Availability Statement
Acknowledgments
Conflicts of Interest
References
- Kazakbaev, V.; Paramonov, A.; Dmitrievskii, V.; Prakht, V.; Goman, V. Indirect Efficiency Measurement Method for Line-Start Permanent Magnet Synchronous Motors. Mathematics 2022, 10, 1056. [Google Scholar] [CrossRef]
- Rotating Electrical Machines—Part 30-2: Efficiency Classes of Variable Speed AC Motors (IE-Code). IEC 60034-30-2/ IEC: 2016-12. Available online: https://webstore.iec.ch/publication/30830 (accessed on 6 October 2022).
- Liu, C. Rotor Conductor Arrangement Designs of High-Efficiency Direct-on-Line Synchronous Reluctance Motors for Metal Industry Applications. IEEE Trans. Ind. Appl. 2020, 56, 4337–4344. [Google Scholar] [CrossRef]
- Ding, T.; Takorabet, N.; Sargos, F.; Wang, X. Design and Analysis of Different Line-Start PM Synchronous Motors for Oil-Pump Applications. IEEE Trans. Magn. 2009, 45, 1816–1819. [Google Scholar] [CrossRef]
- Goman, V.; Oshurbekov, S.; Kazakbaev, V.; Prakht, V.; Dmitrievskii, V. Energy Efficiency Analysis of Fixed-Speed Pump Drives with Various Types of Motors. Appl. Sci. 2019, 9, 5295. [Google Scholar] [CrossRef]
- Baka, S.; Sashidhar, S.; Fernandes, B.G. Design of an Energy Efficient Line-Start Two-Pole Ferrite Assisted Synchronous Reluctance Motor for Water Pumps. IEEE Trans. Energy Conv. 2021, 36, 961–970. [Google Scholar] [CrossRef]
- Ismagilov, F.; Vavilov, V.; Gusakov, D. Line-Start Permanent Magnet Synchronous Motor for Aerospace Application. In Proceedings of the 2018 IEEE International Conference on Electrical Systems for Aircraft, Railway, Ship Propulsion and Road Vehicles and International Transportation Electrification Conference (ESARS-ITEC 2018), Nottingham, UK, 7–9 November 2018; pp. 1–5. [Google Scholar] [CrossRef]
- Kurihara, K.; Rahman, M. High-Efficiency Line-Start Interior Permanent-Magnet Synchronous Motors. IEEE Trans. Ind. Appl. 2004, 40, 789–796. [Google Scholar] [CrossRef]
- Kazakbaev, V.; Prakht, V.; Dmitrievskii, V.; Golovanov, D. Feasibility Study of Pump Units with Various Direct-On-Line Electric Motors Considering Cable and Transformer Losses. Appl. Sci. 2020, 10, 8120. [Google Scholar] [CrossRef]
- European Commission Regulation (EC), No. 640/2009 Implementing Directive 2005/32/ EC of the European Parliament and of the Council with Regard to Ecodesign Requirements for Electric Motors, (2009), Amended by Commission Regulation (EU) No 4/2014 of January 6, 2014. Document 32014R0004. Available online: https://eur-lex.europa.eu/legal-content/EN/TXT/?uri=CELEX%3A32014R0004 (accessed on 6 October 2022).
- European Council Meeting (10 and 11 December 2020)—Conclusions. EUCO 22/20 CO EUR 17 CONCL 8. Available online: https://www.consilium.europa.eu/media/47296/1011-12-20-euco-conclusions-en.pdf (accessed on 6 October 2022).
- The European Green Deal. Available online: https://ec.europa.eu/info/strategy/priorities-2019-2024/european-green-deal_en (accessed on 6 October 2022).
- Goman, V.; Prakht, V.; Kazakbaev, V.; Dmitrievskii, V. Comparative Study of Induction Motors of IE2, IE3 and IE4 Efficiency Classes in Pump Applications Taking into Account CO2 Emission Intensity. Appl. Sci. 2020, 10, 8536. [Google Scholar] [CrossRef]
- WQuattro, Super Premium Efficiency Motor, Product Catalogue, WEG Group—Motors Business Unit, Cod: 50025713, Rev: 03, Date (m/y): 07/2017. Available online: https://static.weg.net/medias/downloadcenter/h01/hfc/WEG-w22-quattro-european-market-50025713-brochure-english-web.pdf (accessed on 6 October 2022).
- Addendum to the Operating Instructions: AC Motors DR.71.J-DR.100.J with LSPM Technology, 21281793/EN, 09/2014, SEW Eurodrive. Available online: https://download.sew-eurodrive.com/download/pdf/21343799.pdf (accessed on 6 October 2022).
- Catalogue of Super Premium Efficiency SynchroVERT LSPM Motors. Available online: https://www.bharatbijlee.com/media/14228/synchrovert_catalogue.pdf (accessed on 6 October 2022).
- KT-420-5, Operation of Bitzer reciprocating compressors with external frequency inverters, Bitzer, 01.2022. Available online: https://www.bitzer.de/shared_media/html/kt-420/Resources/pdf/279303819.pdf (accessed on 6 October 2022).
- Grag, A.; Tomar, A. Starting Time Calculation for Induction Motor. J. Electr. Electron. Syst. 2015, 4, 149. [Google Scholar] [CrossRef]
- Xia, Y.; Han, Y.; Xu, Y.; Ai, M. Analyzing Temperature Rise and Fluid Flow of High-Power-Density and High-Voltage Induction Motor in the Starting Process. IEEE Access 2019, 7, 35588–35595. [Google Scholar] [CrossRef]
- Dems, M.; Komeza, K.; Szulakowski, J.; Kubiak, W. Dynamic Simulation of High-Speed Induction Motor. Energies 2021, 14, 2713. [Google Scholar] [CrossRef]
- Aree, P. Starting time calculation of large induction motors using their manufacturer technical data. In Proceedings of the 2016 19th International Conference on Electrical Machines and Systems (ICEMS), Chiba, Japan, 13–16 November 2016; pp. 1–5. Available online: https://ieeexplore.ieee.org/document/7837339 (accessed on 6 October 2022).
- Digalovski, M.; Rafajlovski, G. Calculation of Starting and Breaking Times of Induction Motor Electric Drives, for Different Mechanical Loads. In Proceedings of the 2020 International Conference on Information Technologies (InfoTech), Varna, Bulgaria, 17–18 September 2020; pp. 1–4. [Google Scholar] [CrossRef]
- Maleki, M.G.; Chabanloo, R.M.; Farrokhifar, M. Accurate coordination method based on the dynamic model of overcurrent relay for industrial power networks taking contribution of induction motors into account. IET Gener. Transm. Distrib. 2020, 14, 645–655. [Google Scholar] [CrossRef]
- Guedes, J.J.; Castoldi, M.F.; Goedtel, A.; Agulhari, C.M.; Sanches, D.S. Parameters estimation of three-phase induction motors using differential evolution. Electr. Power Syst. Res. 2018, 154, 204–212. [Google Scholar] [CrossRef]
- Faiz, J.; Ebrahimi, B.M.; Akin, B.; Toliyat, H.A. Finite-Element Transient Analysis of Induction Motors Under Mixed Eccentricity Fault. IEEE Trans. Magn. 2008, 44, 66–74. [Google Scholar] [CrossRef]
- Abdoulkadri, C.; Albert, J.; Wang, S.; Wang, R. Analytical Synchronization Analysis of Line-Start Permanent Magnet Synchronous Motors. Prog. Electromagn. Res. M 2016, 48, 183–193. [Google Scholar] [CrossRef][Green Version]
- Barkeley, L. Improving Fan System Performance. A Sourcebook for Industry. U.S. Department of Energy. 2003; DOE/GO-102003-1294. Available online: https://www.nrel.gov/docs/fy03osti/29166.pdf (accessed on 6 October 2022).
- Soulard, J.; Nee, H. Study of the synchronization of line-start permanent magnet synchronous motors. In Proceedings of the 2000 IEEE Industry Applications Conference. Thirty-Fifth IAS Annual Meeting and World Conference on Industrial Applications of Electrical Energy (Cat. No.00CH37129), Rome, Italy, 8–12 October 2000; pp. 424–431. [Google Scholar] [CrossRef]
- Poudel, B. Line Start Permanent Magnet Synchronous Motor for Multi Speed Application. Master Thesis, University of New Orleans, New Orleans, LA, USA, 2017. Available online: https://scholarworks.uno.edu/td/2430 (accessed on 6 October 2022).
- Kahrisangi, M.; Hassanpour, I.; Zadeh, A.; Zadeh, V.; Mohammad, S.; Mohammad, R. Line-start permanent magnet synchronous motors versus induction motors: A comparative study. Front. Electr. Electron. Eng. 2012, 7, 459–466. [Google Scholar] [CrossRef]
- Cory, W. Fans & Ventilation: A Practical Guide; Elsevier Science: Amsterdam, The Netherlands, 2005. [Google Scholar]
- Centrifugal Fans. Wolter GmbH+Co KG. M08.6. V.2006/1. Available online: https://www.wolter.eu/fileadmin/BILDER/produkte/5-radialventilatoren/pdf/Radialventilator_TRZ_HRZ_HRZP.pdf (accessed on 6 October 2022).
- Rory, A.R.; Scott, M. Modeling Techniques for a Computational Efficient Dynamic Turbofan Engine Model. Int. J. Aerosp. Eng. 2014, 2014, 283479. [Google Scholar] [CrossRef]
- Wang, D.; Wang, X.; Chen, H.; Zhang, R. Matlab/Simulink-Based Simulation of Line-start PMSM Used in Pump Jacks. In Proceedings of the IEEE Conference on Industrial Electronics and Applications, Harbin, China, 23–25 May 2007; pp. 1179–1181. [Google Scholar] [CrossRef]
- Modeer, T. Modeling and Testing of Line Start Permanent Magnet Motors. Ph.D. Thesis, School of Electrical Engineering, KTH, Stockholm, Sweden, 2007. Available online: https://citeseerx.ist.psu.edu/viewdoc/download?doi=10.1.1.826.9539&rep=rep1&type=pdf (accessed on 6 October 2022).
- Mathworks. Fan (G), Fan in Gas Network. Model Description. Available online: https://www.mathworks.com/help/hydro/ref/fang.html;jsessionid=dd48cc776badaa81163a0d6aa2ff (accessed on 6 October 2022).
- Mathworks. Pipe (G), Rigid Conduit for Gas Flow. Model Description. Available online: https://www.mathworks.com/help/simscape/ref/pipeg.html (accessed on 6 October 2022).
- Mathworks. Local Restriction (G), Restriction in Flow Area in Gas Network. Model Description. Available online: https://www.mathworks.com/help/simscape/ref/localrestrictiong.html (accessed on 6 October 2022).
- Mathworks. Thermal Mass, Mass in Thermal Systems. Model Description. Available online: https://www.mathworks.com/help/simscape/ref/thermalmass.html (accessed on 6 October 2022).














| Parameter | Value |
|---|---|
| Rated power Prate, kW | 0.55 |
| Rated line-to-line voltage Urate, V | 380 |
| Rated frequency f, Hz | 50 |
| Pole pair number Zp | 2 |
| Stator phase resistance Rs, Ohm | 15.3 |
| Total direct inductance Lsd, H | 0.26 |
| Total quadrature inductance Lsq, H | 0.15 |
| Leakage direct inductance Lσd, H | 0.038 |
| Leakage quadrature inductance Lσq, H | 0.051 |
| Rotor direct resistance r′d, Ohm | 9.24 |
| Rotor quadrature resistance r′q, Ohm | 10.1 |
| Permanent magnet flux linkage λ′0, Wb | 0.76 |
| Motor inertia moment Jm, kg·m2 | 0.003 |
| Fan impeller inertia moment Ji, kg·m2 | 0.06 |
| Flow Q, m3/h | Pressure P, Pa | Fan Hydraulic Efficiency η, % |
|---|---|---|
| 2035 | 459 | 64 |
| 2803 | 442 | 75 |
| 3977 | 397 | 79 |
| 5170 | 303 | 78 |
| 5981 | 219 | 58 |
Publisher’s Note: MDPI stays neutral with regard to jurisdictional claims in published maps and institutional affiliations. |
© 2022 by the authors. Licensee MDPI, Basel, Switzerland. This article is an open access article distributed under the terms and conditions of the Creative Commons Attribution (CC BY) license (https://creativecommons.org/licenses/by/4.0/).
Share and Cite
Paramonov, A.; Oshurbekov, S.; Kazakbaev, V.; Prakht, V.; Dmitrievskii, V. Study of the Effect of Throttling on the Success of Starting a Line-Start Permanent Magnet Motor Driving a Centrifugal Fan. Mathematics 2022, 10, 4324. https://doi.org/10.3390/math10224324
Paramonov A, Oshurbekov S, Kazakbaev V, Prakht V, Dmitrievskii V. Study of the Effect of Throttling on the Success of Starting a Line-Start Permanent Magnet Motor Driving a Centrifugal Fan. Mathematics. 2022; 10(22):4324. https://doi.org/10.3390/math10224324
Chicago/Turabian StyleParamonov, Aleksey, Safarbek Oshurbekov, Vadim Kazakbaev, Vladimir Prakht, and Vladimir Dmitrievskii. 2022. "Study of the Effect of Throttling on the Success of Starting a Line-Start Permanent Magnet Motor Driving a Centrifugal Fan" Mathematics 10, no. 22: 4324. https://doi.org/10.3390/math10224324
APA StyleParamonov, A., Oshurbekov, S., Kazakbaev, V., Prakht, V., & Dmitrievskii, V. (2022). Study of the Effect of Throttling on the Success of Starting a Line-Start Permanent Magnet Motor Driving a Centrifugal Fan. Mathematics, 10(22), 4324. https://doi.org/10.3390/math10224324

