Next Article in Journal
Fast Prediction of the Temperature Field Surrounding a Hot Oil Pipe Using the POD-BP Model
Previous Article in Journal
Phosphorus Recovery from Wastewater Aiming Fertilizer Production: Struvite Precipitation Optimization Using a Sequential Plackett–Burman and Doehlert Design
 
 
Font Type:
Arial Georgia Verdana
Font Size:
Aa Aa Aa
Line Spacing:
Column Width:
Background:
Article

Design and Research of a Field Bus Control System Laboratory for Metal Mining, Beneficiation and Metallurgy

1
School of Minerals Processing and Bioengineering, Central South University, Changsha 410083, China
2
CINF Engineering Co., Ltd., Changsha 410019, China
3
Department of Electronic Engineering, Shanghai Jiao Tong University, Shanghai 200240, China
*
Author to whom correspondence should be addressed.
Processes 2023, 11(9), 2665; https://doi.org/10.3390/pr11092665
Submission received: 5 July 2023 / Revised: 26 August 2023 / Accepted: 1 September 2023 / Published: 6 September 2023

Abstract

:
Fieldbus control systems play a pivotal role in industries such as mining, beneficiation, and metallurgy, facilitating precise process control. However, diverse process conditions and applications often lead to challenges during system implementation. The prevalence of process control projects underscores the need for dedicated control system laboratories to address these problems. Our research delves into the complexities of process control systems, focusing on mainstream brands such as Siemens, Rockwell, and Emerson, involving analysis of network architectures, software, and hardware configurations. Through rigorous testing of real equipment systems, we uncover prevalent issues in practical control system applications. These findings guide the resolution of technical challenges faced in project control, concurrently enhancing the design and debugging prowess of engineering professionals. We also anticipate the trajectory of intelligent manufacturing, embracing collaborative manufacturing aspects in networked environments. This research establishs a robust foundation for the forthcoming generation of control network technologies specific to metal mining, beneficiation, and metallurgy.

1. Introduction

In recent years, a succession of scientific and technological innovation waves, including “innovation-driven development”, “Internet Plus”, “Made in China 2025”, “Industrial Internet of Things”, and “Industry 4.0.”, have surged forward [1,2,3]. Evolutions in industry and applications, propelled by cutting-edge technologies such as 5G communication, intelligent industrial manufacturing, machine learning, and humanoid bionics, have garnered prominence [4,5,6]. This wave of progress has set the stage for the rise of intelligent automatic control in the realm of non-ferrous metal mining, beneficiation, and metallurgy [7,8,9,10,11].
The Distributed Control System (DCS), an advanced control equipment system, converges computer technology, network communication, control algorithms, and graphical interfaces around a microprocessor core. It governs geographically dispersed workshops and on-site areas, centrally managed from dispatch rooms and control centers. Infiltrating industrial production and equipment systems, particularly in mining and metal smelting, the DCS system has wielded significant influence, enhancing output efficiency and diminishing manual intervention, thereby yielding substantial economic and social dividends. The advent of network distributed computer control systems, grounded in interface standardization and open data instructions [12,13,14,15], has rectified the limitations of traditional PLC control networks, dispelling information blockades and isolation controls. As high-speed fiber optics and wireless communication thrive, the DCS system has evolved into a fully distributed wireless remote-control network, deploying operational control on-site while facilitating direct analysis, decision-making, and optimization at the management level [16,17,18,19]. Its role as an essential foundation for intelligent control in non-ferrous metal mining, beneficiation, and smelting processes is now irreplaceable.
The Laboratory for Field Bus Control Systems is an innovative technological platform for industrial process control. It has been established with a focus on educational institutions, research centers, and design facilities acting as the foundation. Guided by real-world engineering challenges, it emphasizes the seamless integration of industry, academia, research, and application [20,21,22,23]. This platform will assume a pivotal role and hold a significant position in the domains of automation control, intelligent optimization, and the management of resources and environments [24,25,26,27]. The Distributed Control System (DCS) is extensively employed within process control industries such as mining and metallurgy. Given the diverse nature of process flows and application conditions, it is imperative to engage in engineering debugging and address practical issues discovered in such applications. This need is particularly pressing when it comes to the advancement of intelligent automatic control systems and software algorithms for fields such as metal mining, beneficiation, and metallurgy [28,29,30,31]. These systems and algorithms find broad application in numerous projects related to process control system engineering. Therefore, there is an urgent requirement to establish a DCS distributed control system laboratory, which would permit remote access to project data via an industrial cloud platform tailored to meet scientific research and engineering project demands [32,33]. This system would facilitate on-site project monitoring, diagnosis, engineering debugging, and the storage backup of project data, ultimately leading to the creation of an industrial internet platform for intelligent control.
With the aim of exploring and crafting process control systems for tangible engineering endeavors, scrutinizing network architecture diagrams, and conducting practical experiments on actual equipment systems, this study endeavors to identify challenges within control system practices. Its ultimate goal is to rectify technical quandaries in project control, elevate the skillset of engineering personnel in terms of design and debugging, and substantially enhance the efficiency of engineering project implementation. In this article, the focus is on comprehensively analyzing the task-related characteristics that the laboratory must assume, taking into account the existing parameters of the automated laboratory. The content of the laboratory’s system construction plan is thoroughly examined from multifaceted perspectives, with particular emphasis on securing an optimal laboratory construction outcome through meticulous layout design and budgetary analysis. Finally, a conclusive summary is presented, offering valuable insights and recommendations for expeditiously establishing an automatic control laboratory within the mining and metallurgical industry.
Our work contributes to both the available literature and actual practice in the following ways:
  • This study offers a profound insight that resonates as a clarion call: the need for a diverse embrace of network control system architectures and hardware configurations from multiple influential brands. This strategic shift not only forges a robust foundation for laboratory procurement and utilization but also ushers in an era of cross-brand collaboration that is poised to ignite innovation through unexpected intersections.
  • This paper presents a transformative vision for the future, envisaging the laboratory as a nexus of convergence between academia and industry. In seamless collaboration with the nonferrous metal industry and other sectors, the laboratory is poised to undertake pioneering industry-university research endeavors, catalyzing revolutionary automation engineering experiments. This collaborative endeavor, buttressed by interdisciplinary experimental teaching, curriculum design, and talent cultivation initiatives, is set to shape a future enriched by synergistic expertise.

2. Research on Laboratory Control System Equipment

2.1. Selection of Laboratory Base

The DCS system constitutes a comprehensive assemblage of network and electrical system devices. Consequently, a spacious chamber exceeding 60 square meters was deliberately chosen to establish a control system laboratory that adheres to the requirements stipulated for the installation and operation environment of diverse DCS components and equipment. Moreover, considering the abundance of low-voltage equipment, the laboratory necessitates the installation of anti-static flooring. Furthermore, in order to facilitate engineers’ on-site experimental undertakings and ensure the efficacy of scientific research and engineering experiments, the laboratory has been equipped with projectors, indoor broadcasting systems, air conditioning, dehumidification systems, and provisions for ample illumination and reliable power supply.

2.2. Control Network Architecture Scheme

The production process within the realm of metal mining, beneficiation, and metallurgy industry entails a significant multitude of scattered electric-operated equipment and measuring electronic instruments. As a laboratory specializing in DCS encompassing various renowned brands, utmost importance lies in carefully selecting cutting-edge controllers and architectural designs from the industry’s leading brands.
Currently, the pursuit of deep mining has emerged as a pivotal undertaking within the realm of metal mining. Shallow metal mines, with their relatively straightforward development models, facilitate sizable quantities of extraction and transportation. However, with deep metal mining, significant challenges arise, given the substantial discrepancies in ventilation and extended transportation durations. It becomes imperative, therefore, to delve into the realms of research and experimentation concerning communication networks tailored for deep metal mining. As illustrated in Figure 1, the intricate network system diagram for Underground deep metal mining development continues to expand. This diagram encompasses the control communication station pertinent to the metal mining process section, alongside the control communication station affiliated with long-range equipment at various depths. The computing-driven acquisition and transmission of mine environment data, as well as the requisite support from the communication network, necessitate thorough optimization designs to fulfill the demands of realizing a fully integrated intelligent network system. This system encompasses facets such as environmental awareness, analysis and decision-making, as well as command and control. Notably, the intelligent deep mining of metal mines, characterized by swift data acquisition, coupled with the identification and alarming of perilous faults through seamless coordination, presents metal mine production managers with a novel developmental paradigm for precious metal resources.
The Siemens DCS system embraces the PCS7 system as its fundamental construction element. This system employs a combination of S7-410smart and S7-1500PLC to establish a test platform for DCS network control systems. Likewise, the Rockwell DCS system centers around the AB PlantPaX system as its foundational structure. The core of this network control system test platform is constituted by the 1756-L71 controller. In the case of the Emerson DCS system, the Delta V system serves as the basis for its construction, with the MQ Controller PLC acting as the central core for the establishment of the DCS control system test platform. Similarly, the ABB DCS system is founded on the 800xA system, utilizing the AC800M as the controller core in the creation of the DCS system control system test platform. Among the domestic systems, the Supcon DCS system is grounded in the ECS-700 system. The FCU712-S01 functions as the controller core in the development of the DCS system control system test platform.
The DCS implementation embraces a tripartite network system architecture. Drawing upon ABB as an illustrative example, Figure 2 showcases the architectural diagram of the DCS system, elegantly partitioned into the computer workstation’s monitoring layer, the controller core’s control layer, and the on-site layer housing the sensor IO system and electrically controlled equipment.

3. Laboratory Research Design Content

3.1. Construction of Metal Mining, Dressing and Metallurgy Control System Device

By employing on-site control consoles and constructing new glass partitions, intelligent displays, and accessible electrical cabinets, we aim to establish an inclusive and collaborative experimental environment conducive to personnel maintenance, communication, and showcasing. The completion of the DCS control system’s construction and debugging represents a pivotal final step, encompassing the assembly of electrical equipment cabinets, the arrangement of data communication lines, the interconnection of IO signals through various communication protocols, and the system’s regular operation and debugging. Notably, the interface communication link between the DCS control system and the controlled electrical equipment is susceptible to offline faults. In the laboratory’s initial stage, we have constructed five sets of distinct and cutting-edge DCS control systems, each equipped with comprehensive control system software and hardware architecture, as well as the necessary instruments and equipment for establishing connections. This setup facilitates a faithful simulation of actual operations within industrial automatic process control systems, allowing for continuous updates and expansions of the latest DCS system software and hardware from other widely-used brands as required. Moving forward, based on scientific research demands and engineering project requisites, project data can be remotely accessed via the industrial cloud platform to observe and diagnose on-site conditions of various projects, conduct engineering debugging, and store backups of project data. Thus, an experimental platform is established to encompass the complete process of the industrial control internet system for metal mining, selection, and metallurgy.

3.2. Technological Research and Development and Experimental Requirements of Metal Mining and Beneficiation Laboratories

In the initial phase, drawing from the fundamental practical courses on industrial control training offered by the manufacturer of the self-control brand, the design task of the DCS process control system primarily encompasses system configuration, control configuration, and monitoring screen configuration. Thus, the project’s task system is divided into three segments: system integration, control system design, and monitoring screen configuration. Ultimately, comprehensive debugging is concluded, and the system is ready for production operations. Following the holistic design process of industrial process control systems, engineering design is accomplished based on three essential components: system integration, control configuration, and interface design. By adopting prevailing control network architecture, concluding communication configuration settings, optimizing platform performance, and utilizing software for process control system design and debugging, as well as creating monitoring screens, remote monitoring and information management objectives can be achieved. Presently, industrial control engineering projects continue to conduct essential research and development tests to address challenges encountered in the production control of critical and formidable non-ferrous metals. Moving forward, industrial enterprises in the realm of resources and environment, alongside other industries and relevant university research institutions, will engage in collaborative innovation research to tackle significant issues and resolve complex challenges pertaining to intelligent engineering control. Additionally, it is imperative to enhance the involvement of resources, particularly non-ferrous metal enterprises and the automation industry, in the development and implementation of transdisciplinary projects. Furthermore, the future holds potential for providing vital scientific research projects for the graduate training engineering practice base established through collaborative efforts between educational institutions and enterprises. An active pursuit of innovative approaches to training diverse professionals in the realm of non-ferrous metal automation is necessary, along with a proactive commitment to intelligent scientific and technological advancements aimed at resolving production issues. This endeavor aims to achieve safety, efficiency, personnel reduction, unmanned operations, while effectively enhancing the production and management capabilities and profitability of enterprises operating within the resources and environment sector.
Currently, as one of the fundamental industries in our nation, the steel industry is confronted with the imperative of decreasing production capacity while simultaneously contending with the dual pressures of consistently enhancing environmental requirements and achieving “carbon peak carbon neutrality.” Energy consumption within the steel industry typically constitutes more than 10% of the nation’s total energy consumption. Thus, there is an urgent necessity to reform outdated production methods and processes of the past, embracing green and intelligent production practices, and reducing energy consumption and pollution emissions in all aspects. The gas generated by the steel industry, comprising primarily of converter, blast furnace, and coke oven gases, serves as a valuable byproduct. Its primary components consist of combustible gases with high energy utilization value, such as carbon monoxide, methane, and hydrogen. Utilizing this gas for power generation can alleviate and diminish the energy consumption demands and greenhouse gas emissions in steel production, resulting in substantial enhancements in the green and economic efficiency of steel industry production. Moreover, these efforts contribute significantly to China’s economic transformation and the future development of the world. Notably, large-scale steel mills exhibit the distinct characteristic of continuous production on a massive scale, leading to consistent industrial gas production and significantly higher resource utilization value and efficiency. The production process requires a substantial amount of energy consumption. Consequently, the thermoelectric energy system, comprised of industrial gas, steam, and electricity, represents a vital green optimization measure for supporting steel industry production. To effectively utilize the considerable amount of industrial gas, it becomes imperative to align the design and use of ultra-large-scale supercritical steam turbines for combustion and power generation. This strategy aims to absorb the generated steel industrial gas, while simultaneously supplying waste heat steam to fulfill the thermal energy demands of the steel plant. Prior to burning and utilization, the gas generated by the steel industry needs to undergo purification and pre-treatment to prevent significant reductions in utilization efficiency. Additionally, the emission of combustion byproducts must undergo atmospheric pollution treatments, such as desulfurization and denitrification, to achieve low and zero pollution emissions. This approach ensures the truly environmentally friendly and green utilization of steel industry gas. Energy management and consumption scheduling within large-scale steel industries present significant optimization potential. Numerous research findings have emerged, providing valuable insights into optimizing energy scheduling and management practices within the steel industry. For instance, traditional mathematical statistics and planning theory can significantly delve into operational rules to optimize management practices. Furthermore, emerging algorithms such as neural networks and deep learning can efficiently and rapidly discern the intrinsic energy laws within the steel industry. Based on supervised, semi-supervised, or unsupervised learning methods, energy supply, generation, consumption, and storage processes can be optimized, controlled, and managed to maximize utilization efficiency through energy conservation and consumption reduction. Conversely, small-scale steel industries have limited output, resulting in small and intermittent gas volumes. Hence, large gas turbines are unsuitable for power generation due to their prolonged startup time, high costs, and low efficiency.
The optimal strategy entails employing internal combustion gas generators of the combustion type for the utilization of small-scale steel industry gas. These generators offer a responsive start-stop capability, exceptional power generation efficiency, and cost-effectiveness. Several enterprises of Shanxi Coking Company have already implemented dozens of internal combustion engines to generate power for their own use, thus minimizing production costs. Simultaneously, a pressurization device is employed to elevate the pressure of industrial gas, enabling the internal combustion gas generator to efficiently burn low concentration gas for power generation. This significantly broadens the application range of the steel industry gas power generation system. The versatile utilization of internal combustion gas generators will also play a pivotal role in energy management within the steel industry, further conserving energy and reducing consumption. The energy system of the steel industry generates substantial carbon dioxide emissions, leading to the greenhouse effect. Moreover, the gases present in the steel industry consist of nitrogen and sulfur oxidation gases, which can cause detrimental effects, such as acid rain, upon combustion and power generation. Therefore, it is imperative to conduct tail gas treatment to facilitate desulfurization and denitrification, thereby minimizing atmospheric pollutant emissions. This measure aligns with the objective of achieving cleaner production through energy conservation and emission reduction. Progress has been made in the technology of carbon capture and utilization of gases. With the introduction of biotechnology in this field, significant advancements have been made. The utilization of anaerobic bacteria to produce valuable products such as acetic acid and ethanol using CO2 has greatly propelled industrial progress. However, achieving environmentally-friendly and pollution-free production through a closed-loop management system necessitates further in-depth research. Furthermore, advancements have been made in the industrial production of Sodium metabisulfite derived from sulfur oxide gas, specifically sulfur dioxide. This resourceful utilization reduces the presence of SO4 ions, crucial contributors to acid rain formation, thus lowering the likelihood of acid rain occurrences. Consequently, these measures for gas pollution treatment have also broadened the possibilities for automation and intelligence, effectively adapting to automated production processes. For instance, under intense acidic conditions, the high failure rate of automatic equipment control valves and sensors can impede normal automatic control, substantially diminishing the gas treatment process’s effectiveness and resulting in the need for manual and labor-intensive efforts. The goal of optimizing industrial production through intelligent control becomes unattainable, leading to lost investments. Therefore, it is imperative to vigorously promote research and application, ultimately achieving automatic and intelligent production of tail gas treatment in the steel industry. Implementing stable and reliable gas pollution control holds immense significance. Furthermore, the filling system utilized in underground metal mining (as depicted in Figure 3) comprises an array of process pipeline equipment and interconnected complex network systems, necessitating the optimization design of intelligent algorithms to enhance production management efficiency and overall cost-effectiveness throughout the entire process of metal mining, dressing, and metallurgy.
The current artificial intelligence deep learning algorithms have been able to perform reliable and interpretable optimization control function blocks, especially intelligent control tools such as multivariable model deep learning predictive control [34,35,36,37,38], fuzzy neural network adaptive control, deep learning optimization soft sensor models, etc. Through these algorithm functional models, the production process control effect can be optimized without significantly increasing investment expenses for other software and hardware costs, promoting the goal of reducing the impact on the production process [39,40], especially the current deep learning optimization soft sensor models, based on deep learning and mathematical optimization algorithms, new prediction architectures, data collection methods, fusion model prediction, feedback correction, deep learning, process mathematical modeling, rolling optimization control, and digital twin real-time precise simulation technology. The online real-time collection, monitoring, control, and visualization of various measurement data, even unmeasurable data, that can accurately predict and simulate the production process is of great significance for optimizing the management of production control. In the internal production process data collection method of smelting furnace for iron and steel industry, high temperature and high-pressure dust is complex, and the time and space distribution difference of reaction process is large, which leads to great difficulty in direct measurement. Soft sensing technology plays an important role. Through the fusion, calculation, analysis and prediction of various original data, the production data in the smelting furnace can be obtained comprehensively and in real time, it is beneficial for the normal production of the smelting process to provide reliable guarantee, and also has a very good auxiliary effect on improving the quality of smelting products.

3.3. Construction of Laboratory Talent Team

Based on a fixed team of full-time automatic control technicians, we will flexibly arrange a team of self-control personnel for relevant scientific research and production engineering projects to supplement them, including rare metal process automation and other project teams. Accept collaborative development and research from other personnel during the project development phase, achieve efficient cultivation of automatic control technology design and development capabilities, build a high-level talent team in the field of teaching, scientific research, and automation, and focus on grasping and leading the development trend of the mining and smelting automation industry.

4. Laboratory Scheme Design and Budget Analysis

The construction scheme and budget of the laboratory are Strongly correlated material, so a comprehensive analysis of the detailed experimental scheme is carried out to provide a reference for the formulation of optimized budget scheme.

4.1. Laboratory Configuration Plan

In general, metal mining and smelting facilities predominantly utilize prominent brands of DCS system and electrical cabinets for laboratory configuration. The specific configuration list will be established through negotiations and competitive bidding with suppliers. The approximate configuration plan is outlined in Table 1, where a selection of internationally renowned brands such as Siemens PCS7 will be employed, along with Rockwell PlantPaX, Emerson Delta V, and Driver SYS for the transmission system. These systems require support for interfaces such as EtherNET, ProfibusDP, and ProfiNet to facilitate instrument data communication and collection in non-ferrous metal mining and smelting establishments. Multiple sets of diverse process control instruments, including pH meters, level meters, and flow control valves, will be provided, along with comprehensive software for configuring the DCS system. Additionally, four high-performance industrial computers and workstation tables and chairs will be equipped to simulate a centralized monitoring and control center, mirroring the operations of an actual nonferrous metal mining and smelting facility. Moreover, if necessary, a laboratory can be established with a fully functional simulation platform for virtual display (VR) and augmented reality (AR). To meet the specific production requirements of the non-ferrous metal industry, it is often necessary to incorporate anti-corrosion and temperature-resistant coatings to safeguard the control system from acidic and high-temperature substances. This precautionary measure helps prevent detrimental accidents, such as production downtime. The laboratory may consider implementing appropriate coatings based on budget considerations.

4.2. Budget Analysis

According to the classification of DCS brands, including Siemens systems, Rockwell systems, Emerson systems, ABB systems, Supcon systems, etc., as well as transmission systems and software construction, the cost is around 75,445.7 USD. Among them, instruments and other systems cost around 6858.7 USD, and office arrangements such as laboratory smart screens, computer consoles, desks, and chairs cost around 6858.7 USD, totaling around 89,163.1 USD.

5. Application and Effect of Typical Laboratory Design

5.1. Laboratory Layout Design

The laboratory generally requires a space of 50 m2 to 70 m2, and the equipment layout of the experimental room is shown in Figure 4, which can be adjusted according to specific circumstances. According to the floor area and height of the equipment, the layout fully considers the beauty of the layout, and also reserves operation space for various experimental debugging, taking into account the functional requirement of teaching display.

5.2. Typical Application Scenarios of Mining, Dressing and Metallurgy in the Laboratory

At present, equipment is purchased according to the specific implementation configuration, further following the characteristics and difficulties of the mineral processing and metallurgical process control industry. In order to design and implement the corresponding control links of metal mine backfill control system as Figure 5, a large number of fiber optic communication network facilities are used.
In depicting the typical scene of the mining and metallurgical process, as illustrated in Figure 6, the various local sections encompassing the mining, beneficiation, and metallurgy production workshops are interconnected with the workshop control station and central control room via the network bus of the control system. Within the central control facility, real-time data communication is conducted through diverse and intricate network communication modes. This enables the collection of real-time production status information from all process connections in the mining, dressing, and smelting workshops, facilitating the issuance of real-time control commands for optimizing production control. Consequently, it accomplishes real-time monitoring and control of the entire process link. However, due to the complexities involved in the control communication network of this workshop process, continuous adjustment of the plan during the design phase proves essential to accurately determine the network communication during the implementation phase. Furthermore, during the final stage of installation and debugging, the intricate communication control network poses significant challenges for on-site engineers, making it difficult to resolve network communication failures and other issues without extensive on-site experience. Troubleshooting problems related to network communication configuration, program writing, and operation necessitates skillful problem-solving abilities. To connect the on-site intelligent equipment with the DCS control system, widely utilized DP and Modbus communication protocols in the industrial setting are employed to modify the communication data interface of the complete process electrical equipment. Prior to the debugging process, active communication with relevant manufacturers is advised to obtain the necessary communication documents. Communication parameters at the equipment end, such as communication address, Baud rate, data transmission format, and verification, are set accordingly. Measures are taken to check for line interference and suitable actions are implemented to ensure successful communication.
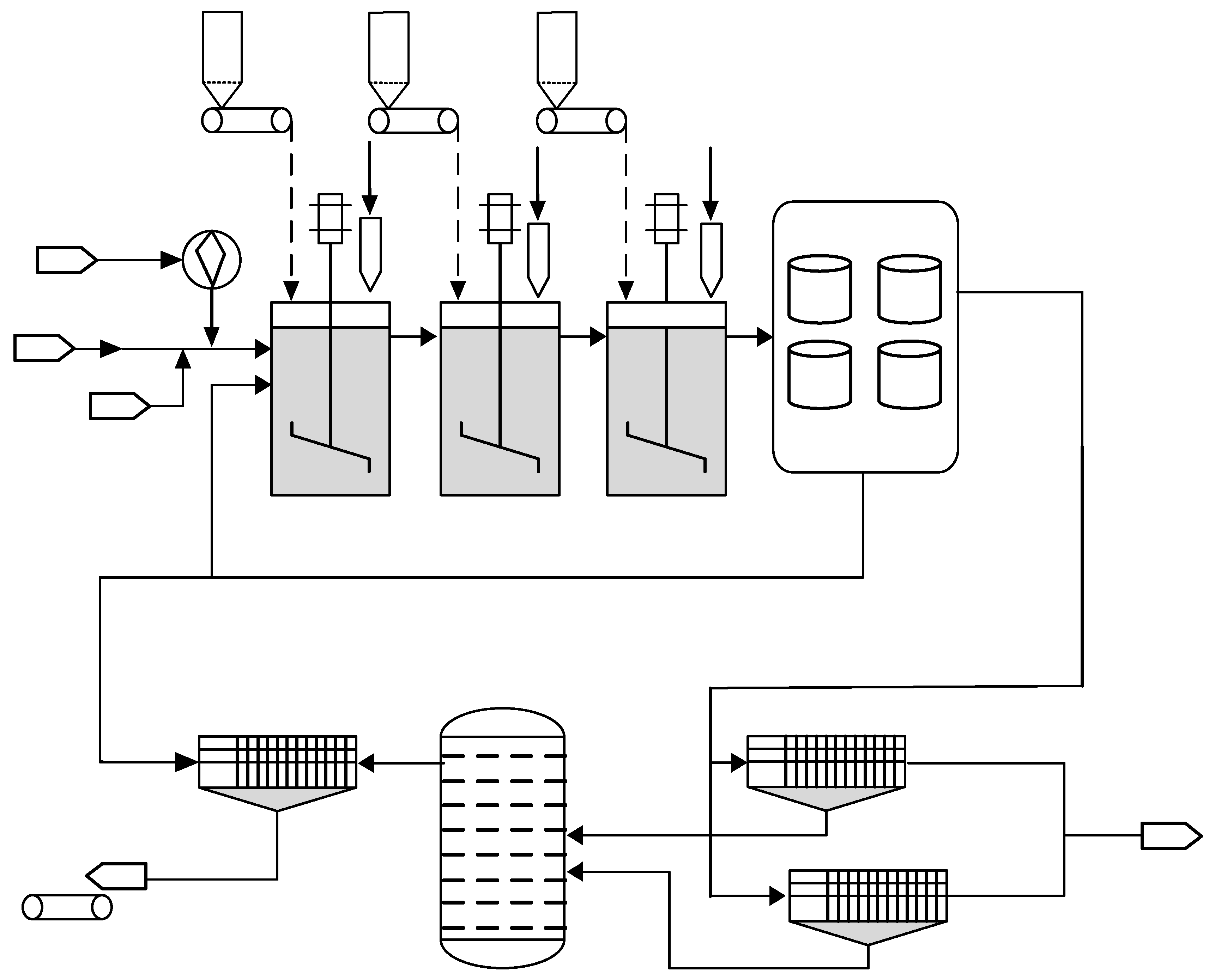
In the intricate flotation process of metal mines, as depicted in Figure 7, an intricate sequence of multiple process flows and stages unfolds in exquisite harmony [41,42,43]. Employing concentrate pretreatment and pre-neutralization, coupled with displacement neutralization, sedimentation flotation, and comprehensive impurity removal, purification is accomplished. Through flotation, direct leaching slag separates into concentrate and slag, with the latter being meltable, filterable, and capable of granulation for the production of alternative industrial mineral products, thereby achieving refined slag treatment. Ensuring precise control over the addition of diverse feed materials and flotation reagents is pivotal for the effective implementation of this process. Attaining optimal dosages of collectors and inhibitors, meticulous regulation of the speed of the electric equipment in the stirring tank, seamless coordination of flotation process requirements, as well as the meticulous control of the timing and flow rate at the inlet and outlet of multi-level reactions, becomes imperative to successfully execute the flotation reaction involving various intricate metals. Such meticulous execution enables efficient extraction and purification of target metals from metal minerals, thereby resulting in reagent conservation, reduced energy consumption, enhanced concentrate yield, and diminished metal content in tailings.
Hydrometallurgical technology serves as a prominent means for the extraction of most non-ferrous metals, particularly suitable for their recovery from low-grade sources. This method boasts high efficiency coupled with low smelting costs. Many hydrometallurgical processes necessitate meticulous control over high-pressure and high-temperature conditions to achieve selective extraction and leaching of target metals, thereby facilitating the recovery of valuable metals. Moreover, in line with the requirements of the current low-carbon economy, reducing material and energy consumption assumes paramount importance. Lowering smelting production costs supports the promotion of environmentally friendly practices in large-scale metal smelting. Within a metal hydrometallurgical reactor, intricate multi-stage controls, such as steam pressure regulation and metal slurry flow rate adjustment, become essential to ensure that the smelting reaction’s process parameters align with the requirements of selective leaching. However, the inherent complexity of the hydrometallurgical process introduces challenges, including multivariable nonlinearity. Consequently, guaranteeing effective production process control for the metal hydrometallurgical reactor holds immense significance. The LD (Ladder Diagram) program for the PID self-tuning control algorithm is represented in Figure 8.
Using the first-order time-delay system transfer function to represent the controlled object model of the reactor, as shown in:
G ( s ) = A 2 e L G T I M E s A 1 ( 1 + s )
Among them, A1 and A2 are intrinsic coefficients, and LGTIME is the delay coefficient. As shown in Figure 9, the Self-tuning control algorithm can get good control simulation results but for the strict production quality of non-ferrous products, more accurate, efficient and stable advanced control algorithm is necessary. In the future, the laboratory will be used to complete the simulation of advanced control algorithm and actual system commissioning experiments, to meet the control needs of non-ferrous mining and metallurgy process as much as possible.

6. Conclusions

This paper has ushered in a new phase of exploration within the realm of intelligent automation for metal mining, beneficiation, and metallurgy. The control laboratory has undertaken an insightful study, delving into the intricacies of cutting-edge network control system software and hardware. Through this exploration, a pivotal insight has emerged: the necessity for the laboratory to embrace the diverse landscape of network control system architectures and hardware configurations from various eminent brands. This strategic shift not only lays a robust foundation for procurement and utilization within the laboratory but also heralds an era of cross-brand synergy that fosters innovative convergence.
In the future, the laboratory’s trajectory is one of strategic collaboration and transformative innovation. As the automation landscape continues to evolve, the laboratory is poised to engage in profound industry-university research endeavors, collaboratively steering automation engineering experimentation with the nonferrous metal industry and allied sectors. This collaborative endeavor extends its sphere to tackle monumental challenges inherent to megaprojects, effectively shaping the future of the sector. An exciting facet is the proactive involvement of personnel from non-ferrous metal enterprises and the automation industry in interdisciplinary experimental teaching, curriculum design, and talent cultivation plans. This multifaceted approach ensures a continuous cycle of innovation, skill development, and industry-adaptive expertise.
Undoubtedly, the laboratory’s role as a research and engineering technology testing platform is pivotal. By conducting meticulous laboratory assessments of novel equipment, network architectures, instruments, and control system software, the laboratory elevates the standard of stability and reliability before automation engineering projects are set into motion. Furthermore, its role as a dynamic demo and display platform for the latest DCS control equipment amplifies its function as a bridge, fostering communication and cooperation across diverse industries.

Author Contributions

Conceptualization, S.W. and G.T.; Methodology, S.W, J.L. and S.H.; Formal analysis, W.Y. and Y.L.; Writing—review and editing, S.W., J.L. and Z.C.; Supervision, G.Z. All authors have read and agreed to the published version of the manuscript.

Funding

This research received no external funding.

Data Availability Statement

The data presented in this study is available on request from the corresponding author.

Conflicts of Interest

The authors declare no conflict of interest.

References

  1. Chai, B.; Gao, J.; Pan, L.; Chen, Y. Research on the Impact Factors of Green Economy of China—From the Perspective of System and Foreign Direct Investment. Sustainability 2021, 13, 8741. [Google Scholar] [CrossRef]
  2. Zhang, Z.; Zhou, C.; Chen, W.; Long, F.; Chen, Z.; Chi, R. Effects of Ammonium Salts on Rare Earth Leaching Process of Weathered Crust Elution-Deposited Rare Earth Ores. Metals 2023, 13, 1112. [Google Scholar] [CrossRef]
  3. Santos, G.; Sá, J.C.; Félix, M.J.; Barreto, L.; Carvalho, F.; Doiro, M.; Zgodavová, K.; Stefanović, M. New Needed Quality Management Skills for Quality Managers 4.0. Sustainability 2021, 13, 6149. [Google Scholar] [CrossRef]
  4. Tang, P.; Li, L.; Xue, Y.; Lv, M.; Jia, Z.; Ma, H. Real-World Underwater Image Enhancement Based on Attention U-Net. J. Mar. Sci. Eng. 2023, 11, 662. [Google Scholar] [CrossRef]
  5. Yi, K.; Wang, Y.; Xu, D.; Ling, Y. Design on E+H Combined Process Measurement and Control Device and Real-time Monitoring System. Control. Eng. China 2022, 29, 121–128. [Google Scholar]
  6. Duan, H.; Dang, Z.; Wei, G. Damage Distribution Map Based Damage Accumulation Calculation Approach for Welded Joints. Metals 2023, 13, 1203. [Google Scholar] [CrossRef]
  7. Niu, F.; Bu, Z.; Zhang, J.; He, S.; Chang, Z. Zn Extraction from Zinc-Containing Sludge Using Ultrasonic Treatment Leaching with ChCl-MA DES. Metals 2023, 13, 1192. [Google Scholar] [CrossRef]
  8. Wang, S.Y.; Ning, W.; Qi, M.; Ma, C.Z.; Xiong, W.; Gong, W.Y. Development and Application of Automatic Control System for Waste Discarding and Separation of Raw Ore Based on Portal. Min. Res. Dev. 2020, 40, 165–167. [Google Scholar]
  9. Cruz, D.J.; Amaral, R.L.; Santos, A.D.; Tavares, J.M.R.S. Application of Digital Image Processing Techniques to Detect Through-Thickness Crack in Hole Expansion Test. Metals 2023, 13, 1197. [Google Scholar] [CrossRef]
  10. Zhou, N.; Nian, C.; Zhao, J.; Li, W.; Wang, H. Error Compensation for Optical Encoder Based on Variational Mode Decomposition with a Coarse-to-Fine Selection Scheme. IEEE Trans. Instrum. Meas. 2023, 72, 102–107. [Google Scholar]
  11. Stavropoulos, P.; Papacharalampopoulos, A.; Michail, C.K.; Chryssolouris, G. Robust Additive Manufacturing Performance through a Control Oriented Digital Twin. Metals 2021, 11, 708. [Google Scholar] [CrossRef]
  12. Saban, M.; Bekkour, M.; Amdaouch, I.; El Gueri, J.; Ait Ahmed, B.; Chaari, M.Z.; Ruiz-Alzola, J.; Rosado-Muñoz, A.; Aghzout, O. A Smart Agricultural System Based on PLC and a Cloud Computing Web Application Using LoRa and LoRaWan. Sensors 2023, 23, 2725. [Google Scholar] [CrossRef]
  13. Ramirez, R.; Chang, C.-K.; Liang, S.-H. PLC Cybersecurity Test Platform Establishment and Cyberattack Practice. Electronics 2023, 12, 1195. [Google Scholar] [CrossRef]
  14. Yu, Y.; Zeng, R.; Xue, Y.; Zhao, X. Optimization Strategy of Rolling Mill Hydraulic Roll Gap Control System Based on Improved Particle Swarm PID Algorithm. Biomimetics 2023, 8, 143. [Google Scholar] [CrossRef]
  15. Mäkiaho, T.; Vainio, H.; Koskinen, K.T. Wear Parameter Diagnostics of Industrial Milling Machine with Support Vector Regression. Machines 2023, 11, 395. [Google Scholar] [CrossRef]
  16. Butt, J.; Mohaghegh, V. Combining Digital Twin and Machine Learning for the Fused Filament Fabrication Process. Metals 2023, 13, 24. [Google Scholar] [CrossRef]
  17. Ma, C.; Dang, H.; Du, J.; He, P.; Jiang, M.; Wei, Z. Research on Automated Defect Classification Based on Visual Sensing and Convolutional Neural Network-Support Vector Machine for GTA-Assisted Droplet Deposition Manufacturing Process. Metals 2021, 11, 639. [Google Scholar] [CrossRef]
  18. Dosoftei, C.-C. Simulation Power vs. Immersive Capabilities: Enhanced Understanding and Interaction with Digital Twin of a Mechatronic System. Appl. Sci. 2023, 13, 6463. [Google Scholar] [CrossRef]
  19. Li, Z.; Wei, Q.; Ma, R.; Geng, Y.; Yang, Y.; Lv, Z. DpGuard: A Lightweight Attack Detection Method for an Industrial Bus Network. Electronics 2023, 12, 1121. [Google Scholar] [CrossRef]
  20. Kučera, E.; Haffner, O.; Drahoš, P.; Cigánek, J. Educational Case Studies for Pilot Engineer 4.0 Programme: Monitoring and Control of Discrete-Event Systems Using OPC UA and Cloud Applications. Appl. Sci. 2022, 12, 8802. [Google Scholar] [CrossRef]
  21. Garcia, E.; Montés, N.; Llopis, J.; Lacasa, A. Miniterm, a Novel Virtual Sensor for Predictive Maintenance for the Industry 4.0 Era. Sensors 2022, 22, 6222. [Google Scholar] [CrossRef]
  22. McCarthy, D.; McMorrow, D.; O’Dowd, N.P.; McCarthy, C.T.; Hinchy, E.P. A Model-Based Approach to Automated Validation and Generation of PLC Code for Manufacturing Equipment in Regulated Environments. Appl. Sci. 2022, 12, 7506. [Google Scholar] [CrossRef]
  23. Garcia, A.; Oregui, X.; Arrieta, U.; Valverde, I. Methodology and Tools to Integrate Industry 4.0 CPS into Process Design and Management: ISA-88 Use Case. Information 2022, 13, 226. [Google Scholar] [CrossRef]
  24. Wei, Y.; Law, A.W.-K.; Yang, C.; Tang, D. Combined Anomaly Detection Framework for Digital Twins of Water Treatment Facilities. Water 2022, 14, 1001. [Google Scholar] [CrossRef]
  25. Anguiano-Gijón, C.A.; Cid-Gaona, A.; Chávez-Delgado, J.M.; Vázquez, C.R. On the Design of Regulation Controllers for Automation Systems with RCPetri. Appl. Sci. 2022, 12, 3294. [Google Scholar] [CrossRef]
  26. Niu, K.; Bai, S.; Zhou, L.; Zhao, B.; Liu, L.; Yuan, Y.; Yang, D.; Xiong, S.; Zhang, W. Design and Experimental Research of Variable Formula Fertilization Control System Based on Prescription Diagram. Appl. Sci. 2022, 12, 325. [Google Scholar] [CrossRef]
  27. Xia, K.; Saidy, C.; Kirkpatrick, M.; Anumbe, N.; Sheth, A.; Harik, R. Towards Semantic Integration of Machine Vision Systems to Aid Manufacturing Event Understanding. Sensors 2021, 21, 4276. [Google Scholar] [CrossRef] [PubMed]
  28. Zhang, X.; Duan, N.; Jiang, L.; Xu, F.; Yu, Z.; Cheng, W.; Lv, W.; Qiu, Y. Application of PLC-Based Spectrophotometric System Nitrogen Protection Device to Automated Direct Measurement of Target Substances in Zinc Hydrometallurgy. Processes 2023, 11, 672. [Google Scholar] [CrossRef]
  29. Tahiri, I.; Philippot, A.; Carré-Ménétrier, V.; Tajer, A. A Fault-Tolerant and a Reconfigurable Control Framework: Application to a Real Manufacturing System. Processes 2022, 10, 1266. [Google Scholar] [CrossRef]
  30. Minchala, L.I.; Peralta, J.; Mata-Quevedo, P.; Rojas, J. An Approach to Industrial Automation Based on Low-Cost Embedded Platforms and Open Software. Appl. Sci. 2020, 10, 4696. [Google Scholar] [CrossRef]
  31. Ren, Y.; Huang, C.; Jiang, Y.; Wu, Z. Neural Network Prediction Model for Sinter Mixture Water Content Based on KPCA-GA Optimization. Metals 2022, 12, 1287. [Google Scholar] [CrossRef]
  32. Yang, K.; Zhang, L.; Zhang, Z.; Yu, H.; Wang, W.; Ouyang, M.; Zhang, C.; Sun, Q.; Yan, X.; Yang, S.; et al. Battery State of Health Estimate Strategies: From Data Analysis to End-Cloud Collaborative Framework. Batteries 2023, 9, 351. [Google Scholar] [CrossRef]
  33. González, I.; Calderón, A.J.; Mejías, A.; Andújar, J.M. Novel Networked Remote Laboratory Architecture for Open Connectivity Based on PLC-OPC-LabVIEW-EJS Integration. Application in Remote Fuzzy Control and Sensors Data Acquisition. Sensors 2016, 16, 1822. [Google Scholar] [CrossRef]
  34. Dhanabalan, G.; Tamil Selvi, S.; Mahdal, M. Scan Time Reduction of PLCs by Dedicated Parallel-Execution Multiple PID Controllers Using an FPGA. Sensors 2022, 22, 4584. [Google Scholar] [CrossRef]
  35. Nie, M.; Shi, W.; Fan, W.; Xiang, H. Automatic Extrinsic Calibration of Dual LiDARs with Adaptive Surface Normal Estimation. IEEE Trans. Instrum. Meas. 2023, 72, 1000711. [Google Scholar] [CrossRef]
  36. Koumboulis, F.N.; Fragkoulis, D.G.; Kalkanas, I.; Fragulis, G.F. Supervisor Design for a Pressurized Reactor Unit in the Presence of Sensor and Actuator Faults. Electronics 2022, 11, 2534. [Google Scholar] [CrossRef]
  37. Wu, F.; Huang, K.; Li, H.; Huang, C. Analysis and Research on the Automatic Control Systems of Oil–Water Baffles in Horizontal Three-Phase Separators. Processes 2022, 10, 1102. [Google Scholar] [CrossRef]
  38. González, I.; Calderón, A.J.; Barragán, A.J.; Andújar, J.M. Integration of Sensors, Controllers and Instruments Using a Novel OPC Architecture. Sensors 2017, 17, 1512. [Google Scholar] [CrossRef]
  39. Yan, J.; Qiu, C.; Wang, Y.; Wu, N.; Qu, W.; Zhuang, Y.; Yan, G.; Wang, P.; Zhang, R.; Yan, Y.; et al. Design of Control System for Multistage Distillation Seawater Desalination Device Driven by Photovoltaic-Thermal. J. Mar. Sci. Eng. 2023, 11, 222. [Google Scholar] [CrossRef]
  40. Kwapisz, B.; Doligalski, M.; Ochowiak, M.; Mrugalski, M.; Włodarczak, S.; Krupińska, A.; Matuszak, M.; Woziwodzki, S. Monitoring of Measuring Devices Using a Programmable Logic Controller and a Dedicated Desktop Application. Sensors 2022, 22, 9313. [Google Scholar] [CrossRef]
  41. Sun, B.; Zhang, B.; Yang, C.H.; Gui, W.H. Discussion on Modeling and Optimal Control of Nonferrous Metallurgical Purification Process. Acta Autom. Sin. 2017, 43, 880–892. [Google Scholar] [CrossRef]
  42. Murhula, E.; Hashan, M.; Otsuki, A. Effect of Solid Concentration and Particle Size on the Flotation Kinetics and Entrainment of Quartz and Hematite. Metals 2023, 13, 53. [Google Scholar] [CrossRef]
  43. Štirbanović, Z.; Urošević, D.; Đorđević, M.; Sokolović, J.; Aksić, N.; Živadinović, N.; Milutinović, S. Application of Thionocarbamates in Copper Slag Flotation. Metals 2022, 12, 832. [Google Scholar] [CrossRef]
Figure 1. Underground deep metal mining network.
Figure 1. Underground deep metal mining network.
Processes 11 02665 g001
Figure 2. DCS framework section.
Figure 2. DCS framework section.
Processes 11 02665 g002
Figure 3. Schematic diagram of filling pipeline network control system.
Figure 3. Schematic diagram of filling pipeline network control system.
Processes 11 02665 g003
Figure 4. Laboratory optimization layout.
Figure 4. Laboratory optimization layout.
Processes 11 02665 g004
Figure 5. network detection system of paste filling in metal mines.
Figure 5. network detection system of paste filling in metal mines.
Processes 11 02665 g005
Figure 6. The workshop control station and central control room via the network bus of the control system.
Figure 6. The workshop control station and central control room via the network bus of the control system.
Processes 11 02665 g006
Figure 7. Complex Flotation Process of Metal Mines.
Figure 7. Complex Flotation Process of Metal Mines.
Processes 11 02665 g007
Figure 8. Reactor control.
Figure 8. Reactor control.
Processes 11 02665 g008
Figure 9. PID control LD program diagram of reactor.
Figure 9. PID control LD program diagram of reactor.
Processes 11 02665 g009
Table 1. DCS system configuration of mainstream brands.
Table 1. DCS system configuration of mainstream brands.
BrandSystem SchemeControllerIO Module
Siemens
(in Germany Berlin&Munich)
PCS7S7-410ET200M
Rockwell
(in U.S Pittsburgh)
AB PlantPaX1756-L711794-AENTR
Emerson
(in U.S St. Louis)
Delta VMQ ControllerAnalog/Discrete Card
ABB
(in Swiss Zurich)
800xAAC 800M810
Supcon
(in China Hangzhou)
FCU712-S01ECS-700711-S11
Disclaimer/Publisher’s Note: The statements, opinions and data contained in all publications are solely those of the individual author(s) and contributor(s) and not of MDPI and/or the editor(s). MDPI and/or the editor(s) disclaim responsibility for any injury to people or property resulting from any ideas, methods, instructions or products referred to in the content.

Share and Cite

MDPI and ACS Style

Wang, S.; Lei, J.; Hu, S.; Tang, G.; Chen, Z.; Yang, W.; Liu, Y.; Zhang, G. Design and Research of a Field Bus Control System Laboratory for Metal Mining, Beneficiation and Metallurgy. Processes 2023, 11, 2665. https://doi.org/10.3390/pr11092665

AMA Style

Wang S, Lei J, Hu S, Tang G, Chen Z, Yang W, Liu Y, Zhang G. Design and Research of a Field Bus Control System Laboratory for Metal Mining, Beneficiation and Metallurgy. Processes. 2023; 11(9):2665. https://doi.org/10.3390/pr11092665

Chicago/Turabian Style

Wang, Siyuan, Jiugang Lei, Shan Hu, Guxiu Tang, Zhen Chen, Weiwei Yang, Yufeng Liu, and Guofan Zhang. 2023. "Design and Research of a Field Bus Control System Laboratory for Metal Mining, Beneficiation and Metallurgy" Processes 11, no. 9: 2665. https://doi.org/10.3390/pr11092665

APA Style

Wang, S., Lei, J., Hu, S., Tang, G., Chen, Z., Yang, W., Liu, Y., & Zhang, G. (2023). Design and Research of a Field Bus Control System Laboratory for Metal Mining, Beneficiation and Metallurgy. Processes, 11(9), 2665. https://doi.org/10.3390/pr11092665

Note that from the first issue of 2016, this journal uses article numbers instead of page numbers. See further details here.

Article Metrics

Back to TopTop