Wet Oxidation of Pharmaceutical Sludge for the Treatment and Production of Value-Added Materials
Abstract
:1. Introduction
2. Material and Methods
2.1. Materials
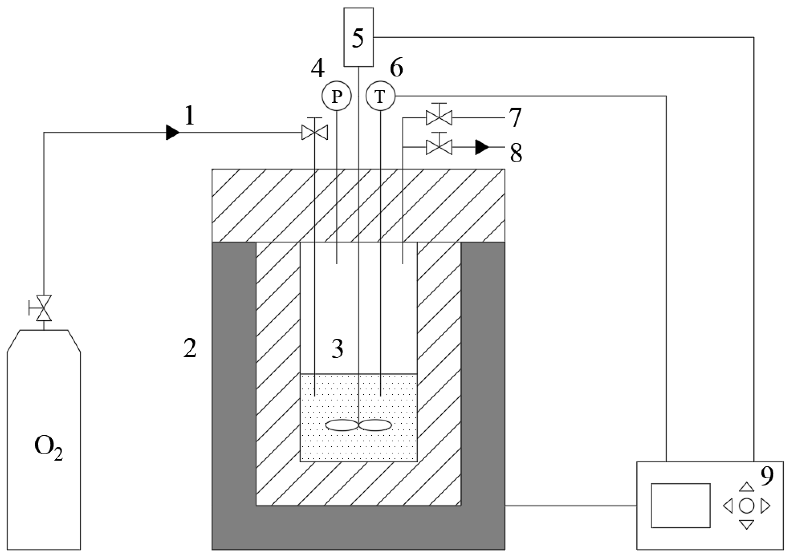
2.2. Wet Oxidation Reaction Reactor
2.3. Analysis
3. Results and Discussion
3.1. Removal of Total Suspended Solids and Volatile Suspended Solids
3.2. Removal of Total Chemical Oxygen Demand and Soluble Chemical Oxygen Demand
3.3. Production of Volatile Fatty Acids
3.4. Effect of pH on the Production of Volatile Fatty Acids
3.5. Characteristics of Sludge before and after Wet Oxidation
3.6. Discussion on the Wet Oxidation Technology
4. Conclusions and Prospects
Author Contributions
Funding
Data Availability Statement
Conflicts of Interest
Abbreviations
| COD | chemical oxygen demand |
| EDS | energy dispersive spectroscopy |
| SCOD | soluble chemical oxygen demand |
| SEM | scanning electron microscopy |
| TCOD | total chemical oxygen demand |
| TSS | total suspended solids |
| VFAs | volatile fatty acids |
| VSS | volatile suspended solids |
| WO | wet oxidation |
References
- Li, C.X.; Xie, S.Y.; You, F.T.; Zhu, X.Y.; Li, J.; Xu, X.H.; Yu, G.W.; Wang, Y.; Angelidaki, I. Heavy metal stabilization and improved biochar generation via pyrolysis of hydrothermally treated sewage sludge with antibiotic mycelial residue. Waste Manag. 2021, 119, 152–161. [Google Scholar] [CrossRef] [PubMed]
- Li, R.; Pan, J.; Yan, M.; Yang, J.; Wang, Y. Comparative Treatment Efficiency and Fatty Acid Synthesis of Chlorella vulgaris: Immobilization Versus Co-cultivation. Waste Biomass Valorization 2021, 12, 4399–4405. [Google Scholar] [CrossRef]
- Yu, G.T.; Chen, D.Z.; Arena, U.; Huang, Z.; Dai, X.H. Reforming sewage sludge pyrolysis volatile with Fe-embedded char: Minimization of liquid product yield. Waste Manag. 2018, 73, 464–475. [Google Scholar] [CrossRef] [PubMed]
- Lin, H.; Ma, X.Q. Simulation of co-incineration of sewage sludge with municipal solid waste in a grate furnace incinerator. Waste Manag. 2012, 32, 561–567. [Google Scholar] [CrossRef] [PubMed]
- Yu, H.; Nie, E.; Xu, J.; Yan, S.W.; Cooper, W.J.; Song, W.H. Degradation of Diclofenac by Advanced Oxidation and Reduction Processes: Kinetic Studies, Degradation Pathways and Toxicity Assessments. Water Res. 2013, 47, 1909–1918. [Google Scholar] [CrossRef] [PubMed]
- Bustillo-Lecompte, C.F.; Mehrvar, M.; Quinones-Bolanos, E. Cost-effectiveness analysis of TOC removal from slaughterhouse wastewater using combined anaerobic-aerobic and UV/H2O2 processes. J. Environ. Manag. 2014, 134, 145–152. [Google Scholar] [CrossRef]
- Prince-Pike, A.; Wilson, D.I.; Baroutian, S.; Andrews, J.; Gapes, D.J. A kinetic model of municipal sludge degradation during non-catalytic wet oxidation. Water Res. 2015, 87, 225–236. [Google Scholar] [CrossRef]
- Robert, R.; Barbati, S.; Ricq, N.; Ambrosio, M. Intermediates in wet oxidation of cellulose: Identification of hydroxyl radical and characterization of hydrogen peroxide. Water Res. 2002, 36, 4821–4829. [Google Scholar] [CrossRef]
- Slavik, E.; Galessi, R.; Rapisardi, A.; Salvetti, R.; Bonzagni, P.; Bertanza, G.; Menoni, L.; Orhon, D.; Sozen, S. Wet Oxidation as an Advanced and Sustainable Technology for Sludge Treatment and Management: Results from Research Activities and Industrial-Scale Experiences. Dry. Technol. 2015, 33, 1309–1317. [Google Scholar] [CrossRef]
- SundarRajan, P.; Gopinath, K.P.; Arun, J.; GracePavithra, K.; Joseph, A.A.; Manasa, S. Insights into valuing the aqueous phase derived from hydrothermal liquefaction. Renew. Sustain. Energy Rev. 2021, 144, 111019. [Google Scholar] [CrossRef]
- Gapes, D.J.; Stuthridge, T.R.; Strong, P.J.; Lei, R.J.; Aggrey, A. Treatment of Biomass. WO2013128390A1, 6 September 2013. [Google Scholar]
- Chung, J.; Lee, M.; Ahn, J.; Bae, W.; Lee, Y.W.; Shim, H. Effects of operational conditions on sludge degradation and organic acids formation in low-critical wet air oxidation. J. Hazard. Mater. 2009, 162, 10–16. [Google Scholar] [CrossRef]
- Baroutian, S.; Smit, A.M.; Andrews, J.; Young, B.; Gapes, D. Hydrothermal degradation of organic matter in municipal sludge using non-catalytic wet oxidation. Chem. Eng. J. 2015, 260, 846–854. [Google Scholar] [CrossRef]
- Wu, Y.C.; Hao, O.J.; Olmstead, D.G.; Hsieh, K.P.; Scholze, R.J. Wet air oxidation of anaerobically digested-sludge. J. Water Pollut. Control Fed. 1987, 59, 39–46. [Google Scholar]
- Li, H.; Chen, J.; Zhang, W.; Zhan, H.; He, C.; Yang, Z.; Peng, H.; Leng, L. Machine-learning-aided thermochemical treatment of biomass: A review. Biofuel Res. J. 2023, 10, 1786–1809. [Google Scholar] [CrossRef]
- Shahbeik, H.; Rafiee, S.; Shafizadeh, A.; Jeddi, D.; Jafary, T.; Lam, S.S.; Pan, J.; Tabatabaei, M.; Aghbashlo, M. Characterizing sludge pyrolysis by machine learning: Towards sustainable bioenergy production from wastes. Renew. Energy 2022, 199, 1078–1092. [Google Scholar] [CrossRef]
- Zhang, C.; Sun, W.; Wei, H.; Sun, C. Application of artificial intelligence for predicting reaction results in advanced oxidation processes. Environ. Technol. Innov. 2021, 23, 101550. [Google Scholar] [CrossRef]
- Lipps, W.C.; Baxter, T.E.; Braun-Howland, E.B.; Association, A.P.H.; Association, A.W.W. Standard Methods for the Examination of Water and Wastewater, 24th ed.; American Public Health Association: Washington, DC, USA, 2023. [Google Scholar]
- Strong, P.J.; McDonald, B.; Gapes, D.J. Combined thermochemical and fermentative destruction of municipal biosolids: A comparison between thermal hydrolysis and wet oxidative pre-treatment. Bioresour. Technol. 2011, 102, 5520–5527. [Google Scholar] [CrossRef]
- Shanableh, A. Production of useful organic matter from sludge using hydrothermal treatment. Water Res. 2000, 34, 945–951. [Google Scholar] [CrossRef]
- Shanableh, A.; Jomaa, S. Production and transformation of volatile fatty acids from sludge subjected to hydrothermal treatment. Water Sci. Technol. 2001, 44, 129–135. [Google Scholar] [CrossRef]
- Moreno, J.F.; Oulego, P.; Collado, S.; Diaz, M. Production of biolipids from volatile fatty acids of sewage sludge by Yarrowia lipolytica. Fuel 2023, 348, 128488. [Google Scholar] [CrossRef]
- Debellefontaine, H.; Foussard, J.N. Wet air oxidation for the treatment of industrial wastes. Chemical aspects, reactor design and industrial applications in Europe. Waste Manag. 2000, 20, 15–25. [Google Scholar] [CrossRef]
- Malhotra, M.; Garg, A. Performance of non-catalytic thermal hydrolysis and wet oxidation for sewage sludge degradation under moderate operating conditions. J. Environ. Manag. 2019, 238, 72–83. [Google Scholar] [CrossRef] [PubMed]
- Lin, S.H.; Ho, S.J.; Wu, C.L. Kinetic and performance characteristics of wet air oxidation of high-concentration wastewater. Ind. Eng. Chem. Res. 1996, 35, 307–314. [Google Scholar] [CrossRef]
- Mishra, V.S.; Mahajani, V.V.; Joshi, J.B. WET AIR OXIDATION. Ind. Eng. Chem. Res. 1995, 34, 2–48. [Google Scholar] [CrossRef]
- Urrea, J.L.; Collado, S.; Oulego, P.; Diaz, M. Wet oxidation of the structural sludge fractions. J. Clean. Prod. 2017, 168, 1163–1170. [Google Scholar] [CrossRef]
- Jin, F.M.; Zeng, X.; Jing, Z.Z.; Enomoto, H. A Potentially Useful Technology by Mimicking Nature-Rapid Conversion of Biomass and CO2 into Chemicals and Fuels under Hydrothermal Conditions. Ind. Eng. Chem. Res. 2012, 51, 9921–9937. [Google Scholar] [CrossRef]
- Sadowska, B.; Szczypa, P. Measurement and valuation of non-productive functions of forest in the accounting system—Selected features. Zesz. Teoretyczne Rachun. 2018, 2018, 99–114. [Google Scholar] [CrossRef]
- Sadowska, B. Accounting in municipal sector entities—Current status and prospect of changes. Zesz. Teoretyczne Rachun. 2019, 2019, 151–168. [Google Scholar] [CrossRef]
- Gheewala, S.H. Life cycle assessment for sustainability assessment of biofuels and bioproducts. Biofuel Res. J. 2023, 10, 1810–1815. [Google Scholar] [CrossRef]
- Aghbashlo, M.; Hosseinzadeh-Bandbafha, H.; Shahbeik, H.; Tabatabaei, M. The role of sustainability assessment tools in realizing bioenergy and bioproduct systems. Biofuel Res. J. 2022, 9, 1697–1706. [Google Scholar] [CrossRef]






| Initial pH | Production of Acid (mg/L) | ||||
|---|---|---|---|---|---|
| Acetic Acid | Propanoic Acid | Isobutyric Acid | Isovaleric Acid | Total VFAs | |
| 4.13 | 3584 | 131 | 38 | 26 | 3779 |
| 8.09 | 3606 | 131 | 43 | 23 | 3803 |
| 12.56 | 4607 | 152 | 38 | 22 | 4819 |
Disclaimer/Publisher’s Note: The statements, opinions and data contained in all publications are solely those of the individual author(s) and contributor(s) and not of MDPI and/or the editor(s). MDPI and/or the editor(s) disclaim responsibility for any injury to people or property resulting from any ideas, methods, instructions or products referred to in the content. |
© 2023 by the authors. Licensee MDPI, Basel, Switzerland. This article is an open access article distributed under the terms and conditions of the Creative Commons Attribution (CC BY) license (https://creativecommons.org/licenses/by/4.0/).
Share and Cite
Fang, K.; Zeng, X.; Yao, G.; Xia, S.; Zhao, J.; Zhou, Y.; Zhu, Y.; Li, X.; Qu, C. Wet Oxidation of Pharmaceutical Sludge for the Treatment and Production of Value-Added Materials. Processes 2023, 11, 2747. https://doi.org/10.3390/pr11092747
Fang K, Zeng X, Yao G, Xia S, Zhao J, Zhou Y, Zhu Y, Li X, Qu C. Wet Oxidation of Pharmaceutical Sludge for the Treatment and Production of Value-Added Materials. Processes. 2023; 11(9):2747. https://doi.org/10.3390/pr11092747
Chicago/Turabian StyleFang, Kaiyu, Xu Zeng, Guodong Yao, Siqing Xia, Jianfu Zhao, Yangyuan Zhou, Yuting Zhu, Xuejun Li, and Chanjuan Qu. 2023. "Wet Oxidation of Pharmaceutical Sludge for the Treatment and Production of Value-Added Materials" Processes 11, no. 9: 2747. https://doi.org/10.3390/pr11092747
APA StyleFang, K., Zeng, X., Yao, G., Xia, S., Zhao, J., Zhou, Y., Zhu, Y., Li, X., & Qu, C. (2023). Wet Oxidation of Pharmaceutical Sludge for the Treatment and Production of Value-Added Materials. Processes, 11(9), 2747. https://doi.org/10.3390/pr11092747
