Electro-Fenton Process at Semi-Pilot Scale: A Study to Enhance Bisphenol A Biodegradability
Abstract
1. Introduction
2. Materials and Methods
2.1. Chemicals and Materials
2.2. Solution Preparation
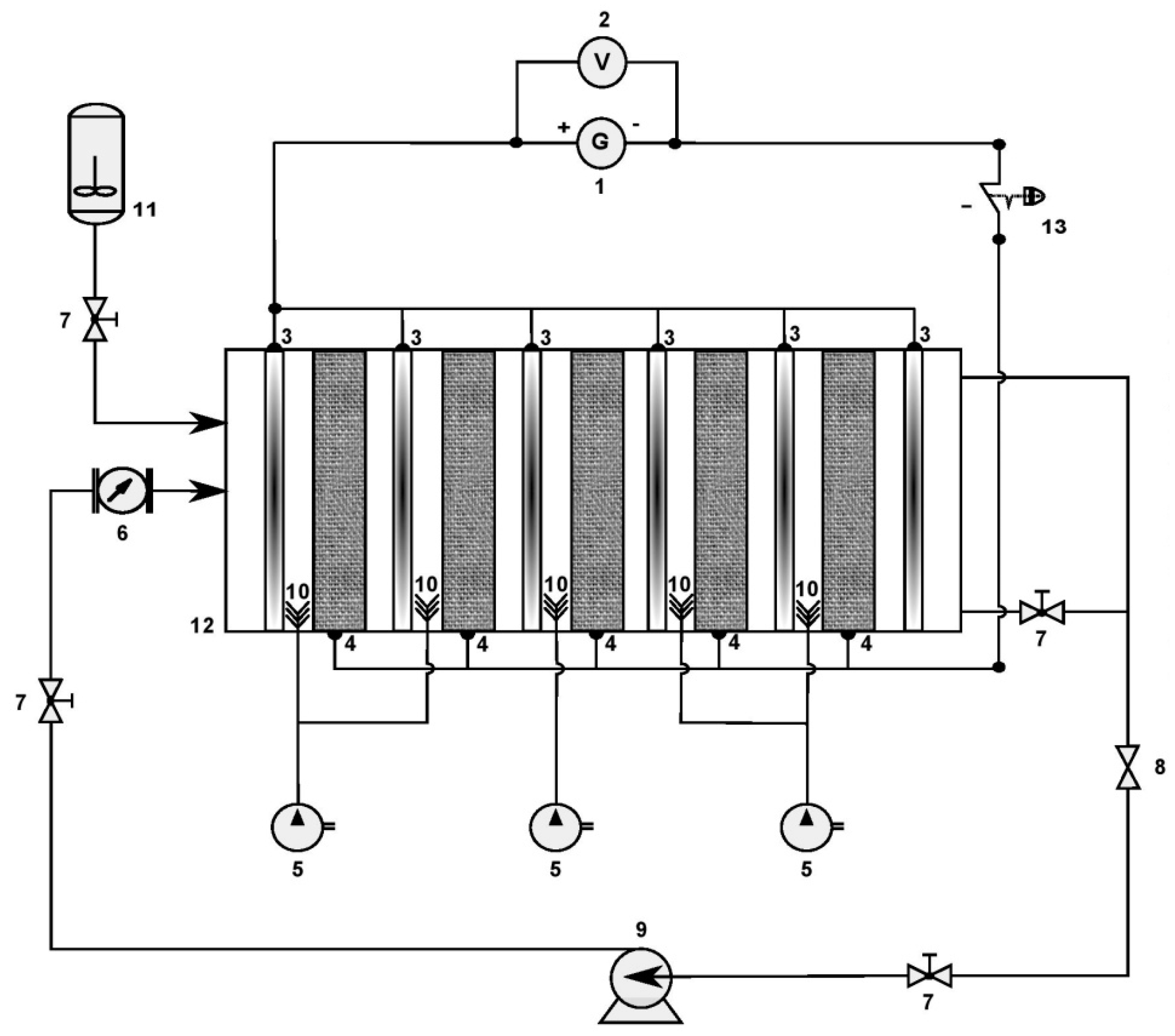
2.3. Design of Electro-Fenton Process
2.4. Analytical Procedures and Equipment
3. Results and Discussions
4. Conclusions
Supplementary Materials
Author Contributions
Funding
Data Availability Statement
Conflicts of Interest
References
- Chmayssem, A.; Hauchard, D. New Detection Method for Alkylphenol Traces in Water Based on an Integrated Electrochemical Cell Sensor. Rev. Des Sci. L’eau 2015, 28, 35–40. [Google Scholar] [CrossRef]
- Chmayssem, A.; Hauchard, D. Direct Ultra-Trace Detection of Alkylphenols in Water Using a Cavity Carbon-Paste Microelectrode Sensor. Desalination Water Treat. 2017, 83, 321–326. [Google Scholar] [CrossRef]
- Rivera-Utrilla, J.; Sánchez-Polo, M.; Ferro-García, M.Á.; Prados-Joya, G.; Ocampo-Pérez, R. Pharmaceuticals as Emerging Contaminants and Their Removal from Water. A Review. Chemosphere 2013, 93, 1268–1287. [Google Scholar] [CrossRef] [PubMed]
- Jiang, J.-Q.; Zhou, Z.; Sharma, V.K. Occurrence, Transportation, Monitoring and Treatment of Emerging Micro-Pollutants in Waste Water—A Review from Global Views. Microchem. J. 2013, 110, 292–300. [Google Scholar] [CrossRef]
- Oller, I.; Malato, S.; Sànchez-Pérez, J.A. Combination of Advanced Oxidation Processes and Biological Treatments for Wastewater Decontamination—A Review. Sci. Total Environ. 2011, 409, 4141–4166. [Google Scholar] [CrossRef] [PubMed]
- Bouafia, S.C.; Alloune, R. Procédé d’oxydation Avancée Pour Le Traitement Des Eaux Usées: Principe et Applications. Rev. Energ. Renouvelables 2007, 7, 163–170. [Google Scholar]
- Qutob, M.; Shakeel, F.; Alam, P.; Alshehri, S.; Ghoneim, M.M.; Rafatullah, M. A Review of Radical and Non-Radical Degradation of Amoxicillin by Using Different Oxidation Process Systems. Environ. Res 2022, 214, 113833. [Google Scholar] [CrossRef] [PubMed]
- Vinayagam, V.; Palani, K.N.; Ganesh, S.; Rajesh, S.; Akula, V.V.; Avoodaiappan, R.; Kushwaha, O.S.; Pugazhendhi, A. Recent Developments on Advanced Oxidation Processes for Degradation of Pollutants from Wastewater with Focus on Antibiotics and Organic Dyes. Environ. Res. 2024, 240, 117500. [Google Scholar] [CrossRef]
- Zaviska, F.; Drogui, P.; Mercier, G.; Blais, J.-F. Procédés d’oxydation Avancée Dans Le Traitement Des Eaux et Des Effluents Industriels: Application à La Dégradation Des Polluants Réfractaires. Rev. Des Sci. L’eau 2009, 22, 535–563. [Google Scholar] [CrossRef]
- Panizza, M.; Cerisola, G. Direct and Mediated Anodic Oxidation of Organic Pollutants. Chem. Rev. 2009, 109, 6541–6569. [Google Scholar] [CrossRef]
- Brillas, E.; Sirés, I.; Oturan, M.A. Electro-Fenton Process and Related Electrochemical Technologies Based on Fenton’s Reaction Chemistry. Chem. Rev. 2009, 109, 6570–6631. [Google Scholar] [CrossRef] [PubMed]
- Mohmmad, A.; Hamed Mosavian, M.T.; Haddad Khodaparast, M.H. Electro-Fenton Technology for Dairy Wastewater Treatment. Int. J. Environ. Sci. Technol. 2024, 21, 35–42. [Google Scholar] [CrossRef]
- Poza-Nogueiras, V.; Rosales, E.; Pazos, M.; Sanromán, M.Á. Current Advances and Trends in Electro-Fenton Process Using Heterogeneous Catalysts—A Review. Chemosphere 2018, 201, 399–416. [Google Scholar] [CrossRef]
- Jiang, C.; Zhang, J. Progress and Prospect in Electro-Fenton Process for Wastewater Treatment. J. Zhejiang Univ. Sci. A 2007, 8, 1118–1125. [Google Scholar] [CrossRef]
- Nidheesh, P.V.; Gandhimathi, R. Trends in Electro-Fenton Process for Water and Wastewater Treatment: An Overview. Desalination 2012, 299, 1–15. [Google Scholar] [CrossRef]
- Gao, Y.; Xie, F.; Bai, H.; Zeng, L.; Zhang, J.; Liu, M.; Zhu, W. A Carbon Felt Cathode Modified by Acidic Oxidised Carbon Nanotubes for the High H2O2 Generation and Its Application in Electro-Fenton. Environ. Technol. 2024, 45, 1669–1682. [Google Scholar] [CrossRef] [PubMed]
- Rosales, E.; Pazos, M.; Longo, M.A.; Sanromán, M.A. Electro-Fenton Decoloration of Dyes in a Continuous Reactor: A Promising Technology in Colored Wastewater Treatment. Chem. Eng. J. 2009, 155, 62–67. [Google Scholar] [CrossRef]
- Zhou, M.; Yu, Q.; Lei, L.; Barton, G. Electro-Fenton Method for the Removal of Methyl Red in an Efficient Electrochemical System. Sep. Purif. Technol. 2007, 57, 380–387. [Google Scholar] [CrossRef]
- Zahedi, S.; Asadipour, A.; Dolatabadi, M.; Ahmadzadeh, S. Response Surface Modeling for the Treatment of Methylene Blue from Aqueous Media Using Electro-Fenton Process before Determination by UV-Vis Spectrometer: Kinetic and Degradation Mechanism. Anal. Methods Environ. Chem. J. 2022, 5, 39–50. [Google Scholar] [CrossRef]
- Iberache, N.; Titchou, F.E.; Errami, M.; Ben-Aazza, S.; Driouiche, A.; Akbour, R.A.; Hamdani, M.; Hadfi, A. Removal of the Insecticide Imidacloprid from Water in Commercial Formulation Using Electro-Fenton and Photo-Electro-Fenton: Optimization of COD Removal through Response Surface Methodology RSM-CCD. Chem. Eng. Process.-Process Intensif. 2024, 196, 109633. [Google Scholar] [CrossRef]
- Ozcan, A.; Sahin, Y.; Oturan, M.A. Complete Removal of the Insecticide Azinphos-Methyl from Water by the Electro-Fenton Method-A Kinetic and Mechanistic Study. Water Res. 2013, 47, 1470–1479. [Google Scholar] [CrossRef] [PubMed]
- Mansour, D.; Fourcade, F.; Soutrel, I.; Hauchard, D.; Bellakhal, N.; Amrane, A. Mineralization of Synthetic and Industrial Pharmaceutical Effluent Containing Trimethoprim by Combining Electro-Fenton and Activated Sludge Treatment. J. Taiwan Inst. Chem. Eng. 2015, 53, 58–67. [Google Scholar] [CrossRef]
- Long, Y.; Feng, Y.; Li, X.; Suo, N.; Chen, H.; Wang, Z.; Yu, Y. Removal of Diclofenac by Three-Dimensional Electro-Fenton-Persulfate (3D Electro-Fenton-PS). Chemosphere 2019, 219, 1024–1031. [Google Scholar] [CrossRef]
- Yuan, S.; Gou, N.; Alshawabkeh, A.N.; Gu, A.Z. Efficient Degradation of Contaminants of Emerging Concerns by a New Electro-Fenton Process with Ti/MMO Cathode. Chemosphere 2013, 93, 2796–2804. [Google Scholar] [CrossRef] [PubMed]
- Asghar, A.; Raman, A.A.A.; Daud, W.M.A.W. Advanced Oxidation Processes for In-Situ Production of Hydrogen Peroxide/Hydroxyl Radical for Textile Wastewater Treatment: A Review. J. Clean. Prod. 2015, 87, 826–838. [Google Scholar] [CrossRef]
- Malinović, B.N.; Markelj, J.; Žgajnar Gotvajn, A.; Kralj Cigić, I.; Prosen, H. Electrochemical Treatment of Wastewater to Remove Contaminants from the Production and Disposal of Plastics: A Review. Environ. Chem. Lett. 2022, 20, 3765–3787. [Google Scholar] [CrossRef]
- Feng, L.; Song, W.; Oturan, N.; Karbasi, M.; van Hullebusch, E.D.; Esposito, G.; Giannakis, S.; Oturan, M.A. Electrochemical Oxidation of Naproxen in Aqueous Matrices: Elucidating the Intermediates’ Eco-Toxicity, by Assessing Its Degradation Pathways via Experimental and Density Functional Theory (DFT) Approaches. Chem. Eng. J. 2023, 451, 138483. [Google Scholar] [CrossRef]
- Yang, L.; Chen, C.; Bao, R.; Huang, Z.; Wang, W.; Zhang, C.; Xia, J.; Geng, J.; Li, H. Effective Green Electro-Fenton Process Induced by Atomic Hydrogen for Rapid Oxidation of Organic Pollutants over a Highly Active and Reusable Carbon Based Palladium Nanocatalyst. Appl. Surf. Sci. 2022, 602, 154325. [Google Scholar] [CrossRef]
- Amarzadeh, M.; Salehizadeh, S.; Damavandi, S.; Mubarak, N.M.; Ghahrchi, M.; Ramavandi, B.; Shahamat, Y.D.; Nasseh, N. Statistical Modeling Optimization for Antibiotics Decomposition by Ultrasound/Electro-Fenton Integrated Process: Non-Carcinogenic Risk Assessment of Drinking Water. J. Environ. Manag. 2022, 324, 116333. [Google Scholar] [CrossRef]
- Wang, S.; Adekunle, A.; Raghavan, V. Bioelectrochemical Systems-Based Metal Removal and Recovery from Wastewater and Polluted Soil: Key Factors, Development, and Perspective. J. Environ. Manag. 2022, 317, 115333. [Google Scholar] [CrossRef] [PubMed]
- Bakhti, H.; Ben Hamida, N.; Hauchard, D. Degradation and Mineralization of Pesticide Isoprocarb by Electro Fenton Process. J. Pure Appl. Chem. Res. 2020, 9, 40–56. [Google Scholar] [CrossRef]
- Chmayssem, A.; Taha, S.; Hauchard, D. Scaled-up Electrochemical Reactor with a Fixed Bed Three-Dimensional Cathode for Electro-Fenton Process: Application to the Treatment of Bisphenol A. Electrochim. Acta 2017, 225, 435–442. [Google Scholar] [CrossRef]
- Chmayssem, A. Développement d’un Procédé Électrochimique et de Capteurs Associés Pour Le Traitement de Perturbateurs Endocriniens Phénoliques Dans Les Eaux. Ph.D. Thesis, École Nationale Supérieure de Chimie de Rennes, Rennes, France, 2023. [Google Scholar]
- Rodrigo Quejigo, J.; Rosa, L.F.M.; Harnisch, F. Electrochemical Characterization of Bed Electrodes Using Voltammetry of Single Granules. Electrochem. Commun. 2018, 90, 78–82. [Google Scholar] [CrossRef]
- Gözmen, B.; Oturan, M.A.; Oturan, N.; Erbatur, O. Indirect Electrochemical Treatment of Bisphenol A in Water via Electrochemically Generated Fenton’s Reagent. Environ. Sci. Technol. 2003, 37, 3716–3723. [Google Scholar] [CrossRef]
- Okon, O.E.; Inam, E.J.; Offiong, N.-A.O.; Akpabio, U.D. Aqueous Adsorptive Removal of Bisphenol A Using Tripartite Magnetic Montmorillonite Composites. Pollutants 2022, 2, 363–387. [Google Scholar] [CrossRef]
- Liu, J.; Zhang, L.; Lu, G.; Jiang, R.; Yan, Z.; Li, Y. Occurrence, Toxicity and Ecological Risk of Bisphenol A Analogues in Aquatic Environment—A Review. Ecotoxicol. Environ. Saf. 2021, 208, 111481. [Google Scholar] [CrossRef]
- Niu, L.; Zhang, S.; Wang, S.; An, L.; Manoli, K.; Sharma, V.K.; Yu, X.; Feng, M. Overlooked Environmental Risks Deriving from Aqueous Transformation of Bisphenol Alternatives: Integration of Chemical and Toxicological Insights. J. Hazard. Mater. 2022, 427, 128208. [Google Scholar] [CrossRef]
- Serpone, N.; Horikoshi, S.; Emeline, A.V. Microwaves in Advanced Oxidation Processes for Environmental Applications. A Brief Review. J. Photochem. Photobiol. C Photochem. Rev. 2010, 11, 114–131. [Google Scholar] [CrossRef]
- Chen, P.-J.; Rosenfeldt, E.J.; Kullman, S.W.; Hinton, D.E.; Linden, K.G. Biological Assessments of a Mixture of Endocrine Disruptors at Environmentally Relevant Concentrations in Water Following UV/H2O2 Oxidation. Sci. Total Environ. 2007, 376, 18–26. [Google Scholar] [CrossRef]
- Katsumata, H.; Kawabe, S.; Kaneco, S.; Suzuki, T.; Ohta, K. Degradation of Bisphenol A in Water by the Photo-Fenton Reaction. J. Photochem. Photobiol. A Chem. 2004, 162, 297–305. [Google Scholar] [CrossRef]
- Seibert, D.; Henrique Borba, F.; Bueno, F.; Inticher, J.J.; Módenes, A.N.; Espinoza-Quiñones, F.R.; Bergamasco, R. Two-Stage Integrated System Photo-Electro-Fenton and Biological Oxidation Process Assessment of Sanitary Landfill Leachate Treatment: An Intermediate Products Study. Chem. Eng. J. 2019, 372, 471–482. [Google Scholar] [CrossRef]
- Tay, K.S.; Rahman, N.A.; Radzi, M.; Abas, B. Degradation of Bisphenol A by Ozonation: Rate Constants, Influence of Inorganic Anions, and by-Products. J. Sci. Technol. 2012, 6, 77–94. [Google Scholar]
- Qiang, Z.; Nie, Y.; Ben, W.; Qu, J.; Zhang, H. Degradation of Endocrine-Disrupting Chemicals during Activated Sludge Reduction by Ozone. Chemosphere 2013, 91, 366–373. [Google Scholar] [CrossRef] [PubMed]
- Kuramitz, H.; Matsushita, M.; Tanaka, S. Electrochemical Removal of Bisphenol A Based on the Anodic Polymerization Using a Column Type Carbon Fiber Electrode. Water Res. 2004, 38, 2330–2337. [Google Scholar] [CrossRef]
- Zhao, J.; Zhu, C.; Lu, J.; Hu, C.; Peng, S.; Chen, T. Electro-Catalytic Degradation of Bisphenol A with Modified Co3O4/β-PbO2/Ti Electrode. Electrochim. Acta 2014, 118, 169–175. [Google Scholar] [CrossRef]
- Lin, H.; Wu, J.; Zhang, H. Degradation of Bisphenol A in Aqueous Solution by a Novel Electro/Fe3+/Peroxydisulfate Process. Sep. Purif. Technol. 2013, 117, 18–23. [Google Scholar] [CrossRef]
- Brugnera, M.F.; Rajeshwar, K.; Cardoso, J.C.; Zanoni, M.V.B. Bisphenol A Removal from Wastewater Using Self-Organized TiO2 Nanotubular Array Electrodes. Chemosphere 2010, 78, 569–575. [Google Scholar] [CrossRef] [PubMed]
- Cui, Y.; Li, X.; Chen, G. Electrochemical Degradation of Bisphenol A on Different Anodes. Water Res. 2009, 43, 1968–1976. [Google Scholar] [CrossRef]
- Dolatabadi, M.; Malekahmadi, R.; Ghorbanian, A.; Ahmadzadeh, S. Investigation of Electrocoagulation Process for Efficient Removal of Bisphenol A from the Aqueous Environment: Promising Treatment Strategy. J. Environ. Health Sustain. Dev. 2021, 6, 1275–1283. [Google Scholar] [CrossRef]
- Rivero, M.J.; Alonso, E.; Dominguez, S.; Ribao, P.; Ibañez, R.; Ortiz, I.; Irabien, A. Kinetic Analysis and Biodegradability of the Fenton Mineralization of Bisphenol A. J. Chem. Technol. Biotechnol. 2014, 89, 1228–1234. [Google Scholar] [CrossRef]
- Sajiki, J.; Yonekubo, J. Inhibition of Seawater on Bisphenol A (BPA) Degradation by Fenton Reagents. Environ. Int. 2004, 30, 145–150. [Google Scholar] [CrossRef] [PubMed]
- Mansour, D.; Fourcade, F.; Bellakhal, N.; Dachraoui, M.; Hauchard, D.; Amrane, A. Biodegradability Improvement of Sulfamethazine Solutions by Means of an Electro-Fenton Process. Water Air Soil Pollut. 2011, 223, 2023–2034. [Google Scholar] [CrossRef]
- Babić, R.; Metikoš-Huković, M. Oxygen Reduction on Stainless Steel. J. Appl. Electrochem. 1993, 23, 352–357. [Google Scholar] [CrossRef]
- Noe, J.; Latus, A.; Lagrost, C.; Volanschi, E.; Hapiot, P. Evidence for OH Radical Production during Electrocatalysis of Oxygen Reduction on Pt Surfaces: Consequences and Application. J. Am. Chem. Soc. 2012, 131, 2835–2841. [Google Scholar]
- Ni, Y.; Zhou, C.; Xing, M.; Zhou, Y. Oxidation of Emerging Organic Contaminants by In-Situ H2O2 Fenton System. Green Energy Environ. 2024, 9, 417–434. [Google Scholar] [CrossRef]
- Sedahmed, G.H. Mass Transfer Behaviour of a Fixed Bed Electrochemical Reactor with a Gas Evolving Upstream Counter Electrode. Can. J. Chem. Eng. 1996, 74, 487–492. [Google Scholar] [CrossRef]
- M. Benzina. S.; Gabsi, G.L. Liquid-Solid Transfer Coefficient by an Electrochemical Technique. J. Tunis. Chem. Soc. 1991, 3, 125–140. [Google Scholar]
- Hou, C.-H.; Huang, S.-C.; Chou, P.-H.; Den, W. Removal of Bisphenol A from Aqueous Solutions by Electrochemical Polymerization on a Carbon Aerogel Electrode. J. Taiwan Inst. Chem. Eng. 2015, 51, 103–108. [Google Scholar] [CrossRef]
- Olvera-Vargas, H.; Cocerva, T.; Oturan, N.; Buisson, D.; Oturan, M.A. Bioelectro-Fenton: A Sustainable Integrated Process for Removal of Organic Pollutants from Water: Application to Mineralization of Metoprolol. J. Hazard. Mater. 2016, 319, 13–23. [Google Scholar] [CrossRef]
- Mansour, D.; Fourcade, F.; Huguet, S.; Soutrel, I.; Bellakhal, N.; Dachraoui, M.; Hauchard, D.; Amrane, A. Improvement of the Activated Sludge Treatment by Its Combination with Electro Fenton for the Mineralization of Sulfamethazine. Int. Biodeterior. Biodegrad. 2014, 88, 29–36. [Google Scholar] [CrossRef]
- Arellano, M.; Oturan, N.; Pazos, M.; Ángeles Sanromán, M.; Oturan, M.A. Coupling Electro-Fenton Process to a Biological Treatment, a New Methodology for the Removal of Ionic Liquids? Sep. Purif. Technol. 2020, 233, 115990. [Google Scholar] [CrossRef]
- Aboudalle, A.; Djelal, H.; Fourcade, F.; Domergue, L.; Assadi, A.A.; Lendormi, T.; Taha, S.; Amrane, A. Metronidazole Removal by Means of a Combined System Coupling an Electro-Fenton Process and a Conventional Biological Treatment: By-Products Monitoring and Performance Enhancement. J. Hazard. Mater. 2018, 359, 85–95. [Google Scholar] [CrossRef] [PubMed]
- Baiju, A.; Gandhimathi, R.; Ramesh, S.T.; Nidheesh, P.V. Combined Heterogeneous Electro-Fenton and Biological Process for the Treatment of Stabilized Landfill Leachate. J. Environ. Manag. 2018, 210, 328–337. [Google Scholar] [CrossRef] [PubMed]
- Ayoub, K.; Nélieu, S.; Van Hullebusch, E.D.; Labanowski, J.; Schmitz-Afonso, I.; Bermond, A.; Cassir, M. Electro-Fenton Removal of TNT: Evidences of the Electro-Chemical Reduction Contribution. Appl. Catal. B 2011, 104, 169–176. [Google Scholar] [CrossRef]









| Disclaimer/Publisher’s Note: The statements, opinions and data contained in all publications are solely those of the individual author(s) and contributor(s) and not of MDPI and/or the editor(s). MDPI and/or the editor(s) disclaim responsibility for any injury to people or property resulting from any ideas, methods, instructions or products referred to in the content. | 
© 2024 by the authors. Licensee MDPI, Basel, Switzerland. This article is an open access article distributed under the terms and conditions of the Creative Commons Attribution (CC BY) license (https://creativecommons.org/licenses/by/4.0/).
Share and Cite
Chmayssem, A.; AlChoubassi, G.; Taha, S.; Hauchard, D. Electro-Fenton Process at Semi-Pilot Scale: A Study to Enhance Bisphenol A Biodegradability. Processes 2024, 12, 1850. https://doi.org/10.3390/pr12091850
Chmayssem A, AlChoubassi G, Taha S, Hauchard D. Electro-Fenton Process at Semi-Pilot Scale: A Study to Enhance Bisphenol A Biodegradability. Processes. 2024; 12(9):1850. https://doi.org/10.3390/pr12091850
Chicago/Turabian StyleChmayssem, Ayman, Ghaya AlChoubassi, Samir Taha, and Didier Hauchard. 2024. "Electro-Fenton Process at Semi-Pilot Scale: A Study to Enhance Bisphenol A Biodegradability" Processes 12, no. 9: 1850. https://doi.org/10.3390/pr12091850
APA StyleChmayssem, A., AlChoubassi, G., Taha, S., & Hauchard, D. (2024). Electro-Fenton Process at Semi-Pilot Scale: A Study to Enhance Bisphenol A Biodegradability. Processes, 12(9), 1850. https://doi.org/10.3390/pr12091850
 
         
                                                

