Advancements in Supercritical Carbon Dioxide Brayton Cycle for Marine Propulsion and Waste Heat Recovery
Abstract
1. Introduction
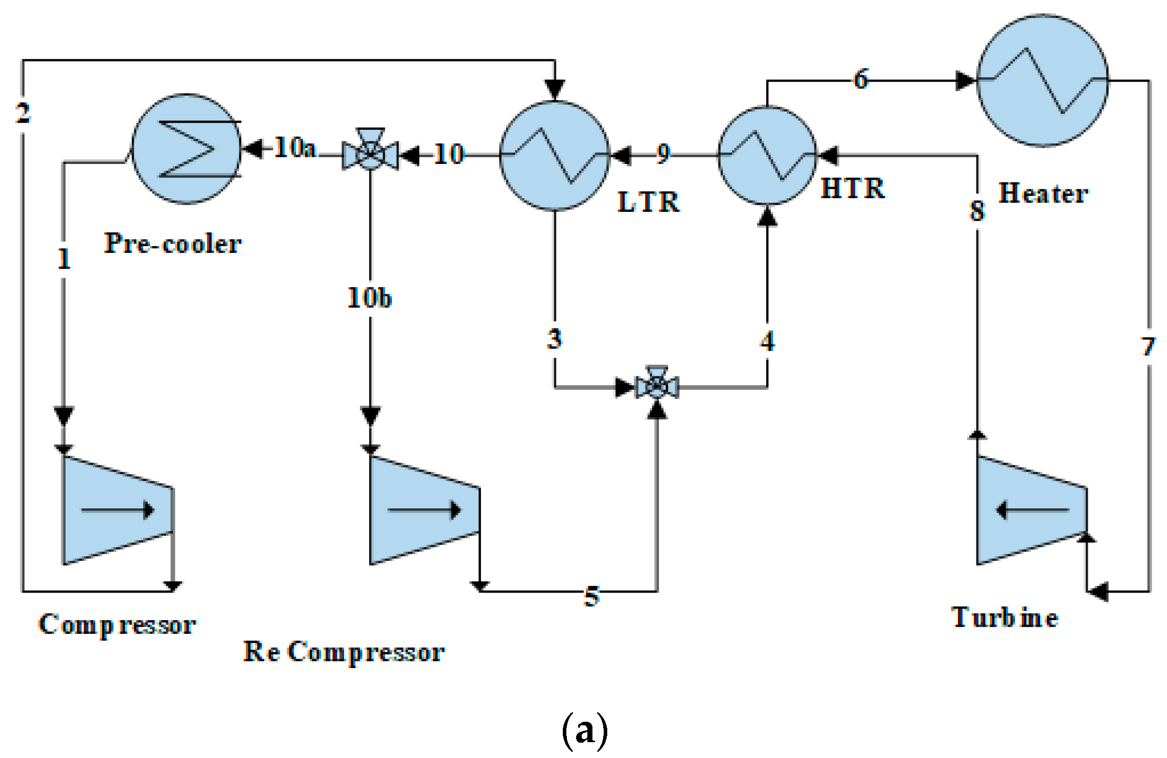
2. Recompression sCO2-BC
3. Mathematical Modeling and Simulation
3.1. Mathematical Model for PCHE Design and Analysis Code (PCHE-DAC)
- Given:
- Step 1.
- Estimate initial values for and
- Step 2.
- The iterative procedure commences with an initial estimation of and . With the outlet pressures at both points now determined, the corresponding exit temperatures are calculated based on the definition of effectiveness ().
- Step 3.
- The discretized domain, as depicted in Figure 2, can be initialized by considering a linear variation in a specific enthalpy and pressure drop throughout the length of the pre-cooler.
- Step 4.
- The state variables at the and nodes can be determined using the calculated gradient, assuming a linear variation in pressure and enthalpy along the length of the heat exchanger.
- Step 5.
- In this step, the working fluid properties were derived from the cell-centered pressure and enthalpy values, enabling the calculation of the friction factor and overall heat transfer coefficient. These were then used to determine the revised pressure drop and heat transfer, as outlined in the equations below. It is worth mentioning that the friction factor and heat transfer coefficient were calculated using the correlations provided in Table 1.
- Step 6.
- The next step controls the convergence of the solution of Equation (24) until all cells are computed.
- Step 7.
- The outer loop controls the convergence of boundary conditions, as given in the following equation.
Validation for the PCHE Design and Analysis Code (PDAC)
3.2. Model for Cycle Simulation and Analysis Code (CSAC)
3.2.1. Turbomachinery Models
3.2.2. Recuperator Models
4. Results
5. Conclusions
- Optimizing CO2 Mass Flow Rate and Recuperator Effectiveness: The performance of the sCO2 Brayton Cycle is highly dependent on the precise control of the CO2 mass flow rate and the effectiveness of the recuperators. Balancing these parameters is crucial for enhancing system efficiency, particularly in reducing compressor power consumption.
- Impact of Recuperator Effectiveness on System Efficiency: Increasing recuperator effectiveness significantly boosts both the sCO2 cycle and overall system efficiency by improving heat recovery, resulting in better energy conversion.
- Sensitivity of Turbine Power to Heat Exchanger Effectiveness: While higher CO2 mass flow rates cause moderate reductions in turbine power due to lower inlet temperatures, increasing the recuperator effectiveness leads to significant improvements in turbine performance.
- Overall System Efficiency: Incorporating the sCO2 Brayton Cycle as a bottoming cycle improves overall system efficiency, with the potential to raise it from 54% to nearly 59%, highlighting its value for energy-efficient marine propulsion systems.
- Trade-off Between Heat Exchanger Volume and Efficiency in Marine Applications: Higher recuperator effectiveness improves system efficiency but increases heat exchanger volume, which must be managed carefully in marine systems where space and weight are constrained.
Author Contributions
Funding
Data Availability Statement
Conflicts of Interest
Nomenclature
| Relative pressure loss | |
| Specific enthalpy [] | |
| Mass flow rate [] | |
| Heat transfer [] | |
| Total heat transferred [] | |
| Temperature [] | |
| Specific work [] | |
| Power [] | |
| Pressure [] | |
| Reynolds number | |
| Number of cells | |
| Split mass fraction | |
| Effectiveness | |
| Efficiency | |
| Density [] | |
| Sub- and Superscripts | |
| 0, 1, −10 | State |
| Cycle | |
| Cold side | |
| Hot side | |
| Inlet | |
| Outlet | |
| cell | |
| Turbine | |
| Compressor | |
| Recompressor | |
References
- Persichilli, M.; Kacludis, A.; Zdankiewicz, E.; Held, T. Supercritical CO2 Power Cycle Developments and Commercialization: Why SCO2 Can Displace Steam Ste Am. In Proceedings of the Power-Gen India & Central Asia; (Conference Paper, India); 2012; pp. 19–21. Available online: https://www.echogen.com/documents/why-sCO2-can-displace-steam.pdf (accessed on 29 July 2024).
- Marchionni, M.; Bianchi, G.; Tassou, S.A. Review of Supercritical Carbon Dioxide (SCO2) Technologies for High-Grade Waste Heat to Power Conversion. SN Appl. Sci. 2020, 2, 611. [Google Scholar] [CrossRef]
- Wright, S.A.; Davidson, C.S.; Scammell, W.O. Thermo-Economic Analysis of Four SCO2 Waste Heat Recovery Power Systems. In Proceedings of the Fifth International SCO2 Symposium, San Antonio, TX, USA, 28–31 March 2016. [Google Scholar]
- Feher, E.G. The Supercritical Thermodynamic Power Cycle. Energy Convers. 1968, 8, 85–90. [Google Scholar] [CrossRef]
- Reale, F.; Calabria, R.; Massoli, P. Performance Analysis of WHR Systems for Marine Applications Based on SCO2 Gas Turbine and ORC. Energies 2023, 16, 4320. [Google Scholar] [CrossRef]
- Dostal, V.; Driscoll, M.J.; Hejzlar, P. A Supercritical Carbon Dioxide Cycle for Next Generation Nuclear Reactors, MIT-ANP-TR-100, Advanced Nuclear Power Technology Program Report; Research Project Report; MIT: Cambridge, MA, USA, 2004; Available online: https://web.mit.edu/22.33/www/dostal.pdf (accessed on 29 July 2024).
- Pham, H.S.; Alpy, N.; Ferrasse, J.H.; Boutin, O.; Quenaut, J.; Tothill, M.; Haubensack, D.; Saez, M. Mapping of the Thermodynamic Performance of the Supercritical CO2 Cycle and Optimisation for a Small Modular Reactor and a Sodium-Cooled Fast Reactor. Energy 2015, 87, 412–424. [Google Scholar] [CrossRef]
- Angelino, G. Carbon Dioxide Condensation Cycles For Power Production. J. Eng. Power 1968, 90, 287–295. [Google Scholar] [CrossRef]
- Saeed, M.; Khatoon, S.; Kim, M.H. Design Optimization and Performance Analysis of a Supercritical Carbon Dioxide Recompression Brayton Cycle Based on the Detailed Models of the Cycle Components. Energy Convers. Manag. 2019, 196, 242–260. [Google Scholar] [CrossRef]
- Saeed, M.; Kim, M.H. Analysis of a Recompression Supercritical Carbon Dioxide Power Cycle with an Integrated Turbine Design/Optimization Algorithm. Energy 2018, 165, 93–111. [Google Scholar] [CrossRef]
- Turchi, C.S.; Ma, Z.; Neises, T.W.; Wagner, M.J. Thermodynamic Study of Advanced Supercritical Carbon Dioxide Power Cycles for Concentrating Solar Power Systems. J. Sol. Energy Eng. 2013, 135, 041007. [Google Scholar] [CrossRef]
- Reyes-Belmonte, M.A.; Sebastián, A.; Romero, M.; González-Aguilar, J. Optimization of a Recompression Supercritical Carbon Dioxide Cycle for an Innovative Central Receiver Solar Power Plant. Energy 2016, 112, 17–27. [Google Scholar] [CrossRef]
- Al-Sulaiman, F.A.; Atif, M. Performance Comparison of Different Supercritical Carbon Dioxide Brayton Cycles Integrated with a Solar Power Tower. Energy 2015, 82, 61–71. [Google Scholar] [CrossRef]
- Brun, K.; Friedman, P.; Dennis, R. Fundamentals and Applications of Supercritical Carbon Dioxide (SCO2) Based Power Cycles; Woodhead Publishing: Cambridge, UK, 2017; ISBN 978-0-08-100804-1. [Google Scholar]
- Sarkar, J.; Bhattacharyya, S. Optimization of Recompression S-CO2 Power Cycle with Reheating. Energy Convers. Manag. 2009, 50, 1939–1945. [Google Scholar] [CrossRef]
- Sharma, O.P.; Kaushik, S.C.; Manjunath, K. Thermodynamic Analysis and Optimization of a Supercritical CO2 Regenerative Recompression Brayton Cycle Coupled with a Marine Gas Turbine for Shipboard Waste Heat Recovery. Therm. Sci. Eng. Prog. 2017, 3, 62–74. [Google Scholar] [CrossRef]
- Sarkar, J. Second Law Analysis of Supercritical CO2 Recompression Brayton Cycle. Energy 2009, 34, 1172–1178. [Google Scholar] [CrossRef]
- Saeed, M.; Berrouk, A.S.; Salman Siddiqui, M.; Ali Awais, A. Effect of Printed Circuit Heat Exchanger’s Different Designs on the Performance of Supercritical Carbon Dioxide Brayton Cycle. Appl. Therm. Eng. 2020, 179, 115758. [Google Scholar] [CrossRef]
- Saeed, M.; Alawadi, K.; Kim, S.C. Performance of Supercritical CO2 Power Cycle and Its Turbomachinery with the Printed Circuit Heat Exchanger with Straight and Zigzag Channels. Energies 2020, 14, 62. [Google Scholar] [CrossRef]
- Salim, M.S.; Saeed, M.; Kim, M.H. Performance Analysis of the Supercritical Carbon Dioxide Re-Compression Brayton Cycle. Appl. Sci. 2020, 10, 1129. [Google Scholar] [CrossRef]
- Saeed, M.; Kim, M.H. Thermal and Hydraulic Performance of SCO2 PCHE with Different Fin Configurations. Appl. Therm. Eng. 2017, 127, 975–985. [Google Scholar] [CrossRef]
- Saeed, M.; Kim, M.H. Thermal-Hydraulic Analysis of Sinusoidal Fin-Based Printed Circuit Heat Exchangers for Supercritical CO2 Brayton Cycle. Energy Convers. Manag. 2019, 193, 124–139. [Google Scholar] [CrossRef]
- Saeed, M.; Radaideh, M.I.; Berrouk, A.S.; Alawadhi, K. Machine Learning-Based Efficient Multi-Layered Precooler Design Approach for Supercritical CO2 Cycle. Energy Convers. Manag. X 2021, 11, 100104. [Google Scholar] [CrossRef]
- Saeed, M.; Berrouk, A.S.; Singh, M.P.; Alawadhi, K.; Siddiqui, M.S. Analysis of Supercritical CO2 Cycle Using Zigzag Channel Pre-Cooler: A Design Optimization Study Based on Deep Neural Network. Energies 2021, 14, 6227. [Google Scholar] [CrossRef]
- Gnielinski, V. New Equations for Heat and Mass Transfer in Turbulent Pipe and Channel Flow. Int. Chem. Eng. 1976, 16, 359–367. [Google Scholar]
- Ishizuka, T. Thermal-Hydraulic Characteristics of a Printed Circuit Heat Exchanger in a Supercritical CO2 Loop. In Proceedings of the 11th International Topical Meeting on Nuclear Reactor Thermal-Hydraulics, Avignon, France, 9–13 October 2005. [Google Scholar]
- Kim, S.G.; Lee, Y.; Ahn, Y.; Lee, J.I. CFD Aided Approach to Design Printed Circuit Heat Exchangers for Supercritical CO2 Brayton Cycle Application. Ann. Nucl. Energy 2016, 92, 175–185. [Google Scholar] [CrossRef]
- Kim, D.E.; Kim, M.H.; Cha, J.E.; Kim, S.O. Numerical Investigation on Thermal-Hydraulic Performance of New Printed Circuit Heat Exchanger Model. Nucl. Eng. Des. 2008, 238, 3269–3276. [Google Scholar] [CrossRef]
- Crespi, F.; Sánchez, D.; Rodríguez, J.M.; Gavagnin, G. Fundamental Thermo-Economic Approach to Selecting SCO2 Power Cycles for CSP Applications. Energy Procedia 2017, 129, 963–970. [Google Scholar] [CrossRef]
- Lee, J.; Lee, J.I.; Ahn, Y.; Yoon, H. Design Methodology of Supercritical CO2 Brayton Cycle Turbomachineries. Proc. ASME Turbo Expo 2013, 5, 975–983. [Google Scholar] [CrossRef]













| Configuration | Correlations | Channel Geometry |
|---|---|---|
| Genelisi [25] | ![]() | |
| Ishizuka et al. [26] | ![]() | |
| Kim et al. [27] | , ; () , ; ( | |
| Saeed and Kim [22] | , ; () |
| PCHE-DAC | Experimental Results [26] | % Difference | |
|---|---|---|---|
| 169.20 | 161.5 | 4.5% | |
| 142.90 | 141.1 | 5.18% |
| Parameters | Values |
|---|---|
| Compressor inlet temperature () | |
| Compressor inlet pressure () [kPa] | |
| Cycle pressure ratio () | |
| Turbine inlet temperature CO2 mass flow rate ([kg s−1] Split mass fraction | Varied from 132 to 165 0.75 |
| Effectiveness of the LTR | Varied from 0.8 to 0.99 |
| Effectiveness of the HTR Turbine efficiency Compressor efficiency | Varied from 0.8 to 0.99 90% 85% |
Disclaimer/Publisher’s Note: The statements, opinions and data contained in all publications are solely those of the individual author(s) and contributor(s) and not of MDPI and/or the editor(s). MDPI and/or the editor(s) disclaim responsibility for any injury to people or property resulting from any ideas, methods, instructions or products referred to in the content. |
© 2024 by the authors. Licensee MDPI, Basel, Switzerland. This article is an open access article distributed under the terms and conditions of the Creative Commons Attribution (CC BY) license (https://creativecommons.org/licenses/by/4.0/).
Share and Cite
Alzuwayer, B.; Alhashem, A.; Albannaq, M.; Alawadhi, K. Advancements in Supercritical Carbon Dioxide Brayton Cycle for Marine Propulsion and Waste Heat Recovery. Processes 2024, 12, 1956. https://doi.org/10.3390/pr12091956
Alzuwayer B, Alhashem A, Albannaq M, Alawadhi K. Advancements in Supercritical Carbon Dioxide Brayton Cycle for Marine Propulsion and Waste Heat Recovery. Processes. 2024; 12(9):1956. https://doi.org/10.3390/pr12091956
Chicago/Turabian StyleAlzuwayer, Bashar, Abdulwahab Alhashem, Mohammad Albannaq, and Khaled Alawadhi. 2024. "Advancements in Supercritical Carbon Dioxide Brayton Cycle for Marine Propulsion and Waste Heat Recovery" Processes 12, no. 9: 1956. https://doi.org/10.3390/pr12091956
APA StyleAlzuwayer, B., Alhashem, A., Albannaq, M., & Alawadhi, K. (2024). Advancements in Supercritical Carbon Dioxide Brayton Cycle for Marine Propulsion and Waste Heat Recovery. Processes, 12(9), 1956. https://doi.org/10.3390/pr12091956



