An Overview of Viscous and Highly Viscous Fluid Flows in Straight and Elbow Pipes: I—Single-Phase Flows
Abstract
1. Introduction
2. Useful Parameters and Friction Factor Correlations for Newtonian Fluid Flow in Pipes
2.1. Basic Parameters
2.2. Friction Factor Correlations
3. Theory of Viscous Newtonian Fluid Flow in Pipes
3.1. Governing Equations
3.2. Analytical and Semi-Analytical Approaches
3.2.1. Classical Exact Solutions
3.2.2. Recent Analytical Solutions
4. Experimental Studies: Flow of Newtonian Fluids in Pipes
4.1. Early Experimental Studies
4.2. Recent Experimental Studies
5. Numerical Modeling: Flow of Newtonian Fluids in Pipes
5.1. Pipe Flow Modeling with Mesh-Dependent Methods
5.1.1. Turbulent Flow Modeling
5.1.2. Secondary Flow Modeling
5.1.3. Pipe Swirling Flow Modeling
5.1.4. Pulsatile Flow Modeling
5.2. Pipe Flow Modeling Using Particle-Based Methods
6. Flow of Non-Newtonian Fluids in Pipes
6.1. Generalized Reynolds Number and Friction Factors for Non-Newtonian Fluid Flow in Pipes
6.2. Analytical Solutions
6.3. Experimental Studies
6.4. Numerical Simulations
7. Entropy Generation in Pipe Flows
8. Hydromagnetic Pipe Flows
9. Pipe Flow Studies Using Machine Learning and Artificial Intelligence
9.1. Machine Learning
9.2. Artificial Intelligence
10. Future Research and Challenges
11. Conclusions
Author Contributions
Funding
Data Availability Statement
Acknowledgments
Conflicts of Interest
References
- Hagen, G. Über die Bewengung des Wassers in engen zylindrischen Röhr. Pogg. Ann. 1839, 46, 423–442. [Google Scholar]
- Poiseuille, J.L.M. Recherches Expérimentales sur le Mouvement des Liquides dans les Tubes de Trés-Petits Diamètres; Imprimerie Royale: Tournai, Belgium, 1842. [Google Scholar]
- Darcy, H. Recherches Expérimentales Relatives au Mouvement de l’Eau dans le Tuyaux; Mallet-Bachelier: Frederick, MD, USA, 1857. [Google Scholar]
- Reynolds, O. An experimental investigation of the circumstances which determine whether the motion of water should be direct or sinuous, and of the law of resistance in parallel channels. Proc. R. Soc. London 1883, 35, 84–89. [Google Scholar]
- Boussinesq, M.J. Mémoire sur l’influence des frottements dans le mouvement réguliers des fluides. J. Math. Pures Appl. Série II 1868, 13, 377–423. [Google Scholar]
- Thomson, J. On the origin of windings of rivers in alluvial plains with remarks on the flow of water round bends in pipes. Proc. R. Soc. Lond. 1876, 25, 5–8. [Google Scholar]
- Thomson, J. Experimental demonstration in respect to the origin of windings of rivers in alluvial plains, and to the mode of flow of water round bends of pipes. Proc. R. Soc. Lond. 1877, 26, 356–357. [Google Scholar]
- Williams, G.S.; Hubbell, C.W.; Fenkell, G.H. Experiments at Detroit, Mich.; on the effect of curvature upon the flow of water in pipes. Trans. Am. Soc. Civ. Eng. 1902, 47, 1–196. [Google Scholar] [CrossRef]
- Eustice, J. Flow of water in curved pipes. Proc. R. Soc. Lond. A 1910, 84, 107–118. [Google Scholar]
- Eustice, J. Experiments on stream-line motion in curved pipes. Proc. R. Soc. Lond. A 1911, 85, 119–131. [Google Scholar]
- White, C.M. Streamline flow through curved pipes. Proc. R. Soc. Lond. A 1929, 123, 645–663. [Google Scholar]
- Dean, W.R. XVI. Note on the motion of fluid in a curved pipe. Lond. Edinb. Dublin Philos. Mag. J. Sci. 1927, 4, 208–223. [Google Scholar] [CrossRef]
- Dean, W.R. LXII. The stream-line motion of fluid in a curved pipe (Second paper). Lond. Edinb. Dublin Philos. Mag. J. Sci. 1928, 5, 673–695. [Google Scholar] [CrossRef]
- Kalpakli Vester, A.; Örlü, R.; Alfredsson, P.H. Turbulent flows in curved pipes: Recent advances in experiments and simulations. Appl. Mech. 2016, 86, 050802. [Google Scholar] [CrossRef]
- Sigalotti, L.D.G.; Alvarado-Rodríguez, C.E.; Rendón, O. Fluid flow in helically coiled pipes. Fluids 2023, 8, 308. [Google Scholar] [CrossRef]
- Goldstein, S. Modern Developments in Fluid Mechanics; Oxford University Press: Oxford, UK, 1938. [Google Scholar]
- Bradshaw, P. Effects of streamline curvature on turbulent flow. AGARDograph 1973, 169, 1–125. [Google Scholar]
- Ward-Smith, A.J. Internal Fluid Flow: The Fluid Dynamics of Flow in Pipes and Ducts; Oxford University Press: Oxford, UK, 1980. [Google Scholar]
- Pedley, T.J. The Fluid Mechanics of Large Blood Vessels; Cambridge University Press: Cambridge, UK, 1980. [Google Scholar]
- Berger, S.A.; Talbot, L.; Yao, L.S. Flow in curved pipes. Annu. Rev. Fluid Mech. 1983, 15, 461–512. [Google Scholar] [CrossRef]
- Ito, H. Flow in curved pipes. JSME Int. J. 1987, 30, 543–552. [Google Scholar] [CrossRef]
- Spedding, P.L.; Benard, E.; Mcnally, G.M. Fluid flow through 90 degree bends. Dev. Chem. Eng. Miner. Process. 2004, 12, 107–128. [Google Scholar] [CrossRef]
- Naphon, P.; Wongwises, S. A review of flow and heat transfer characteristics in curved pipes. Ren. Sust. Energy Rev. 2006, 10, 463–490. [Google Scholar] [CrossRef]
- Vashisth, S.; Kumar, V.; Nigam, K.D.P. A review on the potential applications of curved geometries in process industry. Ind. Eng. Chem. Res. 2008, 47, 3291–3337. [Google Scholar] [CrossRef]
- Kundu, K.P.; Cohen, M.I.; Dowling, R.D. Fluid Mechanics; Elsevier Inc.: Amsterdam, The Netherlands, 2012. [Google Scholar]
- Kassim, M.S.; Sarow, S.A. Flows of viscous fluids in food processing industries: A review. IOP Conf. Ser. Mater. Sci. Eng. 2020, 870, 012032. [Google Scholar] [CrossRef]
- Singh, H.; Myong, R.S. Critical review of fluid flow physics at micro- to nano-scale porous media applications in the energy sector. Adv. Mater. Sci. Eng. 2018, 2018, 9565240. [Google Scholar] [CrossRef]
- Kavokine, N.; Netz, R.R.; Bocquet, L. Fluids at the nanoscale: From continuum to subcontinuum transport. Annu. Rev. Fluid Mech. 2021, 53, 377–410. [Google Scholar] [CrossRef]
- Zhang, J.; Zou, Z.; Fu, C. A review of the complex flow and heat transfer characteristics in microchannels. Micromachines 2023, 14, 1451. [Google Scholar] [CrossRef] [PubMed]
- Inamdar, S.J.; Lawankar, S.M. Flow boiling in micro and mini channels—A review. AIP Conf. Proc. 2022, 2451, 020054. [Google Scholar]
- Moody, L.F. Friction factors for pipe flow. Trans. ASME 1944, 66, 671–684. [Google Scholar] [CrossRef]
- Rouse, H. Elementary Mechanics of Fluids; John Wiley & Sons: Hoboken, NJ, USA, 1946. [Google Scholar]
- McKeon, B.J.; Zagarola, M.V.; Smits, A.J. A new friction factor relationship for fully developed pipe flow. J. Fluid Mech. 2005, 538, 429–443. [Google Scholar] [CrossRef]
- Nikuradse, J. Laws of Flow in Rough Pipes; Technical Report NACA-TM-1292, National Advisory Committee for Aeronautics, Translation of “Strömungsgesetze in rauhen Rohren.” VDI-Forschungsheft 361. Beilage zu “Forschung auf dem Gebiete des Ingenieurwesens”, Ausgabe B Band 4, July/August 1933; NASA: Washington, DC, USA, 1950. [Google Scholar]
- Colebrook, C.F. Turbulent flow in pipes, with particular reference to the transition region between smooth and rough pipe laws. J. Inst. Civ. Eng. 1939, 11, 133–156. [Google Scholar] [CrossRef]
- Afzal, N. Friction factor directly from transitional roughness in a turbulent pipe flow. J. Fluids Eng. 2007, 129, 1255–1267. [Google Scholar] [CrossRef]
- Shockling, M.A.; Allen, J.J.; Smits, A.J. Roughness effects in turbulent pipe flow. J. Fluid Mech. 2006, 564, 267–285. [Google Scholar] [CrossRef]
- Langelandsvik, L.I.; Kunkel, G.J.; Smits, A.J. Flow in a commercial steel pipe. J. Fluid Mech. 2008, 595, 323–339. [Google Scholar] [CrossRef]
- Afzal, N.; Seena, A. Alternate scales for turbulent flow in transitional rough pipes: Universal log laws. J. Fluids Eng. 2007, 129, 80–90. [Google Scholar] [CrossRef]
- Prandtl, L. The mechanics of viscous fluids. In Aerodynamic Theory; Durand, W.F., Ed.; Springer: Berlin/Heidelberg, Germany, 1935; Volume 3, pp. 34–208. [Google Scholar]
- McKeon, B.J. High Reynolds Number Turbulent Pipe Flow. Ph.D. Thesis, Princeton University, Princeton, NJ, USA, 2003. [Google Scholar]
- Afzal, N.; Seena, A.; Bushra, A. Turbulent flow in a machine honed rough pipe for large Reynolds numbers: General roughness scaling laws. J. Hydro-Environ. Res. 2013, 7, 81–90. [Google Scholar] [CrossRef]
- Swamee, P.K.; Jain, A.K. Explicit equations for pipe-flow problems. J. Hydraul. Div. 1976, 102, 657–664. [Google Scholar] [CrossRef]
- Haaland, S.E. Simple and explicit formulas for the friction factor in turbulent flow. J. Fluids Eng. 1983, 105, 89–90. [Google Scholar] [CrossRef]
- Serghides, T.K. Estimate friction factor accurately. Chem. Eng. J. 1984, 91, 63–64. [Google Scholar]
- Brkić, D. An explicit approximation of Colebrook’s equation for fluid flow friction factor. Pet. Sci. Technol. 2011, 29, 1596–1602. [Google Scholar] [CrossRef]
- Brkić, D.; Praks, P. Accurate and efficient explicit approximations of the Colebrook flow friction equation based on the Wright ω-function. Mathematics 2019, 7, 34. [Google Scholar] [CrossRef]
- Niaskar, M. Revisiting the estimation of Colebrook friction factor: A comparison between artificial intelligence models and C-W based explicit equations. KSCE J. Civ. Eng. 2019, 23, 4311–4326. [Google Scholar] [CrossRef]
- Urbanowicz, K.; Bergant, A.; Deptula, A.; Karpenko, M. Navier-Stokes solutions for accelerating pipe flow—A review of analytical models. Energies 2023, 16, 1407. [Google Scholar] [CrossRef]
- Roiti, A. Sul movimento dei liquidi. In Annali della Scuola Normale Superiore di Pisa-Scienze Fisiche e Matematiche; Numdam: Grenoble, France, 1871; Volume 1, pp. 193–240. [Google Scholar]
- Gromeka, I.S. On a theory of the motion of fluids in narrow cylindrical tubes. Uch. Zap. Kazan. Inst. 1882, 112. (In Russian) [Google Scholar]
- Sutera, S.P.; Skalak, R. The history of Poiseuille’s law. Annu. Rev. Fluid Mech. 1993, 25, 1–20. [Google Scholar] [CrossRef]
- Batchelor, G.K. An Introduction to Fluid Dynamics; Cambridge University Press: Cambridge, UK, 2000. [Google Scholar]
- Rosenhead, L. (Ed.) Laminar Boundary Layers; Oxford University Press: Oxford, UK, 1963. [Google Scholar]
- Proudman, J. IV. Notes on the motion of viscous liquids in channels. Lond. Edinb. Dublin Philos. Mag. J. Sci. 1914, 28, 30–36. [Google Scholar] [CrossRef][Green Version]
- Berker, R. Intégration des équations du mouvement d’un fluide visqueux incompressible. Handb. Phys. 1963, 3, 1–384. [Google Scholar]
- Drazin, P.G.; Riley, N. The Navier-Stokes Equations: A Classification of Flows and Exact Solutions; Cambridge University Press: Cambridge, UK, 2006. [Google Scholar]
- Womersley, J.R. Method for the calculation of velocity, rate of flow and viscous drag in arteries when the pressure gradient is known. J. Physiol. 1955, 127, 553–563. [Google Scholar] [CrossRef] [PubMed]
- Uchida, S. The pulsating viscous flow superposed on the steady laminar motion of incompressible fluid in a circular pipe. Z. Angew. Math. Phys. 1956, 7, 403–422. [Google Scholar] [CrossRef]
- Pozrikidis, C. Introduction to Theoretical and Computational Fluid Dynamics; Oxford University Press: Oxford, UK, 2011. [Google Scholar]
- Taylor, G.I. Stability of a viscous liquid contained between two rotating cylinders. Phil. Trans. R. Soc. Lond. Ser. A 1923, 223, 289–343. [Google Scholar]
- Wendl, M.C. General solution for the Couette flow profile. Phys. Rev. E 1999, 60, 6192–6194. [Google Scholar] [CrossRef]
- Wang, C.Y. Exact solutions of the steady-state Navier-Stokes equations. Annu. Rev. Fluid Mech. 1991, 23, 159–177. [Google Scholar] [CrossRef]
- Ito, H. Theory of laminar flow through a pipe with non-steady pressure gradients. Trans. Japan Soc. Mech. Eng. 1952, 18, 101–108. [Google Scholar] [CrossRef]
- Avula, X.J.R. A combined method for determining velocity of starting flow in a long circular tube. J. Phys. Soc. Japan 1969, 27, 497–502. [Google Scholar] [CrossRef]
- Avula, X.J.R.; Young, D.F. Start-up flow in the entrance region of a circular tube. ZAMM-J. Appl. Math. Mech. Z. Angew. Math. Mech. 1971, 51, 517–526. [Google Scholar] [CrossRef]
- Smith, S.H. Classroom note: Time-dependent Poiseuille flow. SIAM Rev. 1997, 39, 511–513. [Google Scholar] [CrossRef]
- Roller, J.E. Unsteady Flow in a Smooth Pipe After Instantaneous Opening of a Downstream Valve. Master’s Thesis, Georgia Institute of Technology, Atlanta, GA, USA, 1956. [Google Scholar]
- Fan, C. Non-Steady, Viscous, Incompressible Flow in Cylindrical and Rectangular Conduits (with Emphasis on Periodically Oscillating Flow). Ph.D. Thesis, University of Illinois, Champaign, IL, USA, 1964. [Google Scholar]
- Song, G. Determination of Friction Factors for the Pulsatile Laminar Flow of Water and Blood on Rigid Tubes. Ph.D. Thesis, University of Cincinnati, Cincinnati, OH, USA, 1966. [Google Scholar]
- Hershey, D.; Song, C. Friction factors and pressure drop for sinusoidal laminar flow of water and blood in rigid tubes. AIChE J. 1967, 13, 491–496. [Google Scholar] [CrossRef]
- Zielke, W. Frequency-Dependent Friction in Transient Pipe Flow. Ph.D. Thesis, University of Michigan, Ann Arbor, MI, USA, 1966. [Google Scholar]
- Avula, X.J.R. Unsteady Flow in the Entrance Region of a Circular Tube. Ph.D. Thesis, Iowa State University, Ames, IA, USA, 1968. [Google Scholar]
- Daneshyar, H. Development of unsteady laminar flow in an incompressible fluid in a long circular pipe. Int. J. Mech. Sci. 1970, 12, 435–445. [Google Scholar] [CrossRef]
- Wang, X.Q.; Sun, J.G.; Sha, W.T. Transient flows and pressure waves in pipes. In Proceedings of the ASME/JSME Pressure Vessels and Piping Conference, Minneapolis, MN, USA, 19–23 June 1994; pp. 19–23. [Google Scholar]
- Sun, J.G.; Wang, X.Q. Pressure transient in liquid lines. In Proceedings of the ASME/JSME Pressure Vessels and Piping Conference, Honolulu, HI, USA, 23–27 July 1995; pp. 23–27. [Google Scholar]
- Lee, Y. Analytical solutions of channel and duct flows due to general pressure gradients. Appl. Math. Model. 2017, 43, 279–286. [Google Scholar] [CrossRef]
- Andersson, H.I.; Tiseth, K.L. Start-up flow in a pipe following the sudden imposition of a constant flow rate. Chem. Eng. Commun. 1992, 112, 121–133. [Google Scholar] [CrossRef]
- Sparrow, E.M.; Lin, S.H.; Lundgren, T.S. Flow development in the hydrodynamic entrance region of tubes and ducts. Phys. Fluids 1964, 7, 338–347. [Google Scholar] [CrossRef]
- Das, D.; Arakeri, J.H. Transition of unsteady velocity profiles with reverse flow. J. Fluid Mech. 1998, 374, 251–283. [Google Scholar] [CrossRef]
- Terrill, R.M. Laminar flow in a porous tube. J. Fluids Eng. 1983, 105, 303–307. [Google Scholar] [CrossRef]
- Aggarwala, B.D.; Gangal, M.K. Fully developed laminar flow in porous ducts. J. Math. Phys. Sci. 1977, 11, 37–46. [Google Scholar]
- Terrill, R.M.; Colgan, T. Some simple analytic solutions of the Navier-Stokes equations. Int. J. Eng. Sci. 1991, 29, 55–68. [Google Scholar] [CrossRef]
- Zagustin, A.; Zagustin, K. Analytical solution for turbulent flow in pipes. La Houille Blanche 1969, 55, 113–118. [Google Scholar] [CrossRef]
- Wang, C.Y. Exact solutions of the Navier-Stokes equations—The generalized Beltrami flows, review and extension. Acta Mech. 1990, 81, 69–74. [Google Scholar] [CrossRef]
- Thomann, H. Acoustical streaming and thermal effects in pipe flow with high viscosity. J. Appl. Math. Phys. 1976, 27, 709–715. [Google Scholar] [CrossRef]
- Urbanowicz, K.; Tijsseling, A.S.; Firkowski, M. Comparing convolution-integral models with analytical pipe-flow solutions. J. Phys. Conf. Ser. 2016, 760, 012026. [Google Scholar] [CrossRef]
- Kanuri, V.R.; Kasulanati, V.C.S.; Brahmanandam, P.S.; Medinty, S.S.M.K. Investigating Poiseuille flows in rotating inclined pipes: An analytical approach. Int. J. Heat Technol. 2024, 42, 329–336. [Google Scholar] [CrossRef]
- Bocci, A.; Mingari Scarpello, G.; Ritelli, D. Unsteady roto-translational viscous flow: Analytical solution to Navier-Stokes equations in cylindrical geometry. J. Geom. Symmetry Phys. 2018, 48, 1–21. [Google Scholar] [CrossRef]
- Pillai, A.V.; Manu, K.V. Analytical solutions for unsteady pipe flows with slip boundary condition. J. Appl. Fluid Mech. 2020, 13, 1015–1026. [Google Scholar] [CrossRef]
- Kim, T.Y. Analytical solution for laminar entrance flow in circular pipes. J. Fluid Mech. 2023, 979, A51. [Google Scholar] [CrossRef]
- Cox, B.J.; Hill, J.M. Flow through a circular tube with a permeable Navier slip boundary. Nanoscale Res. Lett. 2011, 6, 389. [Google Scholar] [CrossRef]
- Kannaiyan, A.; Varathalingarajah, T.; Natarajan, S. Analytical solutions for the incompressible laminar pipe flow rapidly subjected to the arbitrary change in the flow rate. Phys. Fluids 2021, 33, 043601. [Google Scholar] [CrossRef]
- Dunnimit, P.; Sawangtong, W.; Sawangtong, P. An approximate analytical solution of the time-fractional Navier-Stokes equations by the generalized Laplace residual power series method. Partial. Differ. Equations Appl. Math. 2024, 9, 100629. [Google Scholar] [CrossRef]
- Lyberg, M.D.; Tryggeson, H. An analytical solution of the Navier-Stokes equation for internal flows. J. Phys. A Math. Theory 2007, 40, F465–F471. [Google Scholar] [CrossRef]
- Mohammadein, S.A.; Gad El-Rab, R.A.; Ali, M.S. The simplest analytical solution of Navier-Stokes equations. Inf. Sci. Lett. 2021, 10, 159–165. [Google Scholar]
- Mohammadein, S.A.; Ali, A.S.; Ali, M.S. The analytical and simplest resolution of linear Navier-Stokes equations. Appl. Math. Inf. Sci. 2022, 16, 1043–1048. [Google Scholar]
- Fatsis, A.; Statharas, J.; Panoutsopoulou, A.; Vlachakis, N. A new class of exact solutions of the Navier-Stokes equations for swirling flows in porous and rotating pipes. In Advances in Fluid Mechanics VIII; Rahman, M., Ed.; WIT Press: Southampton, UK, 2010; Volume 69, pp. 67–78. [Google Scholar]
- Manopoulos, C.; Raptis, A.; Tsangaris, S. Analytical solution of oscillatory Stokes flow in a porous pipe with spatiotemporally periodic suction/injection. Appl. Mech. 2022, 3, 683–691. [Google Scholar] [CrossRef]
- Pai, S.I. On turbulent flow in circular pipe. J. Frankl. Inst. 1953, 256, 337–352. [Google Scholar] [CrossRef]
- García García, F.J.; Alvariño, P.F. On an analytic solution for the general unsteady/transient turbulent pipe flow and starting turbulent flow. Eur. J. Mech. B/Fluids 2018, 74, 200–210. [Google Scholar] [CrossRef]
- Fedoseyev, A. Approximate analytical solution for turbulent flow in channel. J. Phys. Conf. Ser. 2023, 2675, 012011. [Google Scholar] [CrossRef]
- Fedoseyev, A.I.; Alexeev, B.V. Generalized hydrodynamic equations for viscous flows—Simulation versus experimental data. AIP Conf. Proc. 2012, 1487, 241–247. [Google Scholar]
- Green, A.E.; Naghdi, P.M. A direct theory of viscous fluid flows in pipes. I. Basic general developments. Phil. Trans. R. Soc. Lond. A 1993, 342, 525–542. [Google Scholar]
- Green, A.E.; Naghdi, P.M.; Stallard, M.J. A direct theory of viscous fluid flows in pipes. II. Flow of incompressible viscous fluid in curved pipes. Phil. Trans. R. Soc. Lond. A 1993, 342, 543–572. [Google Scholar]
- Hullender, D.; Woods, R.; Huang, Y.W. Single phase compressible steady flow in pipes. J. Fluids Eng. 2010, 132, 014502. [Google Scholar] [CrossRef]
- Taylor, G.I. The criterion for turbulence in curved pipes. Proc. R. Soc. Lond. A 1929, 124, 243–249. [Google Scholar]
- Wattendorf, F.L. A study of the effect of curvature on fully developed turbulent flow. Proc. R. Soc. Lond. Ser. A 1935, 148, 565–598. [Google Scholar]
- Weske, J.R. Experimental Investigation of Velocity Distributions Downstream of Single Duct Bends; Technical Report 1471; National Advisory Committee for Aeronautics: Washington, DC, USA, 1948. [Google Scholar]
- Detra, R.W. The Secondary Flow in Curved Pipes. Ph.D. Thesis, The Swiss Federal Institute of Technology, Zurich, Switzerland, 1953. [Google Scholar]
- Tunstall, M.J.; Harvey, J.K. On the effect of a sharp bend in a fully developed turbulent pipe-flow. J. Fluid Mech. 1968, 34, 595–608. [Google Scholar] [CrossRef]
- Ward Smith, A.J. Pressure Losses in Ducted Flows; Butterworths Publishers: Oxford, UK, 1975. [Google Scholar]
- Humphrey, J.A.C.; Taylor, A.M.K.; Whitelaw, J.H. Laminar flow in a square duct of strong curvature. J. Fluid Mech. 1977, 83, 509–527. [Google Scholar] [CrossRef]
- Humphrey, J.A.C.; Whitelaw, J.H.; Yee, G. Turbulent flow in a square duct of strong curvature. J. Fluid Mech. 1981, 103, 443–463. [Google Scholar] [CrossRef]
- Taylor, A.M.K.P.; Whitelaw, J.H.; Yianneskis, M. Measurements of Laminar and Turbulent Flow in a Curved Duct with Thin Inlet Boundary Layers; Technical Report NASA-CR-3367; NASA: Washington, DC, USA, 1981. [Google Scholar]
- Taylor, A.M.K.P.; Whitelaw, J.H.; Yianneskis, M. Curved ducts with strong secondary motion: Velocity measurements of developing laminar and turbulent flow. J. Fluids Eng. 1982, 104, 350–359. [Google Scholar] [CrossRef]
- Enayet, M.M.; Gibson, M.M.; Yianneskis, M. Measurements of turbulent developing flow in a moderately curved square duct. Int. J. Heat Fluid Flow 1982, 3, 221–224. [Google Scholar] [CrossRef]
- Taylor, A.M.K.P.; Whitelaw, J.H.; Yianneskis, M. Developing Flow in S-Shaped Ducts. I. Square Cross-Section Duct; Technical Report NASA-CR-3550; NASA: Washington, DC, USA, 1982. [Google Scholar]
- Rojas, J.; Whitelaw, J.H.; Yianneskis, M. Flow in sigmoid diffusers of moderate curvature. In Proceedings of the 4th Symposium on Turbulent Shear Flows, Karlsruhe, Germany, 12–14 September 1983. [Google Scholar]
- Enayet, M.M.; Gibson, M.M.; Taylor, A.M.K.P.; Yianneskis, M. Laser-Doppler measurements of laminar and turbulent flow in a pipe bend. Int. J. Heat Fluid Flow 1982, 3, 213–219. [Google Scholar] [CrossRef]
- Azzola, J.; Humphrey, J.A.C.; Iacovides, H.; Launder, B.E. Developing turbulent flow in a U-bend of circular cross-section: Measurement and computation. J. Fluids Eng. 1986, 108, 214–221. [Google Scholar] [CrossRef]
- Lee, G.H.; Choi, Y.D.; Han, H.S. Measurement of developing turbulent flow in a U-bend of circular cross-section. J. Mech. Sci. Technol. 2007, 21, 348–359. [Google Scholar] [CrossRef]
- Anwer, M.; So, R.M.C.; Lai, Y.G. Perturbation by and recovery from bend curvature of a fully developed turbulent pipe flow. Phys. Fluids A Fluid Dyn. 1989, 1, 1387–1397. [Google Scholar] [CrossRef]
- Anwer, M.; So, R.M.C. Frequency of sublayer bursting in a curved bend. J. Fluid Mech. 1990, 210, 415–435. [Google Scholar] [CrossRef]
- Sudo, K.; Sumida, M.; Hibara, H. Experimental investigation on turbulent flow in a square-sectioned 90-degree bend. Exp. Fluids 2001, 30, 246–252. [Google Scholar] [CrossRef]
- Sudo, K.; Sumida, M.; Hibara, H. Experimental investigation on turbulent flow in a circular-sectioned 90-degree bend. Exp. Fluids 1998, 25, 42–49. [Google Scholar] [CrossRef]
- Sudo, K.; Sumida, M.; Hibara, H. Experimental investigation on turbulent flow through a circular-sectioned 180° bend. Exp. Fluids 2000, 28, 51–57. [Google Scholar] [CrossRef]
- Wada, A.; Toda, M.; Kuriyama, M.; Harada, E.; Sato, R.; Konno, H. Convective heat transfer for highly viscous fluids with variable viscosity in cooling pipes. J. Chem. Eng. Jpn. 1986, 19, 20–26. [Google Scholar] [CrossRef][Green Version]
- McNeil, D.A.; Stuart, A.D. Highly viscous liquid flow in pipeline components. Proc. Inst. Mech. E. Part C J. Mech. Eng. Sci. 2005, 219, 267–281. [Google Scholar] [CrossRef]
- Hellström, L.H.O.; Zlatinov, M.B.; Cao, G.; Smits, A.J. Turbulent pipe flow downstream of a 90° bend. J. Fluid Mech. 2013, 735, R7. [Google Scholar] [CrossRef]
- Sakakibara, J.; Machida, N. Measurement of turbulent flow upstream and downstream of a circular pipe bend. Phys. Fluids 2012, 24, 041702. [Google Scholar] [CrossRef]
- White, A. Flow of a fluid in axially rotating pipe. J. Mech. Eng. Sci. 1964, 6, 47–54. [Google Scholar] [CrossRef]
- Lavan, Z.; Nielsen, H.; Fejer, A.A. Separation and flow reversal in swirling flows in circular ducts. Phys. Fluids 1969, 12, 1747–1757. [Google Scholar] [CrossRef]
- Murakami, M.; Kikuyama, K. Turbulent flow in axially rotating pipes. J. Fluids Eng. 1980, 102, 97–103. [Google Scholar] [CrossRef]
- Kikuyama, K.; Murakami, M.; Nishibori, K. Development of three-dimensional turbulent boundary layer in an axially rotating pipe. J. Fluids Eng. 1983, 105, 154–160. [Google Scholar] [CrossRef]
- Reich, G.; Beer, H. Fluid flow and heat transfer in an axially rotating pipe—I. Effect of rotation on turbulent pipe flow. Int. J. Heat Mass Transf. 1989, 32, 551–562. [Google Scholar] [CrossRef]
- Imao, S.; Itoh, M.; Harada, T. Turbulent characteristics of the flow in an axially rotating pipe. Int. J. Heat Fluid Flow 1996, 17, 444–451. [Google Scholar] [CrossRef]
- Rocklage-Marliani, G.; Schmidts, M.; Vasanta Ram, V.I. Three-dimensional laser-Doppler velocimeter measurements in swirling turbulent pipe flow. Flow Turbul. Combust. 2003, 70, 43–67. [Google Scholar] [CrossRef]
- Facciolo, L.; Tillmark, N.; Talamelli, A.; Alfredsson, P.H. A study of swirling turbulent pipe and jet flows. Phys. Fluids 2007, 19, 035105. [Google Scholar] [CrossRef]
- Oberlack, M. Similarity in non-rotating and rotating turbulent pipe flows. J. Fluid Mech. 1999, 379, 1–22. [Google Scholar] [CrossRef]
- Oberlack, M. A unified approach for symmetries in plane parallel turbulent shear flows. J. Fluid Mech. 2001, 427, 299–328. [Google Scholar] [CrossRef]
- Shimizu, Y.; Sugino, K. Hydraulic losses and flow patterns of a swirling flow in U-bends. Bull. JSME 1980, 23, 1443–1450. [Google Scholar] [CrossRef]
- Anwer, M.; So, R.M.C. Swirling turbulent flow through a curved pipe. Part I: Effect of swirl and bend curvature. Exp. Fluids 1993, 14, 85–96. [Google Scholar] [CrossRef]
- So, R.M.C.; Anwer, M. Swirling turbulent flow through a curved pipe. Part 2: Recovery from swirl and bend curvature. Exp. Fluids 1993, 14, 169–177. [Google Scholar] [CrossRef]
- Kitoh, O. Swirling flow through a bend. J. Fluid Mech. 1987, 175, 429–446. [Google Scholar] [CrossRef]
- Chang, T.H.; Lee, H.S. An experimental study on swirling flow in a 90 degree circular tube by using particle image velocimetry. J. Vis. 2003, 6, 343–352. [Google Scholar] [CrossRef]
- Kalpakli, A.; Örlü, R. Turbulent pipe flow downstream a 90° bend with and without superimposed swirl. Int. J. Heat Fluid Flow 2013, 41, 103–111. [Google Scholar] [CrossRef]
- Kalpakli Vester, A.; Sattarzadeh, S.S.; Örlü, R. Combined hot-wire and PIV measurements of a swirling turbulent flow at the exit of a 90° pipe bend. J. Vis. 2016, 19, 261–273. [Google Scholar] [CrossRef]
- Kim, J.; Yadav, M.; Kim, S. Characteristics of secondary flow induced by 90-degree elbow in turbulent pipe flow. Eng. Appl. Comput. Fluid Mech. 2014, 8, 229–239. [Google Scholar] [CrossRef]
- Zaragola, M.V.; Smits, A.J. Scaling of the mean velocity profile for turbulent pipe flow. Phys. Rev. Lett. 1997, 78, 239–242. [Google Scholar]
- Wang, S.; Ren, C.; Sun, Y.; Yang, X.; Tu, J. A study on the instantaneous turbulent flow field in a 90-degree elbow pipe with circular section. Sci. Technol. Nucl. Install. 2016, 2016, 5265748. [Google Scholar] [CrossRef]
- Synowiec, P.; Andruszkiewicz, A.; Wȩdrychowicz, W.; Piechota, P.; Wróblewska, E. Influence of flow disturbances behind the 90° bend on the indications of the ultrasonic flow meter with clamp-on sensors on pipelines. Sensors 2021, 21, 868. [Google Scholar] [CrossRef]
- Guo, G.; Kamigaki, M.; Zhang, Q.; Inoue, Y.; Nishida, K.; Hongou, H.; Koutoku, M.; Yamamoto, R.; Yokohata, H.; Sumi, S.; et al. Experimental study and conjugate heat transfer simulation of turbulent flow in a 90° curved square pipe. Energies 2021, 14, 94. [Google Scholar] [CrossRef]
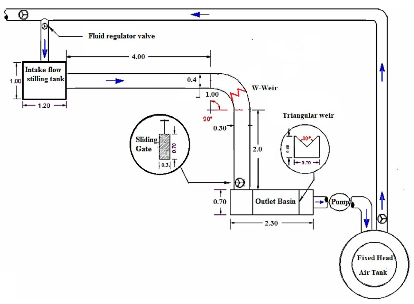
- Atashi, V.; Bejestan, M.S.; Lim, Y.H. Flow pattern and erosion in a 90-degrees sharp bend around a W-Weir. Water 2023, 15, 11. [Google Scholar] [CrossRef]
- Bhuiyan, F.; Hey, R.D.; Wormleaton, P.R. Effects of vanes and W-Weir on sediment transport in meandering channels. J. Hydraul. Eng. 2009, 135, 339–349. [Google Scholar] [CrossRef]
- Liu, Z.; Benjamin, S.F.; Roberts, C.A. Pulsatile flow maldistribution within an axisymmetric catalytic converter—Flow rig experiment and transient CFD simulation. SAE Pap. 2003, 2003-01-3070, 16. [Google Scholar]
- Persoons, T.; Van den Bulck, E.; Hoefnagels, A. Experimental study of pulsating flow in a close-coupled catalyst manifold on a charged motored engine using oscillating hot-wire anemometry. SAE Pap. 2006, 2006-01-0623, 7. [Google Scholar]
- Oki, J.; Ikeguchi, M.; Ogata, Y.; Nishida, K.; Yamamoto, R.; Nakamura, K.; Yanagida, H.; Yokohata, H. Experimental and numerical investigation of a pulsatile flow field in an S-shaped exhaust pipe of an automotive engine. J. Fluid Sci. Technol. 2017, 12, JFST0014. [Google Scholar] [CrossRef][Green Version]
- Kato, Y.; Fujimoto, K.; Guo, G.; Kawaguchi, M.; Kamigaki, M.; Koutoku, M.; Hongou, H.; Yanagida, H.; Ogata, Y. Heat transfer characteristics of turbulence flow in double-90°-bend pipes. Energies 2023, 16, 7314. [Google Scholar] [CrossRef]
- Shen, Y.; Jia, X.; Lv, M.; Wang, Y.; Zhang, W.; Qin, J. Initial experimental investigation of hydraulic characteristics at right-angle diversion in a combined canal and pipe water conveyance system. Water 2024, 16, 3174. [Google Scholar] [CrossRef]
- Bodoia, J.R.; Osterle, J.F. Finite difference analysis of plane Poiseuille and Couette flow developments. Appl. Sci. Res. 1961, 10, 265–276. [Google Scholar] [CrossRef]
- Collins, M.; Schowalter, W.R. Laminar flow in the inlet region of a straight channel. Phys. Fluids 1962, 5, 1122–1124. [Google Scholar] [CrossRef]
- Hornbeck, R.W. Laminar flow in the entrance region of a pipe. Appl. Sci. Res. 1964, 13, 224–232. [Google Scholar] [CrossRef]
- Wallin, S.; Johansson, A.V. Modelling streamline curvature effects in explicit algebraic Reynolds stress turbulence models. Int. J. Heat Fluid Flow 2002, 23, 721–730. [Google Scholar] [CrossRef]
- Röhrig, R.; Jakirlić, S.; Tropea, C. Comparative computational study on turbulent flow in a 90° pipe elbow. Int. J. Heat Fluid Flow 2015, 55, 120–131. [Google Scholar] [CrossRef]
- Rowe, M. Measurements and computations of flow in pipe bends. J. Fluid Mech. 1970, 43, 771–783. [Google Scholar] [CrossRef]
- Pantakar, S.V.; Pratap, V.S.; Spalding, D.B. Prediction of turbulent flow in curved pipes. J. Fluid Mech. 1975, 67, 583–595. [Google Scholar]
- Mori, Y.; Nakayama, W. Study of forced convective heat transfer in curved pipes (2nd report, turbulent region). Int. J. Heat Mass Transf. 1967, 10, 37–59. [Google Scholar] [CrossRef]
- Al-Rafai, W.N.; Tridimas, Y.D.; Woolley, N.H. A study of turbulent flows in pipe bends. Proc. Instn. Mech, Eng. Part C J. Mech. Eng. Sci. 1990, 204, 399–408. [Google Scholar] [CrossRef]
- Hilgenstock, A.; Ernst, R. Analysis of installation effects by means of computational fluid dynamics—CFD vs experiments? Flow Meas. Instrum. 1996, 7, 161–171. [Google Scholar] [CrossRef]
- Boersma, B.J.; Nieuwstadt, F.T.M. Large-eddy simulation of turbulent flow in a curved pipe. J. Fluids Eng. 1996, 118, 248–254. [Google Scholar] [CrossRef]
- Boersma, B.J.; Nieuwstadt, F.T.M. Non-unique solutions in turbulent curved pipe flow. In Direct and Large-Eddy Simulation II. ERCOFTAC Series; Chollet, J.P., Voke, P.R., Kleiser, R., Eds.; Springer: Dordrecht, The Netherlands, 1997; Volume 5, pp. 257–266. [Google Scholar]
- Moser, R.D.; Kim, J.; Mansour, N.N. Direct numerical simulation of turbulent channel flow up to Reτ=590. Phys. Fluids 1999, 11, 943–945. [Google Scholar] [CrossRef]
- Kim, J.; Moin, P.; Moser, R.D. Turbulence statistics in fully developed channel flow at low Reynolds number. J. Fluid Mech. 1987, 77, 133–166. [Google Scholar] [CrossRef]
- Quadrio, M.; Luchini, P. Direct numerical simulation of the turbulent flow in a pipe with annular cross section. Eur. J. Mech. B/Fluids 2002, 21, 413–427. [Google Scholar] [CrossRef]
- Suguyama, H.; Hitomi, D. Numerical analysis of developing turbulent flow in a 180° bend tube by an algebraic Reynolds stress model. Int. J. Numer. Meth. Fluids 2005, 47, 1431–1449. [Google Scholar] [CrossRef]
- Rütten, F.; Schröder, W.; Meinke, M. Large-eddy simulation of low frequency oscillations of the Dean vortices in turbulent pipe bend flows. Phys. Fluids 2005, 17, 035107. [Google Scholar] [CrossRef]
- Meinke, D.; Schröder, W.; Krause, E.; Rister, T. A comparison of second- and sixth-order methods for large-eddy simulations. Comput. Fluids 2002, 31, 695–718. [Google Scholar] [CrossRef]
- Rup, K.; Malinowski, Ł.; Sarna, P. Measurement of flow rate in square-sectioned duct bend. J. Theor. Appl. Mech. 2011, 49, 301–311. [Google Scholar]
- Pellegrini, M.; Endo, H.; Ninokata, H. Numerical investigation of bent pipe flows at transitional Reynolds number. Prog. Nucl. Energy 2011, 53, 916–920. [Google Scholar] [CrossRef]
- Meinke, M.; Abdelfattah, A.; Schulz, C.; Rister, T. Simulation of turbulent flows for complex geometries. In Finite Volumes for Complex Applications; RWTH Publications: Aachen, Germany, 1996; pp. 99–114. [Google Scholar]
- Di Liberto, N.; Di Piazza, I.; Ciofalo, M. Turbulence structure and budgets in curved pipes. Comput. Fluids 2013, 88, 452–472. [Google Scholar] [CrossRef]
- Noorani, A.; El Khoury, G.K.; Schlatter, P. Evolution of turbulence characteristics from straight to curved pipes. Int. J. Heat Fluid Flow 2013, 41, 16–26. [Google Scholar] [CrossRef]
- El Khoury, G.K.; Schlatter, P.; Noorani, A.; Fischer, P.F.; Brethouwer, G.; Johansson, A.V. Direct numerical simulation of turbulent pipe flow at moderately high Reynolds numbers. Flow Turbul. Combust. 2013, 91, 475–495. [Google Scholar] [CrossRef]
- Wang, Z.; Örlü, R.; Schlatter, P.; Chung, Y.M. Direct numerical simulation of a turbulent 90° bend pipe flow. Int. J. Heat Fluid Flow 2018, 73, 199–208. [Google Scholar] [CrossRef]
- Yao, J.; Rezaeiravesh, S.; Schlatter, P.; Hussain, F. Direct numerical simulations of turbulent pipe flow up to Reτ≈5200. J. Fluid Mech. 2023, 956, A18. [Google Scholar] [CrossRef]
- Lee, M.; Moser, R.D. Direct numerical simulations of turbulent channel flow up to Reτ=5200. J. Fluid Mech. 2015, 774, 395–415. [Google Scholar] [CrossRef]
- Liu, X.; Zhou, X.; Hao, X.; Sang, X. Modified numerical simulation model of blood flow in bend. West Indian Med. J. 2015, 64, 495–498. [Google Scholar]
- Tan, L.; Zhu, B.; Wang, Y.; Cao, S.; Liang, K. Turbulent flow simulation using large eddy simulation combined with characteristic-based split scheme. Comput. Fluids 2014, 94, 161–172. [Google Scholar] [CrossRef]
- Wang, Y.; Dong, Q.; Wang, P. Numerical investigation on fluid flow in a 90-degree curved pipe with large curvature ratio. Math. Probl. Eng. 2015, 2015, 548262. [Google Scholar] [CrossRef][Green Version]
- Kang, C.; Yang, K.S. Large eddy simulation of turbulent heat transfer in curved-pipe flow. J. Heat Transf. 2015, 138, 011704. [Google Scholar] [CrossRef]
- Carlsson, C.; Alenius, E.; Fuchs, L. Swirl switching in turbulent flow through 90° pipe bends. Phys. Fluids 2015, 27, 085112. [Google Scholar] [CrossRef]
- Schlatter, P.; Hufnagel, L.; Canton, J.; Merzari, E.; Marin, O.; Örlü, R. Swirl switching in bent pipes studied by numerical simulation. In Proceedings of the 10th International Symposium on Turbulence and Shear Flow Phenomena (TSFP10), Chicago, IL, USA, 7–9 July 2017. [Google Scholar]
- Venters, R.; Helenbrook, B.T.; Ahmadi, G.; Bohl, D.; Bluestein, A. Flow through an elbow: A direct numerical simulation investigating turbulent flow quantities. Int. J. Heat Fluid Flow 2021, 90, 108835. [Google Scholar] [CrossRef]
- Bluestein, A.M.; Venters, R.; Bohl, D.; Helenbrook, B.T.; Ahmadi, G. Turbulent flow through a ducted elbow and plugged tee geometry: An experimental and numerical study. J. Fluids Eng. 2019, 141, 081101. [Google Scholar] [CrossRef]
- Smyk, E.; Stopel, M.; Szyca, M. Simulation of flows and pressure loss in the example of the elbow. Water 2024, 16, 1875. [Google Scholar] [CrossRef]
- Fazeli, M.; Emdad, H.; Alishahi, M.M.; Rezaeiravesh, S. Wall-modelled large eddy simulation of 90° bent pipe flows with/without particles: A comparative study. Int. J. Heat Fluid Flow 2024, 105, 109268. [Google Scholar] [CrossRef]
- Mikuž, B.; Cerkovnik, K.; Tiselj, I. Asymmetric propagation in a pipe flow downstream of a 90° sharp elbow bend. Appl. Sci. 2024, 14, 7895. [Google Scholar] [CrossRef]
- Jeong, J.; Hussain, F. On the identification of a vortex. J. Fluid Mech. 1995, 285, 69–94. [Google Scholar] [CrossRef]
- Zhang, J.; Wang, D.; Wang, W.; Zhu, Z. Numerical investigation and optimization of the flow characteristics of bend pipe with different bending angles. Processes 2022, 10, 1510. [Google Scholar] [CrossRef]
- Jia, L.; Zeng, Y.; Liu, X.; Peng, C.; Li, D.; Liu, F.; He, L. Numerical simulation and experimental verification of the velocity field in asymmetric circular bends. Sci. Rep. 2024, 14, 13933. [Google Scholar] [CrossRef]
- Yang, S.Q.; Tan, S.K.; Wang, X.K. Mechanism of secondary currents in open channel flows. J. Geophys. Res. Earth Surf. 2012, 117, F04014. [Google Scholar] [CrossRef]
- Vinuesa, R.; Noorani, A.; Lozano-Durán, A.; El Khoury, G.K.E.; Schlatter, P.; Fischer, P.F.; Nagib, H.M. Aspect ratio effects in turbulent duct flows studied through direct numerical simulation. J. Turbul. 2014, 15, 677–706. [Google Scholar] [CrossRef]
- Bernardini, M.; Pirozzoli, S.; Orlandi, P. Velocity statistics in turbulent channel flow up to Reτ=4000. J. Fluid Mech. 2014, 742, 171–191. [Google Scholar] [CrossRef]
- Modesti, D.; Pirozzoli, S.; Orlandi, P.; Grasso, F. On the role of secondary motions in turbulent square duct flow. J. Fluid Mech. 2018, 847, R1. [Google Scholar] [CrossRef]
- Pirozzoli, S.; Modesti, D.; Orlandi, P.; Grasso, F. Turbulence and secondary motions in square duct flow. J. Fluid Mech. 2018, 840, 631–655. [Google Scholar] [CrossRef]
- Yu, M.; Modesti, D.; Pirozzoli, S. Direct numerical simulation of flow in open rectangular ducts. J. Fluid Mech. 2023, 977, A32. [Google Scholar] [CrossRef]
- Liakopoulos, A.; Palasis, A. Turbulent channel flow: Direct numerical simulation-data-driven modeling. Fluids 2024, 9, 62. [Google Scholar] [CrossRef]
- Bradshaw, P. Turbulent secondary flows. Ann. Rev. Fluid Mech. 1987, 19, 53–74. [Google Scholar] [CrossRef]
- Nikitin, N.V.; Popelenskaya, N.V.; Stroh, A. Prandtl’s secondary flows of the second kind. Problems of description, prediction, and simulation. Fluid Dyn. 2021, 56, 513–538. [Google Scholar] [CrossRef]
- Bernardini, M.; Modesti, D.; Salvadore, F.; Pirozzoli, S. STREAmS: A high-fidelity accelerated solver for direct numerical simulation of compressible turbulent flows. Comput. Phys. Commun. 2021, 263, 107906. [Google Scholar] [CrossRef]
- Bernardini, M.; Modesti, D.; Salvadore, F.; Sathayanarayana, S.; Posta, G.D.; Pirozzoli, S. STREAmA-2.0: Supersonic turbulent accelerated Navier-Stokes solver version 2.0. Comput. Phys. Commun. 2023, 285, 108644. [Google Scholar] [CrossRef]
- Dean, R.B. Reynolds number dependence of skin friction and other bulk flow varaibles in two-dimensional rectangular duct flow. J. Fluids Eng. 1978, 100, 215–223. [Google Scholar] [CrossRef]
- Zambrano, H.; Sigalotti, L.D.G.; Peña-Polo, F.; Trujillo, L. Turbulent models of oil flow in a circular pipe with sudden enlargement. Appl. Math. Model. 2015, 39, 6711–6724. [Google Scholar] [CrossRef]
- Morad, A.M.A.; Qasim, R.M.; Ali, A.A. Study of the behaviours of single-phase turbulent flow at low and moderate Reynolds numbers through a vertical pipe. Part I: 2D counters analysis. EUREKA Phys. Eng. 2020, 6, 108–122. [Google Scholar] [CrossRef]
- Song, S.; Yang, X.; Xin, F.; Lu, T.J. Modeling of surface roughness effects on Stokes flow in circular pipes. Phys. Fluids 2018, 30, 023604. [Google Scholar] [CrossRef]
- Altowayti, W.A.H.; Othama, N.; Tajarudin, H.A.; Al-Dhaqm, A.; Asharuddin, S.M.; Al-Gheethi, A.; Alshalif, A.F.; Salem, A.A.; Din, M.F.M.; Fitriani, N.; et al. Evaluating the pressure and loss behavior in water pipes using smart mathematical modelling. Water 2021, 13, 3500. [Google Scholar] [CrossRef]
- Wiens, T. Correction factors for the use of 1D solution methods for dynamic laminar liquid flow through curved tubes. Fluids 2024, 9, 138. [Google Scholar] [CrossRef]
- Wu, X.; Liu, L.; Luo, X.; Chen, J.; Dai, J. Study on flow field characteristics of the 90° rectangular elbow in the exhaust hood of a uniform push-pull ventilation device. Int. J. Environ. Res. Public Health 2018, 15, 2884. [Google Scholar] [CrossRef]
- Yin, G.; Ong, M.C.; Zhang, P. Numerical investigations of pipe flow downstream a flow conditioner with bundle of tubes. Eng. Appl. Comput. Fluid Mech. 2023, 17, 2154850. [Google Scholar] [CrossRef]
- Yang, Q.; Dong, J.; Xing, T.; Zhang, Y.; Guan, Y.; Liu, X.; Tian, Y.; Yu, P. RANS-based modelling of turbulent flow in submarine pipe bends: Effect of computational mesh and turbulence modelling. J. Mar. Sci. Eng. 2023, 11, 336. [Google Scholar] [CrossRef]
- Han, F.; Lan, Q.; Liu, Y.; Yin, G.; Ong, M.C.; Li, W.; Wang, Z. Unveiling turbulent flow dynamics in blind-tee pipelines enhancing fluid mixing in subsea pipeline systems. J. Mar. Sci. Eng. 2024, 12, 1199. [Google Scholar] [CrossRef]
- Shaheed, R.; Mohammadian, A.; Yan, X. Numerical simulation of turbulent flow in bends and confluences considering free surface changes using the volume of fluid method. Water 2022, 14, 1307. [Google Scholar] [CrossRef]
- Chin, R.C.; Vinuesa, R.; Örlü, R.; Cardesa, J.I.; Noorani, A.; Chong, M.S.; Schlatter, P. Backflow events under the effect of secondary flow of Prandtl’s first kind. Phys. Rev. Fluids 2020, 5, 074606. [Google Scholar] [CrossRef]
- Salesky, S.T.; Calaf, M.; Anderson, W. Unstable turbulent channel flow response to spanwise-heterogeneous heat fluxes: Prandtl’s secondary flow of the third kind. J. Fluid Mech. 2022, 934, A46. [Google Scholar] [CrossRef]
- Lai, Y.G.; So, R.M.C.; Zhang, H.S. Turbulence-driven secondary flows in a curved pipe. Theor. Comput. Fluid Dyn. 1991, 3, 163–180. [Google Scholar] [CrossRef]
- Fjällman, J.; Mihaescu, M.; Fuchs, L. Analysis of secondary flow induced by a 90° bend in a pipe using model decomposition techniques. In Proceedings of the 14th International Conference on Jets, Wakes and Separated Flows (ICJWSF2013), Nagoya, Japan, 17–21 September 2013. [Google Scholar]
- Dutta, P.; Saha, S.K.; Nandi, N.; Pal, N. Numerical study on flow separation in 90° pipe bend under high Reynolds number by k-ϵ modelling. Eng. Sci. Technol. Int. J. 2016, 19, 904–910. [Google Scholar]
- Fang, X.; Yang, Z.; Wang, B.C.; Tachie, M.F.; Bergstrom, D.J. Large-eddy simulation of turbulent flow and structures in a square duct roughned with perpendicular and V-shaped ribs. Phys. Fluids 2017, 29, 065110. [Google Scholar] [CrossRef]
- Fang, X.; Yang, Z.; Wang, B.C.; Tachie, M.F.; Bergstrom, D.J. Highly-disturbed turbulent flow in a square channel with V-shaped ribs on one wall. Int. J. Heat Fluid Flow 2015, 56, 182–197. [Google Scholar] [CrossRef]
- Dai, Y.J.; Xu, C.X. Wall pressure and secondary-flow origination in a square duct. Phys. Fluids 2019, 31, 085104. [Google Scholar] [CrossRef]
- Karniadakis, G.; Sherwin, S. Spectral/hp Element Methods for Computational Fluid Dynamics; Oxford University Press: Oxford, UK, 2013. [Google Scholar]
- Pinelli, A.; Uhlmann, M.; Sekimoto, A.; Kawahara, G. Reynolds number dependence of mean flow structure in square duct turbulence. J. Fluid Mech. 2010, 644, 107–122. [Google Scholar] [CrossRef]
- Vinuesa, R.; Schlatter, P.; Nagib, H.M. Secondary flow in turbulent ducts with increasing aspect ratio. Phys. Rev. Fluids 2018, 3, 054606. [Google Scholar] [CrossRef]
- Vanderwel, C.; Stroh, A.; Kriegseis, J.; Frohnapfel, B.; Ganapathisubramani. The instantaneous structure of secondary flows in turbulent boundary layers. J. Fluid Mech. 2019, 862, 845–870. [Google Scholar] [CrossRef]
- Lenaers, P.; Li, Q.; Brethouwer, G.; Schlatter, P.; Örlü, R. Rare backflow and extreme wall-normal velocity fluctuations in near-wall turbulence. Phys. Fluids 2012, 24, 035110. [Google Scholar] [CrossRef]
- Spalart, P.R.; Coleman, G.N. Numerical study of a separation bubble with heat transfer. Eur. J. Mech. B/Fluids 1997, 16, 169–189. [Google Scholar]
- Johansson, G. An Experimental Study of the Structure of a Flat Plate Turbulent Boundary Layer, Using Laser-Doppler Velocimetry. Ph.D. Thesis, Chalmers University of Technology, Göteborg, Sweeden, 1988. [Google Scholar]
- Hu, Z.W.; Morfey, C.L.; Sandham, N.D. Wall pressure and shear stress spectra from direct simulations of channel flow. AIAA J. 2006, 44, 1541–1549. [Google Scholar] [CrossRef]
- Lyons, S.L.; Hanratty, T.J.; McLaughlin, J.B. Large-scale computer simulation of fully developed turbulent channel flow with heat transfer. Int. J. Numer. Meth. Fluids 1991, 13, 999–1028. [Google Scholar] [CrossRef]
- Xu, C.; Zhang, Z.; den Toonder, J.M.J.; Nieuwstadt, F.T.M. Origin of high kurtosis levels in the viscous sublayer. Direct numerical simulation and experiment. Phys. Fluids 1996, 8, 1938–1944. [Google Scholar] [CrossRef]
- Manna, M.; Vacca, A. Scaling properties of turbulent pipe flow at low Reynolds number. Comput. Fluids 2001, 30, 393–415. [Google Scholar] [CrossRef]
- Durst, F.; Beronov, K.N. On the difficulties in resolving the viscous sublayer in wall-bounded turbulence. In Direct and Large-Eddy Simulation V; Friedrichs, R., Geurts, B.J., Métais, O., Eds.; Kluwer Academic: Dordrecht, The Netherlands, 2004. [Google Scholar]
- Kaldy, Z.; Ayala, O. Quantitative assessment of secondary flow of single-phase fluid through pipe bends [Conference paper]. In Proceedings of the 2016 COMSOL Conference in Boston, Boston, MA, USA, 5–7 October 2016. [Google Scholar]
- Yao, Y.C.; Huang, W.X.; Xu, C.X. Amplitude modulation and extreme events in turbulent channel flow. Acta Mech. Sin. 2018, 34, 1–9. [Google Scholar] [CrossRef]
- Chin, R.C.; Monty, J.P.; Chong, M.S.; Marusic, I. Conditionally averaged flow topology about a critical point pair in the skin friction field of pipe flows using direct numerical simulations. Phys. Rev. Fluids 2018, 3, 114607. [Google Scholar] [CrossRef]
- Chong, M.S.; Monty, J.P.; Chin, C.; Marusic, I. The topology of skin friction and vorticity fields in wall-bounded flows. J. Turbul. 2012, 13, 1–10. [Google Scholar] [CrossRef]
- Chong, M.S.; Perry, A.E.; Cantwell, B.J. A general classification of three-dimensional flow fields. Phys. Fluids A Fluid Dyn. 1990, 2, 765–777. [Google Scholar] [CrossRef]
- Perry, A.E.; Chong, M.S. A series-expansion study of the Navier-Stokes equations with application to three-dimensional separation patterns. J. Fluid Mech. 1986, 173, 207–223. [Google Scholar] [CrossRef]
- Cardesa, J.I.; Monty, J.P.; Soria, J.; Chong, M.S. The structure and dynamics of backflow in turbulent channels. J. Fluid Mech. 2019, 880, R3. [Google Scholar] [CrossRef]
- Speziale, C.G.; Younis, B.A.; Berger, S.A. Analysis and modelling of turbulent flow in an axially rotating pipe. J. Fluid Mech. 2000, 407, 1–26. [Google Scholar] [CrossRef]
- Kikuyama, K.; Murakami, M.; Nishibori, K.; Maeda, K. Flow in an axially rotating pipe: A calculation of the separated region. Bull. JSME 1983, 26, 506–513. [Google Scholar] [CrossRef]
- Hirai, S.; Takagi, T.; Matsumoto, M. Prediction of the laminarization phenomena in an axially rotating pipe flow. J. Fluids Eng. 1988, 110, 424–430. [Google Scholar] [CrossRef]
- Eggels, J.G.M.; Nieuwstadt, F.T.M. Large-eddy simulations of turbulent flow in an axially rotating pipe. In Proceedings of the 9th Symposium on Turbulent Shear Flows, Kyoto, Japan, 16–18 August 1993; pp. 310–313. [Google Scholar]
- Malin, M.R.; Younis, B.A. The prediction of turbulent transport in an axially rotating pipe. Int. Commun. Heat Mass Transf. 1997, 24, 89–98. [Google Scholar] [CrossRef]
- Orlandi, P.; Fatica, M. Direct simulations of turbulent flow in a pipe rotating about its axis. J. Fluid Mech. 1997, 343, 43–72. [Google Scholar] [CrossRef]
- Feiz, A.A.; Ould-Rouis, M.; Lauriat, G. Large eddy simulation of turbulent flow in a rotating pipe. Int. J. Heat Mass Transf. 2003, 24, 412–420. [Google Scholar] [CrossRef]
- Pruvost, J.; Legrand, J.; Legentilhomme, P. Numerical investigation of bend and torus flows, part I: Effect of swirl motion on flow structure in U-bend. Chem. Eng. Sci. 2004, 59, 3345–3357. [Google Scholar] [CrossRef]
- Nygård, F.; Andersson, H.I. DNS of swirling turbulent pipe flow. Int. J. Numer. Meth. Fluids 2010, 64, 945–972. [Google Scholar] [CrossRef]
- Davis, J.; Ganju, S.; Venkatesh, A.; Ashton, N.; Bailey, S.C.; Brehm, C. Coherence analysis of rotating turbulent pipe flow. In Proceedings of the AIAA Science and Technology Forum and Exposition, Orlando, FL, USA, 6–10 January 2020. [Google Scholar]
- Dunstan, S.D. A direct numerical simulation display of the rotational frame preference of turbulence. AIP Adv. 2023, 13, 045216. [Google Scholar] [CrossRef]
- Gündoğdu, M.Y.; Çarpinlioğlu, M.O. Present state of art on pulsatile flow theory (Part 1: Laminar and transitional flow regimes). JSME Int. J. Ser. B Fluids Therm. Eng. 1999, 42, 384–397. [Google Scholar] [CrossRef]
- Gündoğdu, M.Y.; Çarpinlioğlu, M.O. Present state of art on pulsatile flow theory (Part 2: Turbulent flow regime). JSME Int. J. Ser. B Fluids Therm. Eng. 1999, 42, 398–410. [Google Scholar] [CrossRef]
- Çarpinlioğlu, M.O.; Gündoğdu, M.Y. A critical review on pulsatile pipe flow studies directing towards future research topics. Flow Meas. Instrum. 2001, 12, 163–174. [Google Scholar] [CrossRef]
- Ramaprian, B.R.; Tu, S.W. Fully developed periodic turbolent pipe flow. Part 2. The detailed structure of the flow. J. Fluid Mech. 1983, 137, 59–81. [Google Scholar] [CrossRef]
- Hamakiotes, C.; Berger, S. Fully developed flow in a curved pipe. J. Fluid Mech. 1988, 195, 22–55. [Google Scholar] [CrossRef]
- Dec, J.E.; Keller, J.O.; Hongo, I. Time-resolved velocities and turbulence in oscillating flow of a pulse combustor tail pipe. Combust. Flame 1991, 83, 271–292. [Google Scholar] [CrossRef]
- Hellström, F.; Fuchs, L. Numerical Computations of Steady and Unsteady Flow in Bended Pipes; Technical Report AIAA 2007-4350; American Institute of Aeronautics and Astronautics: Reston, VA, USA, 2007. [Google Scholar]
- Timité, B.; Castelain, C.; Peerhossaini, H. Pulsatile viscous flow in a curved pipe: Effects of pulsation on the development of secondary flow. Int. J. Heat Fluid Flow 2010, 31, 879–896. [Google Scholar] [CrossRef]
- Scotti, A.; Piomelli, U. Numerical simulation of pulsating turbulent channel flow. Phys. Fluids 2001, 13, 1367–1384. [Google Scholar] [CrossRef]
- Mirfendereski, S.; Park, J.S. Direct numerical simulation of a pulsatile flow in a stenotic channel using immersed boundary method. Eng. Rep. 2021, 4, e12444. [Google Scholar] [CrossRef]
- Yapıcı, H.; Albayrak, B. Numerical solutions of conjugate heat transfer and thermal stresses in a circular pipe externally heated with non-uniform heat flux. Energy Convers. Manag. 2004, 45, 927–937. [Google Scholar] [CrossRef]
- Marugán-Cruz, C.; Flores, O.; Santana, D.; García-Villalba, M. Heat transfer and thermal stresses in a circular tube with a non-uniform heat flux. Int. J. Heat Mass Transf. 2016, 96, 256–266. [Google Scholar] [CrossRef]
- Kırmızıgöl; Özaydın, O.; Acarer, S.; Armakan, E. Fluid flow and heat transfer simulations of the cooling system in low pressure die casting. Celal Bayar Univ. J. Sci. 2020, 16, 161–168. [Google Scholar]
- Takeda, H.; Miyama, S.M.; Sekiya, M. Numerical simulation of viscous flow by Smoothed Particle Hydrodynamics. Prog. Theor. Phys. 1994, 92, 939–960. [Google Scholar] [CrossRef]
- Morris, J.P.; Fox, P.J.; Zhu, Y. Modelling low Reynolds number incompressible flows using SPH. J. Comput. Phys. 1997, 136, 214–226. [Google Scholar] [CrossRef]
- Watkins, S.J.; Bhattal, A.S.; Francis, N.; Turner, J.A.; Whitworth, A.P. A new prescription for viscosity in Smoothed Particle Hydrodynamics. Astron. Astrophys. Suppl. Ser. 1996, 119, 177–187. [Google Scholar] [CrossRef]
- Pozorski, J.; Wawreńczuk, A. SPH computation of incompressible viscous flows. J. Theor. Appl. Mech. 2002, 40, 917–937. [Google Scholar]
- Sigalotti, L.D.G.; Klapp, J.; Sira, E.; Meleán, Y.; Hasmy, A. SPH simulations of time-dependent Poiseuille flow at low Reynolds numbers. J. Comput. Phys. 2003, 191, 622–638. [Google Scholar] [CrossRef]
- Wonjoo, M.; Sukbeon, Y.; Oakkey, M. Analysis of Hagen-Poiseuille flow using SPH. KSME Int. J. 2002, 16, 395–402. [Google Scholar] [CrossRef]
- Klapp, J.; Sigalotti, L.D.G.; Galindo, S.; Sira, E. Two-dimensional treesph simulations of choked flow systems. Rev. Mex. Fis. 2005, 51, 563–573. [Google Scholar]
- Hou, Q. Simulating Unsteady Conduit Flows with Smoothed Particle Hydrodynamics. Ph.D. Thesis, Eindhoven University of Technology, Eindhoven, The Netherlands, 2012. [Google Scholar]
- Lastiwka, M.; Basa, M.; Quinlan, N.J. Permeable and non-reflecting boundary conditions in SPH. Int. J. Numer. Meth. Fluids 2009, 61, 709–724. [Google Scholar] [CrossRef]
- Groenenboom, P.H.L.; Mezentsev, A. Pressure outflow boundaries for SPH and coupling SPH to finite volume methods. In Proceedings of the 36th IAHR World Congress, The Hague, The Netherlands, 28 June–3 July 2015; pp. 7488–7497. [Google Scholar]
- Alvarado-Rodríguez, C.E.; Klapp, J.; Sigalotti, L.D.G.; Domínguez, J.M.; de la Cruz Sánchez, E. Nonreflecting outlet boundary conditions for incompressible flows using SPH. Comput. Fluids 2017, 159, 177–188. [Google Scholar] [CrossRef]
- Wang, P.; Zhang, A.M.; Ming, F.; Sun, P.; Cheng, H. A novel non-reflecting boundary condition for fluid dynamics solved by smoothed particle hydrodynamics. J. Fluid Mech. 2019, 860, 81–114. [Google Scholar] [CrossRef]
- Negi, P.; Ramachandran, P.; Haftu, A. An improved non-reflecting outlet boundary condition for weakly-compressible SPH. Comput. Meth. Appl. Mech. Eng. 2020, 367, 113119. [Google Scholar] [CrossRef]
- Bui, T.T.; Nakata, S. Nonreflecting outlet boundary conditions for Smoothed Particle Hydrodynamics simulation of small-scale open-channel flow. In Computational and Experimental Simulations in Engineering; Atluri, S.N., Vušanović, I., Eds.; Springer Nature: Cham, Switzerland, 2020; Volume 1, pp. 60–71. [Google Scholar]
- Ting, E.S.; Yeak, S.H. Water pipe flow simulation using improved virtual particles on smoothed particle hydrdynamics. AIP Conf. Proc. 2014, 1635, 249–255. [Google Scholar]
- Liu, Z.; Liu, Z. The comparison of viscous force approximations of Smoothed Particle Hydrodynamics in Poiseuille flow simulation. J. Fluids Eng. 2017, 139, 051302. [Google Scholar] [CrossRef]
- Basa, M.; Quinlan, N.J.; Lastiwka, M. Robustness and accuracy of SPH formulations for viscous flow. Int. J. Numer. Meth. Fluids 2009, 60, 1127–1148. [Google Scholar] [CrossRef]
- Song, B.; Pazouki, A.; Pöschel, T. Instability of smoothed particle hydrodynamics applied to Poiseuille flow. Comput. Math. Appl. 2018, 75, 1447–1457. [Google Scholar] [CrossRef]
- Yang, Z.J.; Lian, X.; Savari, C.; Barigou, M. Evaluating the effectiveness of CFD-DEM and SPH-DEM for complex pipe flow simulations with and without particles. Chem. Eng. Sci. 2024, 288, 119788. [Google Scholar] [CrossRef]
- Sigalotti, L.D.G.; Alvarado-Rodríguez, C.E.; Klapp, J.; Cela, J.M. Smoothed particle hydrodynamics simulations of water flow in a 90° pipe bend. Water 2021, 13, 1081. [Google Scholar] [CrossRef]
- Alvarado-Rodríguez, C.E.; Sigalotti, L.D.G.; Klapp, J.; Fierro-Santillán, C.R.; Aragón, F.; Uribe-Ramírez, A.R. Smoothed Particle Hydrodynamics simulations of turbulent flow in curved pipes with different geometries: A comparison with experiments. J. Fluids Eng. 2021, 143, 091503. [Google Scholar] [CrossRef]
- Gamisans, X.; Sarrà, M.; Lafuente, F.J.; Azzopardi, B.J. The hydrodynamics of ejector-Venturi scrubbers and their modelling by an annular flow/boundary layer model. Chem. Eng. Sci. 2002, 57, 2707–2718. [Google Scholar] [CrossRef]
- Baylar, A.; Aydin, M.C.; Unsal, M.; Ozkan, F. Numerical modeling of Venturi flows for determining air injection rates using Fluent v6.2. Math. Comput. Appl. 2009, 14, 97–102. [Google Scholar] [CrossRef]
- Akpan, P.U. A CFD simulation of water flow through a variable area Venturi meter. Int. J. Curr. Res. 2014, 6, 5425–5431. [Google Scholar]
- Vijay, P.H.; Subrahmannyam, V. CFD simulation on different geometries of venturimeter. Int. J. Res. Eng. Technol. 2014, 3, 456–463. [Google Scholar]
- Tukimin, A.; Zuber, M.; Ahmad, K.A. CFD analysis of flow through Venturi tube and its discharge coefficient. IOP Conf. Ser. Mater. Sci. Eng. 2016, 152, 012062. [Google Scholar] [CrossRef]
- Shinde, P.R.; Chaudhari, R.H.; Patil, P.S.; Marathe, S.S. Modelling and simulation of Venturi parameters in relation to geometries and discharge coefficient with computational fluid dynamics techniques. Int. J. Res. Eng. Technol. 2020, 9, 681–687. [Google Scholar]
- Wang, H.; Zhu, Z.; Zhang, M.; Han, J. Numerical investigation of the large over-reading of Venturi flow rate in ARE of nuclear power plant. Nucl. Eng. Technol. 2020, 53, 69–78. [Google Scholar] [CrossRef]
- Sigalotti, L.D.G.; Alvarado-Rodríguez, C.E.; Aragón, F.; Álvarez Salazar, V.S.; Carvajal-Mariscal, I.; Real Ramírez, C.A.; Gonzalez-Trejo, J.; Klapp, J. SPH simulations and experimental investigation of water flow through a Venturi meter of rectangular cross-section. Sci. Rep. 2023, 13, 21215. [Google Scholar] [CrossRef]
- Suntarto, R.P.; Sjah, J.; Rika, R.R.D.; Bahsan, E. Modeling study of interaction between fluid flow and pipe wall formed in piping erosion phenomenon with SPH method. Astonjadro 2024, 13, 225–237. [Google Scholar]
- Nguyen, Q.H.; Nguyen, N.D. Incompressible non-Newtonian fluid flows. In Continuum Mechanics—Progress in Fundamentals and Engineering Applications; Gan, Y., Ed.; InTech Open: London, UK, 2012; pp. 47–72. [Google Scholar]
- Carreau, P.J. Rheological equations from molecular network theories. Trans. Soc. Rheol. 1972, 16, 99–127. [Google Scholar] [CrossRef]
- Cross, M.M. Rheology of non-Newtonian fluids: A new flow equation for pseudoplastic systems. J. Colloid Sci. 1965, 20, 417–437. [Google Scholar] [CrossRef]
- Metzner, A.B.; Reed, J.C. Flow of non-Newtonian fluids—Correlation of the laminar, transition, and turbulent flow regimes. AIChE J. 1955, 1, 434–440. [Google Scholar] [CrossRef]
- Ryan, N.W.; Johnson, M.M. Transition from laminar to turbulent flow in pipes. AIChE J. 1959, 5, 433–435. [Google Scholar] [CrossRef]
- Dodge, D.W.; Metzner, A.B. Turbulent flow of non-Newtonian systems. AIChE J. 1959, 5, 189–204. [Google Scholar] [CrossRef]
- Tomita, Y. A study on non-Newtonian flow in pipe lines. Bull. JSME 1959, 2, 10–16. [Google Scholar] [CrossRef]
- Schechter, R.S. On the steady flow of a non-Newtonian fluid in cylinder ducts. AIChE J. 1961, 7, 445–448. [Google Scholar] [CrossRef]
- Bogue, D.C.; Metzner, A.B. Velocity profiles in turbulent pipe flow. Newtonian and non-Newtonian fluids. Ind. Eng. Chem. Fundam. 1963, 2, 143–149. [Google Scholar] [CrossRef]
- Wheeler, J.A.; Wissler, E.H. The friction factor-Reynolds number relation for a steady flow of pseudoplastic fluids through rectangular ducts. AIChE J. 1965, 11, 212–216. [Google Scholar] [CrossRef]
- Kozicki, W.; Chou, C.H.; Tiu, C. Non-Newtonian flow in ducts of arbitrary cross-sectional shape. Chem. Eng. Sci. 1966, 21, 665–679. [Google Scholar] [CrossRef]
- Kozicki, W.; Tiu, C. Non-Newtonian flow through open channels. Can. J. Chem. Eng. 1967, 45, 127–134. [Google Scholar] [CrossRef]
- Mitsuishi, N.; Aoyagi, Y. Non-Newtonian flow in non-circular ducts. Chem. Eng. Sci. 1969, 24, 309–319. [Google Scholar] [CrossRef]
- Miller, C. Predicting non-Newtonian flow behaviour in ducts of unusual cross-sections. Ind. Eng. Chem. Fundam. 1972, 11, 524–528. [Google Scholar] [CrossRef]
- Mitsuishi, N.; Aoyagi, Y. Non-Newtonian flow in an eccentric annulus. J. Chem. Eng. Jpn. 1974, 6, 402–408. [Google Scholar] [CrossRef]
- Delplace, F.; Leuliet, J.C. Generalized Reynolds number for flow of power law fluids in cylindrical ducts of arbitrary cross-section. Chem. Eng. J. Biochem. Eng. J. 1995, 56, 33–37. [Google Scholar] [CrossRef]
- Hanks, R.W.; Ricks, B.L. Transitional and turbulent pipe flow of pseudoplastic fluids. J. Hydronautics 1975, 9, 39–44. [Google Scholar] [CrossRef]
- Hanks, R.W.; Ricks, B.L. Determination of turbulent pressure loss of non-Newtonian oil flow in rough pipes. Rheol. Acta 1981, 20, 487–496. [Google Scholar]
- Hanks, R.W.; Dadia, B.H. Theoretical analysis of the turbulent flow of non-Newtonian slurries in pipes. AIChE J. 1971, 17, 554–557. [Google Scholar] [CrossRef]
- Hanks, R.W. Low Reynolds number turbulent pipeline flow of pseudohomogeneous slurries. Paper C2. In Proceedings of the Fifth International Conference on the Hydraulic Transport of Solids in Pipes (Hydrotransport 5), Hanover, Germany, 8–11 May 1978; pp. 23–34. [Google Scholar]
- García, E.; Steffe, J.F. Comparison of friction factor equations for non-Newtonian fluids in pipe flow. J. Food Process Eng. 1997, 9, 93–120. [Google Scholar] [CrossRef]
- Khan, M.M.K. Friction factor and flow characterisation of non-Newtonian fluids. In Proceedings of the 11th Australian Fluid Mechanics Conference, Hobart, Australia, 14–18 December 1992; pp. 1029–1031. [Google Scholar]
- Havlik, V.; Vycital, J. Flow of dense non-Newtonian slurries in pipes—Experiments and modelling. In WIT Transactions on Engineering Sciences; WIT Press: Southampton, UK, 1998; Volume 18, pp. 251–260. [Google Scholar]
- El-Emam, N.; Kamel, A.H.; El-Shafei, M.; El-Betrawy, A. New equation calculates friction factor for turbulent flow of non-Newtonian fluids. Oil Gas J. 2003, 101, 74–83. [Google Scholar]
- Fitton, T.G. Non-Newtonian open channel flow—A simple method of estimation of laminar/turbulent transition and flow resistance. In Proceedings of the Eleventh International Seminar on Paste and Thickened Tailings; Jewell, R., Fourie, A.B., Slatter, P., Paterson, A., Eds.; Australian Centre for Geomechanics: Perth, Australia, 2008; pp. 245–251. [Google Scholar]
- Fialho Andrade, L.C.; Barbosa Cruz, A.G.; Duda, F.P. On friction factors for pseudoplastic fluids in turbulent pipe flow. In Paste 2008: Proceedings of the 14th Brazilian Congress of Thermal Sciences and Engineering, Rio de Janeiro, Brazil, 18–22 November 2012; Australian Centre for Geomechanics: Crawley, Australia, 2012. [Google Scholar]
- Dosunmu, I.T.; Shah, S.N. Evaluation of friction factor correlations and equivalent diameter definitions for pipe and annular flow on non-Newtonian fluids. J. Pet. Sci. Eng. 2013, 109, 80–86. [Google Scholar] [CrossRef]
- Assefa, K.M.; Kaushal, D.R. A comparative study of friction factor correlations for high concentrate slurry flow in smooth pipes. J. Hydrol. Hydromech. 2015, 63, 13–20. [Google Scholar] [CrossRef]
- Wilson, K.C.; Thomas, A.D. New analysis of the turbulent flow of non-Newtonian fluids. Can. J. Chem. Eng. 1985, 63, 539–546. [Google Scholar] [CrossRef]
- Morrison, F.A. Data Correlation for Friction Factor in Smooth Pipes; Technical Report; Michigan Technological University: Houghton, MI, USA, 2013. [Google Scholar]
- Nikuradse, J. Strömungsgesetze in Rauhem Rohren. (Laws of Turbulent Pipe Flow in Smooth Pipes); VDI-Forschungsheft: Berlin, Germany, 1933; Volume 361. [Google Scholar]
- Kamel, A.H.; Shaqlaih, A.S.; Rozyyev, A. Which friction factor model is the best? A comparative analysis of model selection criteria. J. Energy Power Eng. 2018, 12, 158–168. [Google Scholar]
- Gupta, R.C. On developing laminar non-Newtonian flow in pipes and channels. Nonlinear Anal. Real World Appl. 2001, 2, 171–193. [Google Scholar] [CrossRef]
- Sochi, T. The flow of Newtonian and power law fluids in elastic tubes. Int. J. Non-Linear Mech. 2014, 67, 245–250. [Google Scholar] [CrossRef]
- Deterre, R.; Nicoleau, F.; Lin, Q.; Allanic, N.; Mousseau, P. The flow of power-law fluids in concentric annuli: A full analytical approximate solution. J. Non-Newton. Fluid Mech. 2020, 285, 104392. [Google Scholar] [CrossRef]
- Kanuri, V.R.; Chandra Sekhar, K.V.; Brahmanandam, P.S.; Ramanaiah, J.V. Analytical solutions of Poiseuille flow of second-grade fluid. J. Naval Arch. Mar. Eng. 2024, 21, 67–77. [Google Scholar]
- Nikushchenko, D.; Pavlovsky, V.; Nikushchenko, E. Analytical solutions for simple turbulent shear flows on a basis of a generalized Newton’s law. Polymers 2022, 14, 3308. [Google Scholar] [CrossRef]
- Ayub, M.; Zaman, H. Complete derivation of the momentum equation for the second-grade fluid. J. Math. Comp. Sci. 2010, 1, 33–39. [Google Scholar] [CrossRef]
- Anderson, H. MHD flow of a viscoelastic fluid past a stretching surface. Acta Mech. 1992, 95, 227–230. [Google Scholar] [CrossRef]
- Khudjaev, M. Analytical solution of the Navier-Stokes equations reduced to the third-order equation for the problem of fluid motion in a round pipe. J. Phys. Conf. Ser. 2020, 1614, 012093. [Google Scholar] [CrossRef]
- Toms, B.A. Some observations on the flow of linear polymer solutions through straight tubes at large Reynolds numbers. In Proceedings of the 1st International Congress on Rheology, Amsterdam, The Netherlands, 17 January 1948; Volume 2. [Google Scholar]
- Lumley, J.L. Drag reduction in turbulent flow by polymer additives. J. Polym. Sci. Macromol. Rev. 1973, 7, 263–290. [Google Scholar] [CrossRef]
- Virk, P.S. Drag reduction fundamentals. AIChE J. 1975, 21, 625–656. [Google Scholar] [CrossRef]
- Little, R.C.; Hansen, R.J.; Hunston, D.L.; Kim, O.K.; Patterson, R.L.; Ting, R.Y. The drag-reduction phenomenon. Observed characteristics, improved agents, and proposed mechanisms. Ind. Eng. Chem. Fundam. 1975, 14, 283–296. [Google Scholar] [CrossRef]
- Lumley, J.L. Drag reduction in two phase and polymer flows. Phys. Fluids 1977, 20, S64–S71. [Google Scholar] [CrossRef]
- Achia, B.U.; Thompson, D.W. Structure of the turbulent boundary layer in drag-reducing pipe flow. J. Fluid Mech. 1977, 81, 439–464. [Google Scholar] [CrossRef]
- Berman, N.S. Drag reduction by polymers. Annu. Rev. Fluid Mech. 1978, 10, 47–64. [Google Scholar] [CrossRef]
- Virk, P.S.; Wagger, D.L. Aspects of mechanisms in type B drag reduction. In Structure of Turbulence and Drag Reduction; International Union of Theoretical and Applied Mechanics; Gyr, A., Ed.; Springer: Berlin/Heidelberg, Germany, 1990; pp. 201–213. [Google Scholar]
- Allan, J.J.; Greated, C.A.; McComb, W.D. Laser-Doppler anemometer measurements of turbulent structure in non-Newtonian fluids. J. Phys. D Appl. Phys. 1984, 17, 533–549. [Google Scholar] [CrossRef]
- Willmarth, W.W.; Wei, T.; Lee, C.O. Laser anemometer measurements of Reynolds stress in a turbulent channel flow with drag reducing polymer additives. Phys. Fluids 1987, 30, 933–935. [Google Scholar] [CrossRef]
- Pinho, F.T.; Whitelaw, J.H. Flow of non-Newtonian fluids in a pipe. J. Non-Newton. Fluid Mech. 1990, 34, 129–144. [Google Scholar] [CrossRef]
- Draad, A.A.; Kuiken, G.D.C.; Nieuwstadt, F.T.M. Laminar-turbulent transition in pipe flow for Newtonian and non-Newtonian fluids. J. Fluid Mech. 1998, 377, 267–312. [Google Scholar] [CrossRef]
- Rochefort, S.; Middleman, S. Effect of molecular configuration on Xanthan gum drag reduction. AIP Conf. Proc. 1986, 137, 117–127. [Google Scholar]
- Bewersdorff, H.W.; Singh, R.P. Turbulent drag reduction and relaminarisation by Xanthan gum. In Turbulence Management and Relaminarisation; International Union of Theoretical and Applied Mechanics; Liepmann, H.W., Narasimha, R., Eds.; Springer: Berlin/Heidelberg, Germany, 1988; pp. 333–348. [Google Scholar]
- Bewersdorff, H.W.; Singh, R.P. Drag reduction in surfactant solutions. In Structure of Turbulence and Drag Reduction; International Union of Theoretical and Applied, Mechanics; Gyr, A., Ed.; Springer: Berlin/Heidelberg, Germany, 1990; pp. 293–312. [Google Scholar]
- Chung, J.S.; Graebel, W.P. Laser anemometer measurements of turbulence in non-Newtonian pipe flows. Phys. Fluids 1972, 15, 546–554. [Google Scholar] [CrossRef]
- Wójs, K. Laminar and turbulent flow of dilute polymer solutions in smooth and rough pipes. J. Non-Newton. Fluid Mech. 1993, 48, 337–355. [Google Scholar] [CrossRef]
- Sá Pereira, A.; Pinho, F.T. Turbulent pipe flow characteristics of low moecular weight polymer solutions. J. Non-Newton. Fluid Mech. 1994, 55, 321–344. [Google Scholar] [CrossRef]
- Zakin, J.L.; Ni, C.C.; Hansen, R.J.; Reischman, M.M. Laser Doppler velocimetry studies of early turbulence. Phys. Fluids 1977, 20, S85–S88. [Google Scholar] [CrossRef]
- Li, T.Q.; McCarthy, K.L. Pipe flow of aqueous polyacrylamide solutions studied by means of nuclear magnetic resonance imaging. J. Non-Newton. Fluid Mech. 1995, 57, 155–175. [Google Scholar] [CrossRef]
- Güzel, B.; Burghelea, T.; Frigaard, I.A.; Martinez, D.M. Observation of laminar-turbulent transition of a yield stress fluid in Hagen-Poiseuille flow. J. Fluid Mech. 2009, 627, 97–128. [Google Scholar] [CrossRef]
- Escudier, M.P.; Presti, F. Pipe flow of a thixotropic liquid. J. Non-Newton. Fluid Mech. 1996, 62, 291–306. [Google Scholar] [CrossRef]
- Peixinho, J.; Nouar, C.; Desaubry, C.; Théron, B. Laminar transitional and turbulent flow of yield stress fluid in a pipe. J. Non-Newton. Fluid Mech. 2005, 128, 172–184. [Google Scholar] [CrossRef]
- van Doorne, C.W.H.; Westerweel, J. Measurement of laminar, transitional and turbulent pipe flow using stereoscopic-PIV. Exp. Fluids 2007, 42, 259–279. [Google Scholar] [CrossRef]
- Hogendoorn, W.; Poelma, C. Particle-laden pipe flows at high volume fractions show transition without puffs. Phys. Rev. Lett. 2018, 121, 194501. [Google Scholar] [CrossRef]
- Thota Radhakrishnan, A.K.; Poelma, C.; van Lier, J.; Clemens, F. Laminar-turbulent transition of a non-Newtonian fluid flow. J. Hydraul. Res. 2021, 59, 235–249. [Google Scholar] [CrossRef]
- Wygnanski, I.J.; Champagne, F.H. On transition in a pipe. Part 1. The origin of puffs and slugs and the flow in a turbulent slug. J. Fluid Mech. 1973, 59, 281–335. [Google Scholar] [CrossRef]
- Wygnanski, I.J.; Sokolov, M.; Friedman, D. On transition in a pipe. Part 1. The equilibrium puff. J. Fluid Mech. 1975, 69, 283–304. [Google Scholar] [CrossRef]
- Nishi, M.; Ünsal, B.; Durst, F.; Biswas, G. Laminar-to-turbulent transition of pipe flows through puffs and slugs. J. Fluid Mech. 2008, 614, 425–446. [Google Scholar] [CrossRef]
- Slatter, P.T. Transitional and Turbulent Flow of Non-Newtonian Slurries in Pipes. Ph.D. Thesis, University of Cape Town, Cape Town, South Africa, 1995. [Google Scholar]
- Salem, E.; Embaby, M.H. Theoretical and experimental investigations of non-Newtonian fluid flow through non-circular pipes. Appl. Sci. Res. 1977, 33, 119–139. [Google Scholar] [CrossRef]
- Haldenwang, R.; Sutherland, A.P.N.; Fester, V.G.; Holm, R.; Chhabra, R.P. Sludge pipe flow pressure drop prediction using composite power-law friction factor-Reynolds number correlations based on different non-Newtonian Reynolds numbers. Water SA 2012, 38, 615–622. [Google Scholar] [CrossRef]
- Graham, L.J.W.; Pullum, L.; Wu, J. Flow of non-Newtonian fluids in pipes with large roughness. Can. J. Chem. Eng. 2016, 94, 1102–1107. [Google Scholar] [CrossRef]
- Kawase, Y.; Shenoy, A.V.; Wakabayashi, K. Friction and heat and mass transfer for turbulent pseudoplastic non-Newtonian fluid flows in rough pipes. Can. J. Chem. Eng. 1994, 72, 798–804. [Google Scholar] [CrossRef]
- Slatter, P.T.; van Sittert, F.P. Analysis of rough wall non-Newtonian turbulent flow. In Slurry Handling and Pipeline Transport—Hydrotransport; Wiley: Hoboken, NJ, USA, 1999; pp. 209–222. [Google Scholar]
- Yanuar; Mau, S.; Gunawan; Fachreza, M. Rheological characteristics of non-Newtonian mud slurry flow using spiral pipes. AIP Conf. Proc. 2020, 2227, 020001. [Google Scholar]
- Randall, B.V.; Anderson, D.B. Flow of mud during drilling operations. J. Pet. Technol. 1982, 34, 1414–1420. [Google Scholar] [CrossRef]
- Blackburn, H.M. LES of turbulent channel flow using spectral elements. In Proceedings of the 13th Australasian Fluid Mechanics Conference, Melbourne, Australia, 13–18 December 1998; pp. 902–989. [Google Scholar]
- Beris, A.N.; Dimitropoulos, C.D. Pseudospectral simulation of turbulent viscoelastic channel flow. Comput. Meth. Appl. Mech. Eng. 1999, 180, 365–392. [Google Scholar] [CrossRef]
- Rudman, M.; Blackburn, H.M.; Graham, L.J.W.; Pullum, L. Weakly turbulent pipe flow of a power law fluid. In Proceedings of the 14th Australasian Fluid Mechanics Conference, Ha Long, Vietnam, 10–14 December 2001; pp. 925–928. [Google Scholar]
- Rudman, M.; Graham, L.J.W.; Blackburn, H.M.; Pullum, L. Non-Newtonian turbulent and transitional pipe flow. In Proceedings of the Hydrotransport Conference in Banff 2002, Banff, AB, Canada, 3–5 June 2002. [Google Scholar]
- Rudman, M.; Blackburn, H.M. Turbulent pipe flow of non-Newtonian fluids. In Proceedings of the Computational Fluid Dynamics 2002; Armfield, S.W., Morgan, P., Srinivas, K., Eds.; Springer Nature: Berlin/Heidelberg, Germany, 2002; pp. 687–692. [Google Scholar]
- Clapp, R.M. Turbulent heat transfer in pseudoplastic non-Newtonian fluids. Part III, Sec. A. In Proceedings of the International Development of Heat Transfer Conference (ASME), Boulder, CO, USA, 28 August–1 September 1961; pp. 652–661. [Google Scholar]
- Yao, L.S.; Molla, M.M.; Moulic, S.G. Fully-developed circular-pipe flow of a non-Newtonian pseudoplastic fluid. Univers. J. Mech. Eng. 2013, 1, 23–31. [Google Scholar] [CrossRef][Green Version]
- Bird, R.B.; Armstrong, R.C.; Hassager, O. Dynamics of Polymeric Liquids; Fluid Mechanics; Wiley: New York, NY, USA, 1987; Volume 1. [Google Scholar]
- Tozzi, E.; Hartt, W. Non-Newtonian laminar flow in pipes using radius, stress, shear rate or velocity as the independent variable. Phys. Fluids 2021, 33, 103104. [Google Scholar] [CrossRef]
- Radulescu, A.V.; Radulescu, I. Modeling non-Newtonian fluid flow through pipes with slip boundary conditions. IOP Conf. Ser. Mater. Sci. Eng. 2022, 1262, 012013. [Google Scholar] [CrossRef]
- Morikawa, D.S.; Asai, M.; Isshiki, M. Verification and validation in highly viscous fluid simulation using a fully implicit SPH method. In PARTICLES 2019, Proceedings of the VI International Conference on Particle-Based Methods—Fundamentals and Applications, Barcelona, Spain, 28–30 October 2019; Oñate, E., Bischoff, M., Owen, D.R.J., Wriggers, P., Zohdi, T., Eds.; International Center for Numerical Methods in Engineering: Barcelona, Spain, 2019; pp. 103–114. [Google Scholar]
- Mattiusi, E.M. Escoamento Laminar de Fluidos Newtonianos em Tubos de Seção Transversal Elíptica. Ph.D. Thesis, Universidade Tecnológica Federal do Paraná, Curitiba, Brasil, 2007. [Google Scholar]
- Wylie, E.B.; Streeter, V.L.A.; Suo, L. Fluid Transients in Systems; Prentice Hall: Upper Saddle River, NJ, USA, 1993. [Google Scholar]
- Ghidaoui, M.S.; McInnis, D.A.; Axworthy, D.H.; Zhao, M. A review of water hammer theory and practice. Appl. Mech. Rev. 2005, 58, 49–76. [Google Scholar] [CrossRef]
- Pezzinga, G. Quasi-2D model for unsteady flow in pipe networks. J. Hydraul. Eng. 1999, 125, 676–685. [Google Scholar] [CrossRef]
- Brunone, B.; Karney, B.W.; Macarelli, M.; Ferrante, M. Velocity profiles and unsteady pipe friction in transient flow. J. Water Resour. Plan. Manag. 2000, 126, 236–244. [Google Scholar] [CrossRef]
- Pezzinga, G. Evaluation of unsteady flow resistances by quasi-2D or 1D models. J. Hydraul. Eng. 2000, 126, 778–785. [Google Scholar] [CrossRef]
- Wahba, E.M. Runge-Kutta time-stepping schemes with TVD central differencing for the water hammer equations. Int. J. Numer. Meth. Fluids 2006, 52, 571–590. [Google Scholar] [CrossRef]
- Riasi, A.; Nourbakhsh, A.; Raisee, M. Unsteady velocity profiles in laminar and turbulent water hammer flows. J. Fluids Eng. 2009, 131, 121202. [Google Scholar] [CrossRef]
- Brunone, B.; Berni, A. Wall shear stress in transient turbulent pipe flow by local velocity measurement. J. Hydraul. Eng. 2010, 136, 716–726. [Google Scholar] [CrossRef]
- Vardy, A.E.; Brown, J.M.B. Laminar pipe flow with time-dependent viscosity. J. Hydroinform. 2011, 13, 729–740. [Google Scholar] [CrossRef][Green Version]
- Keramat, A.; Tijsseling, A.S.; Hou, Q.; Ahmadi, A. Fluid-structure interaction with pipe-wall viscoeslasticity during water hammer. J. Fluids Struct. 2012, 28, 434–455. [Google Scholar] [CrossRef]
- Wahba, E.M. Non-Newtonian fluid hammer in elastic circular pipes: Shear-thinning and shear-thickening effects. J. Non-Newton. Fluid Mech. 2013, 198, 24–30. [Google Scholar] [CrossRef]
- Pezzinga, G.; Brunone, B.; Cannizzaro, D.; Ferrante, M.; Meniconi, S.; Berni, A. Two-dimensional features of viscoelastic models of pipe transients. J. Hydraul. Eng. 2014, 140, 04014036. [Google Scholar] [CrossRef]
- Meniconi, S.; Duan, H.; Brunone, B.; Ghidaoui, M.; Lee, P.; Ferrante, M. Further developments in rapidly decelerating turbulent pipe flow modeling. J. Hydraul. Eng. 2014, 140, 04014028. [Google Scholar] [CrossRef]
- Meniconi, S.; Brunone, B.; Ferrante, M.; Massari, M. Energy dissipation and pressure decay during transients in viscoelastic pipes with an in-line valve. J. Fuids Struct. 2014, 45, 235–249. [Google Scholar] [CrossRef]
- Majd, A.; Ahmadi, A.; Keramat, A. Investigation of non-Newtonian fluid effects during transient flows in a pipeline. Stroj. Vestn. J. Mech. Eng. 2016, 62, 105–115. [Google Scholar] [CrossRef]
- Holmboe, E.L.; Rouleau, W.T. The effect of viscous shear on transients in liquid lines. J. Fluids Eng. 1967, 89, 174–180. [Google Scholar] [CrossRef]
- Sorgun, M.; Ulker, e.; Uysal, S.O.K.; Muftuoglu, T.D. CFD modeling of turbulent flow for non-Newtonian fluids in rough pipes. Ocean Eng. 2022, 247, 110777. [Google Scholar] [CrossRef]
- Reed, T.D.; Pilehvari, A. A new model for laminar, transitional and turbulent flow of drilling muds. In Proceedings of the SPE Production Operations Symposium. Society of Petroleum Engineers, Oklahoma City, OK, USA, 21–23 March 1993. [Google Scholar]
- Bouchendouka, A.; Fellah, Z.E.A.; Larbi, Z.; Louna, Z.; Ogam, E.; Fellah, M.; Depollier, C. Fractal analysis of a non-Newtonian fluid flow in a rough-walled pipe. Materials 2022, 15, 3700. [Google Scholar] [CrossRef]
- Alexandrou, A.N.; McGilvreay, T.M.; Burgos, G. Steady Herschel-Bulkley fluid flow in three-dimensional expansions. J. Non-Newton. Fluid Mech. 2001, 100, 77–96. [Google Scholar] [CrossRef]
- Xu, X.; Ouyang, J.; Yang, B.; Liu, Z. SPH simulations of three-dimensional non-Newtonian free surface flows. Comput. Meth. Appl. Mech. Eng. 2013, 256, 101–116. [Google Scholar] [CrossRef]
- Xu, X.; Ouyang, J.; Li, W.; Liu, Q. SPH simulations of 2D transient viscoelastic flows using Brownian configuration fields. J. Non-Newton. Fluid Mech. 2014, 208–209, 59–71. [Google Scholar] [CrossRef]
- Yavuz, M.M.; Sari Çavdar, P. CFD modelling of non-Newtonian fluid flow in a pipe including an obstacle. Celal Bayar Univ. J. Sci. 2021, 17, 129–136. [Google Scholar] [CrossRef]
- Wylie, J.J.; Lister, J.L. The effects of temperature-dependent viscosity on flow in a cooled channel with application to basaltic fissure eruptions. J. Fluid Mech. 1995, 305, 239–261. [Google Scholar] [CrossRef]
- Lange, U.; Loch, H. Instabilities and stabilization of glass pipe flow. In Mathematical Simulation in Glass Technology; Schott Series on Glass and Glass Ceramics; Krause, D., Loch, H., Eds.; Springer: Berlin/Heidelberg, Germany, 2002; pp. 193–207. [Google Scholar]
- Giessler, C.; Schlegel, R.; Thess, A. Numerical investigation of the flow of a glass melt through a long circular pipe. Int. J. Heat Fluid Flow 2008, 29, 1462–1468. [Google Scholar] [CrossRef]
- Giessler, C.; Lange, U.; Thess, A. Nonlinear laminar pipe flow of fluids with strongly temperature-dependent material properties. Phys. Fluids 2007, 19, 043601. [Google Scholar] [CrossRef]
- Fernandes, C.; Fakhari, A.; Tukovic, Ž. Non-isothermal free-surface viscous flow of polymer melts in pipe extrusion using an open source interface tracking finite volume method. Polymers 2021, 13, 4454. [Google Scholar] [CrossRef] [PubMed]
- Kountouriotis, Z.; Georgiou, G.C.; Mitsoulis, E. On the combined effects of slip, compressibility, and inertia on the Newtonian extrudate-swell flow problem. Comput. Fluids 2013, 71, 297–305. [Google Scholar] [CrossRef]
- Fakhari, A.; Tukovic, Ž.; Carneiro, O.S.; Fernandes, C. An effective interface tracking method for simulating the extrudate swell phenomenon. Polymers 2021, 13, 1305. [Google Scholar] [CrossRef]
- Bejan, A. Entropy generation minimization: The new thermodynaomics of finite-size devices and finite-time processes. J. Appl. Phys. 1996, 79, 1191–1218. [Google Scholar] [CrossRef]
- Nag, P.K.; Kumar, N. Second law optimization of convective heat transfer through a duct with constant heat flux. Int. J. Energy Res. 1989, 13, 537–543. [Google Scholar] [CrossRef]
- Şahin, A.Z. Thermodynamics of laminar viscous flow through a duct subjected to constant heat flux. Energy 1996, 21, 1179–1187. [Google Scholar] [CrossRef]
- Sherman, F.S. Viscous Flow; McGraw Hill: New York, NY, USA, 1990. [Google Scholar]
- Şahin, A.Z. Thermodynamic design optimization of a heat recuperator. Int. Commun. Heat Mass Transf. 1997, 24, 1029–1038. [Google Scholar] [CrossRef]
- Şahin, A.Z. Second law analysis of laminar viscous flow through a duct subjected to a constant wall temperature. J. Heat Mass Transf. 1998, 76, 76–83. [Google Scholar]
- Şahin, A.Z. Entropy generation in turbulent liquid flow through a smooth duct subjected to a constant wall temperature. Int. J. Heat Mass Transf. 2000, 43, 1469–1478. [Google Scholar] [CrossRef]
- Kays, W.M.; Crawford, M.E. Convective Heat and Mass Transfer, 3rd ed.; McGraw Hill Science: New York, NY, USA, 1993. [Google Scholar]
- Incropera, F.P.; DeWitt, D.P. Introduction to Heat Transfer, 4th ed.; Wiley: New York, NY, USA, 2001. [Google Scholar]
- Nurasawa, U. The second-law analysis of mixed convection in rectangular ducts. Heat Mass Transf. 1998, 37, 197–203. [Google Scholar] [CrossRef]
- Mahmud, S.; Fraser, R.A. Inherent irreversibility of channel and pipe flows for non-Newtonian fluids. Int. Commun. Heat Mass Transf. 2002, 29, 577–587. [Google Scholar] [CrossRef]
- Bouzid, N.; Saouli, S.; Aiboud-Saouli, S. Entropy generation in ice slurry pipe flow. Int. J. Refrig. 2008, 31, 1453–1457. [Google Scholar] [CrossRef]
- Pan, J.; Cheng, Y.; Vacca, A.; Yang, J. Effect of temperature on grease flow properties in pipes. Tribol. T. 2016, 59, 569–578. [Google Scholar] [CrossRef]
- Mondal, P.K.; Wonwises, S. Assessment of thermodynamic irreversibility in a micro-scale viscous dissipative circular Couette flow. Entropy 2018, 20, 50. [Google Scholar] [CrossRef] [PubMed]
- Jo, H.J.; Han, S.M.; Kim, Y.J.; Hwang, W.R. Experimental viscosity monitoring in complex pipe systems for flows of drilling muds based on energy dissipation rate. Geoenergy Sci. Eng. 2023, 228, 211942. [Google Scholar] [CrossRef]
- Hartmann, J. Hg-Dynamics I. Theory of the laminar flow of an electrically conductive liquid in a homogeneous magnetic field. Mat. Fys. Medd. 1937, 15, 1–28. [Google Scholar]
- Shercliff, J.A. Steady motion of conducting fluids in pipes under transverse magnetic fields. Math. Proc. Camb. Phil. Soc. 1953, 49, 136–144. [Google Scholar] [CrossRef]
- Shercliff, J.A. Entry of conducting and non-conducting fluids in pipes. Math. Proc. Camb. Phil. Soc. 1956, 52, 573–583. [Google Scholar] [CrossRef]
- Shercliff, J.A. Magnetohydrodynamic pipe flow Part 2. High Hartmann number. J. Fluid Mech. 1962, 13, 513–518. [Google Scholar] [CrossRef]
- Chopra, K.P. Magnetohydrodynamic flow in a circular pipe. Z. Phys. 1961, 162, 46–52. [Google Scholar] [CrossRef]
- Gold, R.R. Hydromagnetic pipe flow. Part 1. J. Fluid Mech. 1962, 13, 505–512. [Google Scholar] [CrossRef]
- Hartmann, J.; Lazarus, F. Hg-Dynamics II. Experimental investigations on the flow of mercury in a homogeneous magnetic field. Mat. Fys. Medd. 1937, 15, 1–45. [Google Scholar]
- Singh, S.N. Magnetohydrodynamic flow in a curved pipe. Appl. Sci. Res. 1965, 12, 405–423. [Google Scholar]
- Vidyanidhi, V.; Ramana Rao, V.V.R. Hydromagnetic flow in a rotating straight pipe. J. Phys. Soc. Jpn. 1968, 25, 1694–1700. [Google Scholar] [CrossRef]
- Barua, S.N. Secondary flow in a rotating straight pipe. Proc. R. Soc. A Math. Phys. Eng. Sci. 1954, 227, 133–139. [Google Scholar]
- Gupta, R.K. Unsteady hydromagnetic pipe flow at small Hartmann number. Appl. Sci. Res. B 1965, 12, 33–47. [Google Scholar] [CrossRef]
- Fraim, F.W.; Heiser, W.H. The effect of a strong longitudinal magnetic field on the flow of mercury in a circular tube. J. Fluid Mech. 1968, 33, 397–413. [Google Scholar] [CrossRef]
- Nachtsheim, P.R.; Reshotko, E. Role of Conductivity in Hydromagnetic Stability of Parallel Flows; Technical Report NASA TN D-3144; National Aeronautics and Space Administration: Washington, DC, USA, 1965. [Google Scholar]
- McMichael, J.M.; Deutsch, S. Magnetohydrodynamic pipe flow in nonuniform, axisymmetric fields. Phys. Fluids 1979, 22, 2087–2092. [Google Scholar] [CrossRef]
- D’Arcy, G.P.; Schmidt, P.S. Magnetohydrodynamic entry flow for a plane channel in an axial magnetic field. J. Fluid Mech. 1977, 80, 209–221. [Google Scholar] [CrossRef]
- Åkerstedt, H.O. Damping of transient energy growth of three-dimensional perturbations in hydromagnetic pipe flow. Fluid Dyn. Res. 1995, 15, 295–312. [Google Scholar] [CrossRef]
- Makinde, O.D.; Mhone, P. Hydromagnetic effects on internal flow separation in a diverging channel. Rom. J. Phys. 2006, 51, 959–966. [Google Scholar]
- Mallik, M.S.I.; Begum, T.; Haque, M.M.; Akter, R. Hydromagnetic effects on fluid flow and internal flow separation in a linearly diverging channel. IOSR J. Math. 2014, 10, 49–54. [Google Scholar] [CrossRef]
- Gedik, E. Experimental and numerical investigation on laminar pipe flow of magneto-rheological fluids under applied external magnetic field. J. Appl. Fluid Mech. 2017, 10, 801–811. [Google Scholar] [CrossRef]
- Nagaraju, G.; Garvandha, M. Magnetohydrodynamic viscous fluid flow and heat transfer in a circular pipe under an externally applied constant suction. Heliyon 2019, 5, e01281. [Google Scholar] [CrossRef]
- Nkengmene, H.S.; Monwanou, V.A.; Hinvi, L.A.; Chabi Orou, J.B. Hydromagnetic instability of rotating pipe flow. Int. J. Adv. Appl. Math. Mech. 2020, 7, 22–30. [Google Scholar]
- Velizhanina, Y.; Knaepen, B. On the instability of the magnetohydrodynamic pipe flow subject to a transverse magnetic field. Phys. Fluids 2023, 35, 044112. [Google Scholar] [CrossRef]
- Wawira, N.C.; Kinyanjui, M.; Giterere, K. Hydromagnetic non-Newtonian fluid flow in a convergent conduit. J. Appl. Math. 2022, 2022, 8131528. [Google Scholar] [CrossRef]
- Sousa, P.; Afonso, A.; Veiga Rodrigues, C. Application of machine learning to model the pressure Poisson equation for fluid flow on generic geometries. Neural Comput. Appl. 2024, 36, 16581–16606. [Google Scholar] [CrossRef]
- Kanin, E.A.; Osiptsov, A.A.; Vainshtein, A.L.; Burnaev, E.V. A predictive model for steady-state multiphase pipe flow: Machine learning on lab data. J. Pet. Sci. Eng. 2019, 180, 727–746. [Google Scholar] [CrossRef]
- Mendes Quintino, A.; Lavôr Navarro da Rocha, D.L.; Fonseca Júnior, R.; Hernandez Rodriguez, O.M. Flow pattern transition in pipes using data-driven and physics-informed machine learning. J. Fluids Eng. 2021, 143, 031401. [Google Scholar]
- Uthayasuriyan, A.; Duru, U.I.; Nwachukwu, A.; Shunmugasundaram, T.; Gurusamy, J. Flow pattern prediction in horizontal and inclined pipes using tree-based automated machine learning. RGNZ/MGPB 2024, 39, 153–166. [Google Scholar] [CrossRef]
- Yin, X.; Wen, K.; Wu, Y.; Han, X.; Mukhtar, Y.; Gong, J. A machine learning-based surrogate model for the rapid control of piping flow: Application to a natural gas flowmeter calibration system. J. Nat. Gas Sci. Eng. 2022, 98, 104384. [Google Scholar] [CrossRef]
- Tawfik, A.M. Hydraulic solutions of pipeline systems using artificial neural networks. Ain Shams Eng. J. 2023, 14, 101896. [Google Scholar] [CrossRef]
- Brkić, D.; Ćojbašić, Ž. Intelligent flow friction estimation. Comput. Intell. Neurosci. 2016, 2016, 5242596. [Google Scholar] [CrossRef]
- Czapczuk, A.; Dawidowicz, J.; Piekarski, J. Application of multilayer perceptrons for the calculation of pressure losses in water supply pipelines. Annu. Set Environ. Prot. Rocz. Ochr. Śr. 2017, 19, 200–210. [Google Scholar]
- Biedugnis, S. The Application of the ‘K-nearest neighbour’ method to evaluate pressure loss in water supply lines. Tech. Trans. Czas. Tech. 2018, 1, 141–149. [Google Scholar]
- Dawidowicz, J. Evaluation of a pressure head and pressure zones in water distribution systems by artificial neural networks. Neural Comput. Appl. 2018, 30, 2531–2538. [Google Scholar] [CrossRef]
- Dawidowicz, J. A method for estimating the diameter of water pipes using artificial neural networks if the multilayer perceptron type. In Advances in Intelligent Systems Research, Proceedings of the 2nd International Conference on Artificial Intelligence: Technologies and Applications (ICAITA 2018), Chengdu, China, 25–26 March 2018; Atlantis Press: Dordrecht, The Netherlands, 2018; Volume 146, pp. 50–53. [Google Scholar]
- Roy, U. Leak detection in pipe networks using hybrid ANN method. Water Conserv. Sci. Eng. 2017, 2, 145–152. [Google Scholar] [CrossRef][Green Version]
- Pandian, C.; Alphonse, P.J.A. Leak detection and leak localization in a smart water management system using computational fluid dynamics (CFD) and deep learning (DL). Int. J. Inf. Technol. 2024, 17, 135–147. [Google Scholar] [CrossRef]
- Hayslep, M.; Keedwell, E.; Farmani, R.; Pocock, J. An explainable machine learning approach to the prediction of pipe failure using minimum night flow. J. Hydroinform. 2024, 26, 1490–1504. [Google Scholar] [CrossRef]
- Wang, B.; Wang, J. Application of artificial intelligence in computational fluid dynamics. Ind. Eng. Chem. Res. 2021, 60, 2772–2790. [Google Scholar] [CrossRef]
- Babanezhad, M.; Behroyan, I.; Nakhjiri, A.T.; Marjani, A.S.S. Simulation of liquid flow with a combination artificial intelligence flow field and Adams–Bashforth method. Sci. Rep. 2020, 10, 16719. [Google Scholar] [CrossRef]
- Amato, E.; Zago, V.; Del Negro, C. A physically consistent AI-based SPH emulator for computational fluid dynamics. Nonlinear Eng. 2024, 13, 20220359. [Google Scholar] [CrossRef]
- Parveen, N.; Zaidi, S.; Danish, M. Artificial intelligence (AI)-based friction factor models for large piping networks. Chem. Eng. Commun. 2019, 207, 213–230. [Google Scholar] [CrossRef]
- Mishra, R.; Ojha, C.S.P. Application of AI-based techniques on Moody’s diagram for predicting friction factor in pipe flow. J Multidiscip. Sci. J. 2023, 6, 544–563. [Google Scholar] [CrossRef]











































Disclaimer/Publisher’s Note: The statements, opinions and data contained in all publications are solely those of the individual author(s) and contributor(s) and not of MDPI and/or the editor(s). MDPI and/or the editor(s) disclaim responsibility for any injury to people or property resulting from any ideas, methods, instructions or products referred to in the content. |
© 2025 by the authors. Licensee MDPI, Basel, Switzerland. This article is an open access article distributed under the terms and conditions of the Creative Commons Attribution (CC BY) license (https://creativecommons.org/licenses/by/4.0/).
Share and Cite
Sigalotti, L.D.G.; Guzmán, E. An Overview of Viscous and Highly Viscous Fluid Flows in Straight and Elbow Pipes: I—Single-Phase Flows. Fluids 2025, 10, 125. https://doi.org/10.3390/fluids10050125
Sigalotti LDG, Guzmán E. An Overview of Viscous and Highly Viscous Fluid Flows in Straight and Elbow Pipes: I—Single-Phase Flows. Fluids. 2025; 10(5):125. https://doi.org/10.3390/fluids10050125
Chicago/Turabian StyleSigalotti, Leonardo Di G., and Enrique Guzmán. 2025. "An Overview of Viscous and Highly Viscous Fluid Flows in Straight and Elbow Pipes: I—Single-Phase Flows" Fluids 10, no. 5: 125. https://doi.org/10.3390/fluids10050125
APA StyleSigalotti, L. D. G., & Guzmán, E. (2025). An Overview of Viscous and Highly Viscous Fluid Flows in Straight and Elbow Pipes: I—Single-Phase Flows. Fluids, 10(5), 125. https://doi.org/10.3390/fluids10050125

