Testing System for PV Grid-Connected Power Condition Systems with Support for Ancillary Services
Abstract
1. Introduction
2. Requirements for PV Grid-Connected Power Conditions Systems
3. Description of the Proposed Testing System
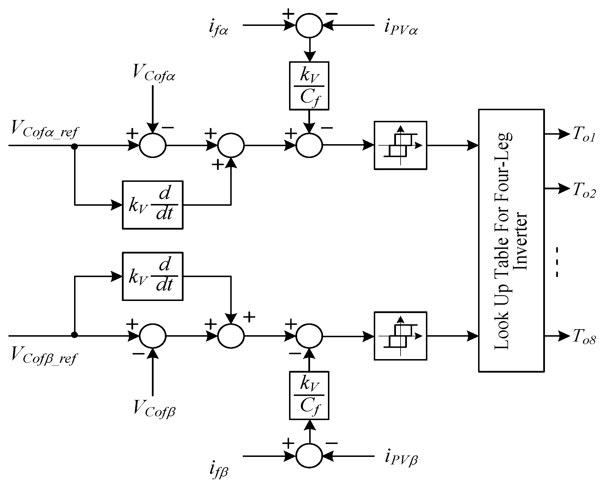
4. Control Strategy for the PV System
5. Experimental Results
6. Discussion
7. Conclusions
Author Contributions
Funding
Data Availability Statement
Acknowledgments
Conflicts of Interest
References
- Gielen, D.; Boshell, F.; Saygin, D.; Bazilian, M.D.; Wagner, N.; Gorini, R. The role of renewable energy in the global energy transformation. Energy Strategy Rev. 2019, 40, 38–50. [Google Scholar] [CrossRef]
- International Energy Agency. Renewables 2022: Analysis and Forecasts to 2027. Available online: https://www.iea.org/reports/renewables-2022 (accessed on 6 February 2023).
- Rehman, A.; Radulescu, M.; Cismas, L.M.; Alvarado, R.; Secara, C.G.; Tolea, C. Urbanization, Economic Development, and Environmental Degradation: Investigating the Role of Renewable Energy Use. Sustainability 2022, 14, 9337. [Google Scholar] [CrossRef]
- Strasser, T.; Andrén, F.; Kathan, J.; Cecati, C.; Buccella, C.; Siano, P.; Leitão, P.; Zhabelova, G.; Vyatkin, V.; Vrba, P. A Review of Architectures and Concepts for Intelligence in Future Electric Energy Systems. IEEE Trans. Ind. Electron. 2015, 62, 2424–2438. [Google Scholar] [CrossRef]
- Kavya Santhoshi, B.; Mohana Sundaram, K.; Padmanaban, S.; Holm-Nielsen, J.B. Critical Review of PV Grid-Tied Inverters. Energies 2019, 12, 1921. [Google Scholar] [CrossRef]
- Gupta, N.; Dogra, R.; Garg, R.; Kumar, P. Review of islanding detection schemes for utility interactive solar photovoltaic systems. Int. J. Green Energy 2022, 19, 242–253. [Google Scholar] [CrossRef]
- Rangarajan, S.S.; Collins, E.R.; Fox, J.C.; Kothari, D.P. A survey on global PV interconnection standards. In Proceedings of the IEEE Power and Energy Conference at Illinois (PECI), Champaign, IL, USA, 23–24 February 2017; pp. 1–8. [Google Scholar]
- Jin, S.; Zhang, D.; Bao, Z.; Liu, X. High Dynamic Performance Solar Array Simulator Based on a SiC MOSFET Linear Power Stage. IEEE Trans. Power Electron. 2018, 33, 1682–1695. [Google Scholar] [CrossRef]
- Moussa, I.; Khedher, A.; Bouallegue, A. Design of a Low-Cost PV Emulator Applied for PVECS. Electronics 2019, 8, 232. [Google Scholar] [CrossRef]
- Sanaullah, S.; Khan, H.A. Design and implementation of a low cost Solar Panel emulator. In Proceedings of the IEEE 42nd Photovoltaic Specialist Conference (PVSC), New Orleans, LA, USA, 14–19 June 2015; pp. 1–5. [Google Scholar]
- Korasiak, P.; Jaglarz, J.A. New Photovoltaic Emulator Designed for Testing Low-Power Inverters Connected to the LV Grid. Energies 2022, 15, 2646. [Google Scholar] [CrossRef]
- Ahmed, M.; Harbi, I.; Kennel, R.; Abdelrahem, M. Maximum Power Point Tracking Implementation under Partial Shading Conditions Using Low-Cost Photovoltaic Emulator. Energy 2022, 3, 424–438. [Google Scholar] [CrossRef]
- Chen, C.-C.; Chang, H.-C.; Kuo, C.-C.; Lin, C.-C. Programmable energy source emulator for photovoltaic panels considering partial shadow effect. Energy 2013, 54, 174–183. [Google Scholar] [CrossRef]
- Merenda, M.; Iero, D.; Carotenuto, R.; Della Corte, F.G. Simple and Low-Cost Photovoltaic Module Emulator. Electronics 2019, 8, 1445. [Google Scholar] [CrossRef]
- Prasanth Ram, J.; Manghani, H.; Dhanup, S.; Pillai, T.; Babu, S.; Miyatake, M.; Rajasekar, N. Analysis on solar PV emulators: A review. Renew. Sustain. Energy Rev. 2018, 81, 149–160. [Google Scholar]
- Schofield, D.M.K.; Foster, M.P.; Stone, D.A. Low-cost solar emulator for evaluation of maximum power point tracking methods. Electron. Lett. 2011, 47, 208–209. [Google Scholar] [CrossRef]
- Ma, C.-T.; Tsai, Z.-Y.; Ku, H.-H.; Hsieh, C.-L. Design and Implementation of a Flexible Photovoltaic Emulator Using a GaN-Based Synchronous Buck Converter. Micromachines 2021, 12, 1587. [Google Scholar] [CrossRef]
- Jayawardana, I.D.G.; Ho, C.N.M.; Pokharel, M.; Valderrama, G.E. A Fast-Dynamic Control Scheme for a Power-Electronics-Based PV Emulator. IEEE J. Photovolt. 2021, 11, 485–495. [Google Scholar] [CrossRef]
- Ayop, R.; Tan, C.W. Rapid Prototyping of Photovoltaic Emulator Using Buck Converter Based on Fast Convergence Resistance Feedback Method. IEEE Trans. Power Electron. 2019, 34, 8715–8723. [Google Scholar] [CrossRef]
- Cordeiro, A.; Foito, D.; Pires, V.F. A PV panel simulator based on a two quadrant DC/DC power converter with a sliding mode controller. In Proceedings of the International Conference on Renewable Energy Research and Applications, Palermo, Italy, 22–25 November 2015; pp. 928–932. [Google Scholar]
- Premkumar, M.; Jangir, P.; Sowmya, R.; Rajvikram Elavarasan, M.; Kumar, B.S. Enhanced chaotic JAYA algorithm for parameter estimation of photovoltaic cell/modules. ISA Trans. 2021, 116, 139–166. [Google Scholar] [CrossRef] [PubMed]
- Batzelis, E. Non-Iterative Methods for the Extraction of the Single-Diode Model Parameters of Photovoltaic Modules: A Review and Comparative Assessment. Energies 2019, 12, 358. [Google Scholar] [CrossRef]
- Shinde, U.K.; Kadwane, S.G.; Gawande, S.P.; Keshri, R. Solar PV emulator for realizing PV characteristics under rapidly varying environmental conditions. In Proceedings of the IEEE International Conference on Power Electronics, Drives and Energy Systems, Trivandrum, India, 14–17 December 2016; pp. 1–5. [Google Scholar]
- Fahim, S.R.; Hasanien, H.M.; Turky, R.A.; Aleem, S.H.E.A.; Ćalasan, M. A Comprehensive Review of Photovoltaic Modules Models and Algorithms Used in Parameter Extraction. Energies 2022, 15, 8941. [Google Scholar] [CrossRef]
- Raya-Armenta, J.M.; Ortega, P.R.; Bazmohammadi, N.; Spataru, S.V.; Vasquez, J.C.; Guerrero, J.M. An Accurate Physical Model for PV Modules with Improved Approximations of Series-Shunt Resistances. IEEE J. Photovolt. 2021, 11, 699–707. [Google Scholar] [CrossRef]
- Kihal, A.; Krim, F.; Laib, A.; Talbi, B.; Afghoul, H. An improved MPPT scheme employing adaptive integral derivative sliding mode control for photovoltaic systems under fast irradiation changes. ISA Trans. 2019, 87, 297–306. [Google Scholar] [CrossRef]
- Villalva, M.G.; Gazoli, J.R.; Filho, E.R. Comprehensive Approach to Modeling and Simulation of Photovoltaic Arrays. IEEE Trans. Power Electron. 2009, 24, 1198–1208. [Google Scholar] [CrossRef]
- Sheikhipour, S.; Ghadimi, A.A.; Mirzaei, A. A sensor-less control and optimal energy management algorithm for a stand-alone photovoltaic system considering partial shading condition. ISA Trans. 2021, 128, 606–623. [Google Scholar] [CrossRef] [PubMed]
- Mahmoud, Y.; Xiao, W.; Zeineldin, H.H. A Simple Approach to Modeling and Simulation of Photovoltaic Modules. IEEE Trans. Sustain. Energy 2012, 3, 185–186. [Google Scholar] [CrossRef]
- Ameen, R.; Abdulmawjood, K.; Abbas, S.; Shukri, S.; Khraisheh, K.; Alpuerto, L.; Balog, R.S. Mechatronics Arc Generator for Photovoltaic Arc Fault Detector Testing. In Proceedings of the IEEE 46th Photovoltaic Specialists Conference (PVSC), Chicago, IL, USA, 16–21 June 2019; pp. 1306–1311. [Google Scholar] [CrossRef]
- Kim, K.A.; Xu, C.; Jin, L.; Krein, P.T. A Dynamic Photovoltaic Model Incorporating Capacitive and Reverse-Bias Characteristics. IEEE J. Photovolt. 2013, 3, 1334–1341. [Google Scholar] [CrossRef]
- Vogel, S.; Nguyen, H.T.; Stevic, M.; Jensen, T.V.; Heussen, K.; Rajkumar, V.S.; Monti, A. Distributed Power Hardware-in-the-Loop Testing Using a Grid-Forming Converter as Power Interface. Energies 2020, 13, 3770. [Google Scholar] [CrossRef]
- Si, G.; Cordier, J.; Kennel, R.M. Extending the Power Capability with Dynamic Performance of a Power-Hardware-in-the-Loop Application-Power Grid Emulator Using Inverter Cumulation. IEEE Trans. Ind. Appl. 2016, 52, 3193–3202. [Google Scholar] [CrossRef]
- Hildebrandt, N.; Luo, M.; Dujic, D. Robust and Cost-Effective Synchronization Scheme for a Multicell Grid Emulator. IEEE Trans. Ind. Electron. 2021, 68, 1851–1859. [Google Scholar] [CrossRef]
- Wang, J.; Yang, L.; Ma, Y.; Wang, J.; Tolbert, L.M.; Wang, F.; Tomsovic, K. Static and dynamic power system load emulation in a converter-based reconfigurable power grid emulator. IEEE Trans. Power Electron. 2016, 31, 3239–3251. [Google Scholar] [CrossRef]
- Ahmad, Z.; Torres, J.R.; Kumar, V.N.; Rakhshani, E.; Palensky, P.; Meijden, M. A Power Hardware-in-the-Loop Based Method for FAPR Compliance Testing of the Wind Turbine Converters Control. Energies 2020, 13, 5203. [Google Scholar] [CrossRef]
- Pires, V.F.; Martins, L.S.; Amaral, T.G.; Marçal, R.; Rodrigues, R.; Crisóstomo, M.M. Distance Learning Power System Protection Based on Testing Protective Relays. IEEE Trans. Ind. Electron. 2008, 55, 2433–2438. [Google Scholar] [CrossRef]
- Collins, E.R.; Morgan, R.L. A three-phase sag generator for testing industrial equipment. IEEE Trans. Power Deliv. 1996, 11, 526–532. [Google Scholar] [CrossRef]
- Bielemeier, J.; Frehn, A.; Monti, A.; Frühmann, R.; Santjer, F. Comparison of multi-megawatt LVRT testing setups for the certification of wind turbines. In Proceedings of the IEEE Milan PowerTech, Milan, Italy, 23–27 June 2019; pp. 1–6. [Google Scholar]
- Mesbah, M.; Moses, P.S.; Islam, S.M.; Masoum, M.A.S. Digital Implementation of a Fault Emulator for Transient Study of Power Transformers Used in Grid Connection of Wind Farms. IEEE Trans. Sustain. Energy 2014, 5, 646–654. [Google Scholar] [CrossRef]
- Biligiri, K.; Harpool, S.; Jouanne, A.; Amon, E.; Brekken, T. Grid emulator for compliance testing of Wave Energy Converters. In Proceedings of the IEEE Conference on Technologies for Sustainability, Portland, OR, USA, 24–26 July 2014; pp. 30–34. [Google Scholar]
- Zeb, K.; Uddin, W.; Adil Khan, M.; Ali, Z.; Umair Ali, M.; Christofides, N.; Kim, H.J. A comprehensive review on inverter topologies and control strategies for grid connected photovoltaic system. Renew. Sustain. Energy Rev. 2018, 94, 1120–1141. [Google Scholar] [CrossRef]
- Mohamed Hariri, M.H.; Mat Desa, M.K.; Masri, S.; Mohd Zainuri, M.A.A. Grid-Connected PV Generation System—Components and Challenges: A Review. Energies 2020, 13, 4279. [Google Scholar] [CrossRef]
- Fernão Pires, V.; Cordeiro, A.; Foito, D.; Pires, A.J.; Hao, C.; Martins, J.F.; Castro, R. Compensation of Unbalanced Low-Voltage Grids Using a Photovoltaic Generation System with a Dual Four-Leg, Two-Level Inverter. Electronics 2022, 11, 320. [Google Scholar] [CrossRef]
- Shahparasti, M.; Savaghebi, M.; Adabi, E.; Ebel, T. Dual-Input Photovoltaic System Based on Parallel Z-Source Inverters. Designs 2020, 4, 51. [Google Scholar] [CrossRef]
- Ali Khan, M.Y.; Liu, H.; Yang, Z.; Yuan, X. A Comprehensive Review on Grid Connected Photovoltaic Inverters, Their Modulation Techniques, and Control Strategies. Energies 2020, 13, 4185. [Google Scholar] [CrossRef]
- Hassan, Z.; Amir, A.; Selvaraj, J.; Rahim, N.A. A review on current injection techniques for low-voltage ride-through and grid fault conditions in grid-connected photovoltaic system. Sol. Energy 2020, 207, 851–873. [Google Scholar] [CrossRef]
- Ahmed, M.; Harbi, I.; Kennel, R.; Rodríguez, J.; Abdelrahem, M. Evaluation of the Main Control Strategies for Grid-Connected PV Systems. Sustainability 2022, 14, 11142. [Google Scholar] [CrossRef]
- Verbytskyi, I.; Lukianov, M.; Nassereddine, K.; Pakhaliuk, B.; Husev, O.; Strzelecki, R.M. Power Converter Solutions for Industrial PV Applications—A Review. Energies 2022, 15, 3295. [Google Scholar] [CrossRef]
- Haq, S.; Biswas, S.P.; Hosain, M.K.; Rahman, M.A.; Islam, M.R.; Jahan, S. A Modular Multilevel Converter with an Advanced PWM Control Technique for Grid-Tied Photovoltaic System. Energies 2021, 14, 331. [Google Scholar] [CrossRef]
- Medina-García, J.; Martín, A.D.; Cano, J.M.; Gómez-Galán, J.A.; Hermoso, A. Efficient Wireless Monitoring and Control of a Grid-Connected Photovoltaic System. Appl. Sci. 2021, 11, 2287. [Google Scholar] [CrossRef]
- Zeb, K.; Islam, S.U.; Khan, I.; Uddin, W.; Ishfaq, M.; Busarello, S.M.; Muyeen, I.A.; Kim, H.J. Faults and Fault Ride through strategies for grid-connected photovoltaic system: A comprehensive review. Renew. Sustain. Energy Rev. 2022, 158, 112125. [Google Scholar] [CrossRef]
- Zhiyong, Y.; Guangbin, L.; Hong, W. Development of generator for voltage dips, short interruptions and voltage variations immunity test. In Proceedings of the 3rd International Symposium on Electromagnetic Compatibility, Beijing, China, 21–24 May 2002; pp. 67–70. [Google Scholar]
- Callegaro, L.; Konstantinou, G.; Rojas, C.A.; Avila, N.F.; Fletcher, J.E. Testing Evidence and Analysis of Rooftop PV Inverters Response to Grid Disturbances. IEEE J. Photovolt. 2020, 10, 1882–1891. [Google Scholar] [CrossRef]
- Wu, Y.; Lin, J.; Lin, H. Standards and Guidelines for Grid-Connected Photovoltaic Generation Systems: A Review and Comparison. IEEE Trans. Ind. Appl. 2017, 53, 3205–3216. [Google Scholar] [CrossRef]
- Crăciun, B.; Kerekes, T.; Séra, D.; Teodorescu, R. Overview of recent Grid Codes for PV power integration. In Proceedings of the 13th International Conference on Optimization of Electrical and Electronic Equipment (OPTIM), Brasov, Romania, 24–26 May 2012; pp. 959–965. [Google Scholar]
- Al-Shetwi, A.Q.; Hannan, M.A.; Jern, K.P.; Alkahtani, A.A.; PGAbas, A.E. Power Quality Assessment of Grid-Connected PV System in Compliance with the Recent Integration Requirements. Electronics 2020, 9, 366. [Google Scholar] [CrossRef]
- Abubakr, H.; Vasquez, J.C.; Mahmoud, K.; Darwish, M.M.F.; Guerrero, J.M. Comprehensive Review on Renewable Energy Sources in Egypt—Current Status, Grid Codes and Future Vision. IEEE Access 2022, 10, 4081–4410. [Google Scholar] [CrossRef]
- Power Generation Systems Connected to the Low-Voltage Distribution Network—Technical Minimum Requirements for the Connection to and Parallel Operation with Low-Voltage Distribution Networks. In Association for Electrical, Electronic & Information Technologies; VDE-AR-N 4105-2011; VDE Publishing House: Berlin, Germany, 2011.
- Weckx, S.; Gonzalez, C.; Driesen, J. Reducing grid losses and voltage unbalance with PV inverters. In Proceedings of the IEEE PES General Meeting Conference & Exposition, National Harbor, MD, USA, 27–31 July 2014; pp. 1–5. [Google Scholar]
- O’Rourke, C.J.; Qasim, M.M.; Overlin, M.R.; Kirtley, J.L. A Geometric Interpretation of Reference Frames and Transformations: dq0, Clarke, and Park. IEEE Trans. Energy Convers. 2019, 34, 2070–2083. [Google Scholar] [CrossRef]
- Gao, W.; Hung, J.C. Variable structure control of nonlinear systems: A new approach. IEEE Trans. Ind. Electron. 1993, 40, 45–55. [Google Scholar] [CrossRef]
- Havrlík, M.; Libra, M.; Poulek, V.; Kouřím, P. Analysis of Output Signal Distortion of Galvanic Isolation Circuits for Monitoring the Mains Voltage Waveform. Sensors 2022, 22, 7769. [Google Scholar] [CrossRef] [PubMed]
- Al-Shetwi, A.Q.; Sujod, M.Z.; Blaabjerg, F.; Yang, Y. Fault ride-through control of grid-connected photovoltaic power plants: A review. Sol. Energy 2019, 180, 340–350. [Google Scholar] [CrossRef]















| dSvα | dSvβ | Vector |
|---|---|---|
| −1 | −1 | 5 |
| −1 | 0 | 4 |
| −1 | +1 | 3 |
| 0 | −1 | 5, 6 |
| 0 | 0 | 0, 7 |
| 0 | +1 | 2, 3 |
| +1 | −1 | 6 |
| +1 | 0 | 1 |
| +1 | +1 | 2 |
| dSvα | dSvβ | dSvo | Vector |
|---|---|---|---|
| −1 | −1 | −1 | 13 |
| −1 | −1 | 0 | 5, 13 |
| −1 | −1 | +1 | 5 |
| −1 | 0 | −1 | 12 |
| −1 | 0 | 0 | 4, 12 |
| −1 | 0 | +1 | 4 |
| −1 | 1 | −1 | 11 |
| −1 | 1 | 0 | 3, 11 |
| −1 | 1 | +1 | 3 |
| 0 | −1 | −1 | 13, 14 |
| 0 | −1 | 0 | 5, 6, 13, 14 |
| 0 | −1 | +1 | 5, 6 |
| 0 | 0 | −1 | 8 |
| 0 | 0 | 0 | 0, 15 |
| 0 | 0 | +1 | 7 |
| 0 | 1 | −1 | 10, 11 |
| 0 | 1 | 0 | 2, 3, 10, 11 |
| 0 | 1 | +1 | 2, 3 |
| 1 | −1 | −1 | 14 |
| 1 | −1 | 0 | 6, 14 |
| 1 | −1 | +1 | 6 |
| 1 | 0 | −1 | 9 |
| 1 | 0 | 0 | 1, 9 |
| 1 | 0 | +1 | 1 |
| 1 | 1 | −1 | 10 |
| 1 | 1 | 0 | 2, 10 |
| 1 | 1 | +1 | 2 |
| Equipment | [8] | [9] | [30] | [33] | Proposed | |
|---|---|---|---|---|---|---|
| Characteristic | ||||||
| PV emulator | Yes | Yes | No | No | No | |
| MPPT | Yes | Yes | No | No | No | |
| Arc fault detector | No | No | Yes | No | No | |
| Test Inverter | No | No | No | Yes | Yes | |
| Test typical ancillary services | No | No | No | Yes | Yes | |
| Test ancillary services requiring a neutral | No | No | No | No | Yes | |
Disclaimer/Publisher’s Note: The statements, opinions and data contained in all publications are solely those of the individual author(s) and contributor(s) and not of MDPI and/or the editor(s). MDPI and/or the editor(s) disclaim responsibility for any injury to people or property resulting from any ideas, methods, instructions or products referred to in the content. |
© 2023 by the authors. Licensee MDPI, Basel, Switzerland. This article is an open access article distributed under the terms and conditions of the Creative Commons Attribution (CC BY) license (https://creativecommons.org/licenses/by/4.0/).
Share and Cite
Pires, V.F.; Cordeiro, A.; Foito, D.; Martins, J.F.; Pires, A.; Chen, H. Testing System for PV Grid-Connected Power Condition Systems with Support for Ancillary Services. Designs 2023, 7, 40. https://doi.org/10.3390/designs7020040
Pires VF, Cordeiro A, Foito D, Martins JF, Pires A, Chen H. Testing System for PV Grid-Connected Power Condition Systems with Support for Ancillary Services. Designs. 2023; 7(2):40. https://doi.org/10.3390/designs7020040
Chicago/Turabian StylePires, Vitor Fernão, Armando Cordeiro, Daniel Foito, João F. Martins, Armando Pires, and Hao Chen. 2023. "Testing System for PV Grid-Connected Power Condition Systems with Support for Ancillary Services" Designs 7, no. 2: 40. https://doi.org/10.3390/designs7020040
APA StylePires, V. F., Cordeiro, A., Foito, D., Martins, J. F., Pires, A., & Chen, H. (2023). Testing System for PV Grid-Connected Power Condition Systems with Support for Ancillary Services. Designs, 7(2), 40. https://doi.org/10.3390/designs7020040

