Next Article in Journal
Uniaxial Compressive Failure Characteristics and Fractal Analysis of Mud–Sand Composite Rock Samples Based on Acoustic Emission Tests
Previous Article in Journal
A Novel and Effective Scheme for Solving the Fractional Telegraph Problem via the Spectral Element Method
 
 
Font Type:
Arial Georgia Verdana
Font Size:
Aa Aa Aa
Line Spacing:
Column Width:
Background:
Article

Complementary Metal Oxide Semiconductor Circuit Realization of Inverse Chebyshev Low-Pass Filter of Order (1 + α)

by
Soubhagyaseetha Nettar
1,
Shankaranarayana Kilingar
1,
Chandrika B. Killuru
1 and
Dattaguru V. Kamath
2,*
1
Department of Electrical and Electronics Engineering, Manipal Institute of Technology, Manipal Academy of Higher Education, Manipal 576104, India
2
Department of Mechatronics, Manipal Institute of Technology, Manipal Academy of Higher Education, Manipal 576104, India
*
Author to whom correspondence should be addressed.
Fractal Fract. 2024, 8(12), 712; https://doi.org/10.3390/fractalfract8120712
Submission received: 13 September 2024 / Revised: 7 November 2024 / Accepted: 8 November 2024 / Published: 30 November 2024
(This article belongs to the Section Numerical and Computational Methods)

Abstract

This paper presents the CMOS circuit realization of a low-pass Inverse Chebyshev fractional-order filter (FOF) of order (1 + α) using the inverse-follow-the-leader feedback (IFLF) topology. A nonlinear least squares optimization routine is used to determine the coefficients of the fractional-order transfer function to approximate the stop-band characteristics. The Inverse Chebyshev FOF of orders 1.3, 1.6, and 1.9 using cross-coupled operational transconductance amplifier (OTA) was designed in united microelectronics corporation (UMC) 180 nm complementary metal–oxide–semiconductor process. The MATLAB and Cadence Spectre simulations are used to validate the implementation of the fractional-order filter of orders 1.3, 1.6 and 1.9. The dynamic range (DR) of the filter is found to be 83.04 dB, 86.13 dB, and 84.71 dB, respectively, for order of 1.3, 1.6, and 1.9. The simulation results such as magnitude response, transient plot, Monte Carlo, and PVT plots, have justified the design accuracy.

1. Introduction

The research on fractional order (FO) analog filters has gained greater significance due to their ability to provide additional control over the filter characteristics [1]. The FO filters offer various advantages, such as precise control of parameters such as stop-band attenuation [2], cut-off frequency [3], the shaping of the passband [4], the stop-band ripple [5], etc. The design of continuous-time (CT) filters based on operational transconductance amplifiers (OTAs) [6,7,8,9,10] for different applications is discussed in the literature. The transconductor-based realization of FO filters has been addressed in the literature [11,12,13,14]. The implementation of fractional step filters using field programmable analog array hardware [15] has been presented. The fractional order passive and active filter realizations of Kerwin–Huelsman–Newcomb (KHN) and Sallen–Key for the Butterworth response are presented in [16]. The circuit realization of FO Butterworth low-pass filter (LPF) using a differential voltage current conveyor (DVCC) and fractance devices have been investigated [17,18]. An FO transitional Butterworth–Butterworth filter using the current feedback operational amplifier (CFOA) was discussed [19]. The transconductance-capacitance ( G m − C) FO Bessel filter of (1 + α) was investigated [20]. The design of approximated fractional order Chebyshev lowpass filters using nonlinear least squares optimization was explored in [21]. The design of approximated fractional-order Inverse Chebyshev lowpass filters using the nonlinear least squares fitting routine and op-amp-based circuit realization was described in [5]. The design and circuit realization of a fractional order Inverse Chebyshev low-pass filter using particle swarm optimization was considered in [22]. The design of power law FOF [23,24,25] and companding FOF [26] were also explored. A simple procedure to realize Butterworth filter transfer function of order (1 + α) based on the curve fitting of the frequency response magnitude data by a minimum-phase state-space model using a Log-Chebyshev magnitude design is presented by Julia Nako et al. [27]. The design of higher-order fractional filters reported in [28] has also employed the same state-space model to fit its magnitude response data.
The CMOS circuit realization of the Inverse Chebyshev fractional-order filter was not discussed in the literature. In this work, the fractional order Inverse Chebyshev filter having an order of (1 + α), which is a generalized filter of second order [5], is considered. The fractional-order Inverse Chebyshev filter transfer function is implemented based on the inverse follow-the-leader feedback (IFLF) configuration using OTA.
The design methodology of Inverse Chebyshev fractional-order filter with numerical analysis, least square curve fitting, and transfer function approximations are presented in Section 2. The CMOS circuit realization of Inverse Chebyshev fractional-order filter using the cross-coupled OTA is discussed in Section 3. The simulation results performance parameters and concluding remarks are presented in Section 4, Section 5 and Section 6, respectively.

2. Design of Inverse Chebyshev Fractional-Order Filter

2.1. Inverse Chebyshev Fractional-Order Filter

Inverse Chebyshev filters find applications in biomedical signal processing, audio equalizers, and video or data transmission [4,22]. The electroencephalogram (EEG) [29] signal frequencies ranges from 0.1 Hz to more than 100 Hz. Typically, EEG signals are generally categorized as delta (δ) (0.1–4 Hz), theta (θ) (4–8 Hz), alpha (α) (8 to 13 Hz), and beta (β) (13 to 30 Hz) and gamma (γ) (30 to 100 Hz). The frequency band of an electrocardiogram (ECG) signal can vary depending on the application, but it typically ranges from 0.05 to 100 Hz. Many such bioelectric signals have a relatively low-frequency content, but the recording systems are susceptible to powerline interference and other noise signals. The Inverse Chebyshev low-pass notch (LPN) filter [30] can simultaneously perform the required low-pass filtering and removal of the narrow band interference.
The biomedical signal recordings such as electrocardiograph (ECG), magnetoencephalograph (MEG) and electroencephalograph (EEG) are often exposed to strong power line interference (PLI) (50/60 Hz), second harmonic PLI (100/120 Hz). The presence of EMG or muscle noise [31] (high frequency noise of above 100 Hz) represents a major problem in many ECG applications, especially in recordings acquired during exercise. The low-pass notch (LPN) filters are particularly effective for ECG signal analysis, especially for removing 100 Hz muscle noise. Other applications of LPN include exercise stress testing, seismic signal processing, sensor signal conditioning (e.g., temperature, pressure), data acquisition and industrial automation systems.
Inverse Chebyshev fractional-order filters were synthesized using some optimization functions called least square curve fitting (lscurvefit) [4] and particle swarm optimization [22]. The designed filters were realized using OPAMP and passive RC ladder networks. In both techniques, the multiple input biquad (MIB) technique was used in realizing the filter. In this work, CMOS OTA is used as an active element and the fractional-order Inverse Chebyshev filter is designed using cross-coupled differential pair architecture in the UMC 180 nm CMOS process. The integer order approximation of the fractional-order transfer function is considered.

2.1.1. Background

The Inverse Chebyshev FOF of order (1 + α) is designed for a cut-off frequency of 8 Hz and a notch frequency of 100 Hz. The ripple factor ‘ϵ’ of a Chebyshev filter is related to stopband attenuation by
ϵ = 1 / ( 10 ) A S 10 1
where A s is stopband attenuation in dB. From (1), for the stopband attenuation A s value of 50 dB, the minimum stopband ripple factor ϵ will be 0.003162. For Inverse Chebyshev biquad [5,22] with passband gain A p as 0 dB and A s as 50 dB, the transfer function normalized to 1.414 rad/s is given by
H I N E s = 0.003162 s 2 + 1.9999 s 2 + 0.1123 s + 0.0063
The transfer function of second order LPF, approximated for Inverse Chebyshev response, is typically that of a low-pass notch and is given as
H I N T 2 s = s 2 + k 2 ω P 2 s 2 + s ω P Q P + ω P 2    
where k 2 is the DC gain, ω P is the pole frequency, k ω P is the notch frequency and Q P is the quality factor.

2.1.2. Least Square Fitting Function

The transfer function (TF) of fractional Inverse Chebyshev low-pass filter of order 1 + α is given by
H F O N 1 + α s = k 4 k 1 s 1 + α + 1 k 2 s 1 + α + k 3 s α + 1
The coefficients k 1 , k 2 , k 3 , k 4 in (4) of the fractional Inverse Chebyshev LPF for an order of 0.1 to 0.9 are selected suitably using MATLAB optimization routine lscurvefit to approximate the ripple behavior in the stopband of the magnitude response, with different attenuation in the transition band, which depends on ‘α’. A nonlinear least squares fitting [5] is used to solve the optimization problem over the frequency range ω   [ 10 3 , 10 3 ] rad/s. The computed values of filter coefficients k 1 , k 2 , k 3 , k 4 are given in Table 1.

2.1.3. Stability

The mapping from the s α -plane to W-plane [12,32] results in the characteristic equation
k 2 ( W ) m + k + k 3 W k + 1 = 0
where W = s 1 / m and m, k arepositive integers. The stability condition in this case is that all the pole angles have θ W > ( π / 2 m ) = 9 ° . For α = 0.3, 0.6, 0.9, the pole angles are 13.98 ° , 11.32 ° and 9.5 ° , respectively, which confirm the stability condition.

2.1.4. Transfer Function Approximation

The second-order approximation of Laplacian variable s α using the continued fraction expansion (CFE) [1,15] used for implementing fractional-order filter is given by
s α = a 0 s 2 + a 1 s + a 2 a 2 s 2 + a 1 s + a 0
The design equations for coefficients a 0 , a 1 , a 2 [1] in (6) are given by
a 0 = α 2 + 3 α + 2 a 1 = 8 2 α 2 a 2 = α 2 3 α + 2
The approximated integer order transfer function of fractional-order inverse Chebyshev filter of order (1 + α) can be derived as
H F O N 1 + α s = k 4 k 2 a 0 A 3 s 3 + A 2 s 2 + A 1 s + A 0 s 3 + B 2 s 2 + B 1 s + B 0                  
where
A 3 = k 1 a 0 A 2 = k 1 a 1 + a 2 A 1 = k 1 a 2 + a 1 A 0 = a 0
B 2 = k 2 a 1 + k 3 a 0 + a 2 k 2 a 0 B 1 = k 2 a 2 + k 3 a 1 + a 1 k 2 a 0 B 0 = k 2 a 2 + a 0 k 2 a 0

2.1.5. Functional Block Diagram

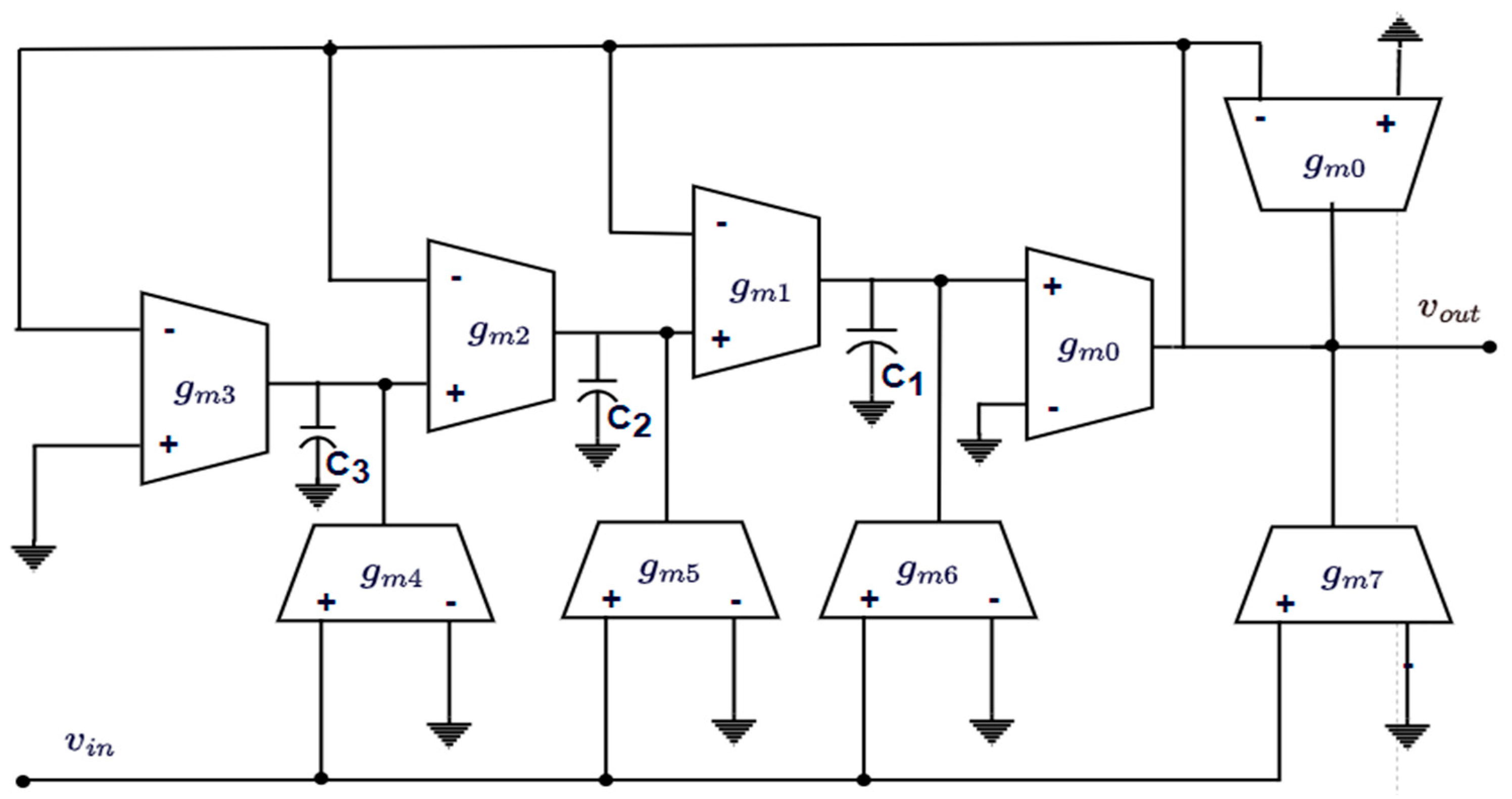
The approximated integer order TF (8) can be implemented using IFLF, which is a multiple-loop feedback (MLF) structure. The corresponding functional block diagram (FBD) is shown in Figure 1.
The transfer function for the filter structure in Figure 1 is given by
V o u t V i n = G 3 s 3 + G 2 τ 1 s 2 + G 1 τ 1 τ 2 s + G 0 τ 1 τ 2 τ 3 s 3 + 1 τ 1 s 2 + 1 τ 1 τ 2 s + 1 τ 1 τ 2 τ 3

3. CMOS Circuit Realization of Inverse Chebyshev Fractional-Order Filter

The circuit realization of fractional low-pass Inverse Chebyshev filter of order ( 1 + α ) using transconductance and capacitance ( G m C ) approach is shown in Figure 2.
The gain factors G 0 , G 1 , G 2 , G 3 and time constants τ i ( i = 0 , 1 , 2 ) in the functional block diagram of Figure 1 are related to transconductances and capacitances of G m C circuit in Figure 2 and are given as
G 0 = g m 4 g m 3 ;   G 1 = g m 4 g m 3 ; G 2 = g m 4 g m 3 ;   G 3 = 1
τ 1 = C 1 g m 1 ;   τ 2 = C 2 g m 2 ;   τ 3 = C 3 g m 3   ;

3.1. CMOS OTA Architecture

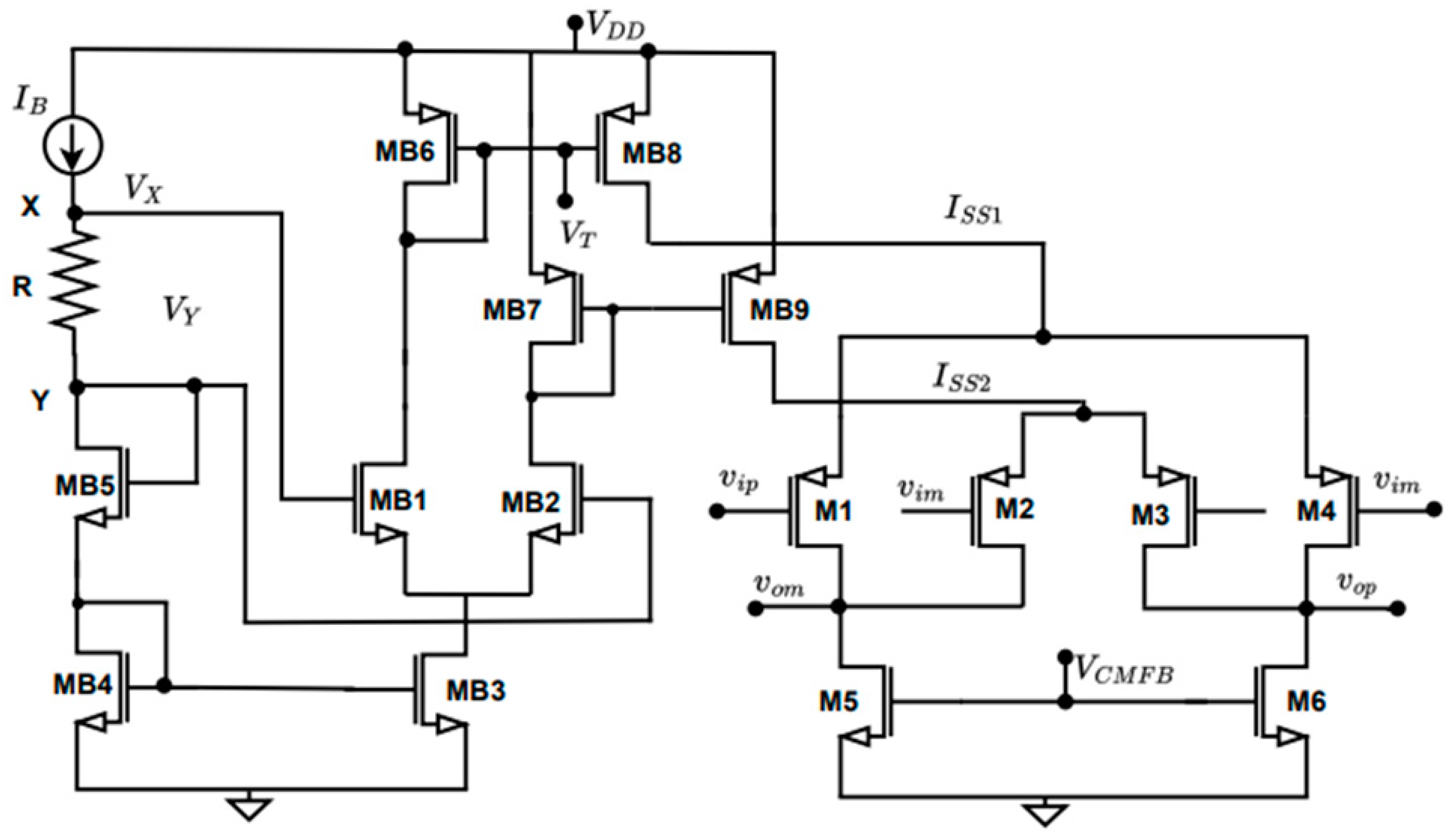
The schematic circuit of cross-coupled CMOS OTA [9] with biasing used for realization of fractional-order Inverse Chebyshev LPF is shown in Figure 3.
The PMOS differential pairs M1-M4 and M2-M3 are operated in the sub-threshold region, and they receive tail currents I s s 1 and I s s 2 , respectively. The effective transconductance of cross-coupled OTA is the difference between the transconductances of the two source-coupled PMOS differential pairs M1-M4 and M2-M3 and is given by
g m , e f f = I s s 1 I s s 2 2 η V T = I s s 2 η V T
The transconductance of cross-coupled OTA in Figure 3 can be tuned by varying the external resistor R connected between the nodes X and Y for a fixed value of current I. The value of R will set the voltage difference between nodes X and Y, which will be reflected as I s s . The aspect ratio of transistors used in cross-coupled OTA and biasing circuit are summarized in Table 2.

3.2. Common-Mode Feedback Circuit

The common-mode feedback signal V C M F B in Figure 3 is fed by the error amplifier stage of the common-mode feedback (CMFB) scheme [33,34] illustrated in Figure 4a. The sizes of transistors used in CMFB circuit of Figure 4b are given in Table 3.

4. Simulation Results

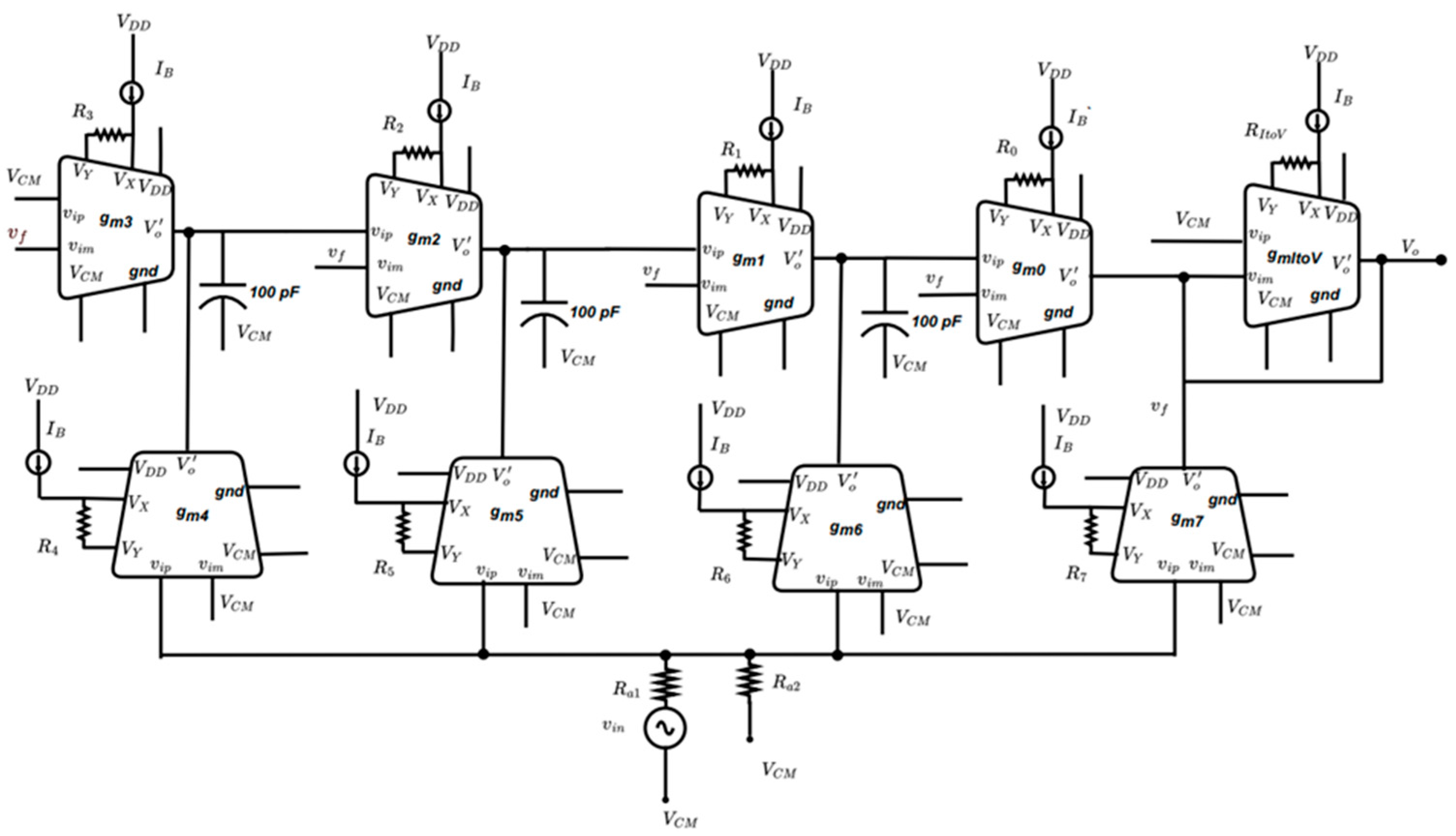
The design and simulation of FO Inverse Chebyshev filter circuits in Figure 2, of orders 1.3, 1.6, and 1.9 are performed using Cadence Virtuoso 6.1.6 and Spectre tool with UMC 180 nm CMOS technology and 1.8 V power supply. The schematic circuit of FO Inverse Chebyshev filter drawn in Cadence Virtuoso is shown in Figure 5. Here, I B and V C M are bias current and common-mode signal of OTA. The resistors R 0,1 , 7 are used to tune transconductance values of OTAs. The values of circuit elements used for simulation are given in Table 4.

4.1. Amplitude Response

The ideal and simulated amplitude response of the Inverse Chebyshev FOF for orders 1.3, 1.6, and 1.9, obtained from MATLAB and by simulating the circuit of Figure 5 using Cadence Spectre, is depicted in Figure 6. The passband dc gain for fractional orders 1.3, 1.6, and 1.9 was found to be −8.7 dB, −6.18 dB, and −7.74 dB, respectively. The DC gain of the Spectre simulated amplitude response in Figure 6 is less than 0 dB due to finite output resistance of the transconductors used.
The corresponding ideal and simulated phase response obtained by MATLAB and Cadence Spectre is shown in Figure 7. From the phase response plot in Figure 7, it can be observed that the phase reversal (phase shift jump) occurs at 100 Hz notch frequency as expected.

4.2. Transient Characteristics

The time–domain behavior of the FO Inverse Chebyshev filter (FOICF) is studied by applying a sinusoidal signal of different frequencies 2, 4 and 6 Hz and 200 mV peak-to peak at the input. The input and output waveforms are shown in Figure 8a–c, which confirms the correctness of the working of the filter.
The phase difference (in degrees) between input and output for FOICF of order 1.3, 1.6 and 1.9 at different input frequencies 2 Hz, 4 Hz and 6 Hz, obtained from ideal phase plot (MATLAB), simulated phase plot (Cadence Spectre) and transient plot (Cadence Spectre) are compared in Table 5. It can be observed that there is a difference between the phase values obtained from ideal and simulated phase plots for different orders and frequencies. The general trend observed is that the difference in phase values decreases as the order increases. The change in phase values for Cadence simulated plots in comparison to ideal values is believed to be due to the non-ideal finite output resistance of OTAs used.

4.3. THD and Harmonic Spectrum

The simulated plot of %THD (total harmonic distortion) variation of the FO Inverse Chebyshev LP filter for order of 1.3, 1.6, and 1.9, as a function of input voltage is presented in Figure 9. For a sinusoidal input voltage of 100 mV (−20 dB) and frequency of 2 Hz, THD is found to be less than 1%.
The I R N r m s (rms Input-Referred Noise) voltage over the passband of the Inverse Chebyshev FOF for an order of 1.3, 1.6, and 1.9 are 4.9 µV, 4.114 µV and 3.48 µV, respectively. The respective values of the dynamic range (DR) are found to be 83.04, 86.13, 84.71 dB, respectively. The plot of the harmonic spectrum is shown in Figure 10.
Figure-Of-Merit (FOM) parameter [26] for the filter is given by
F O M = P D R f c N
where P, DR, f c and N are power consumption, dynamic range, cut-off frequency, and order of the filter, respectively. The FOM for fractional orders 1.3, 1.6, and 1.9 are found to be 101.64, 52.73, and 49.18 pJ, respectively.

4.4. Monte Carlo Plot

Monte Carlo simulations are performed for Inverse Chebyshev filter of order 1.3, 1.6 and 1.9 in Figure 5 for 1000 runs considering the effect of both the process variations and device mismatch on cut-off frequency and the resulting plots are presented in Figure 11a–c. Here, the blue curve represents Gaussian (or normal) distribution curve. From the plots, it is evident that there is no large variation in the pole frequency of the filter due to process variations. The values of mean cut-off frequency for fractional orders 1.3, 1.6 and 1.9 are 7.04, 7.83, and 8.414 Hz, respectively. The standard deviation (SD) values of cut-off frequency for fractional orders 1.3, 1.6 and 1.9 are 355.3, 219.5, and 207.3 mHz, respectively.

4.5. Output Noise

The simulated output referred noise voltage response of the FO Inverse Chebyshev filter in Figure 5 is shown in Figure 12. The flicker noise is more dominant up to a frequency of 10 Hz, and thermal noise dominates after that. The equivalent output noise at 2 Hz for the orders 1.3, 1.6 and 1.9 are 429 µV, 409 µV and 395 µV, respectively, and is less than 125 µV within −3 dB bandwidth for 100 mV input.

4.6. PVT Plots

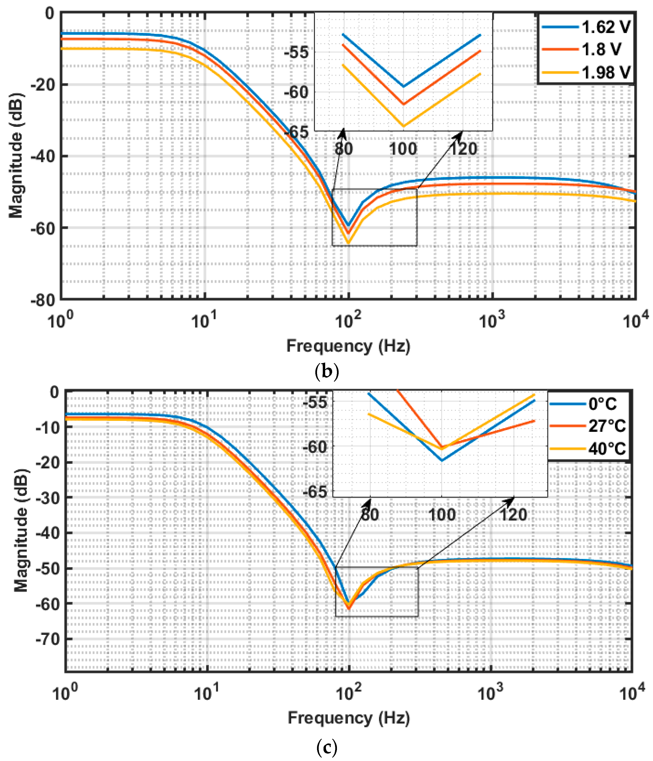
The Inverse Chebyshev filter of fractional-order 1.9 in Figure 5 is simulated across five main process corners like FF, SNFP, TT, FNSP and SS, and the resulting amplitude response plots obtained are presented in Figure 13a. At the notch frequency, the magnitude variation is found to 5.96% (from −59.7 dB (SS) to −63.38 dB (FF). The simulations are carried out across voltage variations ( V D D (5%) and V S S (5%)) and temperature variations (0, 27, 40 °C), and the resulting amplitude response plots obtained are presented in Figure 13b and Figure 13c, respectively. From Figure 13b, the magnitude variation at notch frequency with respect to voltage variations is 8.29% (from −59.2 dB (1.62 V) to −64.3 dB (1.98 V)). From Figure 13c, the magnitude variation at notch frequency with respect to temperature variations is seen to be 2% (from −61.5 dB (0 °C) to −60.3 dB (40 °C).

5. Performance Evaluation

The performance parameters of FO Inverse Chebyshev FOF circuit in Figure 4 obtained from Cadence simulation have been summarized in Table 6.
Table 7 compares the performance parameters of the implemented Inverse Chebyshev FOF (i.e., P, THD, IRN, DR, FOM) with some of the FO filter types that have been previously reported in the literature. The DR of the Inverse Chebyshev FOF filter is better compared to [25,26]. It can be seen that the FoM of the current work is better than the FoM of the FOF in [35].

6. Conclusions

An Inverse Chebyshev FO LPF of order (1 + α) with α = {0.3, 0.6, 0.9} is synthesized using CFE approximation method. The magnitude ripple characteristics in the stopband are approximated using the least-squares curve fit optimization technique. The FO LPF circuit is designed for a cut-off frequency of 8 Hz with 1.8 V power supply using CC-OTA with resistor-averaged CMFB circuit. The circuit was simulated, and performance factors were evaluated using Cadence IC design suite 6.1.8 (Virtuoso and Spectre) and 180 nm UMC CMOS process models. The Spectre simulated magnitude responses are in good agreement with the MATLAB-simulated responses. From Monte Carlo plots, it is evident that the frequency deviation is within acceptable limits. Furthermore, the THD is found to be lower than 1% and DR value is larger than 83 dB. The curve fit optimization can also be carried out using minimum-phase state-space model by ‘fitmagfrd’ MATLAB routine, as a part of our future work. The work can be extended to implement the Inverse Chebyshev FOF of order (n + α).

Author Contributions

Methodology, S.N.; software, S.K.; review and editing, C.B.K.; supervision and validation, D.V.K. All authors have read and agreed to the published version of the manuscript.

Funding

This research received no external funding.

Data Availability Statement

No new data were created or analyzed in this study.

Conflicts of Interest

The authors declare no conflicts of interest.

References

  1. Tsirimokou, G.; Psychalinos, C.; Elwakil, A. Design of CMOS Analog Integrated Fractional-Order Circuits: Applications in Medicine and Biology; Springer: Berlin/Heidelberg, Germany, 2017. [Google Scholar]
  2. AFreeborn, T.J.; Maundy, B.; Elwakil, A. Fractional Resonance-Based RLβCα Filters. Math. Probl. Eng. 2013, 1, 726721. [Google Scholar] [CrossRef]
  3. Freeborn, T.J.; Maundy, B.; Elwakil, A.S. Field Programmable Analogue Array Implementation of Fractional Step Filters. IET Circuits Devices Syst. 2010, 4, 514–524. [Google Scholar] [CrossRef]
  4. Freeborn, T.J.; Maundy, B.; Elwakil, A. Towards the Realization of Fractional Step Filters. In Proceedings of the 2010 IEEE International Symposium on Circuits and Systems (IEEE), Paris, France, 30 May–2 June 2010; pp. 1037–1040. [Google Scholar]
  5. Freeborn, T.J.; Elwakil, A.S.; Maundy, B. Approximated Fractional-Order Inverse Chebyshev Lowpass Filters. Circuits Syst. Signal Process. 2016, 35, 1973–1982. [Google Scholar] [CrossRef]
  6. Josh, S.-M. Design considerations for high performance very low frequency filters for Biomedical Applications. In Proceedings of the IEEE International Symposium on Circuits and Systems, Orlando, FL, USA, 30 May–2 June 1999; Volume 2, pp. 648–651. [Google Scholar]
  7. Lee, S.; Cheng, C. Systematic Design and Modeling of a OTA-C Filter for Portable ECG Detection. IEEE Trans. Biomed. Circuits Syst. 2009, 3, 53–64. [Google Scholar] [CrossRef]
  8. Jakusz, J.; Jendernalik, W.; Blakiewicz, G.; Kłosowski, M.; Szczepański, S. A 1-NS 1-V Sub-1-ΜW Linear CMOS OTA with Rail-to-Rail Input for Hz-Band Sensory Interfaces. Sensors 2020, 20, 3303. [Google Scholar] [CrossRef] [PubMed]
  9. Machha Krishna, J.R.; Laxminidhi, T. Widely Tunable Low-Pass Gm − C Filter for Biomedical Applications. IET Circuits Devices Syst. 2019, 13, 239–244. [Google Scholar] [CrossRef]
  10. Kamat, D.V.; George, M.A. New Gm-C All-Pass and Amplitude-Equalizer Biquad. IETE J. Res. 2023, 69, 104–117. [Google Scholar] [CrossRef]
  11. TDar, M.R.; Kant, N.A.; Khanday, F.A.; Psychalinos, C. Fractional-Order Filter Design for Ultra-Low Frequency Applications. In Proceedings of the 2016 IEEE International Conference on Recent Trends in Electronics, Information & Communication Technology (RTEICT), Bangalore, India, 20–21 May 2016; pp. 1727–1730. [Google Scholar]
  12. Sacu, I.E.; Alci, M. Low-Power OTA-C Based Tuneable Fractional Order Filters. Electron. Compon. Mater. 2018, 48, 135–144. [Google Scholar]
  13. Kamath, D.V.; Navya, S.; Soubhagyaseetha, N. Fractional Order OTA -C Current-Mode All-Pass Filter. In Proceedings of the 2018 Second International Conference on Inventive Communication and Computational Technologies (ICICCT), Coimbatore, India, 20–21 April 2018; Volume 2018, pp. 383–387. [Google Scholar] [CrossRef]
  14. Singh, G.; Garima; Kumar, P. Fractional Order Capacitors Based Filters Using Three OTAs. In Proceedings of the 2020 6th International Conference on Control, Automation and Robotics (ICCAR), Singapore, 20–23 April 2020; pp. 638–643. [Google Scholar]
  15. Hassanein, A.M.; Madian, A.H.; Radwan, A.G.G.; Said, L.A. On the Design Flow of the Fractional-Order Analog Filters between FPAA Implementation and Circuit Realization. IEEE Access 2023, 11, 29199–29214. [Google Scholar] [CrossRef]
  16. Ali, A.S.; Radwan, A.G.; Soliman, A.M. Fractional Order Butterworth Filter: Active and Passive Realizations. IEEE J. Emerg. Sel. Top. Circuits Syst. 2013, 3, 346–354. [Google Scholar] [CrossRef]
  17. Mishra, S.K.; Gupta, M.; Upadhyay, D.K. Active Realization of Fractional Order Butterworth Low-pass Filter Using DVCC. J. King Saud Univ. Sci. 2020, 32, 158–165. [Google Scholar]
  18. Krishna, B.T. A Comparative Study on the Implementation of Fractional Order Butterworth Low-pass Filter Using Differential Voltage Current Conveyor. Int. J. Circuits Syst. Signal Process. 2023, 17, 136–142. [Google Scholar] [CrossRef]
  19. Mahata, S.; Herencsar, N.; Kubanek, D.; Kar, R.; Mandal, D.; Göknar, İ.C. A Fractional-Order Transitional Butterworth-Butterworth Filter and Its Experimental Validation. IEEE Access 2021, 9, 129521–129527. [Google Scholar] [CrossRef]
  20. Soubhagyaseetha, N.; Kamath, D.V. Gm-C Fractional Bessel Filter Of Order (1 + alpha). In Proceedings of the 2019 International Conference on Smart Systems and Inventive Technology (ICSSIT) (IEEE), Tirunelveli, India, 27–29 November 2019; pp. 454–459. [Google Scholar]
  21. Freeborn, T.; Maundy, B.; Elwakil, A.S. Approximated Fractional Order Chebyshev Lowpass Filters. Math. Probl. Eng. 2015, 2015, 4–11. [Google Scholar] [CrossRef]
  22. Daryani, R.; Bhawna, A. Designing of fractional order inverse chebyshev low-pass filter using particle swarm optimization. In Advanced Production and Industrial Engineering; IOS Press: Tepper Drive Clifton, VA, USA, 2022; pp. 238–247. [Google Scholar] [CrossRef]
  23. Kapoulea, S.; Psychalinos, C.; Elwakil, A.S. Power Law Filters: A New Class of Fractional-Order Filters without a Fractional-Order Laplacian Operator. AEU-Int. J. Electron. Commun. 2021, 129, 153537. [Google Scholar] [CrossRef]
  24. Kapoulea, S.; Yesil, A.; Psychalinos, C.; Minaei, S.; Elwakil, A.S.; Bertsias, P. Fractional-Order and Power-Law Shelving Filters: Analysis and Design Examples. IEEE Access 2021, 9, 145977–145987. [Google Scholar] [CrossRef]
  25. Mahata, S.; Herencsar, N.; Kubanek, D. On the Design of Power Law Filters and Their Inverse Counterparts. Fractal Fract. 2021, 5, 197. [Google Scholar] [CrossRef]
  26. Tsirimokou, G.; Laoudias, C.; Psychalinos, C. 0.5-V Fractional-order Companding Filters. Int. J. Circuit Theory Appl. 2015, 43, 1105–1126. [Google Scholar] [CrossRef]
  27. Nako, J.; Psychalinos, C.; Elwakil, A.S. A 1+ α order generalized Butterworth filter structure and its field programmable analog array implementation. Electronics 2023, 12, 1225. [Google Scholar] [CrossRef]
  28. Nako, J.; Psychalinos, C.; Elwakil, A.S.; Jurisic, D. Design of higher-order fractional filters with fully controllable frequency characteristics. IEEE Access 2023, 11, 43205–43215. [Google Scholar] [CrossRef]
  29. Kumar, J.S.; Bhuvaneswari, P. Analysis of electroencephalography (EEG) signals and its categorization-a study. Procedia Eng. 2012, 38, 2525–2536. [Google Scholar] [CrossRef]
  30. Thomas, C.W.; Huebner, W.P.; Leigh, R.J. A low-pass notch filter for bioelectric signals. IEEE Trans. Biomed. Eng. 1988, 35, 496–498. [Google Scholar] [CrossRef] [PubMed]
  31. Kher, R. Signal processing techniques for removing noise from ECG signals. J. Biomed. Eng. Res. 2019, 3, 1–9. [Google Scholar]
  32. Biswal, K.; Kar, S.K.; Tripathy, M.C. Stability Analysis of Fractional-Order Filters Realized with PMMA Coated Elements. In Proceedings of the 2021 International Conference in Advances in Power, Signal, and Information Technology (APSIT), Bhubaneswar, India, 8–10 October 2021; pp. 1–5. [Google Scholar]
  33. Babanezhad, J.N. A Low-Output-Impedance Fully Differential Op Amp with Large Output Swing and Continuous-Time Common-Mode Feedback. IEEE J. Solid-State Circuits 1991, 26, 1825–1833. [Google Scholar] [CrossRef]
  34. Lah, L.; Choma, J.; Draper, J. A Continuous-Time Common-Mode Feedback Circuit (CMFB) for High-Impedance Current-Mode Applications. IEEE Trans. Circuits Syst. II Analog Digit. Signal Process. 2000, 47, 363–369. [Google Scholar] [CrossRef]
  35. Sen, F.; Kircay, A.; Cobb, B.S.; Akgul, A. MO-CCCII-Based Single-Input Multi-Output (SIMO) Current-Mode Fractional-Order Universal and Shelving Filter. Fractal Fract. 2024, 8, 181. [Google Scholar] [CrossRef]
Figure 1. Functional block diagram of IFLF topology.
Figure 1. Functional block diagram of IFLF topology.
Fractalfract 08 00712 g001
Figure 2. OTA-C realization of fractional-order Inverse Chebyshev LPF of order (1 + α).
Figure 2. OTA-C realization of fractional-order Inverse Chebyshev LPF of order (1 + α).
Fractalfract 08 00712 g002
Figure 3. Schematic circuit of cross-coupled CMOS OTA with tail current generation [9].
Figure 3. Schematic circuit of cross-coupled CMOS OTA with tail current generation [9].
Fractalfract 08 00712 g003
Figure 4. CMFB scheme: (a) conceptual block diagram; (b) circuit diagram.
Figure 4. CMFB scheme: (a) conceptual block diagram; (b) circuit diagram.
Fractalfract 08 00712 g004
Figure 5. Schematic of OTA based Inverse Chebyshev FOF circuit of order (1 + α) drawn in Cadence Virtuoso.
Figure 5. Schematic of OTA based Inverse Chebyshev FOF circuit of order (1 + α) drawn in Cadence Virtuoso.
Fractalfract 08 00712 g005
Figure 6. Ideal and simulated amplitude response of Inverse Chebyshev FOF of order 1.3, 1.6, and 1.9 obtained using MATLAB and Cadence Spectre.
Figure 6. Ideal and simulated amplitude response of Inverse Chebyshev FOF of order 1.3, 1.6, and 1.9 obtained using MATLAB and Cadence Spectre.
Fractalfract 08 00712 g006
Figure 7. Ideal and simulated phase response of Inverse Chebyshev FOF of order 1.3, 1.6, and 1.9 obtained using MATLAB and Cadence Spectre.
Figure 7. Ideal and simulated phase response of Inverse Chebyshev FOF of order 1.3, 1.6, and 1.9 obtained using MATLAB and Cadence Spectre.
Fractalfract 08 00712 g007
Figure 8. Transient response of fractional-order Inverse Chebyshev filter of order 1.3, 1.6, and 1.9 with 200 mV peak-to peak input at (a) 2 Hz, (b) 4 Hz, (c) 6 Hz.
Figure 8. Transient response of fractional-order Inverse Chebyshev filter of order 1.3, 1.6, and 1.9 with 200 mV peak-to peak input at (a) 2 Hz, (b) 4 Hz, (c) 6 Hz.
Fractalfract 08 00712 g008
Figure 9. Plot of THD (%) versus input sweep for Inverse Chebyshev FOF of order 1.3, 1.6 and 1.9.
Figure 9. Plot of THD (%) versus input sweep for Inverse Chebyshev FOF of order 1.3, 1.6 and 1.9.
Fractalfract 08 00712 g009
Figure 10. Simulated harmonic spectrum of Inverse Chebyshev FOF of order 1.9 with a 200 mV p-p input signal at 2 Hz.
Figure 10. Simulated harmonic spectrum of Inverse Chebyshev FOF of order 1.9 with a 200 mV p-p input signal at 2 Hz.
Fractalfract 08 00712 g010
Figure 11. Monte Carlo simulation plots of Inverse Chebyshev FOF of order (a) 1.3, (b) 1.6, and (c) 1.9 with respect to cut-off frequency f c .
Figure 11. Monte Carlo simulation plots of Inverse Chebyshev FOF of order (a) 1.3, (b) 1.6, and (c) 1.9 with respect to cut-off frequency f c .
Fractalfract 08 00712 g011aFractalfract 08 00712 g011b
Figure 12. Output noise response of Inverse Chebyshev FOF in Figure 5.
Figure 12. Output noise response of Inverse Chebyshev FOF in Figure 5.
Fractalfract 08 00712 g012
Figure 13. Magnitude response of Inverse Chebyshev filter of fractional-order 1.9 with respect to (a) process (P) corners (FF, SNFP, TT, FNSP and SS), (b) voltage (V) variations (10%), (c) temperature (T) variations (0 °C, 27 °C, 40 °C).
Figure 13. Magnitude response of Inverse Chebyshev filter of fractional-order 1.9 with respect to (a) process (P) corners (FF, SNFP, TT, FNSP and SS), (b) voltage (V) variations (10%), (c) temperature (T) variations (0 °C, 27 °C, 40 °C).
Fractalfract 08 00712 g013aFractalfract 08 00712 g013b
Table 1. Coefficient values for (1 + α ) fractional-order transfer function.
Table 1. Coefficient values for (1 + α ) fractional-order transfer function.
Parameter α = 0.3 α = 0.6 α = 0.9
k 1 0.24060.44560.5648
k 2 45.752694.5257143.9983
k 3 0.11000.113612.5186
k 4 0.96910.96171.0333
τ 1 0.38070.57060.8032
τ 2 5.739711.358410.8355
τ 3 20.070214.420613.2069
θ w 13.983 ° 11.32 ° 9.5 °
G 0 181.34211.83201.85
G 1 24.526.4917.83
G 2 1.6181.1790.9403
G 3 111
Table 2. Transistor size of cross-coupled OTA.
Table 2. Transistor size of cross-coupled OTA.
Transistor [ m ( W / L ) ] µ m
M1, M2, M3, M4 4 ( 2 / 40 )
M5, M6 ( 0.25 / 48 )
MB1, MB2 2 ( 1 / 48 )
MB3, MB4, MB5 2 ( 1 / 48 )
MB6, MB7, MB8, MB9 2 ( 10 / 1 )
* denotes multiplication.
Table 3. Sizes of transistors in CMFB circuit.
Table 3. Sizes of transistors in CMFB circuit.
Transistor [ m ( W / L ) ] µ m
MC1, MC4, MC12 ( 1 / 1 )
MC2, MC3, MC5, MC6, MC13, MC14 ( 0.5 / 10 )
MC7 4 ( 10 / 1 )
MC8, MC9 2 ( 2 / 20 )
MC10, MC11 0.25 / 48
* denotes multiplication.
Table 4. Summary of the circuit elements for inverse Chebyshev fractional filter of order 1.3, 1.6 and 1.9.
Table 4. Summary of the circuit elements for inverse Chebyshev fractional filter of order 1.3, 1.6 and 1.9.
Parameter α = 0.3 α = 0.6 α = 0.9
g m 0 ,   g m 7   ( µ S ) 1 1 1
R   I t o V   (MΩ)1.606 1.6061.606
g m 1   ( n S ) 122.1681.51 57.9
R 1 (kΩ)123.8482.5258.64
g m 2   ( n S ) 8.1034.094.29
R 2 (kΩ)8.274.24.4
g m 3   ( n S ) 2.3173.23.5
R 3 (kΩ)2.4243.313.6
g m 4   ( n S ) 420.25683.2710
R 4 (kΩ)437.03757.75794.83
g m 5   ( n S ) 198.54108.576.54
R 5 (kΩ)200.9109.977.49
g m 6   ( n S ) 197.6796.12454.4
R 6 (kΩ)200.997.355.102
R a 1   ( k ) 555
R a 2   ( )262320
I B (nA)150
Table 5. Phase difference between the input and output waveforms of FOICF of order1.3, 1.6, and 1.9 at different frequencies.
Table 5. Phase difference between the input and output waveforms of FOICF of order1.3, 1.6, and 1.9 at different frequencies.
FrequencyFilter OrderPhase Difference (Degree)
Phase Plot (MATLAB)Phase Plot (Cadence Spectre)Transient Plot (Cadence Spectre)
2 Hz1.3−26.3−15.7−16.7
1.6−19.97−20.99−21.88
1.9−19.7−18.7−19.44
4 Hz1.3−30.6−49.8−48.9
1.6−39.2−49.7−47.22
1.9−38.8−46.16−45.98
6 Hz1.3−71−40−43.1
1.6−80−63−64.6
1.9−70−59−58.39
Table 6. Summary of performance characteristics of the Inverse Chebyshev FOF circuit in Figure 5.
Table 6. Summary of performance characteristics of the Inverse Chebyshev FOF circuit in Figure 5.
Performance ParameterOrder
1.31.61.9
Power ( μ W ) at V D D = 1.8   V 13.513.513.5
The cut off frequency f c (Hz)7.27.98.4
Attenuation rate (dB/dec)−32.21−35.75−49.65
Attenuation A N at notch point ( d B ) 3848.262
Stopband ripple A S at 1 kHz ( d B ) 45.846.948
IRN ( μ V / H z ) 4.1143.484.98
Dynamic range DR (dB)83.0486.1384.71
FOM (picojoules)101.6452.7349.18
Table 7. Comparison with some fractional-order filters in the literature.
Table 7. Comparison with some fractional-order filters in the literature.
Ref/Fig[5], Figure 2[22], Figure 3[26], Figure 15[25], Figure 8[35], Figure 3This Paper, Figure 5
Filter typeLP FOFLP FOFClass AB log-domain LP FOFPower law LP FOFLP/HP/AP/AE FOFLP FOF
Filter approximation typeInverse ChebyshevInverse ChebyshevButterworthButterworth ButterworthInverse Chebyshev
Fractional order approximation method usedCFECFECFE-OustaloupCFE
Curve fit optimization techniques usedLeast-squares Particle swarm Least-squares Sanathanan–Koerner (S-K) Least-squares -Least-squares
Filter order1.2, 1.5, 1.81.2, 1.81.3, 1.5, 1.71.50.7, 0.8, 0.91.3, 1.6, 1.9
Cut off frequency (Hz)10010011.7, 11.9, 11.5100010007.2, 7.9, 8.4
Active element usedOpamp
(LF411/AD844)
Opamp (741)Nonlinear transconductorCFOA (AD844 AN)MO-CCCIIOTA
CMOS Technology--180 nm TSMC--180 nm UMC
Supply voltage --0.5 V12 V2.5 V1.8 V
Power (P)--10.6, 10.11, 9.87 nW-1 mW13.5 µW
THD---≤0.21%≤0.8%<1%
IRN--0.36, 0.64, 0.65 pA-129.4 pA/√Hz4.114, 3.48, 4.98 μV⁄ √Hz
DR --44.7, 44.7, 44.8 dB60.35 dBc (SFDR)>6083.04, 86.13, 84.71 dB
FOM (pJ)--4.7, 3.9, 3.7-1111.11101.64, 52.73, 49.18
SFDR: Spurious-Free Dynamic Range; dBc: dB relative to the carrier; MO-CCCII: Multi-Output Second-Generation Current-Controlled Conveyor.
Disclaimer/Publisher’s Note: The statements, opinions and data contained in all publications are solely those of the individual author(s) and contributor(s) and not of MDPI and/or the editor(s). MDPI and/or the editor(s) disclaim responsibility for any injury to people or property resulting from any ideas, methods, instructions or products referred to in the content.

Share and Cite

MDPI and ACS Style

Nettar, S.; Kilingar, S.; Killuru, C.B.; Kamath, D.V. Complementary Metal Oxide Semiconductor Circuit Realization of Inverse Chebyshev Low-Pass Filter of Order (1 + α). Fractal Fract. 2024, 8, 712. https://doi.org/10.3390/fractalfract8120712

AMA Style

Nettar S, Kilingar S, Killuru CB, Kamath DV. Complementary Metal Oxide Semiconductor Circuit Realization of Inverse Chebyshev Low-Pass Filter of Order (1 + α). Fractal and Fractional. 2024; 8(12):712. https://doi.org/10.3390/fractalfract8120712

Chicago/Turabian Style

Nettar, Soubhagyaseetha, Shankaranarayana Kilingar, Chandrika B. Killuru, and Dattaguru V. Kamath. 2024. "Complementary Metal Oxide Semiconductor Circuit Realization of Inverse Chebyshev Low-Pass Filter of Order (1 + α)" Fractal and Fractional 8, no. 12: 712. https://doi.org/10.3390/fractalfract8120712

APA Style

Nettar, S., Kilingar, S., Killuru, C. B., & Kamath, D. V. (2024). Complementary Metal Oxide Semiconductor Circuit Realization of Inverse Chebyshev Low-Pass Filter of Order (1 + α). Fractal and Fractional, 8(12), 712. https://doi.org/10.3390/fractalfract8120712

Article Metrics

Back to TopTop