Estimation Inventories of Persistent Organic Pollutants from Rice Straw Combustion as an Agricultural Waste
Abstract
:1. Introduction
2. Materials and Methods
2.1. Rice Straw Samples
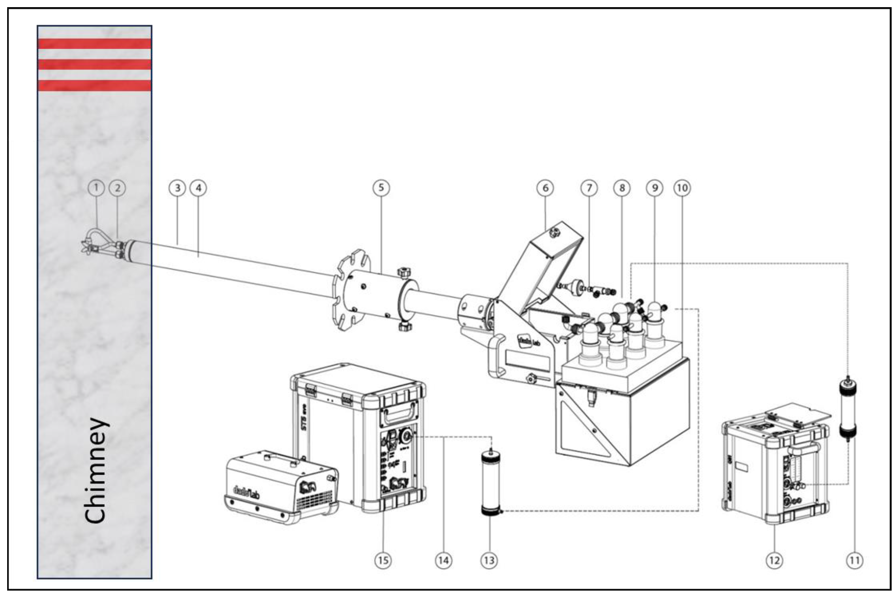
2.2. Boiler and Sampling
2.3. Standards and Solvents
2.4. Cleanup and Analysis
2.4.1. PCDD/Fs, PCBs and PAHs
2.4.2. Metals
2.5. Emission Factors
3. Results
3.1. Biomass Characterization
3.2. Metals
3.3. PCDD/Fs, PCBs and PAHs
3.4. Emission Factors
4. Conclusions
Supplementary Materials
Author Contributions
Funding
Institutional Review Board Statement
Informed Consent Statement
Data Availability Statement
Acknowledgments
Conflicts of Interest
Abbreviations
| Abbreviations | Explanation |
| Ace | Acetone |
| AJK | Azad Jammu Kashmir |
| BC | Black carbon |
| C | Carbon |
| Ca | Calcium |
| CEN | European Committee for Standardization |
| Cl | Chlorine |
| CNR-IIA | National Research Council of Italy, Institute of Atmospheric Pollution Research |
| c-PAH | Carcinogenic Polycyclic aromatic hydrocarbons |
| CREA-IT | Council for Agricultural Research and Economics, Center of Engineering and Agro-Food Processing |
| Cu | Copper |
| DCM | Dichloromethane |
| EF | Emission factors |
| ES | Extraction standard |
| Fe | Iron |
| GC/MS | Gas chromatography/mass spectroscopy |
| H | Hydrogen |
| H2O2 | Hydrogen peroxide |
| Hex | Hexane |
| HNO3 | Nitric acid |
| ICP-MS | Inductively coupled plasma mass spectrometry |
| IS | Injection standards |
| ISO | International Standard Organization |
| I-TEF | International Toxicity Equivalent Factor |
| K | Potassium |
| Kg/h | Kilogram per hour |
| MeOH | Methanol |
| Mg | Magnesium |
| N | Nitrogen |
| Na | Sodium |
| Na2SO4 | Sodium sulphate |
| NaCl | Sodium chloride |
| NATO | North Atlantic Treaty Organization |
| O2 | Oxygen |
| PAH | Poly aromatic hydrocarbon |
| PCB | Poly chlorinated biphenyls |
| PCDDs | Polychlorinated dibenzodioxins |
| PCDFs | Polychlorinated fibenzofurans |
| pg/Nm3 | Pico gram per normal cubic metre |
| PICs | Products of incomplete combustion |
| PM | Particulate matter |
| POPs | Persistent organic pollutants |
| ppb | Parts per billion |
| QFF | Quartz fibre filter |
| S | Sulphur |
| SS | Sampling standard |
| TCDD | 2,3,7,8-Tetrachlorodibenzo-p-dioxin |
| TEQ | Toxicity equivalent quotient |
| Tol | Toluene |
| USEPA | United States Environmental Protection Agency |
| WHO | World Health Organization |
| XAD-2 | Amberlite styrene-divinylbenzene (macroreticular) |
| Zn | Zinc |
References
- Porichha, G.K.; Hu, Y.; Rao KT, V.; Xu, C.C. Crop Residue Management in India: Stubble Burning vs. Other Utilizations Including Bioenergy. Energies 2021, 14, 4281. [Google Scholar] [CrossRef]
- Mohidem, N.A.; Hashim, N.; Shamsudin, R.; Man, H.C. Rice for Food Security: Revisiting Its Production, Diversity, Rice Milling Process and Nutrient Content. Agriculture 2022, 6, 741. [Google Scholar] [CrossRef]
- Van Hung, N.; Maguyon-Detras, M.C.; Migo, M.V.; Quilloy, R.; Balingbing, C.; Chivenge, P.; Gummert, M. Rice Straw Overview: Availability, Properties, and Management Practices. In Sustainable Rice Straw Management; Springer: Berlin/Heidelberg, Germany, 2020. [Google Scholar] [CrossRef]
- Dutta, A.; Patra, A.; Hazra, K.K.; Nath, C.P.; Kumar, N.; Rakshit, A. A State of the Art Review in Crop Residue Burning in India: Previous Knowledge, Present Circumstances and Future Strategies. Environ. Chall. 2022, 8, 100581. [Google Scholar] [CrossRef]
- Ilyas, I.; Umair, A.; Sangi, A. Exploring Potential of Rice Exports from Pakistan Lead Researchers. 2022; pp. 8–11. Available online: https://tdap.gov.pk/wp-content/uploads/2022/08/Rice-Report_FINAL-DRAFT_compressed.pdf (accessed on 27 October 2023).
- Ahmed, T.; Ahmad, B.; Ahmad, W. Why Do Farmers Burn Rice Residue? Examining Farmers’ Choices in Punjab, Pakistan. Land Use Policy 2015, 47, 448–458. [Google Scholar] [CrossRef]
- Ishfaq, M.; Akbar, N.; Batool, Z.; Ibrahim, M.U.; Aslam, A.; Zulfiqar, U.; Anjum, S.A.; Akhtar, M.F.; Ahmad, M. Screening and Adaptability of Rice Varieties for Yield, Milling Recoveries, and Quality Traits under Dry Direct-Seeded Rice. Pak. J. Agric. Sci. 2021, 58, 492–500. [Google Scholar] [CrossRef]
- Abdurrahman, M.I.; Chaki, S.; Saini, G. Stubble Burning: Effects on Health & Environment, Regulations and Management Practices. Environ. Adv. 2020, 2, 100011. [Google Scholar] [CrossRef]
- Martínez-Eixarch, M.; Alcaraz, C.; Viñas, M.; Noguerol, J.; Aranda, X.; Prenafeta-Boldú, F.X.; Català-Forner, M.; Fennessy, M.S.; Ibáñez, C. The Main Drivers of Methane Emissions Differ in the Growing and Flooded Fallow Seasons in Mediterranean Rice Fields. Plant Soil 2021, 460, 211–227. [Google Scholar] [CrossRef]
- Junpen, A.; Pansuk, J.; Kamnoet, O.; Cheewaphongphan, P.; Garivait, S. Emission of Air Pollutants from Rice Residue Open Burning in Thailand, 2018. Atmosphere 2018, 9, 449. [Google Scholar] [CrossRef]
- Awasthi, A.; Bhaskar, T. Combustion of Lignocellulosic Biomass. In Biomass, Biofuels, Biochemicals: Biofuels: Alternative Feedstocks and Conversion Processes for the Production of Liquid and Gaseous Biofuels; Academic Press: Cambridge, MA, USA, 2019. [Google Scholar] [CrossRef]
- Migo-Sumagang, M.V.P.; Van Hung, N.; Detras, M.C.M.; Alfafara, C.G.; Borines, M.G.; Capunitan, J.A.; Gummert, M. Optimization of a Downdraft Furnace for Rice Straw-Based Heat Generation. Renew. Energy 2020, 148, 953–963. [Google Scholar] [CrossRef]
- Nair, M.; Bherwani, H.; Kumar, S.; Gulia, S.; Goyal, S.; Kumar, R. Assessment of Contribution of Agricultural Residue Burning on Air Quality of Delhi Using Remote Sensing and Modelling Tools. Atmos. Environ. 2020, 230, 117504. [Google Scholar] [CrossRef]
- Tipayarom, A.; Kim Oanh, N.T. Influence of Rice Straw Open Burning on Levels and Profiles of Semi-Volatile Organic Compounds in Ambient Air. Chemosphere 2020, 243, 125379. [Google Scholar] [CrossRef]
- Akbari, M.Z.; Khamkaew, C.; Thepnuan, D.; Wiriya, W.A.N.; Chantara, S. Elemental Composition of Pm2. 5 Emitted from Rice Straw Burning in Combustion Chamber. In Proceedings of the 81st IASTEM International Conference, Phuket, Thailand, 9–10 October 2017; pp. 25–30. [Google Scholar]
- Alengebawy, A.; Abdelkhalek, S.T.; Qureshi, S.R.; Wang, M.Q. Heavy Metals and Pesticides Toxicity in Agricultural Soil and Plants: Ecological Risks and Human Health Implications. Toxics 2021, 9, 42. [Google Scholar] [CrossRef]
- Khan, M.M.; Cheema, M.J.M.; Arshad, M.; Khaliq, T. Evaluation of Climate Change Adaptation Practices in the Agriculture Sector Using Satellite Imagery in Pakistan. Pak. J. Agric. Sci. 2020, 57, 1317–1326. [Google Scholar] [CrossRef]
- Ansari, M.K.A.; Oztetik, E.; Ahmad, A.; Umar, S.; Iqbal, M.; Owens, G. Identification of the Phytoremediation Potential of Indian Mustard Genotypes for Copper, Evaluated from a Hydroponic Experiment. Clean-Soil Air Water 2013, 41, 789–796. [Google Scholar] [CrossRef]
- Hidayatun, N.; Diaz, Q.; Genaleen, M.; Ismail, A.M. Exploring Aluminum Tolerance at Seedling Stage in Rice (Oryza sativa, Linn) by Using Modified Magnavaca Nutrient Solution. Bul. Plasma Nutfah 2017, 23, 81–90. [Google Scholar] [CrossRef]
- Javaid, S. Heavy Metals Stress, Mechanism and Remediation Techniques in Rice (Oryza sativa L.): A Review. Pure Appl. Biol. 2020, 9, 403–426. [Google Scholar] [CrossRef]
- Khan, M.I.; Shoukat, M.A.; Cheema, S.A.; Arif, H.N.; Niazi, N.K.; Azam, M.; Bashir, S.; Ashraf, I.; Qadri, R. Use, Contamination and Exposure of Pesticides in Pakistan: A Review. Pak. J. Agric. Sci. 2020, 57, 131–149. [Google Scholar] [CrossRef]
- Palma, A.; Gallucci, F.; Papandrea, S.; Carnevale, M.; Paris, E.; Vincenti, B.; Salerno, M.; Di Stefano, V.; Proto, A.R. Experimental Study of the Combustion of and Emissions from Olive and Citrus Pellets in a Small Boiler. Fire 2023, 6, 288. [Google Scholar] [CrossRef]
- Carnevale, M.; Paris, E.; Vincenti, B.; Palma, A.; Salerno, M.; Guerriero, E.; Mancini, R.; Calcopietro, M.; Gallucci, F. Combustion and Emission Analysis of Spent Mushroom Compost and Forestry Woodchip for Management and Energy Production. Fire 2023, 6, 9. [Google Scholar] [CrossRef]
- Mubeen, I.; Lin, X.; Buekens, A.; Cao, X.; Lu, S.; Tang, M.; Yan, J. PCDD/F Formation in Milled Fly Ash: Metal Chloride Catalysis. Aerosol Air Qual. Res. 2017, 17, 2858–2866. [Google Scholar] [CrossRef]
- Anezaki, K.; Kashiwagi, N. Daily Variations and Factors of Atmospheric PCDD/Fs in Post-Harvest Paddy Fields: PCDD/F Source Estimation Using a Bayesian Semi-Factor Model. Chemosphere 2021, 268, 129292. [Google Scholar] [CrossRef]
- Chakrabarti, S.; Khan, M.T.; Kishore, A.; Roy, D.; Scott, S.P. Risk of Acute Respiratory Infection from Crop Burning in India: Estimating Disease Burden and Economic Welfare from Satellite and National Health Survey Data for 250,000 Persons. Int. J. Epidemiol. 2019, 48, 1113–1124. [Google Scholar] [CrossRef] [PubMed]
- Yao, W.; Zhao, Y.; Chen, R.; Wang, M.; Song, W.; Yu, D. Emissions of Toxic Substances from Biomass Burning: A Review of Methods and Technical Influencing Factors. Processes 2023, 11, 853. [Google Scholar] [CrossRef]
- Zhang, H.; Zhang, X.; Wang, Y.; Bai, P.; Hayakawa, K.; Zhang, L.; Tang, N. Characteristics and Influencing Factors of Polycyclic Aromatic Hydrocarbons Emitted from Open Burning and Stove Burning of Biomass: A Brief Review. Int. J. Environ. Res. Public Health 2022, 7, 3944. [Google Scholar] [CrossRef] [PubMed]
- Guerriero, E.; Guarnieri, A.; Mosca, S.; Rossetti, G.; Rotatori, M. PCDD/Fs Removal Efficiency by Electrostatic Precipitator and Wetfine Scrubber in an Iron Ore Sintering Plant. J. Hazard. Mater. 2009, 172, 1498–1504. [Google Scholar] [CrossRef] [PubMed]
- Palma, A.; Paris, E.; Carnevale, M.; Vincenti, B.; Perilli, M.; Guerriero, E.; Cerasa, M.; Proto, A.R.; Papandrea, S.F.; Bonofiglio, R.; et al. Biomass Combustion: Evaluation of POPs Emissions (VOC, PAH, PCB, PCDD/F) from Three Different Biomass Prunings (Olive, Citrus and Grapevine). Atmosphere 2022, 13, 1665. [Google Scholar] [CrossRef]
- Colantoni, A.; Paris, E.; Bianchini, L.; Ferri, S.; Marcantonio, V.; Carnevale, M.; Palma, A.; Civitarese, V.; Gallucci, F. Spent Coffee Ground Characterization, Pelletization Test and Emissions Assessment in the Combustion Process. Sci. Rep. 2021, 11, 5119. [Google Scholar] [CrossRef] [PubMed]
- Guerriero, E.; Mosca, S.; Torelli, G.N.; Tramontana, G.; Pomponio, S.; Rossetti, G.; Rotatori, M. Evaluation of a Simultaneous Sampling Method of PAHs, PCDD/Fs and Dl-PCBs in Ambient Air. J. Environ. Monit. 2010, 12, 1092–1099. [Google Scholar] [CrossRef]
- Benedetti, P.; Guerriero, E.; Mosca, S.; Rotatori, M. Analysis of Polychlorodibenzo-p-Dioxins and Polychlorodibenzofurans in Stationary Source Emissions in GC–MS/MS Using Hydrogen as the Carrier Gas. J. Sep. Sci. 2017, 40, 3469–3478. [Google Scholar] [CrossRef]
- Zhang, M.; Buekens, A.; Olie, K.; Li, X. PCDD/F-Isomers Signature—Effect of Metal Chlorides and Oxides. Chemosphere 2017, 184, 559–568. [Google Scholar] [CrossRef] [PubMed]
- Rashid, A.; Schutte, B.J.; Ulery, A.; Deyholos, M.K.; Sanogo, S.; Lehnhoff, E.A.; Beck, L. Heavy Metal Contamination in Agricultural Soil: Environmental Pollutants Affecting Crop Health. Agronomy 2023, 6, 1521. [Google Scholar] [CrossRef]
- Do, N.H.; Pham, H.H.; Le, T.M.; Lauwaert, J.; Diels, L.; Verberckmoes, A.; Do, N.H.N.; Tran, V.T.; Le, P.K. The Novel Method to Reduce the Silica Content in Lignin Recovered from Black Liquor Originating from Rice Straw. Sci. Rep. 2020, 10, 21263. [Google Scholar] [CrossRef] [PubMed]
- Syazwanee, M.; Shaziera, A.; Izzati, M.; Azwady, A.; Muskhazli, M. Improvement of Delignification, Desilication and Cellulosic Content Availability in Paddy Straw via Physico-Chemical Pretreatments. Annu. Res. Rev. Biol. 2018, 26, 1–11. [Google Scholar] [CrossRef]
- Oladosu, Y.; Rafii, M.Y.; Abdullah, N.; Magaji, U.; Hussin, G.; Ramli, A.; Miah, G. Fermentation Quality and Additives: A Case of Rice Straw Silage. BioMed Res. Int. 2016, 2016, 7985167. [Google Scholar] [CrossRef] [PubMed]
- Safe, S.; Hutzinger, O. PCDDs and PCDFs: Sources and Environmental Impact. In Environmental Toxin Series; Springer: Berlin/Heidelberg, Germany, 1990; Volume 3, pp. 1–20. [Google Scholar] [CrossRef]
- Paris, E.; Carnevale, M.; Guerriero, E.; Palma, A.; Vincenti, B.; Khalid, A.; Rantica, E.; Proto, A.R.; Gallucci, F. Fixed Source Monitoring System for Marker Emission during Biomass Combustion. Renew. Energy 2023, 208, 597–603. [Google Scholar] [CrossRef]
- Zhang, C.; Bai, L.; Yao, Q.; Li, J.; Wang, H.; Shen, L.; Sippula, O.; Yang, J.; Zhao, J.; Liu, J.; et al. Emission Characteristics of Polychlorinated Dibenzo-p-Dioxins and Dibenzofurans from Industrial Combustion of Biomass Fuels. Environ. Pollut. 2022, 292, 118265. [Google Scholar] [CrossRef]
- Kaya, D.; Imamoglu, I.; Sanin, F.D.; Sowers, K.R. A Comparative Evaluation of Anaerobic Dechlorination of PCB-118 and Aroclor 1254 in Sediment Microcosms from Three PCB-Impacted Environments. J. Hazard. Mater. 2018, 341, 328–335. [Google Scholar] [CrossRef]
- Li, H.; Liu, W.; Tang, C.; Lei, R.; Zhu, W. Emission Profiles and Formation Pathways of 2,3,7,8-Substituted and Non-2,3,7,8-Substituted Polychlorinated Dibenzo-p-Dioxins and Dibenzofurans in Secondary Copper Smelters. Sci. Total Environ. 2019, 649, 473–481. [Google Scholar] [CrossRef]
- Zieliński, M.; Kamińska, J.; Czerska, M.; Ligocka, D.; Urbaniak, M. Levels and Sources of PCDDs, PCDFs and Dl-PCBs in the Water Ecosystems of Central Poland—A Mini Review. Int. J. Occup. Med. Environ. Health 2014, 27, 902–918. [Google Scholar] [CrossRef]
- Zhang, M.; Buekens, A.; Li, X. Dioxins from Biomass Combustion: An Overview. Waste Biomass Valorization 2017, 8, 1–20. [Google Scholar] [CrossRef]
- Huang, H.; Buekens, A. On the Mechanisms of Dioxin Formation in Combustion Processes. Chemosphere 1995, 31, 4099–4117. [Google Scholar] [CrossRef]
- Kreisz, S.; Hunsinger, H.; Vogg, H. Wet Scrubbers—A Potential PCDD/F Source? Chemosphere 1996, 32, 73–78. [Google Scholar] [CrossRef]
- Hester, R.E.; Harrison, R.M. (Eds.) Air Pollution and Health; Royal Society of Chemistry: Cambridge, UK, 1998; Volume 4, 129p, ISBN 0-85404-245-8. [Google Scholar] [CrossRef]
- Zhang, Q.; Huang, J.; Yu, G. Polychlorinated Dibenzo-p-Dioxins and Dibenzofurans Emissions from Open Burning of Crop Residues in China between 1997 and 2004. Environ. Pollut. 2008, 151, 39–46. [Google Scholar] [CrossRef]
- Tame, N.W.; Dlugogorski, B.Z.; Kennedy, E.M. Conversion of Wood Pyrolysates to PCDD/F. Proc. Combust. Inst. 2009, 32, 665–671. [Google Scholar] [CrossRef]
- Tame, N.W.; Dlugogorski, B.Z.; Kennedy, E.M. PCDD/F Formation from Heterogeneous Oxidation of Wood Pyrolysates. Fire Saf. Sci. 2008, 9, 1189–1200. [Google Scholar] [CrossRef]
- Zhang, T.; Huang, J.; Deng, S.; Yu, G. Influence of Pesticides Contamination on the Emission of PCDD/PCDF to the Land from Open Burning of Corn Straws. Environ. Pollut. 2011, 159, 1744–1748. [Google Scholar] [CrossRef]
- Vikelsøe, J.; Johansen, E. Estimation of Dioxin Emission from Fires in Chemicals. Chemosphere 2000, 40, 165–175. [Google Scholar] [CrossRef]
- Wilhelm, J.; Stieglitz, L.; Dinjus, E.; Will, R. Mechanistic Studies on the Role of PAHs and Related Compounds in PCDD/F Formation on Model Fly Ashes. Chemosphere 2001, 42, 797–802. [Google Scholar] [CrossRef]
- Sørmo, E.; Krahn, K.M.; Flatabø, G.Ø.; Hartnik, T.; Arp, H.P.H.; Cornelissen, G. Distribution of PAHs, PCBs, and PCDD/Fs in Products from Full-Scale Relevant Pyrolysis of Diverse Contaminated Organic Waste. J. Hazard. Mater. 2023, 461, 132546. [Google Scholar] [CrossRef]


| Characteristics | Punjab | AJK | Sindh |
|---|---|---|---|
| Moisture on a dry basis % | 9.3 ± 0.3 | 9.6 ± 0.3 | 10.2 ± 0.4 |
| Ashes average % | 18.2 ± 0.2 | 17.1 ± 0.2 | 15.6 ± 0.2 |
| Highest Calorific Power (MJ/Kg) | 14.7 ± 0.4 | 14.5 ± 0.4 | 14.9 ± 0.4 |
| Lower Calorific Value (MJ/Kg) | 13.5 ± 0.4 | 13.4 ± 0.4 | 13.7 ± 0.4 |
| C (%) | 36.4 ± 0.2 | 38.3 ± 0.2 | 37.3 ± 0.2 |
| H (%) | 6.0 ± 0.1 | 5.6 ± 0.1 | 6.0 ± 0.1 |
| N (%) | 0.8 ± 0.2 | 0.7 ± 0.2 | 0.5 ± 0.2 |
| S (%) | 0.1 ± 0.2 | 0.1 ± 0.2 | 0.1 ± 0.2 |
| O (%) | 38.6 ± 0.4 | 38.4 ± 0.4 | 40.5 ± 0.4 |
| Metals | Punjab (µg/Nm3) | AJK (µg/Nm3) | Sindh (µg/Nm3) |
|---|---|---|---|
| Mg | 321 ± 7 | 611 ± 10 | 691 ± 10 |
| Al | 82 ± 2 | 53 ± 2 | 98 ± 2 |
| Ca | 362 ± 7 | 486 ± 9 | 370 ± 7 |
| Cr | 4.9 ± 0.1 | 2.2 ± 0.1 | 4.3 ± 0.1 |
| Mn | 18.3 ± 0.4 | 30.4 ± 0.6 | 32.9 ± 0.7 |
| Fe | 113 ± 2 | 78 ± 2 | 106 ± 2 |
| Co | 1.3 ± 0.1 | 0.1 ± 0.1 | 0.2 ± 0.1 |
| Ni | 11.1 ± 0.3 | 9.9 ± 0.3 | 6.2 ± 0.2 |
| Cu | 35 ± 1 | 48 ± 1 | 22 ± 1 |
| Zn | 134 ± 3 | 89 ± 2 | 93 ± 2 |
| Sr | 4.9 ± 0.2 | 22.2 ± 0.5 | 16.6 ± 0.4 |
| Ag | 0.1 ± 0.1 | 0.1 ± 0.1 | 0.2 ± 0.1 |
| Cd | 0.9 ± 0.1 | 0.8 ± 0.1 | 0.4 ± 0.1 |
| Ba | 1.9 ± 0.1 | 4.4 ± 0.1 | 3.8 ± 0.1 |
| Tl | 0.1 ± 0.1 | 0.1 ± 0.1 | 0.1 ± 0.1 |
| Pb | 13.5 ± 0.3 | 14.5 ± 0.3 | 14.4 ± 0.3 |
| Bi | 4 ± 0.1 | 7.2 ± 0.1 | 8.8 ± 0.2 |
| Punjab | AJK | Sindh | |||||
|---|---|---|---|---|---|---|---|
| Compound | I-TEF | pg/Nm3 | TEQ (pg/Nm3) | pg/Nm3 | TEQ (pg/Nm3) | pg/Nm3 | TEQ (pg/Nm3) |
| 2,3,7,8-TetraCDD | 1.000 | 7.3 | 7.34 | 86 | 86.07 | 8.0 | 7.97 |
| 1,2,3,7,8-PentaCDD | 0.500 | 127 | 63.48 | 931 | 465.35 | 19 | 9.43 |
| 1,2,3,4,7,8-HexaCDD | 0.100 | 3.2 | 0.32 | 51 | 5.11 | 4.9 | 0.49 |
| 1,2,3,6,7,8-HexaCDD | 0.100 | 6.4 | 0.64 | 652 | 65.16 | 1.6 | 0.16 |
| 1,2,3,7,8,9 Hexa-CDD | 0.100 | 3.2 | 0.32 | 21.9 | 2.19 | 1.6 | 0.16 |
| 1,2,3,4,6,7,8-HeptaCDD | 0.010 | 223 | 2.23 | 1240 | 12.40 | 504 | 5.04 |
| OctaCDD | 0.001 | 28,722 | 28.71 | 127,646 | 127.64 | 26,675 | 26.66 |
| 2,3,7,8-Tetra CDF | 0.100 | 9647 | 964.27 | 8512 | 851.20 | 6472 | 646.89 |
| 1,2,3,7,8-PentaCDF | 0.050 | 4321 | 215.95 | 12,833 | 641.62 | 2485 | 124.21 |
| 2,3,4,7,8-Penta CDF | 0.500 | 225 | 112.28 | 450 | 225.14 | 39 | 19.51 |
| 1,2,3,4,7,8-HexaCDF | 0.100 | 581 | 58.05 | 637 | 63.70 | 37 | 3.74 |
| 1,2,3,6,7,8-HexaCDF | 0.100 | 102 | 10.21 | 15 | 1.46 | 31 | 3.09 |
| 2,3,4,6,7,8-HexaCDF | 0.100 | 99 | 9.89 | 53 | 5.35 | 1.6 | 0.16 |
| 1,2,3,7,8,9-HexaCDF | 0.100 | 12.8 | 1.28 | 2.4 | 0.24 | 4.9 | 0.49 |
| 1,2,3,4,6,7,8-HeptaCDF | 0.010 | 1149 | 11.48 | 3525 | 35.25 | 797 | 7.97 |
| 1,2,3,4,7,8,9-HeptaCDF | 0.010 | 64 | 0.64 | 438 | 4.38 | 16.3 | 0.16 |
| OctaCDF | 0.001 | 5744 | 5.74 | 1702 | 1.70 | 325.3 | 0.33 |
| Sum PCDD/Fs | 51,037 | 1492.82 | 158,795 | 2593.97 | 37,424 | 856.44 | |
| Punjab | AJK | Sindh | |||||
|---|---|---|---|---|---|---|---|
| Compounds | WHO TEF 2006 | pg/Nm3 | TEQ (pg/Nm3) | pg/Nm3 | TEQ (pg/Nm3) | pg/Nm3 | TEQ (pg/Nm3) |
| 3,4,4′,5-TetraCB | 0.0003 | 153 | 0.046 | 340 | 0.1021 | 263 | 0.0790 |
| 3,3′,4,4′-TetraCB | 0.0001 | 4018 | 0.401 | 2966 | 0.2966 | 1773 | 0.1772 |
| 2′,3,4,4′,5-PentaCB | 0.00003 | 405 | 0.012 | 2896 | 0.0868 | 867 | 0.0259 |
| 2,3′,4,4′,5-PentaCB | 0.00003 | 29,258 | 0.878 | 33,910 | 1.0172 | 44,926 | 1.3471 |
| 2,3,4,4′,5-PentaCB | 0.00003 | 683 | 0.021 | 652 | 0.0195 | 865 | 0.0259 |
| 2,3,3′,4,4′-PentaCB | 0.00003 | 10,292 | 0.308 | 8721 | 0.2616 | 7393 | 0.2216 |
| 3,3′,4,4′,5-PentaCB | 0.1000 | 351 | 35.088 | 1255 | 37.6853 | 263 | 26.337 |
| 2,3′,4,4′,5,5′-HexaCB | 0.00003 | 16,046 | 0.481 | 23,623 | 0.7086 | 30,071 | 0.9017 |
| 2,3,3′,4,4′,5-HexaCB | 0.00003 | 466 | 0.013 | 2152 | 0.0645 | 529 | 0.0158 |
| 2,3,3′,4,4′,5′-HexaCB | 0.00003 | 124 | 0.003 | 238 | 0.0071 | 169 | 0.0050 |
| 3,3′,4,4′,5,5′-HexaCB | 0.03000 | 32 | 0.956 | 12 | 0.3646 | 13 | 0.3901 |
| 2,3,3′,4,4′,5,5′-HeptaCB | 0.00003 | 163 | 0.004 | 102 | 0.0030 | 122 | 0.0036 |
| ∑ dl-PCB | 61,991 | 76,867 | 87,255 | ||||
| ∑PCB dioxin-likeTEQ | 38 | 41 | 30 | ||||
| Compounds | TEF | Punjab (ng/Nm3) | AJK (ng/Nm3) | Sindh (ng/Nm3) |
|---|---|---|---|---|
| Phenanthrene | 0.0005 | 112 | 123 | 114 |
| Anthracene | 0.0005 | 9 | 33 | 14 |
| Fluoranthene | 0.05 | 3452 | 2687 | 3398 |
| Pyrene | 0.001 | 53 | 36 | 56 |
| Benzo(a)anthracene | 0.005 | 69 | 74 | 84 |
| Chrysene | 0.03 | 1262 | 962 | 1222 |
| Benzo(b)fluoranthene | 0.1 | 731 | 576 | 699 |
| Benzo(k)fluoranthene | 0.1 | 262 | 188 | 207 |
| Benzo(e)pyrene | 0.002 | 16 | 13 | 21 |
| Benzo(a)pyrene | 1 | 6779 | 7300 | 10,327 |
| Perylene | - | 0 | 0 | 0 |
| Indeno(1,2,3,c,d)pyrene | 0.1 | 540 | 839 | 518 |
| Dibenzo(a,h)anthracene | 1.1 | 1980 | 2285 | 1787 |
| Benzo(g,h,i)perylene | 0.02 | 89 | 91 | 88 |
| ∑ PAHs | 15,353 | 15,207 | 18,536 |
| Punjab | AJK | Sindh | |
|---|---|---|---|
| Sum PCDD/PCDF (pg TEQ /Nm3) | 1493 | 2594 | 856 |
| Sum PCB dioxin-like (pg TEQ /Nm3) | 38 | 41 | 30 |
| Sum PCDD/PCDF and PCB(pg TEQ /Nm3) | 1531 | 2635 | 886 |
| Sum c-PAH (ng TEQ /Nm3) | 15,353 | 15,207 | 18,536 |
| EF | Punjab | AJK | Sindh | Average |
|---|---|---|---|---|
| Sum PCDD/PCDF TEQ (pg/kg) | 71.3 | 160.7 | 68.6 | 100.2 |
| Sum PCB dioxin-like TEQ (pg/kg) | 1.8 | 2.5 | 2.4 | 2.2 |
| Sum PCDD/PCDF and PCB TEQ (pg/kg) | 73.1 | 163.2 | 71 | 102.4 |
| Sum c-PAH TEQ (µg/kg) | 733.2 | 941.7 | 1485.8 | 1053.6 |
Disclaimer/Publisher’s Note: The statements, opinions and data contained in all publications are solely those of the individual author(s) and contributor(s) and not of MDPI and/or the editor(s). MDPI and/or the editor(s) disclaim responsibility for any injury to people or property resulting from any ideas, methods, instructions or products referred to in the content. |
© 2023 by the authors. Licensee MDPI, Basel, Switzerland. This article is an open access article distributed under the terms and conditions of the Creative Commons Attribution (CC BY) license (https://creativecommons.org/licenses/by/4.0/).
Share and Cite
Khalid, A.; Guerriero, E.; Cerasa, M.; Mahmood, T.; Khalid, A.; Paris, E.; Mosca, S.; Gallucci, F. Estimation Inventories of Persistent Organic Pollutants from Rice Straw Combustion as an Agricultural Waste. Fire 2023, 6, 459. https://doi.org/10.3390/fire6120459
Khalid A, Guerriero E, Cerasa M, Mahmood T, Khalid A, Paris E, Mosca S, Gallucci F. Estimation Inventories of Persistent Organic Pollutants from Rice Straw Combustion as an Agricultural Waste. Fire. 2023; 6(12):459. https://doi.org/10.3390/fire6120459
Chicago/Turabian StyleKhalid, Asma, Ettore Guerriero, Marina Cerasa, Tariq Mahmood, Azeem Khalid, Enrico Paris, Silvia Mosca, and Francesco Gallucci. 2023. "Estimation Inventories of Persistent Organic Pollutants from Rice Straw Combustion as an Agricultural Waste" Fire 6, no. 12: 459. https://doi.org/10.3390/fire6120459
APA StyleKhalid, A., Guerriero, E., Cerasa, M., Mahmood, T., Khalid, A., Paris, E., Mosca, S., & Gallucci, F. (2023). Estimation Inventories of Persistent Organic Pollutants from Rice Straw Combustion as an Agricultural Waste. Fire, 6(12), 459. https://doi.org/10.3390/fire6120459

