Mitigation of Circulating Currents for Parallel Connected Sources in a Standalone DC Microgrid †
Abstract
:1. Introduction
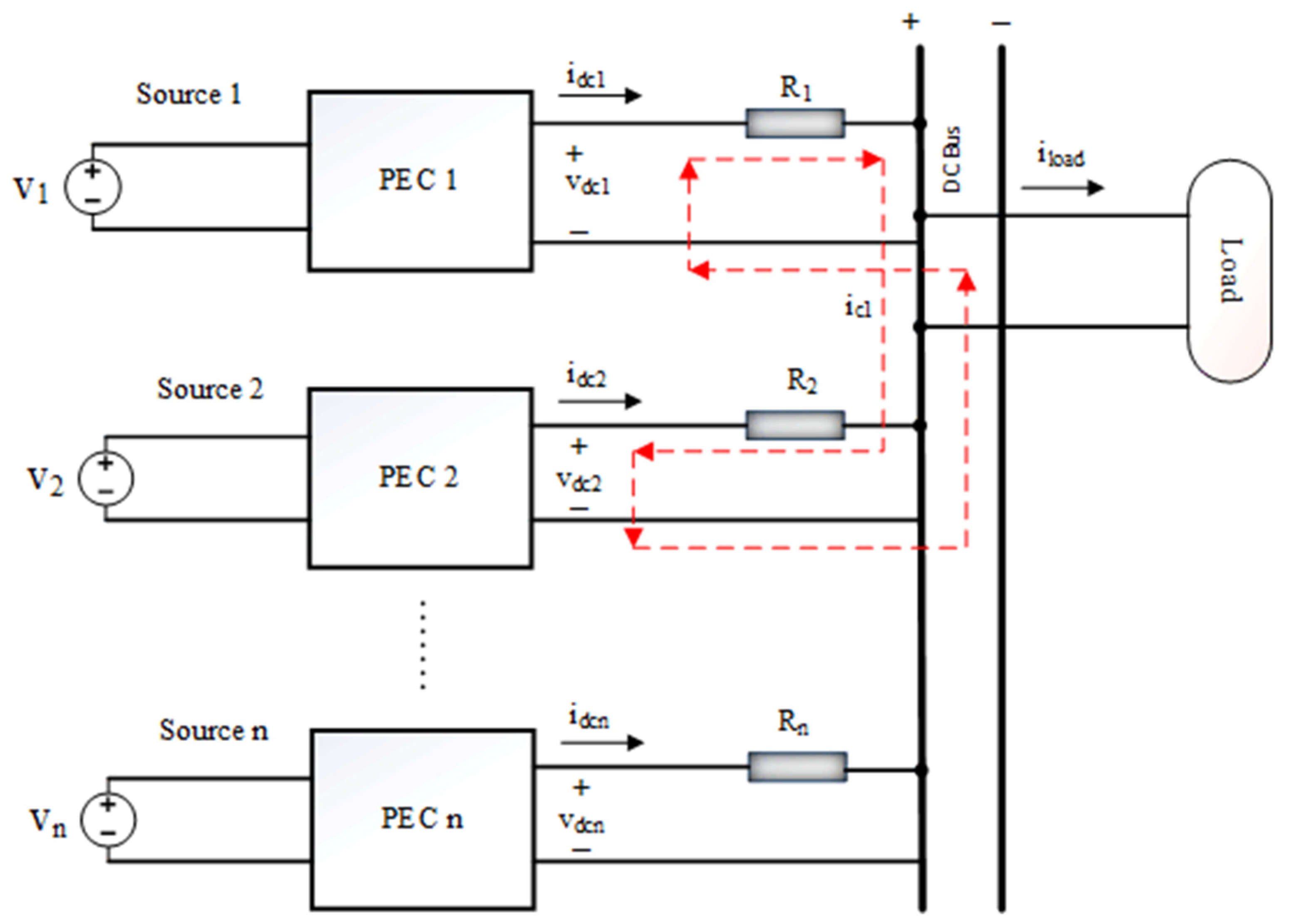
2. Circulating Current Analysis
3. Droop Control
4. Proposed Control Architecture
Proposed Control Technique
5. Simulation Results and Discussion
6. Conclusions
References
- Salomonsson, D.; Sannino, A. Low-voltage DC distribution system for commercial power systems with sensitive electronic loads. IEEE Trans. Power Deliv. 2007, 22, 1620–1627. [Google Scholar] [CrossRef]
- Kakigano, H.; Miura, Y.; Ise, T. Low-voltage bipolar-type DC microgrid for super high quality distribution. IEEE Trans. Power Electron. 2010, 25, 3066–3075. [Google Scholar] [CrossRef]
- Carrasco, J.M.; Franquelo, L.G.; Bialasiewicz, J.T.; Galvan, E.; PortilloGuisado, R.C.; Prats, M.A.M.; Leon, J.I.; Moreno-Alfonso, N. Power-electronic systems for the grid integration of renewable energy sources: A survey. IEEE Trans. Ind. Electron. 2006, 53, 1002–1016. [Google Scholar] [CrossRef]
- Guerrero, J.M.; Chandorkar, M.; Lee, T.L.; Loh, P.C. Advanced control architectures for intelligent microgrids 2014. Part I: Decentralized and hierarchical control. IEEE Trans. Ind. Electron. 2013, 60, 1254–1262. [Google Scholar] [CrossRef] [Green Version]
- Yuan, M.; Fu, Y.; Mi, Y.; Li, Z.; Wang, C. Hierarchical control of DC microgrid with dynamical load power-sharing. Appl. Energy 2019, 239, 1–11. [Google Scholar] [CrossRef]
- Nawaz, A.; Wu, J.; Long, C. Mitigation of circulating currents for proportional current sharing and voltage stability of isolated DC microgrid. Electr. Power Syst. Res. 2020, 180, 106123. [Google Scholar] [CrossRef]
- Rashad, M.; Ashraf, M.; Bhatti, A.I.; Minhas, D.M. Mathematical Modeling and Stability Analysis of DC Microgrid Using SM Hysteresis Controller. Int. J. Electr. Power Energy Syst. 2018, 95, 507–522. [Google Scholar] [CrossRef]
- Tayab, U.B.; Roslan, M.; Hwai, L.J.; Kashif, M. A review of droop control techniques for microgrid. Renew. Sustain. Energy Rev. 2017, 76, 717–727. [Google Scholar] [CrossRef]
- Mahmoodi, M.; Gharehpetian, G.B.; Abedi, M.; Noroozian, R. Control systems for independent operation of parallel dg units in dc distribution systems. In Proceedings of the 2006 IEEE International Power and Energy Conference, Putra Jaya, Malaysia, 28–29 November 2006; pp. 220–224. [Google Scholar]
- Utkin, V.; Guldner, J.; Shi, J. Sliding Mode Control in Electromechanical Systems; Taylor and Francis: London, UK, 1999. [Google Scholar]






| Parameters | Node 1 | Node 2 |
|---|---|---|
| Nominal voltage | 48 V | 48 V |
| Source rated power | 500 W | 500 W |
| Load resistance | 6 Ω | |
| Connecting line resistance | 200 mΩ | 2 mΩ |
Publisher’s Note: MDPI stays neutral with regard to jurisdictional claims in published maps and institutional affiliations. |
© 2021 by the authors. Licensee MDPI, Basel, Switzerland. This article is an open access article distributed under the terms and conditions of the Creative Commons Attribution (CC BY) license (https://creativecommons.org/licenses/by/4.0/).
Share and Cite
Rashad, M.; Raoof, U.; Siddique, N.; Minhas, D.M. Mitigation of Circulating Currents for Parallel Connected Sources in a Standalone DC Microgrid. Eng. Proc. 2021, 12, 31. https://doi.org/10.3390/engproc2021012031
Rashad M, Raoof U, Siddique N, Minhas DM. Mitigation of Circulating Currents for Parallel Connected Sources in a Standalone DC Microgrid. Engineering Proceedings. 2021; 12(1):31. https://doi.org/10.3390/engproc2021012031
Chicago/Turabian StyleRashad, Muhammad, Uzair Raoof, Nazam Siddique, and Daud Mustafa Minhas. 2021. "Mitigation of Circulating Currents for Parallel Connected Sources in a Standalone DC Microgrid" Engineering Proceedings 12, no. 1: 31. https://doi.org/10.3390/engproc2021012031
APA StyleRashad, M., Raoof, U., Siddique, N., & Minhas, D. M. (2021). Mitigation of Circulating Currents for Parallel Connected Sources in a Standalone DC Microgrid. Engineering Proceedings, 12(1), 31. https://doi.org/10.3390/engproc2021012031

