Modulated High Power and Narrow Pulse Width Laser Drive Circuit for Lidar System
Abstract
1. Introduction
2. Drive Circuit Structure and Analysis
2.1. Circuit Structure Design
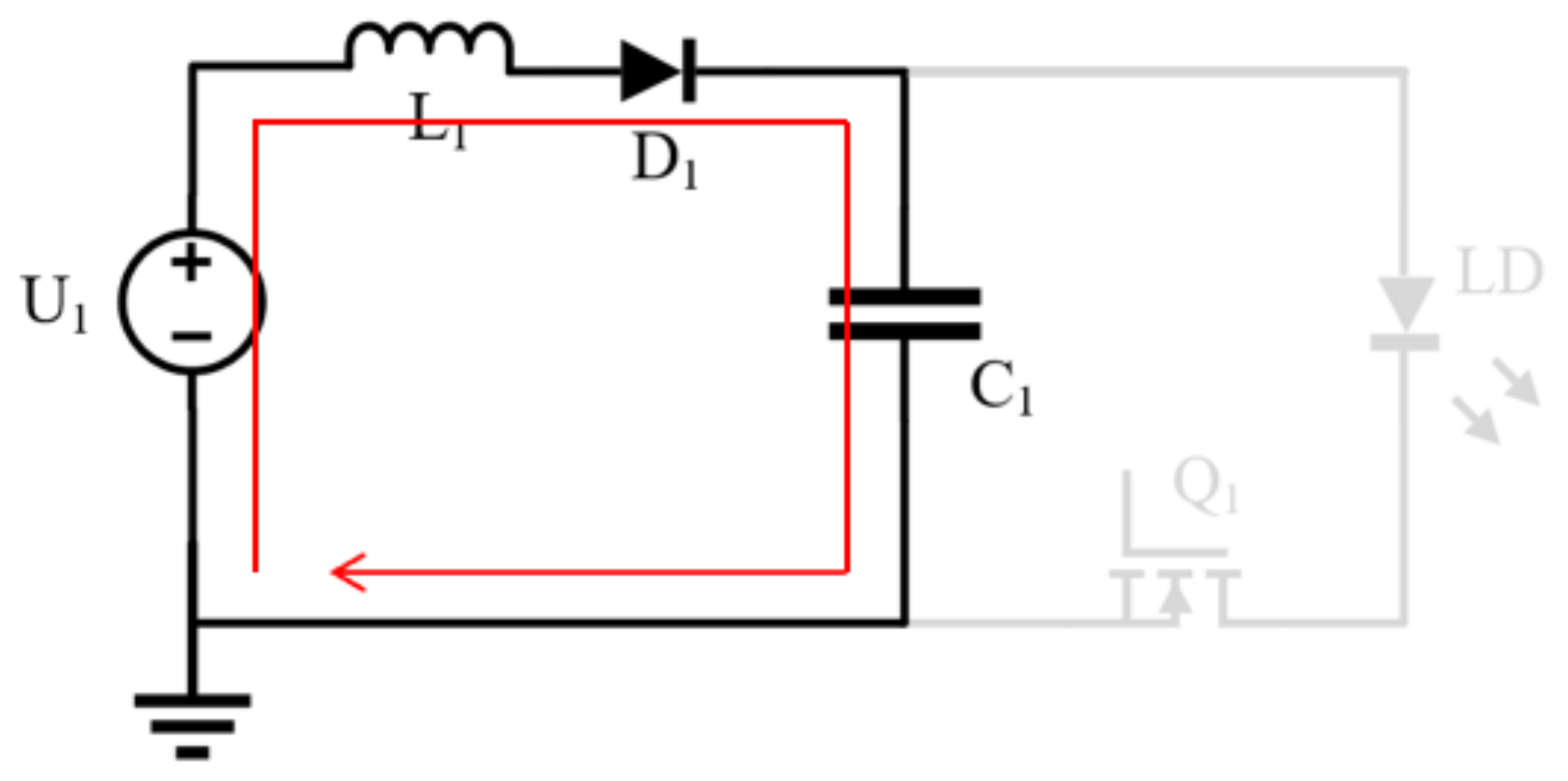
2.2. Circuit Working Stage
2.3. Circuit Analysis and Device Selection
3. Parameter Measurement and Verification
4. Experiment and Results
4.1. Influence of Input Voltage
4.2. Influence of Pulse per Second (PPS)
4.3. Power Modulation
5. Conclusions
Author Contributions
Funding
Conflicts of Interest
References
- Gavalas, D.; Pantziou, G.; Konstantopoulos, C.; Mamalis, B. LIDAR: A protocol for stable and energy-efficient clustering of ad-hoc multihop networks. Telecommun. Syst. 2007, 36, 13–25. [Google Scholar] [CrossRef]
- Takai, I.; Matsubara, H.; Soga, M.; Ohta, M.; Ogawa, M.; Yamashita, T. Single-Photon Avalanche Diode with Enhanced NIR-Sensitivity for Automotive LIDAR Systems. Sensors 2016, 16, 459. [Google Scholar] [CrossRef] [PubMed]
- Horaud, R.; Hansard, M.E.; Evangelidis, G.D.; Ménier, C. An overview of depth cameras and range scanners based on time-of-flight technologies. Mach. Vis. Appl. 2016, 27, 1005–1020. [Google Scholar] [CrossRef]
- Kilpelä, A.; Kostamovaara, J. Laser pulser for a time-of-flight laser radar. Rev. Sci. Instrum. 1997, 68, 2253–2258. [Google Scholar] [CrossRef]
- Soulard, R.; Quinn, M.N.; Tajima, T.; Mourou, G. ICAN: A novel laser architecture for space debris removal. Acta Astronaut. 2015, 105, 192–200. [Google Scholar] [CrossRef]
- Wen, S.; Wang, M.; Xie, J.; Wu, D. Large current nanosecond pulse generating circuit for driving semiconductor laser diode. Microw. Opt. Technol. Lett. 2019, 61, 867–872. [Google Scholar] [CrossRef]
- Xu, X.; Zhang, H.; Zhang, X. Design of High-frequency and Narrow Pulsed Driver Power of Laser Fuze. Acta Photonica Sinica 2017, 46, 114002. [Google Scholar]
- Wenzel, H.; Klehr, A.; Liero, A.; Christopher, H.; Fricke, J.; Maaßdorf, A.; Zeghuzi, A.; Knigge, A. High pulse power wavelength stabilized 905 nm laser bars for automotive LiDAR. In Proceedings of the 2019 IEEE High Power Diode Lasers and Systems Conference (HPD), Coventry, UK, 9–10 October 2019. [Google Scholar]
- Hu, C.; Qin, S.; Wang, X. An extremely fast and high-power laser diode driver module. In Semiconductor Lasers and Applications II, Proceedings of the PHOTONICS ASIA 2014, Beijing, China, 8–11 November 2004; Yao, J., Chen, Y., Lee, S., Eds.; SPIE: Bellingham, WA, USA, 2005. [Google Scholar]
- Zhang, W.; Hao, Q.; Song, Y.; Shang, F.; Sun, H.; Li, T. A High Power Laser Diode Driver and Collimating Optical System Design for Laser 3D Imaging. In Semiconductor Lasers and Applications V, Proceedings of the PHOTONICS ASIA 2012, Beijing, China, 5–7 November 2012; Zhu, N., Li, J., Peters, F.H., Yu, C., Eds.; SPIE: Bellingham, WA, USA, 2012. [Google Scholar]
- Texas Instruments. Nanosecond Laser Driver Reference Design for LiDAR. Available online: http://www.ti.com/tool/TIDA-01573 (accessed on 26 February 2021).
- Reusch, D.; Strydom, J. Understanding the Effect of PCB Layout on Circuit Performance in a High-Frequency Gallium-Nitride-Based Point of Load Converter. IEEE Trans. Power Electron. 2014, 29, 2008–2015. [Google Scholar] [CrossRef]
- Yan, Y.; Chen, Z.; Qiu, J.; Liu, K. Effect of Package on Electroluminescence Characteristics of Vcsel Under Short Pulse and Large Current. Acta Optica Sin. 2020, 40, 0814001. [Google Scholar]
- Persson, E. Practical application of 600V GaN HEMTs in power electronics. In Proceedings of the 2015 IEEE Applied Power Electronics Conference and Exposition (APEC), Charlotte, NC, USA, 15–19 March 2015. [Google Scholar]
- Li, R.; Wu, X.; Xie, G.; Sheng, K. Dynamic on-state resistance evaluation of GaN devices under hard and soft switching conditions. In Proceedings of the 2018 IEEE Applied Power Electronics Conference and Exposition (APEC), San Antonio, TX, USA, 4–8 March 2018; pp. 898–903. [Google Scholar]
- Li, K.; Evans, P.L.; Johnson, C.M. Characterisation and modeling of gallium nitride power semiconductor devices dynamic on-state resistance. IEEE Trans. Power Electron. 2018, 33, 5262–5273. [Google Scholar] [CrossRef]
- Cai, Y.; Forsyth, A.J.; Todd, R. Impact of GaN HEMT dynamic on-state resistance on converter performance. In Proceedings of the 2017 IEEE Applied Power Electronics Conference and Exposition (APEC), Tampa, FL, USA, 26–30 March 2017; pp. 1689–1694. [Google Scholar]
- Binari, S.; Klein, P.; Kazior, T. Trapping effects in GaN and SiC microwave FETs; Institute of Electrical and Electronics Engineers (IEEE): Torino, Italy, 2002; Volume 90, pp. 1048–1058. [Google Scholar]
- Wang, Z.; Wu, X.; Feng, S.; Lin, L. Research on frequency characteristics of permeability and permittivity of La_(1-x)Sr_xMnO_3 Oxide. J. Chinese Rare Earth Soc. 2006, 24, 310–313. [Google Scholar]
- Zhang, Z.; Guo, B.; Wang, F.; Tolbert, L.M.; Blalock, B.J.; Liang, Z.; Ning, P. Methodology for switching characterization evaluation of wide band-gap devices in a phase-leg configuration. In Proceedings of the 2014 IEEE Applied Power Electronics Conference and Exposition (APEC), Fort Worth, TX, USA, 16–20 March 2014; pp. 2534–2541. [Google Scholar]
















| Reference | Peak Power | Pulse Width | Pulse per Second |
|---|---|---|---|
| [7] | 70 W | 20 ns | 30 kHz |
| [8] | 100 W | 10 ns | 10 kHz |
| [9] | 50 W | 8 ns | 10 kHz |
| [10] | 150 W | 14 ns | 1 kHz |
| Drive circuit in this manuscript | 135 W | 2 ns | 400 kHz |
| Designator | Description | Value |
|---|---|---|
| Parasitic inductance of the discharge circuit | 1.1 nH | |
| Parasitic resistance of the discharge circuit | 0.5 Ω | |
| Equivalent inductance of the laser diode | In series with | |
| Equivalent resistance of the laser diode | In series with |
Publisher’s Note: MDPI stays neutral with regard to jurisdictional claims in published maps and institutional affiliations. |
© 2021 by the authors. Licensee MDPI, Basel, Switzerland. This article is an open access article distributed under the terms and conditions of the Creative Commons Attribution (CC BY) license (https://creativecommons.org/licenses/by/4.0/).
Share and Cite
Chen, Z.; Yan, Y.; Shu, J.; Liu, K.; Qiu, J. Modulated High Power and Narrow Pulse Width Laser Drive Circuit for Lidar System. Electronics 2021, 10, 823. https://doi.org/10.3390/electronics10070823
Chen Z, Yan Y, Shu J, Liu K, Qiu J. Modulated High Power and Narrow Pulse Width Laser Drive Circuit for Lidar System. Electronics. 2021; 10(7):823. https://doi.org/10.3390/electronics10070823
Chicago/Turabian StyleChen, Zhiwen, Yingying Yan, Jun Shu, Kefu Liu, and Jian Qiu. 2021. "Modulated High Power and Narrow Pulse Width Laser Drive Circuit for Lidar System" Electronics 10, no. 7: 823. https://doi.org/10.3390/electronics10070823
APA StyleChen, Z., Yan, Y., Shu, J., Liu, K., & Qiu, J. (2021). Modulated High Power and Narrow Pulse Width Laser Drive Circuit for Lidar System. Electronics, 10(7), 823. https://doi.org/10.3390/electronics10070823
