A Fully Integrated Low-Power Multi-Mode RF Receiver for BDS-3/GPS
Abstract
:1. Introduction
- In the on-chip low-noise amplifier (LNA), the source inductor and gate inductor with high Q-value are realized using copper bonding wire. This improves in-band noise performance and saves space. LNA adopts a cascode amplifier structure with the LC resonant network as the load and features reused current, improving the gain and reducing power.
- Adopting the active balun amplifier (ACTBA) instead of the traditional passive balun to convert the single-ended signal into the differential signal not only improves the RF front-end gain but also reduces the gain-realization difficulty of the later-stage circuit, which is beneficial for achieving high gain and conserving system space. ACTBA employs current reuse to reduce power consumption.
- A GMT circuit is modified, which can save the intermediate frequency (IF) direct current (DC) blocking capacitors to reduce the insertion loss and area.
- Image suppression is realized by bandpass filter (BPF), and the later circuits only need to amplify and convert the in-phase channel signals, saving nearly half of the IF layout area.
2. GPS and BDS-3 Signal Properties
2.1. Features of GPS and BDS3
2.2. Overall Requirements of the BeiDou Navigation Satellite System-3
- The RF signal attenuates significantly at a high frequency of 1575.42 ± 2.046 MHz due to the parasitic effect caused by routing and packaging. The transconductance can be increased by enlarging W/L or the current to boost the gain. However, large-sized transistors make the parasitic capacitance influence more serious. A large current results in heightened power consumption. Therefore, it is difficult to realize an RF receiver with high working frequency and low power.
- In the receiver design, RF circuits with excessive gain lead to greater power consumption and more complex RF layouts. If the gain of the RF circuits is reduced, the gain of the intermediate frequency (IF) circuits must be increased to meet the gain requirements of the system. However, the IF circuits with excessive gain will bring instability to the system. Since the gain of the RF circuits decreases, the noise contribution from the IF circuits increases. Therefore, RF and IF circuits must reasonably allocate the cascade gain to ensure system stability.
- External LNA [4] is generally used to provide better noise performance in practical applications. However, this external LNA is not expected in our design in the case of weak interference, which puts forward higher requirements for noise performance. The noise figure (NF) will be worsened due to crosstalk and noise coupling on the substrate of the system-on-chip. Moreover, the low-power requirement also limits the further improvement of NF. Therefore, it is difficult to realize the receiver-on-chip with a low NF.
- An image rejection ratio (IMRR) of 25 dB is required. Generally, increasing the IF or the CBPF order can improve the IMRR, but the current and area increase. So it is not conducive to a low-power design.
3. Systematical Design of the Receiver
3.1. Gain and Gain Control Range
3.2. Noise Figure
3.3. Linearity
3.4. Filter Order
4. Receiver Design
4.1. Chip Architecture of the Receiver
4.2. RF Front-End
4.3. CBPF
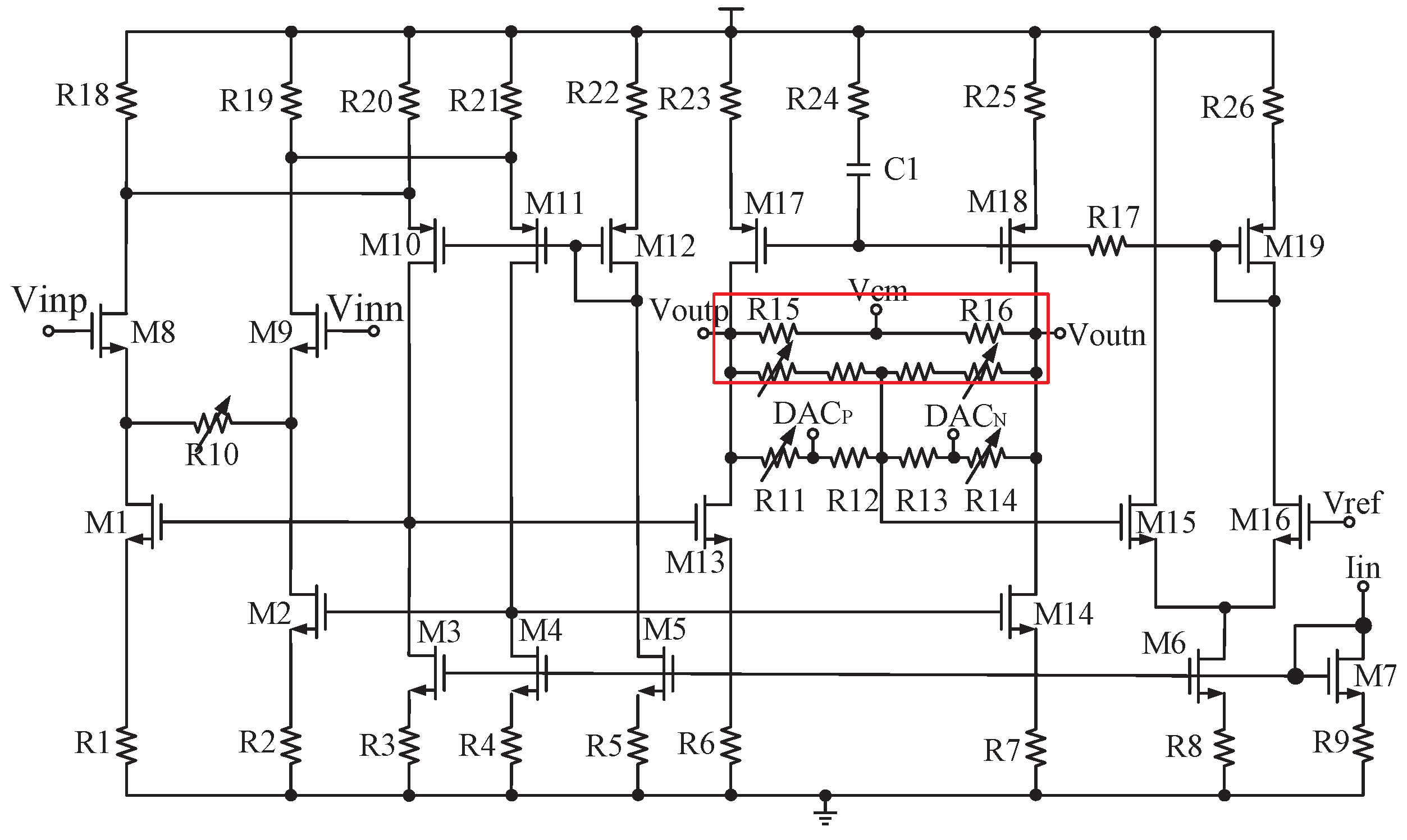
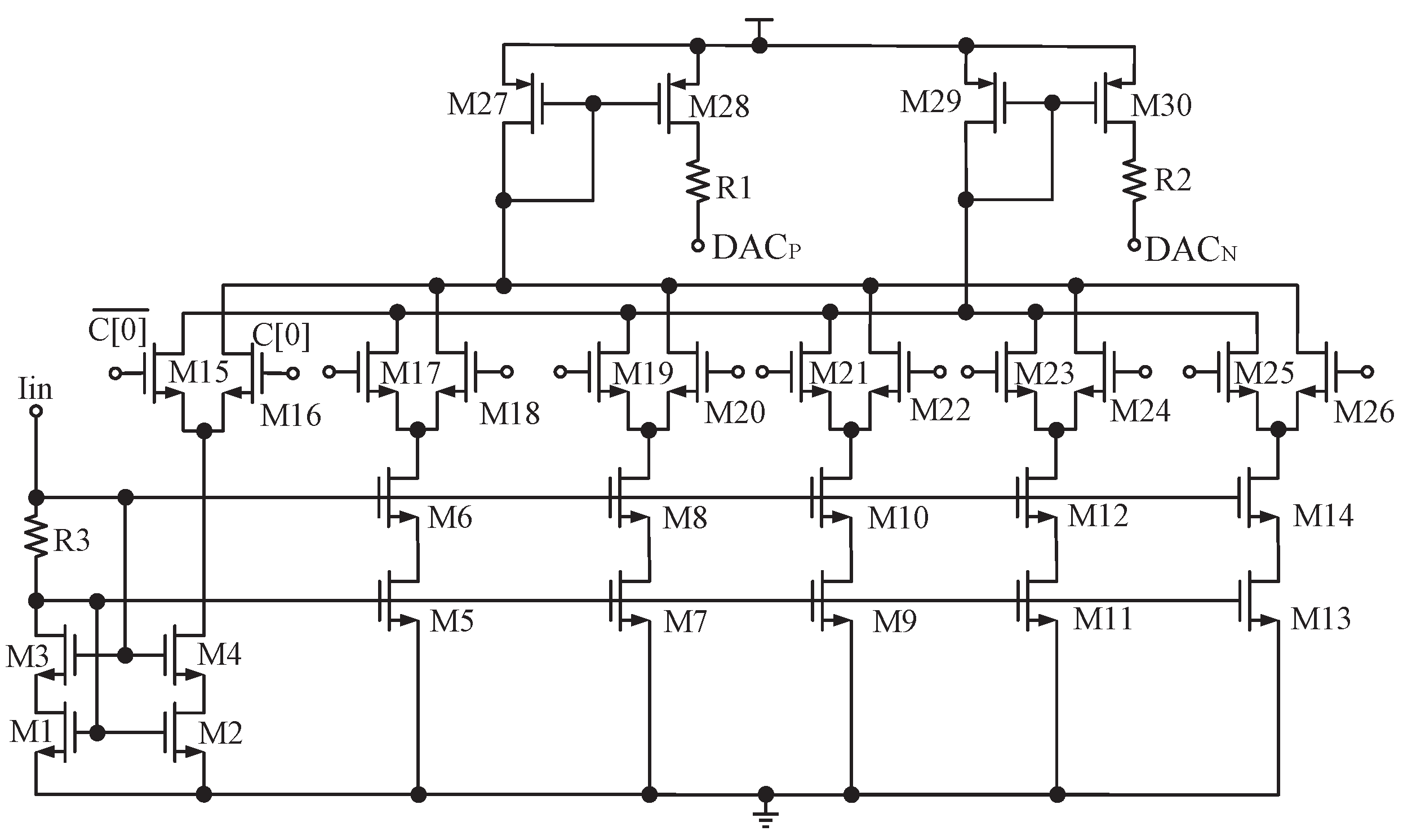
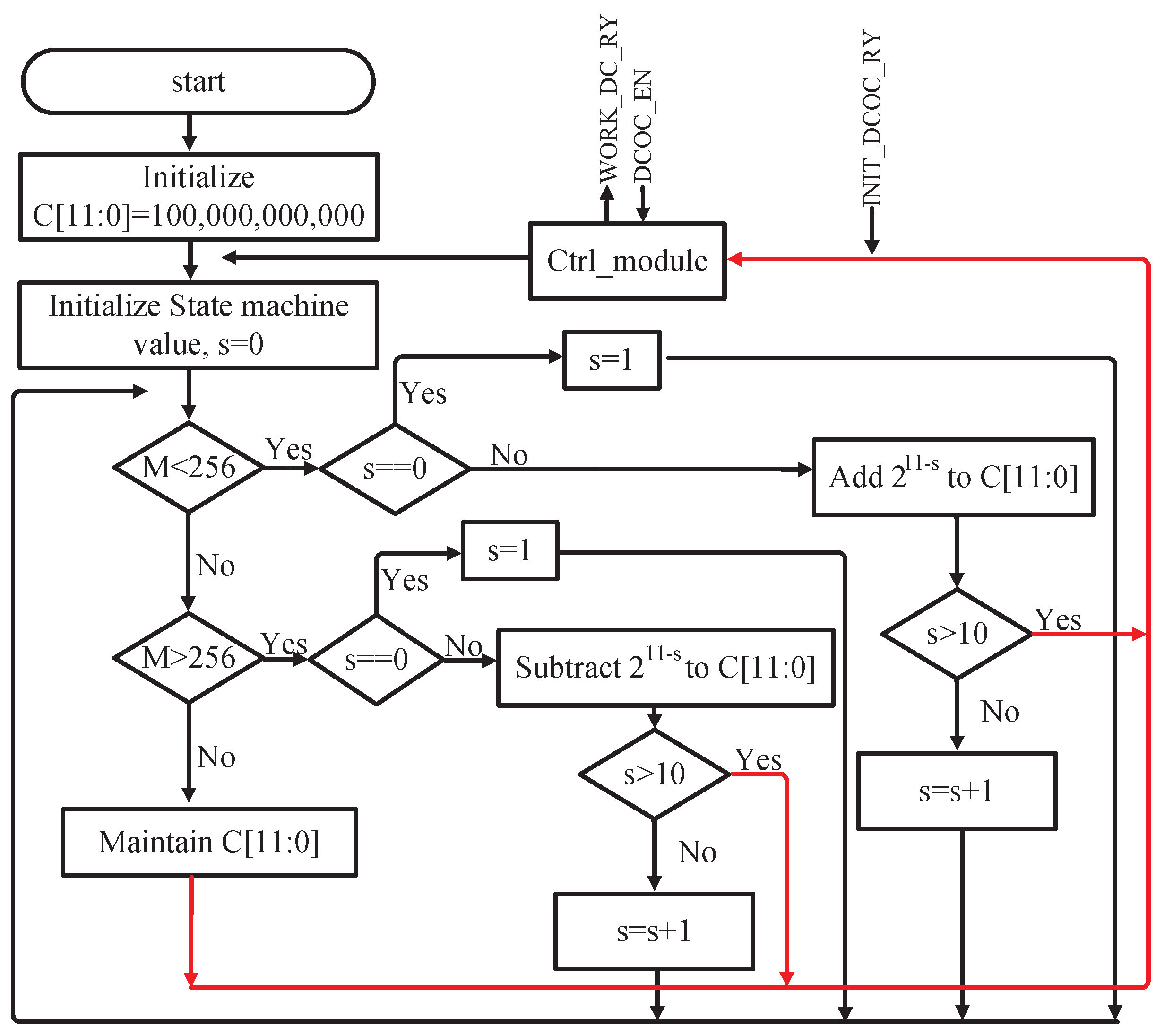
4.4. AGC and DCOC
5. Measurement Results
| Parameter | This Work | Ref. [28]’20 | Ref. [7]’22 | Ref. [29]’23 | Ref. [30]’20 | Ref. [31]’18 | 
|---|---|---|---|---|---|---|
| Tech. (nm CMOS) | 55 | 110 | 65 | 28 | 180 | 180 | 
| Integration Level | Fully | Fully | Fully | Fully | Fully | Fully | 
| Frequency Bands | L1/E1 | L1/E1/L5/E5 | L1/L2/L5/S | L1/L2/B1/E1 | L1/B1/E1 | L1/B1/E1 | 
| Navigation Systems | GPS/BDS3/ Galileo | GPS/BDS2/ Galileo/ GLONASS/ QZSS/IRNS | NavIC/GPS/ Galileo/BDS2 | GPS/BD2/Galileo | GPS/BD2/Galileo | GPS/BD2/Galileo | 
| NF (dB) | 1.74 | 2.3 | 3.8∼4.4 | 3.1 | 1.79 | 1.8 | 
| Bandwidth (MHz) | 2/4 | 2∼52 | 2/4/17/20/24 | 2/4 | 2/4 | 2/4 | 
| Max gain (dB) | 113.2 | 131 1 | 101.7 | 103.8 | 108 | 107.2 | 
| Gr (dB) | 61 | - | 53.53 | 94.6 | 56 | 78 | 
| IMRR (dB) | 32 | - | 28 (I channel) 42 (Q channel) | 60.3 | 51.46 (Max) 32.98 (Min) | 39.1 | 
| (dBm) | −52.1 | - | −52 (L5 Band) −56 (S Band) | - | - | −29 | 
| IIP3 (dBm) | −43.39 | - | −38 * | −9.9 (2M-BW) −4.5 (4M-BW) | −18.09 | −19.325 | 
| Area (mm2) | 0.345 | - | 0.83 2 | 1.315 4 | 0.79 6 | 0.61 8 | 
| Area (RX+FS) (mm2) | 0.73 | 2.25 | 1.25 3 | - | 1.64 6 | 1.36 8 | 
| Current (mA) | 4.8 | 9.62 1 | 24.08 | 32.8 5 | - | - | 
| Current (RX+FS) (mA) | 8.7 | 14.12 1 | 38.09 | - | 16 7 | 16 | 
| Supply Voltage (V) | 1.2 | 1.5 | 1.2 | 1.1 | 1.8 | 1.8 | 
| 108.48 | - | 84.1 | 83.94 | - | - | |
| 105.9 | - | 82.11 | - | 92.64 | 92.95 | 
6. Conclusions
Author Contributions
Funding
Institutional Review Board Statement
Informed Consent Statement
Data Availability Statement
Conflicts of Interest
Abbreviations
| MDPI | Multidisciplinary Digital Publishing Institute | 
| PVT | Process, voltage, and temperature | 
| BDS-3 | BeiDou navigation satellite system-3 | 
| GPS | global positioning system | 
| PNT | positioning, navigation, and timing | 
| IoT | Internet of Things | 
| GLONASS | global navigation satellite system | 
| IMRR | image rejection ratio | 
| LNA | low-noise amplifier | 
| ACTBA | active balun amplifier | 
| DC | direct current | 
| CBPF | complex bandpass filter | 
| Gm | transconductance amplifier | 
| RHCP | right-hand circular polarization | 
| LO | local oscillator | 
| IF | intermediate frequency | 
| NF | noise figure | 
| Tia | Transimpedance amplifier | 
| ADC | analog–digital conversion | 
| Gr | gain control range | 
| input 1 dB compression point | |
| IIP3 | input third-order intercept point | 
| IBP | in-band power | 
| OBIP | out-of-band interference power | 
| PGA | programmable gain amplifier | 
| BPF | bandpass filter | 
| FS | frequency synthesizer | 
| DCOC | DC offset correction | 
| IQ | in-phase and quadrature | 
| CM | common-mode | 
| CMFB | common-mode feedback | 
| MSB | most significant bit | 
| LSB | least significant bit | 
| SPI | serial peripheral interface | 
| QFN | quad flat no-lead | 
| PLL | phase-locked loop | 
References
- Nie, P.; Meng, X.; Sun, J.; Niu, Z. Initial Assessment and Impact on GNSS Positioning Performance Analysis of Including BeiDou-3 Satellites. In Proceedings of the 2018 IEEE International Conference on Mechatronics and Automation (ICMA), Changchun, China, 5–8 August 2018. [Google Scholar]
- Shaeffer, D.K.; Shahani, A.R.; Mohan, S.S.; Samavati, H.; Rategh, H.R. A 115-mW, 0.5-μm CMOS GPS receiver with wide dynamic-range active filters. IEEE J. Solid-State Circuits 1998, 33, 2219–2231. [Google Scholar] [CrossRef]
- Jo, J.-G.; Lee, J.-H.; Park, D.; Pu, Y.G. An L1-band dual-mode RF receiver for GPS and Galileo in 0.18-μm CMOS. IEEE Trans. Microw. Theory Techn. 2009, 57, 919–927. [Google Scholar]
- Ko, J.; Kim, J.; Cho, S.; Lee, K. A 19-mW 2.6-mm2 L1/L2 dual-band CMOS GPS receiver. IEEE J. Solid-State Circuits 2005, 40, 1414–1425. [Google Scholar]
- Qi, N.; Xu, Y.; Chi, B.; Xu, Y.; Yu, X.; Zhang, X. A dual-channel compass/GPS/GLONASS/Galileo reconfigurable GNSS receiver in 65 nm CMOS with on-chip I/Q calibration. IEEE Trans. Circuits Syst. I Regul. Pap. 2012, 59, 1720–1732. [Google Scholar] [CrossRef]
- Chen, D.; Pan, W.; Jiang, P.; Jin, J.; Mo, T.; Zhou, J. Reconfigurable dual-channel multiband RF receiver for GPS/Galileo/BD-2 systems. IEEE Trans. Microw. Theory Techn. 2012, 60, 3491–3501. [Google Scholar] [CrossRef]
- Kanchetla, V.K.; Kharalkar, A.; Jain, S.; Khyalia, S.K.; Joy, J.; Jose, S.; Zele, R. A Compact, Reconfigurable CMOS RF Receiver for NavIC/GPS/Galileo/BeiDou. IEEE Trans. Microw. Theory Techn. 2022, 70, 3361–3373. [Google Scholar] [CrossRef]
- Li, S.; Li, J.; Gu, X.; Wang, H.; Li, C.; Wu, J.; Tang, M. Reconfigurable All-Band RF CMOS Transceiver for GPS/GLONASS/Galileo/ Beidou With Digitally Assisted Calibration. IEEE Trans. Very Large Scale Integr. Syst. 2015, 23, 1814–1827. [Google Scholar] [CrossRef]
- Kanchetla, V.K.; Kharalkar, A.; Joy, J.; Jose, S.C.; Khyalia, S.K.; Jain, S.; Pancholi, M.; Hameed, S.; Tripathi, A.K.; Khalapure, S.; et al. A Compact, Reconfigurable Receiver for IRNSS/GPS/Galileo/Beidou. In Proceedings of the IEEE Radio Frequency Integrated Circuits Symposium (RFIC), Atlanta, GA, USA, 7–9 June 2021. [Google Scholar]
- General specification for RFIC of BeiDou/Global Navigation Satellite Systems (GNSS) receiver. Available online: http://www.beidou.gov.cn/zt/bdbz/201712/W020171226815455365038.pdf (accessed on 17 July 2023).
- BeiDou Navigation Satellite System Signal In Space Interface Control Document Open Service Signals B1C and B2a (Test Version). Available online: http://www.beidou.gov.cn/yw/gfgg/201712/W020171222590921042647.pdf (accessed on 17 July 2023).
- GPS.Gov. Available online: https://www.gps.gov/technical/icwg/IS-GPS-800J.pdf (accessed on 17 July 2023).
- Abidi, A.A.; Pottie, G.J.; Kaiser, W.J. Power-conscious design of wireless circuits and systems. Proc. IEEE 2000, 88, 1528–1545. [Google Scholar] [CrossRef]
- Li, S.T.; Li, J.C.; Gu, X.C.; Wang, H.Y.; Tang, M.H.; Zhuang, Z.W. A continuously and widely tunable 5 dB-NF 89.5 dB-gain 85.5 dB-DR CMOS TV receiver with digitally-assisted calibration for multi-standard DBS applications. IEEE J. Solid-State Circuits 2013, 48, 2762–2774. [Google Scholar] [CrossRef]
- Friis, H.T. Noise Figures of Radio Receivers. Proc. IRE 1944, 32, 419–422. [Google Scholar] [CrossRef]
- Ma, D.; Mao, W.; Gu, M.; Shi, Y.; Dai, F.F.; Jaeger, R.C. A High-Gain High-Linearity Wide-Band Low Noise Amplifier for Terrestrial and Cable Receptions. In Proceedings of the International Conference on Communications, Circuits and Systems, Guilin, China, 25–28 June 2006. [Google Scholar]
- Jing, G. High IIP3 Up-Conversion Mixer for Ultra-Wideband (UWB) Application. Master’s Thesis, Hong Kong University of Science and Technology, Hong Kong, China, 2005. [Google Scholar]
- 3GPP. Available online: https://www.3gpp.org/ftp/Specs/archive/36_series/36.521-1/36521-1-a30.zip (accessed on 17 July 2023).
- Lee, T.H. The Design of CMOS Radio-Frequecy Integrated Circuits, 2nd ed.; Cambridge University Press: New York, NY, USA, 2006. [Google Scholar]
- Della Torre, V.; Conta, M.; Chokkalingam, R.; Cusmai, G.; Rossi, P.; Svelto, F. A 20 mW 3.24 mm2 Fully Integrated GPS Radio for Location Based Services. IEEE J. Solid-State Circuits 2007, 42, 602–612. [Google Scholar] [CrossRef]
- Moon, H.; Lee, S.; Heo, S.C.; Yu, H.; Yu, J.; Chang, J.S.; Choi, S.I.; Park, B.H. A 23 mW fully integrated GPS receiver with robust interferer rejection in 65 nm CMOS. In Proceedings of the IEEE International Solid-State Circuits Conference (ISSCC), San Francisco, CA, USA, 7–11 February 2010. [Google Scholar]
- Kuo, M.C.; Kao, S.W.; Chen, C.H.; Hung, T.S.; Shih, Y.S.; Yang, T.Y.; Kuo, C.N. A 1.2 V 114 mW dual-band direct-conversion DVB-H tuner in 0.13 μm CMOS. IEEE J. Solid-State Circuits 2009, 44, 740–750. [Google Scholar] [CrossRef]
- Valla, M.; Montagna, G.; Castello, R.; Tonietto, R.; Bietti, I. A 72-mW CMOS 802.11a direct conversion front-end with 3.5-dB NF and 200-kHz 1/f noise corner. IEEE J. Solid-State Circuits 2005, 40, 970–977. [Google Scholar] [CrossRef]
- Crols, J.; Steyaert, M.S.J. Low-IF topologies for high-performance analog front ends of fully integrated receivers. IEEE Trans. Circuits Syst. II Analog. Digit. Signal Process. 1998, 45, 269–282. [Google Scholar] [CrossRef]
- Durham, A.M.; Redman-White, W.; Hughes, J.B. High-linearity continuous-time filter in 5-V VLSI CMOS. IEEE J. Solid-State Circuits 1992, 27, 1270–1276. [Google Scholar] [CrossRef]
- Wei, J.M.; Chen, C.N.; Chen, K.T.; Kuo, C.F.; Ong, B.H.; Lu, C.H.; Liu, C.C.; Chiou, H.C.; Yeh, H.C.; Shieh, J.H.; et al. A 110 nm RFCMOS GPS SoC with 34 mW–165 dBm tracking sensitivity. In Proceedings of the IEEE International Solid-State Circuits Conference (ISSCC), San Francisco, CA, USA, 8–12 February 2009. [Google Scholar]
- Lyu, Y.; Zou, W.; Chen, S. A dual-channel GNSS receiver for GPS and Beidou applications. In Proceedings of the 2017 2nd IEEE International Conference on Integrated Circuits and Microsystems (ICICM), Nanjing, China, 8–11 November 2017. [Google Scholar]
- Borejko, T.; Marcinek, K.; Siwiec, K.; Narczyk, P.; Borkowski, A.; Butryn, I.; Łuczyk, A.; Pietroń, D.; Plasota, M.; Reszewicz, S.; et al. NaviSoC: High-Accuracy Low-Power GNSS SoC with an Integrated Application Processor. Sensors 2020, 20, 1069. [Google Scholar] [CrossRef] [PubMed]
- Pu, Y.; Li, W.; Li, M.; Wang, C.; Chen, F.; Li, Q.; Xu, H. A Tri-Mode Reconfigurable Receiver for GNSS/NB-IoT/BLE with 68-dB HR3 and 60-dB IMRR in 28-nm CMOS. IEEE Trans. Very Large Scale Integr. Syst. 2023, 31, 1140–1152. [Google Scholar] [CrossRef]
- Yan, P.; Jiang, J.; Tang, Y.; Liu, J.; Sun, Y.; Fu, Z.; Liu, J. Flexible reconfigurable GNSS RF receiver for portable application of Internet of Things. Microelectron. J. 2020, 106, 104912. [Google Scholar] [CrossRef]
- Wang, Y.; Gao, B.; Li, P.; Ni, X.; Zhou, R. A RF CMOS GNSS receiver with a passive mixer for GPS L1/Galileo E1/Compass B1 band. IEICE Electron. Express 2018, 15, 20180551. [Google Scholar] [CrossRef]
- Kumari, A.; Bhatt, D. Advanced System Analysis and Survey on the GPS Receiver Front End. IEEE Access 2022, 10, 24611–24626. [Google Scholar] [CrossRef]



















| Sub-Circuit | Input | LNA | ACTBA | GMT | BPF | PGA | 
|---|---|---|---|---|---|---|
| Max Gain (dB) | 23 | 18 | 10 | 0 | 63 | |
| Min Gain (dB) | 23 | 18 | 10 | 0 | 0 | |
| NF (dB) | 2.3 | 8 | 13.5 | 35 | 35 | |
| IBP (dBm) | −75 | −52 | −34 | −24 | −24 | −24 | 
| OBIP (dBm) | −56 | −33 | −15 | −25 | −100 | −100 | 
| (dBm) | −23 | −18 | −10 | 0 | 0 | |
| IIP3 (dBm) | −13 | −8 | 0 | 10 | 10 | 
| Name | Type | Name | Type | 
|---|---|---|---|
| Galvanometer | N6705C | Vector signal source | SMBV100B | 
| Navigation signal source | GNS8110 | Frequency spectrometer | N9020B | 
| Vector network analyzer | ZND | Frequency meter | 53220A | 
| Oscilloscope | DSOX6004A | 
| Sub-Circuit | LNA | ACTBA | GMT | CBPF | PGA | ADC | 
|---|---|---|---|---|---|---|
| Current (mA) | 1.2 | 0.5 | 0.6 | 0.9 | 0.7 | 0.9 | 
| Disclaimer/Publisher’s Note: The statements, opinions and data contained in all publications are solely those of the individual author(s) and contributor(s) and not of MDPI and/or the editor(s). MDPI and/or the editor(s) disclaim responsibility for any injury to people or property resulting from any ideas, methods, instructions or products referred to in the content. | 
© 2023 by the authors. Licensee MDPI, Basel, Switzerland. This article is an open access article distributed under the terms and conditions of the Creative Commons Attribution (CC BY) license (https://creativecommons.org/licenses/by/4.0/).
Share and Cite
Huang, S.; Li, J.; Li, M.; Tang, F. A Fully Integrated Low-Power Multi-Mode RF Receiver for BDS-3/GPS. Sensors 2023, 23, 7631. https://doi.org/10.3390/s23177631
Huang S, Li J, Li M, Tang F. A Fully Integrated Low-Power Multi-Mode RF Receiver for BDS-3/GPS. Sensors. 2023; 23(17):7631. https://doi.org/10.3390/s23177631
Chicago/Turabian StyleHuang, Shalin, Jiang Li, Mingdong Li, and Fang Tang. 2023. "A Fully Integrated Low-Power Multi-Mode RF Receiver for BDS-3/GPS" Sensors 23, no. 17: 7631. https://doi.org/10.3390/s23177631
APA StyleHuang, S., Li, J., Li, M., & Tang, F. (2023). A Fully Integrated Low-Power Multi-Mode RF Receiver for BDS-3/GPS. Sensors, 23(17), 7631. https://doi.org/10.3390/s23177631
 
        


 
       