Abstract
This paper presents a method for the detection of broken rotor bars in an induction motor. After introducing a simplified dynamic model of an induction motor with broken cage bars in a rotor field reference frame which allows for observation of its internal states, a fault detection algorithm is proposed. Two different motor estimation models are used, and the difference between their rotor flux angles is extracted. A particular frequency component in this signal appears only in the case of broken rotor bars. Consequently, the proposed algorithm is robust enough to load oscillations and/or machine temperature change, and also indicates the fault severity. The method has been verified at different operating points by simulations as well as experimentally. The fault detection is reliable even in cases where traditional methods give ambiguous verdicts.
1. Introduction
Diagnostic procedures for online condition monitoring of electrical motors have already been in use for several decades [1,2] with special attention being paid to the most commonly used type – induction motors (IM) [3,4,5,6]. Nowadays, more and more industrial electrical drives tend to be supervised by such techniques [7]. Among possible IM faults, researchers mostly deal with stator winding faults [8,9,10], or different mechanical faults [11] like bearing faults [12,13], rotor eccentricities [14,15], and rotor electrical asymmetry due to broken rotor bars (BRB) or end-ring segments [16,17]. Some of the methods could also be used for the detection of mixed faults [18,19].
Despite IM’s simple construction, the precise modelling of its squirrel cage is not a trivial task. Furthermore, rotor cage design prevents any direct measurements of rotor currents, which makes detection of rotor asymmetries due to some arising faults difficult and limits diagnostic procedures to indirect approaches that are based mostly on stator or mechanical quantities. Reliable automated detection methods ought to be very precise in order to eliminate false alarms. Although new methods for BRB detection have emerged [20,21], the Motor Current Signature Analysis (MCSA) is probably still the most frequently used. The basic idea of the MCSA, i.e., detecting specific fault-characteristic frequency components in stator current spectrum, has already been known for decades [22] and has been improved ever since [23]. However, in some cases its simplicity also causes false fault detection. One such ambiguous case is clearly presented in [24,25], where the influence of specific rotor design was analyzed. The rotor axial ducts are used for cooling and weight reduction, and can produce frequency components in a current spectrum that can be misinterpreted as they are caused by BRBs, if the number of axial air ducts is identical to the number of poles. It has also been shown that these components can even decrease with BRBs, depending on the fault position relative to the ducts, which makes online condition monitoring difficult. False positive rotor fault indication due to air ducts may result in unnecessary maintenance costs. It has also been shown that BRBs can be detected reliably independent of the axial duct influence under the startup transient with the wavelet-based algorithm and energy level-based fault indicator.
Another example of an incorrect diagnosis was provoked by the mechanical load [26], where the specific design of fan blades caused side-band components in the stator current, which can be incorrectly recognized as the consequence of the BRB. Vibrations caused by pumps and fans can result in false rotor fault indications if the number of motor poles is an integer multiple of the number of blades. Therefore, alternative testing methods capable of separating the influence of the blade vibration and rotor faults are suggested for avoiding false MCSA alarms.
A lot of attention was given to fault detection at different operational points [27,28], leading to special cases when the load oscillates at a low frequency, near to twice the slip frequency [29,30,31]. Such load oscillations can induce frequency components close or even equal to those caused by BRBs, which again may lead to either a false positive fault indication, or false negative fault indication even when using algorithms which are more robust with these cases [29,30,31,32,33,34], especially at small fault signatures. In [29] the authors use active and reactive power components to separate low-frequency load torque oscillations from the BRB signature. The detection method relies on the fact that load oscillations are mostly associated with active power spectrum, whereas BRB in general affects reactive power spectra. However, the effectiveness of the method strongly relies on a selection of the appropriate threshold for both power spectra. It seems that large amplitudes of load oscillations can easily trigger false alarms. Similar approach is reported also in [35], where Estimation of Signal Parameters via Rotational Invariance Technique (ESPRIT) is adopted instead of Fast Fourier Transform (FFT) as the spectral analysis technique to deal with the instantaneous reactive and active powers, yielding a certain improvement in frequency resolution compared to the [29]. Although the fault indicator is load independent, demanding signal processing algorithm hinders a practical on-line implementation. In [31] the detection is based on negative sequence harmonics, and is independent of model parameters. Yet, possible interference of supply voltage unbalance disrupts the detection procedure and produces false alarms. For this reason, special attention should be paid to distinguish between BRB and low-frequency load torque oscillations when double slip frequency components are detected in the stator current spectrum [36].
Among model-based methods for separation of BRBs and load effects, the Vienna Monitoring Method (VMM) stands out as well-established and effective [37,38]. In the VMM two reference models are used to separately estimate electromagnetic torque. Then, both estimated values are compared and any oscillatory deviation at double slip frequency is recognized as a reliable indicator of BRBs. The VMM is independent of inertia and load torque level, although there is a certain practical threshold load level (around 40% of the rated load) for successful implementation [31]. Being a model-based method, the VMM depends on the motor’s parameters accuracy, which calls for an appropriate parameter tracking technique [38].
In this paper, a novel robust BRB detection algorithm is presented. It relies on monitoring the difference between the angles of rotor-flux vectors estimated by voltage and current models, commonly used in field-oriented control (FOC). Although the basic idea is similar to the VMM, there are two important enhancements: a) reference models can be shared between control and detection algorithms, and b) the fault indicator is based on angle difference rather than amplitude difference, which has some implication for robustness, e.g., to changes in rotor temperature. This makes the proposed method more reliable in terms of detecting rotor fault (healthy rotor vs. 1 BRB), as well as in discriminating between various levels of rotor fault. The algorithm is based upon the findings from a simplified model of IM, which offered a unique way to observe the internal states of IM under fault and/or load oscillation conditions. Consequently, the proposed method offers correct fault detection even in extreme cases when the load oscillations may coincide with fault signatures; under such circumstances some of the approaches (e.g., [29,31]) may give ambivalent results.
2. Model of IM with a Faulty Rotor
In this section, a two-axis model of a faulty IM is presented and used in simulations of various operating conditions. In this way, we observed the internal states of IM when load oscillation and/or BRB was present and, consequently, identify which internal variables provide adequate information to discern a healthy rotor with a load oscillating at a low frequency from the BRB. Despite the fact that the two-axis model of a faulty IM is approximate, (an exact model would require, for example, a more demanding winding function approach [39]), it can reliably reproduce basic physical phenomena due to BRB. Stator (1) and rotor (2) voltage equations of IM are defined in their own reference frames. The rotor one (DQ) is displaced by rotor electrical angle ε with respect to the fixed stator coordinate system [40]. Also note that for the model to be correctly set, the DQ reference frame has to be aligned with the BRB, or group of BRBs [41]:
where, v and i denote voltages and currents, while R and L stand for resistances and inductances in stator (S) and the rotor (R) reference frame. Lm is the mutual inductance.
Unlike the healthy rotor with a single rotor time constant, the rotor with BRBs exhibits pseudo-saliency, visible mainly through radial resistance change [41], but also as inductance change to some extent, which depends on the severity of the fault. In order to include both alterations, different rotor time constants τRD in the D axis and τRQ in the Q axis are defined Equation (3) [42]. Their values and ratio depend on the severity and spatial distribution of the fault:
In the simplified model, the inductance change will be neglected (LR = LRD = LRQ). In order to understand the inner relations in IM, both Equations (1) and (2) are transformed into a conventional dq rotor field reference frame (RFRF). The IM model in RFRF yields identical behavior as a more conventional representation in rotor reference frame (RRF) [3]. However, the proposed model offers an additional insight into machine during the presence of the fault. Consequently, new equations describing magnetizing current imR Equation (4) and slip frequency ωsl Equation (5) emerge. Factors f(β), g(β), h(β) are defined by Equations (6)–(7), with β being a slip angle, and Cτ defined as a ratio between time constants in Equation (9). Assuming equal temperature coefficients in both axes, a ratio Ctemp between the resistance at the actual operating temperature and the resistance at the initial ambient temperature is also introduced [42]:
During the operation, the temperature is likely to rise (Ctemp > 1), thus increasing the rotor resistances, and decreasing the rotor time constants τRD and τRQ.
Equations (4)–(9) can be simplified in the case of a healthy rotor without pseudo saliency (τRD = τRQ = τR); from Equations (6) and (7) we get f(β) = g(β) = Ctemp/τR, whereas h(β) in (8) becomes zero, thus modifying Equations (4) and (5) into a well-known set of equations for IM.
As neither stator voltage components vSd Equation (10) and vSq Equation (11), nor the electrical torque Tel Equation (12) depend on rotor time constants in RFRF, these equations remain the same as in the healthy rotor:
where σ denotes total leakage factor, τS is the stator time constant, and Tel is the electrical torque.
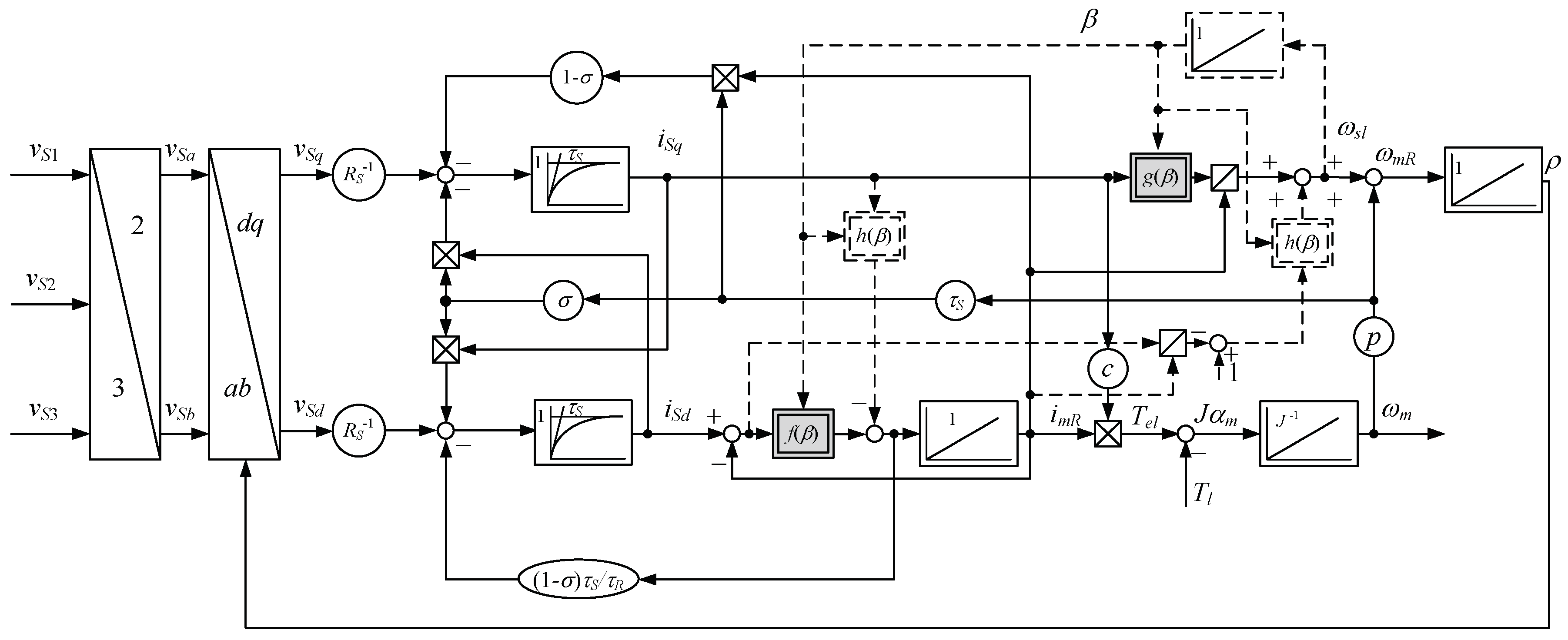
Figure 1 shows the block scheme of the simplified model of IM with BRB resulting from Equations (4)–(12) [42], where Tl stands for load torque. The model has been tested on a motor (see Table A1 in Appendix A) with a different number of bars drilled. The MCSA results obtained from measured currents of a grid-supplied motor were compared to the simulation results of the model from Figure 1. For illustration purposes, two spectra are shown in Figure 2.
Figure 1.
Simplified block scheme of a voltage-fed induction motors (IM) with broken rotor bars (BRB) in a rotor field reference frame; in the case of a healthy rotor, dashed lines and blocks are omitted, while the blocks in gray become Ctemp/τR.
Figure 2.
Measured and simulated Motor Current Signature Analysis (MCSA) of the stator phase current for a motor at load torque Tl = 30 Nm: (a) with no BRB; (b) with one BRB.
A close match between the model and experimental results is achievable only if the model parameters precisely match the actual ones. Besides inertia, which affects the left/right side-band distribution, rotor time constants τRD and τRQ also have to be determined precisely [41,43]. Additionally, we can observe some side-band components even with healthy rotor, due to manufacturing imperfections.
3. Analysis of Healthy and Faulty Motors’ Behavior
As the validity of the simplified model has been proven, the motor’s internal states can be simulated and observed under various conditions. The fault in the modeled motor is simulated by tuning model time constants τRD and τRQ in order for the model to fit the real motor, as will be proven in Section 4.2.3. In the following subsections, some illustrative states of the IM supplied with sinusoidal voltage are simulated and analyzed.
3.1. Healthy Motor
The behavior of a healthy motor is well known, but it serves as a reference for the changes occurring in a faulty motor. In a healthy motor, f(β) = g(β) = Ctemp /τR, h(β) = 0, whereas Equations (4) and (5) transform into well-known equations (dashed blocks and lines in Figure 1 are omitted) [40].
- Case 1:
- A healthy motor with a constant load:As expected, in a healthy motor with a constant load (Tl = 30 Nm), magnetizing current imR and slip frequency ωsl remain constant (Figure 3a).
Figure 3. Healthy motor’s imR and ωsl at: (a) constant load Tl = 30 Nm; (b) oscillating load LO1 Tl = 30 ± 0.3 Nm at 2.7 Hz. - Case 2:
- A healthy motor with a superimposed oscillating load:When a sinusoidal load torque is superimposed on a constant load, e.g., Tl = 30 ± 0.3 Nm at 2.7 Hz, denoted with LO1 (see Table A2 in Appendix A for various applied oscillating load conditions), only the magnetizing current remains practically constant, while ωsl (thus iSq) oscillates with the load torque frequency (Figure 3b).
3.2. Faulty Motor
The factors f(β), g(β), and h(β) in a faulty motor are not constant.
- Case 3:
- A faulty motor with a constant load:In Equation (4) the magnetizing current contains the oscillation caused by the fault (factor f(β)). The same applies to Equation (5), where the term with factor h(β) can be neglected, as it is much smaller than the first part. Nevertheless, the slip frequency contains oscillations, caused by the fault (factor g(β)), as shown in Figure 4a.
Figure 4. Faulty motor’s imR and ωsl at: (a) constant load Tl = 30 Nm; (b) oscillating load LO1 Tl = 30 ± 0.3 Nm at 2.7 Hz. - Case 4:
- A faulty motor with a superimposed oscillating load:In this case (LO1) the magnetizing current in Equation (4) oscillates due to the load oscillation (iSq) and the oscillation caused by the fault (factor f(β)). The same applies to Equation (5), where the term with factor h(β) can be neglected, as imR tracks iSd. Again, the slip frequency contains non-sinusoidal oscillations that are caused by the fault (factor g(β)) and by the load (iSq), as shown in Figure 4b.
3.3. Two Cases of Misinterpreted MCSA
MCSA serves as a valid method for BRBs detection, with some exceptions that will be explained using the motor model. These exceptions occur if the superimposed load oscillates at twice the slip frequency–2sf1 (e.g., Tl = 30 ± 0.3 Nm at 5.46 Hz, denoted with LO2, see Table A2).
3.3.1. False Positive BRB Detection
Load LO2 applied to a healthy motor (Section 3.1, case 2) may blur the fault detection, as MCSA exhibits the same characteristic spikes expected from a faulty motor at constant torque (Figure 5b). Both the slip frequency and magnetizing current in the healthy and the faulty motor are almost equal (Figure 5a).
Figure 5.
Healthy motor with LO2 (Tl = 30 ± 0.3 Nm at 5.46 Hz) and faulty motor (1 BRB) with false positive detection: (a) imR and ωsl; (b) MCSA of stator current.
However, if spectral analyses of current components iSd and iSq in RFRF (Figure 1) are performed, a clear difference may be observed, especially in the d axis (Figure 6). This fact is utilized in certain detection methods based upon a reactive current or reactive power measurements [29,32,33], which makes them robust to load oscillations. However, at high load oscillations and/or weak fault signatures, where reactive current oscillations are similar, these methods still struggle.
Figure 6.
Ambiguous BRB fault detection at LO2 (Tl = 30 ± 0.3 Nm at 5.46 Hz): (a) spectra of iSd; (b) spectra of iSq.
3.3.2. False Negative BRB Detection
A special situation of 3.2., case 2 occurs if both terms on the right in Equation (4) oscillate at 2sf1, either amplifying or suppressing each other, depending on their phase relation (Figure 7). This phenomenon was analyzed in [29], where detection based upon reactive power oscillation was subject to phase relation between oscillation due to the fault and the load oscillation. A faulty motor under certain load amplitude (e.g., LO2 in Figure 7a) behaves almost like the healthy motor under an oscillating load, thus hindering the fault detection.
Figure 7.
Faulty motor’s imR and ωsl at oscillating load LO2 (Tl = 30 ± 0.3 Nm at 5.46 Hz) causing either their: (a) suppression; (b) amplification.
4. Robust Detection of BRBs
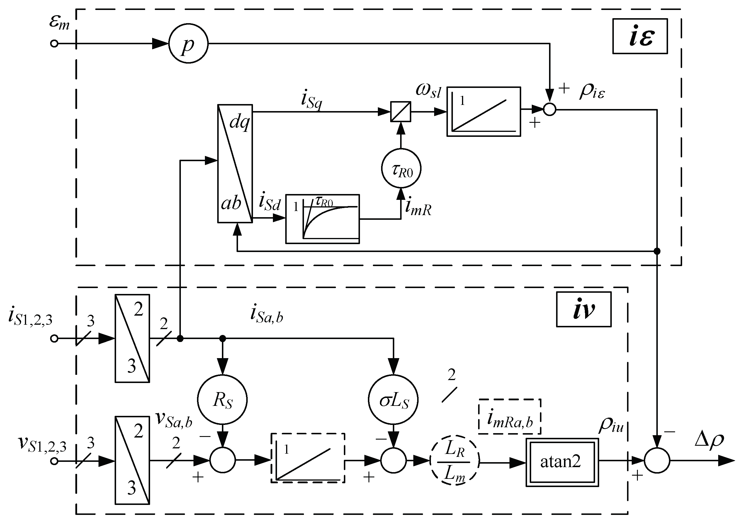
While the simplified model of IM (Figure 1) offers a different perspective on motor operation during fault and/or load oscillations, it does not provide a direct way for detecting BRBs. However, there is a model from which the correct slip frequency ωsl and magnetizing current imR can be obtained without exact knowledge of rotor parameter(s). The iv estimation model is based upon the stator voltage and current measurement (see Figure 8, bottom) [44]. Instead of a notoriously problematic open-loop integrator which is present in stator equations, a closed-loop variant is implemented [45]. However, it might be replaced by first order lag as well. This model is mostly used for sensorless estimation of the rotor magnetizing current imR (or rotor flux). In our case, only the rotor flux angle ρ is required; hence, factor LR/Lm2, present in imR equations, is irrelevant thus leaving the model independent from any rotor parameter. With this model, the correct magnetizing current and slip angular frequencies (the latter by differentiating the difference between rotor flux angle ρ and rotor angle εm can be obtained for both a healthy and a faulty motor, with or without load oscillations, assuming known stator parameters in the iv model.
Figure 8.
Current-voltage (iv) model of IM with stator parameters and current-angle (iε) model with initial τR0 of a healthy motor.
Conversely, rotor-based IM estimation models yield correct values only for a healthy motor with or without load oscillations. Here, an estimation model based upon current and rotor angle εm (iε model, see Figure 8, top), has been chosen [40]. Note that regardless of the applied control method, regardless of the voltages or currents being impressed, certain relations between voltages, currents, and rotor speed (all measured) correspond exclusively to one particular motor model and its unique set of parameters, and cannot be achieved by any other model. Consequently, if the iε model in Figure 8 is using the parameters of a healthy rotor, but vS, iS, and εm are obtained from the motor with different parameters (e.g., faulty motor), a difference between the output values of rotor flux angle ρ from iv and iε models appears. Therefore, this difference between rotor flux angles ρ from both models is chosen as a fault indicator, as it does not depend on magnetizing inductance Lm.
As explained in the previous discussion, in order to unambiguously detect the fault regardless of the disturbance (load), the approach requires measurement of stator voltages and currents, as well as the rotor angle (e.g., [37,38]). The iv model gives the correct ρ, as it does not depend on rotor time constant(s), potentially altered by BRBs. However, the iε model incorporates initially estimated rotor time constant τR0 of a healthy rotor. Assuming correct stator parameters, its angle ρ differs from the one in the iv model only in one of two cases:
- Example 1:
- A healthy motor: the actual rotor time constant τR changes due to the motor heating (τR < τR0, Ctemp > 1),
- Example 2:
- A faulty motor: the motor has two different time constants (τRD and τRQ), which is the case of our special interest. Additionally, Ctemp may or may not vary.
It will be demonstrated that these two examples yield completely different values of the fault indicator. Consequently, BRB can be detected unambiguously.
4.1. BRBs Detection—Simulations
First, a monitoring system from Figure 8 is applied to a healthy (0 BRB) and faulty (1 BRB) motor supplied by a sinusoidal voltage at constant load (Figure 9a), assuming initial rotor temperature (Ctemp = 1). The rotor time constants of a simulated faulty rotor were tuned in order to fit the model to the actual motor for both the simulations and subsequent experimental verification. In a faulty rotor (1 BRB), the difference Δρ between rotor field angles from two models contains an offset and oscillations. The offset is owed to the fact that the average time constant of a faulty motor (τRD + τRQ)/2 differs from τR0 used in the iε model. The oscillations are at exactly twice the slip frequency, as expected for a faulty motor. The amplitude of Δρ with a healthy motor (0 BRB) is zero due to τR = τR0.
Figure 9.
Observed Δρ for healthy and faulty motors at: (a) constant load Tl = 30 Nm; (b) additional load oscillations at 2sf1 (LO2, Tl = 30 ± 0.3 Nm at 5.46 Hz).
We can further investigate an extreme case (Figure 5), where MCSA at 0 BRB would generate a false positive due to load oscillations (LO2) at 2sf1 (Section 3.3.1). In such a case, when the MCSA of a healthy motor is equal to the MSCA of a faulty motor, the fault signature in Δρ remains unaffected by load oscillations (Figure 9b). Hence, both parts of Figure 9 look almost identical.
As the temperature increases (Ctemp > 1), the motor time constants (0 BRB: τR; 1 BRB: τRD, τRQ) decrease below the initial model’s constant τR0. Nevertheless, the amplitudes of oscillations in Δρ remain equal, while only its offset increases (Figure 10a—without, Figure 10b—with low load torque oscillations), whereas the slip slightly rises due to higher rotor resistance RR.
Figure 10.
Observed Δρ at 0 BRB and 1 BRB with: (a) constant load Tl = 30 Nm; (b) additional load oscillations at 2sf1 (LO2, Tl = 30 ± 0.3 Nm at 5.46 Hz) for Ctemp ≥ 1.
It can be concluded that the Δρ amplitude of the 2sf1 component () serves as a robust fault indicator, regardless of the parameter accuracy in the monitoring system and the oscillations of load torque: in a healthy motor, this amplitude will be small (almost 0), while it is expected to be significantly higher with a damaged rotor. This fact enables the unambiguous detection of BRB even in the dubious cases reported in [26].
Figure 11 illustrates the basic differences between the proposed method and MCSA, where load oscillations interfere with MCSA, because they can produce the same side-bands as the fault would. On the contrary, the proposed procedure is immune to load oscillations. However, it should be emphasized that no method is effective if the motor is running at no-load (steady state), as in such case side-band components 2sf1 are negligible and also no oscillating load is present on the shaft.
Figure 11.
MCSA and proposed method in case of equal stator current spectra.
4.2. BRBs Detection—Experiments
Measurements of rotor angle, stator voltages, and currents were performed on an induction motor supplied by sinusoidal voltage (see Appendix A), while the mechanical load was emulated by a coupled torque-controlled induction motor (testbed shown in Figure 12a). In order to test the validity of the modeling and diagnostic approach, a series of experiments has been performed for combination of different parameters, including:

Figure 12.
Experimental setup: (a) testbed comprises two coupled torque-controlled induction machines with active brake machine able to produce low frequency load oscillations; (b) tested batch of rotors having 0, 1, and 2 BRBs.
- numbers of BRBs (0: healthy rotor; 1 BRB; 2 adjacent BRBs—see tested rotors in Figure 12b),
- constant load torques (Tl = 20 Nm and Tl = 30 Nm),
4.2.1. Spectral Signature of BRBs and Load Oscillation
In Figure 13 and Figure 14 measurements of stator current spectra (MCSA approach-left) and rotor flux angle difference Δρ spectra (proposed method-right) at different load conditions and different rotor fault states are presented. Their comparison clearly demonstrates the effectiveness and advantage of the proposed method in differentiating BRB from load oscillation, thus reducing the possibility of false BRB fault detection.
Figure 13.
Experimental results in case of 0 (top) and 1 (bottom) BRB at constant load Tl = 20 Nm: (a) stator current spectra with visible arising side-band components ±2sf1 due to BRB; (b) flux angle difference spectra Δρ with visible arising side-band components ±2sf1 due to BRB.
Figure 14.
Experimental results in case of 0 (top) and 1 (bottom) BRB at oscillating load LO3 Tl = 20 ± 3 Nm at 2 Hz: (a) stator current spectra with visible arising side-band components ±2sf1 due to BRB and constant side-band components ±fl due to LO3; (b) flux angle difference spectra Δρ with visible only arising side-band components ±2sf1 due to BRB.
Figure 13 shows examples of spectra in case of the constant load torque Tl = 20 Nm and rotors having 0 BRB (top), and 1 BRB (bottom), respectively. In spectra of both observed variables (stator current (Figure 13a) and rotor flux angle difference (Figure 13b)), the side-band components at 2sf1 stick out, when a rotor fault is present (1 BRB). In such cases, most conventional detection methods work well and a risk for false BRB fault diagnosis is small.
The same experiment, but this time for the case of oscillating load torque LO3 (Tl = 20 ± 3 Nm at 2 Hz), is shown in Figure 14. While in stator current spectra (Figure 14a) both side-band components, i.e., due to BRB at ±2sf1 and due to LO3 at ±fl, are present, in rotor flux angle difference Δρ spectra (Figure 14b) only frequency components due to BRB exist. The absence of load oscillation components ±fl proves the benefit and reliability of the proposed method in avoiding possible false positive BRB detections when load oscillates near ±2sf1, as already demonstrated in Figure 11.
Note that the load oscillation frequency fl = 2 Hz is intentionally slightly different from the double slip frequency 2sf1 to avoid side-band components overlapping and to enhance the visual clearness of diagrams (Figure 14). Note also that in measured stator current spectra some reduced side-band components can be observed even in case of the heathy rotor (0 BRB) due to manufacturing imperfections of rotor cages (Figure 13a top, Figure 14a top).
An important conclusion can be drawn from the presented results, namely that the amplitude of rotor flux angle difference Δρ at double slip frequency, denoted as , is not susceptible to load oscillations and is thus much more suitable as a diagnostic index than stator current spectra where load oscillations can mask BRB signature. Observe as well that all rotor flux angle difference Δρ spectra contain also additional frequency components at 16 Hz and 32 Hz. These correspond to the first and second harmonic of mechanical speed, and are known as inherent angle measurement errors in encoders, used in the iε model [46].
4.2.2. On-line Implementation of Detection Algorithm
In order to extract , a signal-processing algorithm with minimal processing effort is adopted (Figure 15). As the fault indicator is in order of a few Hz, the Δρ signal is firstly decimated (through low-pass filter—LPF, and down-sampling—↓M). Since the rotor angle is measured, the slip angle can be easily calculated as a difference between the electrical rotor angle and stator voltage angle. Hence, twice the slip angle is used for Discrete Fourier Transform (DFT) calculation of the remaining Δρ signal. The resulting value of is the fault indicator.
Figure 15.
Extraction of fault indicator from the Δρ signal.
Additionally, simulations of an IM model from Figure 1 at the same operating points and detection algorithm (Figure 8) with filtering (Figure 15) have been performed and compared to experiments. In order to emulate real conditions, the simulation model is fed offline by a measured voltage, while the incremental encoder was modelled to contain errors. Note that the diagnostic algorithm does not require any knowledge of actual time constants τRD and τRQ of a faulty rotor. However, for the simulation model to fit the real faulty IM, these time constants have to be known. They can be estimated as explained in Section 2, and then fitted.
4.2.3. Detection Results
A set of simulations and measurements is shown in parallel in Figure 16. In all cases the model time constant (τR0) corresponds to the constant τR of a healthy motor (0 BRBs). Of course, τR0 differs from constants τRD and τRQ in a motor with 1 and 2 BRBs. Black bars show the results for constant load Tl = 20 Nm (Figure 16a) and Tl = 30 Nm (Figure 16b). The results obtained with an oscillating load LO3 and LO4 are presented in grey.

Figure 16.
Fault indicator at: (a) constant load Tl = 20 Nm (black), and LO3 Tl = 20 ± 3 Nm at 2 Hz (gray); (b) constant load Tl = 30 Nm (black), and LO4 Tl = 30 ± 3 Nm at 2 Hz (gray). As expected, load oscillations have almost no effect on fault indicator.
Figure 16 clearly shows that , when used as a fault indicator, is independent of load oscillations, as the amplitude of depends only, and only on the rotor fault condition. Additionally, the simulation and experimental results match very well, confirming the validity of the dynamic model.
Nevertheless, the experimental results show that even with a “healthy” IM, the fault indicator is not zero. This fact, as already emphasized, is owed to manufacturing imperfections, which result in a slightly asymmetrical cage. In order to avoid this false positive, the threshold for detecting 1 BRB may be set at twice the value measured previously on a “healthy” motor. In the case of 2 BRB this threshold is exceeded by much more.
Next, a set of experiments has been performed in order to prove the robustness of the method (Figure 17). This test emulates alteration of the rotor resistance due to heating (Ctemp > 1), when actual time constants τR (healthy motor) and τRD, τRQ (faulty motor) decrease below their initial value τR0. Model time constants differ by up to 20%, with respect to their correct value. The fault indicators are completely independent on the temperature difference between the model and actual machine.
Figure 17.
Influence of erroneous model time constants with or without additional oscillations—measurements at: (a) constant load Tl = 20 Nm (black), and LO3 Tl = 20 ± 3 Nm at 2 Hz (gray); (b) constant load Tl = 30 Nm (black), and LO4 Tl = 30 ± 3 Nm at 2 Hz (gray). Parameter mismatch has almost no effect on the fault indicator.
5. Conclusions
In this paper a method for detecting broken rotor bars in an induction motor has been presented. In order to fully understand the relationships between all electromagnetic quantities (including the non-measurable ones) in the case of a faulty rotor and various operational points, a dynamic model in the field reference frame, which is also suitable for control purposes, has been presented. It has been established that observing the difference of the rotor flux angle obtained from two different estimation models could serve as a reliable fault indicator that is robust to load oscillations and motor temperature change. On this theoretical basis a detection method has been developed. The method has been tested through simulations and experiments for different load shapes and different numbers of BRBs. The results show that the method distinguishes a healthy from a faulty rotor even in ambiguous cases, as it uses a fault indicator that is independent of the load shape and parameter changes.
The drawback of the presented method is that it requires measurements of three quantities: current, voltage, and rotor angle, as their combination uniquely characterizes a specific motor’s operational point and state of health. However, other sophisticated diagnostic methods also require additional measurements (on top of current measurement, present in basic MCSA) and yet may experience difficulties with an oscillating load. The proposed method shows good performance even under such operating conditions. Given the superior performance, the aforementioned additional measurement is justified.
Author Contributions
All the authors gave their contribution to all aspects of the manuscript. Specific contributions of individual authors are: conceptualization, V.A. and M.N.; methodology, M.N., V.A. and K.D.; simulations, K.D. and M.N.; experiments, M.N. and K.D.; validation, V.A., R.F. and D.N.; writing—original draft preparation, V.A. and M.N.; writing—review and editing, R.F., K.D., and D.N.; visualization, K.D., M.N., V.A. and R.F.; supervision, R.F., D.N.
Funding
This work was supported by the Slovenian Research Agency (research core funding No. P2-0258).
Conflicts of Interest
The authors declare no conflict of interest.
Appendix A
Table A1.
Induction motor data.
Table A1.
Induction motor data.
| Rated power (kW) | 3.0 | Rated current (A) | 13.0 | |
| Rated torque (Nm) | 30.0 | Rated voltage (V) | 236 | |
| Rated speed (min–1) | 1000 | Moment of inertia (kg·m2) | 0.019 | |
| Number of pole pairs | 3 | 0 BRB: τR0 = τR@75 °C (ms) | 79.8 | |
| Rated frequency (Hz) | 50 | τR0 = τR@25 °C (ms) | 97.1 | |
| Number rotor bars | 30 | 1 BRB: τRD (ms) | 77.6 | |
| Stator inductance (mH) | 48.9 | τRQ (ms) | 79.8 | |
| Mutual inductance (mH) | 45.0 | 2 BRB: τRD (ms) | 74.7 | |
| Stator resistance (Ω) | 0.65 | τRQ (ms) | 79.8 |
Table A2.
Loads with additional sinusoidal oscillations applied in simulations and experiments.
Table A2.
Loads with additional sinusoidal oscillations applied in simulations and experiments.
| Annotation | Constant Load (Nm) | Superimposed Oscillation (Nm) | Frequency of Oscillation (Hz) |
|---|---|---|---|
| LO1 | 30 | ±0.3 | 2.70 |
| LO2 | 30 | ±0.3 | 5.46 |
| LO3 | 20 | ±3.0 | 2.00 |
| LO4 | 30 | ±3.0 | 2.00 |
References
- Henao, H.; Capolino, G.; Fernandez-Cabanas, M.; Filippetti, F.; Bruzzese, C.; Strangas, E.; Pusca, R.; Estima, J.; Riera-Guasp, M.; Hedayati-Kia, S. Trends in Fault Diagnosis for Electrical Machines: A Review of Diagnostic Techniques. IEEE Ind. Electron. Mag. 2014, 8, 31–42. [Google Scholar] [CrossRef]
- Capolino, G.A.; Antonino-Daviu, J.A.; Riera-Guasp, M. Modern Diagnostics Techniques for Electrical Machines, Power Electronics, and Drives. IEEE Trans. Ind. Electron. 2015, 62, 1738–1745. [Google Scholar] [CrossRef]
- Bellini, A.; Filippetti, F.; Franceschini, F.; Sobczyk, T.J.; Tassoni, C. Diagnosis of Induction Machines by d-q and i.s.c. Rotor Models. In Proceedings of the 2005 IEEE 5th International Symposium on Diagnostics for Electrical Machines, Power Electronics and Drives (SDEMPED), Vienna, Austria, 7–9 September 2005; pp. 1–6. [Google Scholar]
- Nandi, S.; Toliyat, H.A.; Li, X. Condition monitoring and fault diagnosis of electrical motors—A review. IEEE Trans. Energy Convers. 2005, 20, 719–729. [Google Scholar] [CrossRef]
- Zhang, P.; Du, Y.; Habetler, T.G.; Lu, B. A Survey of Condition Monitoring and Protection Methods for Medium-Voltage Induction Motors. IEEE Trans. Ind. Appl. 2011, 47, 34–46. [Google Scholar] [CrossRef]
- Culbert, I.; Letal, J. Signature Analysis for Online Motor Diagnostics: Early Detection of Rotating Machine Problems Prior to Failure. IEEE Ind. Appl. Mag. 2017, 23, 76–81. [Google Scholar] [CrossRef]
- Merizalde, Y.; Hernández-Callejo, L.; Duque-Perez, O. State of the Art and Trends in the Monitoring, Detection and Diagnosis of Failures in Electric Induction Motors. Energies 2017, 10, 1056. [Google Scholar] [CrossRef]
- Bouzid, M.B.K.; Champenois, G.; Bellaaj, N.M.; Signac, L.; Jelassi, K. An Effective Neural Approach for the Automatic Location of Stator Interturn Faults in Induction Motor. IEEE Trans. Ind. Electron. 2008, 55, 4277–4289. [Google Scholar] [CrossRef]
- Gandhi, A.; Corrigan, T.; Parsa, L. Recent Advances in Modeling and Online Detection of Stator Interturn Faults in Electrical Motors. Ind. Electron. IEEE Trans. 2011, 58, 1564–1575. [Google Scholar] [CrossRef]
- Maraaba, L.; Al-Hamouz, Z.; Abido, M. An Efficient Stator Inter-Turn Fault Diagnosis Tool for Induction Motors. Energies 2018, 11, 653. [Google Scholar] [CrossRef]
- Gritli, Y.; Bellini, A.; Rossi, C.; Casadei, D.; Filippetti, F.; Capolino, G.A. Condition monitoring of mechanical faults in induction machines from electrical signatures: Review of different techniques. In Proceedings of the 2017 IEEE 11th International Symposium on Diagnostics for Electrical Machines, Power Electronics and Drives (SDEMPED), Tinos, Greece, 29 August–1 September 2017; pp. 77–84. [Google Scholar]
- Jung, J.; Park, Y.; Lee, S.B.; Cho, C.H.; Kim, K.; Wiedenbrug, E.J.; Teska, M. Monitoring Journal-Bearing Faults: Making Use of Motor Current Signature Analysis for Induction Motors. IEEE Ind. Appl. Mag. 2017, 23, 12–21. [Google Scholar] [CrossRef]
- Stack, J.R.; Habetler, T.G.; Harley, R.G. Fault classification and fault signature production for rolling element bearings in electric machines. IEEE Trans. Ind. Appl. 2004, 40, 735–739. [Google Scholar] [CrossRef]
- Yahia, K.; Sahraoui, M.; Cardoso, A.J.M.; Ghoggal, A. The Use of a Modified Prony’s Method to Detect the Airgap-Eccentricity Occurrence in Induction Motors. IEEE Trans. Ind. Appl. 2016, 52, 3869–3877. [Google Scholar] [CrossRef]
- Ojaghi, M.; Aghmasheh, R.; Sabouri, M. Model-based exact technique to identify type and degree of eccentricity faults in induction motors. IET Electr. Power Appl. 2016, 10, 706–713. [Google Scholar] [CrossRef]
- Pezzani, C.; Donolo, P.; Bossio, G.; Donolo, M.; Guzmán, A.; Zocholl, S.E. Detecting Broken Rotor Bars with Zero-Setting Protection. IEEE Trans. Ind. Appl. 2014, 50, 1373–1384. [Google Scholar] [CrossRef]
- Hou, Z.; Huang, J.; Liu, H.; Wang, T.; Zhao, L. Quantitative broken rotor bar fault detection for closed-loop controlled induction motors. IET Electr. Power Appl. 2016, 10, 403–410. [Google Scholar] [CrossRef]
- Trachi, Y.; Elbouchikhi, E.; Choqueuse, V.; Benbouzid, M.E.H.; Wang, T. A Novel Induction Machine Fault Detector Based on Hypothesis Testing. IEEE Trans. Ind. Appl. 2017, 53, 3039–3048. [Google Scholar] [CrossRef]
- Fernandez-Cavero, V.; Morinigo-Sotelo, D.; Duque-Perez, O.; Pons-Llinares, J. A Comparison of Techniques for Fault Detection in Inverter-Fed Induction Motors in Transient Regime. IEEE Access 2017, 5, 8048–8063. [Google Scholar] [CrossRef]
- Jerkan, D.G.; Reljić, D.D.; Marčetić, D.P. Broken Rotor Bar Fault Detection of IM Based on the Counter-Current Braking Method. IEEE Trans. Energy Convers. 2017, 32, 1356–1366. [Google Scholar] [CrossRef]
- Yang, T.; Pen, H.; Wang, Z.; Chang, C.S. Feature Knowledge Based Fault Detection of Induction Motors Through the Analysis of Stator Current Data. IEEE Trans. Instrum. Meas. 2016, 65, 549–558. [Google Scholar] [CrossRef]
- Elkasabgy, N.M.; Eastham, A.R.; Dawson, G.E. Detection of broken bars in the cage rotor on an induction machine. IEEE Trans. Ind. Appl. 1992, 28, 165–171. [Google Scholar] [CrossRef]
- Mirafzal, B.; Demerdash, N.A.O. On innovative methods of induction motor interturn and broken-bar fault diagnostics. IEEE Trans. Ind. Appl. 2006, 42, 405–414. [Google Scholar] [CrossRef]
- Lee, S.; Hong, J.; Lee, S.B.; Wiedenbrug, E.J.; Teska, M.; Kim, H. Evaluation of the Influence of Rotor Axial Air Ducts on Condition Monitoring of Induction Motors. IEEE Trans. Ind. Appl. 2013, 49, 2024–2033. [Google Scholar] [CrossRef]
- Yang, C.; Kang, T.J.; Hyun, D.; Lee, S.B.; Antonino-Daviu, J.A.; Pons-Llinares, J. Reliable Detection of Induction Motor Rotor Faults Under the Rotor Axial Air Duct Influence. IEEE Trans. Ind. Appl. 2014, 50, 2493–2502. [Google Scholar] [CrossRef]
- Park, Y.; Jeong, M.; Lee, S.B.; Antonino-Daviu, J.A.; Teska, M. Influence of Blade Pass Frequency Vibrations on MCSA-Based Rotor Fault Detection of Induction Motors. IEEE Trans. Ind. Appl. 2017, 53, 2049–2058. [Google Scholar] [CrossRef]
- Climente-Alarcon, V.; Antonino-Daviu, J.A.; Haavisto, A.; Arkkio, A. Diagnosis of Induction Motors Under Varying Speed Operation by Principal Slot Harmonic Tracking. IEEE Trans. Ind. Appl. 2015, 51, 3591–3599. [Google Scholar] [CrossRef]
- Faiz, J.; Ghorbanian, V.; Ebrahimi, B.M. EMD-Based Analysis of Industrial Induction Motors with Broken Rotor Bars for Identification of Operating Point at Different Supply Modes. IEEE Trans. Ind. Inform. 2014, 10, 957–966. [Google Scholar] [CrossRef]
- Drif, M.; Kim, H.; Kim, J.; Lee, S.B.; Cardoso, A.J.M. Active and Reactive Power Spectra-Based Detection and Separation of Rotor Faults and Low-Frequency Load Torque Oscillations. IEEE Trans. Ind. Appl. 2017, 53, 2702–2710. [Google Scholar] [CrossRef]
- Schoen, R.R.; Habetler, T.G. Evaluation and implementation of a system to eliminate arbitrary load effects in current-based monitoring of induction machines. IEEE Trans. Ind. Appl. 1997, 33, 1571–1577. [Google Scholar] [CrossRef]
- Wu, L.; Habetler, T.G.; Harley, R.G. A Reliable Rotor Eccentricity Detection Scheme for Induction Machines in the Presence of a Position Dependent Load Torque Oscillation. In Proceedings of the 2007 IEEE International Symposium on Diagnostics for Electric Machines, Power Electronics and Drives, Cracow, Poland, 6–8 September 2007; pp. 83–88. [Google Scholar]
- Bossio, G.R.; Angelo, C.H.D.; Bossio, J.M.; Pezzani, C.M.; Garcia, G.O. Separating Broken Rotor Bars and Load Oscillations on IM Fault Diagnosis Through the Instantaneous Active and Reactive Currents. IEEE Trans. Ind. Electron. 2009, 56, 4571–4580. [Google Scholar] [CrossRef]
- Angelo, C.H.D.; Bossio, G.R.; Garcia, G.O. Discriminating broken rotor bar from oscillating load effects using the instantaneous active and reactive powers. IET Electr. Power Appl. 2010, 4, 281–290. [Google Scholar] [CrossRef]
- Wu, L.; Habetler, T.G.; Harley, R.G. A Review of Separating Mechanical Load Effects from Rotor Faults Detection in Induction Motors. In Proceedings of the 2007 IEEE International Symposium on Diagnostics for Electric Machines, Power Electronics and Drives, Cracow, Poland, 6–8 September 2007; pp. 221–225. [Google Scholar]
- Sun, L.; Xu, B. An Improved Method for Discerning Broken Rotor Bar Fault and Load Oscillation in Induction Motors. Energies 2018, 11, 3130. [Google Scholar] [CrossRef]
- Goktas, T.; Arkan, M. Discerning broken rotor bar failure from low-frequency load torque oscillation in DTC induction motor drives. Trans. Inst. Meas. Control 2018, 40, 279–286. [Google Scholar] [CrossRef]
- Kral, C.; Kapeller, H.; Pirker, F.; Pascoli, G. Discrimination of Rotor Faults and Low Frequency Load Torque Modulations of Squirrel Cage Induction Machines by means of the Vienna Monitoring Method. In Proceedings of the IEEE 36th Conference on Power Electronics Specialists, Recife, Brazil, 16 June 2005; IEEE: Aachen, Germany, 2005; pp. 2861–2866. [Google Scholar]
- Kral, C.; Pirker, F.; Pascoli, G.; Kapeller, H. Robust Rotor Fault Detection by Means of the Vienna Monitoring Method and a Parameter Tracking Technique. IEEE Trans. Ind. Electron. 2008, 55, 4229–4237. [Google Scholar] [CrossRef]
- Luo, X.; Liao, Y.; Toliyat, H.A.; El-Antably, A.; Lipo, T.A. Multiple coupled circuit modeling of induction machines. IEEE Trans. Ind. Appl. 1995, 31, 311–318. [Google Scholar]
- Leonhard, W. Control of Electrical Drives; Springer: Berlin, Germany, 2001; ISBN 978-3-540-41820-7. [Google Scholar]
- Cruz, S.M.A.; Stefani, A.; Filippetti, F.; Cardoso, A.J.M. A New Model-Based Technique for the Diagnosis of Rotor Faults in RFOC Induction Motor Drives. IEEE Trans. Ind. Electron. 2008, 55, 4218–4228. [Google Scholar] [CrossRef]
- Nemec, M.; Drobnič, K.; Fišer, R.; Ambrožič, V. Simplified model of induction machine with broken rotor bars. In Proceedings of the 2016 IEEE International Power Electronics and Motion Control Conference (PEMC), Varna, Bulgaria, 25–28 September 2016; pp. 1085–1090. [Google Scholar]
- Makuc, D.; Drobnič, K.; Ambrožič, V.; Miljavec, D.; Fišer, R.; Nemec, M. Parameters estimation of induction motor with faulty rotor. Przegląd Elektrotechniczny 2012, 88, 41–46. [Google Scholar]
- Vas, P. Sensorless Vector and Direct Torque Control; Oxford University Press: New York, NY, USA, 1998; ISBN 0-19-856465-1. [Google Scholar]
- Hinkkanen, M.; Luomi, J. Modified integrator for voltage model flux estimation of induction motors. IEEE Trans. Ind. Electron. 2003, 50, 818–820. [Google Scholar] [CrossRef]
- Secrest, C.W.; Pointer, J.S.; Buehner, M.R.; Lorenz, R.D. Improving Position Sensor Accuracy through Spatial Harmonic Decoupling, and Sensor Scaling, Offset, and Orthogonality Correction Using Self-Commissioning MRAS Methods. IEEE Trans. Ind. Appl. 2015, 51, 4492–4504. [Google Scholar] [CrossRef]
© 2019 by the authors. Licensee MDPI, Basel, Switzerland. This article is an open access article distributed under the terms and conditions of the Creative Commons Attribution (CC BY) license (http://creativecommons.org/licenses/by/4.0/).


















