A Diode-MMC AC/DC Hub for Connecting Offshore Wind Farm and Offshore Production Platform
Abstract
:1. Introduction
- The proposal of a new DR-MMC Hub which enables part of the power from the DR to be transmitted to the onshore DC network directly, and thus reduces the size of the MMC and lowers the cost and power loss of the overall converter system when compared with the conventional approach using parallel DR and MMC.
- Based on the operation requirement of the offshore production platform, comprehensive operating conditions of the proposed DR-MMC Hub are investigated, considering the different control modes (power control or DC voltage control).
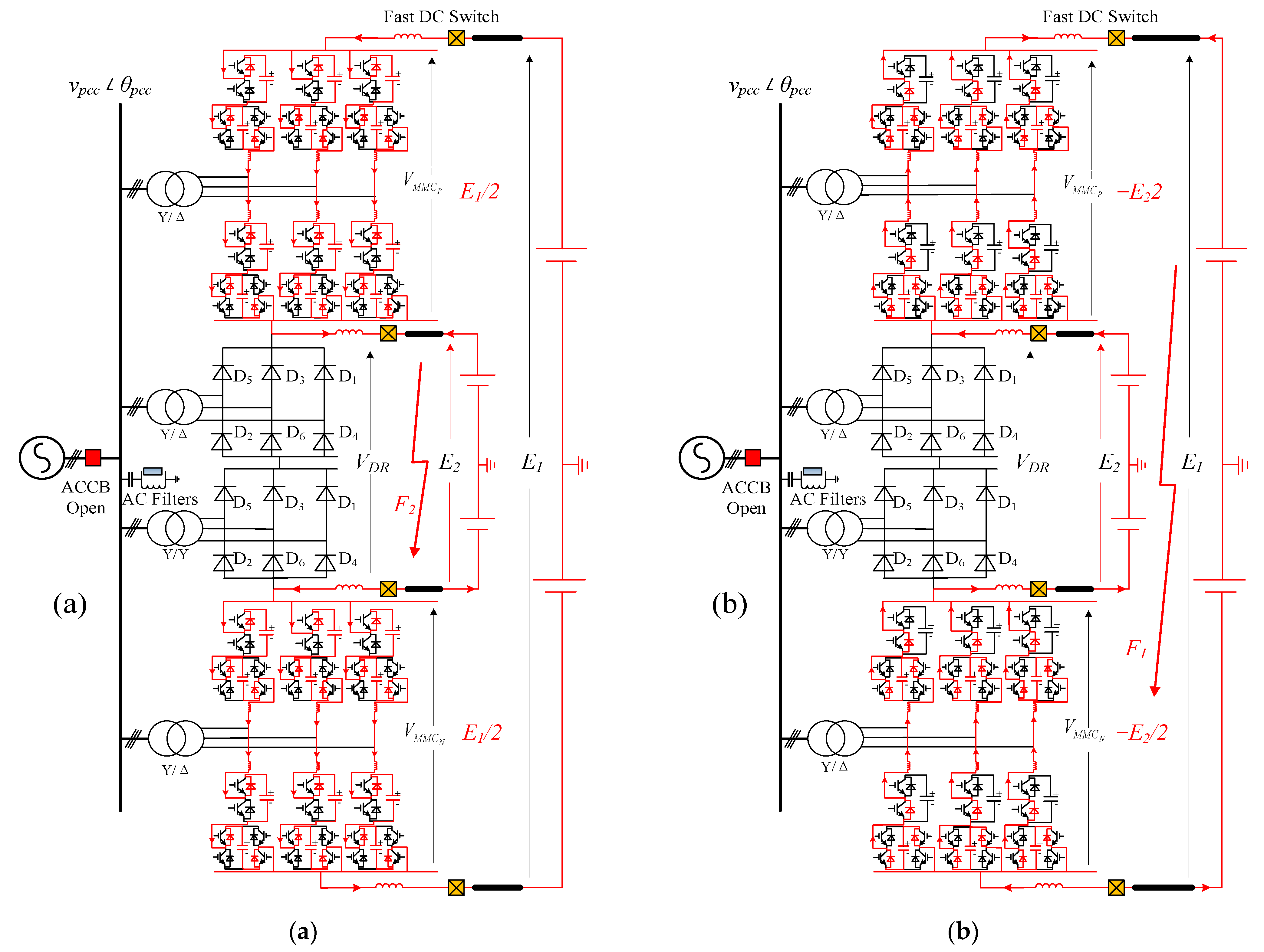
- Detailed fault ride-through of the DR-MMC Hub and system design are analyzed. For AC faults, the hub can ride through them without adopting any specific protection schemes. For DC faults on either DC network, the hub can isolate them by introducing a hybrid MMC configuration.
2. Topology and Efficiency Analysis
2.1. Envisaged Operation Scenario
2.2. DR-MMC Hub Configuration
3. System Control Principle
4. Fault Ride-Through and Power Loss Estimation
4.1. AC Fault Ride-Through
4.2. DC Fault Ride-Through
4.3. Valve Power Losses Estimation
5. Simulation Verifications
5.1. Operation in Vdc-Vac Control Mode
5.2. Operation in P-Vac Control Mode
5.3. AC Fault Ride-Through
5.4. DC Fault Ride-Through
6. Conclusions
Author Contributions
Funding
Institutional Review Board Statement
Informed Consent Statement
Data Availability Statement
Conflicts of Interest
References
- Wind Energy in Europe in 2019. Available online: https://windeurope.org/about-wind/statistics/european/wind-energy-in-europe-in-2019 (accessed on 14 June 2020).
- He, W. Case study of integrating an offshore wind farm with offshore oil and gas platforms and with an onshore elec-trical grid. J. Renew. Energy 2013, 2013, 1–10. [Google Scholar] [CrossRef] [Green Version]
- Hydrogen Production Takes System to New Levels. Available online: https://tractebel-engie.com/en/news/2019/400-mw-offshore-hydrogen-production-takes-system-to-new-levels (accessed on 14 June 2020).
- Bring North Sea Energy Ashore Efficiently; World Energy Council (WEC): Tilburg, The Netherlands, 2017; Available online: https://www.worldenergycouncil.nl (accessed on 14 June 2020).
- Delivery of an Offshore Hydrogen Supply Programme via Industrial Trials at the Flotta Terminal-Phase 1 Project Report the Oil&Gas Technology Centre. Available online: https://bit.ly/347wvDq (accessed on 14 June 2020).
- Li, R.; Yu, L.; Xu, L.; Adam, G.P. Coordinated Control of Parallel DR-HVDC and MMC-HVDC Systems for Offshore Wind Energy Transmission. IEEE J. Emerg. Sel. Top. Power Electron. 2020, 8, 2572–2582. [Google Scholar] [CrossRef]
- Blasco-Gimenez, R.; Ano-Villalba, S.; Rodriguez-D’Derlee, J.; Bernal-Perez, S.; Morant, F. Diode-Based HVdc Link for the Connection of Large Offshore Wind Farms. IEEE Trans. Energy Convers. 2011, 26, 615–626. [Google Scholar] [CrossRef]
- Bernal-Perez, S.; Ano-Villalba, S.; Blasco-Gimenez, R. Efficiency and Fault Ride-Through Performance of a Di-ode-Rectifier- and VSC-Inverter-Based HVDC Link for Offshore Wind Farms. IEEE Trans. Ind. Electron. 2013, 60, 2401–2409. [Google Scholar] [CrossRef]
- Yu, L.; Li, R.; Xu, L. Distributed PLL-Based Control of Offshore Wind Turbines Connected with Diode-Rectifier-Based HVDC Systems. IEEE Trans. Power Deliv. 2017, 33, 1328–1336. [Google Scholar] [CrossRef] [Green Version]
- Zeng, R.; Xu, L.; Yao, L.; Finney, S.J. Analysis and Control of Modular Multilevel Converters under Asymmetric Arm Im-pedance Conditions. IEEE Trans. Ind. Electron. 2016, 63, 71–81. [Google Scholar] [CrossRef] [Green Version]
- Lin, W.; Wen, J.; Yao, M.; Wang, S.; Cheng, S.; Li, N. Series VSC-LCC converter with self-commutating and dc fault blocking capabilities. In Proceedings of the 2014 IEEE PES General Meeting|Conference & Exposition, National Harbor, MD, USA, 27–31 July 2014; Institute of Electrical and Electronics Engineers (IEEE): National Harbor, MD, USA, 2014; pp. 1–5. [Google Scholar]
- Nguyen, T.H.; Lee, D.-C.; Kim, C.-K. A Series-Connected Topology of a Diode Rectifier and a Voltage-Source Converter for an HVDC Transmission System. IEEE Trans. Power Electron. 2013, 29, 1579–1584. [Google Scholar] [CrossRef]
- Lin, W. DC–DC Autotransformer with Bidirectional DC Fault Isolating Capability. IEEE Trans. Power Electron. 2015, 31, 5400–5410. [Google Scholar] [CrossRef]
- Huang, K.; Xiang, W.; Xu, L.; Wang, Y. Hybrid AC/DC hub for integrating onshore wind power and interconnecting onshore and offshore DC networks. IET Renew. Power Gener. 2020, 14, 1738–1745. [Google Scholar] [CrossRef]
- Shi, L.; Adam, G.P.; Li, R.; Xu, L. Control of Offshore MMC During Asymmetric Offshore AC Faults for Wind Power Trans-mission. IEEE J. Emerg. Sel. Top. Power Electron. 2020, 8, 1074–1083. [Google Scholar] [CrossRef] [Green Version]
- Yu, L.; Li, R.; Xu, L. Hierarchical control of offshore wind farm connected by parallel diode-rectifier-based HVDC and HVAC links. IET Renew. Power Gener. 2019, 13, 1493–1502. [Google Scholar] [CrossRef] [Green Version]
- Wang, S.; Adam, G.P.; Massoud, A.M.; Holliday, D.; Williams, B.W. Analysis and Assessment of Modular Multilevel Con-verter Internal Control Schemes. IEEE J. Emerg. Sel. Top. Power Electron. 2020, 8, 697–719. [Google Scholar] [CrossRef] [Green Version]
- Park, C.-H.; Seo, I.-K.; Negesse, B.B.; Yoon, J.-S.; Kim, J.-M. A Study on Common Mode Voltage Reduction Strategies Ac-cording to Modulation Methods in Modular Multilevel Converter. Energies 2021, 14, 1607. [Google Scholar] [CrossRef]
- Hossain, M.J.; Pota, H.; Ugrinovskii, V.A.; Ramos, R. Simultaneous STATCOM and Pitch Angle Control for Improved LVRT Capability of Fixed-Speed Wind Turbines. IEEE Trans. Sustain. Energy 2010, 1, 142–151. [Google Scholar] [CrossRef] [Green Version]
- Zhou, Y.; Jiang, D.; Guo, J.; Hu, P.; Liang, Y. Analysis and Control of Modular Multilevel Converters under Unbalanced Conditions. IEEE Trans. Power Deliv. 2013, 28, 1986–1995. [Google Scholar] [CrossRef]
- Bell, K.R.W.; Xu, L.; Houghton, T. Considerations in design of an offshore network. In Cigré Paris Session; Paper C1-206: Paris, France, 2014. [Google Scholar]
- Ni, B.; Xiang, W.; Zhou, M.; Zuo, W.; Yao, W.; Lin, W.; Wen, J. An Adaptive Fault Current Limiting Control for MMC and Its Application in DC Grid. IEEE Trans. Power Deliv. 2021, 36, 920–931. [Google Scholar] [CrossRef]
- Zeng, R.; Xu, L.; Yao, L.; Williams, B.W. Design and Operation of a Hybrid Modular Multilevel Converter IEEE Trans. Power Electron. 2015, 30, 1137–1146. [Google Scholar] [CrossRef] [Green Version]
- Peralta, J.; Saad, H.; Dennetiere, S.; Mahseredjian, J.; Nguefeu, S. Detailed and Averaged Models for a 401-Level MMC–HVDC System IEEE Trans. Power Del. 2012, 27, 1501–1508. [Google Scholar] [CrossRef]









| Configuration | Parallel System | DR-MMC Hub | 
|---|---|---|
| DR power rating | 400 MW | 525 MW | 
| MMC power rating | 400 MW | 275 MW | 
| FBSM ratio | 0% | 23% | 
| Valve power loss | 0.355% | 0.318% | 
| DC fault blocking | No | Yes | 
| Parameters | Nominal Value | |
|---|---|---|
| MMCP & MMCN | Power rating | 137.5 MW | 
| Rated DC voltage | ±220 kV | |
| SM capacitor voltage | 1.83 kV | |
| SM capacitance | 7.5 mF | |
| Arm inductance | 0.0241 H | |
| SM number per arm | 125 | |
| FBSM number per arm | 35 | |
| Interfacing transformer voltage ratio | 66 kV/110 kV | |
| DC smoothing reactance | 0.1 H | |
| 12-pulse DR bridge | Power rating | 525 MW | 
| Rated DC voltage | ±100 kV | |
| Reactive power compensation | 0.4 p.u. | |
| Interfacing transformer voltage ratio | 66 kV/87.3 kV/87.3 kV | |
| DC smoothing reactance | 0.1 H | |
| Wind farm aggregated model | Power rating | 800 MW | 
| Interfacing transformer voltage ratio | 0.69 kV/66 kV | |
| AC cable length | 10 km | |
| Publisher’s Note: MDPI stays neutral with regard to jurisdictional claims in published maps and institutional affiliations. | 
© 2021 by the authors. Licensee MDPI, Basel, Switzerland. This article is an open access article distributed under the terms and conditions of the Creative Commons Attribution (CC BY) license (https://creativecommons.org/licenses/by/4.0/).
Share and Cite
Huang, K.; Xu, L.; Liu, G. A Diode-MMC AC/DC Hub for Connecting Offshore Wind Farm and Offshore Production Platform. Energies 2021, 14, 3759. https://doi.org/10.3390/en14133759
Huang K, Xu L, Liu G. A Diode-MMC AC/DC Hub for Connecting Offshore Wind Farm and Offshore Production Platform. Energies. 2021; 14(13):3759. https://doi.org/10.3390/en14133759
Chicago/Turabian StyleHuang, Kai, Lie Xu, and Guangchen Liu. 2021. "A Diode-MMC AC/DC Hub for Connecting Offshore Wind Farm and Offshore Production Platform" Energies 14, no. 13: 3759. https://doi.org/10.3390/en14133759
APA StyleHuang, K., Xu, L., & Liu, G. (2021). A Diode-MMC AC/DC Hub for Connecting Offshore Wind Farm and Offshore Production Platform. Energies, 14(13), 3759. https://doi.org/10.3390/en14133759
 
         
                                                

 
       