Development of Four-Channel Buck-Type LED Driver with Automatic Current Sharing
Abstract
:1. Introduction
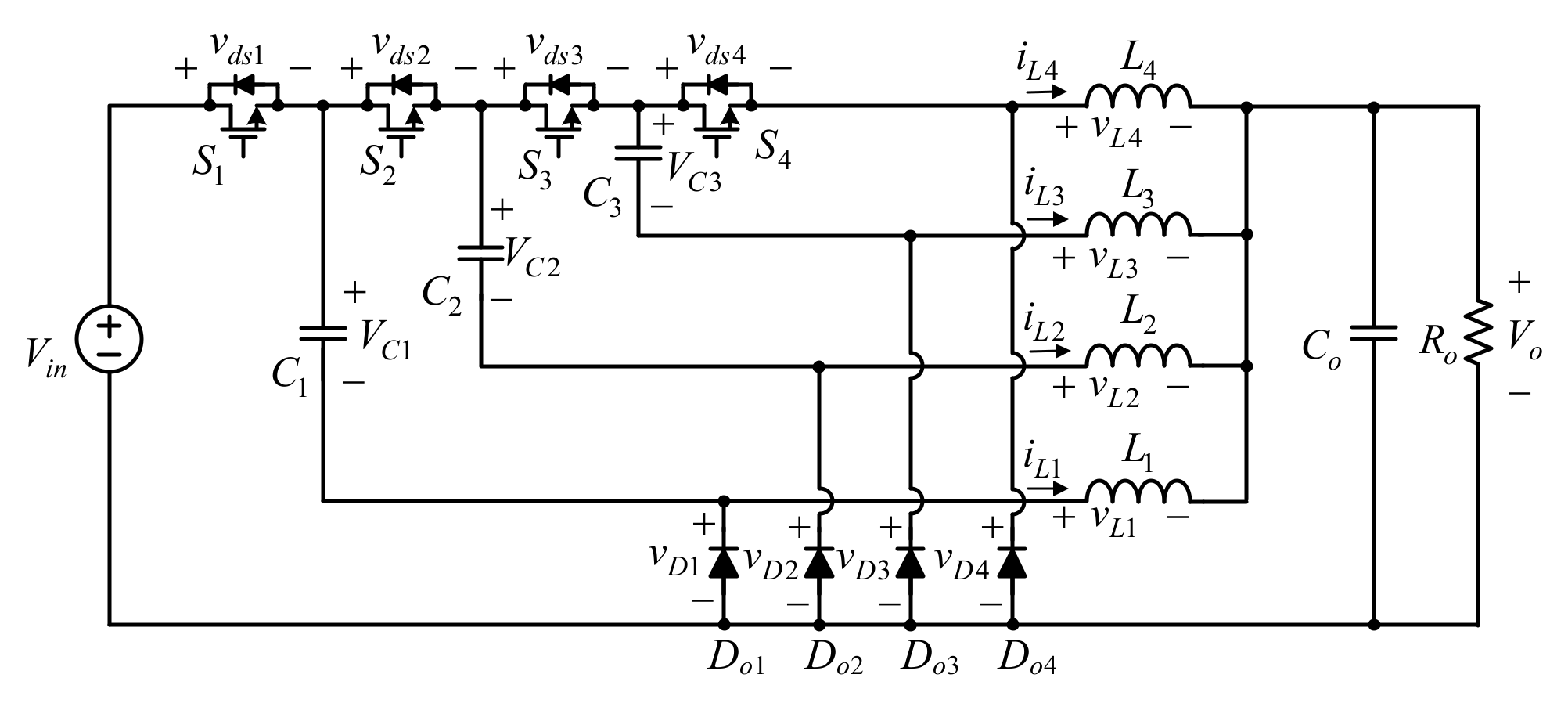
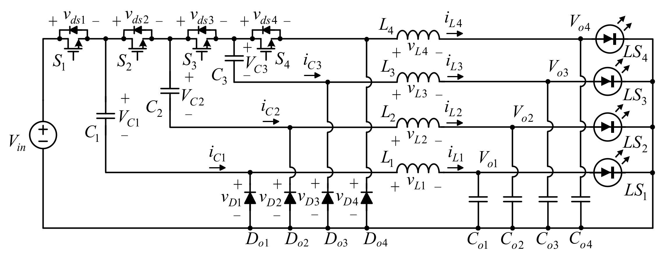
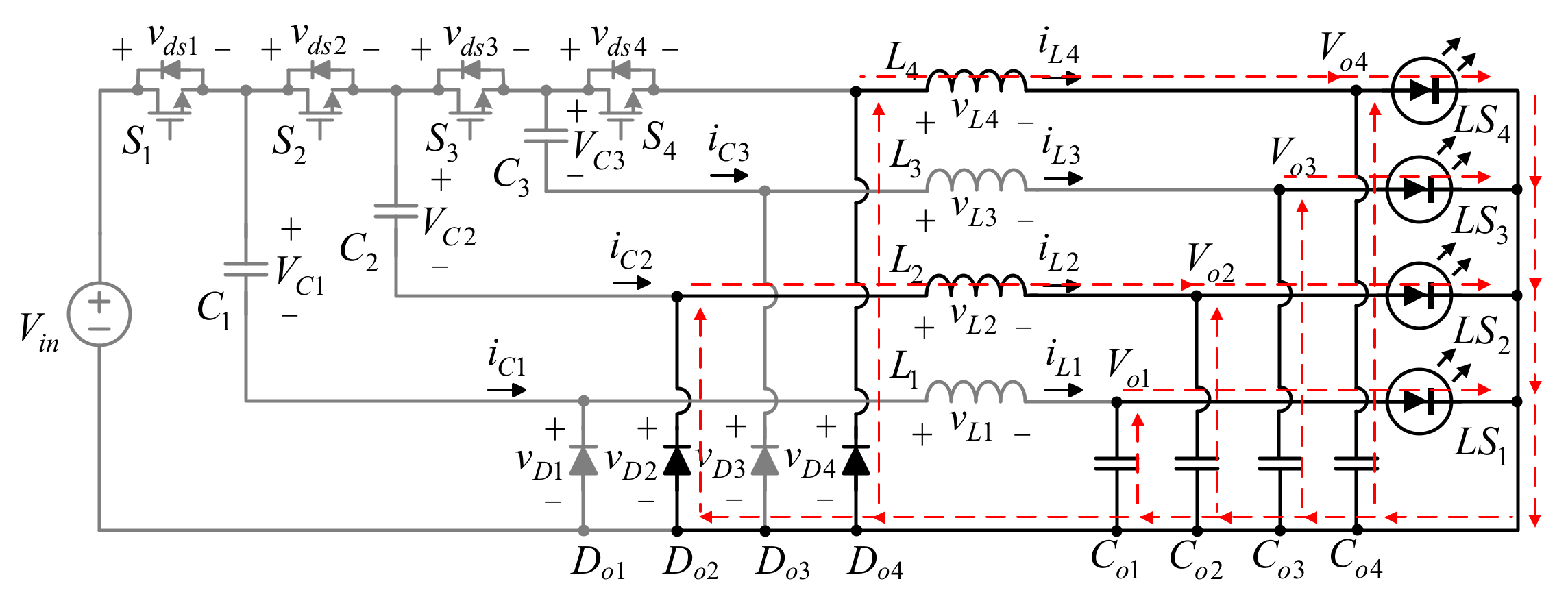
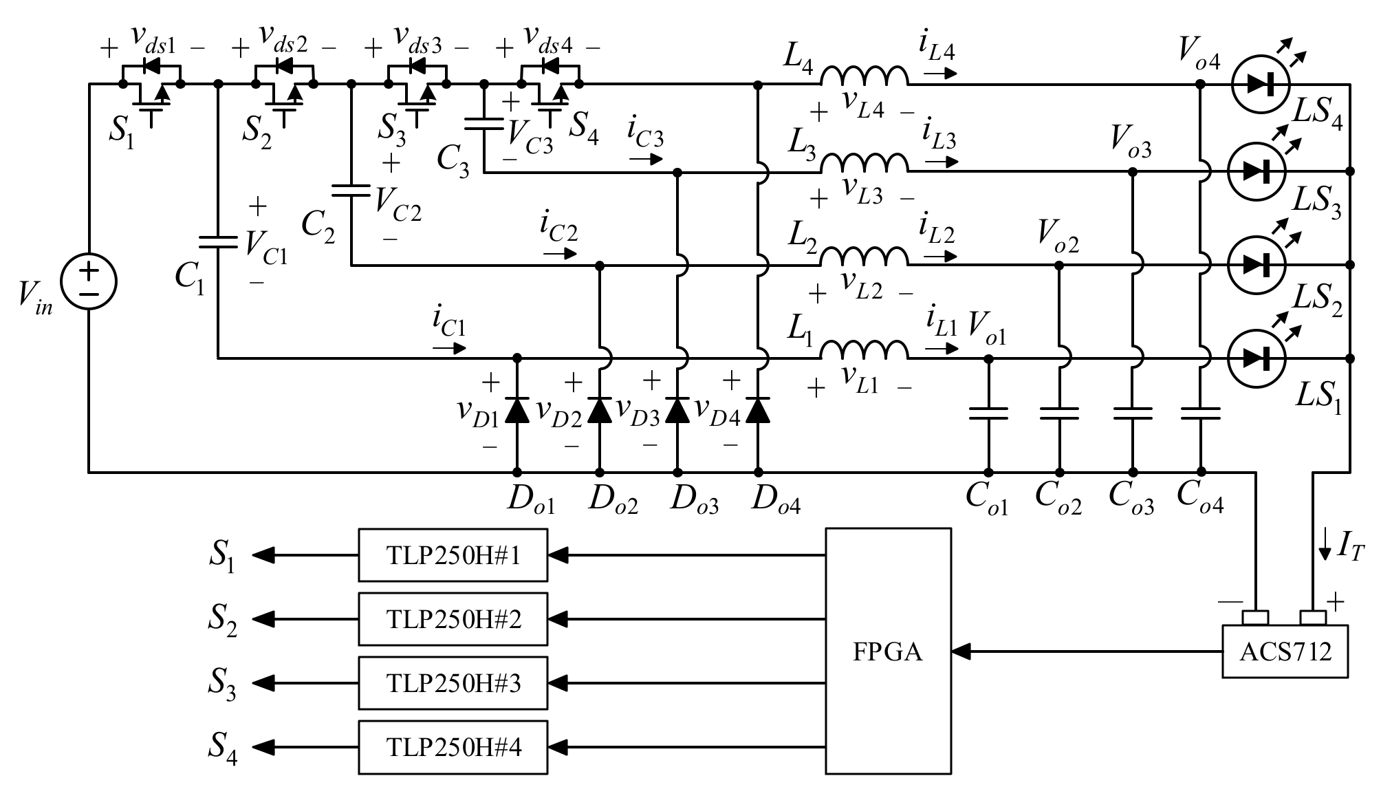
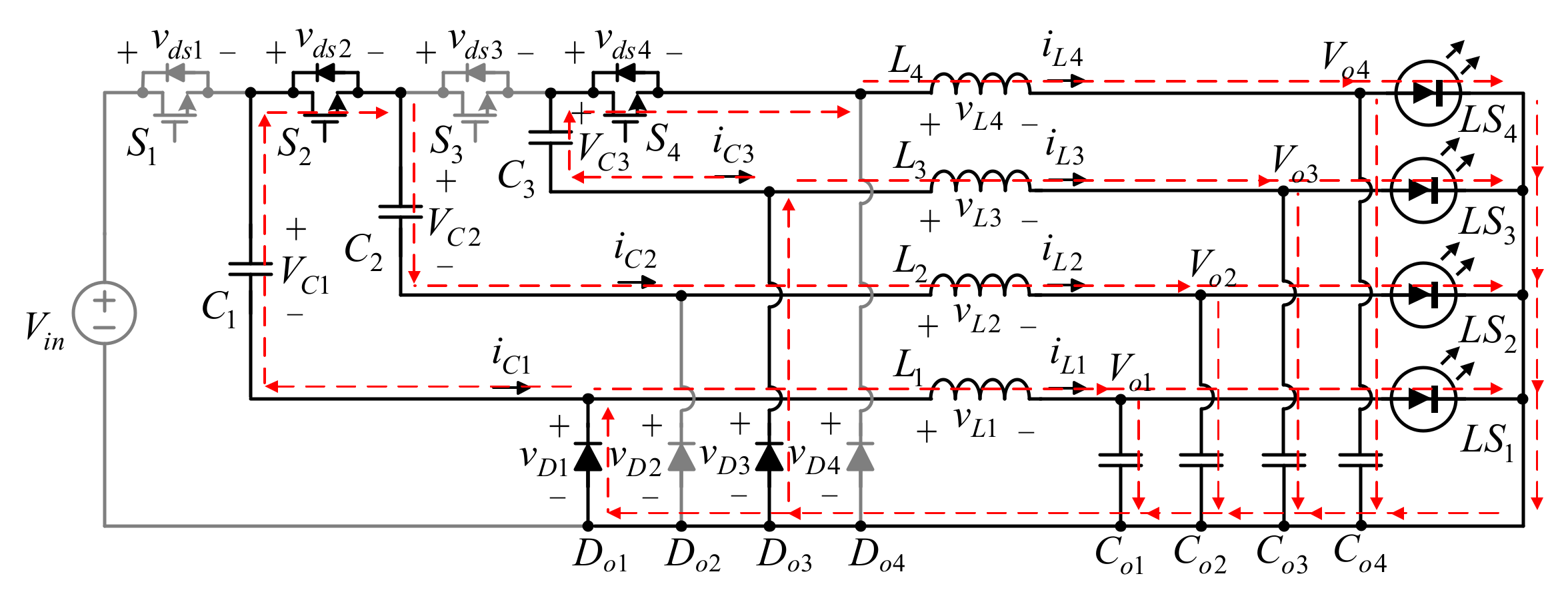
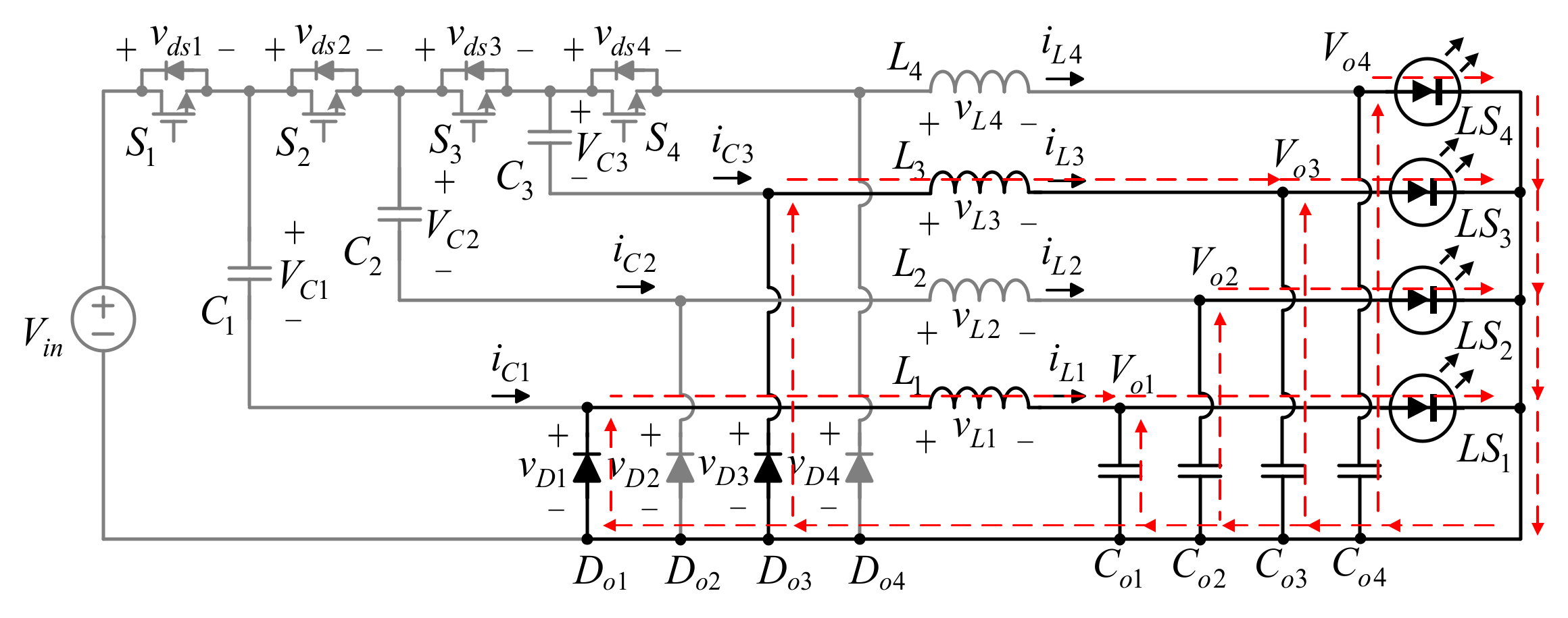
2. Proposed LED Driver
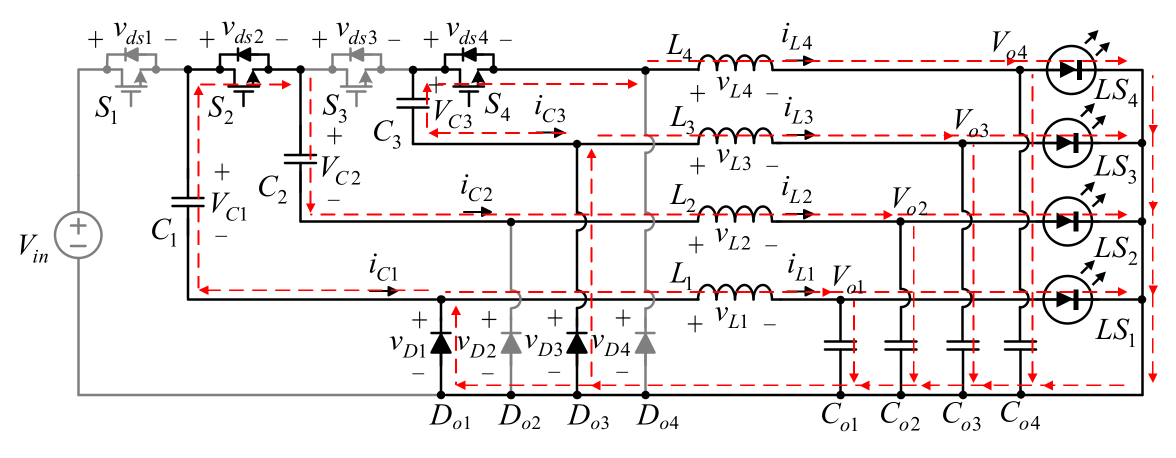
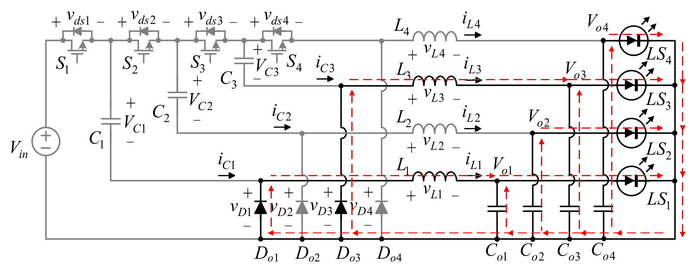
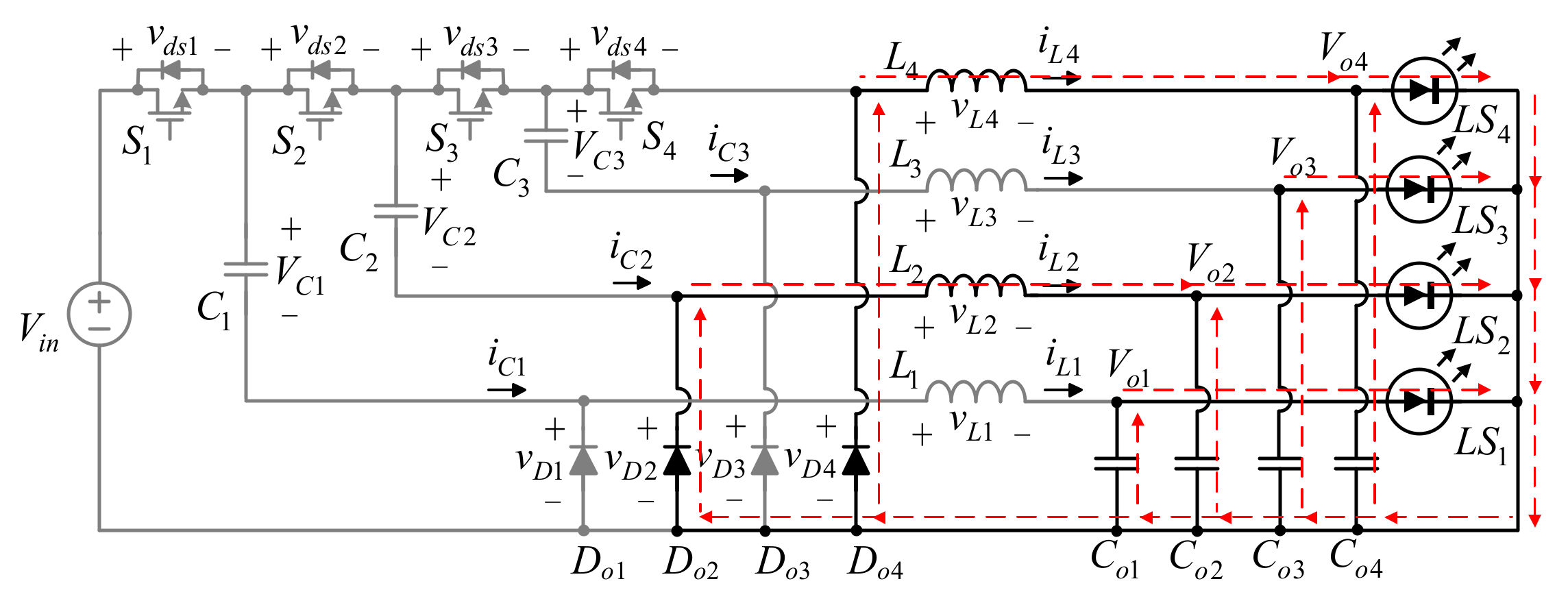
2.1. Converter Operating in CCM
2.2. Voltage Conversion Ratio M in CCM and Voltages on C1, C2 and C3
2.3. Converter Operating in Discontinuous Conduction Mode (DCM)
2.4. Voltage Conversion Ratio M in DCM and Voltages on C1, C2 and C3
2.5. Boundary Condition for Inductor L1
2.6. Boundary Condition for Inductors L2, L3 and L4
2.7. Analysis of Automatic Current Sharing Principle
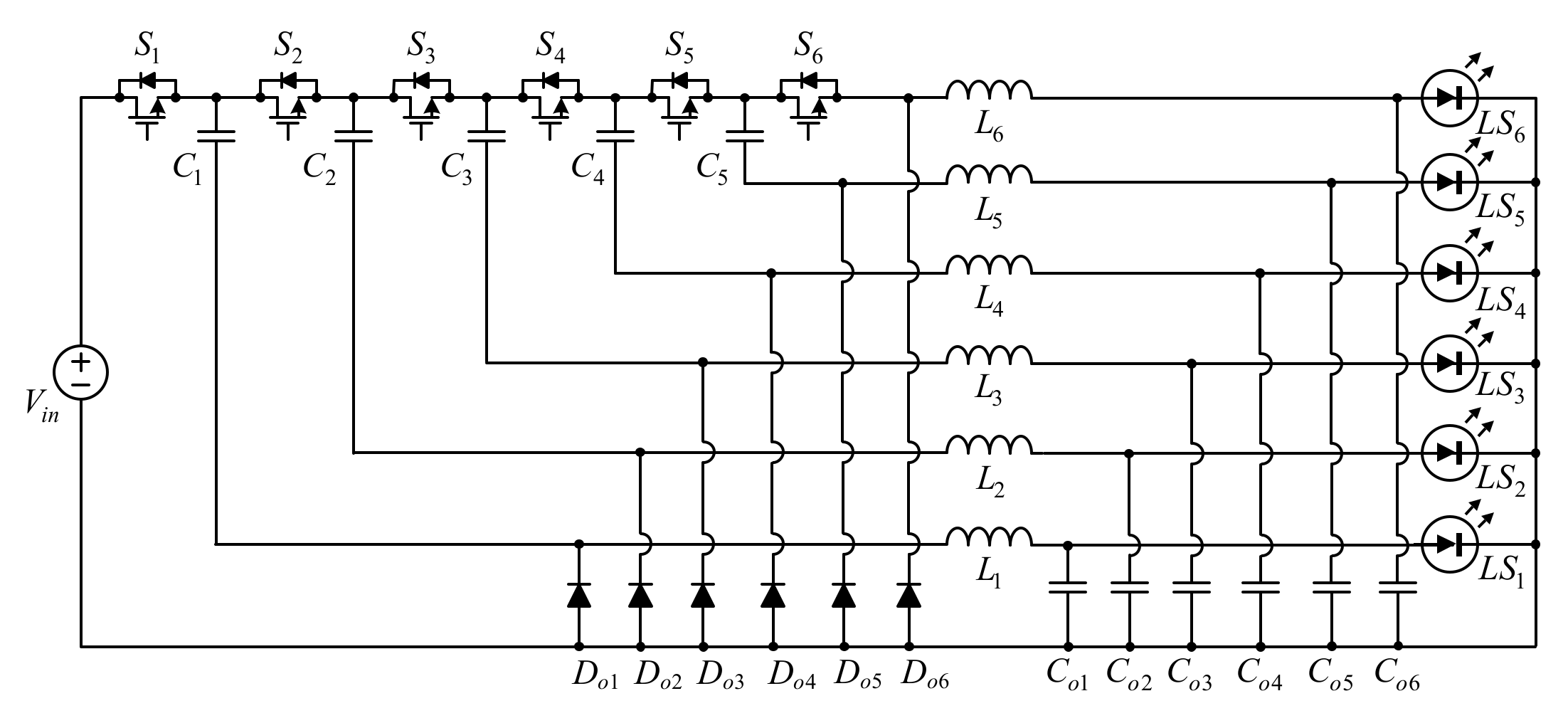
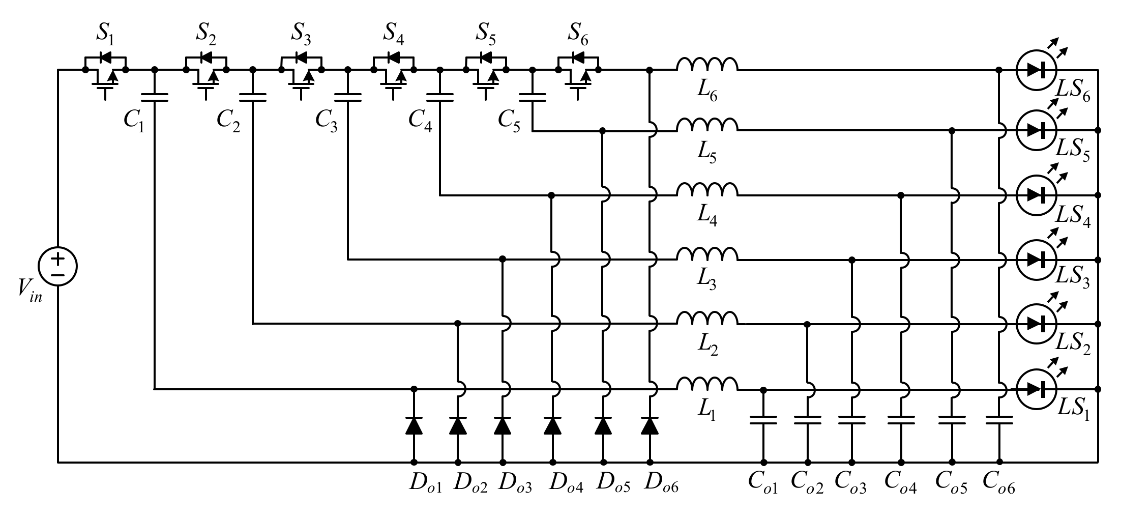
2.8. Structure Extension
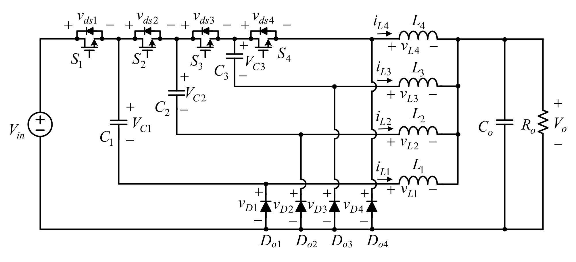
3. Design Considerations
3.1. Design of Inductors L1, L2, L3 and L4
3.2. Design of Energy-Transferring Capacitors C1, C2 and C3
3.3. Design of Output Capacitors Co1, Co2 and Co3
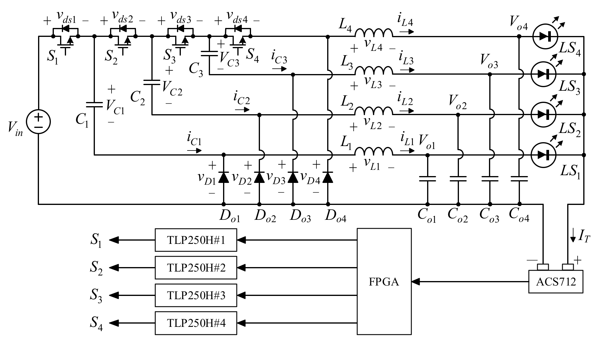
4. Experimental Results
4.1. Measured Waveforms
4.2. LED Current Error Percentage
4.3. Discussion on Unequal Numbers of LEDs for Four Outputs
4.4. Efficiency Measurement
4.5. Comparison
4.6. Loss Breakdown Analysis
4.6.1. Loss of Switches S1, S2, S3, S4
4.6.2. Loss of Diodes D1, D2, D3, D4
4.6.3. Loss of Inductances L1, L2, L3 and L4
Copper Loss
Iron Loss
4.6.4. Loss of Capacitors C1, C2, C3 and Co
5. Conclusions
- (1)
- This LED driver inherently possesses automatic current sharing and high step-down voltage gain.
- (2)
- This circuit is of SIMO and structure extension, and under automatic current sharing, the number of LED strings for each output can be different.
- (3)
- As compared with the traditional four-phase interleaved buck converter under automatic current sharing, the maximum duty cycle of the proposed circuit is relatively large and not changed for structure extension whereas the maximum duty cycle of the traditional circuit will be reduced as the number of outputs is increased.
- (4)
- As compared with automatic current sharing by using the differential-mode transformer, the proposed circuit has no magnetic resetting loop required.
- (5)
- The efficiency is above 85% over all the load current and the maximum efficiency is about 90.8%.
Author Contributions
Funding
Institutional Review Board Statement
Informed Consent Statement
Data Availability Statement
Conflicts of Interest
References
- Yu, W.; Lai, J.S.; Ma, H.; Zheng, C. High-efficiency DC-DC converter with twin bus for dimmable LED lighting. IEEE Trans. Power Electron. 2011, 26, 2095–2100. [Google Scholar] [CrossRef]
- Jiang, W.-Z.; Hwu, K.-I.; Shieh, J.-J. LLC LED driver with current-sharing capacitor having low voltage stress. Energies. 2021, 14, 112. [Google Scholar] [CrossRef]
- Zhang, Y.; Rong, G.; Qu, S.; Song, Q.; Tang, X.; Zhang, Y. A high-power LED driver based on single inductor-multiple output DC-DC converter with high dimming frequency and wide dimming range. IEEE Trans. Power Electron. 2020, 35, 8501–8511. [Google Scholar] [CrossRef]
- Sun, J.; Tang, X.; Xing, Y.; Chen, B.; Wu, H.; Sun, K. Current sharing control of interleaved LLC resonant converter with hybrid rectifier. In Proceedings of the Applied Power Electronics Conference and Exposition, Anaheim, CA, USA, 17–21 March 2019; pp. 2223–2227. [Google Scholar]
- Mazelan, F.-N.; Kannan, R.; Hasan, K.N.-M.; Ali, A. Multi-input power converter for renewable energy sources using active current sharing schemes. In Proceedings of the IEEE Student Conference on Research and Development, Bandar Seri Iskandar, Malaysia, 15–17 October 2019; pp. 275–279. [Google Scholar]
- Yau, Y.T.; Hwu, K.I.; Shieh, J.J. Minimization of output voltage ripple of two-phase interleaved buck converter with active clamp. Energies 2021, 14, 5215. [Google Scholar] [CrossRef]
- Martins, M.; Perdigao, M.S.; Mendes, A.M.S.; Pinto, R.A.; Alonso, J.M. Analysis, design, and experimentation of a dimmable resonant-switched-capacitor LED driver with variable inductor control. IEEE Trans. Power Electron. 2017, 32, 3051–3062. [Google Scholar] [CrossRef]
- Hwu, K.-I.; Tu, W.-C.; Hong, M.-J. A dimmable LED driver based on current balancing transformer with magnetizing energy recycling considered. IEEE J. Disp. Technol. 2014, 10, 388–395. [Google Scholar] [CrossRef]
- Lin, Y.L.; Chiu, H.J.; Lo, Y.K.; Leng, C.M. Light-emitting diode driver with a combined energy transfer inductor for current balancing control. IET Power Electron. 2015, 8, 1834–1843. [Google Scholar] [CrossRef]
- Jiang, W.-Z.; Hwu, K.-I.; Chen, H.-H. Applying hybric passive current-sharing components to non-isolated LED driver. In Proceedings of the International Symposium on Computer, Consumer and Control, Taichung City, Taiwan, 13–16 November 2020; pp. 259–262. [Google Scholar]
- Hwu, K.-I.; Jiang, W.-Z. Expendable two-channel LED driver with galvanic isolation and automatic current balance. IET Power Electron. 2018, 11, 825–833. [Google Scholar] [CrossRef]
- Hwu, K.-I.; Jiang, W.-Z. Single-switch coupled-inductor-based two-channel LED driver with a passive regenerative snubber. IEEE Trans. Power Electron. 2017, 32, 4482–4490. [Google Scholar] [CrossRef]
- Liu, X.; Zhou, Q.; Xu, J.; Lei, Y.; Wang, P.; Zhu, Y. High-efficiency resonant LED backlight driver with passive current balancing and dimming. IEEE Trans. Ind. Electron. 2018, 65, 5476–5486. [Google Scholar] [CrossRef]
- Zhang, X.; Cai, H.; Guan, Y.; Han, S.; Wang, Y.; Dalla Costa, M.A.; Alonso, J.M.; Xu, D. A soft-switching transformer-less step-down converter based on resonant current balance module. IEEE Trans. Power Electron. 2021, 36, 8206–8218. [Google Scholar] [CrossRef]
- Gucin, T.N.; Fincan, B.; Biberoglu, M. A series resonant converter-based multichannel LED inherent current balancing and dimming capability. IEEE Trans. Ind. Electron. 2019, 34, 2693–2703. [Google Scholar] [CrossRef]
- Chuang, C.F.; Pan, C.T.; Cheng, H.C. A novel transformer-less interleaved four-phase step-down DC converter with low switch voltage stress and automatic uniform current-sharing characteristics. IEEE Trans. Power Electron. 2016, 31, 406–441. [Google Scholar] [CrossRef]
- Hwu, K.-I.; Jiang, W.-Z.; Wu, P.-Y. An expandable four-phase interleaved high step-down converter with low switch voltage stress and automatic uniform current sharing. IEEE Trans. Ind. Electron. 2016, 63, 6064–6072. [Google Scholar] [CrossRef]
- Hwu, K.-I.; Yau, Y.-T. Performance enhancement of boost converter based on PID controller plus linear-to-nonlinear translator. IEEE Trans. Power Electron. 2010, 25, 1351–1361. [Google Scholar] [CrossRef]




































| Parameter Name | Value |
|---|---|
| System operation mode | Rated loaded: CCM Half load: CCM Light load: DCM |
| Rated input voltage (Vin) | 400 V |
| Rated output voltage (Vo) | 27.6 V (=3.45 × 8) |
| Rated output current (Io,arted) | 1.4 A (=0.35 A × 4) |
| Rated output power (Po,rated) | 38.64 W |
| Minimum output current under CCM (Io,min,CCM)/power (Po,min,CCM) | 0.175 A/17.36 W |
| Minimum output current under DCM (Io,min,DCM)/power (Po,min,DCM) | 0.0875 A/8.12 W |
| Switching frequency (fs)/period (Ts) | 100 kHz/10 μs |
| Parameter Name | Value |
|---|---|
| Forward voltage (VF) | 2.95 V~3.85 V with a typical value of 3.45 V |
| DC operating current (IF,max) | 400 mA |
| Pulsed forward current | 500 mA |
| Junction temperature | 125 °C |
| Operating temperature | −40 °C~ +85 °C |
| Typical light flux output | 100 lm @ 350 mA |
| Component | Product Name |
|---|---|
| S1, S2, S3, S4 | SPA07N60C3 |
| D1, D2, D3, D4 | DSEP8-02A |
| C1, C2, C3 | 47 μF/400 V LTEC electrolytic capacitor |
| Co1, Co2, Co3, Co4 | 220 μF/50 V electrolytic capacitor |
| L1, L2, L3, L4 | Core: PQ20/16 L1 = 603.5 μH, L2 = 601.7 μH, L3 = 598.2 μH, L4 = 599.1 μH |
| Gate driver | TLP250H |
| Current sensor | ACS712 |
| LED | EHP-AX08EL/GT01H-P01/5670/Y/K42 |
| Device | Logic Elements | Total RAM Bits | 18 × 18 Multipliers | PLLs | User I/O Pins |
|---|---|---|---|---|---|
| EP3C5E144C8N | 5136 | 423,936 | 23 | 2 | 94 |
| Load Percentage | LS1 | LS2 | LS3 | LS4 | |
|---|---|---|---|---|---|
| 100% | Ion (mA) | 348 | 349 | 351 | 350 |
| en (%) | 0.43 | 0.14 | −0.43 | −0.14 | |
| 75% | Ion (mA) | 259 | 257 | 260 | 261 |
| en (%) | 0.096 | 0.87 | −0.29 | −0.67 | |
| 50% | Ion (mA) | 173 | 176 | 173 | 177 |
| en (%) | 1.00 | −0.72 | 1.00 | −1.29 | |
| 25% | Ion (mA) | 86.1 | 88.0 | 85.6 | 90.2 |
| en (%) | 1.57 | −0.6 | 2.14 | −3.12 |
| Iterm | [11] | [12] | [13] | [14] | [15] | Proposed |
|---|---|---|---|---|---|---|
| Converter type | Step-up | Step-up | Step-up | Step-down | Step-down | Step-down |
| Output count | 2 | 2 | 3 | 2 | 6 | 4 |
| Component count | 1 2 4 1 | 1 3 4 1 | 1 3 5 2 | 4 2 5 1 | 2 6 11 3 | 4 4 7 4 |
| Structure extension | Yes | No | Yes | Yes | Yes | Yes |
| Regenerative snubber | No | Yes | No | No | No | No |
| Switching frequency | 100 kHz | 100 kHz | 300 kHz | 65 kHz | 77 kHz | 100 kHz |
| Resonance | No | No | Yes | Yes | Yes | No |
| Isolation | Yes | No | No | No | No | No |
| Input voltage | 12 V | 3.3 V | 19 V | 100 V | 100 V | 400 V |
| Output voltage | 17.3 V | 17.5 V | 29.7 V | 25 V | 49.2 V | 27.6 V |
| Maximum efficiency | 98.8% | 92.8% | 91.9% | 92.6% | 93.5% | 90.8% |
Publisher’s Note: MDPI stays neutral with regard to jurisdictional claims in published maps and institutional affiliations. |
© 2021 by the authors. Licensee MDPI, Basel, Switzerland. This article is an open access article distributed under the terms and conditions of the Creative Commons Attribution (CC BY) license (https://creativecommons.org/licenses/by/4.0/).
Share and Cite
Yau, Y.-T.; Hwu, K.-I.; Tsai, Y.-D. Development of Four-Channel Buck-Type LED Driver with Automatic Current Sharing. Energies 2021, 14, 7844. https://doi.org/10.3390/en14237844
Yau Y-T, Hwu K-I, Tsai Y-D. Development of Four-Channel Buck-Type LED Driver with Automatic Current Sharing. Energies. 2021; 14(23):7844. https://doi.org/10.3390/en14237844
Chicago/Turabian StyleYau, Yeu-Torng, Kuo-Ing Hwu, and Yao-De Tsai. 2021. "Development of Four-Channel Buck-Type LED Driver with Automatic Current Sharing" Energies 14, no. 23: 7844. https://doi.org/10.3390/en14237844
APA StyleYau, Y.-T., Hwu, K.-I., & Tsai, Y.-D. (2021). Development of Four-Channel Buck-Type LED Driver with Automatic Current Sharing. Energies, 14(23), 7844. https://doi.org/10.3390/en14237844

