Abstract
This paper reviews the basics of series compensation in transmission systems through a literature survey. The benefits that this technology brings to enhance the steady state and dynamic operation of power systems are analyzed. The review outlines the evolution of the series compensation technologies, from mechanically operated switches to line- and self-commutated power electronic devices, covering control issues, different applications, practical realizations, and case studies. Finally, the paper closes with the major challenges that this technology will face in the near future to achieve a fully decarbonized power system.
Keywords:
series compensation; Flexible AC Transmission Systems (FACTS); Distributed-FACTS (D-FACTS); Fixed Series Capacitor (FSC); Thyristor-Switched Series Capacitor (TSSC); Thyristor-Controlled Series Capacitor (TCSC); Static Synchronous Series Compensator (SSSC); Distributed Static Series Compensator (DSSC) 1. Introduction
FACTS is the acronym for Flexible Alternating Current Transmission System. FACTS is an evolving technology-based solution to help the utility industry and power system operators to deal with changes in the power delivery business [1]. The concept of FACTS was first introduced by Dr. N.G. Hingorani in 1988 [2]. In Reference [1], the flexibility of the system is defined as the ability to accommodate changes in the electric transmission system or operating conditions while maintaining sufficient steady state and transient margins. In this regard, FACTS technology, defined as AC transmission systems incorporating power electronic-based and other static controllers to enhance controllability and increase power transfer capability, may bring such flexibility to the power system. FACTS can be classified according to different criteria. In case of their connection to the power system, they can be grouped into series, shunt or shunt-series devices. In addition, it is possible to group them depending on the used power-electronic switch into line-commutated (e.g., thyristors) and auto-commutated (e.g., Insulated-gate bipolar transistor (IGBTs)) devices. Figure 1 presents the different FACTS with their acronyms and names, classified according with these categories. Some of the principal benefits of using a FACTS are [3]:
Figure 1.
Flexible AC Transmission System (FACTS) classification by topology and technology.
- Power flow control.
- Increase of transmission and loading capability.
- Increasing the power system security through stability improvement.
- Provide secure tie line connections.
- Voltage control and flicker mitigation.
- Reactive power compensation and reduction of reactive power flows.
- Power quality improvement and power conditioning.
- Provide flexibility in interconnecting new renewable and distributed generation, as well as energy storage devices.
- Increase utilization of lower cost generation assets through enhancement of transmission capacity.
This survey paper focuses on series compensation, including series capacitors and series FACTS, their technological evolution through the revision of the principal published literature. The survey is motivated because series capacitors are becoming a key element in power transmission systems around the world. This subsystem is characterized by long high-voltage (HV) AC lines connecting major generation and demand areas in a meshed fashion, to increase as much as possible the overall system reliability. In such HV-AC systems, the power transmission between two nodes is primarily limited by the line series reactance. In addition, the power flows in the meshed network fulfill the Kirchhoff equations, irrespective of physical constraints (ampacity or nodal voltage limits) which may lead to loop flows or network congestions [4]. The use of series capacitors may prevent these adverse situations by partly compensating the line reactance to either increase the transmittable power or modify the power flow patterns in the meshed network.
The first transmission series capacitor was installed in 1928 by the General Electric on a 33-kV line (1.2 Mvar) of the New York Power & Light system, in Ballston Spa, New York, NY, USA [5]. Some improvements were published in the next few years [6,7], all the applications relying on mechanically operated switches. The advent of power electronics in the last quarter of the 20th century has driven the change from the conventional mechanically-switched capacitors [8,9] to the brand new series compensators, under the umbrella of FACTS. The Thyristor-Controlled Series Capacitor (TCSC), the Thyristor-Switched Series Capacitor (TSSC) [10], the GTO-Controlled Series Capacitor (GCSC) [10,11], the Static Synchronous Series Compensation (SSSC) [12], and the Distributed SSSC (DSSC) [13,14] are the most prominent topologies within this FACTS category. It has been demonstrated that variable series compensation is a cornerstone of FACTS technology [3], owing to its effectiveness in both controlling line power flows and improving system stability. The series FACTS allows maximizing the utilization of transmission assets by controlling the power flow in the lines, preventing loop flows and, with the use of fast controllers, minimizing the effect of system disturbances, thereby reducing traditional stability margin requirements [15]. In this regard, the current power system transition towards a fully decarbonized paradigm will definitely require the additional flexibility that series FACTS may bring, with the support of power electronics technologies [16].
This paper presents a literature survey of the series compensation technologies deployed so far in transmission systems. The aim is to provide an overview of each technology, pointing out its fundamentals, applications from an operation and planning perspective, benefits, and drawbacks, supported by an extensive and exhaustive review of the state of the art. For this purpose, the methodology outlined in the next section, aimed at performing a taxonomic classification of published works, has been elaborated, followed by a number of sections devoted to each relevant topology. Particularly, the analyzed arrangements have been grouped according to the way the series compensation is implemented (a generic “Series FACTS” category has been added, for convenience, to account for those papers in which no particular technology is discussed): first, those technologies that modify the line impedance by the insertion of series capacitors, either mechanically or through power electronic devices; then, those technologies based on self-commuted switches, which behave as a voltage source. The paper closes with the main conclusions, challenges, and recommendations to foster the deployment of this technology.
2. Taxonomic Methodology for the Literature Review
Several survey papers have been published, both in journals and conferences, about series compensation in transmission systems. Most of those papers, however, are restricted to general aspects of the series FACTS, rather than providing a systematic classification and holistic overview [17]. For this reason, it is yet difficult to answer major questions, such as where the research focus has been concentrated, which technologies are most promising, which problems have been addressed, and which commercial realizations are already available in the market. The aim of this paper was to answer those questions, while, at the same time, performing a comprehensive literature review. For this purpose, the following set of the most recognized journals and international conferences in the field have been systematically searched:
- IEEE Transactions on Power Systems.
- IEEE Transactions on Power Electronics.
- IEEE Transactions on Power Delivery.
- IEEE Transactions on Industrial Electronics.
- IEEE Transactions on Industry Applications.
- IEEE Transactions on Power Apparatus and Systems.
- IET Power Electronics.
- IET Generation, Transmission & Distribution.
- International Journal of Electrical Power & Energy Systems (Elsevier).
- Electric Power Systems Research (Elsevier).
- Journal of Modern Power and Clean Energy Systems (SGEPRI).
- Energies (MDPI).
- Energy Procedia (Elsevier).
- CIGRE Publications (reports, papers, and technical brochures).
In order to identify the key publications, the databases related to those journals and conference proceedings have been explored, by applying complex queries analyzing metadata, keywords, title and abstract contents. Different concepts have been searched, and the results have been clustered into the following categories: Fixed Series Capacitor (FSC), series FACTS, Distributed-FACTS (D-FACTS), TSSC, TCSC, GCSC, SSSC, and DSSC (all the acronyms are provided at the end of the paper). Table 1 shows the number of publications found within each category. As expected, there is a huge amount of publications presented in conferences, meetings, and symposia, overall representing about 80% of the total published works. The stacked bar chart in Figure 2 shows the number of publications in each category, separating journals and conferences. In this figure, the category ‘Others’ refers jointly to series FACTS, GCSC, FSR, TCSR, and TSSC. It is evident that the largest number of published articles are related with TCSC, followed by SSSC.
Table 1.
Number of publications organized by category and publisher.
Figure 2.
Journal and conference papers published, organized by category.
The research effort on each of the considered topologies evolves over time depending on the technology maturity. A natural indicator for measuring this trend is the number of publications per year related to each category, represented in Figure 3 for the last 60 years. This figure reveals that the FSC was the principal element analyzed during more than 30 years. Since the 1990s, though, the line-commutated power electronic devices, such as the TCSC, have been the principal series FACTS in which academia and R&D efforts have been interested. Since the beginning of the 21st century, with the irruption of the self-commutated switches, an increase of publications dealing with SSSC and DSSC is apparent. In this regard, it is somewhat surprising that the publications dealing with thyristor technology keeps really high. This can be explained by the fact that the main thyristor-based converters manufacturers worldwide have promoted the research sector to continue producing publications related to the TCSC technology, still remaining in force, although new technologies, such as DSSC, are increasingly entering the market. Publications accepted during 2020 has been added to those of 2019 because it has been considered that probably journal databases are not fully updated in the period this research has been issued.
Figure 3.
Time evolution of number of publications by category.
Finally, this outlook closes with a review of the research focus of the different publications, grouped by the following criteria:
- Control strategies to improve the steady-state and dynamic performance of power systems.
- Design and modeling issues dealing with modifications proposed to the FACTS design, including new features or additional elements, as well as new models for new power systems software tools.
- Operational analysis, assessing the FACTS impact on the power system, including steady-state simulations, real-time and wide-area control applications.
- Planning studies, dealing with location and sizing of FACTS. An important research is focused on the placement of series controllers. That includes methodologies to achieve an equivalent objective than if it were located in another points. However, it has to be considered that, sometimes, series FACTS may be located at non-optimal locations if the aim is minimizing costs because the the cost of lands and all the environmental licenses are becoming crucial for projects development.
- Protections design and coordination issues, focusing on the interaction of series compensation with new protections schemes and its behavior in transient simulations.
- Stability issues dealing with dynamic assessment and new methods to enhance angular, frequency, or voltage stability.
- FACTS Installations.
The results of this classification are summarized in Table 2. The FACTS control is one of the most researched issues. It has been found that much research has been aimed at improving controllers schemes, using new control techniques (robust controllers, fuzzy algorithms, non-linear controllers, gravitational search optimization, linear quadratic Gaussian control, particle swarm optimization, etc.), in order to reduce the computational processing times, reducing power electronics requirements, etc. After that, papers dealing with modeling, operation, and planning issues are also quite numerous. This topic has also been explored by researchers in the main faculties of electrical and software engineering, since better optimization methods are constantly being proposed, which allow in a more agile or efficient way to find the optimal results (e.g., in location or sizing tools), reduction of computational times, and use of artificial intelligence and metaheuristic techniques to find the optimal solution, among others. Other topics, like protections and stability issues, have been relatively also explored to a lesser extent in the case of FACTS, probably because these topics are normally included in the control-focused articles. In the cases where no articles have been found (most of the topics dealing with TCSR, TSSC, GCSC), probably it is motivated by the technology evolution and the corresponding commercial trend which, without any doubt, influence the academia research.
Table 2.
Taxonomy of journals by their main topic.
Finally, the publications were filtered according to their impact level, measured by the number of citations, prioritizing the journal papers. Approximately 222 publications (180 Journals, 37 Conferences, and 5 Chapter Books) were selected and included in the following review.
3. Series Compensation by Inserting Capacitors
Series capacitive compensation is well known and has been widely applied in transmission grids. The basic principle is to reduce the inductive reactance of the electrical transmission line by means of a series capacitor, leading to an increased power transfer capability and steady-state stability margin, owing to the higher synchronizing power [4]. Figure 4 shows the one-line and phasor diagrams related to the series compensation using a fixed capacitor. This yields an apparent reduction of the line reactance, , and an associated increase in the transmitted power (assuming the voltage magnitudes and angles remain constant), according to the well-known expression:
where and are the voltage magnitudes of buses A and B (), is the impedance of the transmission line, is the reactance of the series capacitor, is the degree of compensation, and is the angular difference of the busbar voltages. The reactive power injected by the capacitor depends on the compensation degree [3], as follows:
Figure 4.
Change of line reactance caused by the insertion of a series capacitor: (a) one-line diagram, (b) phasor diagram, (c) one-line diagram with the inserted capacitor, and (d) phasor diagram. Based on Reference [4].
From those expressions, the active power increases if the compensation k increases, at the cost of the large series capacitor reactive power, which sharply increases with k [3]. According to the phasor diagram of Figure 4d, this reduces the voltage drop and the angular deviation between the sending and receiving line ends, providing [4]: increased transmission capacity [18], possibility of modifying the power flows in the meshed network [19], improved voltage profile of the grid [20], enhanced angular stability of the power corridor [21,22], damping of power oscillations [23,24], and the possibility of optimizing power transported by parallel lines [25]. In addition, it has to be considered that series compensation may interfere with the conventional power system operation. For this reason, researchers have also analyzed the impact of series compensation on voltage sags [26], radial distribution systems [27], Wide-Area Measurement Systems (WAMS) [28], security analysis with massive penetration of renewable generation [29], and even the modification of spot prices in wholesale energy markets [30].
The following subsections are devoted to give an overview of the mechanical- and power electronics-based options that can be used for introducing a series capacitor in the transmission system.
3.1. Mechanically Commutated Series Devices
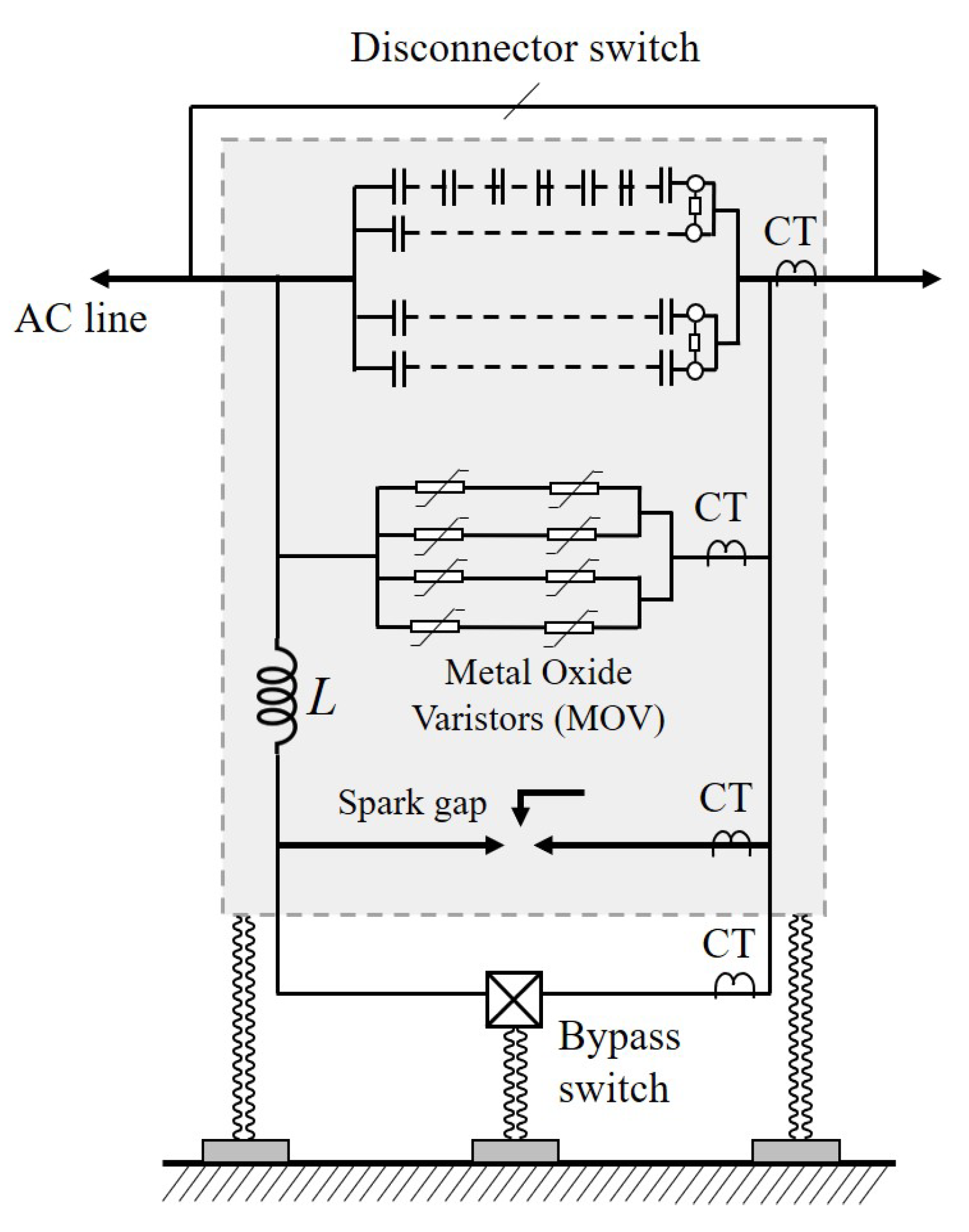
The Mechanically Commutated Series Capacitors (MCSC), also called Fixed Series Compensation (FSC) is the most common series compensation equipment currently installed in power systems [31,32]. The MCSC scheme is shown in Figure 5 [4]. The capacitor banks consist of parallel and series arrays of AC capacitors, along with other auxiliary equipment. Metal-oxide varistor (MOV) arresters and spark gaps are installed to protect the capacitors from overvoltages [33,34]. The bypass switch is used for connecting/disconnecting the series capacitor to/from the line, while the disconnector switches provide the required isolation for maintenance operations. Finally, current transformers are used for monitoring and control purposes.
Figure 5.
Components of the Fixed Series Capacitor (FSC). From Reference [4], based on Reference [35].
Several studies have been published about the impact of series compensation on the power system stability. A bang-bang control for stabilization of interconnected power systems using a series capacitor was presented in Reference [36]. Reference [37] shows a control scheme using fuzzy logic to enhance the overall power system stability, while a transient stability preventive control design has been analyzed in Reference [38].
Additionally, planning studies of FSC have also been published. In Reference [39], a multistage transmission expansion planning model is proposed considering FSC allocation and N-1 security constraints. The problem is modeled as a mixed-integer linear programming (MILP) approach, and it is solved using branch-and-cut methodology to obtain the optimal solution. In Reference [40], a methodology is developed for identifying the critical lines and their compensation degree in terms of voltage stability using decision trees methodology.
It is possible to find several contributions regarding protection issues related with series compensation. Reference [41] presents a fault current limiter (FCL) with series compensation based on a fast-closing switch composed of a capacitor bank and a series reactor. Reference [42] introduces a non-iterative fault-location algorithm for compensated transmission lines, while Reference [43] presents a non-unit protection scheme using discrete wavelet transform and k-nearest neighbor algorithm. In Reference [44], an accurate fault-location algorithm is proposed making use of synchronized measurements from both ends of the series compensated line.
One of the main concerns related to the series compensation of transmission lines refers to the Sub-synchronous Resonance (SSR), due to the interaction of the series capacitor and line reactance. Note that the natural frequency of a series compensated line is given by:
which is lower than the network frequency (); therefore, a sub-synchronous oscillation mode can be excited creating dangerous SSR situations. Interactions between a transmission line (compensated with a series capacitor), which oscillates at the natural resonant frequency, and the mechanical oscillations in a generator mechanical system can cause negative damping with the consequent mutual reinforcement of the electrical and mechanical oscillations [3]. This phenomenon, identified in 1937 [45], and the possible control actions for preventing SSR in a series capacitor-compensated transmission line were worked widely in the 1990s [46,47,48]. Following this research line, Reference [49] provides an overview of the impact of series compensation on SSR and the recommended studies for different applications with SC. The evaluation of SSR risk, like stability and transient torque analysis, and some methods for mitigating SSR problems and the torsional protection and monitoring schemes are included.
3.2. Static-Controlled Series Capacitive Compensation
The following subsections are devoted to describe the power electronics-based series compensation. For this purpose, a chronological order has been followed to present the different technologies from the initial TSSC to the GCSC, including the TCSC, which has concentrated most of the research effort in this field.
3.2.1. Thyristor-Switched Series Capacitor (TSSC)
The Thyristor-Switched Series Capacitor (TSSC), in which the scheme is shown in Figure 6, consists of a set of series capacitors which are shunted by two anti-parallel thyristors (which can be modeled in series with a small reactor, if the design requires it). This thyristor couple acts as an AC static switch which can bypass the capacitor. The compensation degree of the transmission line is controlled in a step-wise way by increasing the number of the inserted capacitors. A capacitor is inserted by using the thyristor valves, by activating (or not) the gating signals. Conversely, a capacitor is bypassed by conducting fully the thyristor valves [3]. A patent related with this technology is presented in References [50,51].
Figure 6.
Thyristor-Switched Series Capacitor (TSSC) scheme [4].
From a steady-state point of view, the TSSC is similar to the FSC with mechanical switches. However, the following advantages with respect to this conventional technology can be mentioned [4]:
- The commutation with thyristors allows unlimited number of switching operations, maximizing its usability along its life cycle.
- The thyristors allow choosing the commutation instants, i.e., the point on the voltage waveform where the transition between the conducting and non-conducting states is produced. In this way, the switching transients are minimized, in contrast to the classical commutation with mechanical switches, which is hardly synchronized.
- A very fast response, as typically the interval between the control command and the capacitor operation is less than a cycle.
- It does not generate harmonics in contrast to the GCSC and TSSC technologies which will be reviewed later. This is because TSSC works either in full-conduction or blocking modes, i.e., the thyristors act as a conventional but fast-acting conventional switch.
- TSSC modules can be quickly inserted or bypassed if SSR oscillations are detected. In this way, the SSR frequency can be controlled and moved away from the critical turbine-generator resonance frequencies.
Additionally, TSSCs have been applied for damping power system oscillations [52,53], including inter-area modes, considerably improving the transient stability of the power system. Particularly, Reference [54] proposes an interesting application where an adaptive damping controller estimates the parameters of a power system by using a two-area simplified power system model. However, Direct Current (DC)-offset voltages can appear in the transmission line, resulting from the insertion of series capacitors.
3.2.2. Thyristor-Controlled Series Capacitor (TCSC)
The TCSC, originally called and patented [55] as Rapid Adjustment of Network Impedance (RANI) by Vithayathil et al. in 1986 [56], is shown in Figure 7. The TCSC consists of a series capacitor shunted by a Thyristor-Controlled Reactor (TCR). The basic objective of the TCSC is to provide a variable-reactance capacitor by canceling (partially) the effective capacitance injected by the TCR. The equivalent impedance as a function of the thyristor firing angle is presented in Reference [3] and can be expressed as:
where is the fixed capacitor impedance, and is the inductance impedance. In the most common TCSC arrangement, the TCR reactance is smaller than the capacitor one, , and the TCSC has two operation ranges depending on the firing angle : capacitive and inductive. According to Equation (4), a parallel resonance is created between the capacitor and the inductor for the firing angle , which clearly separates the different operation modes. Due to the fact that the TCSC impedance sharply varies around , the capacitive and inductive operating modes are practically constrained in the ranges and , respectively, as shown in Figure 8.
Figure 7.
Thyristor-Controlled Series Capacitor (TCSC) basic scheme. Adapted from Reference [4].
Figure 8.
TCSC impedance vs Thyristors firing angle [4], based on Reference [3].
The TCSC, similar to the FSC described previously, has a protection electrical equipment for the series capacitor (Figure 9). An arrester (or variable non-linear resistor) with MOV, along with a spark gap, both connected in parallel, limit overvoltages on the capacitor terminals and also allow fast reinsertion of the capacitor banks in case of disturbances, which improves transient stability of the system after the AC system short-circuit is cleared. The capacitor is also shunted by a breaker, which bypasses the capacitor in case of a major fault, reducing the losses in full inductive conduction mode during long operation periods. The breaker is normally open when the thyristor valves are blocked and the series capacitor fully inserted. However, this breaker can be closed during AC system faults to prevent thyristor failures. In 1978, Courts and Hingorani proposed a series capacitor protection scheme that limits overvoltages by inserting a non-linear resistor in parallel with the capacitor bank during faults [57]. A reactor is also connected to limit the magnitude and frequency of the current that passes through the capacitor.
Figure 9.
TCSC Protection equipment [4], based on Reference [58].
TCSCs introduce a number of important advantages in the application of series compensation compared to TSSCs [58,59]:
- Rapid and continuous control of the transmission line series-compensation level which enables optimal power-flow conditions and prevents the power loops.
- Damping of the power swings from local and inter-area oscillations [60,61,62,63,64].
- Prevent SSR conditions due to the inherent resistive-inductive reactance of the TCSC. In this way, the sub-synchronous oscillations cannot be sustained and, consequently, get damped [65].
- The DC-offset voltages, invariably resulting from the insertion of series capacitors, decay very quickly (within a few cycles) due to the continuous control of the TCSC thyristors [66].
- A better protection level for series capacitors. It uses a fast bypass through a very fast thyristor control in case of large overvoltages after a fault. To aid in system stabilization, the series capacitors can be re-inserted rapidly after the fault clearing, thanks to the thyristor action [67].
- Voltage support. The TCSC can produce reactive power which increases with the line loading, thus helping the voltage’s regulation and preventing voltage instability [68].
- Short-circuit current reduction. The TCSC can restrict the short-circuit current, by switching from the controllable-capacitance to the controllable-inductance mode.
Optimal location or placement of FACTS in transmission power systems has been widely worked on. The objective function can be designed to improve technical requirements or power system economics issues. In any case, the following conditions must be considered [69]:
- The TCSC should be located in transmission lines that experience limiting power oscillations.
- The voltages swing on the TCSC sides must remain with acceptable limits; otherwise, multiple TCSC locations may be needed.
- The TCSC control actions in one transmission path should not cause undue power swings in any parallel paths. Otherwise, additional compensations might be necessary.
- Considering reliability issues, it is advisable to implement a distributed control, in which actions are applied among some TCSCs, rather than setting up a control action to a single, large TCSC.
For the first aim (technical requirements), the most common issue is the optimal location for enhancement of total transfer capability [70] and congestion management for secured optimal power flow under normal and contingencies operating condition [71]. For doing so, Reference [72] proposes a method to determine the suitable locations of TCSC based on the real power flow performance index sensitivity. An optimal TCSC sizing and location methodology under power system normal and contingency conditions is proposed in Reference [73], without sacrificing the system security. Evolutionary programming method is worked in Reference [74] to find an optimal FACTS allocation, by maximizing the total transmission transfer capability.
For the second group, which deals with power system economics, the objective in Reference [75] is to achieve the minimum overall system cost function, including the FACTS investment cost, in that case using Genetic Algorithms (GA). In Reference [76], the overall objective of FACTS device placement can be either to minimize the total congestion rent or to maximize the social welfare. In Reference [77], the objective is to minimize the total generation cost based on the DC load flow model with multi-objective GA. The reduction of congestion costs by using shadow prices is analyzed in Reference [78]. Other objective functions, like real power or reactive power losses minimization, are considered in References [79,80].
Regarding the methods used for solving the TCSC placing and sizing, some publications present analytical techniques, such as Reference [81], where bifurcation analysis is applied and a continuation power flow is used to evaluate the effects of these devices on system loadability, or Reference [82], where a mathematical model for the computation of reactances is proposed for selecting the candidate lines for the installation of TCSC. In Reference [83], the impacts on the locational marginal pricing and system voltages are investigated, based on variations in control parameters of the TCSC and a double auction bidding model.
However, in the last few years, the application of heuristic and artificial intelligent techniques has been explored to determine the optimal number, locations, and parameter settings of multiple TCSC to maximize system loadability with minimum installation cost or to enhance power system stability: GA [84,85,86], Tabu Search [87], Particle Swarm Optimization (PSO) [88,89,90], and Neural Networks [91]. In Reference [92], a hybrid tabu search and simulated annealing approach is proposed to find the optimal placement of FACTS to minimize the total generator fuel cost for all loading levels. Furthermore, in Reference [93], the optimization is based on a variant of PSO specialized in multi-objective optimization problem, known as non-dominated sorting PSO (NSPSO).
Regarding the research dealing with control algorithms, most of the publications on controlled series compensation are devoted to damping power oscillations [94] or to improve transient stability [95]. For doing that, it is necessary to counteract the accelerating and decelerating swings of the disturbed machines, by varying the applied compensation. That is, when the angle increases (the oscillating generator accelerates), the electrical power must be incremented to compensate for the excess mechanical power. Conversely, when the angle decreases (the generator decelerates), the electric power must be decremented to balance the missing mechanical power [3]. Furthermore, N.G. Hingorani proposed in 1981 a thyristor-controller damping scheme for series capacitors, called NGB, which has proven to provide effective SSR mitigation [96]. Subsequent research efforts found that the NGB damping principle can be extended to the basic TCSC circuit structure to make it substantially immune to SSR. This seminal publication paved the way to many others dealing with this issue [97,98,99].
These improvements on the power system damping and stability can be achieved applying different control techniques which are summarized below:
- Fuzzy methods [100,101,102,103,104,105,106].
- Robust control () or adaptive control [107,108,109,110,111].
- Linear Quadratic Gaussian (LQG) technique [112,113].
- PSO [114,115].
- Pole placement, small signal stability (eigenvalue analysis) and PSS tuning [116,117,118,119,120].
- Bacterial Swarm Optimization (BSO) [121,122].
- Nonlinear control [123,124].
- Other control techniques: Gravitational Search Algorithm (GSA) [125], frequency response [126], phasorial-based [127], discrete control [128], GA [129], hierarchical control [130], modified group searcher optimization (GSO) [131].
It is important to highlight that these dynamic studies require accurate TCSC models which are investigated in References [132,133,134]. Other TCSC studies are related with fault location [135,136,137,138,139], impact of TCSC on market prices [140], and reliability [141]. Finally, there are some patents related with TCSC control [142,143].
3.2.3. GTO-Controlled Series Capacitor (GCSC)
The Gate Turn-off (GTO) Thyristor-Controlled Series Capacitor (GCSC) proposed by Karady et al. in 1992 [11] is shown in Figure 10. The basic GCSC consists of a capacitor C and a pair of GTO switches connected in anti-parallel. It is interesting to note that the GCSC is the dual circuit of the shunt TCR. The TCR controls the current in a fixed inductor from a sinusoidal voltage source, thereby presenting a variable reactive admittance. Similarly, the GCSC controls the voltage across a fixed capacitor supplied by a sinusoidal current source, thereby presenting a variable reactive impedance [3]. The capacitor is removed when the thyristors are switched on. Conversely, the capacitor insertion is done by turning off the thyristors. Therefore, it is mandatory to control both the turn-on and turn-off instants, being required a GTO or any other self-commutated power electronic switch. The switch-off angle (insertion angle) controls the level of average compensation. As a result, the capacitor is in the circuit just a fraction of the cycle. As a matter of fact, the turn-off delay angle control of the GCSC, just like the TCR turn-on delay angle control, generates harmonics. In Reference [144], the operation and harmonic analysis of the GCSC was performed, and configurations using multi-module and multi-pulse GCSC were proposed with the objective of reducing the voltage harmonics.
Figure 10.
GTO-Controlled Series Capacitor (GCSC) basic scheme. Based on Reference [11].
The continuous GCSC control capability allows to mitigate SSR conditions and electromechanical oscillations even with a simple control [145]. Another control scheme proposed in Reference [146] allows the GCSC to damp both the SSR and Low Frequency Power Oscillations using a constant power control. Recently, Reference [147] presents a GCSC control approach embedded in an automatic generation control (AGC) to provide an effective frequency control specially suited to two-area power systems. The controller outperforms other alternative techniques specially designed for improving the dynamic response.
4. Static Synchronous Series Compensator (SSSC)
The SSSC or series STATCOM was proposed by Dr. Laszlo Gyugyi [12] and consists of a voltage-sourced converter (VSC) in series with the transmission line, as illustrated in Figure 11. The SSSC provides a wider control range compared to the previous topologies because it injects a series voltage rather than a series impedance. Therefore, the series compensation is independent of the line current [148,149].
Figure 11.
Representation of the Static Synchronous Series Compensation (SSSC) based on a voltage-sourced converter (VSC). Adapted from Reference [3].
The SSSC is synchronized with the transmission line current, I, and injects a series voltage which is orthogonal to it, lagging or leading as shown in the single-phase circuit of the Figure 12a and the phasor diagram in Figure 12b. Note that, assuming a lossless VSC, it is mandatory that the series voltage be orthogonal to the line current to maintain to DC bus voltage to a constant value. However, a small amount of active power is required to compensate for the VSC internal losses. This power is drawn from the line by a small deviation from the ideal 90, to keep the DC capacitor charged without an external power supply [149].
Figure 12.
Transmission line compensation with an SSSC. (a) Single-phase equivalent circuit. (b) Phasor diagram [155].
The injection of a series voltage, which is lagged with respect to the branch current emulates a series capacitor and a series voltage leading the current emulates a series reactor. According to this, the SSSC has two principal operation modes: (a) series voltage control, in which the SSSC maintains the compensation voltage at a given value (capacitive or inductive), regardless of the line current variations; (b) reactance control, in which the SSSC maintains the compensation reactance (capacitive or inductive) at a given value . Assuming and neglecting the active power losses, i.e., zero line resistance, the transmitted active power compensated by SSSC can be expressed as [12]:
where is the active power of the uncompensated line. The primary purpose of the SSSC is the direct and dynamic control of the power transmitted by a transmission line. However, the SSSC can provide also voltage regulation. Supplementary applications are the compensation of long transmission lines and the equalization of power flow and prevention of loop flows. For this purpose, adequate models are required to represent the SSSC performance. In References [150,151], current-based models for Newton-Raphson power flow calculations are presented, while a power injection model of the SSSC for power flow analysis is presented in Reference [152]. In Reference [153], a multi-control functional model of the SSSC for power flow analysis is described. An analytical formulation of the frequency-domain characteristics of the two control modes of SSSC (voltage and impedance regulation) is presented in Reference [154].
Several converter topologies have been proposed in the literature: in References [156,157,158], the 48-step inverter model is proposed, analyzed and simulated for torsional interaction studies. A multi-bridge inverter (six H-bridge modules per phase generating 13 pulses for each half period) is proposed and simulated in Reference [159]. A two-leg, three-phase inverter is employed for SSSC applications in Reference [160].
Regarding the SSSC planning and optimal location, Reference [161] analyzes the sizing of SSSC as an optimization problem to reduce the transmission losses in the network, using the PSO technique. The saddle-node bifurcation theory is analyzed in Reference [162] for the SSSC optimal location. The optimal placement and sizing of SSSC using PSO with the aim of improving the power quality is studied in Reference [163].
As stated above, the main SSSC functionality is to improve the transient and dynamic stability and power oscillation damping [164,165]. Regarding the last application, quite a few papers have been published demonstrating and exploring this benefit, and even comparing the SSSC performance with other FACTS [166,167,168]. The SSSC can increase or decrease the line current and the active power flow, by a quick injection of the compensating series voltage when the generation plants accelerate or decelerate, respectively [149]. Several control schemes designed to improve the SSSC dynamic performance and the positive effect of damping the power system oscillations have been proposed. The control schemes for a 24- and 48-pulse VSC are presented in References [169,170], respectively. The most relevant publications, classified depending on the applied control technique, are summarized as follows:
- Fuzzy methods: with real-time RTDS application [171], considering offshore wind farms [172] and an evolutionary method with GA [173].
- PSO to improve the stability of an interconnected system with a wind farm of Double-Fed Induction Machines (DFIM) [174]. Modified group search optimization applied to an AGC of a deregulated power system using Reference [175]. In Reference [176], a hybrid PSO and GSA is used to find the PSS and SSSC controller parameters to improve the power system stability, and in Reference [177] the optimal design of parameters of synchronous machines PSS, series FACTS, and Photovoltaic (PV) and wind farm controllers is formulated, and some techniques, like PSO, GSA, and GA, are employed.
- Bacterial Swarm Optimization (BSO): In Reference [178], a hybrid BSO with PSO is proposed to search for the optimal PSS and SSSC-based controller to improve the power system stability, i.e., to provide efficient damping to oscillations under a wide range of operating conditions and disturbances.
- GSA [179].
- Pole placement, small-signal stability (eigenvalue analysis) [180], Power Oscillation Damping (POD) tuning [181].
- Nonlinear Lyapunov method [182,183].
- Other control techniques: Seeker Optimization Algorithm [184], robust control with Tabu Search Algorithm [185], predictive control [186].
In addition, SSSC has been applied for mitigating SSR conditions [187,188,189,190,191,192,193] and power quality improvement [194,195]. Finally, the SSSC impact on grid protection and fault location has been assessed [196,197]. In Reference [198], a fault location algorithm based on a distributed time domain model for a compensated transmission line is proposed. In addition, Reference [199] proposes an external fault current protection for the SSSC.
5. Distributed Static Series Compensator (DSSC) or D-FACTS
Dr. D.M. Divan proposed the DSSC concept in References [13,14,200]. The DSSC attaches directly to the line conductor and does not require insulation, as shown in Figure 13. The normally closed switch maintains the unit in bypass mode (bypass on) until the inverter is activated. To control the DC voltage of the control power supply, a regulator with one switch is used; the DC supply can start the module turn-on by turning-off the switch . Then, the converter VSC DC bus is charged up and it starts the inverter operation. The inverter can inject a quadrature (90 degrees) voltage into the transmission line to emulate a reactance. The DC voltage regulation is achieved using power balance through a small in-phase voltage component.
Figure 13.
Different schemes for Distributed SSSC (DSSC): (a) Distributed Series Reactor (DSR) [202], (b) Distributed Series Impedance (DSI) [202], (c) Inverter-less Static Series Compensator [204], and (d) DSSC with inverter [13].
Different topologies have been proposed in several publications, summarized in Figure 13. The Distributed Series Reactor (DSR), shown in Figure 13a, is presented in References [201,202]. An electromechanical switch (normally-closed) noted is used to bypass the DSR. With open, the switch controls the series reactance insertion. When is closed, the minimal series transformer leakage reactance is inserted in the line. With open, the transformer magnetizing inductance is inserted into the line. The benefit of this technology in reducing transmission investment is explored in Reference [203]. The Distributed Series Impedance (DSI) shown in Figure 13b uses a capacitor, an inductor, three switches, and the series coupling transformer. The transformer is normally bypassed by the switch , which is normally-closed. When it is opened, the insertion of the desired impedance is allowed. The switch is closed to inject all the inductance, while is closed to inject the capacitance [202].
The scheme in Figure 13c was first explored by Dr. Frank Kreikebaum in 2010 [204] and consists of the series transformer with magnetizing reactance , two AC switches (, ) realized using IGBT, an AC condenser (C), two LC filter components (, ), a relay () for operation in case of failure, and the elements associated with controls and communications. The transformer is set by using its air-gap to generate a (designed) magnetizing inductance, avoiding the use of an additional inductance used previously in the DSI approach. With the switches on and the off, the equivalent parallel circuit of and C is inserted in series with the transmission line, conversely with off and on, is injected in series with the line, and switching and in a complementary fashion produces an effective AC capacitance. The feasibility and impact of this technology, including prototype development and system simulations, are presented in Reference [205].
This new concept allows a cost-effective approach to achieving global objectives of operating with high renewable penetration [206]. The design considerations for implementing distributed power control solutions on the power grid are discussed in References [207,208], including the single-turn coaxial series transformer design, DSSC simulations, and the first laboratory prototype of the DSSC.
The DSSC, as well as the DSR [209], have been evolving and the first commercial solution was installed in the United States Grid in 2012. Other schemes have been theoretically proposed [210]. Today, a transformer-less solution (see the patent of Reference [211]) has been commercialized, in which the transmission line must be opened to pass through the Modular SSSC (M-SSSC or DSSC). The M-SSSC solution is cost-competitive with FSC installations, while providing the additional benefits, including: inductive or capacitive compensation, continuously controllable compensation, and ability to efficiently scale or upgrade the installation to meet changing demand [212].
In References [213,214], a multilevel converter (with seven levels in cascade H-bridge) DSSC was implemented to limit the short-circuit of a line additionally to the principal action of controlling the power flow. Moreover, it includes a control strategy using variable DC bus voltage, which can reduce the Total Harmonic Distortion (THD) of the injected series voltage and the losses of the DSSC. SSR damping using DSSC has also been studied in Reference [215], where two novel controllers (PSO-based Conventional and Fuzzy Logic-Based Damping Controllers) were designed and implemented.
The DSSC modules, shown in Figure 14 (and Figure 13d), can be distributed and can achieve the desired power flow control functionality by effectively and coordinately injecting a series voltage at several places.
Figure 14.
DSSC circuit schematic. Based on Reference [14].
Few years after the DSSC concept and prototypes were developed, some authors started to research the impact, operation and location methodologies of this technology. The impact of D-FACTS by studying the linear sensitivities between some variables, like voltage magnitude and angle, power injections, line power flow, and losses, with respect to line impedance, were analyzed in References [216,217]. With this, non-linear problems, such as real power loss minimization and voltage control, are solved, and appropriate locations to install DSSCs are determined.
In Reference [218], a method for linearizing a transmission network model allows deriving the relationships between the network operating points and the injected reactances. This information facilitates the optimal deployment of DSSCs. The work in Reference [219] develops an optimal power flow framework that incorporates both variable-impedance series FACTS and transmission switching, i.e., opening and closing the transmission lines, to study the link between the two power flow control technologies, finding that the operation of FACTS devices affect the location and frequency of transmission switching actions.
Determining the location and amount of distributed series compensation to be employed is an important problem. For this purpose, a PSO technique for the optimal deployment of D-FACTS has been analyzed in Reference [220]. In Reference [221], the study uses the DC load flow model, and the optimization problem is solved using mixed-integer linear programming (MILP).
In recent years, Dr. Xiaohu Zhang has published relevant advances in transmission expansion planning considering DSSC. In Reference [222], a multi-stage transmission expansion planning with the DSSC considering the N-1 security constraints is formulated as an MILP model. In Reference [223], a bi-level optimization model is proposed. The upper level problem seeks to minimize the investment cost on series FACTS, the cost of wind power curtailment and load shedding. The lower level problem captures the market clearing under different operating scenarios.
In References [224,225], the original Mixed-integer non-linear programming (MINLP) model is transformed into MILP model to enable the planning model to be directly applied to practical large-scale systems. A similar approach was presented in Reference [226], in which an approximation method to linearize the model in the structure of the Benders decomposition algorithm is proposed.
Other approaches have been published or presented in the last two years related with power systems with wind energy integration. In Reference [227], the model minimizes the generation and investment costs, while guaranteeing that the robust solution is customized to cover the wind uncertainty interval. In Reference [228], an AC power flow model is proposed and applied to a real power system problem, and the resulting MINLP is solved using MATLAB routines; in Reference [229], an MILP is applied initially to find the optimal number, locations and set points of multiple DSSCs, and then a fuzzy algorithm is used to select the most preferred solution.
Finally, about the DSSC operation, a heuristic algorithm is developed to control a set of D-FACTS devices connected to all transmission lines of a power system in Reference [230]. The changes required in line impedances, which will be achieved by D-FACTS, are decided by the proposed algorithm. In this regard, the patent of Reference [231] proposes a method for enabling intelligent control of large number of DSSC distributed over the grid.
6. Conclusions
As discussed in this paper, different technologies for series compensation have being developed over almost the last 100 years of history, some of them effectively installed in power transmission grids, and some still at the theoretical or concept stage. After the proliferation of FSC in the power transmission systems, two approaches to power electronics-based series compensators (series FACTS) have been proposed and investigated (and successfully installed in some cases): one family, employing thyristor-switched reactors and thyristor-controlled condensers to realize a variable reactive impedance (including GCSC, TSSC, and TCSC), and the other, employing a switching power converter to realize a controllable synchronous voltage source (VSC) in series with the line (SSSC and DSSC belong to that approach).
This paper has presented a literature survey that explores and summarizes the most relevant publications in this field, from the FSC to the latest and most promising series compensation technology, namely the DSSC, including the more conventional, thyristor-based series FACTS. The DSSC is believed to be already cost-competitive with FSC, providing additional benefits, such as inductive or capacitive compensation, continuously controllable compensation, and ability to efficiently scale the installation to meet changing requirements. Furthermore, they have several advantages over TCSC, including increased control capabilities, minimal impact on line protection system, minimal environmental impact, higher resiliency and reliability (because a set of them can be installed at different locations of the same transmission line or operational area), and reduced substation infrastructure requirements (because of its footprint size). Additionally, they have a shorter installation time than other FACTS, which can be a decisive factor in the case of power grids that need an immediate solution.
Variable series compensation is highly effective in both controlling line power flows and improving stability. It can be applied in many applications: to achieve full utilization of transmission assets by controlling the power flow across the lines, preventing loop flows and reducing stability margin requirements, voltage controlling and stability enhancement. More applications and benefits of this FACTS should continue to be investigated, but more importantly, the research and development of university and research centers will continue to give way to the commercial development of cost-efficient technologies for their installation and proliferation in power transmission systems. From the literature review synthesized in Section 2, it can be inferred that future challenges have to be oriented to find novel applications, additional to those already known, so that different series technologies can be increasingly considered by those in charge of planning the expansion of electrical transmission grids and the electrical equipment development. Particularly, future research might be focused on new protection schemes for SSSC and DSSC considering that these new technologies can be massively deployed in the power system, therefore requiring a smooth integration with legacy power system protection strategies. In addition, more control approaches to find additional applications for DSSC and GCSC are of utmost importance in order to widen the possible economic incomes due to the provision of new services to the power system operator. These new control methodologies along with new planning strategies (i.e., location and sizing of series devices) may facilitate the business plan of these technologies characterized by large investment costs. In this regard, it is key to maximize their capabilities once installed by applying convenient wide area coordinated control techniques aiming at optimizing their operation. In this way, power system operators will be able to achieve the required flexibility to reduce the stress in the complex operation of an increasingly renewable-based power system pursuing its fully decarbonization.
Author Contributions
Conceptualization, A.G.-E. and J.M.M.-O.; methodology, A.G.-E.; formal analysis, C.A.O., A.G.-E. and J.M.M.-O.; investigation, C.A.O.; resources, C.A.O.; data curation, C.A.O.; writing—original draft preparation, C.A.O.; writing—review and editing, A.G.-E. and J.M.M.-O.; visualization, C.A.O.; supervision, A.G.-E. and J.M.M.-O. All authors have read and agreed to the published version of the manuscript.
Funding
This research received no external funding.
Institutional Review Board Statement
Not applicable.
Informed Consent Statement
Not applicable.
Data Availability Statement
Not applicable.
Conflicts of Interest
The authors declare no conflict of interest.
Abbreviations
The following abbreviations are used in this manuscript:
| CIGRE | International Council on Large Electric Systems |
| DPFC | Distributed Power Flow Controller |
| DSI | Distributed Series Impedance |
| DSSC | Distributed Static Series Compensator |
| DSR | Distributed Series Reactor |
| FACTS | Flexible AC Transmission System |
| FSC | Fixed Series Capacitor |
| FSR | Fixed Series Reactor |
| GA | Genetic Algorithm |
| GSA | Gravitational Search Algorithm |
| GCSC | GTO Thyristor-Controlled Series Capacitor |
| IEEE | Institute of Electrical and Electronics Engineers |
| IET | Institution of Engineering and Technology |
| MINLP | Mixed-integer non-linear programming |
| MILP | Mixed-integer linear programming |
| PSO | Particle Swarm Optimization |
| SSR | Sub-synchronous Resonance |
| SSSC | Static Synchronous Series Compensation |
| TCR | Thyristor-Controlled Reactor |
| TCSC | Thyristor-Controlled Series Capacitor |
| TCSR | Thyristor-Controlled Series Reactor |
| TSSC | Thyristor-Switched Series Capacitor |
| TSSR | Thyristor-Switched Series Reactor |
References
- Edris, A.A.; Adapa, R.; Baker, M.; Bohmann, L.; Clark, K.; Habashi, K.; Gyugyi, L.; Lemay, J.; Mehraban, A.; Myers, A.; et al. Proposed terms and definitions for flexible AC transmission system (FACTS). IEEE Trans. Power Deliv. 1997, 12, 1848–1853. [Google Scholar] [CrossRef]
- Hingorani, N.G. High Power Electronics and flexible AC Transmission System. IEEE Power Eng. Rev. 1988, 8, 3–4. [Google Scholar] [CrossRef]
- Hingorani, N.G.; Gyugyi, L. Static Series Compensators: GCSC, TSSC, TCSC and SSSC. In Understanding FACTS: Concepts and Technology of Flexible AC Transmission Systems; IEEE Press: Piscataway, NJ, USA; John Wiley & Sons: Hoboken, NJ, USA, 2000; pp. 209–265. [Google Scholar] [CrossRef]
- Eremia, M.; Liu, C.C.; Edris, A.A. Series Capacitive Compensation. In Advanced Solutions in Power Systems: HVDC, FACTS, and Artificial Intelligence; IEEE Press: Piscataway, NJ, USA; John Wiley & Sons: Hoboken, NJ, USA, 2016; pp. 339–407. [Google Scholar] [CrossRef]
- Shelton, E.K. The series capacitor installation at ballston. Gen. Electr. Rev. 1928, 31, 432–434. [Google Scholar]
- Alimansky, M.I. Application and performance of Series Capacitors. Gen. Electr. Rev. 1930, 33, 616–625. [Google Scholar]
- Alimansky, M.I. Series Capacitor Improves. Gen. Electr. Rev. 1933, 36, 461. [Google Scholar]
- Maneatis, J.A.; Hubacher, E.J.; Rothenbuhler, W.N.; Sabath, J. 500 KV Series Capacitor Installations in California. IEEE Trans. Power Appar. Syst. 1971, PAS-90, 1138–1149. [Google Scholar] [CrossRef]
- Jancke, G.; Fahlen, N.; Nerf, O. Series capacitors in power systems. IEEE Trans. Power Appar. Syst. 1975, 94, 915–925. [Google Scholar] [CrossRef]
- Helbing, S.G.; Karady, G.G. Investigations of an advanced form of series compensation. IEEE Trans. Power Deliv. 1994, 9, 939–947. [Google Scholar] [CrossRef]
- Karady, G.G.; Ortmeyer, T.H.; Pilvelait, B.R.; Maratukulam, D. Continuously regulated series capacitor. IEEE Trans. Power Deliv. 1993, 8, 1348–1355. [Google Scholar] [CrossRef]
- Gyugyi, L.; Schauder, C.D.; Sen, K.K. Static synchronous series compensator: A solid-state approach to the series compensation of transmission lines. IEEE Trans. Power Deliv. 1997, 12, 406–417. [Google Scholar] [CrossRef]
- Divan, D.M.; Brumsickle, W.E.; Schneider, R.S.; Kranz, B.; Gascoigne, R.W.; Bradshaw, D.T.; Ingram, M.R.; Grant, I.S. A Distributed Static Series Compensator System for Realizing Active Power Flow Control on Existing Power Lines. IEEE Trans. Power Deliv. 2007, 22, 642–649. [Google Scholar] [CrossRef]
- Divan, D.; Brumsickle, W.; Schneider, R.; Kranz, B.; Gascoigne, R.; Bradshaw, D.; Ingram, M.; Grant, I. A distributed static series compensator system for realizing active power flow control on existing power lines. In Proceedings of the IEEE PES Power Systems Conference and Exposition, New York, NY, USA, 10–13 October 2004; Volume 2, pp. 654–661. [Google Scholar] [CrossRef]
- Kimbark, E.W. Improvement of System Stability by Switched Series Capacitors. IEEE Trans. Power Appar. Syst. 1966, PAS-85, 180–188. [Google Scholar] [CrossRef]
- Maza-Ortega, J.M.; Acha, E.; Garcia, S.; Gómez-Expósito, A. Overview of power electronics technology and applications in power generation transmission and distribution. J. Mod. Power Syst. Clean Energy 2017, 499–514. [Google Scholar] [CrossRef]
- Bocovich, M.; Iyer, K.; Terhaar, R.M.; Mohan, N. Overview of series connected flexible AC transmission systems (FACTS). In Proceedings of the 2013 North American Power Symposium (NAPS), Manhattan, KS, USA, 22–24 September 2013; pp. 1–6. [Google Scholar] [CrossRef]
- Rajarman, R.; Alvarado, F.; Maniaci, A.; Camfield, R.; Jalali, S. Determination of location and amount of series compensation to increase power transfer capability. IEEE Trans. Power Syst. 1998, 13, 294–300. [Google Scholar] [CrossRef]
- Kazerani, Y.Y.M. Power flow control schemes for series-connected FACTS controllers. Electr. Power Syst. Res. 2006, 824–831. [Google Scholar] [CrossRef]
- Lakkireddy, J.; Rastgoufard, R.; Leevongwat, I.; Rastgoufard, P. Steady state voltage stability enhancement using shunt and series FACTS devices. In Proceedings of the 2015 Clemson University Power Systems Conference (PSC), Clemson, SC, USA, 10–13 March 2015; pp. 1–5. [Google Scholar]
- Kilgore, L.A.; Elliott, L.C.; Taylor, E.R. The Prediction and Control of Self-Excited Oscillations Due to Series Capacitors in Power Systems. IEEE Trans. Power Appar. Syst. 1971, PAS-90, 1305–1311. [Google Scholar] [CrossRef]
- Hamouda, R.M.; Iravani, M.R.; Hackam, R. Torsional oscillations of series capacitor compensated AC/DC systems. IEEE Trans. Power Syst. 1989, 4, 889–896. [Google Scholar] [CrossRef]
- Rustebakke, H.M.; Concordia, C. Self-Excited Oscillations in a Transmission System Using Series Capacitors. IEEE Trans. Power Appar. Syst. 1970, PAS-89, 1504–1512. [Google Scholar] [CrossRef]
- Bowler, C.E.J.; Ewart, D.N.; Concordia, C. Self Excited Torsional Frequency Oscillations with Series Capacitors. IEEE Trans. Power Appar. Syst. 1973, PAS-92, 1688–1695. [Google Scholar] [CrossRef]
- Korot, D.; Marken, P.; Bock, L. The next fifty years of series capacitors—And the last eighty-six. In Proceedings of the 2014 IEEE PES T D Conference and Exposition, Chicago, IL, USA, 14–17 April 2014; pp. 1–5. [Google Scholar]
- Faried, S.O.; Aboreshaid, S. Stochastic evaluation of voltage sags in series capacitor compensated radial distribution systems. IEEE Trans. Power Deliv. 2003, 18, 744–750. [Google Scholar] [CrossRef]
- Ping, Y.; Sekar, A. Analysis of radial distribution systems with embedded series FACTS devices using a fast line flow-based algorithm. IEEE Trans. Power Syst. 2005, 20, 1775–1782. [Google Scholar]
- Nayak, P.K.; Pradhan, A.K.; Bajpai, P. Wide-Area Measurement-Based Backup Protection for Power Network with Series Compensation. IEEE Trans. Power Deliv. 2014, 29, 1970–1977. [Google Scholar] [CrossRef]
- Shchetinin, D.; Hug, G. Decomposed algorithm for risk-constrained AC OPF with corrective control by series FACTS devices. Electr. Power Syst. Res. 2016, 344–353. [Google Scholar] [CrossRef]
- Shrestha, G.B.; Feng, W. Effects of series compensation on spot price power markets. Int. J. Electr. Power Energy Syst. 2005, 428–436. [Google Scholar] [CrossRef]
- McLaren, P.G.; Kuffel, R.; Giesbrecht, J.; Keerthipala, W.; Castro, A.; Fedirchuk, D.; Innes, S.; Mustaphi, K.; Sletten, K. On site relay transient testing for a series compensation upgrade. IEEE Trans. Power Deliv. 1994, 9, 1308–1315. [Google Scholar] [CrossRef]
- Lee, G.E.; Goldsworthy, D.L. BPA’s Pacific AC intertie series capacitors: Experience, equipment and protection. IEEE Trans. Power Deliv. 1996, 11, 253–259. [Google Scholar] [CrossRef]
- Coursol, M.; Nguyen, C.T.; Lord, R.; Do, X. Modeling MOV-protected series capacitors for short-circuit studies. IEEE Trans. Power Deliv. 1993, 8, 448–453. [Google Scholar] [CrossRef]
- Goldsworthy, D.L. A Linearized Model for Mov-Protected Series Capacitors. IEEE Trans. Power Syst. 1987, 2, 953–957. [Google Scholar] [CrossRef]
- Anderson, P.M.; Farmer, R.G. Series Compensation of Power Systems; PBLSH! Inc.: Encinitas, CA, USA, 1996. [Google Scholar]
- Kosterev, D.N.; Kolodziej, W.J. Bang-bang series capacitor transient stability control. IEEE Trans. Power Syst. 1995, 10, 915–924. [Google Scholar] [CrossRef]
- Hiyama, T.; Mishiro, M.; Kihara, H.; Ortmeyer, T.H. Coordinated fuzzy logic control for series capacitor modules and PSS to enhance stability of power system. IEEE Trans. Power Deliv. 1995, 10, 1098–1104. [Google Scholar] [CrossRef]
- Lin, Y.J. Prevention of transient instability employing rules based on back propagation based ANN for series compensation. Int. J. Electr. Power Energy Syst. 2011, 1776–1783. [Google Scholar] [CrossRef]
- Rahmani, M.; Vinasco, G.; Rider, M.J.; Romero, R.; Pardalos, P.M. Multistage Transmission Expansion Planning Considering Fixed Series Compensation Allocation. IEEE Trans. Power Syst. 2013, 28, 3795–3805. [Google Scholar] [CrossRef]
- Leonidaki, E.A.; Georgiadis, D.P.; Hatziargyriou, N.D. Decision trees for determination of optimal location and rate of series compensation to increase power system loading margin. IEEE Trans. Power Syst. 2006, 21, 1303–1310. [Google Scholar] [CrossRef]
- Zou, J.; Chen, J.; Dong, E. Study of fast-closing switch based fault current limiter with series compensation. Int. J. Electr. Power Energy Syst. 2002, 719–722. [Google Scholar] [CrossRef]
- Ahsaee, M.G.; Sadeh, J. A Novel Fault-Location Algorithm for Long Transmission Lines Compensated by Series FACTS Devices. IEEE Trans. Power Deliv. 2011, 26, 2299–2308. [Google Scholar] [CrossRef]
- Swetapadma, A.; Mishra, P.; Yadav, A.; Abdelaziz, A.Y. A non-unit protection scheme for double circuit series capacitor compensated transmission lines. Electr. Power Syst. Res. 2017, 311–325. [Google Scholar] [CrossRef]
- Bains, T.P.S.; Sidhu, T.S.; Xu, Z.; Voloh, I.; Zadeh, M.R.D. Impedance-Based Fault Location Algorithm for Ground Faults in Series-Capacitor-Compensated Transmission Lines. IEEE Trans. Power Deliv. 2018, 33, 189–199. [Google Scholar] [CrossRef]
- Butler, J.W.; Concordia, C. Analysis of Series Capacitor Application Problems. Trans. Am. Inst. Electr. Eng. 1937, 56, 975–988. [Google Scholar] [CrossRef]
- Edris, A. Series compensation schemes reducing the potential of subsynchronous resonance. IEEE Trans. Power Syst. 1990, 5, 219–226. [Google Scholar] [CrossRef]
- Hedin, R.A.; Weiss, S.; Torgerson, D.; Eilts, L.E. SSR characteristics of alternative types of series compensation schemes. IEEE Trans. Power Syst. 1995, 10, 845–852. [Google Scholar] [CrossRef]
- Iravani, M.R.; Edris, A. Eigen analysis of series compensation schemes reducing the potential of subsynchronous resonance. IEEE Trans. Power Syst. 1995, 10, 876–883. [Google Scholar] [CrossRef]
- Baker, D.H.; Boukarim, G.E.; D’Aquila, R.; Piwko, R.J. Subsynchronous resonance studies and mitigation methods for series capacitor applications. In Proceedings of the 2005 IEEE Power Engineering Society Inaugural Conference and Exposition in Africa, Durban, South Africa, 11–15 July 2005; pp. 386–392. [Google Scholar]
- Nilsson, S.L. Apparatus for Controlling the Reactive Impedance of a Transmission Line. U.S. Patent US4999565, 12 March 1990. [Google Scholar]
- Hingorani, N.G. Transmission Line Power Flow Controller. U.S. Patent US5420495A, 19 April 1993. [Google Scholar]
- Angquist, L.; Lundin, B.; Samuelsson, J. Power oscillation damping using controlled reactive power compensation-a comparison between series and shunt approaches. IEEE Trans. Power Syst. 1993, 8, 687–700. [Google Scholar] [CrossRef]
- Jaewon, C.; Chow, J.H. Time-optimal series capacitor control for damping interarea modes in interconnected power systems. IEEE Trans. Power Syst. 1997, 12, 215–221. [Google Scholar] [CrossRef]
- Johansson, N.; Angquist, L.; Nee, H. An Adaptive Controller for Power System Stability Improvement and Power Flow Control by Means of a Thyristor Switched Series Capacitor (TSSC). IEEE Trans. Power Syst. 2010, 25, 381–391. [Google Scholar] [CrossRef]
- Vithayathil, J.J. Scheme for Rapid Adjustment of Network Impedance. U.S. Patent US5032738A, 16 July 1986. Available online: https://patents.google.com/patent/US5032738A (accessed on 17 March 2021).
- Vithayathil, J.; Taylor, C.; Klinger, M.; Mittelstadt, W. Case Studies of Conventional and Novel Methods of Reactive Power Control on an AC Transmission System; CIGRE Paper 38-02; CIGRE: Paris, France, 1986. [Google Scholar]
- Courts, A.L.; Hingorani, N.G.; Stemler, G.E. A New Series Capacitor Protection Scheme Using Nonlinear Resistors. IEEE Trans. Power Appar. Syst. 1978, PAS-97, 1042–1052. [Google Scholar] [CrossRef]
- Mathur, R.M.; Varma, R.K. The ThyristorControlled Series Capacitor (TCSC). In Thyristor-Based FACTS Controllers for Electrical Transmission Systems; Wiley-IEEE Press: Piscataway, NJ, USA, 2002; pp. 277–314. [Google Scholar] [CrossRef]
- Nilsson, S.; Aho, J.; Chandrasena, W.; Gama, C.; Shen, H.; Powers, K.; Reynolds, M.; Rudin, A.; Santo, S.; Sen, S.; et al. Reviews of existing thyristor control series capacitor devices—TCSC. In Performance Evaluation and Applications; Technical Brochure No. 554; CIGRE Working Group B4-49; CIGRE: Paris, France, 2013. [Google Scholar]
- Chaudhuri, B.; Pal, B.C. Robust damping of multiple swing modes employing global stabilizing signals with a TCSC. IEEE Trans. Power Syst. 2004, 19, 499–506. [Google Scholar] [CrossRef]
- Noroozian, M.; Angquist, L.; Ghandhari, M.; Andersson, G. Improving power system dynamics by series-connected FACTS devices. IEEE Trans. Power Deliv. 1997, 12, 1635–1641. [Google Scholar] [CrossRef]
- Canizares, C.A. Power flow and transient stability models of FACTS controllers for voltage and angle stability studies. In Proceedings of the 2000 IEEE Power Engineering Society Winter Meeting. Conference Proceedings (Cat. No.00CH37077), Singapore, 23–27 January 2000; Volume 2, pp. 1447–1454. [Google Scholar] [CrossRef]
- Halder, A.; Pal, N.; Mondal, D. Transient Stability Analysis of a Multimachine Power System with TCSC Controller—A Zero Dynamic Design Approach. Int. J. Electr. Power Energy Syst. 2018, 51–71. [Google Scholar] [CrossRef]
- Colvara, L.D.; Araujo, S.C.B.; Festraits, E.B. Stability analysis of power system including facts (TCSC) effects by direct method approach. Int. J. Electr. Power Energy Syst. 2005, 264–274. [Google Scholar] [CrossRef]
- Mattavelli, P.; Stankovic, A.M.; Verghese, G.C. SSR analysis with dynamic phasor model of thyristor-controlled series capacitor. IEEE Trans. Power Syst. 1999, 14, 200–208. [Google Scholar] [CrossRef]
- Torgerson, D.; Allaire, J.; Chakravorty, S.; Clark, K.; Edris, A.; Gama, C.; George, T.; Kinney, S.; Othman, H.A. Thyristor Controlled Series Capacitor—TCSC; CIGRE Working Group 14.18; CIGRE: Paris, France, 1997. [Google Scholar]
- Li, B.H.; Wu, Q.H.; Wang, P.Y.; Zhou, X.X. Influence of the transient process of TCSC and MOV on power system stability. IEEE Trans. Power Syst. 2000, 15, 798–803. [Google Scholar] [CrossRef]
- Sode-Yome, A.; Mithulananthan, N.; Lee, K.Y. Static Voltage Stability Margin Enhancement Using STATCOM, TCSC and SSSC. In Proceedings of the 2005 IEEE/PES Transmission Distribution Conference Exposition: Asia and Pacific, Dalian, China, 18 August 2005; pp. 1–6. [Google Scholar]
- Mathur, R.M.; Varma, R.K. TTCSC Applications. In Thyristor-Based FACTS Controllers for Electrical Transmission Systems; John Wiley & Sons: Hoboken, NJ, USA, 2002; pp. 315–358. [Google Scholar] [CrossRef]
- Orfanogianni, T.; Bacher, R. Steady-state optimization in power systems with series FACTS devices. IEEE Trans. Power Syst. 2003, 18, 19–26. [Google Scholar] [CrossRef]
- Duong, T.; JianGang, Y.; Truong, V. A new method for secured optimal power flow under normal and network contingencies via optimal location of TCSC. Int. J. Electr. Power Energy Syst. 2013, 68–80. [Google Scholar] [CrossRef]
- Verma, K.S.; Singh, S.N.; Gupta, H.O. FACTS devices location for enhancement of total transfer capability. In Proceedings of the 2001 IEEE Power Engineering Society Winter Meeting. Conference Proceedings (Cat. No.01CH37194), Columbus, OH, USA, 28 January–1 February 2001; Volume 2, pp. 522–527. [Google Scholar] [CrossRef]
- Shanmukha Sundar, K.; Ravikumar, H. Selection of TCSC location for secured optimal power flow under normal and network contingencies. Int. J. Electr. Power Energy Syst. 2012, 29–37. [Google Scholar] [CrossRef]
- Wartana, I.M.; Singh, J.G.; Ongsakul, W.; Agustini, N.P. Optimal Placement of a Series FACTS Controller in Java-Bali 24-bus Indonesian System for Maximizing System Loadability by Evolutionary Optimization Technique. In Proceedings of the 2012 Third International Conference on Intelligent Systems Modelling and Simulation, Kota Kinabalu, Malaysia, 8–10 February 2012; pp. 516–521. [Google Scholar]
- Cai, L.J.; Erlich, I.; Stamtsis, G. Optimal choice and allocation of FACTS devices in deregulated electricity market using genetic algorithms. In Proceedings of the IEEE PES Power Systems Conference and Exposition, New York, NY, USA, 10–13 October 2004; Volume 1, pp. 201–207. [Google Scholar] [CrossRef]
- Mithulananthan, N.A.N. Locating series FACTS devices for congestion management in deregulated electricity markets. Electr. Power Syst. Res. 2007, 352–360. [Google Scholar] [CrossRef]
- Ziaee, O.; Choobineh, F.F. Thyristor-controlled switch capacitor placement in large-scale power systems via mixed integer linear programming and Taylor series expansion. In Proceedings of the 2014 IEEE PES General Meeting|Conference Exposition, National Harbor, MD, USA, 27–31 July 2014; pp. 1–5. [Google Scholar]
- Lee, K.H. Optimal siting of TCSC for reducing congestion cost by using shadow prices. Int. J. Electr. Power Energy Syst. 2002, 647–653. [Google Scholar] [CrossRef]
- Kulkarni, P.P.; Ghawghawe, N.D. Optimal placement and parameter setting of TCSC in power transmission system to increase the power transfer capability. In Proceedings of the 2015 International Conference on Energy Systems and Applications, Pune, India, 30 October–1 November 2015; pp. 735–739. [Google Scholar] [CrossRef]
- Besharat, H.; Taher, S.A. Congestion management by determining optimal location of TCSC in deregulated power systems. Int. J. Electr. Power Energy Syst. 2008, 563–568. [Google Scholar] [CrossRef]
- Kazemi, A.; Badrzadeh, B. Modeling and simulation of SVC and TCSC to study their limits on maximum loadability point. Int. J. Electr. Power Energy Syst. 2004, 619–626. [Google Scholar] [CrossRef]
- Ghawghawe, N.D.; Thakre, K.L. Computation of TCSC reactance and suggesting criterion of its location for ATC improvement. Int. J. Electr. Power Energy Syst. 2009, 86–93. [Google Scholar] [CrossRef]
- Dawn, S.; Tiwari, P.K. Improvement of economic profit by optimal allocation of TCSC & UPFC with wind power generators in double auction competitive power market. Int. J. Electr. Power Energy Syst. 2016, 190–201. [Google Scholar] [CrossRef]
- Rashed, G.I.; Shaheen, H.I.; Cheng, S.J. Optimal Location and Parameter Settings of Multiple TCSCs for Increasing Power System Loadability Based on GA and PSO Techniques. In Proceedings of the Third International Conference on Natural Computation (ICNC 2007), Haikou, China, 24–27 August 2007; Volume 4, pp. 335–344. [Google Scholar] [CrossRef]
- Reddy, K.R.S.; Padhy, N.P.; Patel, R.N. Congestion management in deregulated power system using FACTS devices. In Proceedings of the 2006 IEEE Power India Conference, New Delhi, India, 10–12 April 2006; p. 8. [Google Scholar] [CrossRef]
- Rashidinejad, M.; Farahmand, H.; Fotuhi-Firuzabad, M.; Gharaveisi, A.A. ATC enhancement using TCSC via artificial intelligent techniques. Electr. Power Syst. Res. 2008, 11–20. [Google Scholar] [CrossRef]
- Gerbex, S.; Cherkaoui, R.; Germond, A.J. Optimal location of FACTS devices to enhance power system security. In Proceedings of the 2003 IEEE Bologna Power Tech Conference Proceedings, Bologna, Italy, 23–26 June 2003; Volume 3, p. 7. [Google Scholar] [CrossRef]
- Saravanan, M.; Slochanal, S.M.R.; Venkatesh, P.; Abraham, P.S. Application of PSO technique for optimal location of FACTS devices considering system loadability and cost of installation. In Proceedings of the 2005 International Power Engineering Conference, Singapore, 29 November–2 December 2005; Volume 2, pp. 716–721. [Google Scholar] [CrossRef]
- Mondal, D.; Chakrabarti, A.; Sengupta, A. Optimal placement and parameter setting of SVC and TCSC using PSO to mitigate small signal stability problem. Int. J. Electr. Power Energy Syst. 2012, 334–340. [Google Scholar] [CrossRef]
- Rezaee Jordehi, A.; Jasni, J.; Abd Wahab, N.; Kadir, M.; Javadi, M. Enhanced leader PSO (ELPSO): A new algorithm for allocating distributed TCSC’s in power systems. Int. J. Electr. Power Energy Syst. 2015, 771–784. [Google Scholar] [CrossRef]
- Nagalakshmi, S.; Kamaraj, N. On-line evaluation of loadability limit for pool model with TCSC using back propagation neural network. Int. J. Electr. Power Energy Syst. 2013, 52–60. [Google Scholar] [CrossRef]
- Bhasaputra, P.; Ongsakul, W. Optimal placement of multi-type FACTS devices by hybrid TS/SA approach. In Proceedings of the 2003 International Symposium on Circuits and Systems, (ISCAS ’03), Bangkok, Thailand, 25–28 May 2003; Volume 3. [Google Scholar] [CrossRef]
- Benabid, R.; Boudour, M.; Abido, M.A. Optimal location and setting of SVC and TCSC devices using non-dominated sorting particle swarm optimization. Electr. Power Syst. Res. 2009, 1668–1677. [Google Scholar] [CrossRef]
- Bruno, S.; De Carne, G.; La Scala, M. Transmission Grid Control Through TCSC Dynamic Series Compensation. IEEE Trans. Power Syst. 2016, 31, 3202–3211. [Google Scholar] [CrossRef]
- Shubhanga, K.N.; Kulkarni, A.M. Application of structure preserving energy margin sensitivity to determine the effectiveness of shunt and series FACTS devices. IEEE Trans. Power Syst. 2002, 17, 730–738. [Google Scholar] [CrossRef]
- Hingorani, N.G. A New Scheme for Subsynchronous Resonance Damping of Torsional Oscillations and Transient Torque—Part I. IEEE Trans. Power Appar. Syst. 1981, PAS-100, 1852–1855. [Google Scholar] [CrossRef]
- Piwko, R.J.; Wegner, C.A.; Kinney, S.J.; Eden, J.D. Subsynchronous resonance performance tests of the Slatt thyristor-controlled series capacitor. IEEE Trans. Power Deliv. 1996, 11, 1112–1119. [Google Scholar] [CrossRef]
- Rajaraman, R.; Dobson, I.; Lasseter, R.H.; Shern, Y. Computing the damping of subsynchronous oscillations due to a thyristor controlled series capacitor. IEEE Trans. Power Deliv. 1996, 11, 1120–1127. [Google Scholar] [CrossRef]
- Mohammadpour, H.A.; Islam, M.M.; Santi, E.; Shin, Y. SSR Damping in Fixed-Speed Wind Farms Using Series FACTS Controllers. IEEE Trans. Power Deliv. 2016, 31, 76–86. [Google Scholar] [CrossRef]
- Dash, P.K.; Mishra, S.; Panda, G. Damping multimodal power system oscillation using a hybrid fuzzy controller for series connected FACTS devices. IEEE Trans. Power Syst. 2000, 15, 1360–1366. [Google Scholar] [CrossRef]
- Hameed, S.; Das, B.; Pant, V. A self-tuning fuzzy PI controller for TCSC to improve power system stability. Electr. Power Syst. Res. 2008, 1726–1735. [Google Scholar] [CrossRef]
- Khan, L.; Lo, K.L. Hybrid micro-GA based FLCs for TCSC and UPFC in a multi-machine environment. Electr. Power Syst. Res. 2006, 832–843. [Google Scholar] [CrossRef]
- Hameed, S.; Das, B.; Pant, V. Reduced rule base self-tuning fuzzy PI controller for TCSC. Int. J. Electr. Power Energy Syst. 2010, 1005–1013. [Google Scholar] [CrossRef]
- Bakhshi, M.; Holakooie, M.H.; Rabiee, A. Fuzzy based damping controller for TCSC using local measurements to enhance transient stability of power systems. Int. J. Electr. Power Energy Syst. 2017, 12–21. [Google Scholar] [CrossRef]
- Tripathy, M.; Mishra, S. Interval type-2-based thyristor controlled series capacitor to improve power system stability. Iet Gener. Transm. Distrib. 2011, 5, 209–222. [Google Scholar] [CrossRef]
- Mohamed, A.A.A.; El-Gaafary, A.A.; Mohamed, Y.S.; Hemeida, A.M. Multi-objective states of matter search algorithm for TCSC-based smart controller design. Electr. Power Syst. Res. 2016, 874–885. [Google Scholar] [CrossRef]
- Taranto, G.N.; Chow, J.H. A robust frequency domain optimization technique for tuning series compensation damping controllers. IEEE Trans. Power Syst. 1995, 10, 1219–1225. [Google Scholar] [CrossRef]
- Sadikovic, R.; Korba, P.; Andersson, G. Application of FACTS devices for damping of power system oscillations. In Proceedings of the 2005 IEEE Russia Power Tech, St. Petersburg, Russia, 27–30 June 2005; pp. 1–6. [Google Scholar] [CrossRef]
- Zhao, Q.; Jiang, J. A TCSC damping controller design using robust control theory. Int. J. Electr. Power Energy Syst. 1998, 25–33. [Google Scholar] [CrossRef]
- Ishimaru, M.; Yokoyama, R.; Shirai, G.; Niimura, T. Robust thyristor-controlled series capacitor controller design based on linear matrix inequality for a multi-machine power system. Int. J. Electr. Power Energy Syst. 2002, 621–629. [Google Scholar] [CrossRef]
- Cai, Z.; Zhu, L.; Lan, Z.; Gan, D.; Ni, Y.; Shi, L.; Bi, T. A study on robust adaptive modulation controller for TCSC based on COI signal in interconnected power systems. Electr. Power Syst. Res. 2008, 147–157. [Google Scholar] [CrossRef]
- Son, K.M.; Park, J.K. On the robust LQG control of TCSC for damping power system oscillations. IEEE Trans. Power Syst. 2000, 15, 1306–1312. [Google Scholar] [CrossRef]
- Ferreira, A.M.; Barreiros, J.A.; Barra, W., Jr.; Brito-de-Souza, J.R. A robust adaptive LQG/LTR TCSC controller applied to damp power system oscillations. Electr. Power Syst. Res. 2007, 956–964. [Google Scholar] [CrossRef]
- Zare, K.; Hagh, M.T.; Morsali, J. Effective oscillation damping of an interconnected multi-source power system with automatic generation control and TCSC. Int. J. Electr. Power Energy Syst. 2015, 220–230. [Google Scholar] [CrossRef]
- Jamnani, J.G.; Pandya, M. Coordination of SVC and TCSC for Management of Power Flow by Particle Swarm Optimization. Energy Procedia 2019, 321–326. [Google Scholar] [CrossRef]
- Abido, M. Pole placement technique for PSS and TCSC-based stabilizer design using simulated annealing. Int. J. Electr. Power Energy Syst. 2000, 543–554. [Google Scholar] [CrossRef]
- Abdel-Magid, Y.L.; Abido, M.A. Robust coordinated design of excitation and TCSC-based stabilizers using genetic algorithms. Electr. Power Syst. Res. 2004, 129–141. [Google Scholar] [CrossRef]
- Fan, L.; Feliachi, A.; Schoder, K. Selection and design of a TCSC control signal in damping power system inter-area oscillations for multiple operating conditions. Electr. Power Syst. Res. 2002, 127–137. [Google Scholar] [CrossRef]
- Hasanvand, H.; Arvan, M.R.; Mozafari, B.; Amraee, T. Coordinated design of PSS and TCSC to mitigate interarea oscillations. Int. J. Electr. Power Energy Syst. 2016, 194–206. [Google Scholar] [CrossRef]
- Maddela, C.O.; Subudhi, B. Robust wide-area TCSC controller for damping enhancement of inter-area oscillations in an interconnected power system with actuator saturation. Int. J. Electr. Power Energy Syst. 2019, 478–487. [Google Scholar] [CrossRef]
- Ali, E.S.; Abd-Elazim, S.M. Coordinated design of PSSs and TCSC via bacterial swarm optimization algorithm in a multimachine power system. Int. J. Electr. Power Energy Syst. 2012, 84–92. [Google Scholar] [CrossRef]
- Ali, E.S.; Abd-Elazim, S.M. TCSC damping controller design based on bacteria foraging optimization algorithm for a multimachine power system. Int. J. Electr. Power Energy Syst. 2012, 23–30. [Google Scholar] [CrossRef]
- Lei, X.; Li, X.; Povh, D. A nonlinear control for coordinating TCSC and generator excitation to enhance the transient stability of long transmission systems. Electr. Power Syst. Res. 2001, 103–109. [Google Scholar] [CrossRef]
- Tripathy, M.; Mishra, S. Coordinated tuning of PSS and TCSC to improve Hopf Bifurcation margin in multimachine power system by a modified Bacteria Foraging Algorithm. Int. J. Electr. Power Energy Syst. 2015, 97–109. [Google Scholar] [CrossRef]
- Eslami, M.; Shareef, H.; Mohamed, A.; Khajehzadeh, M. PSS and TCSC Damping Controller Coordinated Design Using GSA. Energy Procedia 2012, 763–769. [Google Scholar] [CrossRef]
- Elenius, S.; Uhlen, K.; Lakervi, E. Effects of controlled shunt and series compensation on damping in the Nordel system. IEEE Trans. Power Syst. 2005, 20, 1946–1957. [Google Scholar] [CrossRef]
- Angquist, L.; Gama, C. Damping algorithm based on phasor estimation. In Proceedings of the 2001 IEEE Power Engineering Society Winter Meeting. Conference Proceedings (Cat. No.01CH37194), Columbus, OH, USA, 28 January–1 February 2001; Volume 3, pp. 1160–1165. [Google Scholar] [CrossRef]
- Padiyar, K.R.; Rao, K.U. Discrete control of series compensation for stability improvement in power systems. Int. J. Electr. Power Energy Syst. 1997, 311–319. [Google Scholar] [CrossRef]
- Alam, M.S.; Shafiullah, M.; Hossain, M.I.; Hasan, M.N. Enhancement of power system damping employing TCSC with genetic algorithm based controller design. In Proceedings of the 2015 International Conference on Electrical Engineering and Information Communication Technology (ICEEICT), Savar, Bangladesh, 21–23 May 2015; pp. 1–5. [Google Scholar] [CrossRef]
- Del Rosso, A.D.; Canizares, C.A.; Dona, V.M. A study of TCSC controller design for power system stability improvement. IEEE Trans. Power Syst. 2003, 18, 1487–1496. [Google Scholar] [CrossRef]
- Li, C.; Xiao, L.; Cao, Y.; Zhu, Q.; Fang, B.; Tan, Y.; Zeng, L. Optimal allocation of multi-type FACTS devices in power systems based on power flow entropy. J. Mod. Power Syst. Clean Energy 2014, 173–180. [Google Scholar] [CrossRef]
- Li, B.H.; Wu, Q.H.; Turner, D.R.; Wang, P.Y.; Zhou, X.X. Modelling of TCSC dynamics for control and analysis of power system stability. Int. J. Electr. Power Energy Syst. 2000, 43–49. [Google Scholar] [CrossRef]
- Ambriz-Perez, H.; Acha, E.; Fuerte-Esquivel, C.R. TCSC-firing angle model for optimal power flow solutions using Newton’s method. Int. J. Electr. Power Energy Syst. 2006, 77–85. [Google Scholar] [CrossRef]
- Chatterjee, D.; Ghosh, A. TCSC control design for transient stability improvement of a multi-machine power system using trajectory sensitivity. Electr. Power Syst. Res. 2007, 470–483. [Google Scholar] [CrossRef]
- Dash, P.K.; Pradhan, A.K.; Panda, G.; Liew, A.C. Digital protection of power transmission lines in the presence of series connected FACTS devices. In Proceedings of the 2000 IEEE Power Engineering Society Winter Meeting. Conference Proceedings (Cat. No.00CH37077), Singapore, 23–27 January 2000; Volume 3, pp. 1967–1972. [Google Scholar]
- Weiguo, W.; Xianggen, Y.; Jiang, Y.; Xianzhong, D.; Deshu, C. The impact of TCSC on distance protection relay. In Proceedings of the POWERCON ’98. 1998 International Conference on Power System Technology, Proceedings (Cat. No.98EX151), Beijing, China, 18–21 August 1998; Volume 1, pp. 382–388. [Google Scholar] [CrossRef]
- Li, S. Power flow control effect with TCSC on operation margin of zone 3 impedance relays. Int. J. Electr. Power Energy Syst. 2010, 998–1004. [Google Scholar] [CrossRef]
- Sahoo, B.; Samantaray, S.R. An enhanced fault detection and location estimation method for TCSC compensated line connecting wind farm. Int. J. Electr. Power Energy Syst. 2018, 432–441. [Google Scholar] [CrossRef]
- Nobakhti, S.M.; Akhbari, M. A new algorithm for fault location in series compensated transmission lines with TCSC. Int. J. Electr. Power Energy Syst. 2014, 79–89. [Google Scholar] [CrossRef]
- Acharya, N.; Mithulananthan, N. Influence of TCSC on congestion and spot price in electricity market with bilateral contract. Electr. Power Syst. Res. 2007, 1010–1018. [Google Scholar] [CrossRef]
- Billinton, R.; Fotuhi-Firuzabad, M.; Faried, S.O. Power system reliability enhancement using a thyristor controlled series capacitor. IEEE Trans. Power Syst. 1999, 14, 369–374. [Google Scholar] [CrossRef]
- Benchaib, A.; Poullain, S.; Weiler, Y. Control System and a Method of Controlling a TCSC in an Electrical Transmission Network, in Particular by an Approach Using Sliding Modes. U.S. Patent US20100292863A1, 24 April 2007. Available online: https://patents.google.com/patent/US20100292863A1 (accessed on 17 March 2021).
- Larsen, E.V.; Nyati, S.; Eitzmann, M.A.; Urbanek, J.; Clark, K. Transient Damping Thyristor Controlled Series Capacitor System. U.S. Patent US5374853A, 20 December 1993. Available online: https://patents.google.com/patent/US5374853A (accessed on 17 March 2021).
- De Souza, L.F.W.; Watanabe, E.H.; Aredes, M. GTO controlled series capacitors: Multi-module and multi-pulse arrangements. IEEE Trans. Power Deliv. 2000, 15, 725–731. [Google Scholar] [CrossRef]
- de Jesus, F.D.; Watanabe, E.H.; de Souza, L.F.W.; Alves, J.E.R. SSR and Power Oscillation Damping Using Gate-Controlled Series Capacitors (GCSC). IEEE Trans. Power Deliv. 2007, 22, 1806–1812. [Google Scholar] [CrossRef]
- Alizadeh Pahlavani, M.R.; Mohammadpour, H.A. Damping of sub-synchronous resonance and low-frequency power oscillation in a series-compensated transmission line using gate-controlled series capacitor. Electr. Power Syst. Res. 2011, 308–317. [Google Scholar] [CrossRef]
- Morsali, J.; Zare, K.; Tarafdar Hagh, M. MGSO optimised TID-based GCSC damping controller in coordination with AGC for diverse-GENCOs multi-DISCOs power system with considering GDB and GRC non-linearity effects. IET Gener. Transm. Distrib. 2017, 11, 193–208. [Google Scholar] [CrossRef]
- Sen, K.K. SSSC-static synchronous series compensator: Theory, modeling, and application. IEEE Trans. Power Deliv. 1998, 13, 241–246. [Google Scholar] [CrossRef]
- Edris, A.A.C.; Chow, J.; Watanabe, E.; Barbosa, P.; Halvarsson, P.; Angquist, L.; Fardenesh, B.; Uzunovic, E.; Huang, A.; Tyll, H.; et al. Static synchronous series compensator (SSSC); Technical Brochure No. 371, CIGRE Working Group B4-40; CIGRE: Paris, France, 2009. [Google Scholar]
- Vinkovic, A.; Mihalic, R. A current-based model of the static synchronous series compensator (SSSC) for Newton—Raphson power flow. Electr. Power Syst. Res. 2008, 1806–1813. [Google Scholar] [CrossRef]
- Kamel, S.; Jurado, F.; Chen, Z. Power flow control for transmission networks with implicit modeling of static synchronous series compensator. Int. J. Electr. Power Energy Syst. 2015, 911–920. [Google Scholar] [CrossRef]
- Zhang, Y.; Zhang, Y. A novel power injection model of embedded SSSC with multi-control modes for power flow analysis inclusive of practical constraints. Electr. Power Syst. Res. 2006, 374–381. [Google Scholar] [CrossRef]
- Zhang, X.-P. Advanced modeling of the multicontrol functional static synchronous series compensator (SSSC) in Newton power flow. IEEE Trans. Power Syst. 2003, 18, 1410–1416. [Google Scholar] [CrossRef]
- Pradhan, A.C.; Lehn, P.W. Frequency-domain analysis of the static synchronous series compensator. IEEE Trans. Power Deliv. 2006, 21, 440–449. [Google Scholar] [CrossRef]
- Eremia, M.; Liu, C.C.; Edris, A.A. Static Synchronous Series Compensator (SSSC). In Advanced Solutions in Power Systems: HVDC, FACTS, and Artificial Intelligence; IEEE Press: Piscataway, NJ, USA; John Wiley & Sons: Hoboken, NJ, USA, 2016; pp. 527–557. [Google Scholar] [CrossRef]
- Pillai, G.N.; Ghosh, A.; Joshi, A. Torsional interaction studies on a power system compensated by SSSC and fixed capacitor. IEEE Trans. Power Deliv. 2003, 18, 988–993. [Google Scholar] [CrossRef]
- Sunil Kumar, L.; Ghosh, A. Modeling and control design of a static synchronous series compensator. IEEE Trans. Power Deliv. 1999, 14, 1448–1453. [Google Scholar] [CrossRef]
- Pillai, G.N.; Ghosh, A.; Joshi, A. Torsional oscillation studies in an SSSC compensated power system. Electr. Power Syst. Res. 2000, 57–64. [Google Scholar] [CrossRef]
- Han, B.; Baek, S.; Kim, H.; Karady, G. Dynamic characteristic analysis of SSSC based on multibridge inverter. IEEE Trans. Power Deliv. 2002, 17, 623–629. [Google Scholar] [CrossRef]
- Griffo, A.; Lauria, D. Two-Leg Three-Phase Inverter Control for STATCOM and SSSC Applications. IEEE Trans. Power Deliv. 2008, 23, 361–370. [Google Scholar] [CrossRef]
- El-Zonkoly, A. Optimal sizing of SSSC controllers to minimize transmission loss and a novel model of SSSC to study transient response. Electr. Power Syst. Res. 2008, 1856–1864. [Google Scholar] [CrossRef]
- Natesan, R.; Radman, G. Effects of STATCOM, SSSC and UPFC on voltage stability. In Proceedings of the Thirty-Sixth Southeastern Symposium on System Theory, Atlanta, GA, USA, 16 March 2004; pp. 546–550. [Google Scholar] [CrossRef]
- Devi, S.; Geethanjali, M. Optimal location and sizing of Distribution Static Synchronous Series Compensator using Particle Swarm Optimization. Int. J. Electr. Power Energy Syst. 2014, 646–653. [Google Scholar] [CrossRef]
- Wang, H. Static synchronous series compensator to damp power system oscillations. Electr. Power Syst. Res. 2000, 113–119. [Google Scholar] [CrossRef]
- Wang, H.F. Design of SSSC damping controller to improve power system oscillation stability. In Proceedings of the 1999 IEEE Africon. 5th Africon Conference in Africa (Cat. No.99CH36342), Cape Town, South Africa, 28 September–1 October 1999; Volume 1, pp. 495–500. [Google Scholar]
- Al-Jowder, F. Improvement of synchronizing power and damping power by means of SSSC and STATCOM: A comparative study. Electr. Power Syst. Res. 2007, 1112–1117. [Google Scholar] [CrossRef]
- Tarafdar Hagh, M.; Sharifian, M.; Galvani, S. Impact of SSSC and STATCOM on power system predictability. Int. J. Electr. Power Energy Syst. 2014, 159–167. [Google Scholar] [CrossRef]
- Haque, M. Damping improvement by FACTS devices: A comparison between STATCOM and SSSC. Electr. Power Syst. Res. 2006, 865–872. [Google Scholar] [CrossRef]
- Norouzi, A.H.; Sharaf, A.M. Two control schemes to enhance the dynamic performance of the STATCOM and SSSC. IEEE Trans. Power Deliv. 2005, 20, 435–442. [Google Scholar]
- El-Moursi, M.S.; Sharaf, A.M. Novel controllers for the 48-pulse VSC STATCOM and SSSC for voltage regulation and reactive power compensation. IEEE Trans. Power Syst. 2005, 20, 1985–1997. [Google Scholar] [CrossRef]
- Chen, J.; Lie, T.T.; Vilathgamuwa, D.M. Damping of power system oscillations using SSSC in real-time implementation. Int. J. Electr. Power Energy Syst. 2004, 357–364. [Google Scholar] [CrossRef]
- Truong, D.N.; Ngo, V.T. Designed damping controller for SSSC to improve stability of a hybrid offshore wind farms considering time delay. Int. J. Electr. Power Energy Syst. 2015, 425–431. [Google Scholar] [CrossRef]
- Panda, S. Multi-objective evolutionary algorithm for SSSC-based controller design. Electr. Power Syst. Res. 2009, 937–944. [Google Scholar] [CrossRef]
- Bhukya, J.; Mahajan, V. Optimization of damping controller for PSS and SSSC to improve stability of interconnected system with DFIG based wind farm. Int. J. Electr. Power Energy Syst. 2019, 314–335. [Google Scholar] [CrossRef]
- Morsali, J.; Zare, K.; Hagh, M.T. A novel dynamic model and control approach for SSSC to contribute effectively in AGC of a deregulated power system. Int. J. Electr. Power Energy Syst. 2018, 239–253. [Google Scholar] [CrossRef]
- Khadanga, R.K.; Satapathy, J.K. Time delay approach for PSS and SSSC based coordinated controller design using hybrid PSO—GSA algorithm. Int. J. Electr. Power Energy Syst. 2015, 262–273. [Google Scholar] [CrossRef]
- Movahedi, A.; Niasar, A.H.; Gharehpetian, G.B. Designing SSSC, TCSC, and STATCOM controllers using AVURPSO, GSA, and GA for transient stability improvement of a multi-machine power system with PV and wind farms. Int. J. Electr. Power Energy Syst. 2019, 455–466. [Google Scholar] [CrossRef]
- Panda, S.; Yegireddy, N.K.; Mohapatra, S.K. Hybrid BFOA—PSO approach for coordinated design of PSS and SSSC-based controller considering time delays. Int. J. Electr. Power Energy Syst. 2013, 221–233. [Google Scholar] [CrossRef]
- Abd Elazim, S.; Ali, E. Optimal SSSC design for damping power systems oscillations via Gravitational Search Algorithm. Int. J. Electr. Power Energy Syst. 2016, 161–168. [Google Scholar] [CrossRef]
- Jowder, F.A.L. Influence of mode of operation of the SSSC on the small disturbance and transient stability of a radial power system. IEEE Trans. Power Syst. 2005, 20, 935–942. [Google Scholar] [CrossRef]
- Castro, M.S.; Ayres, H.M.; Da Costa, V.F.; Da Silva, L.C.P. Impacts of the SSSC control modes on small-signal and transient stability of a power system. Electr. Power Syst. Res. 2007, 1–9. [Google Scholar] [CrossRef]
- de Dieu Nguimfack-Ndongmo, J.; Kenné, G.; Kuate-Fochie, R.; Cheukem, A.; Fotsin, H.B.; Lamnabhi-Lagarrigue, F. A simplified nonlinear controller for transient stability enhancement of multimachine power systems using SSSC device. Int. J. Electr. Power Energy Syst. 2014, 650–657. [Google Scholar] [CrossRef]
- Mihalic, R.; Gabrijel, U. A structure-preserving energy function for a static series synchronous compensator. IEEE Trans. Power Syst. 2004, 19, 1501–1507. [Google Scholar] [CrossRef]
- Gholipour, E.; Nosratabadi, S.M. A new coordination strategy of SSSC and PSS controllers in power system using SOA algorithm based on Pareto method. Int. J. Electr. Power Energy Syst. 2015, 462–471. [Google Scholar] [CrossRef]
- Ngamroo, I.; Kongprawechnon, W. A robust controller design of SSSC for stabilization of frequency oscillations in interconnected power systems. Electr. Power Syst. Res. 2003, 161–176. [Google Scholar] [CrossRef]
- Mihalič, R.; Papič, I. Static synchronous series compensator—A mean for dynamic power flow control in electric power systems. Electr. Power Syst. Res. 1998, 65–72. [Google Scholar] [CrossRef]
- Bongiorno, M.; Angquist, L.; Svensson, J. A Novel Control Strategy for Subsynchronous Resonance Mitigation Using SSSC. IEEE Trans. Power Deliv. 2008, 23, 1033–1041. [Google Scholar] [CrossRef]
- Bongiorno, M.; Svensson, J.; Angquist, L. Single-Phase VSC Based SSSC for Subsynchronous Resonance Damping. IEEE Trans. Power Deliv. 2008, 23, 1544–1552. [Google Scholar] [CrossRef]
- Rai, D.; Faried, S.O.; Ramakrishna, G.; Edris, A. An SSSC-Based Hybrid Series Compensation Scheme Capable of Damping Subsynchronous Resonance. IEEE Trans. Power Deliv. 2012, 27, 531–540. [Google Scholar] [CrossRef]
- Jowder, F.A.R.A.; Ooi, B.-T. Series compensation of radial power system by a combination of SSSC and dielectric capacitors. IEEE Trans. Power Deliv. 2005, 20, 458–465. [Google Scholar]
- Farahani, M. Damping of subsynchronous oscillations in power system using static synchronous series compensator. IET Gener. Transm. Distrib. 2012, 6, 539–544. [Google Scholar] [CrossRef]
- Rajaram, T.; Reddy, J.M.; Xu, Y. Kalman Filter Based Detection and Mitigation of Subsynchronous Resonance with SSSC. IEEE Trans. Power Syst. 2017, 32, 1400–1409. [Google Scholar]
- Widyan, M.S. Controlling chaos and bifurcations of SMIB power system experiencing SSR phenomenon using SSSC. Int. J. Electr. Power Energy Syst. 2013, 66–75. [Google Scholar] [CrossRef]
- Awad, H.; Nelsen, H.; Blaabjerg, F.; Newman, M.J. Operation of static series compensator under distorted utility conditions. IEEE Trans. Power Syst. 2005, 20, 448–457. [Google Scholar] [CrossRef]
- Qader, M. A novel strategic-control-based Distribution Static Synchronous Series Compensator (DSSSC) for power quality improvement. Int. J. Electr. Power Energy Syst. 2015, 1106–1118. [Google Scholar] [CrossRef]
- Ghorbani, A.; Mozafari, B.; Ranjbar, A.M. Digital distance protection of transmission lines in the presence of SSSC. Int. J. Electr. Power Energy Syst. 2012, 712–719. [Google Scholar] [CrossRef]
- Abdollahzadeh, H.; Mozafari, B.; Jazaeri, M. Realistic insights into impedance seen by distance relays of a SSSC-compensated transmission line incorporating shunt capacitance of line. Int. J. Electr. Power Energy Syst. 2015, 394–407. [Google Scholar] [CrossRef]
- Sadeh, J.; Adinehzadeh, A. Accurate fault location algorithm for transmission line in the presence of series connected FACTS devices. Int. J. Electr. Power Energy Syst. 2010, 323–328. [Google Scholar] [CrossRef]
- Inam, H.; Das, D.; Iyer, A. Modular FACTS Devices with External Fault Current Protection. US Patent US10666038B2, 26 May 2017. [Google Scholar]
- Divan, D. Improving power line utilization and performance with D-FACTS devices. In Proceedings of the IEEE Power Engineering Society General Meeting, San Francisco, CA, USA, 16 June 2005; Volume 3, pp. 2419–2424. [Google Scholar]
- Divan, D.; Johal, H. Distributed FACTS—A New Concept for Realizing Grid Power Flow Control. In Proceedings of the 2005 IEEE 36th Power Electronics Specialists Conference, Dresden, Germany, 16 June 2005; pp. 8–14. [Google Scholar] [CrossRef]
- Divan, D.; Johal, H. Distributed FACTS—A New Concept for Realizing Grid Power Flow Control. IEEE Trans. Power Electron. 2007, 22, 2253–2260. [Google Scholar] [CrossRef]
- Das, D.; Kreikebaum, F.; Divan, D.; Lambert, F. Reducing transmission investment to meet Renewable Portfolio Standards Using Smart Wires. In Proceedings of the IEEE PES T D 2010, New Orleans, LA, USA, 19–22 April 2010; pp. 1–7. [Google Scholar]
- Kreikebaum, F.; Imayavaramban, M.; Divan, D. Active smart wires: An inverter-less static series compensator. In Proceedings of the 2010 IEEE Energy Conversion Congress and Exposition, Atlanta, GA, USA, 12–16 September 2010; pp. 3626–3630. [Google Scholar]
- Kreikebaum, F.; Das, D.; Yang, Y.; Lambert, F.; Divan, D. Smart Wires—A distributed, low-cost solution for controlling power flows and monitoring transmission lines. In Proceedings of the 2010 IEEE PES Innovative Smart Grid Technologies Conference Europe (ISGT Europe), Gothenburg, Sweden, 11–13 October 2010; pp. 1–8. [Google Scholar]
- Divan, D.; Kandula, P. Distributed power electronics: An enabler for the future grid. CPSS Trans. Power Electron. Appl. 2016, 1, 57–65. [Google Scholar] [CrossRef]
- Johal, H.; Divan, D. Design considerations for series connected distributed FACTS converters. In Proceedings of the Fourtieth IAS Annual Meeting. Conference Record of the 2005 Industry Applications Conference, Hong Kong, China, 2–6 October 2005; Volume 2, pp. 889–895. [Google Scholar]
- Johal, H.; Divan, D. Design Considerations for Series-Connected Distributed FACTS Converters. IEEE Trans. Ind. Appl. 2007, 43, 1609–1618. [Google Scholar] [CrossRef]
- Perez, R.; Oliveira, G.; Pereira, M.; Falcao, D.; Kreikebaum, F.; Ramsay, S. FACTS and D-FACTS: The Operational Flexibility Demanded by the Transmission Expansion Planning Task with Increasing RES; CIGRE Paper C1-202-2014; CIGRE: Paris, France, 2014. [Google Scholar]
- Lopes, L.A.C.; Joos, G. Pulse width modulated capacitor for series compensation. IEEE Trans. Power Electron. 2001, 16, 167–174. [Google Scholar] [CrossRef]
- Li, T.; Xie, H. Transformer-Less Static Synchronous Series Compensator and Method Therefor. Patent WO2017008245A9, 14 July 2015. Available online: https://patents.google.com/patent/WO2017008245A9 (accessed on 17 March 2021).
- Bojorquez, B.; Santos Lopez, E.; Longoria, M.; Babaei, S. Advantages of M-SSSC Devices over Traditional Series Compensation; CIGRE Session 48 B4-PS3-FACTS; CIGRE: Paris, France, 2020. [Google Scholar]
- Saradarzadeh, M.; Farhangi, S.; Schanen, J.L.; Jeannin, P.; Frey, D. Application of cascaded H-bridge distribution-static synchronous series compensator in electrical distribution system power flow control. IET Power Electron. 2012, 5, 1660–1675. [Google Scholar] [CrossRef]
- Saradarzadeh, M.; Farhangi, S.; Schanen, J.L.; Jeannin, P.; Frey, D. Combination of power flow controller and short-circuit limiter in distribution electrical network using a cascaded H-bridge distribution-static synchronous series compensator. IET Gener. Transm. Distrib. 2012, 6, 1121–1131. [Google Scholar] [CrossRef]
- Khazaie, J.; Mokhtari, M.; Khalilyan, M.; Nazarpour, D. Sub-Synchronous Resonance damping using Distributed Static Series Compensator (DSSC) enhanced with fuzzy logic controller. Int. J. Electr. Power Energy Syst. 2012, 80–89. [Google Scholar] [CrossRef]
- Rogers, K.M.; Overbye, T.J. Power flow control with Distributed Flexible AC Transmission System (D-FACTS) devices. In Proceedings of the 41st North American Power Symposium, Starkville, MS, USA, 4–6 October 2009; pp. 1–6. [Google Scholar]
- Rogers, K.M.; Overbye, T.J. Some applications of Distributed Flexible AC Transmission System (D-FACTS) devices in power systems. In Proceedings of the 2008 40th North American Power Symposium, Calgary, AB, Canada, 28–30 September 2008; pp. 1–8. [Google Scholar]
- Brissette, A.; Maksimovic, D.; Levron, Y. Distributed Series Static Compensator Deployment Using a Linearized Transmission System Model. IEEE Trans. Power Deliv. 2015, 30, 1269–1277. [Google Scholar] [CrossRef]
- Sang, Y.; Sahraei-Ardakani, M. The Interdependence between Transmission Switching and Variable-Impedance Series FACTS Devices. IEEE Trans. Power Syst. 2018, 33, 2792–2803. [Google Scholar] [CrossRef]
- Das, D.; Prasai, A.; Harley, R.G.; Divan, D. Optimal placement of Distributed Facts devices in power networks Using Particle Swarm Optimization. In Proceedings of the 2009 IEEE Energy Conversion Congress and Exposition, San Jose, CA, USA, 20–24 September 2009; pp. 527–534. [Google Scholar] [CrossRef]
- Dorostkar-Ghamsari, M.; Fotuhi-Firuzabad, M.; Aminifar, F.; Safdarian, A.; Lehtonen, M. Optimal distributed static series compensator placement for enhancing power system loadability and reliability. IET Gener. Transm. Distrib. 2015, 9, 1043–1050. [Google Scholar] [CrossRef]
- Zhang, X.; Tomsovic, K.; Dimitrovski, A. Security Constrained Multi-Stage Transmission Expansion Planning Considering a Continuously Variable Series Reactor. IEEE Trans. Power Syst. 2017, 32, 4442–4450. [Google Scholar] [CrossRef]
- Zhang, X.; Shi, D.; Wang, Z.; Zeng, B.; Wang, X.; Tomsovic, K.; Jin, Y. Optimal Allocation of Series FACTS Devices under High Penetration of Wind Power within a Market Environment. IEEE Trans. Power Syst. 2018, 33, 6206–6217. [Google Scholar] [CrossRef]
- Zhang, X.; Tomsovic, K.; Dimitrovski, A. Optimal allocation of series FACTS devices in large-scale systems. IET Gener. Transm. Distrib. 2018, 12, 1889–1896. [Google Scholar] [CrossRef]
- Zhang, X.; Xu, C.; Shi, D.; Wang, Z.; Zhang, Q.; Liu, G.; Tomsovic, K.; Dimitrovski, A. Allocation of a variable series reactor considering AC constraints and contingencies. CSEE J. Power Energy Syst. 2019, 5, 63–72. [Google Scholar] [CrossRef]
- Yuan, Z.; Wang, W.; Wang, H.; Ghadimi, N. Probabilistic decomposition-based security constrained transmission expansion planning incorporating distributed series reactor. IET Gener. Transm. Distrib. 2020, 14, 3478–3487. [Google Scholar] [CrossRef]
- Nikoobakht, A.; Aghaei, J.; Niknam, T.; Shafie-khah, M.; Cataláo, J.P.S. Smart Wire Placement to Facilitate Large-Scale Wind Energy Integration: An Adaptive Robust Approach. IEEE Trans. Sustain. Energy 2019, 10, 1981–1992. [Google Scholar] [CrossRef]
- Vinasco, G.E.; Ordóñez, C.A. Optimization Model for Distributed Series Compensation with AC Power Flow. In Proceedings of the 2019 FISE-IEEE/CIGRE Conference—Living the energy Transition (FISE/CIGRE), Medellin, Colombia, 4–6 December 2019; pp. 1–4. [Google Scholar] [CrossRef]
- Dai, J.; Tang, Y.; Liu, Y.; Ning, J.; Wang, Q.; Zhu, N.; Zhao, J. Optimal configuration of distributed power flow controller to enhance system loadability via mixed integer linear programming. J. Mod. Power Syst. Clean Energy 2019, 7, 1484–1494. [Google Scholar] [CrossRef]
- Kirthika, N.; Balamurugan, S. A new dynamic control strategy for power transmission congestion management using series compensation. Int. J. Electr. Power Energy Syst. 2016, 271–279. [Google Scholar] [CrossRef]
- Inam, H.; Das, D.; Kreikebaum, F.; Iyer, A.; Zhao, A. System and method for distributed grid control with sub-cyclic local response capability. US Patent US10559975B2, 9 October 2016. Available online: https://patents.google.com/patent/US10559975B2 (accessed on 17 March 2021).
Publisher’s Note: MDPI stays neutral with regard to jurisdictional claims in published maps and institutional affiliations. |
© 2021 by the authors. Licensee MDPI, Basel, Switzerland. This article is an open access article distributed under the terms and conditions of the Creative Commons Attribution (CC BY) license (http://creativecommons.org/licenses/by/4.0/).













