Harmonic Mitigation in Electric Railway Systems Using Improved Model Predictive Control
Abstract
1. Introduction
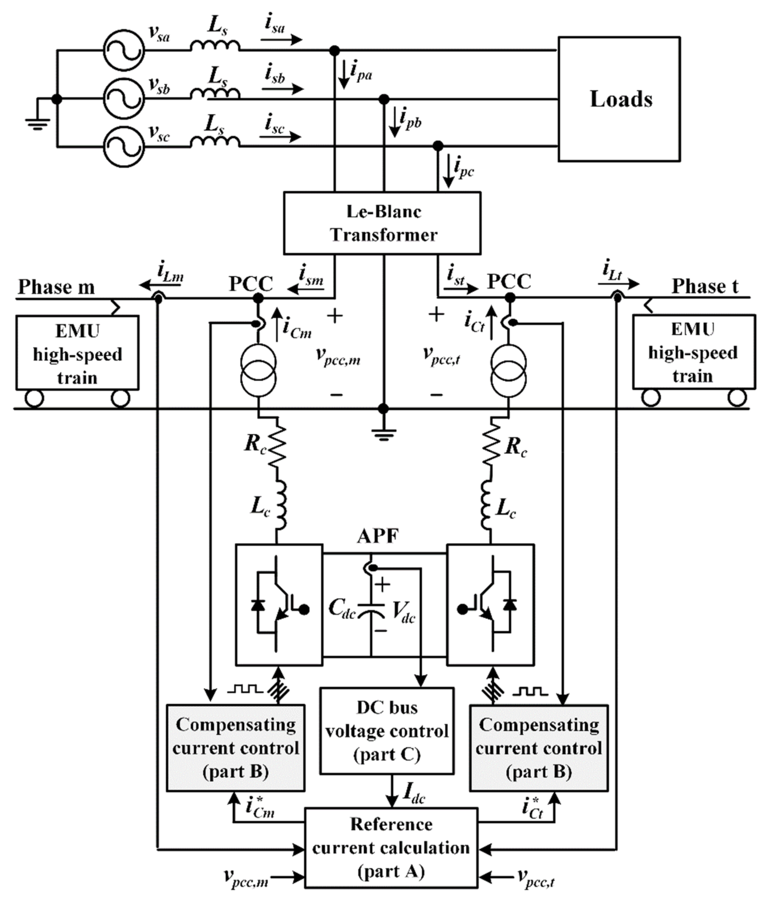
2. Active Power Filter Topology in an Electric Railway System.
3. Reference Current Calculation
4. Compensating Current Control System with Model Predictive Control
4.1. Principle of a MPC
4.2. The Reference Current Prediction
4.3. The Compensating Current Prediction
4.4. The Minimization of Cost Function
5. Hardware-in-the-Loop (HIL) Simulation
6. Results and Discussion
6.1. The Tracking Performance of the Compensating Current Control
6.2. The Performance of APF
7. Conclusions
Author Contributions
Funding
Conflicts of Interest
References
- Weijun, L.; Qinghao, W.; Jingzhong, L.; Chenyang, L.; Zhitong, L.; Yi, W.; Xiangqun, Z. Research on transmission line power losses effected by harmonics. In Proceedings of the 2016 China International Conference on Electricity Distribution (CICED), Xi’an, China, 10–13 August 2016. [Google Scholar] [CrossRef]
- Song, W.; Fang, J.; Jiang, Z.; Staines, M.; Badcock, R. AC Loss Effect of High-Order Harmonic Currents in a Single-Phase 6.5 MVA HTS Traction Transformer. IEEE Trans. Appl. Supercond. 2019, 29, 550145. [Google Scholar] [CrossRef]
- Guo, L.; Gao, X.; Li, Q.; Huang, W.; Shu, Z. Online Antiicing Technique for the Catenary of the High-Speed Electric Railway. IEEE Trans. Power Del. 2015, 30, 1569–1576. [Google Scholar] [CrossRef]
- Song, Y.; Liu, Z.; Rønnquist, A.; Nåvik, P.; Liu, Z. Contact Wire Irregularity Stochastics and Effect on High-Speed Railway Pantograph–Catenary Interactions. IEEE Trans. Instrum. Meas. 2020, 69, 8196–8206. [Google Scholar] [CrossRef]
- Foley, F.J. The impact of electrification on railway signalling systems. In Proceedings of the 5th IET Professional Development Course on Railway Electrification Infrastructure and Systems, London, UK, 6–9 June 2011; pp. 146–153. [Google Scholar] [CrossRef]
- Charalambous, C.A.; Demetriou, A.; Lazari, A.L.; Nikolaidis, A.I. Effects of Electromagnetic Interference on Underground Pipelines Caused by the Operation of High Voltage AC Traction Systems: The Impact of Harmonics. IEEE Trans. Power Del. 2018, 33, 2664–2672. [Google Scholar] [CrossRef]
- Brumsickle, W.E.; Divan, D.M.; Luckjiff, G.A.; Freeborg, J.W.; Hayes, R.L. Power Quality and Reliability. IEEE Ind. Appl. Mag. 2005, 11, 48–53. [Google Scholar] [CrossRef]
- IEEE. IEEE Recommended Practices and Requirements for Harmonic Control in Electrical Power Systems. IEEE Standard 519–1992. 1993. Available online: https://ieeexplore.ieee.org/servlet/opac?punumber=2227 (accessed on 1 April 2021).
- Yu-quan, L.; Guo-pei, W.; Huang-sheng, H.; Li, W. Research for the effects of high-speed electrified railway traction load on power quality. In Proceedings of the 2011 4th International Conference on Electric Utility Deregulation and Restructuring and Power Technologies (DRPT), Weihai, China, 6–9 July 2011; pp. 569–573. [Google Scholar] [CrossRef]
- Gazafrudi, S.; Langerudy, A.; Fuchs, E.; Al-Haddad, K. Power Quality Issues in Railway Electrification: A Comprehensive Perspective. IEEE Trans. Ind. Electron. 2015, 62, 3081–3090. [Google Scholar] [CrossRef]
- Zhu, G.; Chen, J.; Liu, X. Compensation for the negative-sequence currents of electric railway based on SVC. In Proceedings of the 2008 3rd IEEE Conference on Industrial Electronics and Applications, Singapore, 3–5 June 2008; pp. 1958–1963. [Google Scholar] [CrossRef]
- ElGebaly, A.E.; Hassan, A.E.-W.; El-Nemr, M.K. Reactive Power Compensation by Multilevel Inverter STATCOM for Railways Power Grid. In Proceedings of the 2019 IEEE Conference of Russian Young Researchers in Electrical and Electronic Engineering (EIConRus), Saint Petersburg and Moscow, Russia, 28–31 January 2019; pp. 2094–2099. [Google Scholar] [CrossRef]
- Hu, H.; He, Z.; Gao, S. Passive Filter Design for China High-Speed Railway With Considering Harmonic Resonance and Characteristic Harmonics. IEEE Trans. Power Del. 2015, 30, 505–514. [Google Scholar] [CrossRef]
- Sun, Z.; Jiang, X.; Zhu, D.; Zhang, G. A Novel Active Power Quality Compensator Topology for Electrified Railway. IEEE Trans. Power Electron. 2004, 19, 1036–1042. [Google Scholar] [CrossRef]
- Lao, K.-W.; Wong, M.-C.; Dai, N.Y.; Wong, C.-K.; Lam, C.-S. A Systematic Approach to Hybrid Railway Power Conditioner Design with Harmonic Compensation for High-Speed Railway. IEEE Trans. Power Electron. 2015, 62, 930–942. [Google Scholar] [CrossRef]
- He, Z.; Zheng, Z.; Hu, H. Power quality in high-speed railway systems. Int. J. Rail Transp. 2016, 4, 71–97. [Google Scholar] [CrossRef]
- Luo, A.; Wu, C.; Shen, J.; Shuai, Z.; Ma, F. Railway Static Power Conditioners for High-speed Train Traction Power Supply Systems Using Three-phase V/V Transformers. IEEE Trans. Power Electron. 2011, 26, 2844–2856. [Google Scholar] [CrossRef]
- Trinh, Q.-N.; Lee, H.-H. An Advanced Current Control Strategy for Three-Phase Shunt Active Power Filters. IEEE Trans. Ind. Electron. 2013, 60, 5400–5410. [Google Scholar] [CrossRef]
- Herman, L.; Papic, I.; Blazic, B. A proportional-resonant current controller for selective harmonic compensation in a hybrid active power filter. IEEE Trans. Power Del. 2014, 29, 2055–2065. [Google Scholar] [CrossRef]
- Santiprapan, P.; Booranawong, A.; Areerak, K.-L.; Saito, H. Adaptive repetitive controller for an active power filter in three-phase four-wire systems. IET Power Electron. 2020, 13, 2756–2766. [Google Scholar] [CrossRef]
- Kouro, S.; Perez, M.A.; Rodriguez, J.; Llor, A.M.; Young, H.A. Model Predictive Control: MPC’s Role in the Evolution of Power Electronics. IEEE Ind. Electron. Mag. 2015, 9, 8–21. [Google Scholar] [CrossRef]
- Cheng, X.; Krogh, B.H. Stability-constrained model predictive control. IEEE Trans. Auto. Control. 2001, 46, 1816–1820. [Google Scholar] [CrossRef]
- Huang, S.-R.; Chen, B.-N. Harmonic study of the Le Blanc transformer for Taiwan railway’s electrification system. IEEE Trans. Power Del. 2002, 17, 495–499. [Google Scholar] [CrossRef]
- Akagi, H.; Kanazawa, Y.; Nabae, A. Instantaneous Reactive Power Compensators Comprising Switching Devices without Energy Storage Components. IEEE Trans. Ind. Appl. 1984, IA-20, 625–630. [Google Scholar] [CrossRef]
- Sujitjorn, S.; Areerak, K.-L.; Kulworawanichpong, T. The DQ Axis with Fourier (DQF) Method for Harmonic Identification. IEEE Trans. Power Del. 2007, 22, 737–739. [Google Scholar] [CrossRef]
- Santiprapan, P.; Areerak, K.-L.; Areerak, K.-N. A Novel Harmonic Identification Algorithm for the Active Power Filters in Non-Ideal Voltage Source Systems. J. Power Electron. 2017, 17, 1639–1649. [Google Scholar] [CrossRef]
- Hosseinzadeh, M.; Salmasi, F.R. Robust Optimal Power Management System for a Hybrid AC/DC Micro-Grid. IEEE Trans. Sust. Energy 2015, 6, 675–687. [Google Scholar] [CrossRef]
- Schonbergerschonberger, J.; Duke, R.; Round, S.D. DC-Bus Signaling: A Distributed Control Strategy for a Hybrid Renewable Nanogrid. IEEE Trans. Power Electron. 2006, 53, 1453–1460. [Google Scholar] [CrossRef]
- Panpean, C.; Areerak, K.-L.; Areerak, K.-N.; Udomsuk, S.; Santiprapan, P. The Harmonic Detection for Co-Phase Railway System in Distorted Voltage Source Condition. In Proceedings of the 2019 16th International Conference on Electrical Engineering/Electronics, Computer, Telecommunications and Information Technology (ECTI-CON), Pattaya, Thailand, 10–13 July 2019; pp. 545–548. [Google Scholar] [CrossRef]
- Lin, C.E.; Chen, C.L.; Huan, C.L. Calculating approach and implementation for active filters in unbalanced three phase system using synchronous detection method. In Proceedings of the 1992 International Conference on Industrial Electronics, Control, Instrumentation, and Automation, San Diego, CA, USA, 13 September 1992; pp. 374–380. [Google Scholar] [CrossRef]
- Cortes, P.; Rodriguez, J.; Silva, C.; Flores, A. Delay Compensation in Model Predictive Current Control of a Three-Phase Inverter. IEEE Trans. Ind. Electron. 2012, 59, 1323–1325. [Google Scholar] [CrossRef]
- Odavic, M.; Biagini, V.; Zanchetta, P.; Sumner, M.; Degano, M. One-sample-period-ahead predictive current control for high-performance active shunt power filters. IET Power Electron. 2011, 4, 414–423. [Google Scholar] [CrossRef]
- IEEE. IEEE Recommended Practice and Requirements for Harmonic Control in Electric Power Systems. IEEE Standard 519. 2014. Available online: https://ieeexplore.ieee.org/servlet/opac?punumber=6826457 (accessed on 1 April 2021).
- IEEE. IEEE Standard Definitions for the Measurement of Electric Power Quantities under Sinusoidal, Nonsinusoidal, Balanced, or Unbalanced Conditions; IEEE Standard 1459; IEEE: Piscataway, NJ, USA, 2010; p. 7586362. [Google Scholar]









| Switching States (k) | |||
|---|---|---|---|
| 1 | 0 (off) | 0 (off) | 0 |
| 2 | 1 (on) | 0 (off) | |
| 3 | 0 (off) | 1 (on) | |
| 4 | 1 (on) | 1 (on) | 0 |
| Performance Indices | Compensation | Situation 1 | Situation 2 | ||
|---|---|---|---|---|---|
| PI | MPC | PI | MPC | ||
| %THDav | Before | 21.46 | 21.63 | ||
| After | 3.38 | 2.19 | 6.94 | 4.06 | |
| %CUF | Before | 0.00 | 95.45 | ||
| After | 0.00 | 0.00 | 2.25 | 1.56 | |
| PF | Before | 0.97 | 0.70 | ||
| After | 0.99 | 0.99 | 0.99 | 0.99 | |
Publisher’s Note: MDPI stays neutral with regard to jurisdictional claims in published maps and institutional affiliations. |
© 2021 by the authors. Licensee MDPI, Basel, Switzerland. This article is an open access article distributed under the terms and conditions of the Creative Commons Attribution (CC BY) license (https://creativecommons.org/licenses/by/4.0/).
Share and Cite
Panpean, C.; Areerak, K.; Santiprapan, P.; Areerak, K.; Shen Yeoh, S. Harmonic Mitigation in Electric Railway Systems Using Improved Model Predictive Control. Energies 2021, 14, 2012. https://doi.org/10.3390/en14072012
Panpean C, Areerak K, Santiprapan P, Areerak K, Shen Yeoh S. Harmonic Mitigation in Electric Railway Systems Using Improved Model Predictive Control. Energies. 2021; 14(7):2012. https://doi.org/10.3390/en14072012
Chicago/Turabian StylePanpean, Chakrit, Kongpol Areerak, Phonsit Santiprapan, Kongpan Areerak, and Seang Shen Yeoh. 2021. "Harmonic Mitigation in Electric Railway Systems Using Improved Model Predictive Control" Energies 14, no. 7: 2012. https://doi.org/10.3390/en14072012
APA StylePanpean, C., Areerak, K., Santiprapan, P., Areerak, K., & Shen Yeoh, S. (2021). Harmonic Mitigation in Electric Railway Systems Using Improved Model Predictive Control. Energies, 14(7), 2012. https://doi.org/10.3390/en14072012

