Overview of Inertia Enhancement Methods in DC System
Abstract
:1. Introduction
2. Concept and Classification of Inertia Enhancement in DC System
2.1. Concept of Inertia in DC System
2.2. Classification of Inertia-Providing Sources
2.2.1. Inertia Support by Wind Turbines
2.2.2. Inertia Support by Energy Storage Units
2.2.3. Inertia Support by PV Arrays
2.3. Classification: According to Inertia Control Method
3. Virtual Inertia Control Methods
3.1. Additional Inertia Control
3.2. Analogous Virtual Synchronous Generator Control
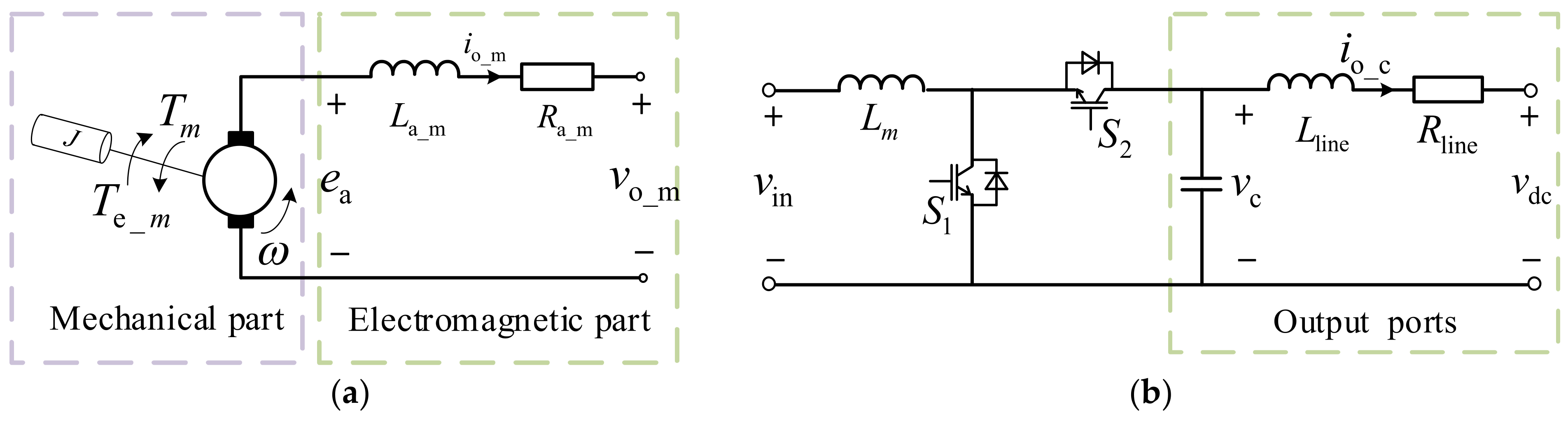
3.3. Virtual DC Machine Control
3.4. Comprehensive Comparison
4. Challenges and Future Research Direction
4.1. Improved Modeling of Virtual Inertia Control Methods
4.2. Influence of VIC on Multi-Machine Operation and System Stability
4.3. Consideration about Influence of Load Side on System Inertia
5. Conclusions
Author Contributions
Funding
Conflicts of Interest
References
- Su, J.; Li, K.; Li, Y.; Xing, C.; Yu, J. A Novel State-of-Charge-Based Droop Control for Battery Energy Storage Systems to Support Coordinated Operation of DC Microgrids. IEEE J. Emerg. Sel. Top. Power Electron. 2022. [Google Scholar] [CrossRef]
- Singh, B.; Niwas, R.; Dube, S.K. Load Leveling and Voltage Control of Permanent Magnet Synchronous Generator-Based DG Set for Standalone Supply System. IEEE Trans. Ind. Inform. 2014, 10, 2034–2043. [Google Scholar] [CrossRef]
- Lu, X.; Sun, K.; Guerrero, J.M.; Vasquez, J.C.; Huang, L. Double-Quadrant State-of-Charge-Based Droop Control Method for Distributed Energy Storage Systems in Autonomous DC Microgrids. IEEE Trans. Smart Grid 2015, 6, 147–157. [Google Scholar] [CrossRef]
- Bai, H.; Miao, S.; Zhang, P.; Bai, Z. Reliability Evaluation of a Distribution Network with Microgrid Based on a Combined Power Generation System. Energies 2015, 8, 1216. [Google Scholar] [CrossRef]
- Zeb, K.; Islam, S.U.; Din, W.U.; Khan, I.; Ishfaq, M.; Busarello, T.D.C.; Ahmad, I.; Kim, H.J. Design of Fuzzy-PI and Fuzzy-Sliding Mode Controllers for Single-Phase Two-Stages Grid-Connected Transformerless Photovoltaic Inverter. Electronics 2019, 8, 520. [Google Scholar] [CrossRef]
- Yue, J.; Cai, S.; Xie, N.; Zhang, Z.; Xiang, X.; Dong, X. Research on Distribution Network Topology and Energy Management Considering Energy Router Port Interconnection. In Proceedings of the 2020 IEEE 4th Conference on Energy Internet and Energy System Integration (EI2), Wuhan, China, 30 October–1 November 2020; pp. 3636–3640. [Google Scholar]
- Renewables 2021 Global Status Report. REN21. Available online: https://www.ren21.net/reports/global-status-report/ (accessed on 1 June 2022).
- Xiong, L.; Peng, W.; Poh Chiang, L. A Hybrid AC/DC Microgrid and Its Coordination Control. IEEE Trans. Smart Grid 2011, 2, 278–286. [Google Scholar] [CrossRef]
- Sahoo, S.K.; Sinha, A.K.; Kishore, N.K. Control Techniques in AC, DC, and Hybrid AC–DC Microgrid: A Review. IEEE J. Emerg. Sel. Top. Power Electron. 2018, 6, 738–759. [Google Scholar] [CrossRef]
- Lu, X.; Guerrero, J.M.; Sun, K.; Vasquez, J.C. An Improved Droop Control Method for DC Microgrids Based on Low Bandwidth Communication With DC Bus Voltage Restoration and Enhanced Current Sharing Accuracy. IEEE Trans. Power Electron. 2014, 29, 1800–1812. [Google Scholar] [CrossRef]
- Bekbouti, Y.; Chandra, A.; Rezkallah, M.; Ibrahim, H. Implementation of Rule-based Approach for Power Management in Isolated DC Microgrid Based on Variable Speed Wind Turbine. In Proceedings of the 2020 IEEE Industry Applications Society Annual Meeting, Detroit, MI, USA, 10–16 October 2020; pp. 1–6. [Google Scholar]
- Nejabatkhah, F.; Li, Y.W. Overview of Power Management Strategies of Hybrid AC/DC Microgrid. IEEE Trans. Power Electron. 2015, 30, 7072–7089. [Google Scholar] [CrossRef]
- Hajebrahimi, H.; Kaviri, S.M.; Eren, S.; Bakhshai, A. A New Energy Management Control Method for Energy Storage Systems in Microgrids. IEEE Trans. Power Electron. 2020, 35, 11612–11624. [Google Scholar] [CrossRef]
- Whaite, S.; Grainger, B.; Kwasinski, A. Power Quality in DC Power Distribution Systems and Microgrids. Energies 2015, 8, 4378. [Google Scholar] [CrossRef]
- Mi, Y.; Chen, X.; Ji, H.; Ji, L.; Fu, Y.; Wang, C.; Wang, J. The coordinated control strategy for isolated DC microgrid based on adaptive storage adjustment without communication. Appl. Energy 2019, 252, 113465. [Google Scholar] [CrossRef]
- Yang, Q.; Jiang, L.; Zhao, H.; Zeng, H. Autonomous Voltage Regulation and Current Sharing in Islanded Multi-Inverter DC Microgrid. IEEE Trans. Smart Grid 2018, 9, 6429–6437. [Google Scholar] [CrossRef]
- Espina, E.; Llanos, J.; Burgos-Mellado, C.; Cardenas-Dobson, R.; Martinez-Gomez, M.; Saez, D. Distributed Control Strategies for Microgrids: An Overview. IEEE Access 2020, 8, 193412–193448. [Google Scholar] [CrossRef]
- Sanduleac, M.; Toma, L.; Eremia, M.; Ciornei, I.; Bulac, C.; Triștiu, I.; Iantoc, A.; Martins, J.F.; Pires, V.F. On the Electrostatic Inertia in Microgrids with Inverter-Based Generation Only—An Analysis on Dynamic Stability. Energies 2019, 12, 3274. [Google Scholar] [CrossRef]
- Thiesen, H.; Jauch, C.; Gloe, A. Design of a System Substituting Today’s Inherent Inertia in the European Continental Synchronous Area. Energies 2016, 9, 582. [Google Scholar] [CrossRef]
- Tamrakar, U.; Shrestha, D.; Maharjan, M.; Bhattarai, B.; Hansen, T.; Tonkoski, R. Virtual Inertia: Current Trends and Future Directions. Appl. Sci. 2017, 7, 654. [Google Scholar] [CrossRef]
- Li, M.; Shu, S.; Wang, Y.; Yu, P.; Liu, Y.; Zhang, Z.; Hu, W.; Blaabjerg, F. Analysis and Improvement of Large-Disturbance Stability for Grid-Connected VSG Based on Output Impedance Optimization. IEEE Trans. Power Electron. 2022, 37, 9807–9826. [Google Scholar] [CrossRef]
- Li, M.; Yu, P.; Hu, W.; Wang, Y.; Shu, S.; Zhang, Z.; Blaabjerg, F. Phase Feedforward Damping Control Method for Virtual Synchronous Generators. IEEE Trans. Power Electron. 2022, 37, 9790–9806. [Google Scholar] [CrossRef]
- Fang, J.; Li, H.; Tang, Y.; Blaabjerg, F. On the Inertia of Future More-Electronics Power Systems. IEEE J. Emerg. Sel. Top. Power Electron. 2019, 7, 2130–2146. [Google Scholar] [CrossRef]
- Huang, L.; Xin, H.; Wang, Z.; Wu, K.; Wang, H.; Hu, J.; Lu, C. A Virtual Synchronous Control for Voltage-Source Converters Utilizing Dynamics of DC-Link Capacitor to Realize Self-Synchronization. IEEE J. Emerg. Sel. Top. Power Electron. 2017, 5, 1565–1577. [Google Scholar] [CrossRef]
- Fang, J.; Li, H.; Tang, Y.; Blaabjerg, F. Distributed Power System Virtual Inertia Implemented by Grid-Connected Power Converters. IEEE Trans. Power Electron. 2018, 33, 8488–8499. [Google Scholar] [CrossRef]
- Zhong, Q.-C.; Weiss, G. Synchronverters: Inverters That Mimic Synchronous Generators. IEEE Trans. Ind. Electron. 2011, 58, 1259–1267. [Google Scholar] [CrossRef]
- Liu, Y.; Wang, Y.; Wang, M.; Xu, Z.; Peng, Y.; Li, M. Coordinated VSG Control of Photovoltaic/Battery System for Maximum Power Output and Grid Supporting. IEEE J. Emerg. Sel. Top. Circuits Syst. 2022, 12, 301–309. [Google Scholar] [CrossRef]
- Su, M.; Liu, Z.; Sun, Y.; Han, H.; Hou, X. Stability Analysis and Stabilization Methods of DC Microgrid With Multiple Parallel-Connected DC–DC Converters Loaded by CPLs. IEEE Trans. Smart Grid 2018, 9, 132–142. [Google Scholar] [CrossRef]
- Li, C.; Yang, Y.; Dragicevic, T.; Blaabjerg, F. A New Perspective for Relating Virtual Inertia With Wideband Oscillation of Voltage in Low-Inertia DC Microgrid. IEEE Trans. Ind. Electron. 2022, 69, 7029–7039. [Google Scholar] [CrossRef]
- Yang, Y.; Li, C.; Xu, J.; Blaabjerg, F.; Dragicevic, T. Virtual Inertia Control Strategy for Improving Damping Performance of DC Microgrid With Negative Feedback Effect. IEEE J. Emerg. Sel. Top. Power Electron. 2021, 9, 1241–1257. [Google Scholar] [CrossRef]
- Lin, G.; Liu, J.; Wang, P.; Rehtanz, C.; Li, Y.; Wang, S. Low-Frequency Oscillation Analysis of Virtual-Inertia-Controlled DC Microgrids Based on Multi-Timescale Impedance Model. IEEE Trans. Sustain. Energy 2022, 13, 1536–1552. [Google Scholar] [CrossRef]
- Wang, Y.; Hei, Y.; Fu, Y.; Shi, K. Adaptive Virtual Inertia Control of DC Distribution Network Based on Variable Droop Coefficient. Autom. Electr. Power Syst. 2017, 41, 116–124. [Google Scholar]
- Tian, J.; Wang, F.; Zhuo, F.; Wang, Y.; Wang, H.; Li, Y. A Zero-Backflow-Power EPS Control Scheme With Multiobjective Coupled-Relationship Optimization in DAB-Based Converter. IEEE J. Emerg. Sel. Top. Power Electron. 2022, 10, 4128–4145. [Google Scholar] [CrossRef]
- Mou, D.; Yuan, L.; Li, J.; Hou, N.; Li, J.; Li, Y.; Zhao, Z. Modeling and Analysis of Hybrid Dual Active Bridge Converter to Optimize Efficiency over Whole Operating Range. IEEE J. Emerg. Sel. Top. Power Electron. 2022. [Google Scholar] [CrossRef]
- Hou, N.; Zhang, Y.; Li, Y.W. A Load-Current-Estimating Scheme With Delay Compensation for the Dual-Active-Bridge DC–DC Converter. IEEE Trans. Power Electron. 2022, 37, 2636–2647. [Google Scholar] [CrossRef]
- Hou, N.; Li, Y.W. Overview and Comparison of Modulation and Control Strategies for a Nonresonant Single-Phase Dual-Active-Bridge DC–DC Converter. IEEE Trans. Power Electron. 2020, 35, 3148–3172. [Google Scholar] [CrossRef]
- Wei, Y.; Luo, Q.; Mantooth, A. Overview of Modulation Strategies for LLC Resonant Converter. IEEE Trans. Power Electron. 2020, 35, 10423–10443. [Google Scholar] [CrossRef]
- Cao, Y.; Ngo, M.; Burgos, R.; Ismail, A.; Dong, D. Switching Transition Analysis and Optimization for Bidirectional CLLC Resonant DC Transformer. IEEE Trans. Power Electron. 2022, 37, 3786–3800. [Google Scholar] [CrossRef]
- Wang, F.; Sun, X.; He, X.; Zhuo, F.; Yi, H. Research on Energy Optimal Control Strategy of DC PV-Energy Storage System for Unmanned Aerial Vehicle. IEEE J. Emerg. Sel. Top. Power Electron. 2021, 9, 2643–2651. [Google Scholar] [CrossRef]
- Lu, X.; Sun, K.; Guerrero, J.M.; Vasquez, J.C.; Huang, L. State-of-Charge Balance Using Adaptive Droop Control for Distributed Energy Storage Systems in DC Microgrid Applications. IEEE Trans. Ind. Electron. 2014, 61, 2804–2815. [Google Scholar] [CrossRef]
- Huang, B.; Zheng, S.; Wang, R.; Wang, H.; Xiao, J.; Wang, P. Distributed Optimal Control of DC Microgrid Considering Balance of Charge State. IEEE Trans. Energy Convers. 2022, 37, 2162–2174. [Google Scholar] [CrossRef]
- Hoang, K.D.; Lee, H.-H. Accurate Power Sharing With Balanced Battery State of Charge in Distributed DC Microgrid. IEEE Trans. Ind. Electron. 2019, 66, 1883–1893. [Google Scholar] [CrossRef]
- Gu, Y.; Xiang, X.; Li, W.; He, X. Mode-Adaptive Decentralized Control for Renewable DC Microgrid With Enhanced Reliability and Flexibility. IEEE Trans. Power Electron. 2014, 29, 5072–5080. [Google Scholar] [CrossRef]
- Yuan, X.; Wang, F.; Boroyevich, D.; Li, Y.; Burgos, R. DC-link Voltage Control of a Full Power Converter for Wind Generator Operating in Weak-Grid Systems. IEEE Trans. Power Electron. 2009, 24, 2178–2192. [Google Scholar] [CrossRef]
- Arani; El, S. Implementing Virtual Inertia in DFIG-Based Wind Power Generation. IEEE Trans. Power Syst. 2013, 28, 1373–1384. [Google Scholar] [CrossRef]
- Zhang, D.; Wu, Y.; Xiong, L.; Zhao, C. Analysis of Inertia Characteristics of Direct-Drive Permanent-Magnet Synchronous Generator in Micro-Grid. Energies 2019, 12, 3141. [Google Scholar] [CrossRef]
- Fu, Y.; Huang, X.; Xu, Y.; Bai, C. Controllable inertial control strategy of rotating motor in DC distribution network. Electr. Power Autom. Equip. 2019, 38, 32–38. [Google Scholar] [CrossRef]
- Zhu, X.; Xie, Z.; Jing, S. Virtual Inertia Control and Stability Analysis of DC Micro-Grid. Power Syst. Technol. 2017, 41, 3884–3891. [Google Scholar] [CrossRef]
- Zhu, X.; Cai, J.; Wang, Y.; Feng, Y.; Hu, X. Virtual Inertia Control of Wind-battery-based DC Micro-grid. Proc. Chin. Soc. Electr. Eng. 2016, 36, 49–58. [Google Scholar] [CrossRef]
- Zhang, X.; Shao, X.; Fu, Y.; Zhao, X.; Jiang, G. Transient Voltage Recovery Control and Stability Criterion of VSC-Based DC Power Grid. IEEE Trans. Power Syst. 2021, 36, 3496–3506. [Google Scholar] [CrossRef]
- Ma, Y.; Wang, S.; Liu, G.; Liu, R. Research on Virtual DC Generator-based Control Strategy of DC Microgrid with Wind/Energy Storage. High Volt. Eng. 2020, 46, 3819–3829. [Google Scholar] [CrossRef]
- Fu, Y.; Zhen, D.; Zhang, X.; Zhao, X.; Wang, Y. Transient Electric Quantity Inertial Control Strategy for Wind Turbines in DC Microgrid. High Volt. Eng. 2022, 48, 156–165. [Google Scholar] [CrossRef]
- Zhang, Y.; Wei Li, Y. Energy Management Strategy for Supercapacitor in Droop-Controlled DC Microgrid Using Virtual Impedance. IEEE Trans. Power Electron. 2017, 32, 2704–2716. [Google Scholar] [CrossRef]
- Zhang, Q.; Zeng, Y.; Liu, Y.; Zhuang, X.; Zhang, H.; Hu, W.; Guo, H. An Improved Distributed Cooperative Control Strategy for Multiple Energy Storages Parallel in Islanded DC Microgrid. IEEE J. Emerg. Sel. Top. Power Electron. 2022, 10, 455–468. [Google Scholar] [CrossRef]
- Yu, M.; Wang, Y.; Li, Y. Virtual Inertia Control of Hybrid Energy Storage in DC Microgrid Based on Predictive Method. Power Syst. Technol. 2017, 41, 1526–1532. [Google Scholar] [CrossRef]
- Chang, X.; Li, Y.; Li, X.; Chen, X. An Active Damping Method Based on a Supercapacitor Energy Storage System to Overcome the Destabilizing Effect of Instantaneous Constant Power Loads in DC Microgrids. IEEE Trans. Energy Convers. 2017, 32, 36–47. [Google Scholar] [CrossRef]
- Zhang, X.; Wang, B.; Gamage, D.; Ukil, A. Model Predictive and Iterative Learning Control Based Hybrid Control Method for Hybrid Energy Storage System. IEEE Trans. Sustain. Energy 2021, 12, 2146–2158. [Google Scholar] [CrossRef]
- Faddel, S.; Saad, A.A.; Youssef, T.; Mohammed, O. Decentralized Control Algorithm for the Hybrid Energy Storage of Shipboard Power System. IEEE J. Emerg. Sel. Top. Power Electron. 2020, 8, 720–731. [Google Scholar] [CrossRef]
- Liu, D.; Li, H. A Three-Port Three-Phase DC-DC Converter for Hybrid Low Voltage Fuel Cell and Ultracapacitor. In Proceedings of the IECON 2006—32nd Annual Conference on IEEE Industrial Electronics, Paris, France, 6–10 November 2006. [Google Scholar]
- Wang, P.; Wang, W.; Liu, H.; Wu, Y. Application of phase-shifting full-bridge converter in energy storage unit of DC microgrid. Electr. Power Autom. Equip. 2016, 36, 67–72. [Google Scholar]
- Wang, Z.; Yi, H.; Zhuo, F.; Lv, N.; Ma, Z.; Wang, F.; Zhou, W.; Liang, J.; Fan, H. Active Power Control of Voltage-Controlled Photovoltaic Inverter in Supporting Islanded Microgrid Without Other Energy Sources. IEEE J. Emerg. Sel. Top. Power Electron. 2022, 10, 424–435. [Google Scholar] [CrossRef]
- Wang, Z.; Yi, H.; Jiang, Y.; Bai, Y.; Zhang, X.; Zhuo, F.; Wang, F.; Liu, X. Voltage control and Power-shortage Mode Switch of PV Inverter in the Islanded Microgrid without other Energy Sources. IEEE Trans. Energy Convers. 2022, 1–12. [Google Scholar] [CrossRef]
- Zhang, X.; Gao, Q.; Hu, Y.; Zhang, H.; Guo, Z. Active power reserve photovoltaic virtual synchronization control technology. Chin. J. Electr. Eng. 2020, 6, 1–6. [Google Scholar] [CrossRef]
- Peng, Q. Coordination of Virtual Inertia Control and Frequency Damping in PV Systems for Optimal Frequency Support. CPSS Trans. Power Electron. Appl. 2020, 5, 305–316. [Google Scholar] [CrossRef]
- Khazaei, J.; Tu, Z.; Liu, W. Small-Signal Modeling and Analysis of Virtual Inertia-Based PV Systems. IEEE Trans. Energy Convers. 2020, 35, 1129–1138. [Google Scholar] [CrossRef]
- Cheng, Q.; Yang, X.; Chu, S.; Zhang, Q.; Huang, S. Research on Control Strategy of PV System Based on Virtual DC Generator. High Volt. Eng. 2017, 43, 2097–2104. [Google Scholar] [CrossRef]
- Neto, P.J.D.S.; Barros, T.A.D.S.; Silveira, J.P.C.; Filho, E.R.; Vasquez, J.C.; Guerrero, J.M. Power Management Strategy Based on Virtual Inertia for DC Microgrids. IEEE Trans. Power Electron. 2020, 35, 12472–12485. [Google Scholar] [CrossRef]
- Wang, H.; Zhao, S.; Meng, J.; Wang, C.; Tian, Y. Adaptive Virtual Inertia Control for DC Microgrid Based on Droop Curve Intercept Adjustment. Autom. Electr. Power Syst. 2021, 45, 3100. [Google Scholar] [CrossRef]
- Liu, Y.; Zhou, S.; Liang, H.; Tang, X.; Ma, S.; Xie, Y. Flexible virtual inertial control strategy of photovoltaic-energy storage DC distribution network. Electr. Power Autom. Equip. 2021, 41, 107–113. [Google Scholar] [CrossRef]
- Salomonsson, D.; Soder, L.; Sannino, A. An Adaptive Control System for a DC Microgrid for Data Centers. IEEE Trans. Ind. Appl. 2008, 44, 1910–1917. [Google Scholar] [CrossRef]
- Qing-Chang, Z.; Phi-Long, N.; Zhenyu, M.; Wanxing, S. Self-Synchronized Synchronverters: Inverters Without a Dedicated Synchronization Unit. IEEE Trans. Power Electron. 2014, 29, 617–630. [Google Scholar] [CrossRef]
- Xin, M.; Jinjun, L.; Zeng, L. A Generalized Droop Control for Grid-Supporting Inverter Based on Comparison Between Traditional Droop Control and Virtual Synchronous Generator Control. IEEE Trans. Power Electron. 2019, 34, 5416–5438. [Google Scholar] [CrossRef]
- Liu, J.; Miura, Y.; Ise, T. Comparison of Dynamic Characteristics Between Virtual Synchronous Generator and Droop Control in Inverter-Based Distributed Generators. IEEE Trans. Power Electron. 2016, 31, 3600–3611. [Google Scholar] [CrossRef]
- Wu, W.; Chen, Y.; Luo, A.; Zhou, L.; Zhou, X.; Yang, L.; Dong, Y.; Guerrero, J.M. A Virtual Inertia Control Strategy for DC Microgrids Analogized With Virtual Synchronous Machines. IEEE Trans. Ind. Electron. 2017, 64, 6005–6016. [Google Scholar] [CrossRef]
- Wu, W.; Chen, Y.; Luo, A.; Zhou, L.; Zhou, X.; Yang, L. A Virtual Inertia Control Strategy for Bidirectional Grid-connected Converters in DC Micro-grids. Proc. Chin. Soc. Electr. Eng. 2017, 37, 360–371. [Google Scholar] [CrossRef]
- Zhu, X.; Meng, F.; Xie, Z.; Yue, Y. An Inertia and Damping Control Method of DC–DC Converter in DC Microgrids. IEEE Trans. Energy Convers. 2020, 35, 799–807. [Google Scholar] [CrossRef]
- Zhu, X.; Meng, F.; Xie, Z. Control Strategy of DC-DC Converter in DC Microgrid Based on Virtual Synchronous Generator. Autom. Electr. Power Syst. 2019, 43, 132–140. [Google Scholar]
- Zhu, X.; Meng, F. Stability Analysis of DC Microgrid With Virtual Inertia Control. Power Syst. Technol. 2020, 44, 208–218. [Google Scholar] [CrossRef]
- Meng, J.; Zou, P.; Wang, Y.; Wang, C. Small-Signal Modeling and Parameter Analysis of the DC Microgrid Based on Flexible Virtual Inertia Control. Trans. China Electrotech. Soc. 2019, 34, 2615–2626. [Google Scholar] [CrossRef]
- Zhang, H.; Liang, Y.; Sun, K.; Chen, H.; Du, M. Improved Virtual Capacitor Control Strategy of Multi-Port Isolated DC-DC Converter in DC Microgrid. Trans. China Electrotech. Soc. 2021, 36, 292–304. [Google Scholar] [CrossRef]
- Xing, W.; Wang, H.; Lu, L.; Han, X.; Sun, K.; Ouyang, M. An adaptive virtual inertia control strategy for distributed battery energy storage system in microgrids. Energy 2021, 233, 121155. [Google Scholar] [CrossRef]
- Long, B.; Zeng, W.; Rodriguez, J.; Guerrero, J.M.; Hu, J.; Kil, T.C. Enhancement of Voltage Regulation Capability for DC-Microgrid Composed by Battery Test System: A Fractional-Order Virtual Inertia Method. IEEE Trans. Power Electron. 2022, 37, 12538–12551. [Google Scholar] [CrossRef]
- Long, B.; Zeng, W.; Rodriguez, J.; Guerrero, J.M.; Chong, K.T. Voltage Regulation Enhancement of DC-MG Based on Power Accumulator Battery Test System: MPC-Controlled Virtual Inertia Approach. IEEE Trans. Smart Grid 2022, 13, 71–81. [Google Scholar] [CrossRef]
- Zhang, H.; Zhang, K.; Xiao, X.; Zhi, N.; Tan, S. Control Strategy of Energy Storage Converter for Simulating DC Generator Characteristics. Autom. Electr. Power Syst. 2017, 46, 126–132. [Google Scholar]
- Zhang, H.; Tan, S.; Xiao, X.; Zhi, N. Control Strategy of Energy Storage Converter with DC Machine Characteristics. High Volt. Eng. 2018, 44, 119–125. [Google Scholar] [CrossRef]
- Samanta, S.; Mishra, J.P.; Roy, B.K. Virtual DC machine: An inertia emulation and control technique for a bidirectional DC–DC converter in a DC microgrid. IET Electr. Power Appl. 2018, 12, 874–884. [Google Scholar] [CrossRef]
- Sheng, W.; Liu, H.; Zeng, Z.; Lu, Z.; Tan, Q.; Duan, Q.; Ran, L. An Energy Hub Based on Virtual-Machine Control. Proc. Chin. Soc. Electr. Eng. 2015, 35, 3541–3550. [Google Scholar] [CrossRef]
- Zhang, Y.; Sun, Q.; Zhou, J.; Li, L.; Wang, P.; Guerrero, J.M. Coordinated Control of Networked AC/DC Microgrids With Adaptive Virtual Inertia and Governor-Gain for Stability Enhancement. IEEE Trans. Energy Convers. 2021, 36, 95–110. [Google Scholar] [CrossRef]
- Lan, Z.; Tu, C.; Jiang, F. The Flexible Interconnection Strategy between DC Microgrid and AC Grid Based on Virtual Electric Machinery Technology. Trans. China Electrotech. Soc. 2019, 34, 1739–1749. [Google Scholar] [CrossRef]
- Lin, G.; Ma, J.; Li, Y.; Rehtanz, C.; Liu, J.; Wang, Z.; Wang, P.; She, F. A Virtual Inertia and Damping Control to Suppress Voltage Oscillation in Islanded DC Microgrid. IEEE Trans. Energy Convers. 2021, 36, 1711–1721. [Google Scholar] [CrossRef]
- Zhi, N.; Ding, K.; Huang, Q.; Li, W.; Zhang, H. A Virtual DC Motor Control Strategy Based on P-U Drooping Characteristics. Trans. China Electrotech. Soc. 2021, 36, 1238–1248. [Google Scholar] [CrossRef]
- Zhi, N.; Ding, K.; Du, L.; Zhang, H. An SOC-Based Virtual DC Machine Control for Distributed Storage Systems in DC Microgrids. IEEE Trans. Energy Convers. 2020, 35, 1411–1420. [Google Scholar] [CrossRef]
- Zhang, X.; Li, H.; Fu, Y. Dynamic Stability Analysis and Self-adaptive Voltage Inertia Control of DC Microgrids with Novel Virtual Machine. High Volt. Eng. 2021, 47, 2865–2874. [Google Scholar] [CrossRef]
- Wang, Z.Z.; Xin, H.; Peng, K.; Yan, Y.; Cheng, M.; Gao, Z. SOC Balanced Power Distribution Strategy Under the Control of Virtual DC Generator. High Volt. Eng. 2021, 47, 2923–2931. [Google Scholar] [CrossRef]
- Liu, J.; Liu, J. Modeling and Calculation of Grid Frequency Support Effect and Transient Energy Demand of a Virtual Synchronous Generator. In Proceedings of the 2022 International Power Electronics Conference (IPEC-Himeji 2022-ECCE Asia), Himeji, Japan, 15–19 May 2022. [Google Scholar]
- Xu, H.; Zhang, X.; Liu, F.; Shi, R.; Yu, C.; Cao, R. A Reactive Power Sharing Strategy of VSG Based on Virtual Capacitor Algorithm. IEEE Trans. Ind. Electron. 2017, 64, 7520–7531. [Google Scholar] [CrossRef]
- Liang, X.; Andalib-Bin-Karim, C.; Li, W.; Mitolo, M.; Shabbir, M.N.S.K. Adaptive Virtual Impedance-Based Reactive Power Sharing in Virtual Synchronous Generator Controlled Microgrids. IEEE Trans. Ind. Appl. 2021, 57, 46–60. [Google Scholar] [CrossRef]
- Wang, Z.; Zhuo, F.; Yi, H.; Wu, J.; Wang, F.; Zeng, Z. Analysis of Dynamic Frequency Performance Among Voltage-Controlled Inverters Considering Virtual Inertia Interaction in Microgrid. IEEE Trans. Ind. Appl. 2019, 55, 4135–4144. [Google Scholar] [CrossRef]
- Wang, Z.; Yi, H.; Zhuo, F.; Wu, J.; Zhu, C. Analysis of Parameter Influence on Transient Active Power Circulation Among Different Generation Units in Microgrid. IEEE Trans. Ind. Electron. 2021, 68, 248–257. [Google Scholar] [CrossRef]
- Sun, P.; Yao, J.; Zhao, Y.; Fang, X.; Cao, J. Stability Assessment and Damping Optimization Control of Multiple Grid-connected Virtual Synchronous Generators. IEEE Trans. Energy Convers. 2021, 36, 3555–3567. [Google Scholar] [CrossRef]
- Alipoor, J.; Miura, Y.; Ise, T. Stability Assessment and Optimization Methods for Microgrid With Multiple VSG Units. IEEE Trans. Smart Grid 2018, 9, 1462–1471. [Google Scholar] [CrossRef]
- Qi, Y.; Yang, T.; Fang, J.; Tang, Y.; Potti, K.R.R.; Rajashekara, K. Grid Inertia Support Enabled by Smart Loads. IEEE Trans. Power Electron. 2021, 36, 947–957. [Google Scholar] [CrossRef]















| Variables | VSG in AC System | VSG in DC System |
|---|---|---|
| Droop relation | ||
| Control objects | ||
| Output | ||
| Inertia | ||
| Storage energy |
| Variables | DC Machine | VDCM Control |
|---|---|---|
| Mechanical power | Primary motor | ESS/RES (PV, Wind turbine) |
| Inertia | from rotor | from virtual inertia |
| Induced electric potential | ||
| Output voltage | ||
| Angular frequency | ||
| Armature winding | ||
| Storage energy |
| Control Technique | Advantages | Disadvantages |
|---|---|---|
| AIC |
|
|
| AVSG |
|
|
| VDCM |
|
|
Publisher’s Note: MDPI stays neutral with regard to jurisdictional claims in published maps and institutional affiliations. |
© 2022 by the authors. Licensee MDPI, Basel, Switzerland. This article is an open access article distributed under the terms and conditions of the Creative Commons Attribution (CC BY) license (https://creativecommons.org/licenses/by/4.0/).
Share and Cite
Wang, F.; Sun, L.; Wen, Z.; Zhuo, F. Overview of Inertia Enhancement Methods in DC System. Energies 2022, 15, 6704. https://doi.org/10.3390/en15186704
Wang F, Sun L, Wen Z, Zhuo F. Overview of Inertia Enhancement Methods in DC System. Energies. 2022; 15(18):6704. https://doi.org/10.3390/en15186704
Chicago/Turabian StyleWang, Feng, Lizheng Sun, Zhang Wen, and Fang Zhuo. 2022. "Overview of Inertia Enhancement Methods in DC System" Energies 15, no. 18: 6704. https://doi.org/10.3390/en15186704
APA StyleWang, F., Sun, L., Wen, Z., & Zhuo, F. (2022). Overview of Inertia Enhancement Methods in DC System. Energies, 15(18), 6704. https://doi.org/10.3390/en15186704
