Single-Stage Isolated and Bidirectional Three-Phase Series-Resonant AC–DC Converter: Modulation for Active and Reactive Power Control
Abstract
1. Introduction
1.1. Motivation
1.2. Literature Review
1.3. Contributions
- A novel SSIB three-phase AC–DC converter is proposed, which avoids bipolar voltage switches usage. The converter is composed of three LF rectifiers linked, by tiny film capacitors, with a QABSR DC–DC converter. Compared with similar SSIB AC–DC structures, a higher efficiency and smaller grid currents THD are obtained. Moreover, compared with a two-stage AC–DC converter, higher efficiency and smaller volume are obtained since tiny DC-link capacitances and smaller L filters to grid interface are used;
- A novel duty ratio modulation is proposed to compensate for three DC inputs with high ripple (the rectified grid voltages) in the QABSR DC–DC converter. For this purpose, the rectified grid voltages are modulated by time-variant duty ratio modulation whose angles change according to the grid current angles. In contrast, the DC source is modulated by duty ratio and phase-shift modulation whose angles take a constant value, throughout the grid period, according to the grid current amplitude. The proposed modulation allows to obtain a HF current with constant amplitude and minimum value, throughout the grid period;
- It is shown that, because of the single-stage AC–DC conversion (absence of the DC-link capacitors with high capacitance value), reactive power grid injection with a small power factor can considerably increase the current in HF transformers. Hence, a novel reactive power compensation using duty ratio modulation on the DC-side AB is introduced to minimize this increase;
- The proposed QAB modulation allows to implement a decoupled closed-loop grid currents control in the natural frame, obtaining good performances even for unbalanced grid voltage conditions;
- A practical methodology is introduced to easily size the proposed QABSR DC–DC as an equivalent DABSR DC–DC converter.
1.4. Organizations
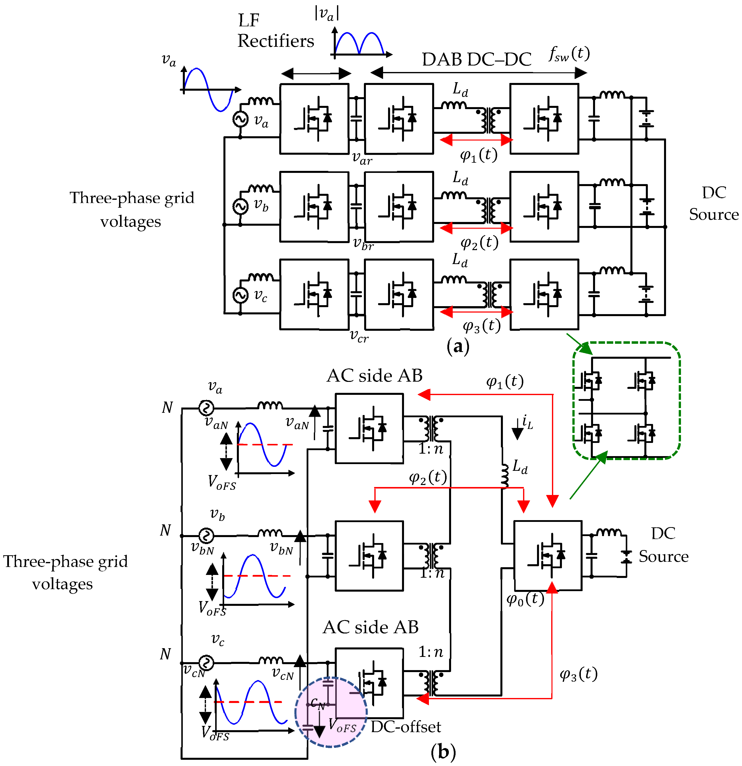
2. The Proposed Converter
2.1. Structure Description
2.2. The Modulation
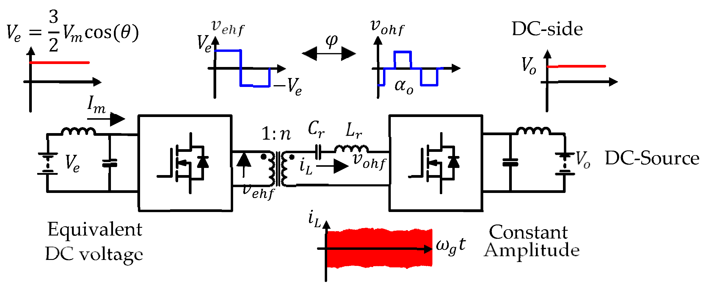
2.3. Working Principle: The HF Three-Phase Power Decoupling
2.4. Reactive Power Compensation by DR Modulation
2.5. ZVS Analysis for the QABSR Converter
3. Control Strategy
4. Converter Design
5. Experimental Results
6. Discussion
6.1. Unbalanced Voltages Conditions
6.2. Comparison with Single-Stage DC–AC Converters
6.3. Comparison with Two-Stage AC–DC Converters
7. Conclusions
Author Contributions
Funding
Data Availability Statement
Conflicts of Interest
References
- Hu, Q.; Bu, S.; Terzija, V. A Distributed P and Q Provision-Based Voltage Regulation Scheme by Incentivized EV Fleet Charging for Resistive Distribution Networks. IEEE Trans. Transp. Electrif. 2021, 7, 2376–2389. [Google Scholar] [CrossRef]
- Restrepo, M.; Morris, J.; Kazerani, M.; Cañizares, C.A. Modeling and Testing of a Bidirectional Smart Charger for Distribution System EV Integration. IEEE Trans. Smart Grid 2018, 9, 152–162. [Google Scholar] [CrossRef]
- Zheng, L.; Marellapudi, A.; Chowdhury, V.R.; Bilakanti, N.; Kandula, R.P.; Saeedifard, M.; Grijalva, S.; Divan, D. Solid-State Transformer and Hybrid Transformer with Integrated Energy Storage in Active Distribution Grids: Technical and Economic Comparison, Dispatch, and Control. IEEE J. Emerg. Sel. Top. Power Electron. 2022, 10, 3771–3787. [Google Scholar] [CrossRef]
- Mahammad, A.H.; Ker, P.J.; Lipu, M.S.H.; Choi, Z.H.; Rahman, M.S.A.; Muttaqi, K.M.; Blaabjerg, F. State of the Art of Solid-State Transformers: Advanced Topologies, Implementation Issues, Recent Progress and Improvements. J. IEEE Access 2020, 8, 19113–19132. [Google Scholar]
- Da Silva, R.L.; Borges, V.L.F.; Possamai, C.E.; Barbi, A.I. Solid-State Transformer for Power Distribution Grid Based on a Hybrid Switched-Capacitor LLC-SRC Converter: Analysis, Design, and Experimentation. J. IEEE Access 2020, 8, 141182–141207. [Google Scholar] [CrossRef]
- Rasool, H.; Verbrugge, B.; Zhaksylyk, A.; Tran, T.M.; el Baghdadi, M.; Hegazy, T.G.A.O. Design Optimization and Electro-Thermal Modeling of an Off-Board Charging System for Electric Bus Applications. J. IEEE Access 2021, 9, 84501–84519. [Google Scholar] [CrossRef]
- Khan, S.; Islam, M.; Guo, Y.; Zhu, J. A New Isolated Multi-Port Converter with Multi-Directional Power Flow Capabilities for Smart Electric Vehicle Charging Stations IEEE Trans. Appl. Supercond. 2019, 29, 1–4. [Google Scholar]
- Mejía-Ruiz, G.; Paternina, M.R.A.; Rodriguez, J.R.; Zamora, A.; Bolivar-Ortiz, G.; Toledo-Santos, C. A bidirectional isolated charger for electric vehicles in V2G systems with the capacity to provide ancillary services. In Proceedings of the 2020 52nd North American Power Symposium (NAPS), Tempe, AS, USA, 11–14 April 2021. [Google Scholar] [CrossRef]
- Fang, J.; Li, H.; Tang, Y. A Magnetic Integrated LLCL Filter for Grid-Connected Voltage-Source Converters. IEEE Trans. Power Electron. 2017, 32, 1725–1730. [Google Scholar] [CrossRef]
- Peña, J.; Espinoza, R.; Rosas, D.S.Y. Single stage AC-DC bidirectional converter with high frequency galvanic isolation suitable for V2G applications. In Proceedings of the Energy Conversion Congress and Exposition—Asia, Virtual Conference, 24–27 May 2021. [Google Scholar] [CrossRef]
- Sayed, M.; Suzuki, K.; Takeshita, T.; Kitagawa, W. PWM Switching Technique for Three-Phase Bidirectional Grid-Tie DC–AC–AC Converter with High-Frequency Isolation. IEEE Trans. Power Electron. 2018, 33, 845–858. [Google Scholar] [CrossRef]
- Das, D.; Weise, N.; Basu, K.; Baranwal, R.; Mohan, N. A Bidirectional Soft-Switched DAB-Based Single-Stage Three-Phase AC–DC Converter for V2G Application. IEEE Trans. Transp. Electrif. 2019, 5, 186–199. [Google Scholar] [CrossRef]
- Amirabadi, M.; Baek, J.; Toliyat, H. Bidirectional Soft-Switching Series AC-Link Inverter. IEEE Trans. Ind. Appl. 2015, 51, 2312–2320. [Google Scholar] [CrossRef]
- Wu, F.; Li, X.; Yang, G.; Liu, H.; Meng, T. Variable Switching Periods Based Space Vector Phase-Shifted Modulation for DAB Based Three-Phase Single-Stage Isolated AC–DC Converter. IEEE Trans. Power Electron. 2020, 35, 13725–13734. [Google Scholar] [CrossRef]
- Li, X.; Wu, F.; Yang, G.; Liu, H.; Meng, T. Dual-Period-Decoupled Space Vector Phase-Shifted Modulation for DAB-Based Three-Phase Single-Stage AC–DC Converter. IEEE Trans. Power Electron. 2020, 35, 6447–6457. [Google Scholar] [CrossRef]
- Liu, Y.; He, J.; Ge, B.; Li, X.; Xue, Y.; Blaabjerg, F. A Simple Space Vector Modulation of High-Frequency AC Linked Three-Phase-to-Single-Phase/DC Converter. IEEE Access J. 2020, 8, 59278–59289. [Google Scholar] [CrossRef]
- Sal y Rosas, D.; Andrade, J.; Frey, D.; Ferrieux, J.-P. Single stage isolated bidirectional DC/AC Three-phase converter with a series-resonant Circuit for V2G. In Proceedings of the Vehicle Power and Propulsion Conference (VPPC), Belfort, France, 27–30 August 2017. [Google Scholar]
- Andrade, J.; Rosas, D.S.Y.; Frey, D.; Ferrieux, J.-P. Modified triple active bridge DC/AC three-phase converter with a series-resonant LC circuit on the AC-side. In Proceedings of the SPEC, L’Aquila, Italy, 22–26 April 2017. [Google Scholar]
- Gu, L.; Jin, K. A Three-Phase Isolated Bidirectional AC/DC Converter and its Modified SVPWM Algorithm. IEEE Trans. Power Electron. 2015, 30, 6447–6457. [Google Scholar] [CrossRef]
- Saha, J.; Singh, R.K.; Panda, S.K. Three-phase matrix-based isolated AC-DC converter for battery energy storage system. In Proceedings of the PEDG, Virtual Conference, 28 June–1 July 2021. [Google Scholar] [CrossRef]
- Varajao, D.; Aráujo, R.E.; Miranda, L.M.; Lopes, J. Modulation Strategy for a Single-Stage Bidirectional and Isolated AC–DC Matrix Converter for Energy Storage Systems. IEEE Trans. Ind. Appl. 2018, 65, 3458–3468. [Google Scholar] [CrossRef]
- Prabu, A.; Sridhar, A.; Weise, N. Bidirectional SiC three-phase AC-DC Converter with DQ current control. In Proceedings of the ECCE, Montreal, QC, Canada, 20–24 September 2015. [Google Scholar] [CrossRef]
- Shigeuchi, K.; Xu, J.; Shimosato, N.; Sato, Y. A Modulation Method to Realize Sinusoidal Line Current for Bidirectional Isolated Three-Phase AC/DC Dual-Active-Bridge Converter Based on Matrix Converter. IEEE Trans. Power Electron. 2021, 36, 6015–6029. [Google Scholar] [CrossRef]
- Malekjamshidi, Z.; Jafari, M.; Zhang, J.; Zhu, J. Design and analysis of protection circuits for safe operation of direct matrix converters. In Proceedings of the The 3rd International Conference on Education in Muslim Society (ICEMS 2017), Banten, Indonesia, 25–26 October 2017. [Google Scholar] [CrossRef]
- Chen, W.W.; Zane, R.; Corradini, L. Isolated Bidirectional Grid-Tied Three-Phase AC–DC Power Conversion Using Series-Resonant Converter Modules and a Three-Phase Unfolder. IEEE Trans. Power Electron. 2017, 32, 9001–9012. [Google Scholar] [CrossRef]
- Das, D.; Basu, K. A Soft-switched isolated single stage bidirectional three phase AC-DC converter. In Proceedings of the ECCE, Baltimore, MD, USA, 29 September—3 October 2019. [Google Scholar] [CrossRef]
- Yelaverthi, D.B.; Mansour, M.; Wang, H.; Zane, R. Triple Active Bridge Series Resonant converter for three phase unfolding based isolated converters. In Proceedings of the IECON, Lisbon, Portugal, 14–17 October 2019. [Google Scholar] [CrossRef]
- Gu, L.; Peng, K. A single-stage isolated three-phase bidirectional AC/DC converter for high power applications. In Proceedings of the ECCE, Baltimore, MD, USA, 29 September—3 October 2019. [Google Scholar] [CrossRef]
- Waltrich, G.; Duarte, J.L.; Hendrix, M.A.M. Three-phase bidirectional dc/ac converter using a six-leg inverter connected to a direct ac/ac converter. IET Power Electron. J. 2015, 8, 2214–2222. [Google Scholar] [CrossRef]
- Chan, Y.P.; Loo, K.H.; Lai, Y.M. Single-stage immittance-based three-phase AC-DC bidirectional converter and PWM strategy for realizing zero circulating power. In Proceedings of the EPE’2017, Warsaw, Poland, 11–14 September 2017. [Google Scholar] [CrossRef]
- Lu, J.; Bai, K.; Taylor, A.R.; Liu, G.; Brown, A.; Johnson, P.; McAmmond, M. A Modular-Designed Three-Phase High-Efficiency High-Power-Density EV Battery Charger Using Dual/Triple-Phase-Shift Control. IEEE Trans. Power Electron. 2018, 33, 8091–8100. [Google Scholar] [CrossRef]
- Vermulst, B.; Duarte, J.L.; Wijnands, C.G.E.; Lomonova, E. Quad-Active-Bridge Single-Stage Bidirectional Three-Phase AC–DC Converter with Isolation: Introduction and Optimized Modulation. IEEE Trans. Power Electron. 2017, 32, 2546–2557. [Google Scholar] [CrossRef]
- Haider, M.; Anderson, J.A.; Miric, S.; Nain, N.; Zulauf, G.; Kolar, J.W.; Xu, D.; Deboy, G. Novel ZVS S-TCM Modulation of Three-Phase AC/DC Converters. IEEE Open J. Power Electron. 2020, 1, 529–543. [Google Scholar] [CrossRef]
- Sal y Rosas, D. Isolated and bidirectional three-phase AC-DC converter composed of three unfolding bridges cascaded with a quad-active-bridge series-resonant DC-DC converter. In Proceedings of the EPE’2021, Virtual Conference, 6–10 September 2021. [Google Scholar]
- Costa, L.F.; Buticchi, G.; Liserre, M. Quad-Active-Bridge DC–DC Converter as Cross-Link for Medium-Voltage Modular Inverters. IEEE Trans. Ind. Appl. 2017, 53, 1243–1253. [Google Scholar] [CrossRef]
- Li, X.; Cheng, L.; He, L.; Wang, C.; Zhu, Z. Decoupling Control of an LLC-Quad-active bridge Cascaded Power Electronic Transformer based on Accurate Small-signal Modeling. IEEE J. Emerg. Sel. Top. Power Electron. 2021, 10, 4115–4127. [Google Scholar] [CrossRef]
- Nair, A.C.; Fernandes, B.G. Solid-State Transformer Based Fast Charging Station for Various Categories of Electric Vehicles with Batteries of Vastly Different Ratings. IEEE Trans. Ind. Electron. 2021, 68, 10400–10411. [Google Scholar] [CrossRef]
- Achanta, P.; Maksimovic, D.; Johnson, B. Cascaded quadruple active bridge structures for multilevel DC to three-phase AC conversion. In Proceedings of the APEC, San Antonio, TX, USA, 4–8 March 2018. [Google Scholar] [CrossRef]
- Achanta, P.K.; Johnson, B.B.; Seo, G.-S.; Maksimovic, D. A Multilevel DC to Three-Phase AC Architecture for Photovoltaic Power Plants. IEEE Trans. Energy Convers. 2019, 34, 181–190. [Google Scholar] [CrossRef]
- Gong, S.; Li, X.; Han, J.; Sun, Y.; Xu, G.; Jiang, Y.; Huang, S. Sliding Mode Control-Based Decoupling Scheme for Quad-Active Bridge DC–DC Converter. IEEE J. Emerg. Sel. Top. Power Electron. 2022, 10, 1153–1164. [Google Scholar] [CrossRef]
- Falcones, S.; Ayyanar, R.; Mao, X. A DC–DC Multiport-Converter-Based Solid-State Transformer Integrating Distributed Generation and Storage. IEEE Trans. Power Electron. 2013, 28, 2192–2203. [Google Scholar] [CrossRef]
- Naseem, N.; Cha, H. Quad-Active-Bridge Converter with Current Balancing Coupled Inductor for SST Application. IEEE Trans. Power Electron. 2021, 36, 12528–12539. [Google Scholar] [CrossRef]
- Hebala, O.M.; Aboushady, A.A.; Khaled, H. Ahmed and Ibrahim Abdelsalam, Generalized Active Power Flow Controller for Multiactive Bridge DC–DC Converters with Minimum-Current-Point-Tracking Algorithm. IEEE Trans. Ind. Electron. 2022, 69, 3764–3775. [Google Scholar] [CrossRef]
- Yang, J.; Buticchi, G.; Gu, C.; Günter, S.; Zhang, H.; Wheeler, P. A Generalized Input Impedance Model of Multiple Active Bridge Converter. IEEE Trans. Transp. Electrif. 2020, 6, 1695–1706. [Google Scholar] [CrossRef]
- Bandyopadhyay, S.; Qin, Z.; Bauer, P. Decoupling Control of Multiactive Bridge Converters Using Linear Active Disturbance Rejection. IEEE Trans. Ind. Electron. 2021, 68, 10688–10698. [Google Scholar] [CrossRef]
- Rahman, M.A.; Islam, M.R.; Muttaqi, K.M.; Sutanto, D. Modeling and Control of SiC-Based High-Frequency Magnetic Linked Converter for Next Generation Solid State Transformers. IEEE Trans. Energy Convers. 2020, 35, 549–559. [Google Scholar] [CrossRef]
- Gu, C.; Yan, H.; Yang, J.; Sala, G.; de Gaetano, D.; Wang, X.; Galassini, A.; Degano, M.; Zhang, X.; Buticchi, G. A Multiport Power Conversion System for the More Electric Aircraft. IEEE Trans. Transp. Electrif. 2020, 6, 1707–1720. [Google Scholar] [CrossRef]
- Dursun, M.; Döşoğlu, M.K. LCL Filter design for grid connected three-phase inverter. In Proceedings of the ISMSIT, Ankara, Turkey, 19–21 October 2018. [Google Scholar] [CrossRef]
- Hrectifierer, J.E.; Kolar, J.W. Applicability of Solid-State Transformers in Today’s and Future Distribution Grids. IEEE Trans. Smart Grid 2019, 10, 317–326. [Google Scholar]
- Sal y Rosas, D.; Frey, D.; Ferrieux, J.-P. Isolated single stage bidirectional AC-DC converter with power decoupling and reactive power control to interface battery with the single-phase grid. In Proceedings of the APEC, San Antonio, TX, USA, 4–8 March 2018. [Google Scholar]
- Krishnaswami, H.; Mohan, N. Three-Port Series-Resonant DC–DC Converter to Interface Renewable Energy Sources with Bidirectional Load and Energy Storage Ports. IEEE Trans. Power Electron. 2009, 24, 2289–2299. [Google Scholar] [CrossRef]
- He, Y.; Wang, X.; Ruan, X.; Pan, D.; Xu, X.; Liu, F. Capacitor-Current Proportional-Integral Positive Feedback Active Damping for LCL-Type Grid-Connected Inverter to Achieve High Robustness Against Grid Impedance Variation. IEEE Trans. Power Electron. 2019, 34, 12423–12436. [Google Scholar] [CrossRef]
- Pan, D.; Ruan, X.; Wang, X.; Yu, H.; Xing, Z. Analysis and Design of Current Control Schemes for LCL-Type Grid-Connected Inverter Based on a General Mathematical Model. IEEE Trans. Power Electron. 2017, 32, 4395–4410. [Google Scholar] [CrossRef]
- Langbauer, T.; Connaughton, A.; Vollmaier, F.; Krischan, K. Pre-charging of a DC-link capacitor from a high voltage battery. In Proceedings of the COMPEL, Virtual Conference, 2–5 November 2021. [Google Scholar] [CrossRef]
- Zhu, Z.; Chen, W. Zero Sequence Voltage and Current Control in Four-Wire Grids-fed by Grid-Forming Inverters. CSEE J. Power Energy Syst. 2020, 1–8. [Google Scholar] [CrossRef]
- Chen, J.; Zhu, R.; Ibrahim, I.; O’Donnell, T.; Liserre, M. Neutral Current Optimization Control for Smart Transformer-Fed Distribution System Under Unbalanced Loads. IEEE J. Emerg. Sel. Top. Power Electron. 2021, 9, 1696–1707. [Google Scholar] [CrossRef]
- Markiewicz, A.F.H. EN 50160; Voltage Disturbances Standard EN 50160—Voltage Characteristics in Prectifierlic Distribution system. Std. Copper Development Association: New York, NY, USA, 2004.
- ANSI/IEEE Std 936-1987; IEEE Guide for Self-Commutated Converters. IEEE: Piscataway, NJ, USA, 1987.
- Revelles, A.T.; Steinhart, H. Comparison of current control structures for three-phase four-wire systems in natural frame. In Proceedings of the PCIM Europe 2017, Nuremberg, Germany, 16–18 May 2017. [Google Scholar]
- Sal y Rosas, D.; Frey, D.; Ferrieux, J.-P. Close loop control to bidirectional isolated single stage DAB with resonant circuit DC/AC converter to connection of batteries to the SINGLE-PHASE grid. In Proceedings of the APEC, Tampa, FL, USA, 31 March 2017. [Google Scholar] [CrossRef]
- Sun, Y.; Liu, Y.; Su, M.; Xiong, W.; Yang, J. Review of Active Power Decoupling Topologies in Single-Phase System. IEEE Trans. Power Electron. 2016, 31, 4778–4794. [Google Scholar] [CrossRef]
- Gautam, A.R.; Fulwani, D.M.; Makineni, R.R.; Rathore, A.K.; Singh, D. Control Strategies and Power Decoupling Topologies to Mitigate 2ω-Ripple in Single Phase Inverters: A Review and Open Challenges. J. IEEE Access 2020, 8, 147533–147559. [Google Scholar] [CrossRef]





























| Parameter | Value |
|---|---|
| 2 kW | |
| , 60 Hz, 3Ø | |
| V | |
| 120 kHz | |
| 4 | |
| 1.1 |
| Parameter | Value |
|---|---|
| Converter Power | 2 kVA, 2 kW |
| Grid amplitude (phase-neutral), frequency: | , 60 Hz, 3Ø |
| Output voltage | V |
| Switching frequency | 120 kHz |
| Quality Factor | 4.1 |
| Frequency Ratio | 1.1 |
| Resonant Inductor | 390 µH |
| Resonant Capacitor | 5.5 nF |
| Turns ratio | 0.86 |
| AC filter Inductor | 200 µH |
| AC filter capacitor | 1 µF |
| Damping resistor | 1.1 Ω |
| QAB SiC MOSFET | C3M0065090 |
| Parameters | Proposed Converter | SSIB [29] | SSIB [30] |
|---|---|---|---|
| Structure | 3 LF rectifiers cascaded with a QABSR DC–DC | 3 LF rectifiers cascaded with 3 DABs DC–DC | QAB AC–DC converter (with DC OFFSET) |
| Storage Element | 1 SRC | 3 HF inductors | 1 HF inductor |
| Modulation | 3 Time-variant DR angles with one fixed phase-shift angle | 3 Time-variant phase-shift angles | 3 Time-variant phase-shift angles |
| Switching frequency | Fixed | Time-variant | Fixed |
| Control complexity | Low | High | High |
| Power density | Medium | High | Medium |
| cap) | cap) | ||
| THD | 2.9% | 6% | 4.5% |
| Capability for V2G | Active–reactive power reported | Only active power reported | Only active power reported |
| Parameters | Proposed Converter | Two-Stage 2L DC–AC Converter for SST [39] | Two-Stage 2L DC–AC Converter for SBC [8] |
|---|---|---|---|
| Film Cap. | Electrolytic Cap. | Electrolytic Cap. | |
| DC link | 198 V | (400 V) | (800 V) |
| Capacitor | Tiny | Bulky | Bulky |
| Durability | High | Low | Low |
| L Filter | Small | Bulky | Bulky |
| MOSFET Quantity | 28 | 28 | 14 |
| Switching Mode | Rectifiers (LF and ZVS) QABSR (HF and ZVS) | VSI (HF and HS) QAB (HF and ZVS) | VSI (HF and HS) DAB (HF and ZVS) |
Publisher’s Note: MDPI stays neutral with regard to jurisdictional claims in published maps and institutional affiliations. |
© 2022 by the authors. Licensee MDPI, Basel, Switzerland. This article is an open access article distributed under the terms and conditions of the Creative Commons Attribution (CC BY) license (https://creativecommons.org/licenses/by/4.0/).
Share and Cite
Sal y Rosas, D.; Chavez, D.; Frey, D.; Ferrieux, J.-P. Single-Stage Isolated and Bidirectional Three-Phase Series-Resonant AC–DC Converter: Modulation for Active and Reactive Power Control. Energies 2022, 15, 8070. https://doi.org/10.3390/en15218070
Sal y Rosas D, Chavez D, Frey D, Ferrieux J-P. Single-Stage Isolated and Bidirectional Three-Phase Series-Resonant AC–DC Converter: Modulation for Active and Reactive Power Control. Energies. 2022; 15(21):8070. https://doi.org/10.3390/en15218070
Chicago/Turabian StyleSal y Rosas, Damian, Daniel Chavez, David Frey, and Jean-Paul Ferrieux. 2022. "Single-Stage Isolated and Bidirectional Three-Phase Series-Resonant AC–DC Converter: Modulation for Active and Reactive Power Control" Energies 15, no. 21: 8070. https://doi.org/10.3390/en15218070
APA StyleSal y Rosas, D., Chavez, D., Frey, D., & Ferrieux, J.-P. (2022). Single-Stage Isolated and Bidirectional Three-Phase Series-Resonant AC–DC Converter: Modulation for Active and Reactive Power Control. Energies, 15(21), 8070. https://doi.org/10.3390/en15218070

