Abstract
Battery management systems (BMS) are important for ensuring the safety, efficiency and reliability of a battery pack. Estimating the internal equivalent circuit model (ECM) parameters of a battery, such as the internal open circuit voltage, battery resistance and relaxation parameters, is a crucial requirement in BMSs. Numerous approaches to estimating ECM parameters have been reported in the literature. However, existing approaches consider ECM identification as a joint estimation problem that estimates the state of charge together with the ECM parameters. In this paper, an approach is presented to decouple the problem into ECM identification alone. Using the proposed approach, the internal open circuit voltage and the ECM parameters can be estimated without requiring the knowledge of the state of charge of the battery. The proposed approach is applied to estimate the open circuit voltage and internal resistance of a battery.
1. Introduction
Rechargeable Li-ion batteries are becoming ubiquitous in wide-ranging applications, such as electric vehicles, consumer electronics, power equipment and aerospace systems [1,2]. A battery management system (BMS) is required to ensure the safe, efficient and reliable operation of battery packs. It is quite well known that Li-ion batteries suffer from safety issues when operated outside their allowable voltage ranges. It is the task of the BMS to keep the battery within the operable range to ensure safety. A battery pack that is not properly managed is neither efficient nor reliable. For example, a pack that is not balanced is limited in its performance due to weak cells. Such cells can make the pack useless over time. Consequently, the BMS constantly monitors the battery by measuring the voltage and current of the battery to perform specific control operations [3]. Using the measured data, the BMS accurately estimates crucial diagnostic parameters of a battery pack, such as battery equivalent circuit model parameters (ECM) [4,5], battery capacity [6,7,8], state of charge (SOC) [9], state of health (SOH) [10,11], time to shut down and the remaining useful life (RUL) [12].
Estimation of the electrical equivalent circuit model parameters of the battery is a wide area of research. The estimated ECM parameters are used to model the voltage drop within the battery, eventually to estimate the SOC by the voltage-based approach [13]. The estimated ECM parameters, along with the estimated SOC, can be used to compute the remaining mileage of an electric vehicle. ECM parameters determine the limits of charging current for safe and fast charging of batteries. In battery thermal management, with the identified ECM parameters, heat generated within the battery can be computed to predict the surface temperature of batteries [14] so that it can be maintained within safe temperature limits.
Existing approaches to the estimation of ECM parameters can be broadly divided into time domain and frequency domain approaches. Time domain approaches are methods which use instantaneous voltage and current measurements to estimate ECM parameters. In the frequency domain, battery ECM parameters are estimated through electrochemical impedance spectroscopy (EIS) [15]. EIS approach to battery ECM parameter estimation requires the application of excitation signals spanning a wide-ranging frequency spectrum, starting from a low-frequency range (fraction of a Hz) to a very high-frequency range (in the MHz range). In [16], a nine-parameter model (2RC) was used in ECM parameter estimation in the frequency domain, resulting in moderate accuracy for only certain parameter estimates. The entire frequency scanning may take close to an hour. Frequency domain approaches have been extensively employed in battery SOH studies [17,18]. The EIS-based approaches have been studied generally in laboratory settings to estimate ECM parameters [19,20] and these approaches cannot yet be used in real-life systems. Implementation of EIS in real-life battery applications requires additional hardware in order to generate and sense high-frequency excitation signals and their responses. Time domain approaches, on the other hand, can be implemented without requiring special excitation signals, which will be the focus of this paper.
The literature on time domain approaches generally considers the co-estimation of ECM parameters and the SOC [21,22] of battery. For example, in [23], parameter estimation for four different equivalent models of the battery, that represent typical battery operation modes, were discussed. For the four models, joint linear parameter estimation and SOC tracking framework were proposed. This approach is faced with dependencies on the knowledge of k-parameters of the open-circuit voltage (OCV)—the state of charge representation, i.e., OCV-SOC parameters of the battery. Additionally, the estimation of SOC is usually subject to errors in SOC initialization, integration and uncertainty in the knowledge of battery capacity. Such SOC errors consequently translate to errors in the estimation of ECM parameters using the co-estimation approach. The persistence of these errors can also be seen in methods that model battery parameters as a function of the SOC [24]. When the internal battery impedances are modelled as a function of the SOC, an extended Kalman filter (EKF) is generally implemented to jointly estimate SOC and the other battery parameters. Further, different identification methods such as the EKF, particle swarm optimization (PSO) and recursive least square (RLS) are discussed in [25] to estimate the battery’s internal ECM parameters along with SOC. In [26], higher accuracy is achieved by retaining initial values for less important parameters and updating the parameters relevant to SOC and SOH estimation. It can be said that time-domain approaches to estimating ECM model parameters of a battery, without requiring other battery state information, remain sparse. In [27], an approach to independently estimate ECM parameters without requiring the SOC is proposed, where the observation model was developed based on the differentials of voltage and current measurements. However, the possibility of estimation of OCV as one of the parameters is not considered. Further, theoretical performance bounds in the accuracy of estimation were not derived.
Cramer–Rao lower bound (CRLB) defines the theoretical minimum estimation error variance, i.e., the theoretical performance bound that an estimator can achieve. In this paper, it is shown that the CRLB of estimation has a dependency on the choice of current profile for accurate estimation of internal open-circuit voltage and resistance of the battery. Using this, better approaches can be developed for ECM parameter estimation by optimizing the voltage-current profiles. Different works on ECM parameter estimation have considered different current profiles for the estimation of battery parameters [28]. However, in these works, it is neither shown that the profiles are optimal for the estimation of parameters nor is an approach to relating the estimation accuracy to the preferred current profile derived.
The contributions of the present paper are as follows:
- ECM parameter estimation without the knowledge of SOC: In this paper, ECM parameter estimation is formulated as a linear least squares estimation problem. Using the proposed approach, the internal open circuit voltage and the ECM parameters can be estimated without depending on the OCV-SOC model parameters and the SOC estimation algorithms, which are potential sources of errors that can eventually affect the identification of the battery’s internal impedance. The developed approach is a simplistic model in terms of the voltage and current measurements from a battery.
- Theoretical performance analysis: The theoretical analysis is completed for the proposed approach using the theoretical bounds of estimation Cramer–Rao lower bound (CRLB). The CRLB defines the relationship of the estimation accuracy with regard to the measurement noise characteristics, the number of observations and the current profile.
- Current profile optimization or improved estimation accuracy: It is shown in this paper that the CRLB takes a simplified closed form for the simple R-int model of the battery. While it is known that the estimation accuracy improves with lower measurement noise variance and more observations, avenues are opened to explore current profiles that minimize the CRLB of estimation.
- Optimization approach to select the current profile: For the first time, an optimization approach is developed that describes the selection of current profiles to improve the accuracy of estimation. It is shown that a pulse current of equal charging and discharging magnitude minimizes the CRLB in the estimation of both the internal open circuit voltage and the internal resistance of the R-int model of the battery.
The approach presented in this paper is demonstrated using a battery simulator developed in MATLAB and validated on experimental data collected from a commercial battery.
The remainder of the paper is structured as follows: In Section 2, the mathematical derivation of the new measurement model that is based only on the measured voltage and current through the battery is presented. In Section 3, the derivation of the measurement model is extended to different model orders. Section 4 describes the proposed parameter estimation method and Section 5 contains the theoretical performance analysis of the proposed method. Section 6 summarizes the results of the testing approaches for simulated and real data. Section 7 concludes the paper.
2. Signal Model of a Battery
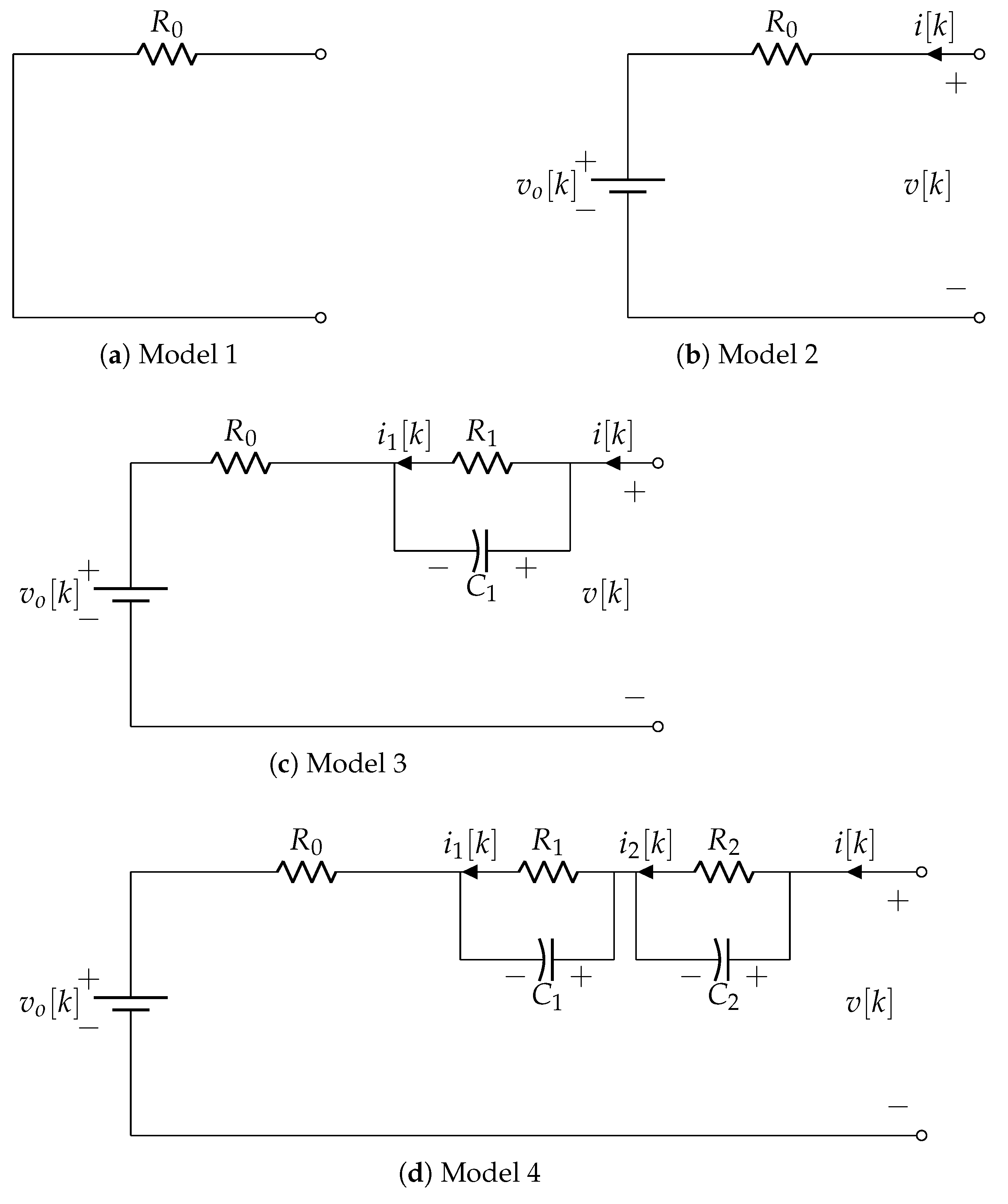
Figure 1 shows four different approximations of an ECM to be considered in this paper. Model 1 represents a short-circuited battery; a detailed analysis of Model 1 parameter estimation can be found in [5]. Model 2 represents the R-int model and is the subject of this paper. Models 3 and 4 represent higher-order and more accurate representations of a battery. Unlike Models 1 and 2, the optimal linear approach to parameter estimation is not feasible in Models 2 and 3. The derivations presented in this section are based on the most general model shown in Figure 1d. Section 3 shows how these derivations can be applied to the other three models.
Figure 1.
Different equivalent circuit model (ECM) orders. (a) Series resistance only. (b) Series resistance and battery. (c) Series resistance, the battery and a single RC circuit. (d) Series resistance, the battery and two RC circuits.
The measured current through the battery is written as
where is the true current through the battery and is the current measurement noise which is assumed to be zero mean and has a standard deviation (s.d.) The measured voltage across the battery is
where is the true voltage across the battery and is the voltage measurement noise which is assumed to be zero mean with s.d. .
For the ECM model in Figure 1d, the true voltage across the battery, , is written as the sum of the voltage drop across the internal components, , , and the EMF, . Hence, (2), can be rewritten as,
where the currents through the resistors and can be written in the following form
where
and is the sampling interval. By substituting the measured current for , the currents in (4) and (5) can be rewritten as follows
Now, let us rewrite (16) in the following form
where the observation model and the model parameter vector for the ECM model are given by
The subscripts 4 in (18) and (19) indicate that the model corresponds to Model 4, as in Figure 1d. Equivalent circuit models 1–3 are discussed later in Section 3. The noise in the voltage drop in (17) is written as
which has the following autocorrelation
This autocorrelation for different values of l are given below:
All the noise auto-correlation values can be summarized as follows:
3. ECM Identification of Different Model Orders
The four models are explained below:
The measured voltage of each of the four equivalent circuit models shown in Figure 1 can be written in the following form:
where
where
For each of the above model complexities, the noise term is expressed in terms of and as follows:
where
The autocorrelation for all four model orders is as follows:
The auto-correlation is zero when for all four models.
4. Parameter Estimation Method
The measurements are grouped into batches of equal length . Using (26), the vector observation model is rewritten for a particular batch of data of length .
where denotes the batch number,
The correlation matrix of the noise vector is written as
where is a banded symmetric Toeplitz matrix which is diagonal for Models 1 and 2, tridiagonal for Model 3 and pentadiagonal for Model 4. The diagonal entry of is given by , the first off-diagonal entry is given by and the second off-diagonal entry is given by in (29) to (31). All the other off-diagonal elements of are zero.
Given the batch of observations, the least square (LS) estimate of can be written as
It can be shown that the covariance of the LS estimation error is
When the parameter needs to be estimated using more data, the batch length increases, resulting in significantly high computational complexity. Rather than increasing , a recursive least square (RLS) algorithm can be employed to achieve the same performance without significantly increasing computational load. Algorithm 1 summarizes one iteration of the RLS algorithm. The input to this algorithm is the estimate and the error covariance from the prior batch, the new measurement and the new measurement model . The outputs are the new estimate and the updated error covariance
| Algorithm 1 |
|
The calculation of the model parameters from the estimates is given below for Model 3. From (28), the estimate has four elements:
After estimation, the parameters of the ECM Model 3, and are recovered as follows:
5. Performance Analysis
In this section, a theoretical performance analysis of the proposed parameter estimation algorithm is developed. For linear observation model (32) under Gaussian noise assumption, the Cramer–Rao Lower Bound (CRLB) [29] serves as the lower bound on the estimation error covariance. It can be shown that, for the observation model (32), the CRLB is
i.e.,
where denotes an estimate of
Now, let us focus on the CRLB corresponding to Model 2 in Figure 1 for an in-depth analysis. For this model, the CRLB simplifies to
and can be expanded as follows
where is assumed in order to simplify the analysis.
Now, can be simplified as
where
From the above, the CRLB of estimating and , the first and second diagonal elements, respectively, of (38) can be written as
In other words, one can write
Let us first consider in (42). The estimation accuracy depends on the following three factors:
- (1)
- Measurement noise variance The lower the measurement noise, the lower the CRLB.
- (2)
- Number of observations L. Under the given assumptions, that remains a constant, more measurements will decrease estimation error.
- (3)
- Current profile The current profile should be selected in a way that the error bound in (42) is minimized.
Out of the three factors influencing the estimation error of , two are constants. The current profile should be selected in a way that the error can be made as small as possible.
Remark 1.
Let us assume all the values of the current are the same, i.e., . This will make the denominator of (42) zero and lead to infinite error variance. Another way to look at it is that all equal values of will make rank deficient.
We need to find the current profile such that the can be reduced. The problem can be formally stated as follows:
Problem 1.
For a given number of measurements L find such that the following cost function is maximized:
under the constraint that
It can be shown that for given values of the current limits and , a current profile that alternates between the two extreme values will minimize .
Minimization of can be formulated as the following problem:
Problem 2.
For a given number of measurements L, find such that the following cost function is minimized:
under the constraint that
Selecting current limits such that
and a current profile that alternates between and will minimize both and .
The performance analysis presented in this section shows that the accuracy of the estimation depends on the excitation signal. By carefully selecting the excitation signal, the accuracy of ECM parameter estimation can be improved. When there is no control over the excitation signal, e.g., when using battery usage data for ECM parameter estimation, the CRLB provides the lower bound on the ECM parameter estimation error.
6. Simulation Analysis
The data for the demonstration in this section were generated using a battery simulator. Figure 2 shows the battery simulator in the form of a block diagram. The battery simulator uses the equivalent circuit model shown in Figure 1 to simulate the voltage and current measurements that resemble real-time measurements from a battery. All simulation analyses in this paper were done by using MATLAB software version R2022a developed by MathWorks [30]. The OCV effect of the battery, denoted by in Figure 1, was generated using the Combined+3 model [31] with the following model parameters: and The voltage measurements across the battery were simulated using the observation model in (3). The voltage and current measurement noises were implemented based on (2) and (1), respectively, where the voltage and current measurement noise standard deviations were assumed to be equal in magnitude, i.e., , where was computed based on the assumed signal-to-noise ratio of the measurement system, defined as
where is the amplitude of the current signal that is assumed to be constant throughout the entire simulation. The relaxation parameters of the ECM are set at and . The EECM model in the battery simulator can be changed in a way that the RC models can be selected from the set of .
Figure 2.
Battery simulator used to simulate the voltage and current measurements in this paper.
First, let us consider the current profile shown in Figure 3. The current is sampled at resulting in samples. The current profile also holds the following property
where .
Figure 3.
Current profile 1 generated using the battery simulator with constant amplitude.
Figure 4 shows a plot of OCV over time. It can be seen that when the current is positive increases and when is negative decreases. Since the average current shown in Figure 3 is zero, the average OCV in Figure 4 is constant as well.
Figure 4.
Simulated open circuit voltage (OCV). The average OCV is V.
Figure 5 shows a plot of the true voltage across the battery terminals, over time. It must be noted that even though changes with time, the magnitude of the voltage drop remains a constant. Moreover, the magnitude of change in (see Figure 4) is relatively insignificant compared to the magnitude of . Consequently, the magnitude of appears unchanged in Figure 5. Another explanation for this observation is that the change in OCV is small within a duration of 5 s.
Figure 5.
True voltage measurements across the battery terminals.
Figure 6 shows the voltage measurements from the battery simulator. Here, the battery simulator is set to Model 2 ECM (see Figure 1), i.e., only had a non-zero value and all other ECM parameters were set to zero. For now, it is assumed that the current profile is perfectly known, as shown in Figure 3; i.e., it is assumed that the current measurement noise is zero.
Figure 6.
Voltage measurements across the battery terminals simulated using the battery simulator.
The least-square estimation algorithm (34) for Model 2 was used to estimate the resistance and . Let us denote these estimated quantities as and , respectively. The normalized mean square error (NMSE) of these estimates is defined as
where M denotes the number of Monte-Carlo runs.
In order to make the CRLB comparable to the NMSE defined in (52) and (53), the following CRLB values in (42) and (43) were computed for comparison during simulation studies.
6.1. Perfect ECM Assumption
In a perfect ECM assumption, the battery management system assumes the same model as the battery simulator. We will now consider a scenario where the battery simulator and BMS assume Model 2. The NMSE for is calculated using Equation (52) where for Model 2 is estimated over 1000 Monte-Carlo runs. The CRLB for is calculated using Equation (54), where the length of current samples (Figure 3) is . Figure 7 shows the NMSE and CRLB for estimation under model matched assumption. It can be observed that the NMSE is close to the theoretical bound CRLB for all SNR levels indicating an efficient estimator.
Figure 7.
Performance of estimation using ECM Model 2 under perfect ECM assumption.
Similarly, in Figure 8, the NMSE of estimate is plotted with CRLB of for SNR values between 0 and 40 dB. The NMSE of estimate is calculated using (53) and the CRLB of estimate is calculated using (55). It can be observed again that the performance of the estimator is close to the theoretical bound CRLB and that the estimator is efficient.
Figure 8.
Performance of OCV estimation using ECM Model 2 under perfect ECM assumption.
Now, let us compare the resistance estimates under the perfect ECM assumption for a particular SNR level. Table 1 contains the estimate for Model 2 under perfect ECM assumption at SNR = 20 dB. When the BMS and battery simulator assumes Model 2, the estimate of resistance is obtained as an average from the estimate of over 1000 Monte-Carlo runs. The table also shows another case of perfect ECM assumption where the simulator, as well as the estimator, correspond to Model 3. Due to this assumption, the model parameter vector consists of two resistance and values as in Figure 1c. Thus, when the BMS and battery simulator assumes Model 3, the estimate of resistances, and are obtained as an average from the estimates of and over 1000 Monte-Carlo runs.
Table 1.
Average estimates of equivalent circuit model (ECM) parameters under perfect ECM assumption (20 dB).
6.2. Realistic ECM Assumption
In this section, a simulation-based ECM parameter estimation analysis is presented based on a realistic ECM assumption in which the battery management system assumes an ECM model that is different from the one used by the battery simulator to simulate the measurements. In this section, we consider a scenario where the battery simulator assumes Model 3 and the BMS assumes Model 2. It must be noted that the CRLB derivations are done under perfect model assumptions. Figure 9 shows the NMSE and CRLB computed under the model mismatch assumption. The NMSE is significantly greater than CRLB at all SNR levels. An explanation for this observation can be stated based on the model assumptions made for this simulation: ECM Model 3 contains two resistor components, and . When a lower order model, here Model 2, is used to estimate the parameters, the resulting estimate of the resistance is observed to be closer to the sum of the two resistor components of Model 3. To confirm this observation, let us define a new type of NMSE as follows:
Figure 9.
Performance of estimation under model mismatch assumption.
Here, the estimation error is computed with respect to the total resistance, defined as Figure 10 shows the computed NMSE based on the two different definitions given in (52) and (56). In this figure, it can be observed that is less than the NMSE for at all SNR levels. This means that the BMS under the Model 2 assumption estimates both resistances together, as a summation. Thus, it can be confirmed that the estimation of resistance of ECM Model 2 is approximately the sum of the two resistor components of Model 3.
Figure 10.
Performance of estimation under model mismatch assumption.
Now, let us compare the estimates of resistances under the perfect and realistic ECM assumptions at a particular SNR level. Table 2 contains the averages of the and estimates for both assumptions of ECM Model 3. The parameter estimate is obtained as an average from the estimates of 1000 Monte-Carlo runs at SNR = 20 dB. While using the realistic ECM model, the estimation algorithm assumes a different model, Model 2. Thus, from the ECM in Figure 1b, one estimate of resistance is obtained, i.e., . Now we apply the observation that the resistance of an ECM Model 2 is approximately the sum of the two resistor components of Model 3. Conforming to this observation, the Model 2 estimate is shown to be the total resistance of ECM Model 3 under perfect ECM assumption.
Table 2.
Average Estimates of ECM Parameters under ECM model mismatch assumption (20 dB).
The simulation analysis presented in this section under realistic ECM assumption is important because of the fact that when it comes to real battery applications, the assumed model is always different from the realistic case. Moreover, most battery management systems resort to reduced order models in order to save computation and hardware complexity.
6.3. Real Data
In this subsection, the performance of the proposed approach for battery parameter estimation using data collected from a Samsung-30T INR21700 battery cell is presented. A current profile, shown in Figure 11 is applied to the battery and the voltage across the battery terminals is recorded. The data collection is performed using the Arbin BT-2000 battery cycler shown in Figure 12 and is made available in this link: https://data.mendeley.com/datasets/h3yfxtwkjz, accessed on 24 October 2022.
Figure 11.
Current and voltage measurements collected from a real battery using a battery cycler.
Figure 12.
Experimental setup for battery testing [32].
The s.d. of the voltage and current measurement error of the device is approximately and , respectively. The sampling time of the data is second; this resulted in close to 7200 voltage and current measurements as shown in Figure 11. Then, least square estimation (34) is performed on the recorded data to estimate the model parameters. Table 3 shows the parameters obtained when the estimation algorithm is set to ECM Models 2 and 3, respectively. The parameter estimate is obtained as an average from the estimates over 1000 Monte-Carlo runs. Here, while using Model 2 to estimate the parameters, the resistance estimate is . When Model 3 is used, the individual resistance estimates are and , resulting in , which is approximately equal to the Model 2 estimation of Thus, the observation that while using Model 2, the resistance obtained is closer to the summation of all the resistor components of Model 3 holds true for real-battery data.
Table 3.
Estimates of ECM Parameters using the real voltage and current measurements.
7. Conclusions
In this paper, the Cramer–Rao Lower Bound (CRLB) of estimating the equivalent circuit model parameters of a battery is derived. It was shown that an alternating current excitation signal improves the estimation accuracy of the R-int approximation of the equivalent circuit model. It was shown using simulation studies that the R-int approximation can be efficient; that is, the estimation error variance becomes the same as the CRLB if the assumed battery model is also R-int. Further, the cost of reduced order approximation is demonstrated at various operating conditions (in terms of the signal-to-noise ratio (SNR)) where the assumed model was more generic than the one assumed by the battery management system. The proposed approach is demonstrated using data collected from a cylindrical battery cell.
One of the limitations of the present work is that the proposed approach assumes that the equivalent circuit model parameters remain constant when the measurements are taken. In reality, the battery equivalent circuit model parameters are known to change with temperature, age and usage conditions, such as the state of charge of the battery. This must be addressed in future works.
Author Contributions
Conceptualization, B.B. and K.R.P.; methodology, B.B. and K.R.P.; software, P.P. and S.S.; validation, P.P. and S.S.; formal analysis, P.P.; data curation, S.S.; writing—original draft preparation, B.B., P.P. and S.S.; writing—review and editing, B.B., P.P. and S.S.; visualization, P.P. and S.S.; supervision, B.B.; project administration, B.B.; funding acquisition, B.B. All authors have read and agreed to the published version of the manuscript.
Funding
This research was funded by the Natural Sciences and Engineering Research Council of Canada (NSERC) under the Discovery Grants (DG) program [funding reference number RGPIN-2018-04557] and the Alliance program [funding reference number ALLRP 561015].
Data Availability Statement
The data presented in this study are openly available in Mendeley Data at https://data.mendeley.com/datasets/h3yfxtwkjz, accessed on 24 October 2022.
Conflicts of Interest
The authors declare no conflict of interest. The funders had no role in the design of the study; in the collection, analyses, or interpretation of data; in the writing of the manuscript; or in the decision to publish the results.
References
- Kim, J.; Cho, B.H. State-of-charge estimation and state-of-health prediction of a Li-ion degraded battery based on an EKF combined with a per-unit system. IEEE Trans. Veh. Technol. 2011, 60, 4249–4260. [Google Scholar] [CrossRef]
- Hentunen, A.; Lehmuspelto, T.; Suomela, J. Time domain parameter extraction method for Thévenin-equivalent circuit battery models. IEEE Trans. Energy Convers. 2014, 29, 558–566. [Google Scholar] [CrossRef]
- Yang, J.; Xia, B.; Shang, Y.; Huang, W.; Mi, C.C. Adaptive state-of-charge estimation based on a split battery model for electric vehicle applications. IEEE Trans. Veh. Technol. 2017, 66, 10889–10898. [Google Scholar] [CrossRef]
- Wang, X.; Wei, X.; Zhu, J.; Dai, H.; Zheng, Y.; Xu, X.; Chen, Q. A review of modeling, acquisition and application of lithium-ion battery impedance for onboard battery management. ETransportation 2021, 7, 100093. [Google Scholar] [CrossRef]
- Balasingam, B.; Pattipati, K.R. On the Identification of Electrical Equivalent Circuit Models Based on Noisy Measurements. IEEE Trans. Instrum. Meas. 2021, 70, 1–16. [Google Scholar] [CrossRef]
- Zhou, Z.; Cui, Y.; Kong, X.; Li, J.; Zheng, Y. A fast capacity estimation method based on open circuit voltage estimation for LiNixCoyMn1-xy battery assessing in electric vehicles. J. Energy Storage 2020, 32, 101830. [Google Scholar] [CrossRef]
- Pan, W.; Luo, X.; Zhu, M.; Ye, J.; Gong, L.; Qu, H. A health indicator extraction and optimization for capacity estimation of Li-ion battery using incremental capacity curves. J. Energy Storage 2021, 42, 103072. [Google Scholar] [CrossRef]
- Zheng, Y.; Cui, Y.; Han, X.; Dai, H.; Ouyang, M. Lithium-ion battery capacity estimation based on open circuit voltage identification using the iteratively reweighted least squares at different aging levels. J. Energy Storage 2021, 44, 103487. [Google Scholar] [CrossRef]
- Ni, Z.; Yang, Y. A combined data-model method for state-of-charge estimation of lithium-ion batteries. IEEE Trans. Instrum. Meas. 2021, 71, 1–11. [Google Scholar] [CrossRef]
- Deng, Z.; Hu, X.; Lin, X.; Xu, L.; Che, Y.; Hu, L. General discharge voltage information enabled health evaluation for lithium-ion batteries. IEEE/ASME Trans. Mech. 2020, 26, 1295–1306. [Google Scholar] [CrossRef]
- Bian, X.; Liu, L.; Yan, J.; Zou, Z.; Zhao, R. An open circuit voltage-based model for state-of-health estimation of lithium-ion batteries: Model development and validation. J. Power Sources 2020, 448, 227401. [Google Scholar] [CrossRef]
- Hasib, S.A.; Islam, S.; Chakrabortty, R.K.; Ryan, M.J.; Saha, D.K.; Ahamed, M.H.; Moyeen, S.I.; Das, S.K.; Ali, M.F.; Islam, M.R.; et al. A comprehensive review of available battery datasets, RUL prediction approaches and advanced battery management. IEEE Access 2021, 9, 86166–86193. [Google Scholar] [CrossRef]
- Balasingam, B.; Ahmed, M.; Pattipati, K. Battery management systems—Challenges and some solutions. Energies 2020, 13, 2825. [Google Scholar] [CrossRef]
- Kumar, P.; Balasingam, B.; Rankin, G.; Pattipati, K.R. Battery Thermal Model Identification And Surface Temperature Prediction. In Proceedings of the IECON 2021—47th Annual Conference of the IEEE Industrial Electronics Society, Toronto, ON, Canada, 13–16 October 2021; pp. 1–6. [Google Scholar]
- Islam, S.; Park, S.Y.; Balasingam, B. Unification of Internal Resistance Estimation Methods for Li-Ion Batteries Using Hysteresis-Free Equivalent Circuit Models. Batteries 2020, 6, 32. [Google Scholar] [CrossRef]
- Santoni, F.; De Angelis, A.; Moschitta, A.; Carbone, P. Analysis of the Uncertainty of EIS Battery Data Fitting to an Equivalent Circuit Model. In Proceedings of the 2021 IEEE 6th International Forum on Research and Technology for Society and Industry (RTSI), Naples, Italy, 6–9 September 2021; pp. 497–501. [Google Scholar]
- Waag, W.; Käbitz, S.; Sauer, D.U. Experimental investigation of the lithium-ion battery impedance characteristic at various conditions and aging states and its influence on the application. Appl. Energy 2013, 102, 885–897. [Google Scholar] [CrossRef]
- Gao, Y.; Zhang, X.; Zhu, C.; Guo, B. Global Parameter Sensitivity Analysis of Electrochemical Model for Lithium-Ion Batteries Considering Aging. IEEE/ASME Trans. Mech. 2021, 26, 1283–1294. [Google Scholar] [CrossRef]
- Marongiu, A.; Roscher, M.; Sauer, D.U. Influence of the vehicle-to-grid strategy on the aging behavior of lithium battery electric vehicles. Appl. Energy 2015, 137, 899–912. [Google Scholar] [CrossRef]
- Islam, S.R.; Park, S.Y.; Balasingam, B. Circuit parameters extraction algorithm for a lithium-ion battery charging system incorporated with electrochemical impedance spectroscopy. In Proceedings of the IEEE Applied Power Electronics Conference and Exposition, San Antonio, TX, USA, 4–8 March 2018; pp. 3353–3358. [Google Scholar]
- Movahedi, H.; Tian, N.; Fang, H.; Rajamani, R. Hysteresis Compensation and Nonlinear Observer Design for State-of-Charge Estimation Using a Nonlinear Double-Capacitor Li-Ion Battery Model. IEEE/ASME Trans. Mech. 2021, 27, 594–604. [Google Scholar] [CrossRef]
- Mondal, A.; Routray, A.; Puravankara, S. Parameter identification and co-estimation of state-of-charge of Li-ion battery in real-time on Internet-of-Things platform. J. Energy Storage 2022, 51, 104370. [Google Scholar] [CrossRef]
- Balasingam, B.; Avvari, G.; Pattipati, B.; Pattipati, K.; Bar-Shalom, Y. A robust approach to battery fuel gauging, part I: Real time model identification. J. Power Sources 2014, 272, 1142–1153. [Google Scholar] [CrossRef]
- Diab, Y.; Auger, F.; Schaeffer, E.; Wahbeh, M. Estimating Lithium-Ion Battery State of Charge and Parameters Using a Continuous-Discrete Extended Kalman Filter. Energies 2017, 10, 1075. [Google Scholar] [CrossRef]
- Zhang, S.; Zhang, X. A comparative study of different online model parameters identification methods for lithium-ion battery. Sci. China Technol. Sci. 2021, 64, 2312–2327. [Google Scholar] [CrossRef]
- Lai, X.; Wang, S.; Ma, S.; Xie, J.; Zheng, Y. Parameter sensitivity analysis and simplification of equivalent circuit model for the state of charge of lithium-ion batteries. Electrochim. Acta 2020, 330, 135239. [Google Scholar] [CrossRef]
- Raihan, S.A.; Balasingam, B. Recursive least square estimation approach to real-time parameter identification in Li-ion batteries. In Proceedings of the IEEE Electrical Power and Energy Conference, Montreal, QC, Canada, 16–18 October 2019; pp. 1–6. [Google Scholar]
- Rothenberger, M.J.; Docimo, D.J.; Ghanaatpishe, M.; Fathy, H.K. Genetic optimization and experimental validation of a test cycle that maximizes parameter identifiability for a Li-ion equivalent-circuit battery model. J. Energy Storage 2015, 4, 156–166. [Google Scholar] [CrossRef]
- Bar-Shalom, Y.; Li, X.R.; Kirubarajan, T. Estimation with Applications to Tracking and Navigation: Theory Algorithms and Software; John Wiley & Sons: Hoboken, NJ, USA, 2004. [Google Scholar]
- MATLAB, Version 9.12.0.1956245 (R2022a); The MathWorks Inc.: Natick, MA, USA, 2022.
- Pattipati, B.; Balasingam, B.; Avvari, G.; Pattipati, K.R.; Bar-Shalom, Y. Open circuit voltage characterization of lithium-ion batteries. J. Power Sources 2014, 269, 317–333. [Google Scholar] [CrossRef]
- Kumar, P.; Rankin, G.; Pattipati, K.R.; Balasingam, B. Model Based Approach to Long Term Prediction of Battery Surface Temperature. IEEE J. Emerg. Sel. Top. Ind. Electron. 2022, 1–12. [Google Scholar] [CrossRef]
Publisher’s Note: MDPI stays neutral with regard to jurisdictional claims in published maps and institutional affiliations. |
© 2022 by the authors. Licensee MDPI, Basel, Switzerland. This article is an open access article distributed under the terms and conditions of the Creative Commons Attribution (CC BY) license (https://creativecommons.org/licenses/by/4.0/).











