Cooperation of an Electric Arc Device with a Power Supply System Equipped with a Superconducting Element
Abstract
1. Introduction
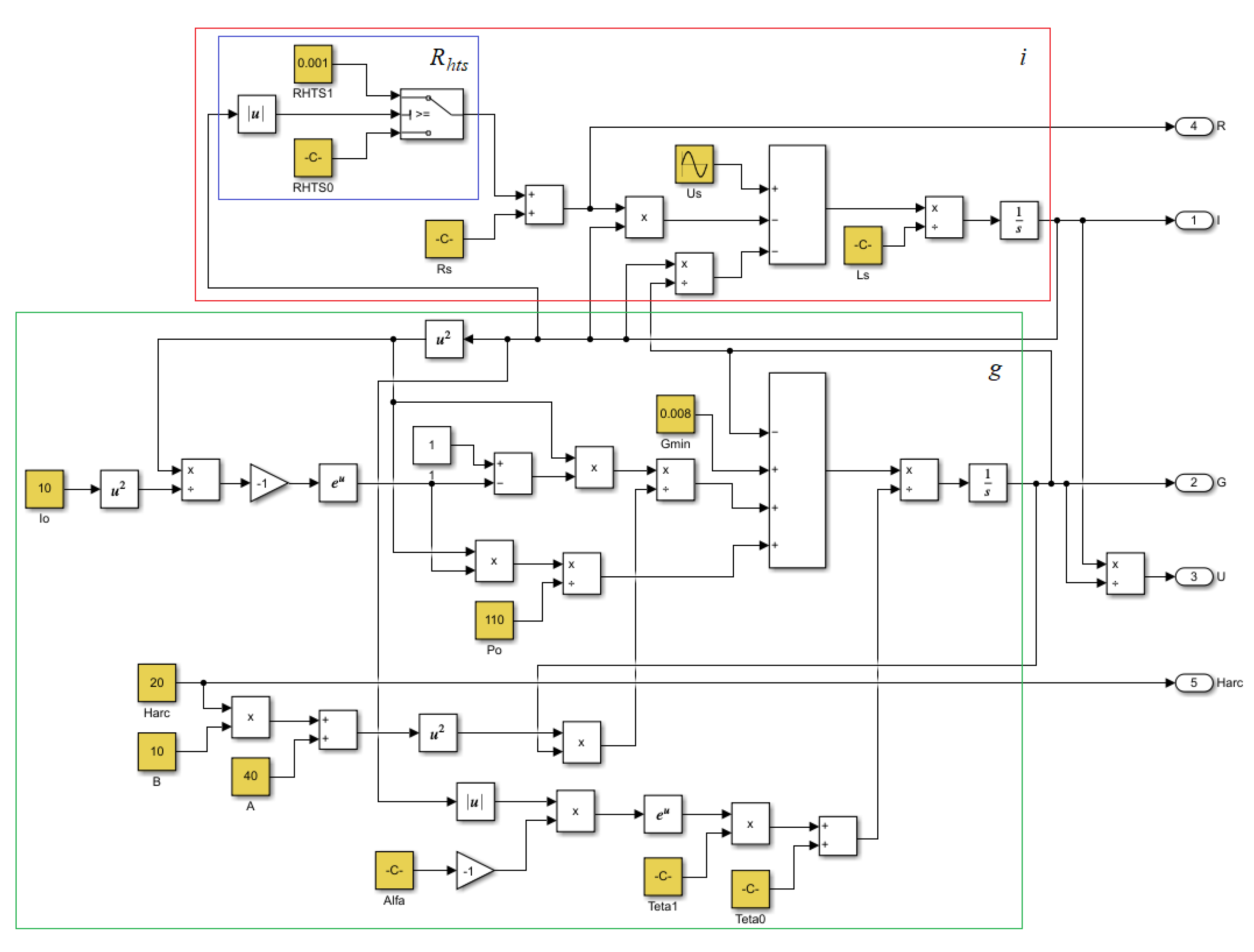
2. Arc Receiver Power Supply System
2.1. Arc Receiver Model
2.2. Superconductor Model
2.3. Calculation Model
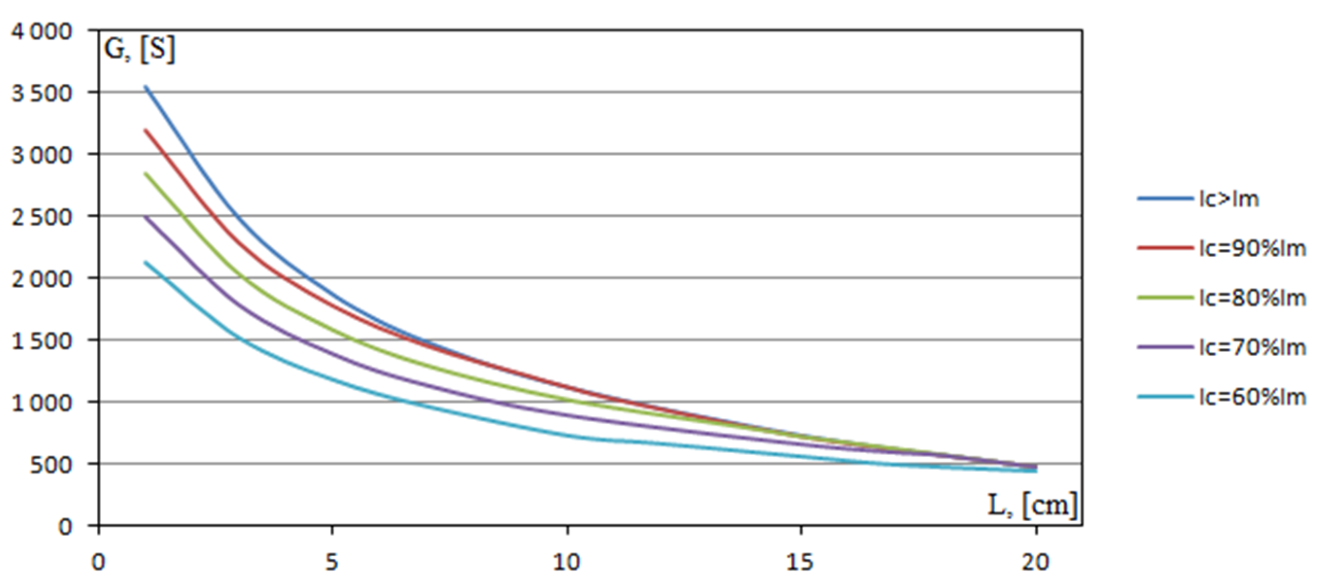
3. Numerical Analysis
3.1. Power System with Constant Resistance
3.2. Power Supply System with Zero Resistance
3.3. Power System with a Superconductor Losing its Superconducting State
3.4. Variable-Length Electric Arc
4. Conclusions
Funding
Institutional Review Board Statement
Informed Consent Statement
Data Availability Statement
Conflicts of Interest
References
- Facchini, F.; Mossa, G.; Mummolo, G.; Vitti, M. An Economic Model to Assess Profitable Scenarios of EAF-Based Steelmaking Plants under Uncertain Conditions. Energies 2021, 14, 7395. [Google Scholar] [CrossRef]
- Saboohi, Y.; Fathi, A.; Škrjanc, I.; Logar, V. Optimization of the Electric Arc Furnace Process. IEEE Trans. Ind. Electron. 2019, 66, 8030–8039. [Google Scholar] [CrossRef]
- Yakimov, I.A.; Gasiyarov, V.R. The Improvement of Operational Efficiency of High Power Electric Arc Furnace Due to Electrical Equipment. In Proceedings of the 2018 International Conference on Industrial Engineering, Applications and Manufacturing (ICIEAM), Moscow, Russia, 15–18 May 2018. [Google Scholar] [CrossRef]
- Jawahery, S.; Visuri, V.-V.; Wasbø, S.O.; Hammervold, A.; Hyttinen, N.; Schlautmann, M. Thermophysical Model for Online Optimization and Control of the Electric Arc Furnace. Metals 2021, 11, 1587. [Google Scholar] [CrossRef]
- Czapla, M.; Karbowniczek, M.; Michaliszyn, A. The optimisation of electric energy consumption in the electric arc furnace. Arch. Metall. Mater. 2008, 53, 559–565. [Google Scholar]
- Gajić, D.; Savić-Gajić, I.; Savić, I.; Georgieva, O.; Di Gennaro, S. Modelling of electrical energy consumption in an electric arc furnace using artificial neural networks. Energy 2016, 108, 132–139. [Google Scholar] [CrossRef]
- Bai, E. Minimizing energy cost in electric arc furnace steel making by optimal control designs. J. Energy 2014, 2014, 620695. [Google Scholar] [CrossRef][Green Version]
- Milutinovich, J.S.; Mahon, W.T. Some Thoughts on Minimizing Cost of Arc-Furnace Transformers. IEEE Trans. Reliab. 1975, 24, 251–254. [Google Scholar] [CrossRef]
- Berger, A.; Cherevatskiy, S.; Noe, M.; Leibfried, T. Comparison of the efficiency of superconducting and conventional transformers. J. Phys. Conf. Ser. 2010, 234 Pt 3, 032004. [Google Scholar] [CrossRef]
- Manusov, V.Z.; Pavlyuchenko, D.A.; Ahyoev, J.S. A Study of Superconducting Transformer with Short-Circuit Current Limitation. Int. J. Electr. Comput. Eng. (IJECE) 2018, 8, 505–512. [Google Scholar] [CrossRef]
- Elshiekh, M.; Zhang, M.; Ravindra, H.; Chen, X.; Venuturumilli, S.; Huang, X.; Schoder, K.; Steurer, M.; Yuan, W. Effectiveness of Superconducting Fault Current Limiting Transformers in Power Systems. IEEE Trans. Appl. Supercond. 2018, 28, 5601607. [Google Scholar] [CrossRef]
- Ohtsubo, Y.; Iwakuma, M.; Sato, S.; Sakaki, K.; Tomioka, A.; Miyayama, T.; Konno, M.; Hayashi, H.; Okamoto, H.; Gosho, Y.; et al. Development of REBCO Superconducting Transformers with a Current Limiting Function—Fabrication and Tests of 6.9 kV–400 kVA Transformers. IEEE Trans. Appl. Supercond. 2015, 25, 5500305. [Google Scholar] [CrossRef]
- Ivanov, D.M.; Manusov, V.Z.; Semenov, A.V. Experimental Studies of a High-temperature Superconducting Prototype Transformer with Current Limiting Function. In Proceedings of the 2020 International Youth Conference on Radio Electronics, Electrical and Power Engineering (REEPE), Moscow, Russia, 12–14 March 2020. [Google Scholar] [CrossRef]
- Vaishnavi, B.V.; Angelin Suji, R.S.; Trivenishree, D.P.; Nidha, N.; Sowmya, G.J. Superconducting Fault Current Limiter & Its Application. Int. J. Sci. Eng. Res. 2016, 7, 126–134. [Google Scholar]
- Morandi, A. State of the art of superconducting fault current limiters and their application to the electric power system. Phys. C Supercond. 2013, 484, 242–247. [Google Scholar] [CrossRef]
- Cho, K.-C.; Park, M.-K.; Lim, S.-H. Analysis of the DC Fault Current Limiting Characteristics of a DC Superconducting Fault Current Limiter Using a Transformer. Energies 2020, 13, 4210. [Google Scholar] [CrossRef]
- Noe, M.; Hobl, A.; Tixador, P.; Martini, L.; Dutoit, B. Conceptual Design of a 24 kV, 1 kA Resistive Superconducting Fault Current Limiter. IEEE Trans. Appl. Supercond. 2012, 22, 5600304. [Google Scholar] [CrossRef]
- Song, W.; Pei, X.; Alafnan, H.; Xi, J.; Zeng, X.; Xiang, B.; Liu, Z. Experimental and Simulation Study of Resistive Helical HTS Fault Current Limiters: Quench and Recovery Characteristics. IEEE Trans. Appl. Supercond. 2021, 31, 5601106. [Google Scholar] [CrossRef]
- Xi, J.; Pei, X.; Song, W.; Xiang, B.; Liu, Z.; Zeng, X. Experimental tests of DC SFCL under low impedance and high impedance fault conditions. IEEE Trans. Appl. Supercond. 2021, 31, 5601205. [Google Scholar] [CrossRef]
- Dew-Hughes, D. The critical current of superconductors: An historical review. Low Temp. Phys. 2001, 27, 713–722. [Google Scholar] [CrossRef]
- Talantsev, E. On the fundamental definition of critical current in superconductors. arXiv 2017, arXiv:1707.07395. [Google Scholar]
- Mimura, T.; Masuda, T.; Yaguchi, H.; Fukushima, H. Recent Progress of the High-Temperature Superconducting Cable Project in Japan. 31nternational Symposium on Superconductivity (ISS2018). J. Phys. Conf. Ser. 2019, 1293, 012066. [Google Scholar] [CrossRef]
- Cheetham, P.; Viquez, J.; Kim, W.; Graber, L.; Kim, C.H.; Pamidi, S.V. High-Temperature Superconducting Cable Design Based on Individual Insulated Conductors. Adv. Mater. Sci. Eng. 2018, 2018, 3637873. [Google Scholar] [CrossRef]
- Tsotsopoulou, E.; Dyśko, A.; Hong, Q.; Elwakeel, A.; Elshiekh, M.; Yuan, W.; Booth, C.; Tzelepis, D. Modelling and Fault Current Characterization of Superconducting Cable with High Temperature Superconducting Windings and Copper Stabilizer Layer. Energies 2020, 13, 6646. [Google Scholar] [CrossRef]
- Lee, S.-J.; Kang, S.Y.; Park, M.; Won, D.Y.; Yoo, J.; Yang, H.S. Performance Analysis of Real-Scale 23 kV/60 MVA Class Tri-Axial HTS Power Cable for Real-Grid Application in Korea. Energies 2020, 13, 2053. [Google Scholar] [CrossRef]
- Fang, X.; Wang, B.; Yu, M.; Zhang, L. Research on State Acquisition for Electric Arc Furnace Under Multivariate Combination Model. In Proceedings of the Chinese Automation Congress (CAC), Xi’an, China, 30 November–2 December 2018; IEEE: Piscataway, NJ, USA, 2018. [Google Scholar] [CrossRef]
- Esfahani, M.T.; Vahidi, B. A New Stochastic Model of Electric Arc Furnace Based on Hidden Markov Model: A Study of Its Effects on the Power System. IEEE Trans. Power Deliv. 2012, 27, 1893–1901. [Google Scholar] [CrossRef]
- Čerňan, M.; Tlustý, J. Model of Electric Arc Furnace for designing of power quality improvement equipment, IEEE. In Proceedings of the 15th International Scientific Conference on Electric Power Engineering (EPE), Brno-Bystrc, Czech Republic, 12–14 May 2014. [Google Scholar] [CrossRef]
- Bhonsle, D.C.; Kelkar, R.B. Design and analysis of composite filter for power quality improvement of electric arc furnace. In Proceedings of the 3rd International Conference on Electric Power and Energy Conversion Systems, Istanbul, Turkey, 2–4 October 2013; IEEE: Piscataway, NJ, USA, 2013. [Google Scholar] [CrossRef]
- Awagan, G.R.; Thosar, A.G. Mathematical Modeling of Electric Arc Furnace to Study the Flicker. Int. J. Sci. Eng. Res. 2016, 7, 684–695. [Google Scholar]
- Lee, H.-J.; Kim, J.-S.; Kim, J.-C.; Yun, S.-Y.; Cho, S.-M. Study on Operational Characteristics of Protection Relay with Fault Current Limiters in an LVDC System. Electronics 2020, 9, 322. [Google Scholar] [CrossRef]
- Ko, S.-C.; Han, T.-H.; Lim, S.-H. Magnetizing Characteristics of Bridge Type Superconducting Fault Current Limiter (SFCL) with Simultaneous Quench Using Flux-Coupling. Energies 2020, 13, 1760. [Google Scholar] [CrossRef]
- Zhang, X.; Ruiz, H.S.; Geng, J.; Shen, B.; Fu, L.; Zhang, H.; Coombs, T.A. Power flow analysis and optimal locations of resistive type superconducting fault current limiters. SpringerPlus 2016, 5, 1972. [Google Scholar] [CrossRef]
- Falkowski, M.; Kowalczyk, A.; Strydom, A.M.; Reiffers, M.; Toliński, T. Inhomogeneous Superconducting Behaviour in La5Ni2Si3. J. Low Temp. Phys. 2017, 189, 120–131. [Google Scholar] [CrossRef]
- Bortolozo, A.D.; Gueiros, A.D.; Alves, L.M.S.; dos Santos, C.A.M. Influence of the Fluoride Atoms Doping on the FeSe Superconductor. Mater. Sci. Appl. 2012, 3, 22903. [Google Scholar] [CrossRef][Green Version]
- Sun, F.; ZhongnanGuo, Z.; Zhang, H.; Yuan, W. S/Te co-doping in tetragonal FeSe with unchanged lattice parameters: Effects on superconductivity and electronic structure. J. Alloy. Compd. 2017, 700, 43–48. [Google Scholar] [CrossRef]
- Yazdani-Asrami, M.; Staines, M.; Sidorov, G.; Eicher, A. Heat transfer and recovery performance enhancement of metal and superconducting tapes under high current pulses for improving fault current-limiting behavior of HTS transformers. Supercond. Sci. Technol. 2020, 33, 095014. [Google Scholar] [CrossRef]
- Xiang, B.; Gao, L.; Junaid, M.; Liu, Z.; Geng, Y.; Wang, J.; Yanabu, S. Effects of Magnetic Fields on Quench Characteristics of Superconducting Tape for Superconducting Fault Current Limite. Appl. Sci. 2019, 9, 1466. [Google Scholar] [CrossRef]
- Kozak, S. Superconducting Surge Current Limiter. Energies 2021, 14, 6944. [Google Scholar] [CrossRef]





















| Parameter | Value Used for Calculation |
|---|---|
| Rs | 0.38 mΩ |
| Ls | 8.589 μH |
| Em | 500 V, 50 Hz |
| Rhts | 0 Ω in a superconducting state 1 mΩ or 100 mΩ in resistive condition |
| Parameter Description | Parameter | Value Used for Calculation |
|---|---|---|
| Constant defining the momentarily constant steady state arc voltage E0 | A | 40 V |
| Constant defining the momentarily constant steady state arc voltage E0 | B | 10 V/cm |
| Arc length | l | 0–20 cm |
| Transition current | I0 | 10 A |
| Minimum arc conductance | gmin | 0.008 S |
| Momentary power loss | P0 | 110 W |
| Time Constant | Θ0 | 110 μs |
| Time Constant | Θ1 | 100 μs |
| Constant | α | 0.0005 A |
| Rs, [mΩ] | l, [cm] | Im, [A] | G, [S] | U, [V] |
|---|---|---|---|---|
| 0.38 | 1 | 177,889 | 3557 | 50 |
| 20 | 113,254 | 471 | 240 | |
| 0 | 1 | 181,144 | 3631 | 50 |
| 20 | 127,187 | 529 | 240 |
Publisher’s Note: MDPI stays neutral with regard to jurisdictional claims in published maps and institutional affiliations. |
© 2022 by the author. Licensee MDPI, Basel, Switzerland. This article is an open access article distributed under the terms and conditions of the Creative Commons Attribution (CC BY) license (https://creativecommons.org/licenses/by/4.0/).
Share and Cite
Komarzyniec, G. Cooperation of an Electric Arc Device with a Power Supply System Equipped with a Superconducting Element. Energies 2022, 15, 2553. https://doi.org/10.3390/en15072553
Komarzyniec G. Cooperation of an Electric Arc Device with a Power Supply System Equipped with a Superconducting Element. Energies. 2022; 15(7):2553. https://doi.org/10.3390/en15072553
Chicago/Turabian StyleKomarzyniec, Grzegorz. 2022. "Cooperation of an Electric Arc Device with a Power Supply System Equipped with a Superconducting Element" Energies 15, no. 7: 2553. https://doi.org/10.3390/en15072553
APA StyleKomarzyniec, G. (2022). Cooperation of an Electric Arc Device with a Power Supply System Equipped with a Superconducting Element. Energies, 15(7), 2553. https://doi.org/10.3390/en15072553
