Design for a Four-Stage DC/DC High-Voltage Converter with High Precision and a Small Ripple
Abstract
1. Introduction
- The output high voltage can be controlled with a high accuracy of greater than 0.02%;
- The ripple of the output high voltage is less than 1 V at voltages reaching 7000 V;
- The efficiency of the converter can reach up to 94.5%.
2. Principle Introduction and Calculation of Key Parameters
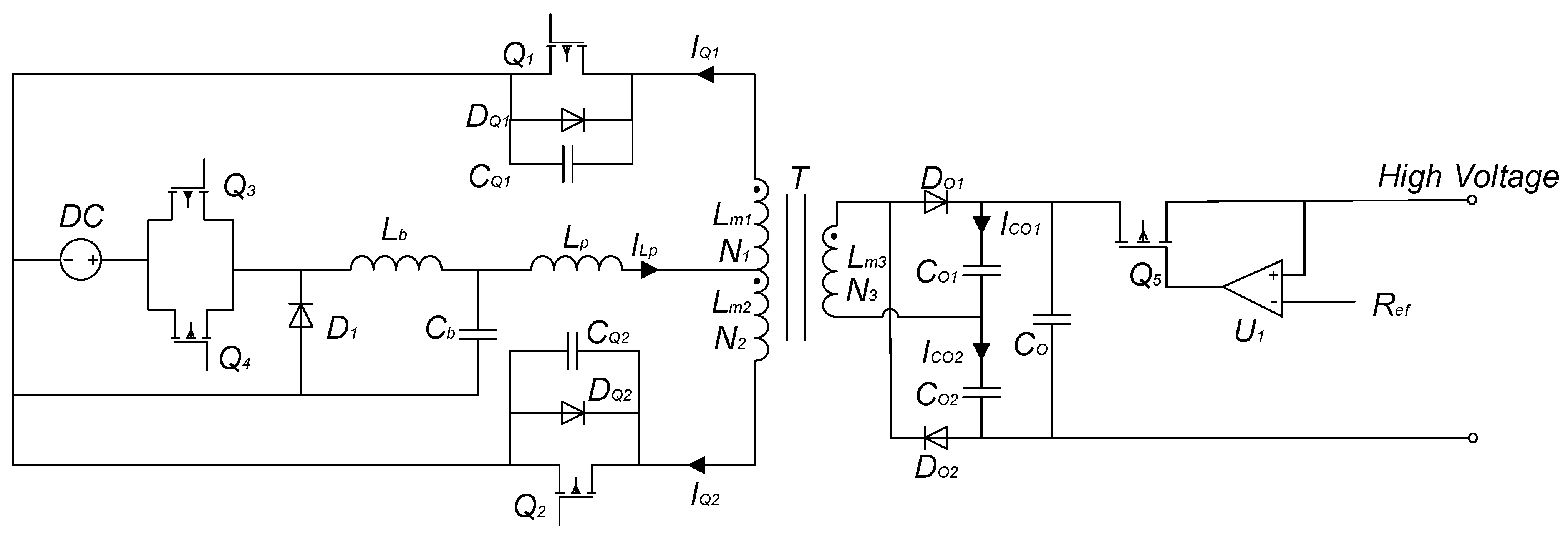
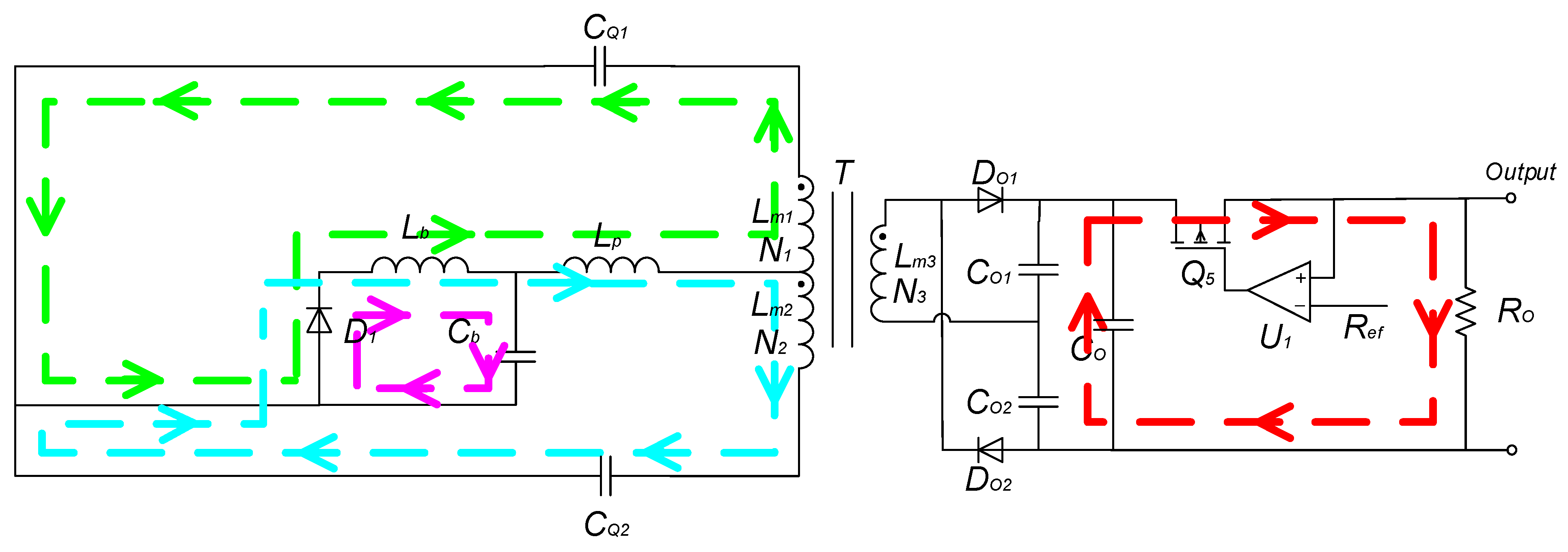
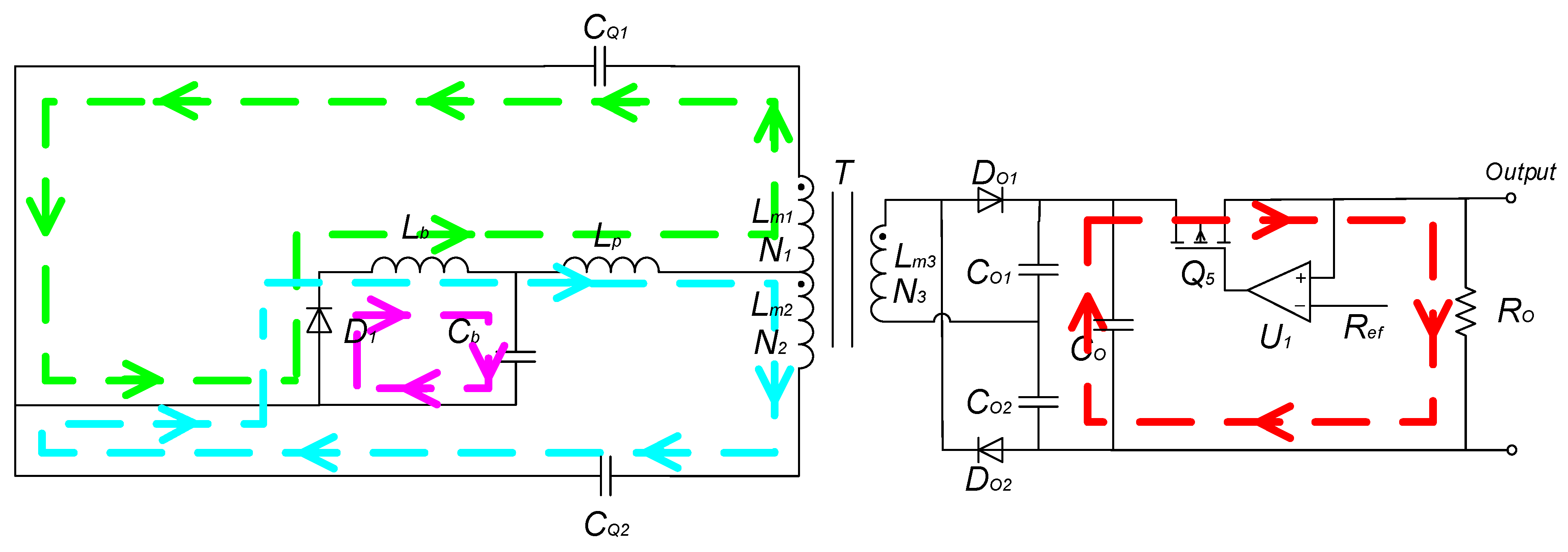
2.1. Principle Introduction
- D is the duty cycle of interleaved switches;
- is the number of turns on the secondary side of the transformer;
- is the number of turns on the primary side of the transformer;
- is the pressure drop setting value of the MOSFET in the LDO module.
2.2. Calculation of Key Parameters
- is the waveform factor of the square wave, with ;
- is the switching frequency, with ;
- is the magnetic flux density, in which the TPW33-UYF36 series is adopted as the type of magnetic core, with ;
- and is the effective cross-sectional areas of the core, with .
3. Experimental Validation
4. Discussion
5. Conclusions
- The output high voltage can be controlled with a high accuracy of greater than 0.02%;
- The ripple of the output high voltage is small, less than 1 V at voltages up to 7000 V;
- The power switches in the push–pull circuit can realize ZVS and ZCS at both turning on and off, with the efficiency of the converter reaching 94.5%.
Author Contributions
Funding
Data Availability Statement
Conflicts of Interest
References
- Wang, X.-N.; Su, X.-B.; Ma, D.-D.; Zhang, R.; Miao, G.-X.; Wang, W.-L. In-Orbit Reliability Evaluation of Space TWTA Based on Copula Function and Bivariate Hybrid Stochastic Processes. Appl. Sci. 2022, 12, 1575. [Google Scholar] [CrossRef]
- Zheng, W.; Hu, C.; Zhao, B.; Su, X.-B.; Wang, G.; Hou, X.-W.; Gu, B. A Two-Stage DC/DC Isolated High-Voltage Converter with Zero-Voltage Switching and Zero-Current Switching Applied in Electronic Power Conditioners. Energies 2022, 15, 6378. [Google Scholar] [CrossRef]
- Wang, Y.; Dong, Y.; Zhu, X.; Guo, J.; Xu, D.; Wang, S.; Gong, Y. Multiple Dielectric-Supported Ridge-Loaded Rhombus-Shaped Wideband Meander-Line Slow-Wave Structure for a V-Band TWT. Electronics 2022, 11, 405. [Google Scholar] [CrossRef]
- Zhao, B.; Wang, G.; Hurley, W.-G. Analysis and Performance of LCLC Resonant Converters for High-Voltage High-Frequency Applications. IEEE J. Emerg. Sel. Top. Power Electron. 2017, 5, 1272–1286. [Google Scholar] [CrossRef]
- Zhao, B.; Wang, G. PSO-Algorithm-Based Optimal Design of LCLC Resonant Converters for Space Travelling-Wave Tube Amplifiers Applications. Energies 2019, 12, 2444. [Google Scholar] [CrossRef]
- Abdulla, M.; Juhany, K.A. A Rapid Solver for the Prediction of Flow-Field of High-Speed Vehicle Moving in a Tube. Energies 2022, 15, 6074. [Google Scholar] [CrossRef]
- Weinberg, A.H.; Ghislanzoni, L. A New Zero Voltage and Zero Current Power-Switching Technique. IEEE Trans. Power Electron. 1992, 7, 655–665. [Google Scholar] [CrossRef]
- Zhou, S.; Yao, Y.; Zhang, Y. Electromagnetic Particle Algorithm for Beam–Wave Interaction in Traveling Wave Tube of Symmetry. Symmetry 2022, 14, 2119. [Google Scholar] [CrossRef]
- Kowstubha, P.; Krishnaveni, K.; Ramesh, R.K. Electronic Power Conditioner for Ku-Band Travelling Wave Tube. J. Inst. Eng. (India) Ser. B Electr. Electron. Telecommun. Comput. Eng. 2017, 98, 213–220. [Google Scholar] [CrossRef]
- Katiyar, T.; Shukla, K.; Kumar, A. Design of 50W electronic power conditioner using planar power magnetics. In Proceedings of the Fifth International Conference on Advances in Recent Technologies in Communication and Computing (ARTCom 2013), Bangalore, India, 20–21 September 2013. [Google Scholar]
- Katzir, L.; Shmilovitz, D. A 1-MHz 5-kV Power Supply Applying SiC Diodes and GaN HEMT Cascode Mosfets in Soft Switching. IEEE. Emerg. Sel. Top. Power Electron. 2016, 4, 1474–1482. [Google Scholar] [CrossRef]
- Yao, Z.; Liu, T. Boost and full-bridge integrated converter for wide input-voltage range application. Int. Trans. Electr. Energy Syst. 2021, 31, e12916. [Google Scholar] [CrossRef]
- Cai, J.; Zhao, L.; Wei, C.; Liang, J. Analysis of novel phase-shifted full-bridge converters with wide ZVS range reduced filter requirement. IEICE Electron. Express 2022, 19, 20210391. [Google Scholar]
- Rafiq, U.; Murtaza, A.F.; Sher, H.A.; Gandini, D. Design and Analysis of a Novel High-Gain DC-DC Boost Converter with Low Component Count. Electronics 2021, 10, 1761. [Google Scholar] [CrossRef]
- Xiao, W.-D.; Ozog, N.; Dunford, W.G. Topology study of photovoltaic interface for maximum power point tracking. IEEE Trans. Ind. Electron. 2007, 54, 1696–1704. [Google Scholar] [CrossRef]
- Jewett, R. Kepler Selects Tesat Optical Inter-Satellite Links for Constellation. Satellite Today, 9 June 2022.
- Hill, J. Germany’s Tesat to Build New US Optical Terminal Manufacturing Facility. Satellite Today, 8 February 2022.
- Heine, F.; Martin, P.; Patricia, H.N.; Hasler, D.; Rochow, C.; Zech, H. Status of Tesat Lasercomms activities. In Proceedings of the Free-Space Laser Communications XXXIII, Online Only, CA, USA, 6–12 March 2021; Volume 11678. [Google Scholar]
- Holmes, M. Thales Alenia Space to Lead European Study on Data Centers in Space. Satellite Today, 14 November 2022.
- Acquisdata. Thales 26 October 2022; Acquisdata Pty. Ltd.: Melbourne, Australia, 2022. [Google Scholar]
- Andy, M. Thales Alenia Space Enters Partnership with Kythera Space Solutions. Manufacturing Close-Up, 12 September 2022.
- L-3 Communications. L-3 Delivers Upgraded C-130 Aircraft to the U.S. Air Force for Argentine Foreign Military Sales Program. Defense & Aerospace Week, 12 July 2016.
- L-3 Communications. L-3 Communications Completes Internal Review of Aerospace Systems Segment. Defense & Aerospace Week, 10 October 2014.
- Geddam, K.K.; Devaraj, E. Real Time Hardware-in-Loop Implementation of LLC Resonant Converter at Worst Operating Point Based on Time Domain Analysis. Energies 2022, 15, 3634. [Google Scholar] [CrossRef]
- Zarghani, M.; Mohsenzade, S.; Hadizade, A.; Kaboli, S. An Extremely Low Ripple High Voltage Power Supply for Pulsed Current Applications. IEEE Trans. Power Electron. 2020, 35, 7991–8001. [Google Scholar] [CrossRef]














| Forward | Flyback | Push–Pull | Half-Bridge | Full-Bridge | |
|---|---|---|---|---|---|
| Voltage stress | 2 | 2 | 2 | ||
| Current stress | 2 | ||||
| Number of switches | 1 | 1 | 2 | 2 | 4 |
Disclaimer/Publisher’s Note: The statements, opinions and data contained in all publications are solely those of the individual author(s) and contributor(s) and not of MDPI and/or the editor(s). MDPI and/or the editor(s) disclaim responsibility for any injury to people or property resulting from any ideas, methods, instructions or products referred to in the content. |
© 2022 by the authors. Licensee MDPI, Basel, Switzerland. This article is an open access article distributed under the terms and conditions of the Creative Commons Attribution (CC BY) license (https://creativecommons.org/licenses/by/4.0/).
Share and Cite
Zheng, W.; Hu, C.; Zhao, B.; Su, X.; Wang, G.; Hou, X. Design for a Four-Stage DC/DC High-Voltage Converter with High Precision and a Small Ripple. Energies 2023, 16, 389. https://doi.org/10.3390/en16010389
Zheng W, Hu C, Zhao B, Su X, Wang G, Hou X. Design for a Four-Stage DC/DC High-Voltage Converter with High Precision and a Small Ripple. Energies. 2023; 16(1):389. https://doi.org/10.3390/en16010389
Chicago/Turabian StyleZheng, Wei, Cong Hu, Bin Zhao, Xiaobao Su, Gang Wang, and Xiaowan Hou. 2023. "Design for a Four-Stage DC/DC High-Voltage Converter with High Precision and a Small Ripple" Energies 16, no. 1: 389. https://doi.org/10.3390/en16010389
APA StyleZheng, W., Hu, C., Zhao, B., Su, X., Wang, G., & Hou, X. (2023). Design for a Four-Stage DC/DC High-Voltage Converter with High Precision and a Small Ripple. Energies, 16(1), 389. https://doi.org/10.3390/en16010389
