Abstract
An improved fractional-order sliding mode control (FOSMC) for PMSM is presented in this study to set the unavoidable parameters and to improve permanent magnet synchronous motors (PMSMs) drive performance, such as current and speed tracking accuracy. To determine the optimal parameters of the FOSMC for control speed in a PMSM drive, a neural network algorithm with reinforcement learning (RLNNA) is proposed. The FOSMC parameters are set by the ANN algorithm and then adapted through reinforcement learning to enhance the results. The proposed controller using RLNNA based on fractional-order sliding mode control (RLNNA-FOSMC) can drive the motor speed to achieve the referred value in a finite period of time, leading to faster convergence and improved tracking accuracy. For a fair comparison and evaluation, the proposed RLNNA-FOSMC is compared with conventional FOSMC by applying the integral of time multiplied absolute error as an objective function. The most commonly used objective functions in the literature were also compared, including the integral time multiplied square error, integral square error, and integral absolute error. To validate the performance of the RLNNA-FOSMC speed controller, different scenarios with different speeds steps were carried out. The computational results are promising and demonstrate the effectiveness of the proposed controller. Overall, the proposed RLNNA-FOSMC controller for the PMSM speed control system performed better than conventional FOSMC in numerical simulations.
1. Introduction
Permanent magnet synchronous motors (PMSMs) have been widely utilized in various industrial and daily life applications, including electric traction, automotive, robotics, and servomechanisms, due to their great efficiency, high torque to inertia ratio, high power factor, rapid reaction, and durable design. PMSM drives are preferred in many applications [1]. Mainly, several electromechanical parameters variations, speed, and position tracking control are the most challenging in PMSM [2]. In order to solve these challenges, various advanced control methods have been presented recently [3]. One of the popular methods that have been introduced in the literature is sliding mode control (SMC), which is successfully applied for the PMSM control [4]. SMC is a model of variable structure system (VSS), which allows reducing the uncertainty of multi-order systems to first-order state variables, specifically the derivatives of the sliding functions [5]. SMC is an effective controller model for ensuring optimal tracking once the system is subjected to external disturbances or different parameter changes [6]. Moreover, SMC is notable for its excellent accuracy and simplicity of application. However, the main challenges in the SMC are to minimize the chattering during the sliding mode [7], reduce the reaching phase to guarantee the control objective is reached on the sliding surface [8], and ensure convergence of the proposed system condition to the sliding surface [9].
Over the years, researchers have presented different SMC improvement approaches to cover these drawbacks and enhance the effectiveness of traditional SMC in order to improve speed tracking and eliminate the disturbance characteristics while reducing chattering impacts [10,11]. These proposed methods may include a modification of sliding surface design, higher-order SMC, reaching law methods, and composite SMC designs. For example, in [12], a discrete compound integral terminal combined with sliding mode control has been developed to enhance the speed system in PMSM. In the proposed control design, the authors presented the integral terminal sliding mode control to describe the convergence state of infinite time. Then, to address the problem of high switching gains caused by SMC to handle disturbances, an extended state observer-based compensator is presented. Moreover, a predictive control-based optimum control signal is generated to assist the control signal system in optimally pushing the state. The proposed speed scheme has been validated where the reaching quality is increased and reduced the tracking error band, low controller order, effective model flexibility, and disturbance reduction ability. In [13], the authors proposed a compound control technique adapted with an enhanced non-singular fast terminal with a sliding mode controller (NFTSMC) to improve the response time and enhance the anti-disturbance performance of PMSM. The purpose of the improved NFTSMC is to reduce the chattering on the output signal during maintaining the high-tracking performance of the speed controller. Moreover, the disturbance observer compensation techniques have been developed to predict the load disturbance and included in the output of the modified NFTSMC for a feedforward compensation component. Considering the time-varying characteristic and the high bandwidth of the unpredictability and disturbance in the PMSM drives, the authors in [1] proposed a novel design of the speed controller using the nonsingular terminal with sliding mode control integrated with the disturbances observer controller. The experiment results demonstrate that the proposed controller reaches the reference speed value in an infinite amount of time, with fast convergence and more precise tracking. Moreover, the authors in [14] developed a model-free super-twisting nonlinear sliding mode control technique integrated with an enhanced smoothing extended state observer. The authors introduced MFSTNLSMC to reduce the chattering occurrence and enhance system stability. In addition, a non-linear sliding mode surface is created for solving the shortcomings of the classic linear sliding mode and to predict the unknown variables of the PMSM. In [15], a disturbances observer has been suggested to predict the load disturbances and investigate the accuracy of speed controllers in electric vehicles (EV) using PMSM under external load torque disturbance. Furthermore, a second-order sliding mode differentiator was applied to estimate the derivative of the control signal rule and to solve the problem of complexity explosion. In [16], an anti-disturbance sliding mode controller was presented, which is preferred in terms of providing a speed and accuracy of the torque for deadbeat direct torque control in PMSM. To predict and correct the lumped anti-disturbances, the authors in [17] proposed a super-twisting sliding mode approach combined with a new disturbance observer, which results in a hybrid controller with a feed-forward compensation term and a state-feedback control. The purpose of this study is to enhance the performance of the PMSM. As a result, the composite SMC’s gain is decreased greatly, which improves the closed-loop PMSM speed controller performance. In [18], the feedback linearization method has been applied for the PMSM drive based on an advanced control technique integrated with terminal SMC. The speed-current single-loop structure and current stabilizing control are integrated into the controller, which provides a speed transient response. Then, a non-linear disturbances observer is considered to solve the mismatched disturbances, and the feed-forward compensation is considered to enhance robustness. In [19], authors designed a fractional-order sliding mode speed controller using fractional calculus. The sliding surface of the proposed technique includes fractional integration and differentiation. The stability state of the system and the proposed controller has been demonstrated by utilizing the Lyapunov stability theorem. In [20], the authors addressed the stabilization problem of PMSM using the wind energy conversion system as a power resource by adapting a novel controller called the fractional-fuzzy integral sliding mode control approach, which is different from the conventional integer order control design. The purpose of the proposed approach is to improve the convergence accuracy rate, which is significantly superior compared to the control schemes based on integer-order. Furthermore, this study analyzed the global stability of closed-loop systems using Lyapunov stability theory to explore the efficacy of fractional order controllers in both PMSM and surface-mounted PMSM-based wind energy conversion system. The authors of [21] proposed a hermite neural network-based second-order sliding-mode strategy for the PMSM drive system. The proposed control strategy is a nonlinear vector control strategy consisting of the speed control loop and the current control loop.
The PMSM drive process is vulnerable to unavoidable parameter changes, involving multivariable, strong coupling, and nonlinearity such as loads, changing the speed, etc. These parameters affect and make it difficult to derive the exact PMSM drive and parameters in the optimal function. Although the SMC is less sensitive to the uncertainty’s parameters and external and internal disturbances, determining the upper limits of the disturbances is complex and complicated. Generally, the SMC robustness is determined by a large switching gain, which results in the undesirable chattering phenomenon [22]. As described in the literature, integrating the SMC with other techniques that predict the disturbance is considered the preferable solution for overcoming the above drawbacks [23]. Disturbance observer techniques in SMC can assess the system’s lump disturbance, including parameter fluctuations and external disturbance, and create proportional compensation using the estimation method [13]. Nevertheless, these approaches combined with SMC have a gap in tuning the internal parameters of the controller. Controller parameters tuning is a difficult task that can impact the steady-state error, oscillation of the system, overshoot, response time, robustness of the controller, and sensitivity to disturbing effects [12,24].
From the fore-mentioned motivations, the purpose of this article is to propose a neural network algorithm with reinforcement learning (RLNNA) to obtain the optimal parameters of the traditional fractional-order sliding mode control (FOSMC) to eliminate the chattering phenomenon and enhance system robustness for the PMSM drive, instead of the traditional FOSMC, which considers a random tuning of the parameters for the speed controller [19]. The proposed technique will be effectively applied to the speed regulation problem of the PMSM system. To sum up, three contributions of this article are highlighted through comparisons with existing literature:
- (1)
- An RLNNA is proposed to obtain the optimal parameters, which is based on the FOSMC method for the speed controller of the PMSM.
- (2)
- An RLNNA-FOSMC is proposed in this paper. RLNNA can drive FOSMC to function with disturbances and reduce chattering without sacrificing robustness.
- (3)
- The effectiveness of the proposed control strategy is proved by the comparative simulations.
The reminder of this paper is organized as follows: Section 2 represents the PMSM mathematical model and describes the design of fractional-order sliding mode control. In Section 3, the proposed RLNNA algorithm to determine the optimal parameters is demonstrated. In Section 4, the simulation and numerical results are discussed. Conclusions is presented in Section 5.
2. Analysis and Design of PMSM and FOSMC
2.1. Fundamentals of PMSM for Speed Control Application
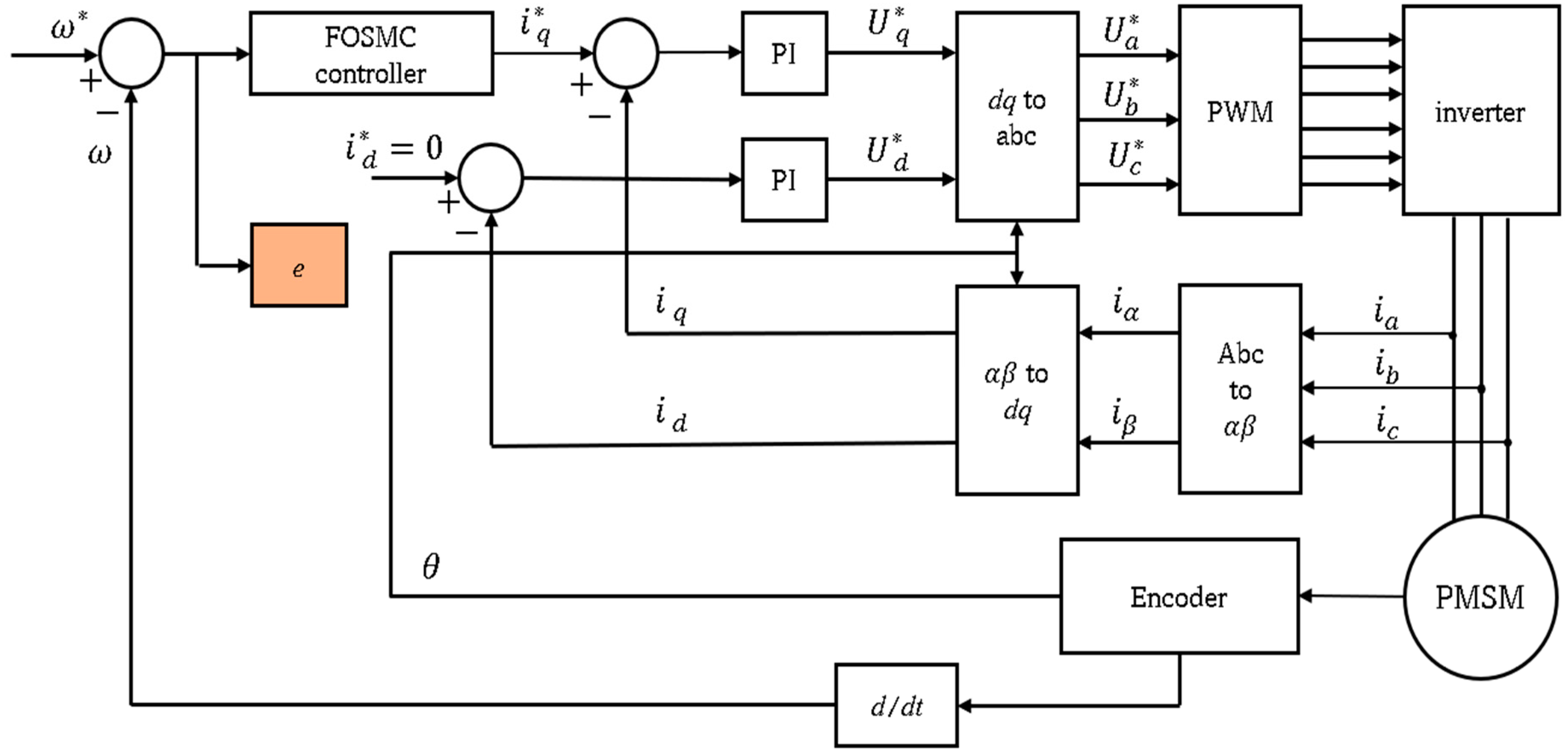
In this study, a space vector modulation (SVM) is applied to generate the pulse width modulation (PWM). The speed control system consists of two current loops with a speed loop as illustrated in Figure 1. The current loops are based on the proportional–integral (PI) controllers. Moreover, a FOSMC is applied for the speed loop.
Figure 1.
System configuration of field-oriented control of PMSM.
The rotor of the PMSM has a permanent magnet frame, and the stator includes a three-phase of symmetric windings. By assuming that the magnetic circuit of the PMSM is ideal, the axis follows the direction of rotation of the rotor and the axis is in line with the excitation axis of the permanent magnet frame. The mathematical model of a PMSM can be represented as follows [4]:
where and describe current and the voltage of the axis, respectively; and describe the voltage and current of axes, respectively; and represent the and -axis flux linkages; is the armature winding resistance; represents the angular velocity. and represent -axis stator inductance, where = ; is the number of pole pairs; describes the moment of inertia. represents the viscous friction coefficient; represents the load torque; represents the electromagnetic torque.
The control problem in the speed loop is to find the optimal output single from the controller in the presence of model uncertainty. The speed controller aims to ensure the motor speed is tracking the reference speed . The input signal has described the error between and and is given by:
2.2. Design of FOSMC
The fractional-order sliding surface is described as:
where and are positive numbers of the fractional-order parameters between 0 and 1. , , . The control law is given by:
where and . is the sign function which is described below:
The equivalent control law can be derived. We can design the output signal as:
2.3. Stability Analysis Using FOSMC
A SMC is considered more stable in sliding mode control theory when the following conditions are satisfied: the proposed sliding manifold’s reaching condition and the system stability. For both conditions, a stability analysis is required and must be addressed when the sliding mode occurs. To verify the convergence rate of the system condition to the manifold for the initial state, the proposed fractional sliding manifold’s reaching condition must be satisfied. To validate the stability of the system, the stability theorem based on Lyapunov is applied in this work. For the initial state, the Lyapunov function is defined in the equation below [19]:
The derivation of concerning time is given by:
where:
After reaching the condition is ensured, the stability of the system during the sliding phase has to be analyzed. For this purpose, the following assumption is considered [4]:
where , = , and 0< < 1.
When sliding mode occurs, the sliding mode dynamics are represented in the matrix equation below:
3. Neural Network Algorithm with Reinforcement Learning (RLNNA)
RLNNA is an improved neural network algorithm (NNA) using reinforcement learning (RL) to face the challenge of slow convergence rate and local optimal stagnation for solving complex optimization problems [25]. Three strategies are used in RLNNA to solve the challenges that face the NNA: modification factor RL, transfer operator with historical population, and feedback operator. This section describes the NNA and the RLNNA for tuning the FOSMC in PMSM.
3.1. Neural Network Algorithm (NNA)
Artificial neural network (ANN) is a computation technique that is based on the structure and the functionality of a biological neural. ANN consists of several highly interconnected neurons that are motivated by biological nervous systems. Generally, the objective of ANN application is prediction, which can reduce the gap between the predicted and objective solutions by adjusting weight values regularly [26]. Moreover, the ANN has the potential to learn and obtain the optimal solution in enormous data sets. Obtaining the optimal solution from the given search space is the main objective of solving an optimization problem. To adapt ANN to be more suitable for optimization applications, the authors in [27] proposed an NNA. The NNA takes the current optimal solution as the best solution. Then, by adjusting the weight value of each neural cell, the optimal solutions for the problem are obtained. The mathematical models and steps of this algorithm are explained in the subsequent sub-sections.
3.1.1. Generating Initial Population
where is the population size, is the number of variables, and is the current value of iteration. is the th individual of the population. is the th trial individual of the trial population, is the weight value of the th individual in of the number of variable in iteration number . The weight values in the matrix must follow the constraint below:
3.1.2. Update Weight Matrix
Each trial population is generated using the weight matrix, which is updated using Equation (18),
where is the weight value of the th individual in iteration is a random uniformly number created at index th ranging from 0 to 1. is the best weight vector.
3.1.3. Bias Operator
In NNA, the bias plays a substantial role in the dynamics of the optimization model. The bias current is constantly coupled to a surrounding state to generate the output of each neuron meet to the surrounding conditions. To enhance the performance and to expand the exploration of the optimization model, the NNA applies the bias operator and the transfer operator. The bias operator consists of a bias population and bias weight matrix [25]. To allocate the time of computation for exploration and exploitation, the modification factor is given by:
The bias population is given as follows:
where is a random uniformly number created at index th ranging from 0 to 1. and are the upper and lower limits, respectively. is a random integer between 1 and . is a set of elements. . The bias weight matrix is defined by Equation (21):
where is a random integer between 1 and . is a set of elements. . is a random number between 0 and 1.
3.1.4. Transfer Operator
The transfer operator is applied to improve the solutions by moving the new individuals closer to the best solution to obtain a better solution for the next iterations. The transfer operator can be expressed as:
where is a random uniform number created at index th ranging from 0 to 1.
3.2. Neural Network Algorithm with Reinforcement Learning (RLNNA)
RL is a computerized reward-directed trial and error method of solving multi-stage decision problems. RL has been applied to improve the performance of optimization techniques [28]. The RL system usually consists of four components: an environment, a learning agent, agent actions, and a reward. At time , the agent is given a state and a reward. The agent will then take action based on the received reward and state. Finally, when the action is completed, the environment changes, resulting in a new reward and state at time [29]. The major advantage of RL is the environment, which can interact directly during the RL process and requires only a little information about the environment as well as uses a simple mathematical equation. By using these advantages, adopting RL in NNA will enhance the performance and cover the drawbacks of the traditional NNA.
Figure 2 represents the schematic and the framework of the RLNAA. The steps of the RLNNA are summarized as follows:
Figure 2.
Schematic view for the performance of the RLNNA.
Step 1: Generate the trial population.
Step 2: Update the weight of the matrix.
Step 3: Check the bias operator condition.
Step 4: Perform the selection operator.
Step 5: Optimize the selected individuals using the feedback operator.
Step 6: Generate the next generation based on the selection operator.
Compared with traditional NNA, the RLNNA technique can be described as follows:
3.2.1. Modification Factor with RL
If any individual can obtain a better solution in the search space, this individual has some knowledge for finding the global optimal solution and can be called an outstanding individual. Each individual moves around themselves in the search operator to avoid missing an optimal solution. RL on NNA is obtaining two fitness values for each individual and the expression of this value can be defined as:
where represents the modification factor of each individual , describes the penalty factor. is a control function. is a fitness function.
3.2.2. Transfer Operator with Historical Population
The transfer operator includes a current transfer term and a historical transfer term in RLNNA to avoid the risk of increasing the chance of traditional NNA falling into local minima. The transfer operator can be expressed as:
where and are two random uniform numbers created at index th ranging from 0 to 1. is the previous value of the individual of the historical population at each iteration . can be updated using:
where is a random uniform number created at index th ranging from 0 to 1. After completing the bias operator or transfer operator, a selection operator can be described as in Equation (29).
3.2.3. Designed Feed-Back Operator
To overcome the drawbacks of the mature convergence in NNA, RL uses the feedback operator, which is the bias or transfer operator’s further optimization for the obtained population. The equation of the feedback operator can be expressed as:
where and are two random uniform numbers created at index th ranging from 0 to 1. is a random integer between 1 and and is not equal to . The selection operator is executed again after completing the feedback operator operation, using the equation below:
3.3. Performance Evaluation
To evaluate the identification accuracy of the proposed approach, the integral of time multiplied absolute error (ITAE), the integral time multiplied square error (ITSE), integral square error (ISE), integral absolute error (IAE), are introduced as the performance indices. Four criteria are defined as follows:
Figure 3 illustrate the process for tuning the parameter of FOSMC using RLNNA. In the ordinary form, solving the optimal parameters for the proposed FOSMC is a complex optimization problem, which is solved in offline mode. Therefore, the RLNNA approach, which is a population-based optimization technique, is used to optimize the parameters of the sliding surface of the FOSMC given in Equation (6). The parameters to be optimized by the RLNNA are: , , , , and . The objective functions based on Equation (32) to minimize the error have been modeled as the sum of multi-objective functions of PMSM. The proposed methodology is based on PMSM simulation. To optimize the parameters of the FOSMC, the following variables are required: stator resistance, -axis stator inductance, -axis stator inductance, the moment of inertia, viscous friction coefficient, flux linkage, and pole pair. As the first step in the proposed method, the elements between the range are declared to be:
Figure 3.
The process for tuning the FOSMC using RLNNA.
The value of the upper and lower bound is set according to the speed reference characteristics. In this study, initially, elements between the search ranges are generated and updated using the Equations (15)–(17). Then, apply the transfer operation for each element based on Equation (27). The FOSMC function based on Equation (9) is solved for each element. The operational constraint for the PMSM is considered while obtaining the optimal parameters of the FOSMC. The lowest objective function is selected. This operation is iterated for all of the elements. The whole process is repeated until the maximum number of iterations is reached. When the number of iterations reaches its maximum, the system obtains the optimal value of the FOSMC parameters.
4. Numerical Simulation
In this section, we provide simulation results to show the validation of the proposed speed control for PMSM. The effectiveness of the designed control scheme is programmed and implemented in Matlab and Simulink on a Lab computer with a 3.9 GHz Intel i5800 processor and 8 GB of memory. The PMSM model used in this simulation is a three-phase Y-connected 1.93 kW motor with parameters as listed in Table 1. In the simulation, the sampling time is . The switching frequency (fs) is set at 25 kHz.
Table 1.
Parameters of the PMSM.
The designed RLNNA_FOSMC is compared with the traditional FOSMC in Ref. [19]. Then, three scenarios have been used to analyze the speed tracking performance of PMSM in variable speed and constant speed under the proposed controller. In addition, the best results in the comparative analysis are highlighted in bold using performance evaluation indexes as described above. The important results of this study are shown in the following subsections:
4.1. Case 1: One Step Speed Reference
In this scenario, we set the speed reference in one step of 0.015 s stop time, and different cases of speed references have been considered in this study which are 100, 200, 300, 400, and 500 (rpm). The unit speed step responses of the PMSM for RLNNA_FOSMC and FOSMC in the absence of external load disturbance are shown in Figure 4. As can be seen from the figures, the proposed RLNNA_FOSMC has the best transient response profile as it performs with faster stability with no overshoot in all cases that have been considered. These comparisons show clearly that the RLNNA_FOSMC gives good tracking performances.
Figure 4.
Transient responses of PMSM system under the conventional FOSMC and RLNNA_FOSMC for various speed references where (a) (100), (b) (200), (c) (300), (d) (400), (e) (500).
The comparative transient response analysis of the error of RLNNA_FOSMC and FOSMC is given in Table 2. In the table, the values of the most preferred objective functions in the tuning processes, ISE, IAE, ITAE, and ITSE values, are also given for comparison purposes. As can be clearly seen from the table, the values of the four transient performance indices were lowest with the use of the RLNNA_FOSMC compared to the traditional controller.
Table 2.
Comparison of the identification accuracy of RL_FOSMC and FOSMC for Case 1.
In conclusion, for one step speed reference case, the RLNNA_FOSMC that has been proposed to control and obtain the optimal parameter for the PMSM speed controller has more stability, less error, faster, and less oscillating structure than the traditional controller set with different speed references.
4.2. Case 2: Speed Drop
In this case, the superiority and the effectiveness of the proposed controller RLNNA_FOSMC has been validated under the PMSM model by assuming the drop of the speed reference in different cases. We assumed the initial speed is 500 rpm. The PMSM controller tracks the speed reference of 500 rpm until 0.015 s and suddenly the speed reference drops into a new speed reference. In this scenario, the speed drops are assumed by 100, 200, 300, and 400 rpm.
Figure 5 illustrated the response of the proposed RLNNA_FOSMC and FOSMC for the PMSM driver. It can be noted that the proposed controller has the best tracking for the speed reference, and it performs with faster stability. On contrary, the response of the conventional FOSMC is much slower and a larger tracking error can be observed.
Figure 5.
Speed response of PMSM system under the conventional FOSMC and RLNNA_FOSMC at 500 rpm at initial speed reference and different speed drops from 500 rpm to (a) (100), (b) (200), (c) (300), (d) (400).
Table 3 represents the comparison of identification accuracy of RLNNA_FOSMC and FOSMC for this case. As can be clearly seen from the table, the values of different types of identification accuracy were lowest with the use of the RLNNA_FOSMC compared to the traditional controller.
Table 3.
Comparison of the identification accuracy of RL_FOSMC and FOSMC for 2nd case.
4.3. Case 3: Different Steps Reference
To further confirm the superiority of the proposed approach for tuning the parameters of the speed controller in the PMSM drive, we assumed that the speed controller tracked different reference steps with 0.045 s stop time. In addition, the speed reference is considered to change every 0.015 s for investigation of the behavior of each controller in high-speed dynamic application. The different speed references are represented in Table 4.
Table 4.
Comparison of the identification accuracy of RLNNA_FOSMC and FOSMC for 3rd case.
The transient response performance of a system is maximized when the ISE, IAE, ITAE, and ITSE values are the lowest. The comparative values of the performance indices obtained from different approaches are presented in Table 4. As can be seen from this table, ISE, IAE, ITAE, and ITSE values of the RLNNA_FOSMC are the lowest compared to the traditional FOSMC. Moreover, these numerical results clearly demonstrate that the proposed controller is more efficient and flexible.
The speed step responses of the PMSM drive for the conventional FOSMC and RLNNA_FOSMC for the third case are shown in Figure 6. As can be seen from the figure, the proposed RLNNA_FOSMC controller has the best transient response profile as it performs faster stability with no overshoot.
Figure 6.
Speed responses of PMSM system under the conventional FOSMC and RLNNA_FOSMC for 3rd case from 500 rpm to (a) (100), (b) (200), (c) (300), (d) (400) then (a) (200), (b) (300), (c) (400), (d) (500).
5. Conclusions
Tuning the parameters of speed controllers is a very challenging process in PMSM drive. If the tuning performance is insufficient, not only does the control performance worsen, but also the control system becomes inflexible, unreliable, and inefficient. In this paper, the accurate speed tracking control of PMSM using RLNNA_FOSMC has been investigated for tuning the speed controller, and the problems related to the speed tracking, minimizing the error performance, and the identification accuracy have been solved by using ISE, IAE, ITAE, and ITSE as an objective function. Comparisons among the conventional FOSMC are carried out via simulation in different cases. The superiority of the proposed RLNNA_FOSMC has been proven and confirmed, where RLNNA_FOSMC performed better in terms of speed tracking. In future work, the data collected from the simulation such as the speed error, speed reference, and the stator current will be utilized to create a deep learning speed control model based on an artificial neural network to further enhance the speed controller in terms of speed tracking and anti-disturbance properties. Furthermore, the developed model will be carried out in both simulation validation and experimental verification.
Author Contributions
Y.Z.: Conceptualization, data curation, investigation, validation, methodology, visualization, writing—reviewing and editing, original draft preparation. F.M.Z.: writing—reviewing, editing, and supervision. I.A.: writing—reviewing. M.K.: writing—reviewing. S.M.: writing—reviewing. I.A.: writing—reviewing. M.S.: writing—reviewing. A.S.: writing—reviewing. All authors have read and agreed to the published version of the manuscript.
Funding
This research was supported by Ministry of Higher Education, Malaysia (MOHE) through Fundamental Research Grant Scheme (FRGS/1/2021/TK0/UPSI/02/1).
Data Availability Statement
Not applicable.
Conflicts of Interest
The authors declare no conflict of interest.
References
- Xu, W.; Jiang, Y.; Mu, C. Novel Composite Sliding Mode Control for PMSM Drive System Based on Disturbance Observer. IEEE Trans. Appl. Supercond. 2016, 26, 0612905. [Google Scholar] [CrossRef]
- Kamel, T.; Abdelkader, D.; Said, B.; Padmanaban, S.; Iqbal, A. Extended Kalman filter based sliding mode control of parallel-connected two five-phase PMSM drive system. Electronics 2018, 7, 14. [Google Scholar] [CrossRef]
- Zahraoui, Y.; Zaihidee, F.M.; Kermadi, M.; Mekhilef, S.; Mubin, M.; Tang, J.R.; Zaihidee, E.M. Fractional Order Sliding Mode Controller Based on Supervised Machine Learning Techniques for Speed Control of PMSM. Mathematics 2023, 11, 1457. [Google Scholar] [CrossRef]
- Zhang, B.T.; Pi, Y.G.; Luo, Y. Fractional order sliding-mode control based on parameters auto-tuning for velocity control of permanent magnet synchronous motor. ISA Trans. 2012, 51, 649–656. [Google Scholar] [CrossRef] [PubMed]
- Wang, H.; Li, S.; Lan, Q.; Zhao, Z.; Zhou, X. Continuous terminal sliding mode control with extended state observer for PMSM speed regulation system. Trans. Inst. Meas. Control 2017, 39, 1195–1204. [Google Scholar] [CrossRef]
- Zaihidee, F.M.; Mekhilef, S.; Mubin, M. Robust speed control of pmsm using sliding mode control (smc)—A review. Energies 2019, 12, 1669. [Google Scholar] [CrossRef]
- Zhou, Z.; Zhang, B.; Mao, D. Robust sliding mode control of PMSM based on a rapid nonlinear tracking differentiator and disturbance observer. Sensors 2018, 18, 1031. [Google Scholar] [CrossRef]
- Saihi, L.; Boutera, A. Robust Sensorless Sliding Mode Control of PMSM with MRAS and Luenberger Extended Observer. In Proceedings of the 2016 8th International Conference on Modelling, Identification and Control ICMIC 2016, Algiers, Algeria, 15–17 November 2016; pp. 174–179. [Google Scholar] [CrossRef]
- Song, Q.; Li, Y.; Jia, C. A novel direct torque control method based on asymmetric boundary layer sliding mode control for PMSM. Energies 2018, 11, 657. [Google Scholar] [CrossRef]
- Liu, X.; Zhang, C.; Li, K.; Zhang, Q. Robust current control-based generalized predictive control with sliding mode disturbance compensation for PMSM drives. ISA Trans. 2017, 71, 542–552. [Google Scholar] [CrossRef]
- Jiang, Y.; Xu, W.; Mu, C.; Liu, Y. Improved deadbeat predictive current control combined sliding mode strategy for PMSM drive system. IEEE Trans. Veh. Technol. 2018, 67, 251–263. [Google Scholar] [CrossRef]
- Ma, Y.; Li, D.; Li, Y.; Yang, L. A Novel Discrete Compound Integral Terminal Sliding Mode Control with Disturbance Compensation for PMSM Speed System. IEEE/ASME Trans. Mechatron. 2022, 27, 549–560. [Google Scholar] [CrossRef]
- Xu, B.; Zhang, L.; Ji, W. Improved Non-Singular Fast Terminal Sliding Mode Control with Disturbance Observer for PMSM Drives. IEEE Trans. Transp. Electrif. 2021, 7, 2753–2762. [Google Scholar] [CrossRef]
- Gao, P.; Zhang, G.; Lv, X. Model-Free Control Using Improved Smoothing Extended State Observer and Super-Twisting Nonlinear Sliding Mode Control for PMSM Drives. Energies 2021, 14, 922. [Google Scholar] [CrossRef]
- Dai, Y.; Ni, S.; Xu, D.; Zhang, L.; Yan, X.-G. Disturbance-observer based prescribed-performance fuzzy sliding mode control for PMSM in electric vehicles. Eng. Appl. Artif. Intell. 2021, 104, 104361. [Google Scholar] [CrossRef]
- Wang, Y.; Zhu, Y.; Zhang, X.; Tian, B.; Wang, K.; Liang, J. Antidisturbance Sliding Mode-Based Deadbeat Direct Torque Control for PMSM Speed Regulation System. IEEE Trans. Transp. Electrif. 2021, 7, 2705–2714. [Google Scholar] [CrossRef]
- Hou, Q.; Ding, S.; Yu, X. Composite Super-Twisting Sliding Mode Control Design for PMSM Speed Regulation Problem Based on a Novel Disturbance Observer. IEEE Trans. Energy Convers. 2021, 36, 2591–2599. [Google Scholar] [CrossRef]
- Liu, X.; Yu, H.; Yu, J.; Zhao, L. Combined Speed and Current Terminal Sliding Mode Control with Nonlinear Disturbance Observer for PMSM Drive. IEEE Access 2018, 6, 29594–29601. [Google Scholar] [CrossRef]
- Zaihidee, F.M.; Mekhilef, S.; Mubin, M. Application of Fractional Order Sliding Mode Control for Speed Control of Permanent Magnet Synchronous Motor. IEEE Access 2019, 7, 101765–101774. [Google Scholar] [CrossRef]
- Mani, P.; Rajan, R.; Shanmugam, L.; Joo, Y.H. Adaptive fractional fuzzy integral sliding mode control for PMSM model. IEEE Trans. Fuzzy Syst. 2019, 27, 1674–1686. [Google Scholar] [CrossRef]
- Liu, Y.C.; Laghrouche, S.; N’Diaye, A.; Cirrincione, M. Hermite neural network-based second-order sliding-mode control of synchronous reluctance motor drive systems. J. Frankl. Inst. 2021, 358, 400–427. [Google Scholar] [CrossRef]
- Chen, W.H.; Yang, J.; Guo, L.; Li, S. Disturbance-Observer-Based Control and Related Methods—An Overview. IEEE Trans. Ind. Electron. 2016, 63, 1083–1095. [Google Scholar] [CrossRef]
- Yang, J.; Chen, W.H.; Li, S.; Guo, L.; Yan, Y. Disturbance/Uncertainty Estimation and Attenuation Techniques in PMSM Drives—A Survey. IEEE Trans. Ind. Electron. 2017, 64, 3273–3285. [Google Scholar] [CrossRef]
- Qi, Z.; Shi, Q.; Zhang, H. Tuning of digital PID controllers using particle swarm optimization algorithm for a CAN-Based DC motor subject to stochastic delays. IEEE Trans. Ind. Electron. 2020, 67, 5637–5646. [Google Scholar] [CrossRef]
- Zhang, Y. Learning for Parameters Extraction of Photovoltaic Models. IEEE Trans. Neural Netw. Learn. Syst. 2021, 1–11. [Google Scholar]
- Cook, D.F.; Ragsdale, C.T.; Major, R.L. Combining a neural network with a genetic algorithm for process parameter optimization. Eng. Appl. Artif. Intell. 2000, 13, 391–396. [Google Scholar] [CrossRef]
- Sadollah, A.; Sayyaadi, H.; Yadav, A. A dynamic metaheuristic optimization model inspired by biological nervous systems: Neural network algorithm. Appl. Soft Comput. J. 2018, 71, 747–782. [Google Scholar] [CrossRef]
- Arwa, E.O.; Folly, K.A. Reinforcement Learning Techniques for Optimal Power Control in Grid-Connected Microgrids: A Comprehensive Review. IEEE Access 2020, 8, 208992–209007. [Google Scholar] [CrossRef]
- Zhou, S.; Hu, Z.; Gu, W.; Jiang, M.; Chen, M.; Hong, Q.; Booth, C. Combined heat and power system intelligent economic dispatch: A deep reinforcement learning approach. Int. J. Electr. Power Energy Syst. 2020, 120, 106016. [Google Scholar] [CrossRef]
Disclaimer/Publisher’s Note: The statements, opinions and data contained in all publications are solely those of the individual author(s) and contributor(s) and not of MDPI and/or the editor(s). MDPI and/or the editor(s) disclaim responsibility for any injury to people or property resulting from any ideas, methods, instructions or products referred to in the content. |
© 2023 by the authors. Licensee MDPI, Basel, Switzerland. This article is an open access article distributed under the terms and conditions of the Creative Commons Attribution (CC BY) license (https://creativecommons.org/licenses/by/4.0/).





