Abstract
The doubly fed induction machine (DFIM)-based DC voltage generator is equipped with a stator-connected diode rectifier. The six-pulse diode rectifier as a nonlinear circuit introduces harmonics in the stator and rotor current and distorts the machine stator voltage, as well as the stator flux. This causes electromagnetic torque oscillations and instantaneous power components oscillations. The torque oscillations adversely impact the mechanical parts of the drive-train and oscillations of the p component of instantaneous power influence DC-bus voltage oscillations. The oscillations can be somewhat cancelled by control methods. However, cancellation of electromagnetic torque is not strictly coupled with cancellation of oscillations of the p component of instantaneous power. The paper presents an analysis of influence of the control methods aimed at a reduction of torque oscillations on the output voltage oscillations level in the stand-alone DFIM-based DC voltage generator. Field-oriented control FOC with current controllers and space vector modulation-based direct torque control DTC-SVM with flux module regulation have been compared with control in which electromagnetic torque is one of the commanded variables, whereas the second variable is the dot product of stator flux and rotor current space vectors. The contributions of this paper are the introduction of a new variable in the second control path in the DTC-SVM method instead of flux vector length and the proof that it can reduce torque and DC-bus voltage oscillations in the DFIG-DC system. Additionally, this paper reveals that for proper stator-to-rotor-turns ratio of a doubly fed machine necessary for reduction of the rotor converter power, lower DC-bus voltage can be obtained than is required for full realization rotor side voltage requested by rotor current controllers. This is the reason why, regardless of the control method, torque oscillations cannot be always fully cancelled, and a comparative study of the methods at these conditions has been conducted in simulation and in laboratory tests.
1. Introduction
The doubly fed induction generator (DFIG) used mainly in AC power generation systems has recently been replaced by series converters topologies due to significant problems related to operation during transients caused by symmetrical and asymmetrical grid voltage sags and the inability to stay connected to the grid during such events [1,2]. This problem does not exist in recently studied DC voltage generation systems with DFIG [3,4]. The main advantage of DFIG topology, both in AC and DC voltage-generating units is the reduced size of the rotor-connected power converter and stabilization of stator voltage parameters despite variable rotor speed.
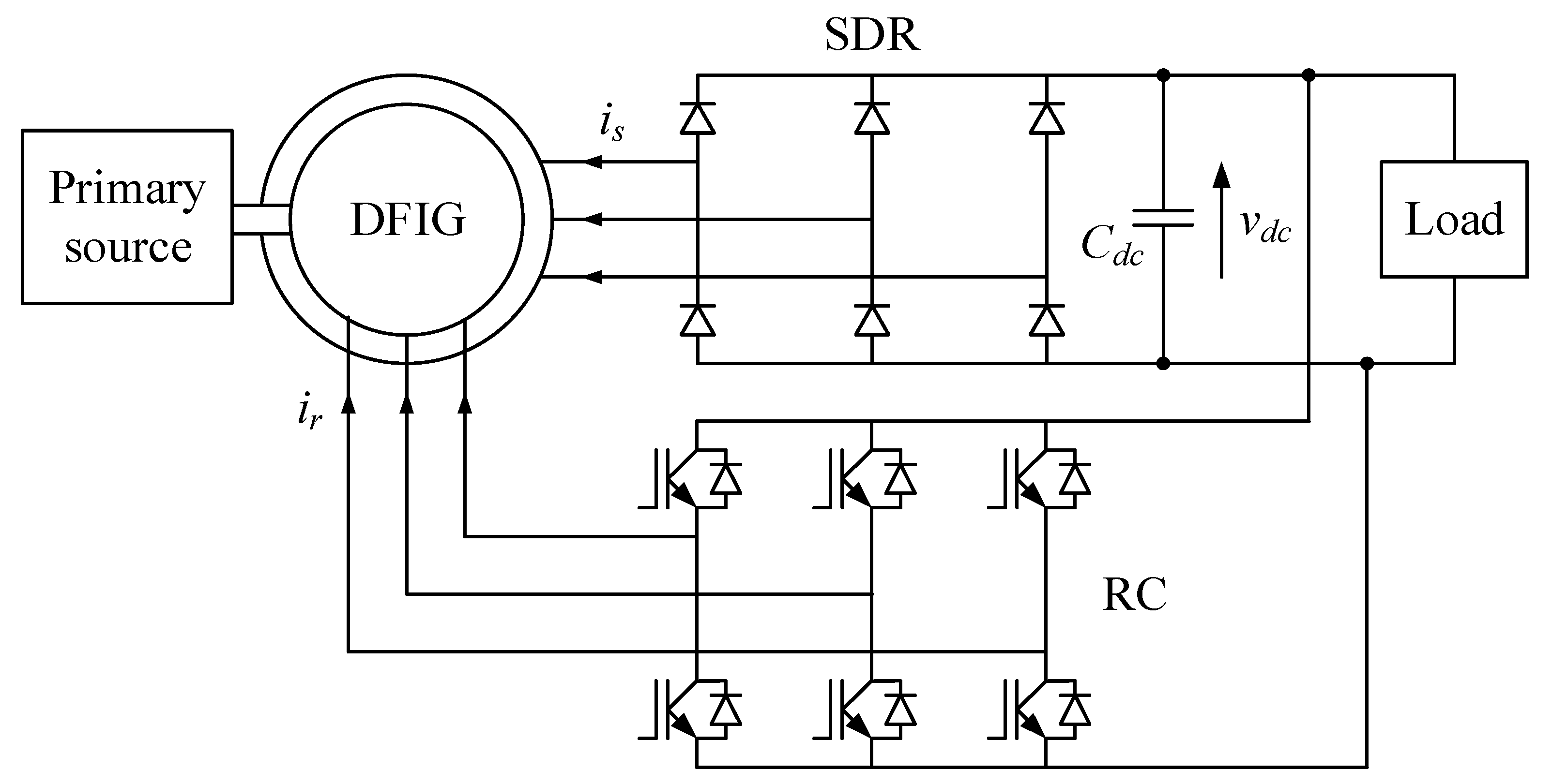
The described system, presented in Figure 1, consists of a doubly fed induction generator feeding the DC-bus through a diode rectifier on the stator side, whereas the rotor-connected controlled power converter RC is fed from the same DC-bus. The current directions on the scheme are related to the standard equations of DFIM, even when the real stator current is opposite.
Figure 1.
Scheme of the analyzed stand-alone DFIM-based DC voltage generator.
The DFIG-AC power-generating system-feeding nonlinear load has been studied in SS [5,6]. The diode rectifier causes harmonic distortions in both stator current and voltage; thus, the flux and, consequently, electromagnetic torque oscillate. Somehow stator voltage quality can be improved [7] by intentional feeding of rotor current harmonics, but electromagnetic torque still oscillates visibly because of distorted current. Similarly, in the DFIG-DC system described in this paper, torque oscillations may be considerable due to the nonlinear six-pulse diode rectifier. They can be reduced in various ways, and stator voltage quality is less important because no other load than diode rectifier is fed from the stator.
Torque oscillations can be cancelled using different manners and methods of control. Among such topologies, active filtration [8] and multi-phase stator coupled with twelve-pulse diode rectifier [9] should be mentioned.
Rotor side converter control methods focusing on torque oscillations cancellation can be realized in two general manners. The first one consists of methods with rotor current regulation, such as field-oriented control FOC, whereas the second one is direct torque control DTC. The methods with rotor current regulation require both precise reference signals and precise regulation of the rotor current components to obtain the required amount of harmonics (mainly 6th) needed to suppress electromagnetic torque oscillations [10]. Regarding adequate current, with consideration of the desired amount of harmonics, it can be improved by implementation of delay compensation [11].
To match the actual current to the reference one containing intentionally higher harmonics resonant terms [12,13] or multiple reference frames [14] in the rotor, current regulators can be used. Due to unquestionably faster response of direct torque control than FOC [15], it can be assumed that torque oscillation cancellation is also better damped. The type of controller used in FOC is less important because similar results can be obtained with proportional–integral terms, fuzzy logic [16], and others. The problem lies mainly not in the controller structure but in the controlled variables. DTC does not involve the inner loop of rotor current vector components, so assignment of intentionally referenced current harmonics is not required. Thus, in contrast to FOC methods, additional oscillatory terms are not required to significantly reduce torque oscillations [17].
However, it should be noted that DTC with hysteresis torque and flux controller [18] is not necessarily the optimal solution because of larger switching frequency torque ripples in comparison with PWM-based DTC methods at the same average switching frequency. The same can be said about other methods based on hysteresis controllers [19] independently of the variables used for control.
Regardless of the method, all have some limitations in the range of torque oscillation suppression related to the physical properties of the DFIG-DC system. The requested rotor current higher harmonics need relatively high rotor voltage and, thus, high DC voltage of the rotor inverter. This is because of the high rotor-to-stator-voltage ratio (typically 3:1 in high power DFIG) needed to reduce the current dimensioning of the rotor-connected power converter. The rotor voltage higher harmonics needed to force the requested rotor current higher harmonics, combined with fundamental frequency rotor voltage, may exceed the value which can be produced taking into consideration the available DC-bus voltage. This issue is neglected in many papers, not only on the DFIG-DC system but also on other DFIG units. Although in AC systems, operation with strongly unbalanced or strongly distorted grid voltage is occasional and this issue is not critical, in the DFIG-DC system, higher harmonics (6th harmonic is especially significant) is considerable for a wide range of load power. Thus, the DC-bus voltage limitation in relation to the rotor voltage demand for rotor current harmonics production must be taken into account in application of control structures.
Torque oscillation cancellation is very important in a DFIG-DC unit, but accompanying DC-bus voltage oscillations should also be taken into consideration. In the case of DFIG-DC systems connected to the DC power network, DC-bus voltage is externally imposed. In such cases, DC-bus voltage oscillations caused by the nonlinear character of the diode rectifier are not analyzed at all [20,21,22]. For stand-alone DFIG-DC systems, DC-bus voltage oscillations have not been thoroughly analyzed in existing publications. Somehow torque ripple reduction also reduces DC-bus voltage oscillations; however, they do not depend strictly on torque oscillations, but depend directly on oscillations of the total p component of power (sum of stator and rotor p component of instantaneous power) and the DC-bus voltage capacitance. Considering that the machine flux changes due to the operation of the six-pulse diode rectifier, part of the instantaneous power is responsible for electric machine magnetic energy changes. Thus, at constant torque and mechanical speed, the mechanical power is constant, but at oscillating flux, the p component of instantaneous power delivered to the DC-bus from both the stator and rotor sides cannot be constant but contains oscillatory components causing DC-bus voltage oscillations. From this point of view, assumptions made in [23,24] that elimination of torque oscillations naturally eliminate oscillations of the DC-bus voltage are true only for constant flux (no oscillations in the machine magnetic energy), and thus, both stator and rotor current are sinusoidal. Although the rotor and stator current harmonics can be suppressed and toque oscillations cancelled [25], full elimination of both stator and rotor current harmonics at the same time is impossible, so the sum of instantaneous power will contain oscillations. However, this can be noticed through oscillations in DC voltage when the DFIG-DC system operates in the stand-alone mode.
Torque oscillations can be reduced by adequate matching of the rotor current to flux oscillations, but it requires forcing rotor current harmonics and, consequently, rotor voltage harmonics. When harmonics are added to the main rotor harmonic (slip frequency rotor voltage harmonic), the total rotor phase voltage may exceed the value possible to be obtained with available DC-bus voltage. However, it may be possible when the fundamental rotor frequency (slip frequency) component is lower, i.e., when the slip is far from the maximum and/or additionally torque/generated power is visibly smaller than the maximum [23]. Both low slip and reduced load at the same time reduce the demand for the rotor phase voltage peak value, and consequently, the control targets can be achieved.
Even when torque oscillations are reduced at stator and rotor-current-containing harmonics [26], magnetization power oscillations are not always reduced, so the sum of rotor and stator instantaneous power will contain oscillations. However, this cannot be observed when the system does not operate in the island mode but in the DC grid-connection mode when DC-bus voltage is kept by an external source.
Both targets (torque and voltage oscillation cancellation) can be achieved when the rated rotor voltage is lower than the stator voltage [27]. For the rated stator voltage equal to 400 V and the rated rotor voltage of 230 V, the fundamental frequency rotor voltage harmonic at slip 0.33 (typical maximum slip of DFIG) equals 75 V (phase voltage peak value). To realize the requested rotor voltage, of approx. 150 V DC-bus voltage is needed, whereas after rectification of 400 V of stator voltage through a six-pulse diode rectifier, the DC-bus equals approx. 560 V. This way, the DC-bus voltage margin is very large to make rotor voltage possible to realize, even if it contains a significant amount of higher harmonics needed for rotor harmonics creation for torque oscillations compensation.
Voltage oscillations can be reduced by increasing DC-bus capacitance, but the control method itself can also have some influence on the DC-bus voltage oscillation reduction without an increase in torque oscillations. This paper presents a comparison of the field-oriented control methods and two direct-torque-controlled methods with PWM modulation—the first one with flux vector magnitude referenced in the second control path and the second one with flux and current vector dot product in the second control path. Most comparative studies were conducted in a simulation for a 2 MW high power doubly fed induction machine model, whereas selected laboratory tests results are provided for a few kW range small power machine.
The paper is structured as follows. The introduction presents the power system structure and refers to state of the art considering topological and control ways aiming at reduction of electromagnetic torque and generated DC-bus voltage oscillations in a DFIG-DC stand-alone generating system. The second section describes the mathematical model of the electric machine with consideration of the DC-bus circuit. Special attention has been paid to the real component of instantaneous power variation on the DC-bus voltage oscillations and the correlation with the newly introduced control variable. The third section deals with the description of already known field-oriented control, classic direct torque control with space vector modulation, and modified direct torque control with the new variable used instead of the flux vector module in the control path parallel to the torque control loop. The fourth section presents simulation results for MW range DFIG-DC power unit aiming at comparison of the results obtained using the three described methods, especially taking into consideration torque oscillations level, the DC-bus oscillations level in the steady state, and the responses during transients. The fifth section presents laboratory validation at a small-scale power unit, followed by the conclusions section. The appendix includes a table with parameters of the simulated and laboratory units (Table A1).
2. System Description and Modelling
Standard Equations (1)–(5) of DFIM are used for the control synthesis:
in which —stator and rotor voltage vectors, —stator and rotor current vectors, —stator and rotor flux vectors, Rs, Rr—stator and rotor resistance, respectively; Ls, Lr, Lm—stator, rotor, and magnetizing inductance, respectively; Tem—electromagnetic torque; and —number of pole pairs.
The system model is completed along with the equation of the DC-bus:
in which Cdc—DC-bus capacity, iL—load current, udc—DC voltage, and dq subscripts describe space vectors orthogonal components.
Stator and rotor real components of instantaneous power are calculated by
These variables are not utilized in the proposed control, but they are used to show the total p component of power oscillations influencing DC-bus voltage oscillations.
The sum of stator ps and rotor pr instantaneous power flows into the DC-bus and causes DC-bus voltage oscillations. Active power equals the average value of the p component of instantaneous power by definition. The total active power provided to the DC-bus is the active electromagnetic power (calculated as the average of electromagnetic torque and mechanical speed product) reduced by the stator and rotor power losses. Thus, the total active power responsible for energy delivery to the DC-bus can be calculated by:
Equation (9), valid for the definitional active power (the average value of the instantaneous power p component), is not valid for the total instantaneous power (the sum of ps and pr). It could be valid for the case of constant flux, but not in the analyzed system, in which the diode rectifier causes stator voltage disturbances and, thus, flux oscillations.
For the instantaneous power, an analogous equation can be written:
in which an additional component must be taken into consideration, which is the instantaneous magnetic power responsible for field changes. Its average value equals zero. This is explained by the fact that when machine flux increases, it temporarily requires additional energy stored instantaneously in the magnetic circuit, whereas when the flux decreases, this energy is released and delivered to the DC-bus. The instantaneous magnetic power:
is represented as the energy changes of magnetizing and leakage inductances of electric machine, which further is presented as:
where represents the dot product of space vectors.
According to (10), if power losses on stator and rotor resistances are neglected and both constant electromagnetic torque and constant total component of instantaneous power ( are requested (the latter to obtain DC-bus voltage oscillations cancellation), the power responsible for field changes should also be constant. Considering that its average value equals zero, is also desired to be zero. Thus, the condition
should be met. It presents the energy stored in the magnetic circuit, required to be constant to meet the assumptions.
In AC systems, energy stored in the inductors is related to the non-zeroed average value of the q component of instantaneous power. The six-pulse diode rectifier causes harmonic changes of energy stored in the inductive components of the machine to be reflected not only in the oscillations but also in the total q component if instantaneous power is equal to , which can be derived as:
This is the rotor fed instantaneous power seen from the stator side. It must be noted that the component of power is negative for the inductive type of load according to the stator current direction in Figure 1 and in the model equations. For the first harmonic, the equation can be rewritten as:
The new variable x has no physical meaning, but its average value is correlated with the imaginary part (q component) of instantaneous rotor power seen from the stator side. As will be proven in the next sections, selection of this variable as parallel to the electromagnetic torque provides better reduction of DC-bus voltage than the flux vector used typically in the direct torque control DTC method. The variable has been already applied in the control of the doubly fed induction machine for torque oscillations reduction when DFIG is controlled in the negative sequence contained in the AC power network [28,29].
3. Description of the Control Methods
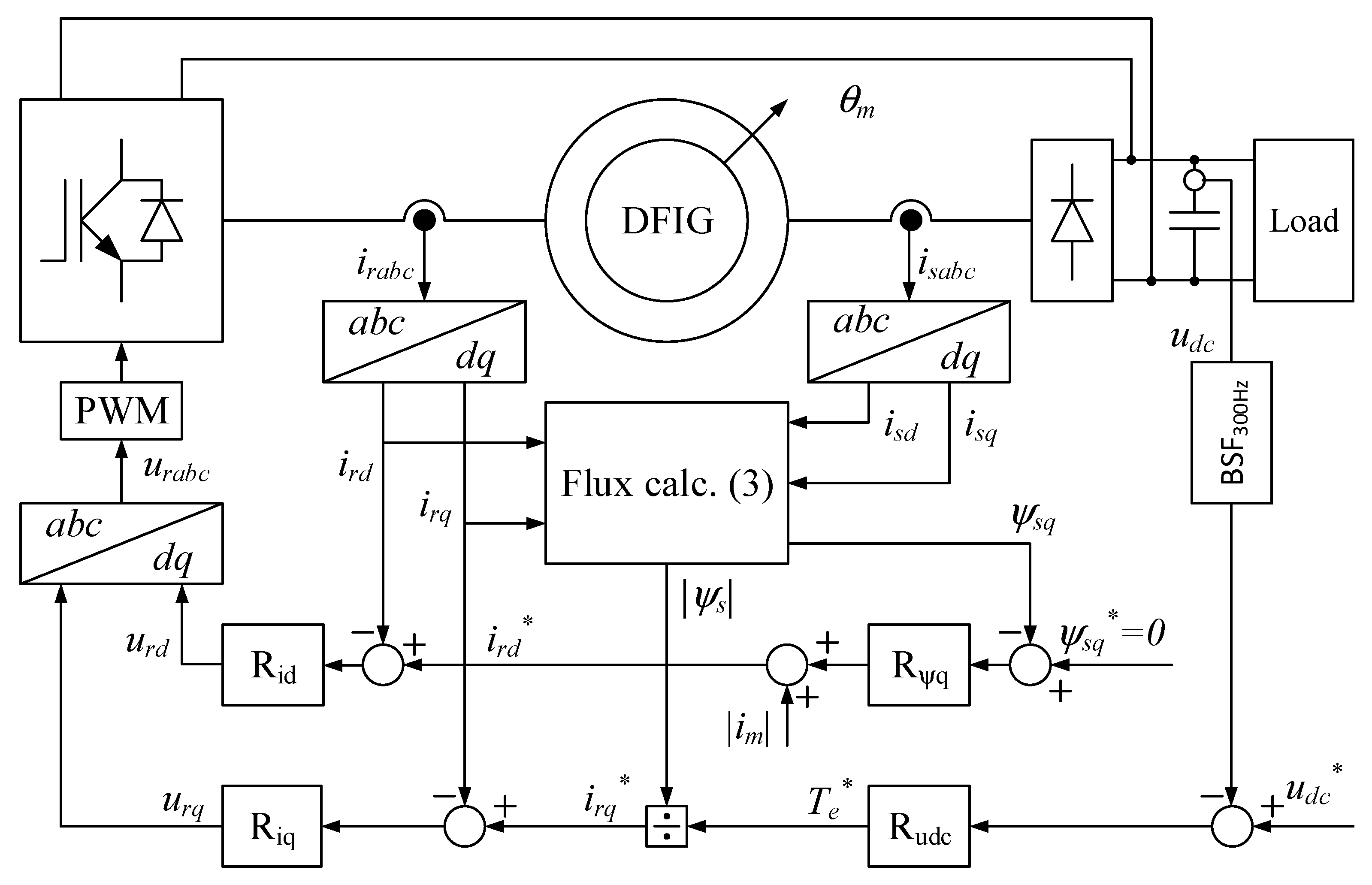
3.1. Field Oriented Control–FOC
The classic FOC method for a DFIG-DC system with two current regulators is the background for several studies. The method has been improved by replacing simple referencing of torque-producing rotor current vector component through its calculation by [12]:
The FOC method used as the background is shown in Figure 2. It must be noted that the outer part of the control is slightly different than in [12] due to the fact that here we need to control common DC-bus voltage, whereas in [12], the DC-bus voltage is controlled (imposed) externally by an additional power supply unit. Additionally, synchronization of the reference frame with the stator flux vector is obtained using a different method. However, the synchronization method is not related to the torque and DC-bus voltage oscillations when the same reference frame is finally obtained.
Figure 2.
Stand-alone DFIG-DC voltage generator controlled with field-oriented vector control.
3.2. Direct Torque and Flux Module Control–DTΨC
Publication [13] studies direct torque control methods. Instead of rotor current vector components regulators, torque regulators are used. As the second path of regulation, different variables were used, and the methods were verified. From among them, the d component of the rotor current vector, the q component of the stator flux vector, and the stator flux vector module were selected. The last one provided the minimum value of torque oscillations. In that paper, the DC-bus voltage oscillations were also compared, and the smallest are obtained when the ird component of the rotor current vector is selected as the second control variable in parallel with the torque control path. In this paper, DTΨC will be compared as the method giving the smallest torque oscillations from among all methods verified in [13]. The method is schematically presented in Figure 3. The flux module will change a little depending on the load. For no load operation, the stator voltage is pure sine, and the flux is assigned as:
in which is the rated stator voltage magnitude and the requested pulsation of stator voltage. A further slight increase or decrease of the stator flux module depends on the synchronization controller Rψq keeping the same position of the frame as the stator flux vector position.
Figure 3.
Stand-alone DFIG-DC voltage generator controlled with direct torque and flux module control DTΨC.
3.3. Direct Torque and x Variable Control–DTXC
The DTC method utilizing the new x variable (15) is presented in Figure 4. is magnetizing power scaled by stator voltage pulsation. Modification of reference , which may slightly change due to loading of the generator by a six-pulse diode rectifier, is provided by the synchronization controller Rψq. The difference between classic direct torque control structure (DTΨC) and the modified one (DTXC) is marked by red blocks and signal lines in Figure 3 and Figure 4. As the range of flux and x variable are different, the gains of respective controllers are also different.
Figure 4.
Stand-alone DFIG-DC voltage generator controlled with the direct torque and x variable control DTXC.
4. Simulation Results of a MW Range DFIG-DC System
The aforementioned methods were compared for the MW range DFIG-DC system, the parameters of which are provided in the Appendix A (Table A1). As the rated line–line stator rms voltage of the machine used in simulation equals 690 V, the DC-bus voltage which can be obtained equals approx. 970 V, and this value is selected as the reference DC-bus voltage. The first simulation test is conducted for the case in which lack of rotor voltage limitations is assumed, i.e., it is assumed that the control action is fully realizable independently of the available DC-bus voltage. This is far from a practical solution, but the intention is to show control method properties when the requested rotor voltage is obtained. This manner has been used in the methods described in [10,11] by using the electric machine with the rotor-rated voltage lower than stator-rated voltage. This way, the DC-bus voltage is significantly higher than required by the rotor converter to create rotor voltage, and consequently, the obtained results are of high quality. This is not available when the stator-to-rotor-winding-turns ratio is matched to the speed range like in a real DFIG machine. However, even in such a case, the methods can be compared, and it can be seen in Figure 5 that the DTXC method utilizing the new variable dot product of rotor current and stator flux vectors provides satisfactorily low torque oscillations (comparable to the DTΨC method and lower than in FOC) and incomparably to other methods’ low DC-bus voltage oscillations. In all methods, such good results can be obtained due to the lack of limitations of the rotor phase voltage, which at 970 V of DC-bus voltage should not exceed 475 V of the instantaneous value when SVM modulation is applied. In these tests, all variables are sampled with 4 kHz.
Figure 5.
Simulation results of a 2 MW DFIG-DC system at 1200 rpm for field-oriented control FOC (a), direct torque and flux module control DTΨC (b), and the proposed direct torque and x variable control DTXC (c) with unlimited rotor voltage at the steady state.
Limitation of the rotor voltage vector length at 475 V (maximum value possible to obtain at 970 V of DC-bus voltage, common for diode rectifier and rotor converter) causes the suppression of electromagnetic torque and DC-bus voltage oscillations to be reduced in comparison with the case for which rotor voltage demanded by rotor converter controllers is fully realizable. This concerns mostly the field-oriented control method. Still, the lowest DC-bus voltage oscillations are for the DTXC method, whereas torque oscillations for DTΨC and DTXC are at a comparable level (Figure 6).
Figure 6.
Simulation results of a 2 MW DFIG-DC system at 1200 rpm for field-oriented control FOC (a), direct torque and flux module control DTΨC (b), and the proposed direct torque and x variable control DTXC (c) with limited rotor voltage at the steady state.
The proposed DTXC method allows higher gains of outer DC-bus voltage controller; thus, the DC-bus voltage dynamic response can be obtained without significant overvoltage during partial unloading of the DC bus. In FOC and DTΨC methods, further increasing of DC-bus voltage controller gain will provide strengthening of the voltage oscillations, which are observable in transients shown in Figure 7a,b.
Figure 7.
Simulation results of a 2 MW DFIG-DC system at 1200 rpm for field-oriented control FOC (a), direct torque and flux module control DTΨC (b), and the proposed direct torque and x variable control DTXC (c) with limited rotor voltage during transient.
5. Experimental Results
The scheme of experimental set-up with a low-power DFIG, the six-pulse diode rectifier connected to the stator SDR, and fed on the rotor side from a 2-level converter RC is shown in Figure 8. The generator is driven from a speed-controlled induction motor IM. The control algorithm for the rotor converter was implemented on a TMS320F28335 microcontroller. For data registration, the Yokogawa DL850 scope recorder was used. An auxiliary diode rectifier ADR is used to obtain pre-charging of a common DC-bus through the AC side connected resistors. This is the only way of initial excitation of the electric generator in laboratory conditions, whereas in industrial implementation, the initial excitation must be obtained in a different manner due to the lack of power grid. Parameters of the small power unit used in laboratory tests are provided in the Appendix A (Table A1).
Figure 8.
Scheme of the laboratory setup with a small-scale doubly fed induction machine.
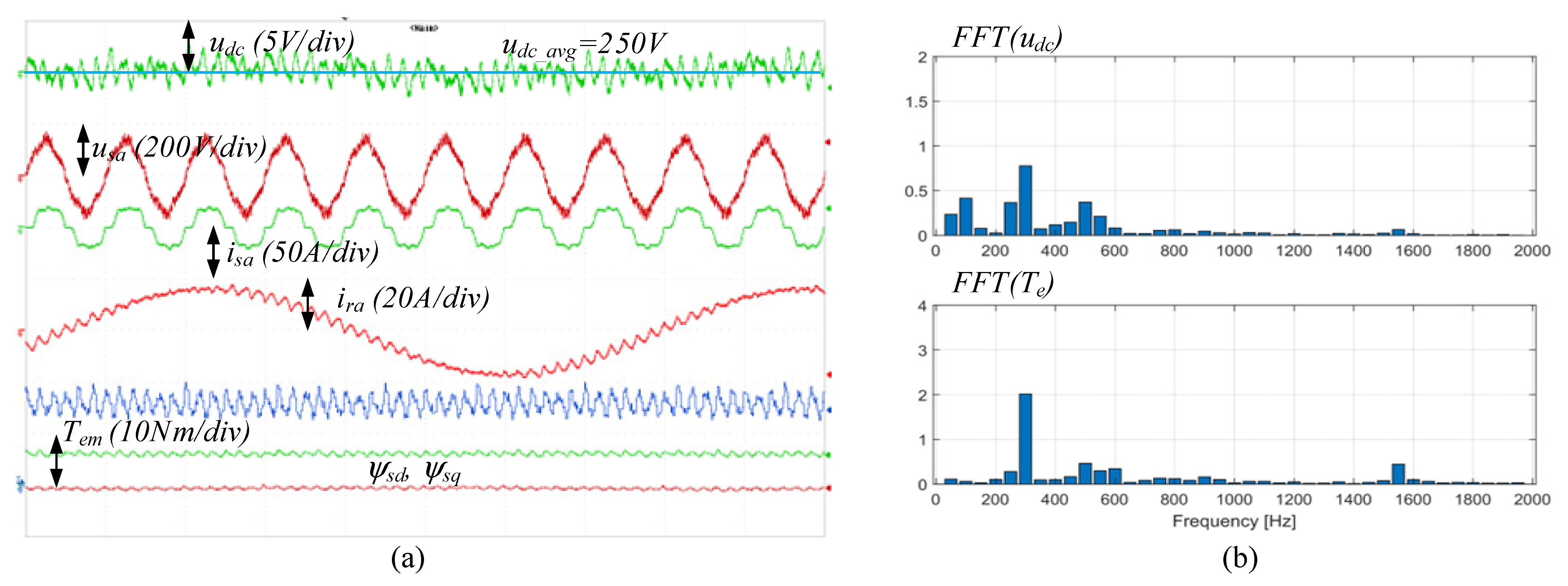
Figure 9, Figure 10 and Figure 11 present the steady state results from experimental tests. Figure 9 shows results of the field-oriented control method from Figure 2. Relatively high gain of rotor current controllers (kR = 20) is noticeable, possible for a low-power machine. Further increase in the rotor current regulator gain (even up to kR = 50) creates lower torque oscillations but significantly higher oscillations of the DC-bus voltage. Results shown in Figure 9 for this method are a compromise between torque and DC voltage oscillations. The FFT of generated DC voltage oscillations and electromagnetic torque oscillations for the FOC method is provided in Figure 9b.
Figure 9.
Experimental results of a small-power DFIG-DC system for field-oriented control FOC (a) and the FFT results of DC-bus voltage and torque oscillations for this method (b).
Figure 10.
Experimental results of a small-power DFIG-DC system for the classic direct torque control DTΨC (a) and the FFT results of DC-bus voltage and torque oscillations for this method (b).
Figure 11.
Experimental results of a small-power DFIG-DC system for the proposed direct torque control DTXC (a) and the FFT results of DC-bus voltage and torque oscillations for this method (b).
Figure 10 presents laboratory tests results at the same loading conditions for DTΨC, with time waveforms (Figure 10a) and with FFT of DC-bus voltage and torque oscillations for this method (Figure 10b). It can be observed that similarly to the simulation results from Figure 6 when the rotor voltage limitation is taken into consideration, the torque and DC-bus voltage oscillations are smaller than in the FOC method (Figure 9).
Figure 11 presents laboratory test results at the same loading conditions for DTXC with time waveforms (Figure 11a), and FFT of DC-bus voltage and torque oscillations for this method (Figure 11b). The electromagnetic torque oscillation for the DTXC method is almost at the same level as in DTΨC, whereas DC-bus voltage oscillations are visibly smaller in DTXC than in DTΨC.
It has to be noted that the laboratory system naturally takes into consideration the rotor side voltage limitation due to the rotor voltage that is more highly rated than the stator voltage. Table 1 presents a comparison of torque and DC voltage oscillations obtained for the presented methods in high-power DFIG simulation tests (at the steady states from Figure 6a–c, respectively) and for low-power DFIG experimental tests (at the steady states from Figure 9, Figure 10 and Figure 11, respectively). In this comparative table, a dominating frequency (6th harmonic) of torque and DC-bus voltage oscillations was taken into consideration.
Table 1.
Torque and DC Voltage Pulsations Obtained in Simulation and Experiment.
6. Conclusions
This paper presents simulation and experimental results of the field-oriented control method equipped with the rotor current controllers and two direct torque control methods with stator flux vector length or with dot product of stator flux and rotor current vectors as the second commanded variable for a stand-alone DFIG-DC voltage generator. It was observed that the occurring rotor voltage limitation caused by the available DC-bus voltage and properly selected machine-stator-to-rotor-turns ratio significantly influences the torque and DC voltage oscillations cancellation capability.
Nevertheless, both simulation and experimental tests results show that the direct torque control methods reduce torque oscillations by approx. 30% compared with the classic field-oriented control (peak-to-peak torque oscillations—2.2 kNm (DTΨC) and 2.5 kNm (DTXC) vs. 3.4 kNm (FOC) in the 2 MW simulation model and 4 Nm (DTΨC, DTXC) vs. 6 Nm (FOC) in the small-power laboratory model). Introduction of a new variable (dot product of stator flux and rotor current space vectors instead of flux module) in the direct torque control provides better reduction of DC-bus voltage oscillations than other methods when rotor voltage limitation is taken into account (peak-to-peak DC voltage oscillations—3 V (DTXC) vs. 18 V (DTΨC) and 30 V (FOC) in the 2 MW simulation model and 1.6 V (DTXC) vs. 2.5 V (DTΨC) and 3.6 V (FOC) in the small-power laboratory model).
Moreover, the method utilizing new variable feedback allows higher gains for the DC-bus voltage controller, which causes lower voltage peak during partial unloading (DC voltage swell—60 V (DTXC) vs. 140 V (DTΨC) and 250 V (FOC) in the 2 MW simulation model during unloading from 1.8 MW to 0.9 MW at 970 V of the average DC-bus voltage).
The paper presents proof of the concept utilizing the modified DTC algorithm with a new variable used in one of the control paths. However, further improvement is possible through consideration of compensation of the delay caused by digital realization of control. Further work can also focus on the utilization of the control variables used for creation of a reference rotor current vector in the field-oriented control. It must be noted that the field-oriented control has some unquestionable beneficial features, which are a direct possibility of current limitations, especially important during overload and short circuit. The last point worth investigating is predictive control aiming at not only torque oscillation cancellation but also DC-bus voltage oscillations cancellation in limited rotor voltage conditions.
Author Contributions
Conceptualization, G.I.; methodology, G.I.; software, M.P.; validation, G.I., and M.P.; formal analysis, G.I. and G.D.; investigation, G.I., M.P. and G.D.; resources, G.I.; data curation, G.I, M.P. and G.D.; writing—original draft preparation, G.I.; writing—review and editing, G.I; visualization, G.I.; supervision, G.I.; project administration, G.I.; funding acquisition, G.I. All authors have read and agreed to the published version of the manuscript.
Funding
This research was funded by the authors’ own funds of the Warsaw University of Technology for statutory research work.
Institutional Review Board Statement
Not applicable.
Informed Consent Statement
Not applicable.
Data Availability Statement
No new data were created or analyzed in this study. Data sharing is not applicable to this article.
Conflicts of Interest
The authors declare no conflict of interest. The funders had no role in the design of the study; in the collection, analyses, or interpretation of the data; in the writing of the manuscript; or in the decision to publish the results.
Abbreviations
| ADR | auxiliary diode rectifier, |
| BSF | band stop filter, |
| DFIG | doubly fed induction generator, |
| DFIM | doubly fed induction machine, |
| DTC | direct torque control, |
| DTC-SVM | direct torque control of space vector modulation, |
| DTΨC | direct torque control with flux module second control variable, |
| DTXC | direct torque control with dot product of flux and current vector as the second control variable, |
| FFT | fast Fourier transform |
| FOC | field-oriented control, |
| IM | induction motor, |
| PWM | pulse width modulation, |
| RC | rotor converter, |
| SDR | stator-connected diode rectifier, |
| stator and rotor voltage vectors, | |
| udc | DC voltage, |
| stator and rotor current vectors, | |
| stator and rotor flux vectors, | |
| iL | load current, |
| rms value of stator phase currents, | |
| rms value of rotor phase currents, | |
| Rs, Rr | stator and rotor resistance, |
| Ls, Lr, Lm | stator, rotor, and magnetizing inductance, |
| Cdc | DC-bus capacitor, |
| Tem | electromagnetic torque, |
| average value of electromagnetic torque, | |
| number of pole pairs, | |
| ps, pr | stator and rotor instantaneous power real components, |
| stator and rotor active power, | |
| machine instantaneous power real components related to the magnetic energy changes, | |
| synchronous speed (rotation speed of magnetic flux), | |
| mechanical speed, | |
| stator and rotor leakage and magnetizing inductance stored energy, | |
| stator, magnetizing, and rotor instantaneous power imaginary components seen from the stator side, | |
| dq | subscripts describing two-dimensional rotating space. |
Appendix A
Table A1.
Parameters of the full-scale simulated and small-scale experimental DFIG-DC system.
Table A1.
Parameters of the full-scale simulated and small-scale experimental DFIG-DC system.
| Parameter | Value (2 MW) | Value (7.5 kW) |
|---|---|---|
| Rated power | 2 MW | 7.5 kW |
| Stator voltage (L-L) | 690 V | 182 V |
| Rotor voltage (L-L) | 2 kV | 380 V |
| Number of pole pairs | 2 | 2 |
| Lm (magnetizing inductance) | 2.5 mH | 27.52 mH |
| Ls (stator inductance) | 2.587 mH | 29.82 mH |
| Lr (rotor inductance) | 2.587 mH | 29.82 mH |
| Rs (stator resistance) | 2.6 mΩ | 0.16 Ω |
| Rr (rotor resistance) | 2.6 mΩ | 0.1 Ω |
| fs (sampling frequency) | 4 kHz | 4 kHz |
| Cdc (DC-bus capacity) | 10 mF | 1 mF |
| udcref (reference DC-bus voltage) | 970 V | 250 V |
References
- Itsaso Martinez, M.; Tapia, G.; Susperregui, A.; Camblong, H. DFIG power generation capability and feasibility regions under unbalanced grid voltage conditions. IEEE Trans. Energy Convers 2011, 26, 1051. [Google Scholar] [CrossRef]
- Xu, L.; Wang, Y. Dynamic modeling and control of DFIG-based wind turbines under unbalanced network conditions. IEEE Trans. Power Syst. 2007, 22, 314. [Google Scholar] [CrossRef]
- Marques, G.D.; Iacchetti, M.F. A self-sensing stator-current-based control system of a DFIG connected to a DC-link. IEEE Trans. Ind. Electron. 2015, 62, 6140. [Google Scholar] [CrossRef]
- Misra, H.; Gundavarapu, A.; Jain, A.K. Control scheme for DC voltage regulation of stand-alone DFIG-DC system. IEEE Trans. Ind. Electron. 2017, 64, 2700. [Google Scholar] [CrossRef]
- Jain, A.K.; Ranganathan, V.T. Wound rotor induction generator with sensorless control and integrated active filter for feeding nonlinear loads in a stand-alone grid. IEEE Trans. Ind. Electron. 2008, 55, 218. [Google Scholar] [CrossRef]
- Pattnaik, M.; Kastha, D. Harmonic compensation with zero-sequence load voltage control in a speed-sensorless DFIG-based stand-alone VSCF generating system. IEEE Trans. Ind. Electron. 2013, 60, 5506. [Google Scholar] [CrossRef]
- Phan, V.T.; Lee, H.H. Control strategy for harmonic elimination in stand-alone DFIG applications with nonlinear loads. IEEE Trans. Power Electron. 2011, 26, 2662. [Google Scholar] [CrossRef]
- Yu, N.; Nian, H.; Quan, Y. A novel DC grid connected DFIG system with active power filter based on predictive current control. In Proceedings of the 14th International Conference on Electrical Machines and Systems, Beijing, China, 20–23 August 2011; pp. P.1–P.5. [Google Scholar]
- Maciejewski, P.; Iwanski, G. Six-phase doubly fed induction machine based standalone DC voltage generator. Bull. Pol. Acad. Sci. -Tech. Sci. 2021, 69, P.1–P.11. [Google Scholar]
- Guo, L.; Wang, D.; Peng, Z.; Diao, L. Improved super-twisting sliding mode control of a stand-alone DFIG-DC system with harmonic current suppression. IET Power Electron. 2020, 13, 1311. [Google Scholar] [CrossRef]
- Marques, G.D.; Iacchetti, M.F. Minimization of torque ripple in the DFIG-DC system via predictive delay compensation. IEEE Trans. Ind. Electron. 2018, 65, 103. [Google Scholar] [CrossRef]
- Iacchetti, M.F.; Marques, G.D.; Perini, R. Torque ripple reduction in a DFIG-DC system by resonant current controllers. IEEE Trans. Power Electron. 2015, 30, 4244. [Google Scholar] [CrossRef]
- Nian, H.; Wu, C.; Cheng, P. Direct resonant control strategy for torque ripple mitigation of DFIG connected to dc link through diode rectifier on stator. IEEE Trans. Power Electron. 2017, 32, 6936. [Google Scholar] [CrossRef]
- Xiao, Y.; Fahimi, B.; Rotea, M.A.; Li, Y. Multiple reference frame-based torque ripple reduction in DFIG-DC system. IEEE Trans. Power Electron. 2020, 35, 4971. [Google Scholar] [CrossRef]
- El Ouanjli, N.; Derouich, A.; El Ghzizal, A.; Chebabhi, A.; Taoussi, M. A comparative study between FOC and DTC control of the Doubly Fed Induction Motor (DFIM). In Proceedings of the International Conference on Electrical and Information Technologies, Rabat, Morocco, 15–18 November 2017; pp. 1–6. [Google Scholar]
- Zamzoum, O.; El Mourabit, Y.; Errouha, M.; Derouich, A.; El Ghzizal, A. Power control of variable speed wind turbine based on doubly fed induction generator using indirect field-oriented control with fuzzy logic controllers for performance optimization. Energy Sci Eng. 2018, 6, 408. [Google Scholar] [CrossRef]
- Maciejewski, P.; Iwanski, G. Study on direct torque control methods of a doubly fed induction machine working as a stand-alone DC voltage generator. IEEE Trans. Energy Convers 2021, 36, 853. [Google Scholar] [CrossRef]
- Gundavarapu, A.; Misra, H.; Jain, A.K. Direct torque control scheme for dc voltage regulation of the standalone DFIG-DC system. IEEE Trans. Ind. Electron. 2017, 64, 3502. [Google Scholar] [CrossRef]
- Fakhraee, H.; Babaei, M.; Alizadeh, M.; Tabrizian, M. Direct slip angle control for rotor side converter of standalone DFIG-DC system. IET Renew. Power Gener. 2022, 16, 2429. [Google Scholar] [CrossRef]
- Wu, C.; Cheng, P.; Nian, H.; Blaabjerg, F. Rotor current oriented control method of DFIG-DC system without stator side sensors. IEEE Trans. Ind. Electron. 2020, 67, 9958. [Google Scholar] [CrossRef]
- Wu, C.; Zhou, D.; Blaabjerg, F. Direct power magnitude control of DFIG-DC system without orientation control. IEEE Trans. Ind. Electron. 2021, 68, 1365. [Google Scholar] [CrossRef]
- Wu, C.; Zhou, D.; Cheng, P.; Blaabjerg, F. A novel power-angle control method of DFIG-DC system based on regulating air gap flux vector. IEEE Trans. Power Electron. 2021, 36, 513. [Google Scholar] [CrossRef]
- Wu, C.; Zhou, D.; Blaabjerg, F. An Improved DC Voltage Control Method for Standalone DFIG-DC System Based on Direct Torque Resonant Control. In Proceedings of the IEEE 9th International Power Electronics and Motion Control Conference, Nanjing, China, 29 November–2 December 2020; pp. 869–872. [Google Scholar]
- Wu, C.; Nian, H. An Improved Repetitive Control of DFIG-DC System for Torque Ripple Suppression. IEEE Trans. Power Electron. 2018, 33, 7634. [Google Scholar] [CrossRef]
- Wu, C.; Nian, H. Improved Direct Resonant Control for Suppressing Torque Ripple and Reducing Harmonic Current Losses of DFIG-DC System. IEEE Trans. Power Electron. 2019, 34, 8739. [Google Scholar] [CrossRef]
- Wu, C.; Nian, H.; Pang, B.; Cheng, P. Adaptive Repetitive Control of DFIG-DC System Considering Stator Frequency Variation. IEEE Trans. Power Electron. 2019, 34, 3302. [Google Scholar] [CrossRef]
- Cruz, S.M.A.; Marques, G.D.; Gonçalves, P.F.C.; Iacchetti, M.F. Predictive Torque and Rotor Flux Control of a DFIG-DC System for Torque Ripple Compensation and Loss Minimization. IEEE Trans. Ind. Electron. 2018, 65, 9301. [Google Scholar] [CrossRef]
- Pura, P.; Iwanski, G. Direct torque control of a doubly fed induction generator working with unbalanced power grid. Int. Trans. Electr. Energy Syst. 2019, 24, P.1–P.14. [Google Scholar] [CrossRef]
- Balogun, A.; Ojo, O.; Okafor, F.; Karugaba, S. Determination of steady-state and dynamic control laws of doubly fed induction generator using natural and power variables. IEEE Trans. Ind. Appl. 2013, 49, 1343. [Google Scholar] [CrossRef]
Disclaimer/Publisher’s Note: The statements, opinions and data contained in all publications are solely those of the individual author(s) and contributor(s) and not of MDPI and/or the editor(s). MDPI and/or the editor(s) disclaim responsibility for any injury to people or property resulting from any ideas, methods, instructions or products referred to in the content. |
© 2023 by the authors. Licensee MDPI, Basel, Switzerland. This article is an open access article distributed under the terms and conditions of the Creative Commons Attribution (CC BY) license (https://creativecommons.org/licenses/by/4.0/).










