Abstract
The population is often opposed to wind turbines being erected near their homes, mainly because the machines are noisy, especially at night. In an effort to establish a compromise between the needs of the people and the fulfilment of energy demands, wind turbines have the ability to switch between day and night operation by reducing the rotation speed during the night, resulting in a loss of generated power. The present study investigates simple models for noise emission, propagation, and prediction, with the objective of proposing a control system configuration that continuously adjusts the rotational speed as much as necessary until it matches sound level regulations while minimising power losses. Thus, several approaches are implemented and tested with a very large reference wind turbine. The simulation results of a reference wind turbine show that the approaches provide significant improvements in sound reduction as well as in power conversion.
1. Introduction
In the case of onshore wind energy systems, the noise that they emit is a distinct obstacle to their positive reception by the local population. Therefore, the study of noise emission, modelling, measurement, propagation, and reduction has gained increasing relevance, not only for onshore but also for offshore machines [1].
Numerous sources contribute to the generation of acoustic noise in wind energy converters. The primary factors of significance are mechanical noise, which has been examined in studies such as [2], and aerodynamic noise (see, e.g., [3,4,5]). Mechanical noise can be reduced through the installation of isolation panels in the nacelle (see, for instance, [6]), as noted in [7], or as an indirect result of active damping control for the drive train (see, among others, [8,9]). Thus, the present study is devoted to the mitigation of noises that can be influenced by the control system. See, e.g., [10,11,12] for other subjects on models for noise emission, prediction, and radiation (see also [13] for a review).
Control-based aeroacoustic noise reduction has been studied, for example, in [14,15] and in [16]. Furthermore, other contributions are focused on reducing the aeroacoustic noise through the use of the pitch control system. The prevailing method is to adjust the setpoint of the collective pitch control to a lower value, particularly at night, reducing the rotation speed and, consequently, the noise at the expense of power. An alternative approach is to enlarge the functions of the individual pitch control such that it will be able to reduce noise, as discussed in [1,17,18].
Due to the fact that the induced sound changes with the angle of attack of the blade aerofoils [19], which is reduced when the pitch angle augments, a contraction in the turbulent boundary layer of the suction side of the aerofoils happens. This contraction not only produces noise but also reduces the power. Conversely, lowering the pitch angle results in higher levels of noise and more power extraction. Therefore, a continuous alteration of the pitch angle constantly modifies the produced noise, while the pitch mechanism produces disruptions into the noise source but also acts to alleviate them. The aforementioned works on noise mitigation omit to consider a balance between maximising power and minimising noise.
The idea of this contribution is to design a control system that first changes the operating point to adjust the rotational speed such that the legal noise level is reached, and then the power is elevated to the maximum possible by means of the torque control. Moreover, the control system should have the adjusting capacity to increase and reduce the power according to the fluctuations of background noise. Finally, the control system should be able to increase the power if the wind noise masks the wind turbine noise.
The first objective is reached by changing the control law of the torque control and adjusting the setpoint for the pitch control. For the second objective, the procedures are investigated. The first one changes the rotational speed setpoint to a sound pressure level setpoint in the pitch control system, and the second one introduces an additional controller in the cascade configuration. The last objective is reached by switching the setpoint from the sound pressure level to the background pressure level when the background noise is higher than the wind turbine noise.
The different proposed methods are compared with each other and with the classical mechanism of simply reducing the rotational speed with the associated loss of power. The application scenario examines the trade-off between reducing noise and extracting power. The balance is accomplished by means of a multi-objective optimisation procedure, akin to the one employed in [20], for the joint tuning of the collective pitch control and tower damping control. Following this idea, the collective pitch control and noise reduction scheme can be optimally coupled.
This paper is organised in the following manner: The focus of Section 2 is to formulate the control strategy, determine the control system topology, and define the acoustic noise requirements for models and feedback control. Needed fundamentals and models for the aeroacoustic models are presented in Section 3. The subject of Section 4 is a numerical study on a reference wind turbine of 20 MW, while the results are discussed in Section 5. Concluding remarks are drawn in Section 6.
2. Control-Based Noise Mitigation
2.1. Overall Aspects
The classic control of wind turbines involves optimal tracking control during partial load operation and speed regulation using the pitch control system in case of full load operation. The classic pitch control system is presented in Figure 1. Notice that the rated generator speed is used as a setpoint for the collective pitch control (CPC).
Figure 1.
Classic pitch control system [9].
Tg and Tga represent the generator torque before and after the actuator, respectively. The pitch angle is denoted by β, and the diverse subscripts symbolise different pitch angles. ωg and ωg,rated are the generator rotational speed and the corresponding rated value, and eω is the control error. β0 is the value of the pitch angle that defines the operating point.
These control systems are actually not sufficient if the machine is integrated into a wind farm, where wind turbines are normally subjected to work under up/down-regulation control [21] imposed by the wind farm control strategy. Thus, the up/down-regulation control has a higher level of priority. This is clearly established in the cascade control system of Figure 2. Here, the setpoint for the CPC is the control signal provided by the power controller. Pe is the electrical power, Pref is the power reference, and ωgsp1 and ωgsp2 are the setpoints for the internal control loops.
Figure 2.
Up/down-regulated power control system in cascade configuration [21].
The full-load operation is characterised by strong winds and continuous pitch activity. The consequence of both is a loud noise, which is normally not allowed near settlements due to legal regulations, particularly during the night. In practice, the legal restrictions are reached by defining two operating modes in the supervisor. Generally, a normal operation mode is set during the day, while a power-limited mode is usually activated at night. The last mode implies a slower rotational speed, which lowers noise.
The problem with the procedure described above is that the background noise level is not known a priori, so the total noise level is variable. Thus, a fixed setpoint at night may sometimes be correct, but the reduction may be insufficient, or conversely, it may be an unnecessary loss of power. Hence, active sound damping control (ASDC) approaches like those suggested in [15] should be used. Several control schemes for limiting noise are presented in the following.
2.2. Active Sound Damping Control with Cascade Configuration
The corresponding block diagram is shown in Figure 3, where Lpa and Lsp are the sound level pressure and its corresponding setpoint.
Figure 3.
Active sound damping control in cascade configuration [15].
The saturation block prevents the generator speed setpoint from exceeding the maximum value when the sound pressure level is extremely low. Hence, the upper limit in the saturation block is set to the rated generator speed.
On the other hand, if the machine is working under up/down-regulation and it has also to be operated under noise limitation, then this control loop will have an even higher priority, as the noise limitation is a legal requirement. This constellation will lead to a very complex control system because it will include two cascade control loops. Therefore, it is necessary to find a simpler concept.
2.3. Active Sound Damping Control and up/down-Regulation
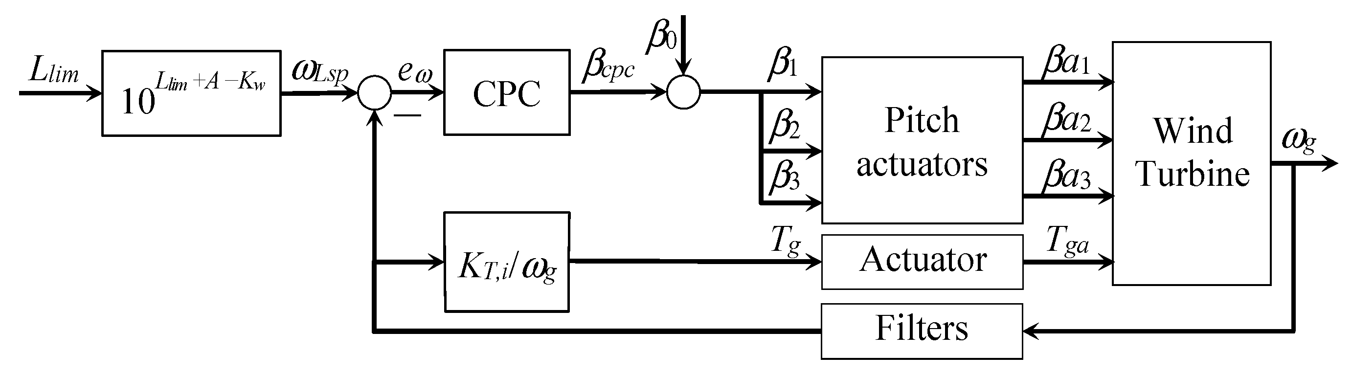
Another approach for active sound damping control can be designed by using the standard CPC with the inverse calculation Formula (30) for determining the setpoint. This produces the control system shown in Figure 4, where Llim is the legal noise limit, e.g., 55 dBA during the day and 45 dBA at night (in Germany).
Figure 4.
Active sound damping control with CPC and inverse formula for setpoint calculation.
Hence, the power regulation control may be applied if its setpoint satisfies ωPsp < ωLsp. The corresponding control system is shown in Figure 5.
Figure 5.
Switching control scheme between up/down-regulated power and ASDC.
Down-regulation and ASDC have in common the reduction in the rotational speed. So far, this reduction has been carried out by increasing the pitch angle; i.e., augmenting the pitch angle reduces the rotational speed and, in turn, also the noise, but also the power. However, there are two ways for reducing the rotational speed: one involves increasing the pitch angle, as already mentioned, while the other is augmenting the generator moment.
Thus, an increase in generator torque also reduces the rotational speed, but not the power. Hence, the interest is to find a compromise between the input variables Tg and β that reduces the noise to the permitted limit but with the minimum power loss. This property is not satisfied by the standard torque control laws (see, e.g., [22,23]). Therefore, a special approach, which is described in the following passages, is used.
2.4. Active Sound Damping Control with Variable Reference
The approach to Figure 4 is based on a constant setpoint computed offline for the maximum permitted value of the sound pressure level. However, the concept disregards the variable nature of the background noise. Hence, some power can be lost if the background noise is low.
In order to improve the control performance, the control system is modified, including a variable reference signal. Thus, the inverse calculation Formula (30) is used with the total sound level pressure in order to obtain a fictive reference variable for the generator rotational speed, i.e., a generator speed equivalent as the total sound pressure level came from the wind turbine. Under this condition, if the total noise is lower than the limit, the generator speed can be raised until the noise limit is reached. The idea is schematised in Figure 6.
Figure 6.
Active sound damping control with variable reference.
Sometimes, the background noise is stronger than the noise of the wind turbine at the receiver location, and if some other conditions are given, then it is possible that the wind turbine noise is masked by the background noise (see, e.g., [24,25] for sound masking). Under these circumstances, the setpoint of generator speed can be switched back as long as the additional noise produced by the turbine does not exceed the background noise, thus gaining some extra power. To this end, the control configuration of Figure 6 is modified as in Figure 7.
Figure 7.
Control configuration for masked wind turbine noise.
2.5. Torque Control for an Active Sound Damping Control Scheme
The aim of the present subsection is to find an alternative procedure to compute the values for the generator torque that satisfy the requirements for ASDC, but the power loss is minimised.
It consists of finding the subspace in the input space {Tg, β} that satisfies the noise legal limit and then extracting the value of Tg that maximises the power output. Since the sound pressure level depends on the rotational speed ωg, it is necessary to find first ωg as a function of the pair (Tg, β).
The stationary values for ωg can be obtained for a specific value of the wind speed vw and the input space {Tg, β} (Figure 8a). Then, the sound pressure level can be estimated by using these generator speeds and the inverse calculation Formula (30). The intersection between the Lp surface and the horizontal plane that defines the legal limit for the noise production leads to the subspace of (Tg, β) with all valid values of the input variables that satisfy the legal limit (Figure 8b). Finally, the pair (Tgο, βο) that maximises the power but under its rated value is chosen for the control system (Figure 8c).
Figure 8.
(a) Generator speed; (b) sound pressure level; (c) electrical power. All for the input space (Tg, β) and a defined wind speed vw0.
The surface defined as
in Figure 8a is obtained by first defining a grid for the input variables, i.e., [Tg,min, Tg,max] and [0, βmax], and then carrying out multiple simulations. In the same way, the surface of Figure 8c
is obtained for the electrical power. By using (30), the surface
in Figure 8b is computed. The plane for the limit sound pressure is formulated as
Input values that satisfy the legal limits are obtained from
The intersection of both planes yields the input subspace Is,i, which is constituted by all points (Tg, β) that satisfy ΔLp,i(Tg, β) = 0, i.e.,
Because of the discrete nature of the subspace, it is often necessary to interpolate the points for a more accurate intersection. Finally, the value of Tg is obtained from
The above-presented development has been performed for a particular value of the wind speed vw = vw,i. Hence, the procedure has to be repeated for all wind speeds from the interval [vw,rated, vco].
Notice that for each Pe,i there is a ωg,i. Therefore, ωg is used for the search in the lookup table instead of Pe in order to simplify the topology, avoiding additional power feedback. A control law with similar characteristics but having an analytical formulation is the inverse proportional controller (InPC) given by
where the gains KT,i are computed from the offline data provided by (1) and (7) as
From the practical point of view, (7) is solved offline by using simulation data, and the result is implemented as a look-up table. Controller (8) corresponds to an inverse proportional control (InPC) law, whose implementation is shown in Figure 9.
Figure 9.
Active sound damping control with CPC and inverse proportional torque control.
2.6. Acoustic Model Requirements for the Control System Design
The above-presented approaches require some acoustic models for their implementation, which are summarised in the following passages for further presentation in the subsequent section.
The wind turbine generates acoustic noise that has to be damped by using the control system. That is, it is necessary to find an estimation model that depends on a variable that can be controlled, for instance, the rotational speed of the wind turbine. On the other hand, the impact of noise is not as significant at the site of generation but rather in areas near settlements. Thus, a propagation model is essential. Moreover, there is always background noise that has to be differentiated from the wind turbine noise, in particular, the noise produced directly by the wind in its own flow. Finally, all models have to satisfy the compromise between enough accuracy and simplicity to facilitate the control system design. With all these premises in mind, the needed acoustic models are presented below.
3. Modelling Acoustic Properties of Wind Turbines for Control Purposes
3.1. Models for Sound Power Level Estimation
There are many models that can be used to estimate the noise emitted by a wind turbine. They have been classified in [26] according to three distinct classes. The first class includes only very simple steady-state models; the second class has models whose equations are functions of some parameters of the wind turbine; and the third class is characterised by models with considerable complexity, including information about both the noise and the wind turbine. A comparative study on the sound power estimation models is provided in [27].
The primary focus here is on simple models, but they should be nonstationary because they will be used in the control system.
3.1.1. Model Based on the Rotor Radius
Probably the simplest static model to estimate the sound power pressure of a wind turbine is given in [28]. Here, the A-weighted sound power level of the source LwA depends only on the rotor radius R and is described by
However, the model is too simple because it does not provide information about the continuous changes that occur during the wind turbine operation. Thus, this model can give an overall estimation of the noise; this value will not change with respect to wind speed or rotor speed.
3.1.2. Model Based on the Rated Power
Another simple steady-state model has been proposed in [26], and it is a function of the rated power
where the rated power Prated is given in watts. This model gives a simple estimation of the sound power level according to a design number, but it is independent of variables like wind speed and rotor speed. Hence, it is also not useful for control.
3.1.3. Model Based on the Generator Speed
The model as proposed in [29] is a function of the tip speed as described in (12), i.e.,
where R is the rotor radius, and the tip speed is defined by vtip = R ωr with ωr as the rotor speed. The advantage of this model lies in including the tip speed in the equation, which depends on the rotational speed. This introduces a dynamic into the model that the others do not have. It is important to express the model in terms of the generator speed ωg = nx ωr, with nx as the gearbox ratio. Thus, (12) becomes
Hence, for a given wind turbine, R and nx are fixed, and consequently
with
Similarly to [30], a model for sound pressure level can be obtained by adding some terms depending on additional parameters and some fitting coefficients to adjust the equation to measured data, namely,
where KwA is now a more complex construction constituted by
In the Equation (17), Ab/Ar is the ratio of blade area to rotor area, nb is the number of blades, R/d is the ratio of rotor radius to distance between hub and observer, and Caf is the axial force coefficient. Parameters c1–c6 are fitting coefficients used to adjust the equation to measured data. However, (14) and (15) are obtained by setting c1 = 50, c2 = 60, c3 = 0, c4 = 0, c5 = 0, and c6 = −0.9897.
In order to obtain the sound power level from (14) and (15), the equation
which is provided in [31], can be used. K is a constant representing all correction factors.
3.2. Models to Describe the Noise Propagation
The effects of noise become particularly more noticeable and profound when they are close to the residents. Therefore, in addition to estimation, the propagation of noise must also be modelled. A wide discussion of these models is carried out in [4]. However, as for the estimation models, simple variable-dependent models that can result in noise intensity control are the focus of this section.
In order to formulate this model, it is convenient to use the guidance provided by standard ISO 9613 [32], which establishes that the sound pressure level reached at the receiver place is composed of three components: the sound power level at the source place, a correction factor, and a term representing all attenuation components. The mathematical expression is given by
The sound power level LwA is estimated in the previous subsection, Ldc is the directivity correction [32], and the attenuation A consists of multiple components, i.e.,
The first component, Agd, expresses the geometric divergence. Depending on which kind of dispersion is considered (spherical, hemispherical, or cylindrical), different values are obtained. The geometric spreading component is computed by
for the spherical spreading,
for the hemispherical spreading, and
for the cylindrical spreading, where d is the distance in metres from the emitter to the receiver and d0 is a reference distance; normally, d0 = 1 m. The distance d considers not only the horizontal distance ld but also the hub height hh, i.e.,
For spherical spreading, the attenuation is 6 dB per distance doubling, whereas for cylindrical spreading, it is 3 dB [16]. The spherical assumption holds true in the downstream direction at a closer distance to the wind turbine, but if the distance is greater than 200 m, the attenuation seems to behave more in accordance with the cylindrical spread [33]. Therefore, if the distance is larger than 200 m, a better representation for the geometric divergence is given by the combination of both, namely,
The second component Aatm represents the attenuation due to atmospheric absorption. It can be estimated by using
where α is the atmospheric absorption in dB/m and d is the distance determined by (26). In [5], α = 0.005 dB/m is proposed as the typical value. However, α is dependent on frequency, temperature, humidity, and pressure, so it is not really constant and very difficult to determine with reasonable accuracy.
The third factor considered in (20) is the ground absorption Agr, which is primarily an effect caused by sound waves being reflected off the ground and obstructing direct sound waves from source to receiver
where ha denotes the average height over ground of the propagation way expressed in metres. If (27) gives a negative value, zero must be set.
Moreover, there are several minor factors that can be added to (20) in order to improve accuracy, for instance, screening Abar, sound insulation Aσ, and foliage attenuation Afol, among others (see, e.g., [32] for details).
The components Agr, Aσ, and parameter α usually vary with frequency. Hence, they are often defined for each fundamental frequency. Thus, there is also an Equation (19) for each frequency band, and the total sound pressure level is obtained from
where nf is the number of considered frequency bands.
3.3. Models to Express the Ambient Acoustic Noise
Ambient acoustic noise, also known as background acoustic noise, is considered here all non-wind-turbine noise present in the residential area. In [34], background noise is assumed to be non-constant and can vary from around 30 dBA within the countryside to 120 dBA and more in metropolitan areas. Alternatively, it is assumed in [35] that the background noise changes between 30 and 48 dBA. However, these noises are external to the wind energy systems, and although they should be considered as exogenous terms in the model, they are uninteresting because they cannot be affected by the control system.
However, the interaction of the wind with the ground and the foliage of trees on its way to the populated area also produces an increasing background noise that depends on the wind speed. For example, it is noted in [5] that the wind itself originates background noise in the range between 25 dBA and 42 dBA.
Hence, in the case of strong background noise, it can mask the noise coming from the wind turbine so that a limitation in its power due to the reduced rotational speed is not necessary. Thus, if the masking threshold exists and it is known, it can be included in the control system. The dependence between wind noise and foliage in rural areas has been represented in [36] by using
where K1, K2, and K3 are fitting constants.
3.4. Estimation of Maximum Allowed Generator Speed
From (19), (14), and (15), the maximum possible generator speed can be estimated for the maximum permitted sound pressure level Lp,max, namely,
Hence, ωg,max can be used as a setpoint for the collective pitch control.
4. Simulation Study
4.1. Overview of the Reference Wind Turbine
Using simulation experiments on a 20 MW reference wind energy system, the strategy suggested in this work to maintain the noise emission under the legal limit with the lowest power loss is studied in the following sections. First introduced in [37], it is a traditional three-bladed, horizontal axis, clockwise, upwind, variable-speed, and variable-pitch reference wind turbine. It has been examined since the control point of view in [38]. Now, the machine parametrisation has been extended and adapted for compatibility with Open FAST v3.5.3 (formerly known as FAST [39]). The wind turbine setup is depicted in Figure 10, and Table 1 summarises the essential parameters and rated data.
Figure 10.
Schematic description of the 20 MW wind turbine.
Table 1.
Most significant features of the 20 MW reference wind turbine.
The procedure described in Section 2.5 and Figure 8 leads to particular characteristics of the wind turbines, whose data are portrayed in Figure 11. These data are used to calculate the controller gains in (9).
Figure 11.
(a) Generator torque; (b) generator speed; (c) electrical power. All variables depend on the wind speed.
To keep noise levels consistently at 40 dBA, the generator speed needs to be maintained below 607.06 rpm. The generator torque must be increased to 2.7 × 105 Nm in order to sustain the power above 18.4 MW. During the day, the maximum sound pressure level at receiver location is ca. 51.95 dBA, and the legal limit is 55 dBA. Thus, no action is necessary.
4.2. Aeroacoustic Setup for the Numerical Study
The distance between the wind turbine and the receiver is 850 m, and a sound attenuation for aerial, ground, and environmental conditions is estimated as 69.13 dBA.
It is assumed that the wind energy converter is in full load operation, where the effective wind speed can oscillate between 11 and 24 m/s with tower shadow and 10% turbulence during 30 min. The wind profile is included with the simulation results.
Under conventional pitch control, the machine is regulated at its rated speed of 1173.7 rpm. Moreover, the generator can rotate in freewheeling mode at 492 rpm. Hence, the noise emission of the wind turbine, approximately calculated by (14), ranges from 102.197 to 121.076 dBA, which when transferred to the receiver location corresponds to a span of 32.949–51.9466 dBA. Thus, the operation during the day may run in full load, but during the night, the rotational speed has to be reduced until it matches 40 dBA. This aeroacoustic scenario is summarised in Table 2.
Table 2.
Aeroacoustic scenario for simulation purposes.
4.3. Simulation Setup and Experimental Plan
The simulation of the reference wind turbine has been conducted in OpenFAST, and the control system is implemented in MATLAB® (v. R2024a) and Simulink®. The operation is set under full load conditions, with an effective wind speed varying between 11.5 and 24 m/s. This includes tower shadow and 10% turbulence. The simulation is programmed to start four minutes before nightfall and then transition to a nighttime mode with reduced speed but optimised power. The whole simulation takes half an hour.
Moreover, a stochastic and oscillating background noise that fluctuates between 20 and 40 dBA has been taken into consideration. This is especially significant because the 40–50 dBA thresholds indicated in the German regulations correspond to the overall noise. Hence, in order to keep the wind turbines within the noise limit, they must turn out to be quieter if the background noise becomes louder for a period. Finally, the rotational speed can be raised as long as the wind turbine sound stays masked behind a strong background noise.
In order to assess the studied control strategies and control system topologies, a number of experiments have been conceived. First, a conventional strategy has been created, in which the setpoint of the CPC is adjusted to a low value such that the worst-case scenario is satisfied, regardless of wind speed and background noise, thus guaranteeing the noise level limit. Several simulations are performed with different setpoints. The aim is to observe the inconvenience caused by the inability of the strategy to maintain the noise level below the legal limit without experiencing significant power loss.
In a second experiment, the control system configuration of Figure 4 with different torque control strategies (with reference to Section 2.5) is studied. The third experiment is devoted to analysing the behaviour of the sound damping control with variable reference according to Figure 6, also including masked wind turbine noise. Finally, the cascade control configuration of Figure 3 is the aim of the fourth experiment.
4.4. Controller Parametrisation
Three controllers have to be parametrised: the torque controller, the CPC, and the ASDC. The gain of the torque controller is obtained by using (9) and the data from Figure 11. Hence, for ωg = 70.9 rad/s (677.06 rpm), the generator torque Tg takes several values [2.04 × 105, 2.05 × 105, 2.42 × 105, 2.58 × 105 2.70 × 105], which leads to the gains KT = [14.464 × 106 14.556 × 106 17.137 × 106 18.292 × 106 19.143 × 106]. By means of simulation runs, KT is adjusted to a unique value, KT = 14.922 × 106.
The optimal gain for the OTC is computed according to
The calculation results in Kopt = 11.2893. The CPC is implemented by using a PI controller, whose parameters have been tuned by using simulation-based optimisation. The final values are Kp_cpc = −1.53 and Ki_cpc = −0.14. Notice that increasing the pitch angle reduces the rotational speed; i.e., the system has a negative gain. Therefore, the controller parameters are also negative.
Another PI controller is used as a control law for the ATDC (cascade approach). The parameters are obtained by using joint optimisation together with the CPC. The procedure gives KpL = −1.3162 and KiL = −0.00083.
5. Simulation Results
In order to evaluate the performance of the above-discussed approaches to reduce wind turbine noise, two aspects are considered. The first one is to verify if the noise legal limits are respected, and the second one is to analyse the amount of converted energy in kWh compared with the converted energy in the case that no limitation occurs.
5.1. Results for Experiment 1
Experiment 1 consisted solely of reducing the setpoint of the pitch controller from 1173.7 rpm to 700, 650, and 600 rpm. The goal is to reduce the rotational speed as much as necessary until the noise legal limit of 40 dBA in the night is reached and maintained. This is the simplest procedure to reduce the noise. If nothing else is done, the action results not only in a noise mitigation but also in a strong reduction in the power output.
The setpoint changes are shown in Figure 12a. In Figure 12b, the noise reduction can be observed. A setpoint of 700 rpm does not satisfy the noise limit, but the setpoint of 650 rpm can be accepted if the noise legal limit can be fulfilled with certain laxity. However, full compliance with the regulation is reached when the setpoint falls under 600 rpm.
Figure 12.
Results of Experiment 1. (a) Generator speed. (b) Sound pressure level. (c) Power output.
It is important to note that the above-mentioned fulfilment depends on the background noise. For example, if the background noise were constant at the lowest level of 20 dBA, then a setpoint of 700 rpm would meet the regulation, and the power output would be slightly better.
The power output is portrayed in Figure 12c, where the power decline from 20 MW to a value under 5 MW is made evident. This is also clear from the quantitative analysis expressed by the energy in kWh converted during the half-hour simulation, whose data are summarised in Table 3.
Table 3.
Energy in kWh obtained for the strategies implemented in Experiment 1.
Thus, it is possible to conclude from Experiment 1 that while the technique of lowering the rotational speed at night is straightforward and simple to implement, the outcome is actually meagre, but of course better than shutting down the machine. Therefore, the remaining experiments are intended to verify if the other suggested active noise damping control approaches are able to provide better results.
5.2. Results for Experiment 2
In order to determine the correct value of the setpoint for the pitch controller, Equation (30) is used. However, the result would not differ significantly from the first experiment if the optimal torque control (OTC) law given by Tg(t) = Kopt ωg2(t) is kept in use. Hence, the control approach of Figure 4 is studied in the second experiment. First, maintaining the OTC law during the whole simulation, and then, in a second run, the torque controller is replaced by the InPC law Tg(t) = KT/ωg(t). In the last run, the simulation starts with the OTC, and after the setpoint change, the control law is switched to the inverse proportional one. The results are shown in Figure 13.
Figure 13.
Results of Experiment 2. (a) Generator speed. (b) Sound pressure level. (c) Power output.
In all cases, the sound pressure level is reduced below 40 dBA, satisfying the requirements (Figure 13a). Regarding the rotational speed (Figure 13b), all approaches show similar behaviour. However, the results of power extraction are different (Figure 13a). The OTC leads to a very strong power drop from 20 to 3 MW after entering the night operation, rendering it insufficient for the operation with noise limitation. The InPC law is not able to provide the maximum power in normal operation (always under 15 MW). Finally, the best outcome is obtained by using the OTC in the normal operation, regulating at around 20 MW, and switching to the InPC controller when the setpoint for the night operation is set. In this case, the power is reduced from 20 to 15 MW. This analysis is corroborated by the data on the energy converted during the 30 min of simulation, as shown in Table 4.
Table 4.
Energy in kWh obtained for the strategies implemented in Experiment 2.
It should be noted that direct switching control introduces disturbances in the control signal that can deteriorate the control performance. Hence, bumpless switching techniques as described in [40] or in [41] should be used.
In all cases, the evolution of the background noise is not taken into account in the operation. Thus, the setpoint cannot be adjusted if the background noise changes. This drawback sets the stage for the next experiment.
5.3. Results for Experiment 3
In the third experiment, the setpoint for the CPC is made adaptive by using the scheme of Figure 6. The idea is to continuously generate a fictitious setpoint using Equation (30). Two versions are tested. In the first one, the sound pressure level of the wind turbine LpA is used as the argument, and, in the second one, the background noise LpBG is the argument. As a torque control law, the combination of OTC and InPC of Experiment 2 is also used. The results are portrayed in Figure 14.
Figure 14.
Results of Experiment 3. (a) Generator speed. (b) Sound pressure level. (c) Power output.
Both versions converge to the legal noise limitation at very similar generator speeds. However, using LpA to calculate the setpoint results in a very slow conversion but a smoother transition in the power output. On the other hand, the second version shows a higher power output, as shown in Table 5.
Table 5.
Energy in kWh obtained for the strategies implemented in Experiment 3.
It is interesting to notice that the use of an adaptive setpoint based on the background noise improves the best performance of Experiment 2. However, an additional increase in the rotational speed and consequently in the power output because of masked wind turbine noise is not included in the approach. For this reason, the control system configuration is now changed as suggested in Figure 7.
The idea is based on the fact that if the background noise dominates the wind turbine noise and the wind turbine noise is masked by the background noise, then the rotational speed can be increased over the legal noise limit, producing some additional power.
For the simulation, the background noise is increased in order to satisfy the masking condition. Moreover, the adaptive setpoint based on LpBG is preserved such that an increase in background noise also raises the setpoint, increasing the rotational speed at the end. In order to achieve more power, the torque control has to be switched back from InPC to OTC for the duration that the masked condition is held. The results for this case are presented in Figure 15.
Figure 15.
Results of Experiment 3 (masked wind turbine noise). (a) Generator speed. (b) Sound pressure level. (c) Power output.
Figure 15a shows how the rotational speed is increased in the short period between 5 and 15 min because the background noise is louder than the machine noise (Figure 15b). During this time, the wind turbine is able to return to its rated power (Figure 15c), which translates in an additional energy conversion (as observed in Table 6).
Table 6.
Energy in kWh obtained for the operation under masked wind turbine noise.
It is very important to note at this point that this is only an illustrative example, where the wind turbine noise masking is assumed when LpA < LpBG. However, this condition can be seen as a necessary one, but sound masking is a more complex phenomenon that also depends on the frequency spectrums of the masker and masked signal and on the climate conditions like temperature and humidity. Therefore, it is unlikely that wind turbine noise masking can be widely applied.
5.4. Results for Experiment 4
The last experiment is dedicated to studying the behaviour of the cascade control approach described in Figure 3. A cascade control configuration has some inherent theoretical advantages, which should lead to better results in solving the active sound damping control problem.
Here, there are two nested control loops. In the internal loop, the speed control loop CPC is placed, but now the setpoint is continuously adjusted as the output of the external controller, whose control error is the sound level pressure difference between the legal limit and the estimated current value of the sound level pressure at the receiver location. Hence, the setpoint of the CPC is more accurate than the other approaches, such that the control error for the sound pressure level is also reduced, providing a slight increment in the power output. This can be appreciated in Figure 16 and Table 7.
Figure 16.
Results of Experiment 4. (a) Generator speed. (b) Sound pressure level. (c) Power output.
Table 7.
Energy in kWh obtained for the strategies implemented in Experiment 4.
In general, one-control-loop approaches are simple, but the performance is not the best. However, the standard approach that simply reduced the rotational speed can be considerably improved, as shown in the different experiments. The approach with two control loops is more complex and difficult to tune, but it provides better performance. The decision about which control system to use will depend on the particular application as a compromise between costs and the extra power obtained.
5.5. Final Analysis
The regulation states that the noise level may not exceed 55 dB during the day and 45 dB at night, which the machine is generally not able to respect in normal operation, particularly at night. In practice, the noise reduction can cost about 2–4% of annual energy generation per dB [42]. Hence, in the examples, if the machine has to go from 52 dB to 40 dB, the expected energy reduction should be around 24–48%. Hence, if it is possible to obtain an energy reduction under 24%, the approach can be considered successful.
The experiments show an energy loss from 69.4% for the standard procedure to 22.8% for the cascade approach. It should be noted that the theoretical maximum power is given by the maximum generator torque and the maximum rotational speed that produces a noise under the limit. This is nearly reached by the cascade control, and therefore, a lower loss is not expected. The additional advantage of cascade control is that it plays with a fine tuning of the rotational speed based on tracking of the fluctuations of the background noise, such that more power can be extracted. More power could only be reached under special conditions, for example, when the wind turbine noise is masked by the background noise.
6. Conclusions
This contribution aims to investigate how the control system of a large wind turbine can reduce the acoustic noise it produces, which is audible in nearby settlements. This study begins with a standard concept and evolves into a more sophisticated approach that aims to reduce noise while minimising power loss.
The theoretical concepts are finally illustrated with a simulation example carried out with a 20 MW reference wind turbine, and it is shown that as the control system becomes more sophisticated, i.e., more complicated, the results improve. The balance between sophistication and gain will depend on the specific application.
The complete development is carried out using estimation models that calculate the acoustic variables based on the wind turbine variables. These models are not very accurate and therefore require adjustment and calibration. Therefore, the next steps in future research will be to improve the models and incorporate real-time noise measurements.
Since satisfactory simulation results are obtained, the approaches should be tested in a real-time simulation environment, followed by experiments on a scaled laboratory application. These aspects will be considered in the near future.
Author Contributions
Conceptualization, conceptual verification, investigation, and writing (first draft preparation, review), A.G.; conceptualization, implementation, validation, and writing (first draft preparation, review and editing), A.R. All authors have read and agreed to the published version of the manuscript.
Funding
This research received no external funding.
Data Availability Statement
Data are available upon request from the corresponding author if allowed by the affiliating institution.
Conflicts of Interest
The authors declare no conflicts of interest.
Abbreviations
| ASDC | Active sound damping control |
| CPC | Collective pitch control |
| InPC | Inverse proportional control |
| OTC | Optimal torque control |
| PI, PID | Proportional Integral, Proportional Integral Derivative |
| Nomenclature | |
| Parameters | |
| A | Attenuation, dBA |
| Aatm | Atmospheric absorption, dBA |
| Abar | Screening, dBA |
| Afol | Foliage attenuation, dB |
| Agd | Geometric divergence |
| Agr | Ground absorption, dB |
| Aσ | Sound insulation, dB |
| Cp,max | Maximum value of the power coefficient, -- |
| d0, d | Reference distance, distance, m |
| eω, ep | Control errors for speed and power control loops |
| eω1,eω2 | Control errors for two speed control loops |
| ha | Average height over ground, m |
| hh | Hub height, m |
| K | Constant representing all correction factors |
| Kp, Ki | Proportional and integral gains of the PI controller |
| Kopt | Optimal proportional constant |
| KT | Gain of the inverse proportional controller |
| KwA | Summary constant in Equations (14) and (16) |
| K1, K2, K3 | Parameters in the noise model depending on the wind speed |
| ld | Horizontal distance, m |
| Lsp | Setpoint for the sound pressure level control loop |
| Lbg | Sound pressure level of background |
| Ldc | Directivity correction, dBA |
| Llimit | Limit for the sound pressure level, dBA |
| Lp,max | Maximum permitted sound pressure level, dBA |
| Ltot, | Total sound pressure level, dBA |
| LwA | Sound power level, dBA |
| nx | Gearbox ratio, -- |
| nf | Number of considered frequency bands, -- |
| Pm,rated | Rated mechanical power, MW |
| Pe,rated | Rated electrical power, MW |
| R | Rotor radius, m |
| Tg,rated | Rated generator torque, kg m2 |
| Tg | Generator torque, kg m2 |
| Tga | Generator torque after the actuator, kg m2 |
| vci | Cut-in value for the wind speed, m/s |
| vco | Cut-out value for the wind speed, m/s |
| vv,rated | Rated value for the wind speed, m/s |
| α | Atmospheric absorption, dB/m |
| β0 | Pitch angle at the operating point, rad |
| λ* | Optimal tip-speed ratio |
| ηx, ηg | Efficiency of gearbox and generator |
| ρa | Density of air, kg/m3 |
| ωg,max | Generator speed corresponding to Lp,max, rad/s |
| ωg,rated | Rated value of the generator speed, rad/s |
| ωg,ref | Reference signal for the generator speed, rad/s |
| ωgsp1, ωgsp2 | Setpoints for the generator speed, rad/s |
| Variables | |
| LpA | Sound pressure level, dBA |
| Lpwind | Sound pressure level of wind, dBA |
| LwA | Sound power level, dBA |
| Pe | Electrical power, MW |
| Pref | Reference signal for the electrical power, MW |
| Pm | Mechanical power, MW |
| Tg | Generator torque (on the high-speed shaft), kg m2 |
| vtip | Tip speed, m/s |
| vv | Wind speed, m/s |
| β | Pitch angle, rad |
| βcpc | Pitch angle as output from CPC, rad |
| ωg | Generator speed, rad/s |
| ωr | Rotor speed, rad/s |
| Functions | |
| f(·) | Functional relationship between (β, Tg) and ωg |
| g(·) | Functional relationship between (β, Tg) and Pe |
| h(·) | Functional relationship between ωg and Lp |
References
- Mackowski, L.; Carolus, T.H. Wind turbine trailing edge noise: Mitigation of normal amplitude modulation by individual blade pitch control. J. Sound Vib. 2021, 510, 116279. [Google Scholar] [CrossRef]
- Hubbard, H.H.; Shepherd, K.P. Aeroacoustics of large wind turbines. J. Acoust. Soc. Am. 1991, 89, 2495–2508. [Google Scholar] [CrossRef]
- Howe, M.S. A review of the theory of trailing edge noise. J. Sound Vib. 1978, 61, 437–465. [Google Scholar] [CrossRef]
- Wagner, S.; Bareib, R.; Guidati, G. Wind Turbine Noise; Springer: Berlin, Germany, 1996. [Google Scholar]
- Rogers, A.L.; Manwell, J.F.; Wright, S. Wind Turbine Acoustic Noise; White paper; University of Massachusetts: Amherst, MA, USA, 2006. [Google Scholar]
- Barone, M.F. Survey of Techniques for Reduction of Wind Turbine Blade Trailing Edge Noise; Research report; Sandia National Laboratories: Albuquerque, NM, USA, 2011. [Google Scholar]
- Sørensen, J.N. Noise from Wind Turbines. In Comprehensive Renewable Energy 2; Elsevier: Amsterdam, The Netherlands, 2012; pp. 225–241. [Google Scholar]
- Burton, T.; Jenkins, N.; Sharpe, D.; Bossanyi, E. Wind Energy Handbook, 2nd ed.; John Wiley & Sons: Chichester, UK, 2011. [Google Scholar]
- Gambier, A. Control of Large Wind Energy Systems; Springer Nature: Basel, Switzerland, 2022. [Google Scholar]
- Amiet, R.K. Acoustic radiation from an airfoil in a turbulent stream. J. Sound Vib. 1975, 41, 407–420. [Google Scholar] [CrossRef]
- Brooks, T.F.; Pope, D.S.; Marcolini, M.A. Airfoil Self-Noise and Prediction; Research report; NASA: Hampton, VA, USA, 1989.
- Rozenberg, Y.; Roger, M.; Moreau, S. Rotating blade trailing-edge noise: Experimental validation of analytical model. AIAA J. 2010, 48, 951–962. [Google Scholar] [CrossRef]
- Deshmukh, S.; Bhattacharyaa, S.; Jainb, A.; Paul, A.R. Wind turbine noise and its mitigation techniques: A review. Energy Procedia 2019, 160, 633–640. [Google Scholar] [CrossRef]
- Cardenas-Dobson, R.; Asher, G.M. Power limitation in variable vpeed wind turbines using pitch control and a mechanical observer. Wind Eng. 1996, 20, 363–387. [Google Scholar]
- Rivarola, A.; Gambier, A. Control of large wind energy systems for acoustic noise reduction by using multi-objective optimal control. IFAC-Pap. 2023, 56, 11255–11260. [Google Scholar] [CrossRef]
- Møller, H.; Pedersen, C.S. Low-frequency noise from large wind turbines. J. Acoust. Soc. Am. 2011, 129, 3727–3744. [Google Scholar] [CrossRef]
- Bertagnolio, F.; Aagaard Madsen, H.; Fischer, A.; Bak, C. Cyclic pitch for the control of wind turbine noise amplitude modulation. In Proceedings of the Inter-Noise 2014, Melbourne, Australia, 16–19 November 2014; pp. 1–8. [Google Scholar]
- Maizi, M.; Dizene, R.; Mihoubi, M.C. Reducing noise generated from a wind turbine blade by using pitch angle control using CFD and acoustic analogy. J. Appl. Fluid Mech. 2017, 10, 1201–1209. [Google Scholar] [CrossRef]
- Oerlemans, S.; Sijtsma, P.; Méndez López, B. Location and quantification of noise sources on a wind turbine. J. Sound Vib. 2007, 299, 869–883. [Google Scholar] [CrossRef]
- Gambier, A. Simultaneous design of pitch control and active tower damping by using multi-objective optimization. In Proceedings of the 1st IEEE Conference on Control Technology and Applications, Kohala Cost, HI, USA, 17–20 December 2017; pp. 1679–1684. [Google Scholar] [CrossRef]
- Gambier, A. Power–pitch cascade control-based approach for the up/down-regulated operation of large wind turbines. Appl. Sci. 2024, 14, 3396. [Google Scholar] [CrossRef]
- Abdullah, M.A.; Yatim, A.H.M.; Tan, C.W.; Saidur, R. A review of maximum power point tracking algorithms for wind energy systems. Renew. Sustain. Energy Rev. 2012, 16, 3220–3227. [Google Scholar] [CrossRef]
- Kumar, D.; Chatterjee, K. A review of conventional and advanced MPPT algorithms for wind energy systems. Renew. Sustain. Energy Rev. 2016, 55, 957–970. [Google Scholar] [CrossRef]
- Hellman, R.P. Asymmetry of masking between noise and tone. Percept. Psychophys. 1972, 11, 241–246. [Google Scholar] [CrossRef]
- Scharf, B. Fundamentals of auditory masking. Int. J. Audiol. 1971, 10, 30–40. [Google Scholar] [CrossRef]
- Lowson, M.V. Assessment and Prediction of Wind Turbine Noise; Research report; Flow Solutions Ltd.: Bristol, UK, 1992. [Google Scholar]
- Zidan, E.; Elnady, T.; Elsabbagh, A. Comparison of sound power prediction models of wind turbines. In Proceedings of the International Conference on Advances in Agricultural, Biological & Environmental Sciences, Dubai, United Arab Emirates, 15–16 October 2014; pp. 49–54. [Google Scholar] [CrossRef]
- Hau, E.; Langenbrinck, J.; Palz, W. WEGA Large Wind Turbines; Springer: Berlin, Germany, 1993. [Google Scholar]
- Hagg, F.; van der Borg, N.J.; Bruggeman, J.C. Definite Aero-Geluidonderzoek Twin; SPE 92-025; Stork Product Engineering B. V.: Utrecht, The Netherlands, 1992. [Google Scholar]
- Hagg, F. Aerodynamic noise reduced design of large advanced wind turbines. In Proceedings of the European Community Wind Energy Conference, Madrid, Spain, 10–14 September 1990; pp. 384–388. [Google Scholar]
- Royster, L.H.; Roystel, J.D. The Noise-Vibration Problem-Solution Workbook; American Industrial Hygiene Association: Falls Church, VA, USA, 2002. [Google Scholar]
- ISO 9613-2:2024; Acoustics—Attenuation of Sound During Propagation Outdoors. International Organization for Standardization: Geneva, Switzerland, 1996.
- Lovtidende. Statutory Order on Noise from Wind Turbines; Gazette; Danish Environmental Protection Agency: Odense, Denmark, 2017. [Google Scholar]
- Fitzell, R.; Phil, M. Expected ambient noise levels in different land-use areas. In Proceedings of the Acoustics 2019, Cape Schanck, Australia, 10–13 November 2019; pp. 1–10. [Google Scholar]
- Hansen, C.; Hansen, K. Recent advances in wind turbine noise research. Acoustics 2020, 2, 171–206. [Google Scholar] [CrossRef]
- Fégeant, O. On the masking of wind turbine noise by ambient noise. In Proceedings of the European Wind Energy Conference, Nice, France, 1–5 March 1999; pp. 184–188. [Google Scholar]
- Ashuri, T.; Martins, J.R.R.A.; Zaaijer, M.B.; van Kuik, G.A.M.; van Bussel, G.J.W. Aeroservoelastic design definition of a 20 MW common research wind turbine model. Wind. Energy 2016, 19, 2071–2087. [Google Scholar] [CrossRef]
- Gambier, A.; Meng, F. Control system design for a 20 MW reference wind turbine. In Proceedings of the 12th Asian Control Conference, Hong Kong, China, 19–21 August 2019; pp. 258–263. [Google Scholar] [CrossRef]
- Jonkman, J.; Jonkman, B. FAST modularization framework for wind turbine simulation: Full-system linearization. J. Phys. Conf. Ser. 2016, 753, 082010. [Google Scholar] [CrossRef]
- Edwards, C.; Postlethwaite, I. Anti-windup and bumpless-transfer schemes. Automatica 1998, 34, 199–210. [Google Scholar] [CrossRef]
- Zaccariana, L.; Teel, A.R. The L2 (l2) bumpless transfer problem for linear plants: Its definition and solution. Automatica 2005, 41, 1273–1280. [Google Scholar] [CrossRef]
- Oerlemans, S. Wind Turbine Noise Mitigation. In Handbook of Wind Energy Aerodynamics; Springer Nature: Basel, Switzerland, 2021; pp. 1447–1462. [Google Scholar] [CrossRef]
Disclaimer/Publisher’s Note: The statements, opinions and data contained in all publications are solely those of the individual author(s) and contributor(s) and not of MDPI and/or the editor(s). MDPI and/or the editor(s) disclaim responsibility for any injury to people or property resulting from any ideas, methods, instructions or products referred to in the content. |
© 2024 by the authors. Licensee MDPI, Basel, Switzerland. This article is an open access article distributed under the terms and conditions of the Creative Commons Attribution (CC BY) license (https://creativecommons.org/licenses/by/4.0/).















