Abstract
Submerged cargo pumps installed on board tankers are one of the most important components of their cargo system. As they are installed directly in the cargo tanks, they are usually equipped with a hydraulic drive whose power and capacity are controlled by constant-torque controllers. These have a significant impact on the technical and performance characteristics of the cargo pumps. This paper presents a methodology for calculating the performance characteristics of submerged cargo pumps, taking into account the energy efficiency of their hydraulic drive motors. Due to their number and power, the cargo pumps are powered from the ship’s hydraulic central loading system. This paper describes the main parts of the hydraulic power system structure and the functions of the constant torque controller of the STC type. A mathematical model has been developed to use the basic characteristics of submerged cargo pumps made for the base cargo (water) sent by the pump manufacturer for the case of handling liquid cargo with different parameters. The model considers the characteristics of the hydraulic drive, including a Bosch Rexroth A2FM type hydraulic drive motor and a constant torque controller. The results of simulation calculations of the performance characteristics of an example cargo pump are presented and compared with measurements of the characteristics of this pump on a product tanker. The mathematical model presented in this paper is of utilitarian value, enabling calculations to be carried out without the need for time-consuming CFD numerical methods, making it useful for port and fuel terminal logistics services, ship crews and services managing the operation of product tanker fleets.
1. Introduction
The transport of liquid cargoes, especially oil cargoes by sea, represents a significant part of the global transport of all cargoes. For many countries, it is an essential part of ensuring energy security, with a direct impact on a country’s financial and production performance. Hence, a better understanding of the properties of the cargo systems installed onboard tankers affecting the logistics of servicing these ships at fuel terminals and managing the fuel supply system is of utilitarian importance. The normal situation until now has been to transport large volumes of one type of cargo. The market situation has changed for some time. Nowadays, in a standard sea fuel terminal for transport, there are many different liquid petroleum cargoes but in small quantities. This situation is increasing competition in the market for the maritime transport of liquid cargoes. Consequently, today’s newly built, modern product tankers, ships designed for the transport of oil cargoes by sea, have a cargo space divided into many separate small cargo tanks. Each cargo tank is equipped with a separate submerged cargo pump to handle liquid cargoes. In this way, it is possible to transport many different liquid cargoes of different volumes simultaneously in a single voyage of the vessel. This is important in logistics by enabling better adaptation to the individual requirements of individual customers and fuel terminals. This increases the competitiveness of such a product tanker in the freight market and the profitability of its operation. Therefore, the submerged cargo pumps in such a system are one of the most important components of the liquid cargo handling system, determining the discharge time of the vessel at the fuel terminal. Due to the fact that submersible cargo pumps are installed inside cargo tanks (Figure 1), i.e., in an explosion-hazardous area, they usually have a hydraulic drive [1,2,3,4,5]. Due to the number and power of the pumps installed, they are powered by the ship’s high-power central hydraulic system. The propulsion solution has a decisive influence on the technical properties, including the performance of the liquid cargo handling system. Of particular importance are the drive characteristics of the hydraulic motor (usually an axial-piston motor of Bosch-Rexroth/Germany [6,7]) driving the cargo pump impeller and the cargo pump’s hydraulic torque controller, with which the submerged pump’s performance is controlled. The controllers significantly alter the flow characteristics of the submersible cargo pump, relative to the common speed controllers used in land-based engineering. It is customary for manufacturers of submerged cargo pumps to provide the ship’s crew with only the pump’s baseline characteristics, determined as laboratory-specified for the base cargo, which is usually fresh or seawater. When the cargo pumps are operating in constant-torque control mode, the above diagrams are out of date. It is true that manufacturers also provide specific nomograph charts from which the operating point of submersible cargo pumps and their performance can be estimated, but their operation is manual, complicated and reluctant to be used by ship’s crews, and their assumed performance is determined with considerable error. This poses a major problem for logisticians planning discharge operations at the fuel terminal and managing the floating fleet. It also poses a problem for fuel terminal crews in their work organization and in forecasting when a vessel will be unloaded and ready for the next voyage. Therefore, the development of a calculation model that allows rapid calculation of the working point of an analyzed submerged cargo pump operating in constant-torque control mode, without the need to use the pump manufacturer’s nomogram charts, is of great utilitarian value to the teams involved in handling product tanker unloading operations at a fuel terminal. There is not much work in the world literature on the issue analyzed. This is due to the specifics of the submersible cargo pumps used on product tankers and, in particular, the specific constant-torque flow control rarely encountered in land-based solutions. General information, including a description of the loading systems, can be found in the advertising material of the main manufacturers of submersible cargo pumps: FRAMO/Bergen, Norway [1,2], Eureka/Oslo, Norway [3], Hyundai/Ulsan, South Korea [4], Shinko/Hiroshima, Japan [5] or Marflex/Oud-Beijerland, Netherlands [6]. More scientific studies can be found in the author’s work. Banaszek and Petrovic, in their article [8], conducted a computational analysis of the unloading operations of modern product and chemical tankers equipped with submersible cargo pumps when handling high-density liquid cargoes. It confirmed the significant influence of the value of the density of the liquid cargo being pumped on the resulting value of the capacity and load of the cargo pumps, and on the unloading time of the product tanker at the fuel terminal. Banaszek [9] gave the basis for calculating the capacity of submersible cargo pumps. In turn, Banaszek and Urbanski, in [10], gave an algorithm for calculating the capacity of submersible cargo pumps operating at reduced speed. Kumar and Devi, on the other hand, described the automatic purging process using submersible FRAMO pumps [11]. The same authors also analyzed the purging process in terms of the content of waste contaminants in the residues from the residue process and their negative impact on environmental problems [12]. Kang and Kang [13] considered the effect of the flat bottom phenomenon of cargo tanks on the cavitation characteristics of cargo pumps. On the other hand, Ozkan, Kocer et al. in their article [14] developed a simulation model for evaluating the cargo transfer alternatives in liquid cargo terminals. Sakar and Zorba dealt with evaluating operational efficiency on chemical tankers [15]. Yuksel Koseoglu [16] modeled, using ANN methods, the performance prediction of a centrifugal cargo pump on a chemical tanker. Yoksel [17] also modeled a cargo oil pump turbine system to find the optimum pump operation capacities. However, he did not deal with the description of a cargo system based on the use of submersible cargo pumps. A number of other researchers have dealt with general problems of mathematical description and experimental studies of centrifugal pumps. However, these have not dealt with the submersible hydraulically driven cargo pumps used onboard modern product tankers, which are the subject of the research in this article. One of the first researchers to develop the issue of reducing the capacity and head of centrifugal pumps when pumping liquids with viscosities higher than water was Ippen [18]. In 1946, based on statistical studies, he was the first to introduce capacity and head correction factors for centrifugal pumps when pumping viscous fluids and water. Stepanoff [19] divided the energy losses in centrifugal pumps into mechanical losses (related to mechanical friction in seals and bearings), volumetric losses (related to leaks), losses related to viscous friction in the rotating disc and hydraulic losses related to fluid flow. Also, the Hydraulic Institute New York (HINY [20]), studying thousands of centrifugal pumps, determined in the form of nomograms the basis for calculating the effect of the viscosity values of the pumped liquid loads on the capacity, head and efficiency of the pumps analyzed. Based on the above research results of the Hydraulic Institute, many other scientists (e.g., Chaurette J. [21], Kutyrkin-Postnikov [22], Ahonen [23]), Troskolański-Lazarkiewicz [24] and others, for example Jedral [25] or H. Stepniewski [26]) have studied similar problems. However, all methods developed to date are not universal, and their accuracy is limited to the individual pump types, the pump sizes tested, the materials from which they are made, and the liquid cargo viscosity (Skowronski [27]). For this reason, the world’s major manufacturers of centrifugal pumps, including cargo pumps for their products, provide their own corrected nomogram diagrams of correction factors, enabling the flow and drive characteristics of the pumps to be determined with greater accuracy. Also noteworthy are the articles by Banaszek [28] and Banaszek, Petrovic and Botocanin [29] on methodology and calculations of flow rate of submerged hydraulic pumps on modern product and chemical tankers with the use of neural network methods. However, it should be added that the articles concern submerged ballast pumps and not submerged cargo pumps. It should be added that there are many scientific papers in the literature that use CFD numerical methods to analyze the physical phenomena in centrifugal pumps (see, for example, articles [30,31,32]). However, these papers are concerned with pumps that are controlled by throttle valve or speed control. These CFD methods, by making it possible to analyze the distribution of velocity and pressure fields in the generated flow in the pump, make it possible to achieve good calculation accuracy. However, there is a lack of scientific work using CFD methods to calculate the flow characteristics of centrifugal pumps with constant-torque control. It can be noted that CFD calculations are very time- and labor-intensive and require expensive computer software and a high degree of competence and experience in performing such calculations. They also require exact technical data on the dimensions and shapes of the impeller and the channels in the pump being analyzed, which is often not available, being a pump manufacturer’s secret. This makes the aforementioned CFD calculation methods unsuitable for ordinary logistics services in port terminals or for ship crews. This article presents an analysis of the effect of constant-torque type control on the variation of flow and drive characteristics of submerged hydraulic cargo pumps, taking into account the influence of the drive properties of the hydraulic cargo pump motor, primarily its energy efficiency.
Figure 1.
Submerged cargo pump SD type Framo/Bergen, Norway [1], motor. (a) Pump general view. (b) Hydraulic drive motor A2FM connected with the impeller. (c) Pump impeller. Source: own elaboration based on Framo documentation [1].
The uncomplicated and quick-to-use computational algorithm presented in the paper, which does not require the use of time-consuming and costly CFD numerical methods, can be used as a basis for calculating the unloading time of a product tanker in port and predicting the time when the ship will be ready for the next voyage. It can be useful for port and fuel terminal logistics services, ship crews and services managing the operation of product tanker fleets.
2. Problem Formulation
2.1. Submerged Cargo Pumps on Modern Product Tankers
The cargo system on oil product tankers is one of the most important systems, as it determines the handling of liquid cargoes, the primary function of the vessel. On modern product tankers, it is common to equip each cargo tank with a separate submerged cargo pump. This structure of the cargo system is justified technologically, as on these ships, many liquid cargoes are transported simultaneously and cannot be mixed or contaminated. Any admixture of residues from the previous cargo in an insufficiently washed tank or cargo system can reduce the market value of the cargo being transported and sometimes lead to its complete destruction. For example, the admixture of a small amount of crude oil or other oil fractions with aviation fuel changes its properties so much that it is unusable and must be returned by the shipowner to the refinery for reprocessing. In addition, the described system enables the simultaneous transport of many different liquid cargoes at the same time, which is the answer to the problems existing in today’s ports with hydraulic drive when there are many liquid cargoes to be transported but in small quantities. The submersible type pump is mounted directly inside the cargo tank, to a coaming on the deck. The length of the pump is individually adjusted to the height of each tank so that the distance between the bottom surface of the sump mounted in the bottom of the tank and the head of the impeller cargo pump is equal to the clearance recommended by the pump manufacturer [1,5,7]. The cargo pumps are mounted directly in an explosive hazardous area. A popular means of driving them in this case is the hydraulic system. Most solutions use a hydraulic displacement motor of the axial-piston type with constant displacement, indirectly mounted in the pump head next to the impeller, as the drive motor. The small dimensions of the hydraulic motor allow it to be mounted directly in the pump head together with the impeller.
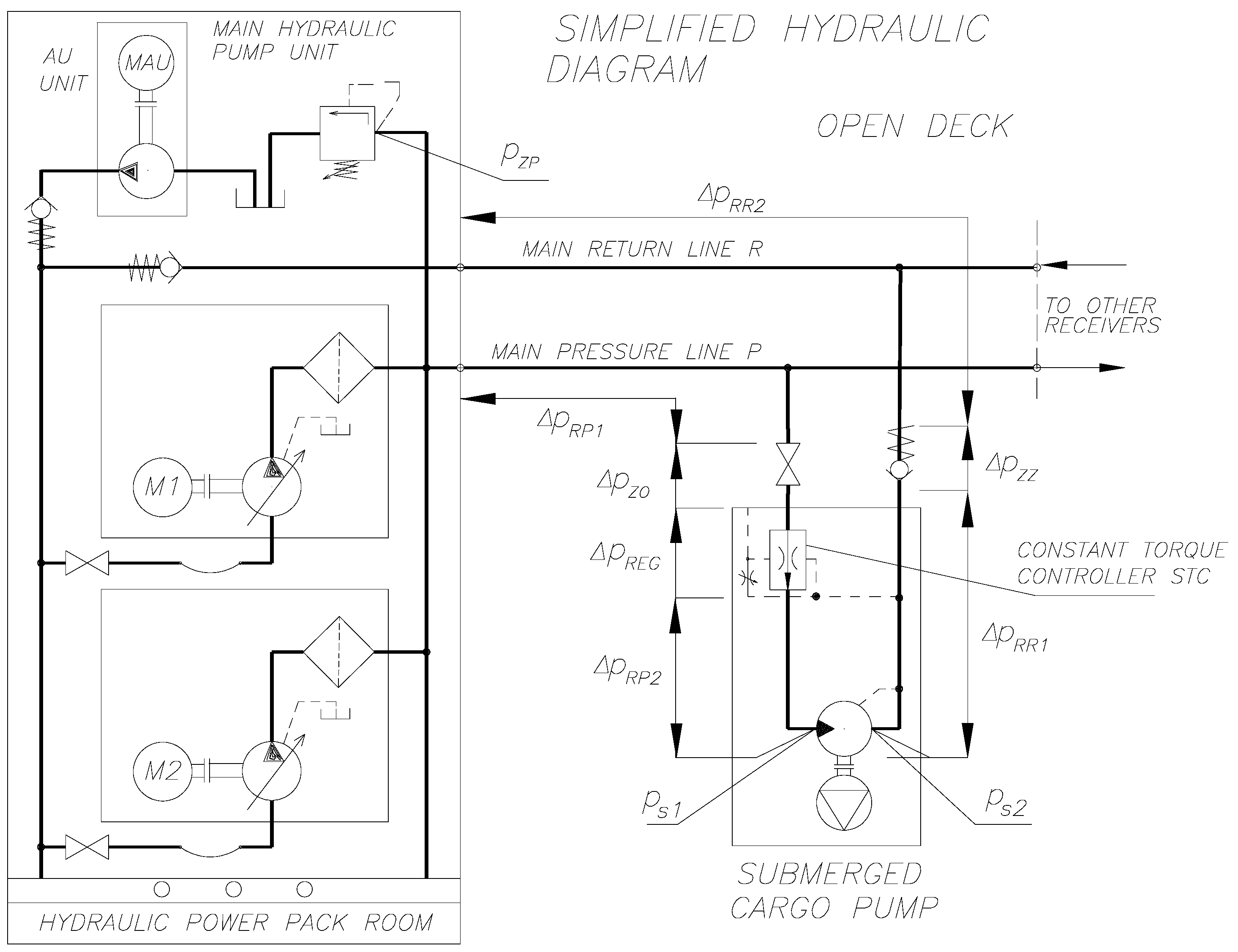
2.2. Hydraulic Supply and Flow Control of Submerged Cargo Pumps Using Constant-Torque Controllers
The hydrostatic drives for the individual cargo and ballast pumps are connected to the central supply system in parallel (Figure 2). The ship’s officer in charge of the ship’s unloading process can influence the value of the pumped liquid cargo capacity by controlling the amount of oil pressure drop in the pump drive’s hydraulic motor or by controlling the flow rate of oil coming from the feed system to it. Both quantities can be controlled remotely or manually via a controller mounted on the cargo pump. In the case of cargo pumps manufactured by Framo [1,2], the operation of the controllers is 2-range. This is due to the structure of the controllers in question, consisting of a flow regulator, limiting the maximum (nominal) flow rate of hydraulic oil entering the motor, and a pressure valve. In the older solutions, it was a differential valve, allowing control of the value of the pressure drop in the drive motor of the cargo pump. In the new solutions, it is a pressure-reducing valve, setting the value of the hydraulic oil pressure flowing into the motor. A drawing of an STC type controller made by Framo/Norway is shown in Figure 3. For this type of solution, if the pressure value at the inlet to the motor is increased by the pressure loss of the oil flow in the line between the controller and the motor , (see diagram in Figure 2), and at the same time, it will be less than the setting of the pressure reducing valve in the controller STC (17/Figure 3):
where —setting value of the pressure at the outlet of the STC constant-torque controller, then the pressure reducing valve 17 remains fully open, and the flow rate of oil flowing into the engine is limited and set by the flow regulator assembly consisting of pressure balance valve 3 cooperating with venturi tube 18. In the case of higher loads on the pump, the pressure reducing valve will close. The flow regulator assembly (elements 3 and 18) then opens to its maximum, and the main regulating element for the flow rate of oil entering the pump motor remains the pressure balance reducing valve:
Figure 2.
Diagram of pressure drops in a central supply system for an example of a submerged cargo pump. Source: own elaboration (Banaszek [8]).
Figure 3.
Constant-torque controller, STC type, manufactured by Framo [1], 1—controller body, 3—pressure balance valve, 4—orifice, 6—bypass valve, 10—pressure gauge, 14—bypass valve body, 15—pressure gauge connector, 17—pressure reducing valve, 18—Venturi tube.
The manufacturer (Framo/Bergen, Norway [1]) publishes the control and flow characteristics of the charge pumps in relation to fixed engine pressure drop settings = const. This is because each charge pump is tested on the manufacturer’s laboratory bench, in an open type feed system, i.e., when the oil from the charge pump drive motor is discharged directly into the oil tank:
It should be added that the flow resistance of the pump’s internal hydraulic system (from the connection point of the external system to the hydrostatic block mounted on the pump coil to the hydrostatic motor) is low compared to the pressure drop values in the hydraulic motor.
2.3. Scientific Problem
The manufacturer of submerged cargo pumps generally only provides basic pump characteristics in the form of pump performance as a function of pump head (flow characteristics) and the value of pressure drop in the drive motor as a function of loading pump performance (drive-mechanical characteristics) drawn up at a fixed speed (nominal speed) of the drive motor for pumping a liquid base load, which is usually fresh or sea water of a fixed density and kinematic viscosity. An example of such baseline flow and mechanical propulsion characteristics for a Framo/Bergen, Norway SD200-5A cargo pump at constant speed of the cargo pump hydraulic motor = 41.67 rps, w when pumping seawater with a density of = 1025 and viscosity = 1.0 is shown in Figure 4. The scientific problem in this case is the determination of the above characteristics for a submersible cargo pump when the power supply is via a constant-torque controller, taking into account the driving characteristics of the hydraulic motor, especially its energy efficiency characteristics including volumetric efficiency affecting the resulting value of the motor speed as a function of pressure drop and mechanical-hydraulic efficiency affecting the value of the driving torque.
Figure 4.
Flow and drive base characteristics of the SD200-5A Framo/Bergen, Norway cargo pump at constant (nominal) speed of the pump hydraulic motor = 41.67 rps, when pumping seawater with a density of = 1025 and viscosity = 1.0 . Source: Own preparation based on [1].
3. Calculation Model of the Energy Efficiency of a Hydraulic Axial Piston Motor Type A2FM 125 for Driving a Submerged Cargo Pump
Due to their high durability and reliability, most submerged cargo pumps [2,3,4,5] use a hydraulic piston-axial motor type A2FM from Bosch Rexroth/Germany [7], with a constant geometric capacity per revolution, as the drive motor. In order to generalize the derived analytical relationships, the following dimensionless parameters were introduced:
- Relative load factor of the hydraulic drive motor :
- Relative speed of the hydraulic drive motor [2,3,4,5]:
We assume that in terms of technology, the value of relative speed adopted in the analysis of load pump operation satisfies the condition: > 0.2.
The following efficiency coefficients were used to assess the energy properties of the hydraulic motor:
- The total efficiency coefficient of the motor , defined in the literature [1,2,33,34] as the quotient of the mechanical power output, measured directly at its drive shaft, and the power of the hydraulic oil flow into the motor:
- The volumetric efficiency coefficient of the motor , as the ratio of the engine’s current theoretical absorption, derived solely from the geometrical parameters of the engine and the speed of the drive shaft, to its current actual absorption [1,2,33,34]:
- The mechanical-hydraulic efficiency coefficient of the motor , defined in the literature [1,2,35] as the ratio of the motor’s actual driving torque, measured directly at its drive shaft, to its theoretical torque:
—moment of mechanical-hydraulic loss in hydraulic motor
By substituting relations (7)–(10) into Equation (6), it can be written that the total efficiency of a hydrostatic motor , is the product of its volumetric efficiency and its mechanical-hydraulic efficiency [1,2,33,34]:
Based on the results of experimental measurements of the A2FM125 hydraulic motor (mady by Bosch Rexroth/Germany) with the parameters shown in Table 1, and their analysis using artificial intelligence, published by the author in paper [33], Formula (11) for the above hydraulic motor can be described by the following equation:
where: .
Table 1.
Basic technical data of the hydraulic axial piston fixed displacement motor type A2FM 125 from Bosch-Rexroth/Germany.
Figure 5 below shows a universal diagram of the total efficiency of the A2FM125 motor, based on the theoretical relationship (12). It can be seen from it that, in the engine under consideration, the maximum values of total efficiency are not obtained for both the nominal values of the load factor and the nominal engine speed. The maximum total efficiency = 0.9062 is achieved for intermediate conditions, i.e., for the value of the load factor = 0.5068 (which corresponds to the actual oil pressure drop in the hydraulic motor, = 20.3 MPa) and the relative speed factor = 0.465 (which corresponds to the actual speed value = 23.25 rps (1395 rpm)).
Figure 5.
Universal diagram of the dependence of the total efficiency factor on relative load coordinates and speed factor for the A2FM125 hydraulic motor prod. Bosch Rexroth/Germany. Source: Own elaboration based on [7].
Knowing the vectors of volumetric loss coefficients and mechano-hydraulic loss coefficients of the hydraulic motor efficiency calculation model (12), it is possible to calculate, using Equations (1)–(10), not only the motor energy efficiency, but also the slope of the motor speed as a function of its load (susceptibility of the motor’s driving characteristics) and the value of its driving torque as a function of its speed and load. This will be used in further calculations and analysis of the flow characteristics of a submersible cargo pump in the following sections of the article.
4. Flow Calculation Model of a Hydraulically Driven Submerged Cargo Pump with a Constant Torque Controller
In order to derive a computational model that defines the operating conditions of the pump when the constant-torque controller is operating, it is first necessary to discuss the energy generated in the cargo pump during operation.
Energy losses in a centrifugal pump, as in a positive displacement pump, can be divided into the following losses [19,21,22,23,24,25,26,27]:
- hydraulic —resulting from losses in the flow channels of the pump,
- volumetric —resulting from leakage losses through external and internal gaps and seals,
- mechanical —resulting from mechanical friction losses in bearings, stuffing boxes and other seals,
- disc —resulting from viscous friction losses of the impeller (disc) in the pump.Based on these losses, the following centrifugal pump efficiency factors are defined:
- Coefficient of centrifugal pump hydraulic efficiency [19,21,22,23,24,25,26,27]:
- Coefficient of centrifugal pump volumetric efficiency :
- Coefficient of centrifugal pump total efficiency [19,21,22,23,24,25,26,27]:
Using the relationships (13)–(15), the coefficient of centrifugal pump total efficiency can be represented as the following product [19,21,22,23,24,25,26,27]:
where —coefficients of power energy losses associated with mechanical friction losses and viscous friction losses of the impeller (disc), in a given centrifugal pump independent of the flow rate and having a fixed value [24,27].
Due to the problems of determining, by the manufacturers, the exact relations describing the efficiency coefficients, volumetric and hydraulic, mechanical and viscous friction of the impeller disc for centrifugal pumps using the theory of dynamic similarity for centrifugal pumps [21,22,23,24,25,26,27] and using the studies of V. V. Karpushin and N.K. Rzebayeva V. (Jedral [25]) in terms of changes in the speed of the drive shaft of charge pumps (AOR—allowable operating region) allowed by the ANSI/HI Hydraulic Institute New York (standard 9.6.3 [20]):
where BEP index—Best efficiency point of pump operation, we can write the following equation:
where —coefficient capturing the change in pump total efficiency with the change in pump drive shaft speed :
Using the hydraulic motor Equations (1)–(12) and centrifugal pumps (13)–(19), it is possible to write a relation describing the change in the value of oil pressure drop in the hydraulic motor driving the cargo pump, at a known speed value (speed control):
The above system of equations made up of dependencies is mathematically entangled (the mechanical-hydraulic efficiency function of the motor depends, among other things, on the motor pressure drop and the speed ), and is best calculated numerically, e.g., using the Newton–Raphson method [36]. For the calculations, the author used his own calculation program. For this purpose, readers can use any computer program that solves systems of equations by the Newton–Raphson method or a similar method—for example, using Volfram Mathematica ver. 14.0 [37] or Matlab ver.R2020b [38]. With classical pump performance control based on controlling the speed of the drive motor, we know the assumed base speed and the new speed of the drive motor. Having the information regarding the pressure drop in the hydraulic motor from the baseline characteristics, we can thus determine from Equation (20) the value of the pressure drop in the motor at the new pump speed, taking into account the efficiency of the pump hydraulic drive motor.
Until the controller is activated, the pump impeller speed is nominal, and the characteristics coincide with the baseline characteristics (see Section 2.2 Figure 4). Within the range of controller activity, as the load on the pump changes, the values of the speed and the resulting pump output change.
Using relations (13)–(20), it is possible to write a relation describing the change in the value of the speed of the motor driving the load pump (with the known value of the reference speed of the base characteristic, the oil pressure drop and the pressure drop setting of the STC controller ), in the following form:
Also, the above system of relations (21), as in the case of Formula (20), is a mathematically entangled system. And therefore, the value of the speed of the cargo pump must be calculated numerically, e.g., using the Newton–Raphson method [34]. For the calculations, the author used his own calculation program, same as before. In the case under consideration, based on the control of the engine pressure drop with the STC constant-torque controller, we know the set engine pressure drop ., from the base characteristics, base motor oil pressure drop , and the base pump speed . With this information, we can calculate from Equation (21) the value of the new pump speed obtained at a given pressure setting of the STC constant-torque controller, taking into account the efficiency of the pump hydraulic drive motor.
A simplifying assumption can be made that the pump head is proportional to the pump drive torque and oil pressure drop in the hydraulic motor. In this case, using Equations (20) and (21) for the considered case of hydraulic powering of the pump motor through the STC constant-pressure controller, the above relations can be transformed to the following general form:
where: , —the capacity, lift discharge height and power of the cargo pump when operating the base load and at a fixed (nominal) pump impeller speed, ,,—the capacity, head and power of the cargo pump when operating with base load and fixed torque controller operation. —fixed (nominal) value of pump impeller speed, when base load is pumped. , )—driving torque of the pump motor when operating the base load at a fixed (nominal) value of the pump rotor speed. The above driving torque equals
where (—driving torque of the pump motor when handling the base load and with constant torque controller operation, —the oil pressure drop in the cargo pump motor when the base load is handled and the pump impeller speed is fixed (nominal), —mechanical-hydraulic efficiency of the pump hydrostatic motor at base load operation and fixed (nominal) value of pump impeller speed.
5. Results of Numerical Simulations of the Cargo Pump Characteristics and Comparison with Experimental Measurements Onboard the Product Tanker
Because simplifying assumptions were introduced in the mathematical model, in the case under consideration, the proposed Formulae (1)–(20) were not necessarily accurate. The values of the parameters determining the amount of torque loss in the hydraulic motor, internal leakage in the motor, and volumetric and mechanical-hydraulic efficiency of the cargo pumps change during the operation of the ballast pump, and these are not linear relationships. Therefore, there was a need to verify the proposed calculation algorithm experimentally. Figure 6 compares the results of numerical calculations of the flow characteristics of the SD200–5A cargo pump (made by FRAMO) with the operation of the constant-torque controller, prepared for a liquid base cargo (seawater with density = 1025 and kinematic viscosity = 1.0 ), taking into account the energy efficiency of the hydraulic drive motor and without taking it into account (simplified version of the calculation procedure, as is done in maritime practice) with the results of experimental measurements (according to the data of the pump manufacturer (Framo/Bergen, Norway), measured on a product tanker B573/2 type m/t Simunye during sea trials [39]) with a constant torque controller in operation. Pump performance was measured using the Cargo Monitoring and Control system from IPH Marine Automation A/S/Denamark mounted on the deck. The measurement was indirect, based on the use of a TA840 radar sensor from Auxitrol/Thomson CSF/La defense, France)), measuring the level of liquid cargo in the tank with an accuracy of ±1 mm at the height of the 18 m cargo tank. The automatic system provided an accuracy of 0.25% in measuring the pump capacity. The pressure was measured using IPH/Honeywell/(UK) sensors with an accuracy of min. 0.1%. The comparison of experimental and theoretical results was carried out for nine (9) values of the STC constant-torque controller settings:
Figure 6.
Comparison of experimental base drive and flow characteristics with the results of theoretical calculations using a mathematical model with and without consideration of motor efficiency, for the FRAMO SD200-5A submerged cargo pump (impeller diameter 0.390 m), when pumping seawater with density = 1025 and kinematic viscosity = 1.0—experimental measurements on the product tanker. Δ—calculation in simplified version without taking into account the efficiency of hydraulic motor. O—calculation taking into account the efficiency of hydraulic motor Source: Own elaboration based on numerical calculation of measurement data [33].
From the analysis of the graphs, it can be seen that the mathematical model proposed in this paper describes well the flow characteristics of a submerged cargo pump controlled by a constant-momentum STC controller. For each control setting analyzed, high Pearson correlation coefficients were obtained (R > 0.995), and the values calculated using relations (1)–(20) did not exceed the level of 8.1% for the lowest constant-torque controller settings STC (for {} = {5.00 MPa}). For the higher controller settings, the above error was much smaller, not exceeding the 1.9% level. The corresponding maximum error of the calculations relative to the experimental measurements with theoretical calculations that did not take into account changes in the energy efficiency of the hydraulic motor (simplified version of the calculation procedure) was much higher. For the lower constant-torque controller settings, the maximum relative error was as high as 43.2% at setting value {} = {5.00 MPa}. At higher settings of the constant-torque controller, the above relative error was lower but significantly higher than the results of the calculation taking into account the energy efficiency of the pump drive motor (6.5%). In each case analyzed, the error between the theoretical and experimental calculations was smaller when the hydraulic efficiency of the pump drive motor was included in the calculations compared to when the motor efficiency was not included in the calculations.
6. Conclusions
This paper presents a proprietary mathematical model that allows the calculation of the corrected flow and drive characteristics of the cargo pumps for the case of their control by a constant-torque controller of the cargo pump flow. The calculation model also allows the drive characteristics of the cargo pump hydraulic motor to be included in the calculations, including its universal energy efficiency characteristics for better calculation accuracy. The analyses and comparisons of the numerical calculations using the proposed mathematical model with the results of experimental measurements on a product tanker B573/2 type m/t Simunye allow the following final conclusions to be drawn:
- Controlling the flow of a submerged cargo pump using a constant-torque controller significantly changes the flow characteristics of the cargo pump compared to the flow characteristics obtained by classic control of the speed of the pump impeller.
- The mathematical model presented in this paper for calculating the flow characteristics of a submerged cargo pump in constant-torque control mode allows the flow characteristics to be calculated with good accuracy. The calculation error is larger when the value of drop pressure adjusted in a constant-torque controller is smaller.
- The inclusion of the energy efficiency of the pump’s hydraulic drive motor in the calculation of the flow characteristics of the cargo pump allows the flow characteristics to be calculated with greater accuracy and must not be overlooked in accurate analyses of the performance of cargo pumps operated using a constant-torque controller.
- The mathematical model presented in this paper to calculate the performance of submerged cargo pumps can be of utilitarian value, allowing officers who supervise the unloading processes of product tankers to better calculate the unloading time, thus enabling better management and improvement of the organization of fuel terminal operations.
Funding
This research received no external funding.
Data Availability Statement
The original contributions presented in the study are included in the article.
Conflicts of Interest
The author declares no conflicts of interest.
References
- Framo Services AS. Available online: https://www.framo.com (accessed on 1 January 1998).
- Framo Services AS: Operation of FRAMO Cargo Pumps. Service Bulletin No. 10; Framo Services AS: Bergen, Norway, 1993. [Google Scholar]
- Eureka AS. Eureka Cargo Pumps Brochure, Catalogue; Eureka AS: Oslo, Norway, 2024; Available online: www.eureka.no (accessed on 1 January 2024).
- Hyundai Heavy Ind. Co., Ltd./Engine&Machinery. Hi-Well Hydraulically Driven, Cargo Pumping System Catalogue; Hyundai Heavy Ind. Co., Ltd./Engine&Machinery: Ulsan, Republic of Korea, 2024; Available online: www.hyundai-engine.com/ (accessed on 1 January 2024).
- Shinko Ind. Ltd. Cargo Oil, Tank Cleaning and Ballast Pumps; Shinko Ind. Ltd.: Hiroshima, Japan, 2024; Available online: www.shinkohir.co.jp/pdf/catalog2024/equipment_for_tankers_KV_CVL.pdf (accessed on 1 January 2024).
- MarFlex Europe BV. Pump Solutions, Catalogue; MarFlex Europe BV: Oud-Beijerland, The Netherlands, 2024; Available online: https://marflex.com/ (accessed on 1 January 2024).
- Bosch Rexroth Group GmbH, Germany, Lohr am Main, 2024. Catalogue RD 92050. Available online: www.boschrexroth.com (accessed on 1 January 2024).
- Banaszek, A.; Petrovic, R. Calculation of the unloading operation in case of liquid cargo service with high density on modern product and chemical tankers equipped with hydraulic submerged cargo pumps. J. Mech. Eng./Stroj. Vestn. 2010, 56, 186–194. [Google Scholar]
- Banaszek, A. The influence of liquid cargo properties on the discharge rate of submerged cargo pumps with hydraulic drive on modern product and chemical tankers. Arch. Mech. Eng. 2008, 55, 173–191. [Google Scholar] [CrossRef]
- Banaszek, A.; Urbanski, T. The flow calculation algorithm of submerged hydraulic cargo pumps working with reduced pump speed on modern product and chemical tankers. Procedia Comput. Sci. 2020, 176, 2868–2877. [Google Scholar] [CrossRef]
- Kumar, R.P.; Devi, V.A. Automation of FRAMO cargo pump purging with IoT. In Proceedings of the 21st Annual General International Association of Maritime Universities, Alexandria, Egypt, 26–28 October 2021; pp. 444–453. [Google Scholar]
- Kumar, R.P.; Devi, V.A. Data Analysis on Automation of Purging with IoT in FRAMO Cargo Pump. In Advancement of Data Processing Methods for Artificial and Computing Intelligence, 1st ed.; Imprint River Publishers: Aalborg, Denmark, 2024; ISBN 9781032630212. [Google Scholar]
- Kang, B.Y.; Kang, S.H. Effect of the flat tank bottom on performance and cavitation characteristics of a cargo pump. J. Mech. Sci. Technol. 2014, 28, 3051–3057. [Google Scholar] [CrossRef]
- Özkan, E.D.; Koçer, U.U.; Nas, S.; İşlek, Ö.; Tüzgen, E.; Doğan, A. A simulation model for evaluating the cargo transfer alternatives in liquid cargo terminals. Simulation 2023, 99, 23–39. [Google Scholar] [CrossRef]
- Sakar, C.; Zorba, Y. Operational Efficiency at Chemical Tankers; Beta: İstanbul, Turkey, 2013. [Google Scholar]
- Yüksel, O.; Köseoğlu, B. Modelling and performance prediction of a centrifugal cargo pump on a chemical tanker. J. Mar. Eng. 2019, 19, 278–290. [Google Scholar] [CrossRef]
- Yüksel, O. Modelling of a cargo oil pump turbine system to find the optimum pump operation capacities through the design of experiments approaches Onur Yuksel. Ships Offshore Struct. 2024, 1–13. [Google Scholar] [CrossRef]
- Ippen, A.T. The influence of viscosity on centrifugal pump performance. Trans. ASME 1946, 68, 823–848. [Google Scholar] [CrossRef]
- Stepanoff, A.J. Centrifugal and Axial Flow Pumps, 2nd ed.; John Wiley and Sohns: New York, NY, USA, 1957. [Google Scholar]
- ANSI/HI No 9.6.7; Effects of Liquid Viscosity on Rotodynamic (Centrifugal and Vertical) Pump Performances. ANSI/HI: New York, NY, USA, 2024; ISBN 1-880952-59-9.
- Chaurette, J. Pump System Analysis and Sizing, 1st ed.; Fluide Design: Gliwice, Poland, 2011. [Google Scholar]
- Kutyrkin, W.A.; Postnikow, W.W. Specialnyje Sistemy Neftenaliwnych Sudow; Transport: Moscow, Russia, 1983. [Google Scholar]
- Ahonen, T. Monitoring of Centrifugal Pumps Operation with a Frequency Convertor. Ph.D. Thesis, Lappeenrante University of Technology, Lappeenrante, Finnland, 2011. [Google Scholar]
- Troskolański, A.T.; Lazarkiewicz, S. Centrifugal Pumps, 3rd ed.; WNT: Warsaw, Poland, 1973. [Google Scholar]
- Jedral, W. Centrifugal Pumps; PWN: Warsaw, Poland, 2001; ISBN 83-01-13552-2. [Google Scholar]
- Stępniewski, H. Centrifugal Pumps; WNT: Warsaw, Poland, 1978. [Google Scholar]
- Skowronski, M. Pumping Systems; Publishing House of Wroclaw Technical University: Wroclaw, Poland, 2009; ISBN 978-83-7493-488-6. [Google Scholar]
- Banaszek, A. Methodology of flow rate assessment of submerged hydraulic ballast pumps on modern product and chemical tankers with use of neural network methods. Procedia Comput. Sci. 2021, 192, 1894–1903. [Google Scholar] [CrossRef]
- Banaszek, A.; Petrovic, R.; Botocanin, S. Ship ballasting process time calculation with use of submerged ballast pumps with hydraulic drive supplied from constant pressure hydraulic central loading system on modern product and chemical tankers. In Proceedings of the 14th International Fluid Power Conference (14. IFK), Dresden, Germany, 19–21 March 2024. [Google Scholar] [CrossRef]
- Karpenko, M.; Stosiak, M.; Šukevičius, Š.; Skačkauskas, P.; Urbanowicz, K.; Deptuła, A. Hydrodynamic Processes in Angular Fitting Connections of a Transport Machine’s Hydraulic Drive. Machines 2023, 11, 355. [Google Scholar] [CrossRef]
- Gao, X.; Shi, W.; Shi, Y.; Chang, H.; Zhao, T. DEM-CFD simulation and experiments on the flow characteristics of particles in vortex pumps. Water 2020, 12, 2444. [Google Scholar] [CrossRef]
- Yang, Z.; Long, M.; Guang, Z.; Peng, X.; Xin, W.; Chiye, Z.; Yajuan, T. Study on Impeller Optimization and Operation Method of Variable Speed Centrifugal Pump with Large Flow and Wide Head Variation. Water 2024, 16, 812. [Google Scholar] [CrossRef]
- Banaszek, A. Identification of optimal efficiency exploitation conditions of axial piston hydraulic motor A2FM type using Artificial Neural Network algorithms. ELSEVIER Procedia Comput. Sci. 2021, 192, 1532–1540. [Google Scholar] [CrossRef]
- Śliwiński, P. Determination of the Theoretical and Actual Working Volume of a Hydraulic Motor—Part II (The Method Based on the Characteristics of Effective Absorbency of the Motor). Energies 2022, 14, 1648. [Google Scholar] [CrossRef]
- Stosiak, M.; Karpenko, M.; Deptuła, A. Coincidence of pressure pulsations with excitation of mechanical vibrations hydraulic system components: An experimental study. Cogn. Sustain. 2022, 1, 1–11. [Google Scholar] [CrossRef]
- Nocedal, J.; Wright, S. Numerical Optimization, 2nd ed.; Springer: Berlin/Heidelberg, Germany, 2006; ISBN 978-0-387-30303-1. [Google Scholar]
- Wolfram Research Inc. Wolfram Mathematica. 2024. Available online: www.wolfram.com/mathematica (accessed on 1 January 2024).
- Mathworks Inc. Matlab ver. R2020b Update 4 (9.9.0.15700001) 64-Bit (win64) “Tutorial Book”. Published 2020. Available online: www.mathworks.com (accessed on 1 January 2024).
- Szczecinska Shipyard Porta Holding SA Design Office. Technical Test Report, B573-I/2/T-542-1-1; Szczecinska Shipyard Porta Holding SA Design Office: Szczecin, Poland, 1997. [Google Scholar]
Disclaimer/Publisher’s Note: The statements, opinions and data contained in all publications are solely those of the individual author(s) and contributor(s) and not of MDPI and/or the editor(s). MDPI and/or the editor(s) disclaim responsibility for any injury to people or property resulting from any ideas, methods, instructions or products referred to in the content. |
© 2024 by the author. Licensee MDPI, Basel, Switzerland. This article is an open access article distributed under the terms and conditions of the Creative Commons Attribution (CC BY) license (https://creativecommons.org/licenses/by/4.0/).





