Voltage Optimization in Active Distribution Networks—Utilizing Analytical and Computational Approaches in High Renewable Energy Penetration Environments
Abstract
1. Introduction
1.1. Review Methodology
- What are the recent techniques used for voltage regulation in distribution grids with a high penetration of renewable energy sources?
- How are the analytical and computational optimization methods applied to manage voltage fluctuations and improve network efficiency?
- What are some of the current limitations and challenges in this research domain?
1.2. Keywords and Search Strategy
1.3. Technological Innovations in Voltage Regulation
2. Voltage Related Optimization Methods
2.1. Analytical Methods
2.1.1. Robust Optimization
2.1.2. Advanced Optimization Techniques in Power Systems
2.1.3. Advanced Hierarchical and Predictive Control
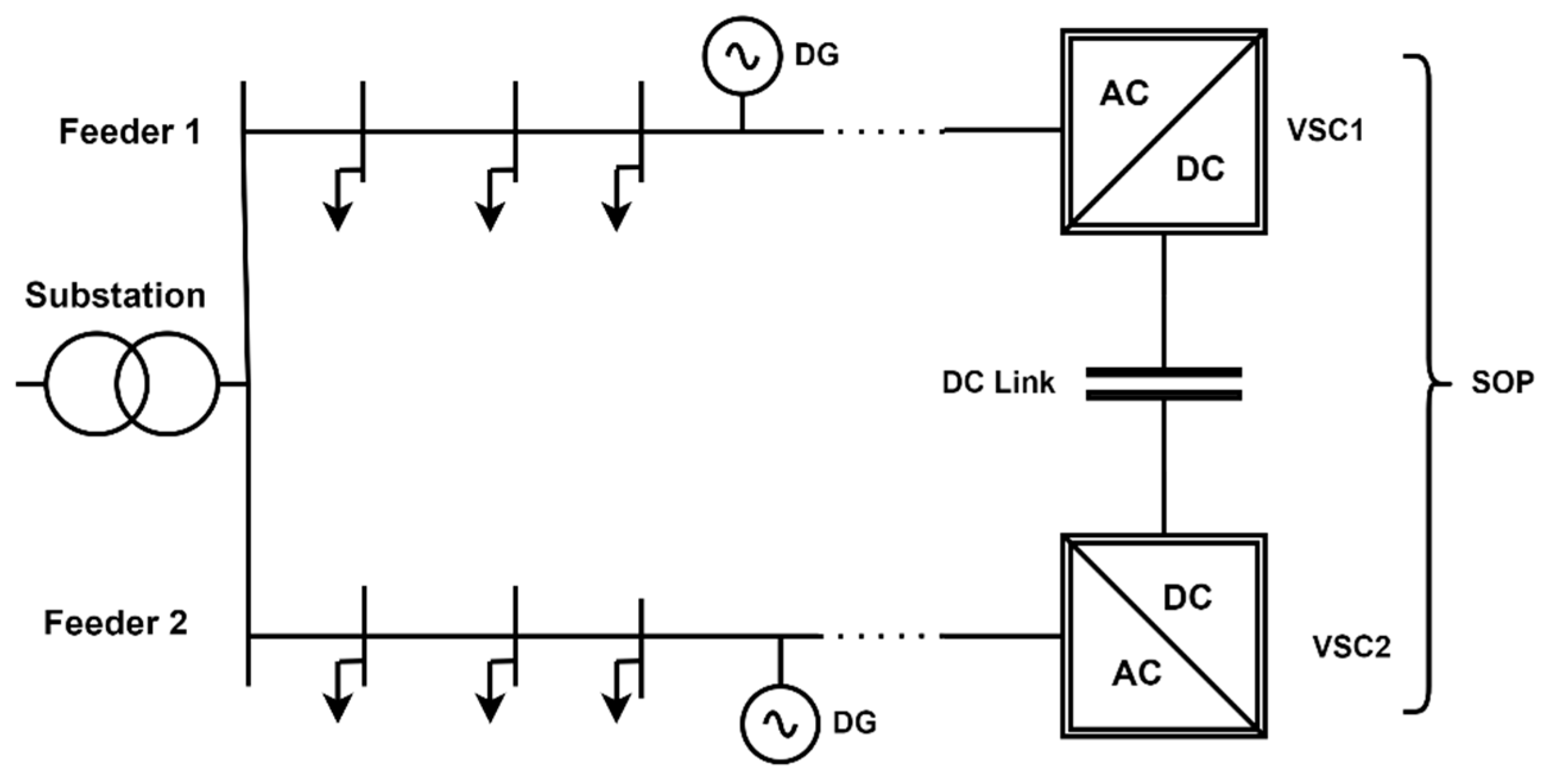
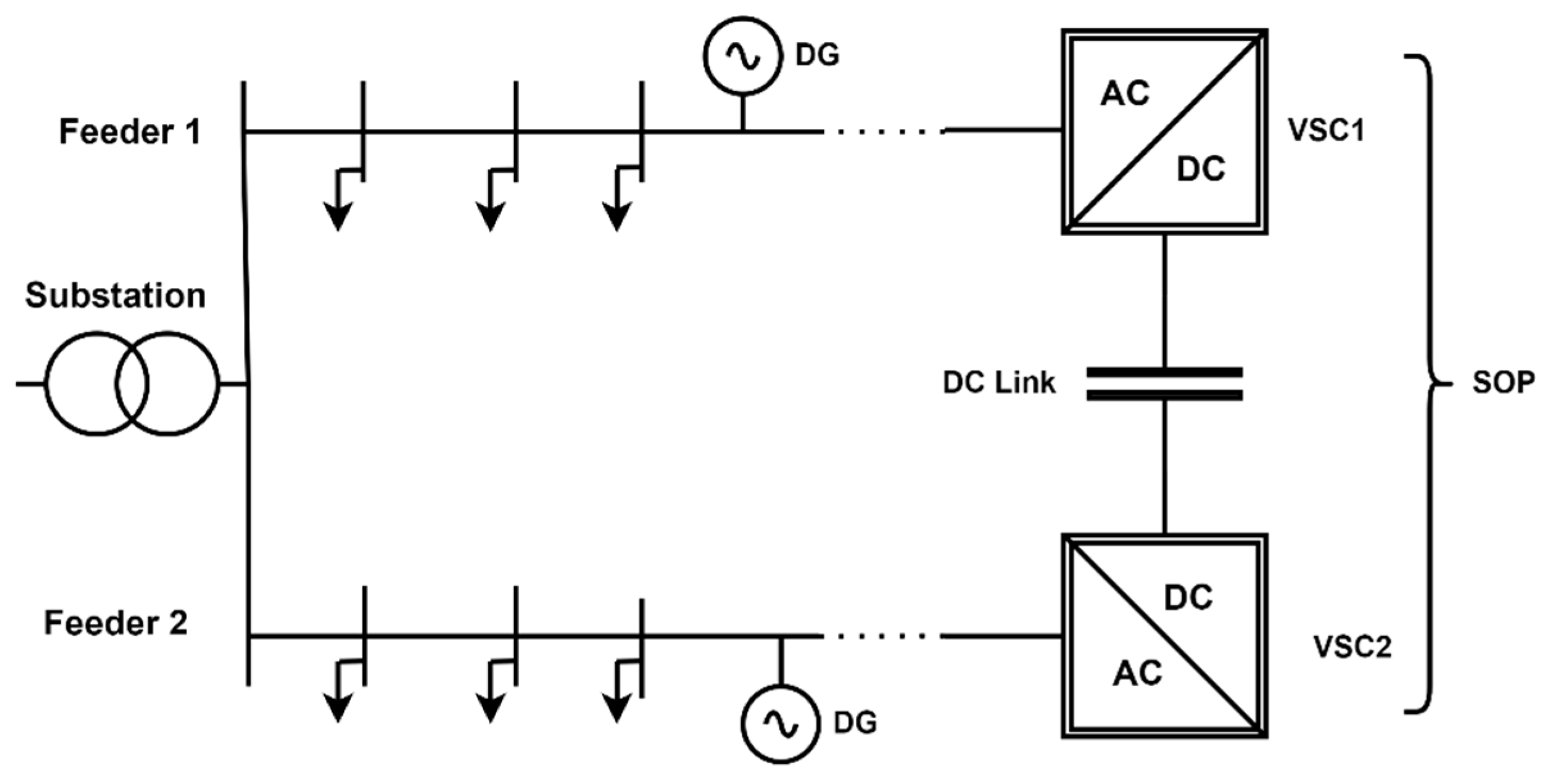
2.1.4. Soft Open Point (SOP) Utilization in Voltage Regulation
2.1.5. Local and Coordinated Voltage Control
2.1.6. Convexification and Relaxation
2.1.7. Other Optimization Frameworks
2.2. Computational Method
2.2.1. Heuristic Optimization Methods
2.2.2. SOPs and PSO Algorithm in Voltage Regulation
2.2.3. Multi-Objective Optimization
2.2.4. Control and Optimization Integration
2.2.5. Other Optimization Techniques
3. Discussions on Optimization Strategies, Methods, and Practicality
3.1. Common Trends: Objectives, Algorithms, Architectures, and Benchmark Case Studies
3.1.1. Objectives Analysis
- (a)
- Voltage Deviation Minimization
- (b)
- Active Power Loss Reduction
- (c)
- Correlation Between Voltage and Loss Reduction
- (d)
- Conservation Voltage Reduction
3.1.2. Algorithm Analysis
- (a)
- Metaheuristic Algorithms
- (b)
- Convex Optimization
3.1.3. Benchmark Case Studies
3.1.4. Common Optimization Architecture
3.2. Efficiency and Application: Analytical vs. Computational Methods in Voltage Optimization
3.3. Voltage Optimization Techniques: A Research Taxonomy
3.4. Approach Methods: An Overview
3.5. Future Directions and Emerging Technologies
- Hybrid Optimization Techniques
- 2.
- Impact of Emerging Technologies
- 3.
- Conservation Voltage Reduction (CVR)
- 4.
- Integration of Advanced AI and ML Techniques
4. Conclusions
Funding
Data Availability Statement
Acknowledgments
Conflicts of Interest
References
- Jabr, R.A. Linear decision rules for control of reactive power by distributed photovoltaic generators. IEEE Trans. Power Syst. 2017, 33, 2165–2174. [Google Scholar] [CrossRef]
- Jabr, R.A. Robust Volt/VAr Control with Photovoltaics. IEEE Trans. Power Syst. 2019, 34, 2401–2408. [Google Scholar] [CrossRef]
- IEEE PES Industry Technical Support Task Force. IEEE 1547-2018; Impact of IEEE 1547 Standard on Smart Inverters. IEEE: Piscataway, NJ, USA, May 2018.
- Lu, W.; Liu, M.; Liu, Q. Increment-Exchange-Based Decentralized Multiobjective Optimal Power Flow for Active Distribution Grids. IEEE Syst. J. 2020, 14, 3695–3704. [Google Scholar] [CrossRef]
- Zhang, C.; Xu, Y.; Dong, Z.Y.; Zhang, R. Multi-Objective Adaptive Robust Voltage/VAR Control for High-PV Penetrated Distribution Networks. IEEE Trans. Smart Grid 2020, 11, 5288–5300. [Google Scholar] [CrossRef]
- Christakou, K.; Paolone, M.; Abur, A. Voltage Control in Active Distribution Networks under Uncertainty in the System Model: A Robust Optimization Approach. IEEE Trans. Smart Grid 2018, 9, 5631–5642. [Google Scholar] [CrossRef]
- Daratha, N.; Das, B.; Sharma, J. Robust voltage regulation in unbalanced radial distribution system under uncertainty of distributed generation and loads. Int. J. Electr. Power Energy Syst. 2015, 73, 516–527. [Google Scholar] [CrossRef]
- Zhang, Q.; Dehghanpour, K.; Wang, Z. Distributed CVR in Unbalanced Distribution Systems with PV Penetration. IEEE Trans. Smart Grid 2019, 10, 5308–5319. [Google Scholar] [CrossRef]
- Robbins, B.A.; Dominguez-Garcia, A.D. Optimal Reactive Power Dispatch for Voltage Regulation in Unbalanced Distribution Systems. IEEE Trans. Power Syst. 2016, 31, 2903–2913. [Google Scholar] [CrossRef]
- Guggilam, S.S.; Dall’Anese, E.; Chen, Y.C.; Dhople, S.V.; Giannakis, G.B. Scalable Optimization Methods for Distribution Networks with High PV Integration. IEEE Trans. Smart Grid 2016, 7, 2061–2070. [Google Scholar] [CrossRef]
- Robbins, B.A.; Zhu, H.; Domínguez-García, A.D. Optimal tap setting of voltage regulation transformers in unbalanced distribution systems. IEEE Trans. Power Syst. 2015, 31, 256–267. [Google Scholar] [CrossRef]
- Dall’Anese, E.; Dhople, S.V.; Johnson, B.B.; Giannakis, G.B. Decentralized Optimal Dispatch of Photovoltaic Inverters in Residential Distribution Systems. IEEE Trans. Energy Convers. 2014, 29, 957–967. [Google Scholar] [CrossRef]
- Nick, M.; Cherkaoui, R.; Paolone, M. Optimal siting and sizing of distributed energy storage systems via alternating direction method of multipliers. Int. J. Electr. Power Energy Syst. 2015, 72, 33–39. [Google Scholar] [CrossRef]
- Zhong, C.; Meliopoulos, A.P.S.; Xie, B.; Xie, J.; Liu, K. Multi-Stage Quadratic Flexible Optimal Power Flow with a Rolling Horizon. IEEE Trans. Smart Grid 2021, 12, 3128–3137. [Google Scholar] [CrossRef]
- Sun, X.; Qiu, J.; Zhao, J. Real-Time Volt/Var Control in Active Distribution Networks with Data-Driven Partition Method. IEEE Trans. Power Syst. 2021, 36, 2448–2461. [Google Scholar] [CrossRef]
- Guo, Y.; Wu, Q.; Gao, H.; Huang, S.; Zhou, B.; Li, C. Double-Time-Scale Coordinated Voltage Control in Active Distribution Networks Based on MPC. IEEE Trans. Sustain. Energy 2020, 11, 294–303. [Google Scholar] [CrossRef]
- Ge, X.; Shen, L.; Zheng, C.; Li, P.; Dou, X. A Decoupling Rolling Multi-Period Power and Voltage Optimization Strategy in Active Distribution Networks. Energies 2020, 13, 5789. [Google Scholar] [CrossRef]
- Li, P.; Ji, H.; Wang, C.; Zhao, J.; Song, G.; Ding, F.; Wu, J. Coordinated control method of voltage and reactive power for active distribution networks based on soft open point. IEEE Trans. Sustain. Energy 2017, 8, 1430–1442. [Google Scholar] [CrossRef]
- Lou, C.; Yang, J.; Li, T.; Vega-Fuentes, E. New phase-changing soft open point and impacts on optimising unbalanced power distribution networks. IET Gener. Transm. Distrib. 2020, 14, 5685–5696. [Google Scholar] [CrossRef]
- Li, P.; Ji, H.; Yu, H.; Zhao, J.; Wang, C.; Song, G.; Wu, J. Combined decentralized and local voltage control strategy of soft open points in active distribution networks. Appl. Energy 2019, 241, 613–624. [Google Scholar] [CrossRef]
- Long, C.; Wu, J.; Thomas, L.; Jenkins, N. Optimal operation of soft open points in medium voltage electrical distribution networks with distributed generation. Appl. Energy 2016, 184, 427–437. [Google Scholar] [CrossRef]
- Ji, H.; Wang, C.; Li, P.; Ding, F.; Wu, J. Robust Operation of Soft Open Points in Active Distribution Networks with High Penetration of Photovoltaic Integration. IEEE Trans. Sustain. Energy 2019, 10, 280–289. [Google Scholar] [CrossRef]
- Hu, R.; Wang, W.; Wu, X.; Chen, Z.; Ma, W. Interval optimization based coordinated control for distribution networks with energy storage integrated soft open points. Int. J. Electr. Power Energy Syst. 2022, 136, 107725. [Google Scholar] [CrossRef]
- Zheng, Y.; Song, Y.; Hill, D.J. A general coordinated voltage regulation method in distribution networks with soft open points. Int. J. Electr. Power Energy Syst. 2020, 116, 105571. [Google Scholar] [CrossRef]
- Li, P.; Ji, H.; Song, G.; Yao, M.; Wang, C.; Wu, J. A combined central and local voltage control strategy of soft open points in active distribution networks. Energy Procedia 2019, 158, 2524–2529. [Google Scholar] [CrossRef]
- Ji, H.; Yu, H.; Song, G.; Li, P.; Wang, C.; Wu, J. A decentralized voltage control strategy of soft open points in active distribution networks. Energy Procedia 2019, 159, 412–417. [Google Scholar] [CrossRef]
- Calderaro, V.; Galdi, V.; Lamberti, F.; Piccolo, A. A Smart Strategy for Voltage Control Ancillary Service in Distribution Networks. IEEE Trans. Power Syst. 2015, 30, 494–502. [Google Scholar] [CrossRef]
- Kulmala, A.; Repo, S.; Jarventausta, P. Coordinated Voltage Control in Distribution Networks Including Several Distributed Energy Resources. IEEE Trans. Smart Grid 2014, 5, 2010–2020. [Google Scholar] [CrossRef]
- Daratha, N.; Das, B.; Sharma, J. Coordination between OLTC and SVC for Voltage Regulation in Unbalanced Distribution System Distributed Generation. IEEE Trans. Power Syst. 2014, 29, 289–299. [Google Scholar] [CrossRef]
- Nick, M.; Cherkaoui, R.; Paolone, M. Optimal Allocation of Dispersed Energy Storage Systems in Active Distribution Networks for Energy Balance and Grid Support. IEEE Trans. Power Syst. 2014, 29, 2300–2310. [Google Scholar] [CrossRef]
- Ji, H.; Wang, C.; Li, P.; Zhao, J.; Song, G.; Ding, F.; Wu, J. A centralized-based method to determine the local voltage control strategies of distributed generator operation in active distribution networks. Appl. Energy 2018, 228, 2024–2036. [Google Scholar] [CrossRef]
- Li, C.; Disfani, V.R.; Pecenak, Z.K.; Mohajeryami, S.; Kleissl, J. Optimal OLTC voltage control scheme to enable high solar penetrations. Electr. Power Syst. Res. 2018, 160, 318–326. [Google Scholar] [CrossRef]
- Tian, Z.; Wu, W.; Zhang, B.; Bose, A. Mixed-integer second-order cone programing model for VAR optimisation and network reconfiguration in active distribution networks. IET Gener. Transm. Distrib. 2016, 10, 1938–1946. [Google Scholar] [CrossRef]
- Ding, F.; Zhang, Y.; Simpson, J.; Bernstein, A.; Vadari, S. Optimal Energy Dispatch of Distributed PVs for the Next Generation of Distribution Management Systems. IEEE Open Access J. Power Energy 2020, 7, 287–295. [Google Scholar] [CrossRef]
- Zhang, B.; Lam, A.Y.; Dominguez-Garcia, A.D.; Tse, D. An Optimal and Distributed Method for Voltage Regulation in Power Distribution Systems. IEEE Trans. Power Syst. 2015, 30, 1714–1726. [Google Scholar] [CrossRef]
- Go, S.-I.; Yun, S.-Y.; Ahn, S.-J.; Choi, J.-H. Voltage and Reactive Power Optimization Using a Simplified Linear Equations at Distribution Networks with DG. Energies 2020, 13, 3334. [Google Scholar] [CrossRef]
- Ammar, M.; Sharaf, A.M. Optimized Use of PV Distributed Generation in Voltage Regulation: A Probabilistic Formulation. IEEE Trans. Ind. Inform. 2019, 15, 247–256. [Google Scholar] [CrossRef]
- Su, X.; Masoum, M.A.S.; Wolfs, P.J. Optimal PV Inverter Reactive Power Control and Real Power Curtailment to Improve Performance of Unbalanced Four-Wire LV Distribution Networks. IEEE Trans. Sustain. Energy 2014, 5, 967–977. [Google Scholar] [CrossRef]
- Li, C.; Disfani, V.R.; Haghi, H.V.; Kleissl, J. Coordination of OLTC and smart inverters for optimal voltage regulation of unbalanced distribution networks. Electr. Power Syst. Res. 2020, 187, 106498. [Google Scholar] [CrossRef]
- Ahmadi, H.; Marti, J.R. Distribution System Optimization Based on a Linear Power-Flow Formulation. IEEE Trans. Power Deliv. 2015, 30, 25–33. [Google Scholar] [CrossRef]
- Borghetti, A.; Bosetti, M.; Grillo, S.; Massucco, S.; Nucci, C.A.; Paolone, M.; Silvestro, F. Short-Term Scheduling and Control of Active Distribution Systems with High Penetration of Renewable Resources. IEEE Syst. J. 2010, 4, 313–322. [Google Scholar] [CrossRef]
- Kundu, S.; Backhaus, S.; Hiskens, I.A. Distributed control of reactive power from photovoltaic inverters. In Proceedings of the 2013 IEEE International Symposium on Circuits and Systems (ISCAS), Beijing, China, 19–23 May 2013; IEEE: Piscataway, NJ, USA, 2023. [Google Scholar]
- Ma, W.; Wang, W.; Chen, Z.; Hu, R. A centralized voltage regulation method for distribution networks containing high penetrations of photovoltaic power. Int. J. Electr. Power Energy Syst. 2021, 129, 106852. [Google Scholar] [CrossRef]
- Ma, W.; Wang, W.; Chen, Z.; Wu, X.; Hu, R.; Tang, F.; Zhang, W. Voltage regulation methods for active distribution networks considering the reactive power optimization of substations. Appl. Energy 2021, 284, 116347. [Google Scholar] [CrossRef]
- Jafari, M.; Olowu, T.O.; Sarwat, A.I. Optimal smart inverters volt-var curve selection with a multi-objective volt-var optimization using evolutionary algorithm approach. In Proceedings of the 2018 North American Power Symposium (NAPS), Fargo, ND, USA, 9–11 September 2018; IEEE: Piscataway, NJ, USA, 2018. [Google Scholar]
- Olowu, T.O.; Jafari, M.; Sarwat, A.I. A multi-objective optimization technique for volt-var control with high pv penetration using genetic algorithm. In Proceedings of the 2018 North American Power Symposium (NAPS), Fargo, ND, USA, 9–11 September 2018; IEEE: Piscataway, NJ, USA, 2018. [Google Scholar]
- Lee, H.; Kim, J.-C.; Cho, S.-M. Optimal Volt–Var Curve Setting of a Smart Inverter for Improving Its Performance in a Distribution System. IEEE Access 2020, 8, 157931–157945. [Google Scholar] [CrossRef]
- Li, C.; Chen, Y.-A.; Jin, C.; Sharma, R.; Kleissl, J. Online PV Smart Inverter Coordination using Deep Deterministic Policy Gradient. Electr. Power Syst. Res. 2022, 209, 107988. [Google Scholar] [CrossRef]
- Alrashidi, M.; Rahman, S. A bi-level optimization method for voltage control in distribution networks using batteries and smart inverters with high wind and photovoltaic penetrations. Int. J. Electr. Power Energy Syst. 2023, 151, 109217. [Google Scholar] [CrossRef]
- Diaz, P.; Perez-Cisneros, M.; Cuevas, E.; Camarena, O.; Martinez, F.A.F.; Gonzalez, A. A Swarm Approach for Improving Voltage Profiles and Reduce Power Loss on Electrical Distribution Networks. IEEE Access 2018, 6, 49498–49512. [Google Scholar] [CrossRef]
- Abessi, A.; Vahidinasab, V.; Ghazizadeh, M.S. Centralized Support Distributed Voltage Control by Using End-Users as Reactive Power Support. IEEE Trans. Smart Grid 2016, 7, 178–188. [Google Scholar] [CrossRef]
- Ceylan, O.; Liu, G.; Tomsovic, K. Coordinated distribution network control of tap changer transformers, capacitors and PV inverters. Electr. Eng. 2017, 100, 1133–1146. [Google Scholar] [CrossRef]
- Chen, Y.; Strothers, M.; Benigni, A. Day-ahead optimal scheduling of PV inverters and OLTC in distribution feeders. In Proceedings of the 2016 IEEE Power and Energy Society General Meeting (PESGM), Boston, MA, USA, 17–21 July 2016; IEEE: Piscataway, NJ, USA, 2016. [Google Scholar]
- Ceylan, O.; Liu, G.; Xu, Y.; Tomsovic, K. Distribution system voltage regulation by distributed energy resources. In Proceedings of the 2014 North American power symposium (NAPS), Pullman, WA, USA, 7–9 September 2014; IEEE: Piscataway, NJ, USA, 2014. [Google Scholar]
- Qi, Q.; Wu, J.; Long, C. Multi-objective operation optimization of an electrical distribution network with soft open point. Appl. Energy 2017, 208, 734–744. [Google Scholar] [CrossRef]
- Han, C.; Song, S.; Yoo, Y.; Lee, J.; Jang, G.; Yoon, M. Optimal operation of soft-open points for high penetrated distributed generations on distribution networks. In Proceedings of the 2019 10th International Conference on Power Electronics and ECCE Asia (ICPE 2019-ECCE Asia), Busan, Republic of Korea, 27–30 May 2019; IEEE: Piscataway, NJ, USA, 2019. [Google Scholar]
- Shafik, M.B.; Chen, H.; Rashed, G.I.; El-Sehiemy, R.A.; Elkadeem, M.R.; Wang, S. Adequate Topology for Efficient Energy Resources Utilization of Active Distribution Networks Equipped With Soft Open Points. IEEE Access 2019, 7, 99003–99016. [Google Scholar] [CrossRef]
- Shafik, M.; Rashed, G.; Chen, H.; Elkadeem, M.; Wang, S. Reconfiguration strategy for active distribution networks with soft open points. In Proceedings of the 2019 14th IEEE Conference on Industrial Electronics and Applications (ICIEA), Xi’an, China, 19–21 June 2019; IEEE: Piscataway, NJ, USA, 2019. [Google Scholar]
- Yang, H.-T.; Liao, J.-T. MF-APSO-Based Multiobjective Optimization for PV System Reactive Power Regulation. IEEE Trans. Sustain. Energy 2015, 6, 1346–1355. [Google Scholar] [CrossRef]
- Huang, G.; Wu, H.; Feng, Z.; Ding, Y.; Wang, J. Day-ahead reactive-voltage optimization for active distribution network with energy storage. In Proceedings of the 2021 3rd International Conference on Electrical Engineering and Control Technologies (CEECT), Macau, China, 16–18 December 2021; pp. 170–174. [Google Scholar]
- Tantrapon, K.; Jirapong, P.; Thararak, P. Mitigating microgrid voltage fluctuation using battery energy storage system with improved particle swarm optimization. Energy Rep. 2020, 6, 724–730. [Google Scholar] [CrossRef]
- Li, Q.; Zhou, F.; Guo, F.; Fan, F.; Huang, Z. Optimized Energy Storage System Configuration for Voltage Regulation of Distribution Network With PV Access. Front. Energy Res. 2021, 9, 641518. [Google Scholar] [CrossRef]
- Lei, G.; Huang, Y.; Dai, N.; Cai, L.; Deng, L.; Li, S.; He, C. Optimization Strategy of Hybrid Configuration for Volatility Energy Storage System in ADN. Processes 2022, 10, 1844. [Google Scholar] [CrossRef]
- Shaoyun, G.; Zhengyang, X.; Hong, L.; Mengyi, L.; Zan, Y.; Chenghao, Z. Coordinated voltage control for active distribution network considering the impact of energy storage. Energy Procedia 2019, 158, 1122–1127. [Google Scholar] [CrossRef]
- Li, H.; Hong, C.; Yang, Y.; Yi, Y.; Chen, X.; Zhang, Y. Multi-objective extended reactive power optimization in distribution network with photovoltaic-storage systems. In Proceedings of the 2016 IEEE International Conference on Power System Technology (POWERCON), Wollongong, NSW, Australia, 28 September–1 October 2016; IEEE: Piscataway, NJ, USA, 2016. [Google Scholar]
- Su, R.; He, G.; Su, S.; Duan, Y.; Cheng, J.; Chen, H.; Wang, K.; Zhang, C. Optimal placement and capacity sizing of energy storage systems via NSGA-II in active distribution network. Front. Energy Res. 2023, 10, 1073194. [Google Scholar] [CrossRef]
- Ahmadi, B.; Giraldo, J.S.; Hoogsteen, G.; Gerards, M.E.; Hurink, J.L. A multi-objective decentralized optimization for voltage regulators and energy storage devices in active distribution systems. Int. J. Electr. Power Energy Syst. 2023, 153, 109330. [Google Scholar] [CrossRef]
- Ahmadi, B.; Ceylan, O.; Ozdemir, A. Voltage profile improving and peak shaving using multi-type distributed generators and battery energy storage systems in distribution networks. In Proceedings of the 2020 55th International Universities Power Engineering Conference (UPEC), Turin, Italy, 1–4 September 2020; IEEE: Piscataway, NJ, USA, 2020. [Google Scholar]
- Zhang, Y.; Li, J.; Meng, K.; Dong, Z.Y.; Yu, Z.; Wong, K. Voltage regulation in distribution network using battery storage units via distributed optimization. In Proceedings of the 2016 IEEE International Conference on Power System Technology (POWERCON), Wollongong, NSW, Australia, 28 September–1 October 2016; IEEE: Piscataway, NJ, USA, 2016. [Google Scholar]
- Niknam, T.; Zare, M.; Aghaei, J. Scenario-Based Multiobjective Volt/Var Control in Distribution Networks Including Renewable Energy Sources. IEEE Trans. Power Deliv. 2012, 27, 2004–2019. [Google Scholar] [CrossRef]
- Jin, D.; Chiang, H.-D.; Li, P. Two-Timescale Multi-Objective Coordinated Volt/Var Optimization for Active Distribution Networks. IEEE Trans. Power Syst. 2019, 34, 4418–4428. [Google Scholar] [CrossRef]
- Jin, D.; Chiang, H.-D. Multi-objective look-ahead reactive power control for active distribution networks with composite loads. In Proceedings of the 2018 IEEE Power & Energy Society General Meeting (PESGM), Portland, OR, USA, 5–10 August 2018; IEEE: Piscataway, NJ, USA, 2018. [Google Scholar]
- Sidea, D.O.; Picioroaga, I.I.; Tudose, A.M.; Bulac, C.; Tristiu, I. Multi-objective particle swarm optimization applied on the optimal reactive power dispatch in electrical distribution systems. In Proceedings of the 2020 International Conference and Exposition on Electrical and Power Engineering (EPE), Iasi, Romania, 22–23 October 2020; IEEE: Piscataway, NJ, USA, 2020. [Google Scholar]
- Singh, S.; Pamshetti, V.B.; Thakur, A.K. Multistage Multiobjective Volt/VAR Control for Smart Grid-Enabled CVR with Solar PV Penetration. IEEE Syst. J. 2021, 15, 2767–2778. [Google Scholar] [CrossRef]
- Sun, R.; Shu, Y.; Lv, Z.; Chen, B.; Wei, Z. Research on the multiple timescale reactive power optimization of receiving power grid based on model predictive control. In Proceedings of the 2020 12th IEEE PES Asia-Pacific Power and Energy Engineering Conference (APPEEC), Nanjing, China, 20–23 September 2020; IEEE: Piscataway, NJ, USA, 2020. [Google Scholar]
- Su, X.; Liu, J.; Tian, S.; Ling, P.; Fu, Y.; Wei, S.; SiMa, C. A multi-stage coordinated volt-Var optimization for integrated and unbalanced radial distribution networks. Energies 2020, 13, 4877. [Google Scholar] [CrossRef]
- Ramadan, A.; Ebeed, M.; Kamel, S. Performance assessment of a realistic egyptian distribution network including PV penetration with DSTATCOM. In Proceedings of the 2019 International Conference on Innovative Trends in Computer Engineering (ITCE), Aswan, Egypt, 2–4 February 2019; IEEE: Piscataway, NJ, USA, 2019. [Google Scholar]
- Chen, Y.; Luckey, B.; Wigmore, J.; Davidson, M.; Benigni, A. Real-time volt/var optimization for distribution systems with photovoltaic integration. In Proceedings of the IECON 2017-43rd Annual Conference of the IEEE Industrial Electronics Society, Beijing, China, 29 October–1 November 2017; IEEE: Piscataway, NJ, USA, 2017. [Google Scholar]
- Pamshetti, V.B.; Singh, S.P. Optimal coordination of PV smart inverter and traditional volt-VAR control devices for energy cost savings and voltage regulation. Int. Trans. Electr. Energy Syst. 2019, 29, e12042. [Google Scholar] [CrossRef]
- Lee, H.-J.; Yoon, K.-H.; Shin, J.-W.; Kim, J.-C.; Cho, S.-M. Optimal Parameters of Volt–Var Function in Smart Inverters for Improving System Performance. Energies 2020, 13, 2294. [Google Scholar] [CrossRef]
- Wu, R.; Liu, S. Deep Learning Based Muti-Objective Reactive Power Optimization of Distribution Network with PV and EVs. Sensors 2022, 22, 4321. [Google Scholar] [CrossRef]
- Lee, Y.-D.; Lin, W.-C.; Jiang, J.-L.; Cai, J.-H.; Huang, W.-T.; Yao, K.-C. Optimal Individual Phase Voltage Regulation Strategies in Active Distribution Networks with High PV Penetration Using the Sparrow Search Algorithm. Energies 2021, 14, 8370. [Google Scholar] [CrossRef]
- Xiao, H.; Pei, W.; Dong, Z.; Kong, L.; Wang, D. Application and Comparison of Metaheuristic and New Metamodel Based Global Optimization Methods to the Optimal Operation of Active Distribution Networks. Energies 2018, 11, 85. [Google Scholar] [CrossRef]
- Xu, R.; Zhang, C.; Xu, Y.; Dong, Z.; Zhang, R. Multi-Objective Hierarchically-Coordinated Volt/Var Control for Active Distribution Networks with Droop-Controlled PV Inverters. IEEE Trans. Smart Grid 2022, 13, 998–1011. [Google Scholar] [CrossRef]
- Othman, M.M.; Ahmed, M.H.; Salama, M.M.A. A Coordinated Real-Time Voltage Control Approach for Increasing the Penetration of Distributed Generation. IEEE Syst. J. 2020, 14, 699–707. [Google Scholar] [CrossRef]
- Das, C.K.; Bass, O.; Kothapalli, G.; Mahmoud, T.S.; Habibi, D. Optimal placement of distributed energy storage systems in distribution networks using artificial bee colony algorithm. Appl. Energy 2018, 232, 212–228. [Google Scholar] [CrossRef]
- Senjyu, T.; Miyazato, Y.; Yona, A.; Urasaki, N.; Funabashi, T. Optimal Distribution Voltage Control and Coordination with Distributed Generation. IEEE Trans. Power Deliv. 2008, 23, 1236–1242. [Google Scholar] [CrossRef]



| Category | Advantages | Limitations | Key Applications | Time Efficiency | 
|---|---|---|---|---|
| Analytical Approaches | Provide deterministic analysis grounded in mathematical rigor, crucial for capturing physical system behaviors and constraints. | May struggle with complex system dynamics and large network computational tractability. | -Decentralized control algorithm design—Local voltage stability assessment—Coordination of OLTCs, capacitor banks, and PV inverters | Faster for simpler, well-defined problems through direct mathematical formulations | 
| Computational Methods | Leverage big data and machine learning to navigate complex optimization landscapes, offering adaptability to intricate objective functions. | Sometimes suffer from limited explainability and dependence on input data patterns. | -Large-scale renewable generation coordination—Probabilistic multi-objective optimization—Metaheuristic Volt/Var optimization | Slower initial setup but adaptable to complex, non-linear systems, potentially requiring more computational time | 
| Reference | Category | Method | Description | Limitations and Gaps | 
|---|---|---|---|---|
| [1] | Analytical | Decentralized reactive power control | Uses adjustable robust optimization and convex quadratic programming to determine decentralized decision rules for PV inverter reactive power control | Depends on accurate PV output predictions. Effectiveness reduced by inaccurate forecasts. | 
| [2] | Analytical | Robust distributed PV inverter control | Develops local decision rules for PV inverter reactive power control based on distributionally robust optimization to minimize voltage deviations | Focused only on PV-based Volt/Var control. Did not consider coordination with other DERs | 
| [4] | Analytical | Increment-exchange decentralized optimization | Enables decentralized multi-objective optimization through quadratic functions of coupling variable increments while preserving privacy | Trading off some optimality for privacy preservation—solutions are not perfectly Pareto optimal | 
| [5] | Analytical | Multi-objective adaptive robust optimization | Handles uncertainties using robust optimization to minimize voltage deviations and losses with high PV penetration | Unclear if approach handles all types of uncertainties. | 
| [6] | Analytical | Robust optimization for DG reactive power control | Handles uncertainties using robust MILP optimization approach for control of DG reactive power injection | Sensitive to errors in network admittance matrix | 
| [7] | Analytical | Robust optimization, MINP | Robust optimization formulation using MINP to handle uncertainty in DGs and loads | Effectiveness depends on accurate load and generation forecasting | 
| [8] | Analytical | Distributed CVR using ADMM optimization | Distributed optimization model for conservation voltage reduction using Alternating Direction Method of Multipliers | Suboptimal solutions possible compared to centralized optimization. | 
| [9] | Analytical | Quadratic programming | Develops quadratic programming (QP) model for optimal reactive power dispatch in balanced and unbalanced systems; two-timescale architecture for controlling DERs | Needs coupling with slow timescale control for comprehensive system management. | 
| [10] | Analytical | SOID algorithm for inverter optimization using ADMM | Linearized voltage model enables quadratic optimization of inverter dispatch using ADMM | Have not been extensively benchmarked with other methods like SOCP. Testing limited to balanced networks. | 
| [11] | Analytical | Transformer tap optimization using SDP and ADMM | Determines optimal tap positions through rank constrained SDP, solved via ADMM | Issues with algorithmic efficiency, system-wide applicability, and dynamic response handling | 
| [12] | Analytical | Decentralized PV inverter setpoint optimization with ADMM | Develops decentralized methods for optimizing inverter power setpoints using ADMM algorithm | Limited testing on more complex system configurations. | 
| [13] | Analytical | Multi-objective optimization for ESS ancillary services with ADMM | Optimizes various objectives related to ESS services using ADMM-based multi-objective procedure | Need for advanced algorithms in dynamic grid conditions. Aligning strategy with ESS capabilities and constraints. | 
| [14] | Analytical | Multi-stage quadratic flexible OPF framework | Proposes real-time OPF framework using object-oriented device models and SLP algorithm for sequential optimization | Need for speed and convergence quality improvement in MQFOPF | 
| [15] | Analytical | Two-stage optimization | Two-stage real-time Volt/Var control method using data-driven model for voltage violation risk assessment and EV dispatch | Balancing different optimization objectives in real-time control. | 
| [16] | Analytical | Model predictive control, mixed-integer quadratic programming | Double-timescale voltage control scheme utilizing model predictive control (MPC) and specialized mixed-integer quadratic programming solver | Does not consider the voltage deviations in unbalanced system. | 
| [17] | Analytical | Decoupling rolling multi-period optimization | Uses Benders decomposition and MPC for decoupled optimization of OLTCs and PV systems across time periods | Could be computationally intensive, especially for larger networks | 
| [18] | Analytical | SOP coordination using MISOCP | Coordinates SOPs with OLTCs and capacitors through linearization and conic relaxation into MISOCP | Centralized approach may struggle with computational and communication demands in larger ADNs. | 
| [19] | Analytical | SOP optimization for unbalanced networks | Introduces phase-changing SOP concept and employs conic relaxation strategies for optimization | Need for further study on coordination and timing between PC-SOP and other phase transfer techniques | 
| [20] | Analytical | Decentralized SOP optimization | Develops decentralized and local control schemes for coordinating multiple SOPs | Can only achieve near-global optimal solutions, not absolute optimality. | 
| [21] | Analytical | Sensitivity analysis for SOP optimization | Uses Jacobian matrix sensitivity analysis to quantify SOP optimization trade-offs | Inherent trade-offs in the control scheme, such as improved voltage profile leading to increased energy losses. | 
| [22] | Analytical | Robust SOP optimization via SOCP | Employs adjustable robust optimization model transformed into computationally efficient SOCP | Potential moderate complexity in computation for larger networks. Performance under larger uncertain conditions is yet to be fully assessed. | 
| [23] | Analytical | Interval and rolling optimization for E-SOPs | Two-stage scheme using interval optimization for day-ahead planning and rolling optimization for real-time E-SOP control | The method mainly targets long-term optimization, needing research on short-term (5–15 min) control strategies. | 
| [24] | Analytical | Biconvex optimization for SOPs and DGs | Universal SOP and DG coordination method based on biconvex relaxation solved using alternative convex search | The ACS algorithm achieves a local optimum but may not reach the global best solution. | 
| [25] | Analytical | Convex relaxation for centralized and local SOP control | Combined centralized SOP control though convex relaxation and local decentralized reactive power control | Additional comprehensive assessment across a wider range of network performance metrics is needed | 
| [26] | Analytical | SOP optimization using ADMM | Employs ADMM algorithm for decentralized optimization of SOP power transmission between networks | Achieves near-global optimal solutions but may miss the absolute best solution. | 
| [27] | Analytical | Coordinate PV and voltage control co-optimization | Formulates non-linear constrained optimization problem for coordinating PV and voltage control systems solved using SQP | Requires close cooperation between DSOs and IPPs for data sharing, which could be a challenge in terms of data privacy, security, and operational coordination. | 
| [28] | Analytical | Analytical algorithms | Coordination of two analytical voltage control algorithms—one rule-based and one optimization-based; compares network effects and costs | Effectiveness reliant on sufficient controllable resources in the network. | 
| [29] | Analytical | Two-stage optimization | Two-stage optimization coordinating OLTCs and SVCs using forecast data in day-ahead stage and local optimization in real-time stage | Focus on specific OLTC and SVC operation strategies, possibly overlooking other effective approaches. | 
| [30] | Analytical | Dispersed storage optimization mixed- integer SOC model | Determines optimal allocation of dispersed storage systems using mixed-integer SOC programming model | Effectiveness demonstrated on a modified IEEE 34-bus test feeder; broader applicability needs more validation. | 
| [31] | Analytical | Centralized tuning of local inverter control | Uses MISOCP optimization to determine parameters for local voltage-based inverter reactive and active power control | The need for frequent parameter adaptation could lead to increased communication requirements, posing a challenge in terms of system efficiency and resource utilization. | 
| [32] | Analytical | OLTC control via convex optimization | Employs linearization to enable convex optimization formulation for optimal tap-changing transformer control | OTC’s performance heavily relies on accurate solar and power demand forecasts. | 
| [33] | Analytical | MISOCP optimization integrating VAR devices | Transforms non-convex AC OPF to MISOCP using convexification techniques to optimize VAR devices | Moderate computational burden suggests potential for optimization, especially for complex networks. | 
| [34] | Analytical | Smart inverter optimization model for ADMSs | Convex optimization model to control smart inverters for voltage regulation and conservation voltage reduction | Limited applicability in diverse energy resource scenarios beyond PV systems. | 
| [35] | Analytical | Convex relaxation for DER voltage regulation | Establishes sufficient conditions to enable voltage regulation as a convex optimization program | Need to explore the coupling between this method and conventional voltage regulation devices across different time scales. | 
| [36] | Analytical | Quadratic programming voltage control model | Formulates voltage control model of distribution network as quadratic program using simplified linear voltage equations | The method relies on approximation for solutions, which may not be optimal in all scenarios. | 
| [37] | Analytical | Probabilistic optimization for voltage regulation | Incorporates probabilistic PV generation scenarios into constrained optimal load flow problem formulation for voltage regulation | Potential challenges in accurately predicting real-time PV output and sudden variability. | 
| [38] | Analytical | Multi-objective OPF for PV inverter optimization | Develops multi-objective OPF solved with SQP to optimize inverter real and reactive power control | Strategy based on the widespread availability of advanced communication systems. Reliance on a centralized system to collect data and control inverter settings. | 
| [39] | Analytical | MILP for coordinated inverter and OLTC control | Linearization approach enables MILP formulation for coordinating inverters and OLTCs | Primarily compared with conventional AVR, lacking broader comparisons with other voltage regulation methods. | 
| [40] | Analytical | MIQP optimization model with linearized power flow | Uses MIQP optimization of control variables based on linearized power flow equations | Challenges in tuning MIQP problem-solving software for specific distribution system issues. | 
| [41] | Analytical | Two-stage scheduling and control procedure | Employs MILP optimization and sensitivity analysis for day-ahead and intra-day scheduling of distributed energy resources and control devices | Potential oversimplification of network dynamics due to linearization in the MILP problem-solving process. | 
| [42] | Analytical | Decentralized reactive power optimization | Derives near-optimal decentralized inverter control from global optimization solutions to minimize voltage deviations and losses | Further research required for more general scenarios beyond the study’s current parameters. | 
| [43] | Computational | MINP for worst-case voltage scenarios | Handles OLTCs, capacitor banks, and PV plants using MINP optimization for worst-case voltage scenarios to limit variations and losses | Heavy dependence on communication for coordinating controllable units. | 
| [44] | Computational | Centralized–decentralized voltage regulation | Employs multi-objective MINP optimization and NSGA-II algorithm for centralized–decentralized voltage control | Potential issues with frequent switching of substation capacitors and power factor violations. | 
| [45] | Computational | Multi-objective GA for smart inverter Volt/Var curves | Employs genetic algorithm to optimize smart inverter Volt/Var curves for loss reduction and voltage regulation | Prioritizes specific objectives, like voltage profile and system loss minimization, but may not capture trade-offs in more complex scenarios. | 
| [46] | Computational | PV device coordination using GA | Integrates individual optimization algorithms for tap changers, capacitors, and inverters using genetic algorithm | Encountered trade-offs where lower voltages for CVR benefits slightly increase system losses. | 
| [47] | Computational | Parameter optimization for smart inverters using GA | Genetic algorithm used to optimize Volt/Var curve parameters to improve distributed generation system performance | Service transformer integration: inclusion in the model not fully assessed for different network types. | 
| [48] | Computational | Deep reinforcement learning algorithm for smart inverters | Online coordination of smart inverters using deep reinforcement learning for voltage regulation | Comparison with other methods: while effective, the proposed shows a slight increase in PV curtailment compared to OPF due to more reactive power use. | 
| [49] | Computational | Bi-level optimization for battery and inverter coordination | Combines metaheuristic algorithms in bi-level optimization strategy for battery storage and smart inverter voltage control | The effectiveness of voltage control may be constrained by the limited capacities of BESSs and smart inverters. | 
| [50] | Computational | Locust search algorithm | Optimizes capacitor placement using locust swarm optimization algorithm to improve voltage profile and reduce losses | LS’s distinct method of avoiding concentration around best solutions needs further real-world scenario testing. | 
| [51] | Computational | ε-decomposition, genetic algorithm | Centralized support distributed voltage control algorithm utilizing ε-decomposition and genetic algorithm for optimization | Variable effects in different grid types: shows differing impacts of local region increases in systems with and without constant voltage DGs, suggesting dependency on specific grid characteristics. | 
| [52] | Computational | Grey wolf optimization algorithm | Coordinates control devices using grey wolf optimization to minimize voltage deviations | Focuses on numerical accuracy and simulation speed, but overlooks aspects like scalability and robustness in variable network conditions. | 
| [53] | Computational | Schedule optimization using pattern search algorithm | Schedules tap changer and inverter setpoints based on forecast load and generation to regulate voltage and minimize losses | Relies on day-ahead predictions of PV generation and load demand, with effectiveness potentially impacted by forecast accuracy. | 
| [54] | Computational | Harmony search algorithm | Employs harmony search to optimize voltage regulator and DER reactive power control for voltage regulation | Focuses on three specific control scenarios, potentially overlooking other operational configurations and their impacts. | 
| [55] | Computational | Enhanced PSO for optimization with SOPs | Uses multi-objective particle swarm optimization enhanced with local search to optimize networks with soft open points | Improved results over conventional MOPSO, yet broader comparisons with other optimization techniques are not conducted. | 
| [56] | Computational | PSO to determine SOP parameters | Employs particle swarm optimization to find optimal control parameters for soft open points | The study ignores the impact of the SOP capacity on power transfer efficiency and voltage control in the network. | 
| [57] | Computational | Modified PSO algorithm for DG and SOP optimization | Optimizes size, placement of DG units and allocation of SOPs using adapted particle swarm algorithm | The study’s general approach to DG challenges is not thoroughly assessed for its adaptability to changing grid technologies and requirements. | 
| [58] | Computational | Reconfiguration optimization using modified PSO | Network reconfiguration involving DGs and SOPs based on modified particle swarm optimization method | Compares results with the existing literature, but could benefit from a wider range of comparative studies with different optimization methods. | 
| [59] | Computational | Mutation fuzzy adaptive particle swarm optimization | Balances overvoltage mitigation and loss reduction using adapted meta-heuristic particle swarm algorithm | Significant energy savings are noted, but adaptability in different grid environments is not extensively examined. | 
| [60] | Computational | Two-stage optimization algorithm for ESSs and reactive power | Methodology with separate optimizations for network topology and reactive resource dispatch including ESSs | The paper’s effectiveness in dynamic or highly variable grid conditions is not fully explored. | 
| [61] | Computational | Improved particle swarm optimization | Optimizes battery active and reactive power to smooth PV fluctuations using adapted particle swarm algorithm | Compares the I-PSO approach mainly with the PV smoothing mode, lacking a broader range of comparisons with other advanced methods. Also, did not consider the insufficient BESS capacity. | 
| [62] | Computational | PSO algorithm to optimize ESS capacity and placement | Employs improved particle swarm optimization to determine optimal ESS size and locations | Need for further research on scalability and adaptability. | 
| [63] | Computational | Multi-objective PSO for hybrid ESS configuration | Uses enhanced multi-objective particle swarm optimization for optimizing hybrid energy storage configuration | Addresses power fluctuation smoothing and voltage improvement, but does not deeply examine performance in extreme operational scenarios. | 
| [64] | Computational | Coordination of ESSs and PVs using improved PSO | Integrates ESS and PV control capabilities using adaptive particle swarm optimization variant | Centers on PV inverter reactive power and energy storage optimization, and does not explore interactions with other network components. | 
| [65] | Computational | NSGA-II algorithm for PV storage optimization | Focuses on reactive power optimization and risk reduction using genetic algorithm with PV storage systems | Mainly focuses on PV storage systems in ADNs, potentially limiting its relevance for networks with different energy sources. | 
| [66] | Computational | NSGA-II method for ESS placement and sizing | Evolves Pareto optimal solutions for energy storage placement and capacity using NSGA-II | The NSGA-II heuristic algorithm introduces randomness, leading to variability and subjectivity in selecting the optimal solution. | 
| [67] | Computational | Decentralized optimization algorithms | Examines decentralized optimization methods as alternatives to centralized approaches | Advantages in privacy and cost, but potential trade-offs in effectiveness and robustness. | 
| [68] | Computational | Harris Hawks optimization algorithm | Employs bird-inspired metaheuristic optimization for optimal sizing and siting of DGs | The study limits DG units and BESS capacity to 1 MW, which might not be applicable in different regions with varied capacity requirements. | 
| [69] | Computational | Distributed optimization algorithm for battery optimization | Develops distributed Lagrangian optimization scheme for coordinating battery storage units | A gap in multi-time period optimization, indicating limitations in current handling of long-term voltage regulation. | 
| [70] | Computational | Multi-objective stochastic optimization and evolutionary algorithm | Handles uncertainties using scenario-based stochastic scheme optimized with teaching–learning-based evolutionary algorithm | Dividing control variables into centralized and local groups may not fully address dynamic network interactions. | 
| [71] | Computational | MOPSO and interior point method for coordinated optimization | Two-timescale scheme using MOPSO for global search and interior point method for real-time reactive power optimization | Effective voltage/var optimization (VVO) relies on accurate forecasts, with errors potentially impacting results. | 
| [72] | Computational | Pareto optimization using MOPSO and fuzzy logic | Multi-objective PSO combined with fuzzy logic to obtain and select compromise solutions | Further extension to include forecasting errors and wider network evaluations are necessary. | 
| [73] | Computational | MOPSO algorithm for optimal reactive power dispatch | Employs multi-objective particle swarm optimization for coordinated dispatch of reactive power resources | While the model offers multiple solutions, it might not provide a comprehensive understanding for all operational scenarios. | 
| [74] | Computational | Multi-stage stochastic MOPSO optimization | Planning stage uses discrete MOPSO under uncertainties, operating stage uses adaptive droop-based Volt/Var mechanism | Impact of flexible electric vehicle charging loads on algorithm performance unexplored. | 
| [75] | Computational | Whale optimization and simulated annealing algorithm | Hybrid whale optimization with simulated annealing used to solve predictive control optimization model | Requires further research to improve system reliability and expand the scope of reactive power regulation. | 
| [76] | Computational | Multi-stage optimization for coordinated Volt/Var control | Proposes three-stage approach integrating modified PSO for coordinating Volt/Var control devices | The pre-set threshold OFmax is assumed constant, not accounting for dynamic network conditions. | 
| [77] | Computational | Optimizing DSTATCOMs and PVs using improved sine cosine algorithm | Assesses placement of DSTATCOMs and PV units using enhanced sine cosine optimization algorithm | The study is limited to a specific case study (Tala City), which may not generalize to other distribution networks with different characteristics. | 
| [78] | Computational | Two-stage direct search optimization | Performs day-ahead optimization to minimize voltage deviations and losses, along with real-time ANN-based inverter reactive power control | The ANN-based state estimation method depends on the availability and accuracy of measurements; its performance might be limited in scenarios with insufficient data. | 
| [79] | Computational | Hierarchical coordinated VVO | Uses ε-constraint and fuzzy decision-making optimization methods for coordinating inverters, OLTCs, VRs, and capacitor banks | The study does not thoroughly address how the proposed scheme adapts to evolving grid conditions and increasing DER penetration over time. | 
| [80] | Computational | Smart inverter VVO parameter optimization | Optimization method to determine optimal parameters for smart inverter Volt/Var control functionality | Need for precise weight settings in optimization, challenging optimal balance under varying system conditions. | 
| [81] | Computational | Deep learning approximation of optimization objectives | Uses deep learning to fit Pareto fronts from multi-objective optimization algorithms | Long computation time for data acquisition and network training, and potential infeasible solutions due to DL’s poor generalization with insufficient data. | 
| [82] | Computational | Device coordination using sparrow search algorithm | Employs sparrow search algorithm to optimize individual phase voltage regulations from various control devices | The approach may neglect the interactions and cumulative effects of phase imbalances on the entire network’s voltage stability | 
| [83] | Computational | Comparison of metaheuristic and metamodel optimization methods | Compares performance of metaheuristic algorithms with metamodel-based global optimization techniques | High-dimensional problems in large ADNs pose significant challenges, requiring new approaches or enhancements to existing methods. | 
| [84] | Computational | Optimization using Taguchi’s orthogonal array testing | Applies Taguchi’s experimental design within solution algorithm for Volt/Var control optimization | Need for broader testing in diverse network scenarios. | 
| [85] | Computational | Coordinated real-time voltage control using BB-BC optimization | Proposes technique using big bang–big crunch optimization method combined with reactive power compensation to control voltages | Reliance on the specific performance of the modified BB-BC optimization method. | 
| [86] | Computational | Optimal placement of ESS units using ABC algorithm | Determines optimal placements of distributed ESSs using artificial bee colony metaheuristic optimization to enhance system performance | Additional studies needed on intelligent ESS control, comprehensive sizing, and power quality improvements post-ESS implementation. | 
| [87] | Computational | Genetic algorithm | Optimal distribution voltage control method coordinating various devices, solved using genetic algorithm | Centralized control requires a robust communication system. If it fails, devices revert to self-information-based control, limiting system-wide optimization. | 
| Research Focus and Citations | Methodological Approach | Pros | Cons | Keywords | 
|---|---|---|---|---|
| Robust Optimization [1,2,4,5,6,7] | Uses adjustable robust optimization models to ensure optimal voltage and power loss management under uncertainties | Effective handling of uncertainties; provides robust solutions | Relies on accurate PV output predictions, which may not always be available | Active Distribution Networks, Robust Optimization, Uncertainty Management, Voltage Regulation, Power Loss Management | 
| Advanced Optimization Techniques in Power Systems [8,9,10,11,12,13] | Utilizes ADMM for distributed optimization problems in power systems | Computationally efficient; flexible framework | Static models may have limitations in dynamic scenarios | Advanced Distribution Management Systems, Distributed Optimization, ADMM, Power Systems, Efficiency, Energy Storage System | 
| Advanced Hierarchical and Predictive Control [14,15,16,17] | Employs predictive control and rolling horizon optimization for real-time optimization | Adaptive to changing conditions; enables dynamic optimization | Algorithm speed and convergence improvements needed | Predictive Control, Hierarchical Control, Real-Time Optimization, Rolling Horizon Optimization | 
| Soft Open Point (SOP) Utilization in Voltage Regulation [18,19,20,21,22,23,24,25,26] | Leverages SOPs to actively manage voltage and power flow | More flexibility than traditional devices; handles DG effectively | Increased complexity for large networks | Soft Open Points, Voltage Regulation, Distributed Generation, Power Flow Management | 
| Local and Coordinated Voltage Control [27,28,29] | Coordinates local and distributed control elements for voltage regulation | Cost-effective; reduces network reinforcement need | Limitations in high DG penetration scenarios | Voltage Control, Distributed Energy Resources, Local Control, Coordinated Control | 
| Convexification and Relaxation Techniques [30,31,32,33,34,35] | Uses conic relaxation and linearization to convexify optimization problems | Computationally efficient; ensures convergence | May not fully capture distribution network dynamics | Convexification, Relaxation Techniques, SOCP, SDP, Linearization, Conic Relaxation, Optimization Problems | 
| Flexible Optimization Frameworks [36,37,38,39,40,41,42] | Employs various techniques for adaptable optimization frameworks | Adaptable to multiple problem formulations | Simplified models may reduce accuracy | Optimization Frameworks, Flexibility, Adaptability, Model Simplification | 
| Heuristic Optimization Methods [43,44,45,46,47,48,49,50,51,52] | Utilizes algorithms like NSGA-II, GA, DRL, PSO for complex problems | Handles complex problems effectively; manages uncertainties | Performance dependent on parameter tuning | Heuristic Methods, Metaheuristic Algorithms, NSGA-II, GA, DRL, PSO, Uncertainty Management | 
| SOP- and PSO-based Optimization [53,54,55,56,57,58,59] | Leverages SOPs and PSO for power flow optimization | Precise power flow control; computationally efficient | May be outperformed by other methods | Soft Open Points, Particle Swarm Optimization, Power Flow Optimization | 
| Multi-Objective Optimization [60,61,62,63,64,65,66,67,68,69,70,71,72,73,74,75,76,77] | Employs MOPSO for trade-off optimization between competing objectives | Balances multiple objectives; flexible | Complex problem formulation; scalability issues | Multi-Objective Optimization, MOPSO, Trade-Off Analysis, Competing Objectives | 
| Control and Optimization Integration [78,79,80,81] | Combines optimization models with control algorithms like ANN and deep learning | Adaptive control; handles uncertainties | Reliant on accurate system state estimators | Integration of Control and Optimization, ANN, Deep Learning, Uncertainty Management | 
| Customized Optimization Techniques [82,83,84,85,86,87] | Diverse algorithms tailored for specific applications | Specialized solutions; tailored approaches | Narrow scope; limited generalizability | Sparrow Search Algorithm, Metamodel-Based Global Optimization, Big Bang-Big Crunch Optimization, Artificial Bee Colony | 
| Disclaimer/Publisher’s Note: The statements, opinions and data contained in all publications are solely those of the individual author(s) and contributor(s) and not of MDPI and/or the editor(s). MDPI and/or the editor(s) disclaim responsibility for any injury to people or property resulting from any ideas, methods, instructions or products referred to in the content. | 
© 2024 by the authors. Licensee MDPI, Basel, Switzerland. This article is an open access article distributed under the terms and conditions of the Creative Commons Attribution (CC BY) license (https://creativecommons.org/licenses/by/4.0/).
Share and Cite
Alshehri, M.; Yang, J. Voltage Optimization in Active Distribution Networks—Utilizing Analytical and Computational Approaches in High Renewable Energy Penetration Environments. Energies 2024, 17, 1216. https://doi.org/10.3390/en17051216
Alshehri M, Yang J. Voltage Optimization in Active Distribution Networks—Utilizing Analytical and Computational Approaches in High Renewable Energy Penetration Environments. Energies. 2024; 17(5):1216. https://doi.org/10.3390/en17051216
Chicago/Turabian StyleAlshehri, Mohammed, and Jin Yang. 2024. "Voltage Optimization in Active Distribution Networks—Utilizing Analytical and Computational Approaches in High Renewable Energy Penetration Environments" Energies 17, no. 5: 1216. https://doi.org/10.3390/en17051216
APA StyleAlshehri, M., & Yang, J. (2024). Voltage Optimization in Active Distribution Networks—Utilizing Analytical and Computational Approaches in High Renewable Energy Penetration Environments. Energies, 17(5), 1216. https://doi.org/10.3390/en17051216
 
        



 
       