Abstract
This paper reviews the research advancements and development in magnetic bearings. Firstly, from the technical principle, the design differences and application areas of active magnetic bearings, permanent magnetic bearings and hybrid structures are clarified. At the key technology level, focusing on electromagnetic design optimization, control strategy innovation and power-driven energy management, the breakthrough points of multi-physics coupling modeling, vibration suppression and energy efficiency improvement are revealed. Through the analysis of its engineering cases in the fields of high-speed motors, flywheel energy storage, aerospace and so on, the feasibility and economy of the technical scheme are verified. Further, the technical bottlenecks that need to be broken through are pointed out. For the future trend, this paper suggests that integration of interdisciplinary high-precision modeling, intelligent control algorithm and miniaturized integrated design should be deeply integrated to promote the large-scale application of magnetic bearing in frontier fields. This paper provides theoretical reference and engineering practice guidance for the technology iteration and cross-field integration of magnetic bearings.
1. Introduction
The traditional bearings mainly include rolling bearings, sliding bearings and oil film bearings. With the development of industrial technology towards high speed, high precision and high reliability, the limitations of traditional bearings under special working conditions have become increasingly prominent: friction and wear, speed limit, lubrication, vibration and noise, and maintenance costs. These limitations have prompted people to seek new non-contact support technologies, and magnetic bearing is a breakthrough solution that emerged in this context [1,2,3,4,5,6].
Traditional bearings continue to have cost advantages under conventional operating conditions, but their technical limitations are becoming more apparent in specialized environments such as high-speed, vacuum, and ultra-clean conditions. This highlights the clear need for the development of magnetic bearings in such applications. Magnetic bearings represent an advanced support technology that utilizes magnetic forces to achieve non-contact suspension of the rotor. The basic principle involves balancing the rotor’s weight and other loads through the magnetic force generated by electromagnets or permanent magnets (PM), thereby enabling frictionless suspension between the rotor and stator [7,8,9]. Compared with traditional bearings, magnetic bearings have the following advantages: no contact and no wear, high speed, energy saving and efficiency, clean and environmental protection, as well as strong controllability [10,11].
Since its inception in the 19th century, maglev technology has evolved from theoretical exploration to practical engineering applications. Its development can be broadly categorized into three key stages:
- 1.
- Concept Exploration Period (1842–1960):In 1842, Earnshaw introduced the concept of magnetic levitation and demonstrated that stable levitation of ferromagnetic materials in all degrees of freedom cannot be achieved using only permanent magnets, thereby establishing the mathematical foundation of magnetic levitation theory [12]. In 1937, Kemper filed the first patent related to magnetic levitation technology and proposed the use of actively controlled electromagnets for achieving stable levitation—a milestone in the development of magnetic bearings and maglev transportation systems [13,14].
- 2.
- Technology Development Period (1960–1990):Between the 1950s and 1960s, Beams successfully applied magnetic levitation to ultra-high-speed centrifuges, marking the first implementation of magnetic support for rotating bodies [15]. In 1972, the LRBA Laboratory pioneered the application of magnetic bearings in satellite reaction wheels, setting a precedent for engineering applications of the technology [16].
- 3.
- Engineering Application Period (1990–Present):In 1983, the United States employed a magnetic bearing vacuum pump aboard the Space Shuttle, demonstrating its reliability under extreme conditions [17]. By 1997, Draper Laboratory reported a series of advancements in high-temperature magnetic bearings capable of operating at 510 °C for aerospace engine applications [18]. As of 2021, magnetic levitation technology has been widely adopted in molecular pumps, blowers, compressors, and other industrial systems [19,20,21]. According to industry reports [22,23,24,25], the global magnetic bearing market size was about $2 billion in 2023 and is expected to grow to about $3.34 billion by 2032, with a compound annual growth rate (CAGR) of about 5.96% from 2024 to 2032. The top five manufacturers include SKF, Schaeffler, Siemens, GE and NSK, which together occupy more than 60% of the market share.
Table 1 summarizes representative applications and key performance parameters of magnetic bearings [26,27,28]. Despite remarkable progress, magnetic bearing technology still faces several challenges, including high cost (approximately 3–5 times that of conventional bearings), complex control requirements, and limited reliability. In particular, applications involving heavy loads (e.g., large-scale generator sets) and extreme environments (e.g., ultra-high temperatures) continue to demand critical technological breakthroughs. Current research is shifting from single-objective performance optimization toward integrated design approaches that emphasize high speed, high load capacity, and enhanced reliability.
Table 1.
Magnetic bearing application and index [28].
This review aims to provide a systematic overview of the development of magnetic bearing technology, outlining major technical challenges and future research directions. It is intended as a comprehensive reference for both academic researchers and industrial practitioners. The structure of the review is as follows:
- Section 2 discusses the classification and operating principles of magnetic bearings, including the technical characteristics and comparisons of active, passive, and hybrid types.
- Section 3 focuses on core technologies, including structural design, control algorithms, and drive systems.
- Section 4 presents typical application scenarios in energy, transportation, industrial systems, and other domains.
- Section 5 addresses current technical challenges and explores future development trends.
- Section 6 concludes the review with final remarks.
2. Classification and Comparison of Magnetic Bearing
Magnetic bearings can be classified in various ways depending on different criteria:
- Type of Magnetic Force: Attractive or repulsive forces.
- Suspension Mode: Active, passive, or hybrid systems.
- Magnet Type: Superconducting, permanent magnet, or electromagnetic.
- Structural Configuration: Horizontal or vertical orientation; internal or external rotor.
- Degree of Contact: Fully non-contact or partially contact-based systems.
- Control Current Type: Alternating current (AC) or direct current (DC).
- Magnetic Pole Arrangement: Heteropolar or homopolar configurations.
- Degrees of Freedom (DOF): Axial (1 DOF), radial (2 DOF), combined radial-axial (3 DOF), or extended to 4 and 5 DOF systems.
Given the diversity of magnetic bearing types, it is challenging to encompass all variants from a single classification perspective. Therefore, it is reasonable to select a broad classification method that includes most of the styles according to the suspension mode and then subdivides them. At present, the most widely used is classified by suspension mode, that is, active, passive and hybrid magnetic bearings [29,30].
2.1. Classification of Magnetic Bearing
2.1.1. Active Magnetic Bearings
Active Magnetic Bearings (AMB) achieve stable rotor suspension through controllable electromagnetic forces [31,32]. The materials of its stator and rotor are mostly silicon steel sheets or electric pure iron, and the coils are wound with copper wires. The stiffness and damping characteristics of the electromagnetic force can be dynamically adjusted via control algorithms, enabling precise regulation of bearing performance. Due to this controllability, AMBs offer a broader range of applications compared to other types of magnetic bearings. A typical configuration of AMBs is the radial magnetic bearing (RMB). Common structural designs include the 4-pole and 8-pole radial AMB configurations, as illustrated in Figure 1 and Figure 2 [28,33,34].
Figure 1.
Magnetic circuit (flux lines) and prototype of 4-pole RMB [28,33].
Figure 2.
Magnetic circuit (flux lines) and prototype of 8-pole RMB [34].
The 4-pole RMB represents the simplest structural form of radial magnetic bearings. However, in many industrial applications, the 8-pole RMB is more widely adopted due to its superior performance. In an 8-pole configuration, adjacent magnetic poles pair to form four independent magnetic circuits, effectively decoupling the magnetic forces along four radial directions. This structural advantage simplifies control and improves dynamic stability. To regulate the currents in the four coil pairs, either two bipolar power amplifiers or four unipolar power amplifiers can be employed. Position sensors continuously monitor rotor displacement and provide feedback to the control system, which adjusts the coil currents in real time to maintain the rotor at the center position [35], as shown in Figure 3.
Figure 3.
The operational concept of an RMB.
2.1.2. Passive Magnetic Bearings
Passive Magnetic Bearings (PMBs) achieve rotor suspension through magnetic fields generated by their own permanent or induced magnetism. A key advantage of PMBs is their simple structure, which requires no active control systems or external power, resulting in zero power consumption. However, this simplicity also means that the stiffness and damping of the system cannot be actively adjusted, which limits their versatility compared to active systems.
PMBs can be classified into three categories based on their suspension mechanisms:
- Superconducting Magnetic Bearings,
- Diamagnetic Magnetic Bearings and
- Permanent Magnetic Bearings.
Among these, superconducting and diamagnetic bearings have limited practical use due to the need for cryogenic environments and inherently low stiffness, respectively. In contrast, permanent magnetic bearings are more commonly employed in practical applications [36,37]. The material of magnetic rings mostly adopts NdFeB with better performance. An example of a permanent magnetic bearing is illustrated in Figure 4.
Figure 4.
The 3-D constructor and prototype of a PMB.
Compared with AMB, the support force and stiffness provided by PMBs are relatively lower [38,39]. Therefore, PMBs generally adopt a stacked structure of multiple pairs of magnetic rings to achieve higher support stiffness. The basic design consists of two PM rings. Based on polarity and the layout direction, there are four basic configurations [40], namely radially attractive and repulsive types and axially attractive and repulsive types, as shown in Figure 5 and Figure 6. In Figure 5a, when the two rings are offset in the radial direction, the attractive force will pull them back to the middle position, while the repulsive force will push them back to the middle position in Figure 5c.
Figure 5.
Radial PMB structure. (a) Attractive type; (b) Attractive type; (c) Repulsive types; (d) Repulsive types.
Figure 6.
Axial PMB structure. (a) Repulsive types; (b) Repulsive types; (c) Attractive type; (d) Attractive type.
The attractive-type PMB is an unstable system when compared to the repulsive-type. For instance, in radial PMB (a), if the control failure occurs in the axial direction, the suspended rotor may drop or collide upward, which will damage the brittle magnetic ring. In contrast, the repulsive-type PMB overcomes the shortcomings of the attractive-type PMB. In the case of axial control failure, it can prevent the impact force caused by attraction and avoid damage to the bearing. However, repulsive PMB requires higher PM coercivity to resist demagnetization.
To address the low bearing capacity and stiffness associated with a single pair of magnetic rings, stacking is often used to improve their performance in engineering applications. Eight different topologies can be obtained from two stacking ways and four magnetization combinations [41,42,43]. The various combinations of stacking and magnetization are presented in Table 2.
Table 2.
Stacking structure under different magnetization.
2.1.3. Hybrid Magnetic Bearings
Hybrid Magnetic Bearings (HMB) are an extension of the AMB design, incorporating permanent magnets (PMs) embedded within the tooth or yoke to generate a static bias magnetic field. This integration allows for the omission of the coil that typically generates the bias field, resulting in a more compact structure, reduced power consumption, and improved power density [44,45]. However, this configuration introduces greater complexity compared to traditional AMBs. For instance, in Figure 7, PMs are embedded in three alternating magnetic poles [46,47]. These permanent magnets create a permanent bias magnetic circuit in conjunction with the adjacent magnetic poles. The control current is then introduced into the coils to adjust the magnetic force. Compared to AMBs, which rely on coils to generate both bias and control magnetic fields, the current required in the coils of HMBs is inherently lower.
Figure 7.
The magnetic circuit (flux lines) and prototype of a 6-pole HMB [46].
2.2. Comparison of Magnetic Bearing
The previous section provides a summary of the classification and fundamental principles of magnetic bearings. This classification framework serves as the foundation for understanding the diversity of magnetic bearing technologies and for selecting the most appropriate technical approaches. Table 3 presents a comparative analysis of the basic characteristics of the three main types of magnetic bearings.
Table 3.
Comparison of basic characteristics of three types of magnetic bearings.
The diverse technical options available for magnetic bearings offer a wide range of choices for various industrial applications. Table 4 outlines the current application status and typical use cases of active, permanent magnet, and hybrid magnetic bearings across different industries, highlighting the relationship between their technical characteristics and application requirements.
Table 4.
Comparison of the main application fields of three types of magnetic bearings.
Magnetic bearings offer numerous advantages; however, each type presents distinct technical challenges and application limitations that directly influence their adoption across various industries. Table 5 summarizes and compares the primary technical limitations associated with each type of magnetic bearing. These limitations not only act as barriers to the widespread use and implementation of magnetic bearings but also highlight potential avenues for future technological advancements.
Table 5.
Comparison of the main technical limitations of three types of magnetic bearings.
3. Research Progress on Key Technologies of Magnetic Bearing
Although magnetic bearings have been successfully applied across various fields, evolving demands require further enhancements in their performance. To fully harness their potential in high-speed and non-contact applications, the development and integration of several key technologies are crucial.
3.1. Topology and Modeling
3.1.1. Bearing Topologies
Various new configurations have been developed based on the conventional 4-pole and 8-pole active RMBs to enhance performance and reduce losses. The 4-pole RMB offers a simple coil layout and structural symmetry, making it ideal for small to medium-sized rotors. However, the magnetic circuits along the x and y axes are coupled. In contrast, the 8-pole RMB provides higher magnetic flux concentration and better control. However, with all eight poles arranged in a single plane and alternating north-south polarity, the magnetic field completes two full cycles per rotor revolution, leading to significant hysteresis and eddy current losses. To overcome these challenges, the 3-pole RMB presents a promising, compact alternative, particularly suited for rotors with small shaft diameters [48,57,58,59,60]. Additionally, using a three-phase inverter for control significantly reduces both system cost and complexity [61,62,63,64,65], as shown in Figure 8.
Figure 8.
Prototype of 3-pole AMB and its control topology [57]. (a) Prototype; (b) Control topology.
In the 4-pole and 8-pole RMBs, the displacement in one axis is decoupled from the current and position in the orthogonal axis. However, the structural asymmetry of the 3-pole RMB introduces cross-coupling between electromagnetic forces along the x and y axes, thus increasing control complexity and susceptibility to instability. As a result, decoupling strategies must be integrated into the control algorithm to ensure system stability and precision [48,57,58,59,60,61,62,63,64,65,66,67]. To address this coupling issue, a 6-pole RMB topology has been proposed, as illustrated in Figure 9 [68]. Decoupling among the three pairs of electromagnets can be realized either by connecting coils on diametrically opposed poles or by linking coils on adjacent poles. These configurations enable a reduction in the number of drivers and power amplifiers, thereby lowering system cost and power consumption [47,69,70,71,72]. However, a notable limitation of this design is its relatively low resultant force coefficient due to the 120° spatial separation between electromagnets.
Figure 9.
6-poles AMB [68]. (a) Opposite poles connected; (b) Adjacent poles connected.
As the rotor diameter increases, the number of poles in magnetic bearings must also be increased to ensure adequate load capacity [73,74]. For instance, 12-pole and 16-pole RMBs, as shown in Figure 10a,b, provide comparable load-bearing capabilities to conventional 8-pole designs for medium- and large-sized rotors while offering reduced magnetic coupling effects and improved magnetic field uniformity. High-pole-count magnetic bearings are well-suited for applications such as industrial compressor blowers and heavy-duty centrifuges. However, these configurations require more power amplifiers and higher driving voltages, posing additional challenges in system design and integration. For magnetic bearings with a high number of poles used in very large rotors (as shown in Figure 10c, the marginal improvement in load capacity diminishes with increasing pole count, though the magnetic field becomes more uniformly distributed [75]. A modular pole design can enhance overall stiffness and mechanical robustness; however, it introduces greater assembly complexity, necessitates precise current control in each coil, and leads to elevated eddy current losses. Table 6 provides a comparative analysis of magnetic bearing technologies across different pole configurations.
Figure 10.
12-poles, 16-poles and 20-poles AMB [73,74,75]. (a) 12-poles; (b) 16-poles; (c) 20-poles.
Table 6.
Comparison of magnetic bearings with different poles.
In AMB, the magnetic field is generated entirely by electric coils, which results in significant heat generation. To reduce power consumption, HMB replaces the bias magnetic field coils with permanent magnets (PMs). HMBs are generally classified into homopolar and heteropolar types based on the polarity arrangement of the magnetic poles [47,76,77,78]. In homopolar HMBs, the bias and control magnetic fields are located in different planes, resulting in weak magnetic coupling. These systems typically use a split stator design, with PMs configured as axial rings or multiple rectangular blocks, leading to a relatively longer axial length. In contrast, heteropolar HMBs feature alternating pole polarities, with the bias and control magnetic fields in the same plane, resulting in stronger magnetic coupling but also a higher risk of PM demagnetization. In this configuration, PMs are usually embedded within the stator, resulting in a more compact structure and shorter axial length.
As a result, homopolar HMBs generally exhibit lower rotor eddy current losses, while heteropolar HMBs offer a higher critical speed [79,80]. Figure 11 and Figure 12 illustrate typical configurations of both designs.
Figure 11.
Model and prototype of 4-pole homopolar HMB [76].
Figure 12.
Model and prototype of 6-pole heteropolar HMB [47].
3.1.2. Modeling of Electromagnetic Force
The electromagnetic force modeling of magnetic bearing is the core foundation of system design and control, and its accuracy directly affects the bearing characteristics, dynamic response and stability. The current mainstream modeling methods can be divided into two major categories: analytical methods and numerical methods. In the following, the way of electromagnetic force modeling of magnetic suspension bearing is classified and elaborated.
- 1.
- Equivalent Magnetic Circuit MethodThe equivalent magnetic circuit method (EMC) is the most classical modeling method for the electromagnetic force of magnetic bearings, which is widely used in AMB and HMB [44,77,81,82,83,84,85,86,87,88]. EMC simplifies the topological relationship of the magnetic circuit and decomposes the magnetic circuit into series or parallel reluctances for calculation. It is suitable for magnetic bearing structures with relatively regular magnetic field distribution. For ease of calculation, only the working air-gap reluctance is generally considered, while the leakage reluctance and the core reluctance are ignored. The advantage of this method is its high calculation efficiency (more than 10 times faster than FEM), but the leakage effect needs to be corrected through the leakage coefficient compensation, with an error of approximately 5% to 10%.
- 2.
- Maxwell Tensor MethodBased on Maxwell’s equations, the electromagnetic force is calculated by integrating the air-gap magnetic field tensor, which is especially suitable for modeling the radial force of AC magnetic bearing [49,89,90,91,92,93,94,95,96]. In [91], an accurate radial force model is established for bearingless motors and quantifies the suspension force through the air-gap flux density component. The stiffness of the magnetic bearing is analyzed and quantified by the Maxwell tensor method in [49], and the error can be within 3%.
- 3.
- Equivalent Magnetic Charge MethodThe general magnetic circuit model proposed by Yonnet assumes that the PM is infinite in length, and the magnetic force analytical formula of PMB is derived by combining the equivalent magnetic charge method [97]. This method equivalents the permanent magnet as a virtual magnetic charge distribution and calculates the magnetic force in combination with Coulomb’s law. According to the force relationship between the magnetic charges at two points, the numerical integration model of axial, radial, and Halback magnetized PMB can be established [98,99,100,101]. However, the numerical calculation methods of the model are generally complicated.
- 4.
- Magnetic Network MethodBased on EMC, the magnetic network (MN) method constructs nonlinear equations by further discretizing the magnetic circuit nodes, which takes into account both computational efficiency and accuracy. For spherical magnetic bearings, the magnetic field is segmented accurately based on the flux-tube principle, and the edge flux and flux leakage are calculated accurately [11]. A network model in a spherical coordinate system is established to quantify the multi-degree freedom coupling effect, and more accurate calculation results are obtained.
- 5.
- Subdomain MethodThe subdomain method divides the magnetic field region into linear subdomains (such as air gaps, cores, and PMs) and solves them by the magnetic field boundary conditions. The magnetic field problem in sub-regions can be solved by using the vector magnetic potential within each sub-region. In [102,103,104], the radial AMB is divided into air-gap domain and slot domain. The zero-order equation and first-order equation of the magnetic field are calculated in polar coordinates, and the distribution of the magnetic field is obtained by using the method of variable separation.
- 6.
- Finite element methodThe finite element method (FEM) is the preferred tool for complex geometry and nonlinear material modeling, which has the highest accuracy and can construct multi-physics coupled models. However, the preprocessing and calculation time of the model are long, which limits the efficiency of design optimization and the speed of system-level simulation.
Table 7 compares and summarizes the electromagnetic force modeling methods mentioned above. For magnetic bearings with different structures, appropriate modeling methods should be selected according to requirements.
Table 7.
Comparison of electromagnetic force modeling methods.
3.2. Control Strategy
3.2.1. Classical PID Control
The fundamental distinction between AMB systems and conventional control systems lies in the inherent open-loop instability and negative stiffness characteristics of both AMB and HMB systems [105,106]. These characteristics necessitate the use of closed-loop control to ensure stable rotor suspension and operation [35,107]. In modern industrial applications, the most widely adopted control strategy remains the Proportional-Integral-Derivative (PID) controller due to its simple structure, intuitive parameter tuning, and independence from the physical model of the controlled system [108,109,110]. For AMB systems with multiple DOFs and rigid rotors, each DOF can be considered independently and regulated using decentralized PID control. This approach simplifies the control architecture while maintaining effective dynamic performance [111,112]. Most existing magnetic bearing systems employ decentralized PID controllers or their variants [113,114,115,116,117,118], such as fractional order PID [116,119], segmented PID, Neural network PID [52,120,121], fast optimal PID, expert PID, and fuzzy PID [122,123,124] control, among others.
It should be emphasized that the AMB is a nonlinear and strongly coupled dynamic system. The widely used decentralized PID control strategy, while simple and effective in many cases, does not account for inter-axis coupling, which can significantly affect performance in high-speed and high-precision applications. As industrial demands for higher rotational speed, greater stability, and improved dynamic response continue to rise, traditional decentralized PID control increasingly falls short of meeting modern engineering requirements. To address the multi-input multi-output (MIMO) coupling present in AMB-rigid rotor systems, considerable research has been devoted to decoupling strategies. These aim to transform the coupled system into a set of independent single-input, single-output (SISO) subsystems under specific conditions. This approach preserves the simplicity and tuning advantages of PID controllers while incorporating anti-gyroscopic coupling characteristics from modern control theory, thus enhancing both system stability and control precision. Currently, several decoupling techniques have been applied to AMB systems, including linear state feedback decoupling [125], cross-feedback decoupling control [126,127], and modal decoupling control [128], among others.
3.2.2. Advanced Control Algorithm
Considering the significant nonlinearity and coupling phenomena of the rotor during high-speed rotation, researchers are extending intelligent control methods beyond traditional PID. With the rise of intelligent algorithms and high-performance processors, several more advanced control algorithms have been applied to magnetic bearing control, such as robust control [129,130,131], predictive control [132,133,134], sliding-mode control [135,136,137,138], neural network control [139,140], and adaptive control [54,141,142], fuzzy control [143,144,145], active disturbance rejection control [50,146,147]. These methods and their variants bring solutions to strong nonlinearity, parameter uncertainty, and external disturbances, greatly enhancing stability and accuracy and improving overall static and transient performance.
- 1.
- Robust controlRobust control ensures the system stability under parameter variations or external disturbances by designing controllers that are insensitive to uncertainties, parameters in the model and disturbances. In the magnetic bearings, the robust controller based on μ analysis effectively deals with the high-frequency vibration and modal coupling problems in the rotor dynamics through frequency domain analysis and pole configuration and improves the stability margin of the system. Plus, H∞ control is applied to solve the mode control problem of the magnetic bearing rotor system. The system identification model is established by the orthogonal polynomial fitting method, and the stable suspension and mode suppression of the rotor are realized.
- 2.
- Model Predictive Control (MPC)MPC predicts future system states and optimizes control inputs based on a system model, making it well-suited for multivariable coupled control in magnetic bearing systems. MPC based on the radial 4-DOF global control model can achieve high-precision tracking of the rotor position and transient response optimization using the state-space model and optimal controller design. This approach demonstrates excellent performance in high-speed rotating machinery. However, it also entails high computational complexity and depends heavily on high-performance processors for real-time implementation.
- 3.
- Sliding-mode control (SMC)SMC is extensively applied in the nonlinear control of magnetic bearings due to its strong robustness against parameter variations and external disturbances. By appropriately designing the sliding surface and control law, SMC ensures fast convergence and effectively suppresses rotor displacement fluctuations. In applications such as magnetic bearings for wind turbines, the integration of SMC with PID control has been shown to reduce overshoot and enhance response speed. However, the well-known chattering phenomenon associated with SMC remains a challenge and necessitates further improvement through techniques such as adaptive boundary layer design and higher-order sliding mode methods.
- 4.
- Neural network controlNeural networks can effectively model the complex behaviors of magnetic bearings by learning and approximating their nonlinear dynamics. A hybrid control architecture, integrating deep learning with PID feedback, is employed to design a compensation controller, significantly enhancing the suppression of unbalanced vibrations. Additionally, convolutional neural networks (CNN) and gated recurrent units (GRU) are utilized for fault prediction through the analysis of current waveforms and vibration spectra. However, neural networks face challenges, including a reliance on large volumes of training data and the need for optimization to meet real-time performance requirements.
- 5.
- Adaptive controlAdaptive control adjusts system parameters online to accommodate changes, with methods like Model Reference Adaptive Control (MRAC) and Active Disturbance Rejection Control (ADRC). In magnetic bearing control systems, the ADRC algorithm, utilizing an extended state observer, estimates and compensates in real time, thereby minimizing manual parameter adjustments. Intelligent optimization techniques, such as Beetle Antennae Search (BAS), are employed to fine-tune PID parameters, achieving rapid convergence and low energy consumption in multi-DOF magnetic bearings.
- 6.
- Fuzzy controlFuzzy control does not require the precise mathematical model of the plant or the detailed system dynamics. It is particularly suitable for dealing with the nonlinearity and uncertainty of the magnetic bearing system. It relies on the relationship between error, error rate and output and uses fuzzy reasoning based on control rules to adjust control decisions according to specific system conditions to meet requirements. It overcomes the limitation of traditional PID control that cannot be adjusted in real-time. It also saves the time required for manual control parameter debugging.
- 7.
- Active disturbance rejection controlAs an advanced Control method that does not rely on accurate models, Active Disturbance rejection control (ADRC) has been widely used in magnetic bearings in recent years. The core idea is based on real-time estimation and compensation of disturbance. The multi-DOF coupling effect of the magnetic bearing is estimated in real-time through the Extended State Observer (ESO), and the nonlinear feedback control law is combined to realize decoupling and disturbance rejection. ADRC only needs to design the controller based on the input and output data. This property is especially suitable for scenarios where the nonlinear dynamics of magnetic bearings are difficult to model accurately.
A single control algorithm often cannot simultaneously optimize both transient performance and system robustness. Therefore, combining multiple control strategies can yield superior results. For instance, the integration of fuzzy control with PID combines the rule-based flexibility of fuzzy control with the steady-state accuracy of PID, striking a balance between transient response and disturbance rejection in HMB systems [143,145]. Another example is the fusion of adaptive control with robust control to address the strong coupling issues in magnetic bearings. Simulation results demonstrate that this approach reduces errors by over 70% compared to traditional methods [53,54]. Table 8 compares the aforementioned control methods.
Table 8.
Comparative analysis of different control strategies.
3.3. Power Drive System and Controller of Bearings
3.3.1. Driver Topology Design
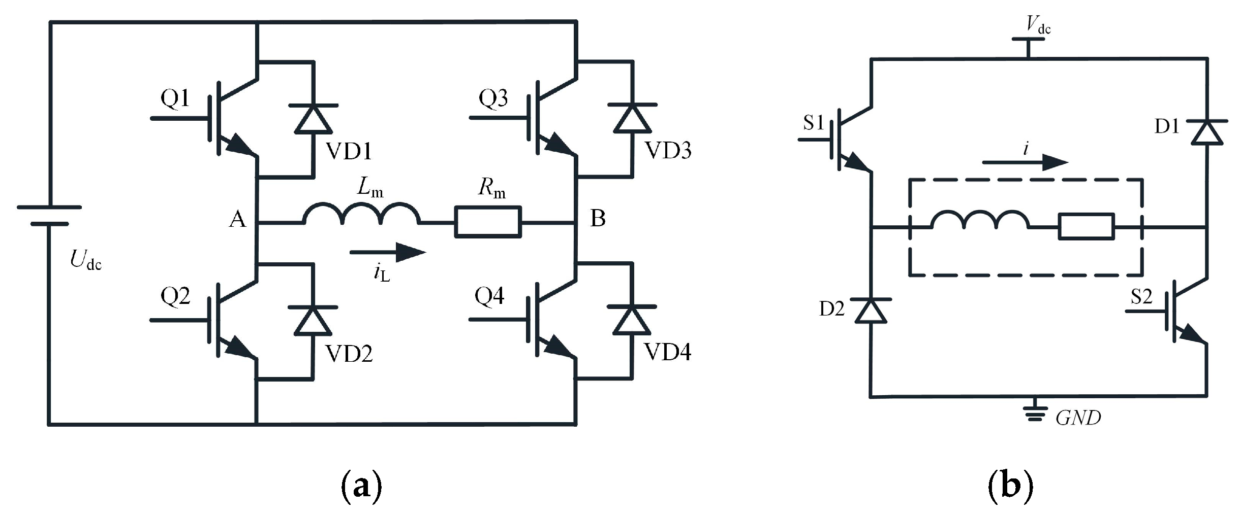
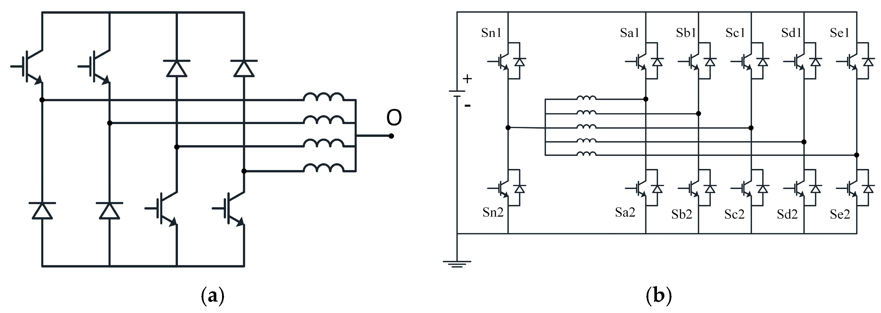
An efficient and stable power amplification system is essential for achieving a magnetic bearing system with high sensitivity, rapid response, and low cost. Traditional linear power amplifiers have been replaced by power electronic converters due to their high loss and large size. One of the earliest solutions is the full-bridge topology shown in Figure 13a [148], which controls the coil current through four switches, offering a three-level output and good transient performance. However, multi-DOF magnetic bearing systems require a large number of devices, leading to high cost and volume. Improved topologies, such as the unipolar half-bridge structure in Figure 13b, reduce the number of devices by half and are ideal for active magnetic bearings (AMBs) that require only unidirectional current [149,150].
Figure 13.
H-bridge drive topology. (a) Full bridge [148]; (b) Half bridge [149].
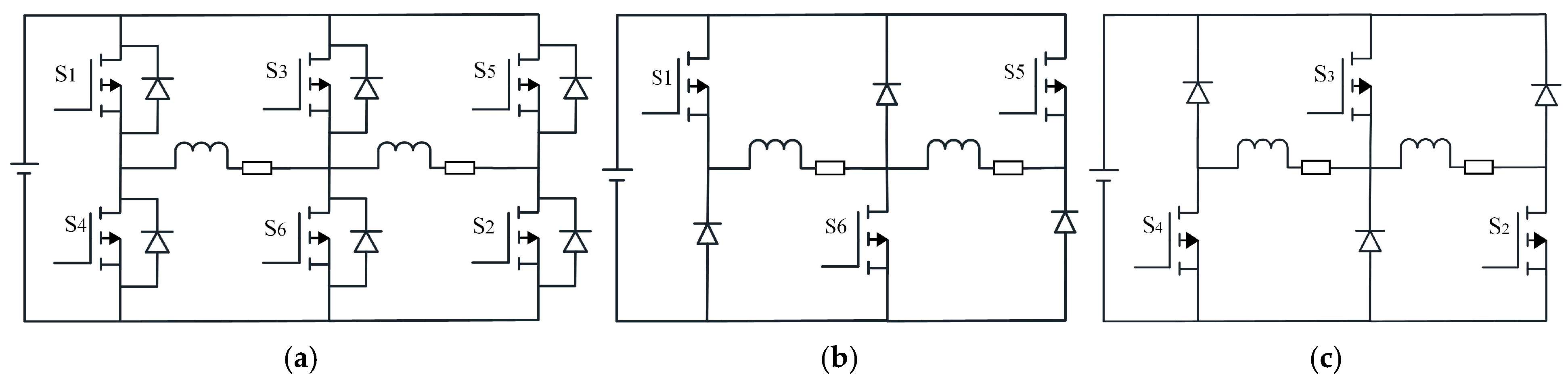
However, using an H-bridge topology for each coil requires a large number of electronic devices. Hence, a three-phase full-bridge topology is proposed to control a single degree of freedom (DOF), as shown in Figure 14a [151]. This three-phase topology allows the two coils to share the middle bridge, simplifying the design and reducing the number of switching devices by approximately one-quarter compared to the full-bridge topology.
Figure 14.
Three-phase drive topology. (a) Three-phase full-bridge [151]; (b) Three-phase half-bridge t-b-t [152]; (c) Three-phase half-bridge b-t-b.
Despite this improvement, the switching devices in the three-phase full-bridge topology are still underutilized, and redundancy remains in the system. To optimize this, a three-phase half-bridge topology is introduced, where each three-phase half-bridge controls two coils on a single DOF [152]. Depending on the configuration of the switching devices, this topology is divided into the b-t-b structure and the t-b-t structure. The b-t-b structure, shown in Figure 14b,c, offers the advantage of reducing the number of common grounds and gate drive power supplies compared to the t-b-t structure. However, since the output voltage on the shared bridge is fixed at Vdc/2, the DC voltage utilization is halved in comparison to the H-bridge structure.
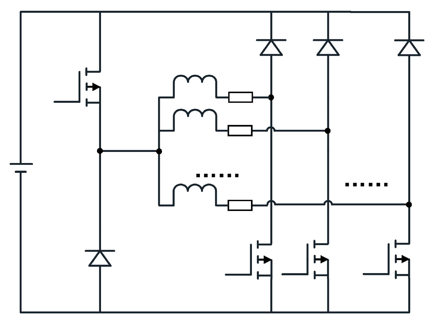
Building on the shared bridge concept in Figure 15, the number of devices can be further reduced by sharing multiple bridges [153]. As illustrated in Figure 16, the switching devices for the shared bridge are positioned in the upper bridge, which connects to the DC bus, while the switching devices of non-shared bridges are located in the lower bridge connected to the negative pole. These bridges share a drive isolation power supply. In the case of an N-axis magnetic bearing system, only 2N + 1 switching devices and diodes are required. This approach reduces the total number of devices; however, the current on the shared bridge is the sum of the currents from the other bridges, resulting in higher current stress. Consequently, the shared bridge needs to be designed with greater consideration, increasing the risk of failure. To address this, the reverse shared bridge structure is introduced, which modifies the system to reverse half of the coil currents. This configuration causes the currents on the shared bridge to cancel each other out, significantly reducing the current stress. For an N-axis system, this topology requires 2N + 2 switches and diodes.
Figure 15.
Shared bridge drive topology concept [153].
Figure 16.
Shared bridge drive topology and reverse shared bridge drive topology [154]. (a) Shared bridge drive. (b) reverse shared bridge drive.
In the previously discussed shared bridge topology, a single bridge serves as the common node for all coils. To maintain system stability, the average voltage at the midpoint of this common bridge must remain constant, which inherently limits the DC voltage utilization across all H-bridge topologies. This constraint can reduce the control system’s bandwidth. To overcome this limitation, a series coil topology with multiple shared bridges is proposed, allowing the midpoint voltages at both ends of each coil to vary dynamically [154,155]. This approach preserves high DC voltage utilization without increasing the number of switching devices. As shown in Figure 17a, a four-phase, four-bridge topology eliminates the need for a common arm, further reducing the controller’s physical footprint while maintaining performance.
Figure 17.
(a) Four-phase four-bridge topology. (b) Five-phase six-bridge topology [156].
The above-mentioned three-phase topology, shared bridge topology and series coil topology belong to the unipolar switching power amplifier topology, which is generally applied to the AMB system of current superposition type. For HMB of magnetic field superposition type, it is necessary to use the bipolar switching power amplifier to realize the control of the rotor through the bidirectional flow of current. Therefore, to realize the suspension control of the 5-DOF HMB, the topology of the five-phase six-bridge is proposed in Figure 17b [156].
Table 9 compares the number of devices and DC voltage utilization across various topologies for an N-axis system. Compared to the H-bridge structure, all improved topologies demonstrate a reduction of switching devices. Notably, the series coil topology achieves optimal device efficiency without compromising DC voltage utilization, offering a balanced solution in terms of performance and hardware cost.
Table 9.
Comparison of the topologies of the N-axis system.
3.3.2. Fault-Tolerant Control and Fault Detection
Magnetic bearing systems are primarily used in applications requiring high-speed and high-precision control, where a rotor drop caused by system failure can lead to severe damage. During a suspension failure, the rotor instability manifests as a mechanical process, whereas the associated current failure in the coils is an electrical process. Since electrical dynamics are significantly faster than mechanical responses, the rotor position undergoes minimal change in the immediate aftermath of a fault. Additionally, given that the coil resistance is typically much lower than its inductive reactance, the power amplifier introduces a natural delay. This delay, combined with the response characteristics of power electronic converters, creates an opportunity for implementing fault-tolerant control strategies within the system.
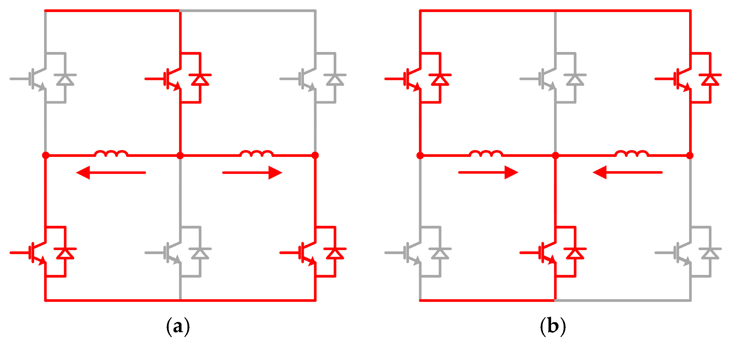
The electromagnetic force in magnetic bearings is a reluctance force, which depends on the magnitude of the current rather than its direction. Therefore, topologies such as the full-bridge and three-phase full-bridge, despite incorporating redundant switching devices, offer a natural advantage for fault-tolerant operation. These redundant components can be repurposed to serve as a backup for an entire drive channel. In the event of a failure, the current path can be rapidly redirected in the opposite direction without affecting the generated electromagnetic force, enabling continuous system operation. For example, in a three-phase full-bridge topology, if a fault occurs in one switch or current path, the system can quickly switch to the redundant half of the bridge. By reversing the current direction through the alternate path while maintaining the same current magnitude, the magnetic force remains unaffected, thereby achieving fault-tolerant control without compromising suspension performance [153]. Figure 18 shows the fault-tolerant operation for three-phase full-bridge topology.
Figure 18.
Fault-tolerant operation for three-phase full-bridge topology [153]. (a) normal mode. (b) Redundant mode.
The three-phase full-bridge converter shown in Figure 14a can be conceptualized as comprising two sets of three-phase half-bridge modules: (S2, S3, S4) and (S1, S5, S6). During normal operation, as illustrated in Figure 18a, the first set of switches (highlighted in red) is active, while the remaining switches remain in standby mode without receiving control signals. In this configuration, current flows outward from the shared bridge to the coils. In the event of a failure, the system can switch to the redundant drive mode, as shown in Figure 18b. Here, the second set of switches becomes active (highlighted in red), and the previously used switches are turned off. In this mode, current flows into the shared bridge. Since the electromagnetic force in magnetic bearings is a reluctance force and is independent of the current direction, both drive configurations can generate equivalent suspension forces. This inherent bidirectionality enables fault-tolerant operation, ensuring continuous rotor suspension even under drive system failure.
Common faults in switching devices primarily include open-circuit and short-circuit failures, both of which can cause sudden and abnormal variations in coil currents. As a result, fault detection in magnetic bearing drive systems can be effectively achieved by monitoring and analyzing the total coil current. Significant deviations from expected current profiles may indicate the presence of a switching fault, enabling timely fault diagnosis and the activation of fault-tolerant control mechanisms. To enable rapid fault diagnosis and response, two threshold currents are defined: Iopen and Ishort. If the total measured coil current falls below Iopen, it indicates an open-circuit fault in the switching device. In this case, control of the magnetic bearing rotor can be restored by promptly switching from the faulty drive module to a redundant backup module. Conversely, if the total current exceeds Ishort, it signifies a short-circuit fault within the module. Under such conditions, all control signals and drive modules should be immediately shut down to prevent further damage to the system and ensure operational safety. This threshold-based strategy enables fast and reliable protection for high-speed magnetic bearing systems.
3.3.3. Controller Hardware Platform
The hardware platform of the magnetic bearing controller is the key carrier to realize high precision and high real-time control. With the complexity of the control algorithm and the increase of the demand for multi-DOF cooperation, the controller hardware has gradually developed from the early analog circuit to a digital architecture with an embedded microcontroller (such as STM32), digital Signal processor (DSP) and Field Programmable Gate Array (FPGA) as the core. The following elaborates on hardware types, performance characteristics, and typical applications
- 1.
- Embedded MicrocontrollerThe STM32 series core microcontrollers are widely used in medium and low-complexity maglev systems due to their advantages of low power consumption, high integration and cost. For example, the STM32F4 series (main frequency of 180 MHz) captures the Hall sensor signal through a timer and combines the PID algorithm to achieve single-DOF suspension control with a displacement resolution of ±10 μm [157]. The CAN and Ethernet interfaces of STM32 can realize multi-axis cooperative control, but limited by the computing power, STM32 makes it difficult to meet the real-time requirements of high-speed multi-DOF systems.
- 2.
- Digital Signal ProcessorDigital Signal Processor (DSP) has become the mainstream scheme of dynamic control of magnetic bearing because of its high-performance floating-point operation ability and special peripheral equipment. The built-in redundant ADC module supports sensor fault detection and switching, which improves the fault tolerance of the magnetic bearing system. TMS320F28335 (main frequency 150 MHz) is adopted in [158,159] combined with a fault diagnosis algorithm, which can control the fault switching time of magnetic bearing in 5 ms and significantly improve the stability of the system.
- 3.
- Field Programmable Gate ArrayWith the characteristics of parallel processing and nanosecond delay, a Field Programmable Gate Array (FPGA) plays a key role in high-speed and multi-variable maglev systems. In the speed-holding mode of a high-speed maglev motor, the observation accuracy of steady-speed frequency is better than 5 Hz, and the response time is less than 50 μs [160,161].
The different types of controller hardware of magnetic bearings are summarized in Table 10. It is necessary to take into account both the performance and cost to select the appropriate controller platform.
Table 10.
Comparison of controller hardware platform.
4. Application Fields and Typical Cases
Building on the aforementioned key technologies, magnetic bearings have found applications across a wide range of fields. Based on application domains and functional requirements, their use can be classified as follows.
4.1. Industrial Field
4.1.1. High-Speed Motor and Compressor
Fully sealed compressors equipped with shielded magnetic bearings and shielded induction motors can be used for various challenging applications, including acid gas handling, subsea compression, wet gas compression, and CO2 reinjection. The operating conditions for such sealed compressors are examined. Ref. [51] gives an application where the use of canned magnetic bearings for enhanced recovery in a CO2 environment can eliminate the shaft end seal and thus improve the reliability of the machine. Table 11 shows its parameters. At the same time, safety is improved due to the reduced risk of gas leakage into the environment, which is also important to underwater applications.
Table 11.
The parameters of the hermetically sealed compressor.
4.1.2. Precision Machine Tool Spindle
By tracking the position of the spindle tool, an AMB controller based on μ-synthesis is designed to minimize the difference between the reference position and the estimated position of the tool [48]. The experimental verification is carried out on the spindle AMB boring machine. At 15,000 r/min, the step-shaped, conical, and convex contours are successfully tracked with steady-state errors of about 8.7% and static and position fluctuation of 0.851 μm and 1.887 μm, respectively. The system shows strong robustness under static loads of 3.2 kg and dynamic loads with a 10 mm eccentricity, which verifies the effectiveness of the proposed method for balancing tracking accuracy and anti-interference ability in high-speed machining. Parameters are listed in Table 12.
Table 12.
The parameters of the high-speed spindle.
4.2. Energy and Transportation Field
4.2.1. Flywheel Energy Storage System
A 5-DOF AMB system, designed for a high-strength steel energy storage flywheel without a shaft and hub, is presented in Table 13 [162]. By integrating radial, axial, and tilt suspension functions into a single unit, this design replaces the traditional multi-unit magnetic bearing system, significantly simplifying the structure and reducing costs. Experimental tests demonstrate the system’s capability to support a flywheel weighing 5440 kg and measuring 2 m in diameter, with an air gap of 1.14 mm. These results confirm the bearing’s reliability under high load conditions and validate the design approach. This technology enhances the energy density of the flywheel storage system, achieving twice the capacity of conventional steel flywheels while also reducing material costs, offering strong potential for practical engineering applications.
Table 13.
The parameters of flywheel energy storage system.
4.2.2. Wind Turbine Spindle
A design for a small vertical wind turbine based on a magnetic suspension axial flux PM generator is proposed [163]. By integrating PMBs, the turbine achieves frictionless suspension, which minimizes mechanical losses and enhances efficiency. The performance details are provided in Table 14. Experimental results show that the application of PMBs significantly improves the turbine’s speed and efficiency, particularly under variable wind conditions, outperforming traditional bearing systems. This design simplifies the system by eliminating the need for gear transmission, reducing complexity and costs, and utilizing low-cost materials, making it ideal for home and small-scale applications.
Table 14.
The parameters of the prototype.
4.3. Extreme Environments
4.3.1. Satellite Momentum Wheel
In the aerospace field, spacecraft orientation is stabilized in the desired direction through attitude control. The control moment gyroscope (CMG) serves as a critical actuator for achieving agile and reliable attitude control. The integration of magnetic bearings significantly reduces the external forces transmitted to both the bearing stator and the spacecraft. By utilizing robust control and adaptive feedforward compensation, both internal multi-parameter disturbances and external continuous disturbances are effectively suppressed. This greatly enhances system stability during high-speed and dynamic operations, making it well-suited for spacecraft attitude control, where stringent micro-vibration requirements must be met [54]. The prototype and relevant parameters are provided in Table 15.
Table 15.
The parameters of moment gyros.
4.3.2. Nuclear Reactor Cooling
In nuclear reactors, where temperatures and radiation levels are high, gas-cooled high-temperature reactors (HTRs) rely on high-purity helium as both a coolant and heat carrier. The lubricants or wear debris from traditional bearings may fail or contaminate the helium medium, limiting the reliability of these HTRs. Magnetic bearings present a viable solution to address this challenge [164]. Due to the extremely high operating temperatures of gas-cooled HTRs, traditional bearing materials are prone to failure from thermal expansion or fatigue. In contrast, magnetic bearings, with no mechanical contact and no need for lubrication, offer excellent high-temperature resistance. This eliminates the risk of material thermal deformation, ensuring clean, stable, and efficient operation of the HTR under extreme conditions. A practical application is presented in Table 16.
Table 16.
The parameters of centrifugal helium circulator.
5. Technical Challenges and Future Trends
5.1. Technical Challenges
5.1.1. Multi-Field Coupled Modeling and Calculation
The modeling and calculation of magnetic bearings are critical for linking theoretical design, performance optimization, and practical application [165,166]. However, challenges related to three-dimensional (3-D) electromagnetic field calculations [167,168,169], electromechanical coupling dynamics [170,171,172] and eddy current [173,174] continue to be major bottlenecks in the current development of this technology.
Currently, the equivalent magnetic circuit method remains the most traditional approach for analyzing the magnetic flux of active magnetic bearings (AMB) and hybrid magnetic bearings (HMB) [44,77,82,83]. In this method, the mathematical model of the suspension force is derived by constructing an equivalent magnetic circuit diagram, with parameters determined using typical reluctance formulas and engineering experience [84,85,86,87,88]. However, this approach assumes ideal conditions, neglecting the effects of local material saturation [175,176,177,178,179], eddy current loss, edge magnetic leakage and other factors [180]. Some studies have explored variations of the equivalent magnetic circuit method that account for material nonlinearity and eddy current effects. These advancements significantly reduce the model’s calculation error by incorporating the edge effect, thus improving the accuracy of the 3-D electromagnetic field calculation for magnetic bearings. To further enhance the modeling’s accuracy and generality, the Maxwell tensor method [49,89,90,91,92,93,94,95,96] can also be employed. Nonetheless, factors such as magnetic circuit saturation and edge effects must still be carefully considered.
The stiffness and damping characteristics [181,182,183,184] of magnetic bearings are influenced by electromagnetic forces, control parameters, and rotor dynamics. Transient modeling of magnetic bearing-rotor systems is crucial for optimizing control and mitigating unbalanced vibrations. While the transient model of the rotor on a rigid foundation has been studied, an accurate multi-DOF transient model that accounts for the modal coupling phenomenon of a flexible rotor crossing the critical speed is still required for further refinement.
The modeling and calculation of magnetic bearings have evolved from static analysis of single physical fields to dynamic coupling of multiple fields. Moving forward, overcoming existing bottlenecks will require the integration of high-performance computing, artificial intelligence, and advanced material technologies. By developing high-precision mathematical models, creating intelligent agent models, and fostering interdisciplinary collaboration, the modeling of magnetic bearings will become more efficient and accurate. This will lay the groundwork for their widespread application in fields such as flywheel energy storage, high-speed motors, and aerospace.
5.1.2. Balance Between System Cost and Reliability
The performance of magnetic bearings relies on the precise detection and timely adjustment of rotor displacement through the closed-loop control system. However, the trade-off between cost and reliability of existing sensors has become a major bottleneck, limiting their widespread application. Eddy current sensors, as the predominant displacement detection solution, offer advantages in accuracy and transient response [185,186]. However, their high cost and reliability concerns have driven the industry to explore alternative solutions, such as inductive sensors and self-sensing technologies.
Eddy current sensors operate at high-frequency excitation ranges (typically 500 kHz to 20 MHz) and impose stringent requirements on material uniformity, surface finish, and temperature stability. The manufacturing costs of key components, such as probe coils and signal processing chips, account for approximately 30% to 40% of the total cost of a magnetic bearing system. Traditional magnetic bearing systems closed-loop control needs to obtain real-time displacement signals in 5-DOF, and any failure of the sensors can directly lead to system instability [187]. Additionally, sensor installation can introduce geometric errors, eventually reducing control accuracy.
Inductive sensors measure displacement by detecting variations in inductance and offer a cost advantage—approximately 1/5 that of eddy current sensors [188]. However, they still face challenges, including nonlinear measurement errors, sensitivity to electromagnetic interference, and limited transient response. Sensorless magnetic bearing technologies estimate rotor position indirectly through high-frequency signal injection or state observers, reducing reliance on physical displacement sensors. Despite this advantage, these approaches involve high algorithmic complexity, posing challenges for real-time implementation and system robustness [66].
Achieving a balance between cost and reliability in magnetic bearing systems requires coordinated advancements in both sensor technologies and control algorithms. In the short term, hybrid sensor configurations combined with control correction algorithms offer practical solutions for cost reduction without compromising performance. In the long term, the development of more intelligent sensorless technologies is expected to transform the industry. With these advancements, magnetic bearings are poised for widespread adoption at manageable costs across high-end manufacturing, renewable energy, and other emerging application areas.
5.2. Frontier Development Direction
5.2.1. Intelligent Control System
Although magnetic bearing rotors can be made to rotate around the inertial axis, interference factors such as mass eccentricity and sudden load changes remain unavoidable due to limitations in machining accuracy and material imbalance [189,190]. Overcoming these challenges requires intelligent control systems, which are key to breaking current performance bottlenecks and enabling large-scale industrial applications. Traditional control strategies, such as PID control, often fall short of maintaining robust vibration suppression across the full speed range. For example, while zero-displacement control can effectively eliminate synchronous vibrations, it may lead to instability under varying speed conditions due to phase lag. Disturbances can be estimated using extended state observers (ESO) [191,192], but their effectiveness is constrained by observation bandwidth, which limits their ability to handle high-frequency disturbances. Moreover, the accuracy of control relies heavily on precise system modeling and parameter tuning.
To address these challenges, the second-order generalized integral frequency-locked loop (SOGI-FLL) is employed for real-time speed estimation. By utilizing a variable gain coefficient to adaptively adjust the control loop bandwidth, SOGI-FLL enables effective vibration suppression over a broader frequency range [193]. The model-aided extended state observer (MESO) further enhances system performance by introducing a feedforward compensation link, which mitigates high-frequency disturbances while reducing control voltage and phase delay [194]. Additionally, integrating inductive sensors with self-sensing technology enables the deployment of nonlinear controllers based on deep learning. These controllers can improve system stability by dynamically tuning PID parameters through multi-sensor data fusion. However, the application of reinforcement learning requires extensive simulation data for training, and the synchronization of multi-sensor data—particularly time alignment—remains an active area of research.
The intelligence of magnetic bearing control systems must overcome the challenges of multidisciplinary coupling within the closed-loop framework of perception, decision-making, and execution. This advancement is essential for shifting from passive response to active prediction, enabling more adaptive, robust, and efficient system behavior.
5.2.2. Miniaturized and Integrated Solutions
The miniaturization and integration of magnetic bearings represent critical breakthroughs for their application in emerging fields such as microrobotics, precision medical devices, and aerospace micro-power systems. However, these advancements are still constrained by challenges in electromagnetic topology optimization, thermal management, and multi-physics coupling modeling.
Traditional magnetic bearing systems often rely on the combination of multiple single-degree-of-freedom electromagnets, resulting in a bulky overall structure. For example, a typical five-degree-of-freedom (5-DOF) suspension configuration requires at least two radial bearings and one axial bearing shown in Figure 19, and load structures such as fans, impeller and pump are installed at the end of the rotating shaft, significantly reducing the effective axial length of the motor relative to the total assembled system length. To enhance integration, multi-DOF hybrid magnetic bearing (HMB) topologies are essential. However, in such compact designs, strong coupling among electromagnetic, mechanical vibration, and thermal fields presents significant complexity. Conventional liquid cooling methods are impractical due to strict volume constraints, while passive thermal management depends on high-conductivity materials, increasing overall cost. Additionally, most current control systems rely on discrete power modules such as H-bridges. In a 5-DOF system, this translates to five independent power circuit sets, further complicating integration and increasing spatial and thermal design burdens.
Figure 19.
Traditional magnetic suspension machine configuration.
Currently, various multi-DOF integrated magnetic bearing topologies with shared magnetic circuits have been developed, including axial-radial 3-DOF configurations [55,195,196,197,198,199], 4-DOF [200,201,202,203,204,205] and full 5-DOF [56,61,206,207,208] magnetic bearing topologies. In addition, bearingless 5-DOF motor architectures have emerged, integrating magnetic bearing functionality directly into the motor to significantly reduce the system’s axial length [209,210,211]. On the control side, system-level packaging techniques offer substantial reductions in the size of power amplifiers, controllers, and sensors, further promoting miniaturization and integration.
Advancing the miniaturization and integration of magnetic bearings necessitates overcoming the electromagnetic-mechanical-thermal limitations inherent in multidisciplinary coupling. Looking forward, permanent magnet–electromagnetic hybrid topologies and system-level packaging are expected to become focal points of innovation in this field. These advancements will drive the evolution of high-end equipment toward non-contact operation, full intelligence, and ultra-compact form factors, enabling broader applications across next-generation technologies.
6. Conclusions and Perspectives
6.1. Technical Summary
With its advantages of non-contact support, zero friction loss, and maintenance-free operation without lubrication, magnetic bearing technology has become a cornerstone for high-speed precision equipment. This paper provides a comprehensive review of its development, covering the comparative analysis of active, passive, and hybrid magnetic bearing topologies, as well as key technological breakthroughs in electromagnetic structure design, advanced intelligent control algorithms, and integrated power drive systems. Together, these aspects highlight the multi-dimensional value and transformative potential of magnetic bearing technology.
In terms of technical principles, the bearing capacity and stability of magnetic bearings have been significantly enhanced through multi-physical field coupling modeling, active-passive hybrid magnetic circuit design, and the use of high-performance permanent magnet (PM) materials. The evolution of intelligent control strategies is particularly noteworthy, progressing from traditional PID control to adaptive sliding mode control and further advancing to parameter self-tuning systems based on deep learning algorithms. These developments have progressively addressed issues related to strong nonlinear vibrations and rotor interference. In power driver technology, the integration of wide bandgap semiconductor devices and high-frequency switching power amplifiers has led to substantial improvements in energy efficiency and volume reduction compared to previous controllers. On the application front, the successful deployment of magnetic bearings in satellite momentum wheels, high-speed motors, and integrated medical devices demonstrates their potential to replace traditional bearings in a variety of critical systems.
However, current technology still faces several key challenges. The accuracy of multi-field coupling modeling remains insufficient, with significant simulation errors in the interactions between magnetic, thermal, and mechanical fields under complex operating conditions. Additionally, the overall system cost remains high, and the reliance on key materials, such as rare-earth permanent magnets (PM), is constrained by supply chain limitations. Furthermore, the adaptability of magnetic bearings to extreme environments is limited, particularly in terms of PM demagnetization at high temperatures, as well as issues related to sealing and corrosion resistance in deep-sea or high-pressure environments.
6.2. Outlook
The future development of magnetic bearing technology may follow several key pathways:
- Multi-Field Coupled modeling and Accurate Analysis: Magnetic bearings inherently involve the coupling of multiple fields, including electromagnetic, thermodynamic, and mechanical vibration. Future advancements will require the development of more precise multi-field coupling mathematical models to address complex challenges, such as nonlinear vibration and thermal deformation under high-speed and high-load conditions. For example, research could focus on the interaction between magnetic field distribution, thermal effects, and mechanical stress. Additionally, integrating these models with the flexural vibration characteristics of high-speed, flexible rotors will enable the development of response models capable of predicting instability thresholds at critical speeds.
- Innovation of Intelligent Control Algorithm and Strategy: To overcome the limitations of traditional PID control, such as insufficient disturbance rejection, it is essential to integrate modern control theory with artificial intelligence technologies to enhance the system’s robustness against sudden load changes and parameter variations. Employing deep reinforcement learning for control parameter optimization, along with multi-sensor data fusion (including displacement, current, and temperature data), will enable more precise suspension control and improve overall system stability. This approach promises to significantly enhance the adaptability and performance of magnetic bearing systems in dynamic environments.
- Efficient Optimization of Power Drive System: As the core execution unit of magnetic bearings, the power electronic converter must achieve breakthroughs in both topology structure and control efficiency. Advancing shared bridge topologies will reduce the number of power devices, thereby minimizing both the volume and cost of the system. The integration of wide-bandgap SiC/GaN devices will enable higher switching frequencies, while advanced PWM modulation strategies will further reduce losses and optimize operational efficiency. These innovations will significantly enhance the performance and cost-effectiveness of magnetic bearing systems.
- Miniaturization and Integration Design Trend: To meet the demands of medical, aerospace, and precision instrumentation applications, magnetic bearings must be miniaturized and modularized. Integrating the sensor, controller, and power amplifier into a single chip will streamline the system architecture, reduce power consumption, and enhance efficiency. Additionally, optimizing the topology structure is crucial to minimizing weight, which will further support the deployment of magnetic bearings in compact, high-performance systems. These advancements will enable magnetic bearings to be more adaptable and efficient for emerging technologies.
The future development of magnetic bearings will undoubtedly require a multidisciplinary approach. This includes high-precision modeling to guide design, coupled with advanced intelligent control algorithms to enhance transient performance. Additionally, innovation in power electronics will be essential to optimize energy efficiency. Ultimately, the goal is to achieve miniaturization and integration, enabling magnetic bearings to meet the demands of next-generation applications across various industries.
Author Contributions
Motor Data collection, Y.D. and G.Z.; summarization on applications, Y.D. and G.Z.; supervision, G.Z. and W.H.; writing—original draft, Y.D.; writing—review and editing, G.Z. and W.H. All authors have read and agreed to the published version of the manuscript.
Funding
This work is supported in part by the National Nature Science Foundation of China under Grant 52477038.
Conflicts of Interest
The authors declare no conflicts of interest.
References
- Huang, Z.; Tang, M.; Golovanov, D.; Yang, T.; Herring, S.; Zanchetta, P. Profiling the Eddy Current Losses Variations of High-Speed Permanent Magnet Machines in Plug-In Hybrid Electric Vehicles. IEEE Trans. Transport. Electrific. 2022, 8, 3451–3463. [Google Scholar] [CrossRef]
- Sayed, E.; Abdalmagid, M.; Pietrini, G.; Sa’adeh, N.-M.; Callegaro, A.D.; Goldstein, C. Review of Electric Machines in More-Hybrid-Turbo-Electric Aircraft. IEEE Trans. Transport. Electrific. 2021, 7, 2976–3005. [Google Scholar] [CrossRef]
- Gallicchio, G.; Nardo, M.D.; Palmieri, M.; IlKhani, M.R.; Degano, M.; Gerada, C. Surface Permanent Magnet Synchronous Machines: High Speed Design and Limits. IEEE Trans. Energy Convers. 2023, 38, 1311–1324. [Google Scholar] [CrossRef]
- Nishanth, F.; Van de Ven, J.; Severson, E.L. Evaluation of Torque-Dense Electric Machine Technology for Off-Highway Vehicle Electrification. IEEE Trans. Ind. Appl. 2024, 60, 3062–3074. [Google Scholar]
- Zhang, J.; Peng, F.; Huang, Y.; Yao, Y.; Zhu, Z. Online Inductance Identification Using PWM Current Ripple for Position Sensorless Drive of High-Speed Surface-Mounted Permanent Magnet Synchronous Machines. IEEE Trans. Ind. Electron. 2022, 69, 12426–12436. [Google Scholar] [CrossRef]
- Zang, B.; Chen, Y. Multiobjective Optimization and Multiphysics Design of a 5 MW High-Speed IPMSM Used in FESS Based on NSGA-II. IEEE Trans. Energy Convers. 2023, 38, 813–824. [Google Scholar] [CrossRef]
- Zheng, S.; Wang, C. Rotor Balancing for Magnetically Levitated TMPs Integrated with Vibration Self-Sensing of Magnetic Bearings. IEEE/ASME Trans. Mechatron. 2021, 26, 3031–3039. [Google Scholar] [CrossRef]
- Xiao, Y.; Zhu, Z.Q.; Wang, S.S.; Jewell, G.W.; Chen, J.T.; Wu, D. A Novel Asymmetric Interior Permanent Magnet Machine for Electric Vehicles. IEEE Trans. Energy Convers. 2021, 36, 2404–2415. [Google Scholar] [CrossRef]
- Wang, K.; Ma, X.; Liu, Q.; Chen, S.; Liu, X. Multiphysics Global Design and Experiment of the Electric Machine with a Flexible Rotor Supported by Active Magnetic Bearing. IEEE/ASME Trans. Mechatron. 2019, 24, 820–831. [Google Scholar]
- Dong, T.; Zhu, C.; Zhang, X.; Zhou, F. Hybrid-Strand Winding Topology with Improved Power Density in Automotive Electric Machines. IEEE Trans. Ind. Electron. 2022, 69, 6036–6045. [Google Scholar] [CrossRef]
- Zhang, W.; Yang, H.; Cheng, L.; Zhu, H. Modeling Based on Exact Segmentation of Magnetic Field for a Centripetal Force Type-Magnetic Bearing. IEEE Trans. Ind. Electron. 2020, 67, 7691–7701. [Google Scholar] [CrossRef]
- Earnshaw, S. On the Nature of the Molecular Forces which Regulate the Constitution of the Lumiferous Ether. Trans. Camb. Philharm. Soc. 1842, 3, 97–112. [Google Scholar]
- Kemper, H. Schwebebahn Mit Raederlosen Fahrzeugen, Die an Eisernen Fahrschienen Mittels Magnetischer Felder Schwebend Entlang Gefuehrt Werden. Germany Patent No. 6443316, 5 April 1937. [Google Scholar]
- Kemper, H. Suspension by Electromagnetic Forces: A Possibility for A Radically New Method of Transportation. Elektrotechnische 1938, 59, 391–395. [Google Scholar]
- Beams, J.W. Magnetic Suspension for Small Rotors. Rev. Sci. Instrum. 1950, 21, 182–184. [Google Scholar] [CrossRef]
- Sindlinger, R. Magnetic Bearing Momentum Wheels with Vernier Gimballing Capability for 3-Axis Active Attitude Control and Energy Storage. IFAC Proc. Vol. 1976, 9, 849–860. [Google Scholar] [CrossRef]
- Schweitzer, G. Ein Aktives Magnetisches Rotorlager-Auslegung und Anwendung. at-Automatisierungstechnik 1978, 26, 10–15. [Google Scholar] [CrossRef]
- Knospe, C.; Collins, E.G. Introduction to the Special Issue on Magnetic Bearing Control. IEEE Trans. Control Syst. Technol. 1996, 4, 481–485. [Google Scholar] [CrossRef]
- Chu, Y.L.; Wang, X.P.; Lei, Y.F.; Xia, C.Y.; Tang, H.; Wang, L.; Qian, J. Intelligent Method of Information Storage and Interface in Magnetic Bearing System. Bearing 2007, 9, 14. [Google Scholar]
- Sun, J.J.; Fang, J.C. Design on New Permanent Magnet Biased Radial Magnetic Bearing in Magnetic Suspending Flywheel. Bearing 2008, 3, 8–13. [Google Scholar]
- Gong, L.; Zhu, C.S. The Influence of PID Controller Parameters on Polarity Switching Control for Unbalance Compensation of Active Magnetic Bearings Rotor Systems. IEEE Trans. Ind. Electron. 2024, 71, 8324–8338. [Google Scholar]
- Available online: https://www.zionmarketresearch.com/report/magnetic-bearings-market (accessed on 13 April 2025).
- Available online: https://www.transparencymarketresearch.com/magnetic-bearings-market.html (accessed on 13 April 2025).
- Available online: https://www.stratviewresearch.com/3279/magnet-bearings-market.html (accessed on 13 April 2025).
- Available online: https://www.verifiedmarketreports.com/product/magnetic-bearings-market (accessed on 13 April 2025).
- Prasad, K.N.V.; Narayanan, G. Electro-Magnetic Bearings with Power Electronic Control for High-Speed Rotating Machines: A Review. In Proceedings of the 2019 National Power Electronics Conference (NPEC), Tiruchirappalli, India, 13–15 December 2019; pp. 1–6. [Google Scholar]
- Gerada, D.; Mebarki, A.; Brown, N.L.; Gerada, C. High-Speed Electrical Machines: Technologies, Trends, and Developments. IEEE Trans. Ind. Electr. 2014, 61, 2946–2959. [Google Scholar] [CrossRef]
- Dutta, D.; Biswas, P.K.; Debnath, S.; Ahmad, F. Advancements and Challenges in Active Magnetic Bearings: A Comprehensive Review of Performance, Control, and Future Prospects. IEEE Access 2025, 13, 3051–3071. [Google Scholar] [CrossRef]
- Zhao, X.S.; Deng, Z.Q.; Wang, X.L. Research status and development of permanent magnet biased magnetic bearings. Trans. China Electr. Soc. 2009, 24, 9–20. [Google Scholar]
- Samanta, P.; Hirani, H. An Overview of Passive Magnetic Bearings. In Proceedings of the STLE/ASME 2008 International Joint Tribology Conference, Miami, FL, USA, 20–22 October 2008; pp. 465–467. [Google Scholar]
- Soni, T.; Dutt, J.K.; Das, A.S. Parametric Stability Analysis of Active Magnetic Bearing Supported Rotor System with a Novel Control Law Subject to Periodic Base Motion. IEEE Trans. Ind. Electron. 2020, 67, 1160–1170. [Google Scholar] [CrossRef]
- Fonseca, C.A.; Santos, I.; Weber, H.I. An experimental and theoretical approach of a pinned and a conventional ball bearing for active magnetic bearings. Mech. Syst. Signal Proc. 2020, 138, 106541. [Google Scholar] [CrossRef]
- Sun, M.; Zheng, S.; Wang, K.; Le, Y. Filter Cross-Feedback Control for Nutation Mode of Asymmetric Rotors with Gyroscopic Effects. IEEE/ASME Trans. Mechatron. 2020, 25, 248–258. [Google Scholar]
- Hsieh, H.C.; Chen, C.W.; Chen, M.C.; Lai, J.S.J.; Lin, J.M. Current Spike Suppression Techniques for Magnetic Bearing Amplifier. In Proceedings of the 2019 IEEE Applied Power Electronics Conference and Exposition (APEC), Anaheim, CA, USA, 17–21 March 2019; pp. 2002–2007. [Google Scholar]
- Huang, T.; Zheng, M.; Zhang, G. A Review of Active Magnetic Bearing Control Technology. In Proceedings of the 2019 Chinese Control And Decision Conference (CCDC), Nanchang, China, 3–5 June 2019; pp. 2888–2893. [Google Scholar]
- Ravaud, R.; Lemarquand, G.; Lemarquand, V. Force and stifness of passive magnetic bearings using permanent magnets. Part 2: Radial magnetization. IEEE Trans. Magn. 2009, 45, 3334–3342. [Google Scholar] [CrossRef]
- Ravaud, R.; Lemarquand, G.; Lemarquand, V. Force and stifness of passive magnetic bearings using permanent magnets. Part 1: Axial magnetization. IEEE Trans. Magn. 2009, 45, 2996–3002. [Google Scholar] [CrossRef]
- Bachovchin, K.D.; Hoburg, J.F.; Post, R.F. Stable Levitation of a Passive Magnetic Bearing. IEEE Trans. Magn. 2013, 49, 609–617. [Google Scholar] [CrossRef]
- Bekinal, S.I.; Deshwal, D.; Srinivas, V.G. Optimized multi-layer radial permanent magnet bearing with an eddy current damping systems. J Braz. Soc. Mech. Sci. Eng. 2022, 44, 542. [Google Scholar] [CrossRef]
- Hu, J.C.; Wu, H.C.; Fang, K.P.; Li, Q. Overview on Structure of Permanent Magnetic Bearings. Bearing 2023, 7, 1–7. [Google Scholar]
- Paden, B.; Groom, N.; Antaki, J.F. Design Formulas for Permanent-Magnet Bearings. J. Mech. Design. 2003, 125, 734–738. [Google Scholar] [CrossRef]
- Pérez-Loya, J.J.; Santiago, J.; Lundin, U. Construction of A Permanent Magnet Thrust Bearing for A Hydropower Generator Test Setup. In Proceedings of the 1st Brazilian Workshop Magnetic Bearings (BWMB), Rio de Janeiro, Brazil, 18–19 November 2013; pp. 1–13. [Google Scholar]
- Beneden, M.V.; Kluyskens, V.; Dehez, B. Optimal Sizing and Comparison of Permanent Magnet Thrust Bearings. IEEE Trans. Magn. 2017, 53, 1–10. [Google Scholar] [CrossRef]
- Han, B.C.; He, Z.; Wen, T.; Zheng, S.Q. Design, optimization and test of RHMB considering dynamic characteristics. Int. J. Mech. Sci. 2023, 238, 107847. [Google Scholar] [CrossRef]
- Li, Q.; Wang, W.M.; Chu, F.L. Damping ratio identification in rotordynamic system with inverse directional Fourier transform, multiple-tests-multiple-outputs and clustering techniques. Int. J. Mech. Sci. 2019, 151, 797–807. [Google Scholar] [CrossRef]
- Amrhein, W.; Gruber, W.; Bauer, W.; Reisinger, M. Magnetic Levitation Systems for Cost-Sensitive Applications—Some Design Aspects. IEEE Trans. Ind. Appl. 2016, 52, 3739–3752. [Google Scholar] [CrossRef]
- Ji, L.; Xu, L.; Jin, C. Research on a Low Power Consumption Six-Pole Heteropolar Hybrid Magnetic Bearing. IEEE Trans. Magn. 2013, 49, 4918–4926. [Google Scholar] [CrossRef]
- Pesch, A.H.; Smirnov, A.; Pyrhönen, O.; Sawicki, J.T. Magnetic Bearing Spindle Tool Tracking Through μ -Synthesis Robust Control. IEEE/ASME Trans. Mechatron. 2015, 20, 1448–1457. [Google Scholar] [CrossRef]
- Zhang, W.Y.; Wang, Z. Accurate modeling and control system design for a spherical radial AC HMB for a flywheel battery system. Energies 2023, 16, 1973. [Google Scholar] [CrossRef]
- Han, X.; Liu, G.; Chen, B.D.; Zheng, S.Q. Surge disturbance suppression of AMB-rotor systems in magnetically suspension centrifugal compressors. IEEE Trans. Control Syst. Technol. 2022, 30, 1550–1560. [Google Scholar] [CrossRef]
- Buse, M.; Marcus, V.A.; Eyad, A.K.; Bader, A.J. Adapting Hermetically Sealed Compressor Technology to Deal with Sour and Corrosive Gases; Turbomachinery Laboratories, Texas A&M Engineering Experiment Station: College Station, TX, USA, 2016. [Google Scholar]
- He, H.T.; Liu, Y.B.; Ba, L.M. A nonlinear dynamic model of flywheel energy storage systems based on alternative concept of back propagation neural networks. J. Comput. Nonlinear Dyn. 2022, 17, 091006. [Google Scholar] [CrossRef]
- Sun, Y.; Xu, J.; Qiang, H.; Lin, G. Adaptive neural-fuzzy robust position control scheme for Maglev train systems with experimental verification. IEEE Trans. Ind. Electron. 2019, 66, 8589–8599. [Google Scholar] [CrossRef]
- Liu, X.; Ma, X.; Feng, R.; Chen, Y.; Shi, Y.; Zheng, S. Model Reference Adaptive Compensation and Robust Controller for Magnetic Bearing Systems with Strong Persistent Disturbances. IEEE Trans. Ind. Electron. 2023, 70, 10902–10911. [Google Scholar] [CrossRef]
- Ren, X.J.; Le, Y.; Sun, J.J.; Han, B.C.; Wang, K. Magnetic flux leakage modelling and optimisation of a CRAHMB for DC motor. IET Electr. Power Appl. 2017, 11, 212–221. [Google Scholar] [CrossRef]
- Masuzawa, T.; Kojima, J.; Onuma, H.; Okada, Y.; Nishida, M.; Yamane, T. Micro Magnetic Bearing for An Axial Flow Artificial Heart. In Proceedings of the 9th International Symposium on Magnetic Bearings, Lexington, KY, USA, 3–6 August 2004; University of Kentucky: Lexington, KY, USA, 2004; pp. 89–94. [Google Scholar]
- Jin, Z.; Sun, X.; Chen, L.; Yang, Z. Robust Multi-Objective Optimization of a 3-Pole Active Magnetic Bearing Based on Combined Curves with Climbing Algorithm. IEEE Trans. Ind. Electron. 2022, 69, 5491–5501. [Google Scholar] [CrossRef]
- Grbesa, B. Low loss and low cost active radial homopolar magnetic bearing. In Sixth International Symposium on Magnetic Bearings (ISMB); Institute of Electrical Drives and Power Electronics: Linz, Austria, 1998; pp. 286–295. [Google Scholar]
- Chen, S.L.; Hsu, C.T. Optimal design of a three-pole active magnetic bearing. IEEE Trans. Magn. 2002, 38, 3458–3466. [Google Scholar] [CrossRef]
- Chen, S.L.; Chen, S.H.; Yan, S.T. Experimental validation of a current-controlled three-pole magnetic rotor-bearing system. IEEE Trans. Magn. 2005, 41, 99–112. [Google Scholar] [CrossRef]
- Zhang, W.Y.; Zhu, H.Q. Control System Design for a Five-Degree-of-Freedom Electrospindle Supported With AC Hybrid Magnetic Bearings. IEEE/ASME Trans. Mechatron. 2015, 20, 2525–2537. [Google Scholar] [CrossRef]
- Zhang, W.Y.; Zhu, H.Q.; Yang, Z.B.; Sun, X.D.; Yuan, Y. Nonlinear Model Analysis and “Switching Model” of AC–DC Three-Degree-of-Freedom Hybrid Magnetic Bearing. IEEE/ASME Trans. Mechatron. 2016, 21, 1102–1115. [Google Scholar] [CrossRef]
- Darbandi, S.M.; Behzad, M.; Salarieh, H.; Mehdigholi, H. Linear Output Feedback Control of a Three-Pole Magnetic Bearing. IEEE/ASME Trans. Mechatron. 2014, 19, 1323–1330. [Google Scholar]
- Ju, J.; Zhu, H. Radial Force-Current Characteristics Analysis of Three-Pole Radial-Axial Hybrid Magnetic Bearings and Their Structure Improvement. Energies 2016, 9, 706. [Google Scholar] [CrossRef]
- Zhu, H.; Ding, S.; Jv, J. Modeling for Three-Pole Radial Hybrid Magnetic Bearing Considering Edge Effect. Energies 2016, 9, 345. [Google Scholar] [CrossRef]
- Garcia, P.; Guerrero, J.M.; Mahmoud, I.E.S.; Briz, F.; Reigosa, D.D. Impact of Saturation, Current Command Selection, and Leakage Flux on the Performance of Sensorless-Controlled Three-Pole Active Magnetic Bearings. IEEE Trans. Ind. Appl. 2011, 47, 1732–1740. [Google Scholar] [CrossRef]
- Hemenway, N.R.; Severson, E.L. Exact Force Vector Regulation of the Three-Pole Magnetic Bearing. IEEE Trans. Ind. Appl. 2021, 57, 7024–7034. [Google Scholar] [CrossRef]
- Piłat, A.A. Synergistic Dynamic Model of an Active Magnetic Bearing with three Electromagnets. In Proceedings of the 2013 International Symposium on Electrodynamic and Mechatronic Systems (SELM), Opole-Zawiercie, Poland, 15–18 May 2013; pp. 23–24. [Google Scholar]
- Morrison, C.R.; Siebert, M.W.; Ho, E.J. Electromagnetic Forces in a Hybrid Magnetic-Bearing Switched-Reluctance Motor. IEEE Trans. Magn. 2008, 44, 4626–4638. [Google Scholar] [CrossRef]
- Noh, M.; Gruber, W.; Trumper, D.L. Hysteresis Bearingless Slice Motors With Homopolar Flux-Biasing. IEEE/ASME Trans. Mechatron. 2017, 22, 2308–2318. [Google Scholar] [CrossRef]
- Wajnert, D. Analysis of the cross-coupling effect and magnetic force nonlinearity in the 6-pole radial hybrid magnetic bearing. Int. J. Appl. Electrom. 2019, 61, 43–57. [Google Scholar]
- Zhu, H.Q.; Liu, T.T. Rotor Displacement Self-Sensing Modeling of Six-Pole Radial Hybrid Magnetic Bearing Using Improved Particle Swarm Optimization Support Vector Machine. IEEE Trans. Power Electron. 2020, 35, 12296–12306. [Google Scholar] [CrossRef]
- Hu, Y.; Chen, B.; Zhang, X.; Zhang, F.; Gong, G.; Li, X. Analysis of Electromagnetic Characteristics of 16 Pole Radial Active Magnetic Bearings. In Proceedings of the 2019 22nd International Conference on Electrical Machines and Systems (ICEMS), Harbin, China, 11–14 August 2019; pp. 1–6. [Google Scholar]
- Hu, J.; Li, W.; Su, Z.; Cheng, S.; Liu, Q.; Wu, C. Radial Displacement Measurement Method for Magnetic Bearing Based on FPC Coils. IEEE Sens. J. 2024, 24, 29687–29694. [Google Scholar] [CrossRef]
- Active Bearings. Available online: https://www.magneticbearings.org/active-bearings (accessed on 27 February 2025).
- Cao, G.Z.; Li, H.-L.; Hu, H.-J.; Huang, S.-D.; Wang, H.-T.; Liu, K. A Novel Electromagnetic Force Calculation Method for Homopolar Hybrid Magnetic Bearing. In Proceedings of the 2024 IEEE International Magnetic Conference-Short Papers (INTERMAG Short Papers), Rio de Janeiro, Brazil, 5–10 May 2024; pp. 1–2. [Google Scholar]
- Yu, C.M.; Deng, Z.Q.; Chen, S.S.; Mei, L.; Peng, C.; Cao, X. A novel subdomain and magnetic circuit modeling method for hybrid homopolar radial magnetic bearings. Mech. Syst. Signal Process. 2022, 170, 108823. [Google Scholar] [CrossRef]
- Yu, C.M.; Deng, Z.Q.; Mei, L.; Chen, S.S.; Peng, C.; Ding, Q. Accurate modelling based on a subdomain method for heteropolar radial magnetic bearing with a solid rotor. IET Electr. Power Appl. 2021, 15, 1232–1244. [Google Scholar] [CrossRef]
- Amrhein, W.; Gruber, W.; Bauer, W.; Reisinger, M. Magnetic levitation systems for cost-sensitive applications. In Proceedings of the 2015 IEEE Workshop on Electrical Machines Design, Control and Diagnosis (WEMDCD), Turin, Italy, 26–27 March 2015; pp. 104–111. [Google Scholar]
- Wajnert, D.; Sykulski, J.K.; Tomczuk, B. A Dynamic Simulation Model of a Hybrid Magnetic Bearing. In Proceedings of the 2019 19th International Symposium on Electromagnetic Fields in Mechatronics, Electrical and Electronic Engineering (ISEF), Nancy, France, 29–31 August 2019; pp. 1–2. [Google Scholar]
- Zhu, Y.S.; Yang, D.S.; Wang, X.; Hu, B.; Zhang, P.J. Research on fractional-order modeling of nonlaminated electromagnetic bearings considering eddy current effects. IEEE Trans. Magn. 2022, 58, 8300208. [Google Scholar] [CrossRef]
- Le, Y.; Wang, K. Design and optimization method of magnetic bearing for high-speed motor considering Eddy current effects. IEEE-ASME Trans. Mechatron. 2016, 21, 2061–2072. [Google Scholar] [CrossRef]
- Wu, C.; Li, S.S. Modeling, design and suspension force analysis of a novel AC six-pole heteropolar hybrid magnetic bearing. Appl. Sci. 2023, 13, 1643. [Google Scholar] [CrossRef]
- Zhang, H.; Zhu, H.Q.; Wu, M.Y. Multi-objective parameter optimization-based design of six-pole radial hybrid magnetic bearing. IEEE J. Emerg. Sel. Top. Power Electron. 2022, 10, 4526–4535. [Google Scholar] [CrossRef]
- Zhou, J.Y.; Zhu, H.Q. Development and research summary of magnetic bearings. Micromotors 2022, 55, 93–98. [Google Scholar]
- Fu, J.; Wang, X.G.; Hou, L.L.; Pan, A. Structure study and performance analysis on the new laminated core type axial redundant magnetic bearing. Int. J. Appl. Electromagn. Mech. 2018, 58, 101–120. [Google Scholar]
- Seifert, R.; Robenack, K.; Hofmann, W. Rational approximation of the analytical model of nonlaminated cylindrical magnetic actuators for flux estimation and control. IEEE Trans. Magn. 2019, 55, 8301016. [Google Scholar] [CrossRef]
- Romanenko, A.; Smirnov, A.; Jastrzebski, R.P.; Pyrhönen, O. Losses estimation and modelling in active magnetic bearings. In Proceedings of the 2014 16th European Conference on Power Electronics and Applications, Lappeenranta, Finland, 26–28 August 2014; pp. 1–8. [Google Scholar]
- Amrhein, M.; Krein, P.T. Force Calculation in 3-D Magnetic Equivalent Circuit Networks with A Maxwell Stress Tensor. IEEE Trans. Energy Convers. 2009, 24, 587–593. [Google Scholar] [CrossRef]
- Zhang, W.Y.; Zhu, H.Q. Radial magnetic bearings: An overview. Results Phys. 2017, 7, 3756–3766. [Google Scholar] [CrossRef]
- Zhang, T.; Liu, X.F.; Mo, L.H.; Ye, X.T.; Ni, W.; Ding, W.H.; Huang, J.; Wang, X. Modeling and analysis of hybrid permanent magnet type bearingless motor. IEEE Trans. Magn. 2018, 54, 8102804. [Google Scholar] [CrossRef]
- Zhang, W.Y.; Zhu, H.Q. Precision modeling method specifically for AC magnetic bearings. IEEE Trans. Magn. 2013, 49, 5543–5553. [Google Scholar] [CrossRef]
- Ma, Z.H.; Liu, G.; Liu, Y.C.; Yang, Z.C.; Zhu, H.Q. Research of a six-pole active magnetic bearing system based on a fuzzy active controller. Electronics 2022, 11, 1723. [Google Scholar] [CrossRef]
- Zhu, H.Q.; Fan, S. Soft-sensing modeling for rotor displacements of six-pole radial active magnetic bearing using improved continuous hidden Markov model. Proc. CSEE 2021, 41, 3933–3943. [Google Scholar]
- Liu, G.; Zhu, H.Q. Calculation model for suspension force of six-pole outer-rotor hybrid magnetic bearing based on Maxwell tensor method. Bearing 2022, 12, 23–27. [Google Scholar]
- Liu, G.; Zhu, H.Q. Displacement estimation of six-pole hybrid magnetic bearing using modified particle swarm optimization support vector machine. Energies 2022, 15, 1610. [Google Scholar] [CrossRef]
- Yonnet, J.P. Analytical Calculation of Magnetic Bearings. In Proceedings of the 5th International Workshop on Rare Earth-Cobalt Permanent Magnets and Their Applications, Roanoke, VA, USA, 7–10 June 1981; Volume 3, pp. 199–216. [Google Scholar]
- Li, J.G.; Tan, Q.C.; Zhang, Y.Q.; Zhang, K. Study on the Calculation of Magnetic Force Based on the Equivalent Magnetic Charge Method. Phys. Procedia 2012, 24, 190–197. [Google Scholar] [CrossRef]
- Wang, N.X.; Wang, D.X.; Chen, K.S.; Wu, H.C. Research on Analytical Model and Design Formulas of Permanent Magnetic Bearings Based on Halbach Array with Arbitrary Segmented Magnetized Angle. J. Magn. Magn. Mater. 2016, 410, 257–264. [Google Scholar] [CrossRef]
- Chen, Y.; Zhang, W.L.; Bird, J.Z.; Paul, S.; Zhang, K.L. A 3-D Analytic-Based Model of a Null-Flux Halbach Array Electrodynamic Suspension Device. IEEE Trans. Magn. 2015, 51, 1–5. [Google Scholar] [CrossRef]
- Tian, L.L.; Ai, X.P.; Tian, Y.Q. Analytical Model of Magnetic Force for Axial Stack Permanent Magnet Bearings. IEEE Trans. Magn. 2012, 48, 2592–2699. [Google Scholar] [CrossRef]
- Shakibapour, F.; Rahideh, A.; Mardaneh, M. 2D Analytical Model for Heteropolar Active Magnetic Bearings Considering Eccentricity. IET Electr. Power Appl. 2018, 12, 614–626. [Google Scholar] [CrossRef]
- Du, T.; Geng, H.; Zhang, Y.; Lin, H.; Li, Y.; Yu, L. Exact Analytical Method for Active Magnetic Bearings with Rotor Eccentricity. IEEE Trans. Magn. 2019, 55, 1–12. [Google Scholar] [CrossRef]
- Wang, K.; Wang, D.; Shen, Y.; Zhang, X.; Chen, J.; Zhang, Y. Subdomain Method for Permanent Magnet Biased Homopolar Radial Magnetic Bearing. IEEE Trans. Magn. 2016, 52, 1–5. [Google Scholar]
- Yu, W.; Li, X. A magnetic levitation system for advanced control education. IFAC Proc. Vol. 2014, 47, 9032–9037. [Google Scholar] [CrossRef]
- Alves, P. Magnetic Bearings-A Primer. In Proceedings of the 27th Turbomachinery Symposium, College Station, TX, USA, 15–17 September 1998. [Google Scholar]
- Wei, C. Survey of magnetic bearing control. Electr. Eng. 2022, 20, 33–35. [Google Scholar]
- Srinivas, R.S.; Tiwari, R.; Kannababu, C. Application of active magnetic bearings in flexible rotordynamic systems—A state-of-the-art review. Mech. Syst. Signal Proc. 2018, 106, 537–572. [Google Scholar] [CrossRef]
- Chen, M.; Knospe, C.R. Control approaches to the suppression of machining chatter using active magnetic bearings. IEEE Trans. Control Syst. Technol. 2007, 15, 220–232. [Google Scholar] [CrossRef]
- Basaran, S.; Sivrioglu, S. Novel repulsive magnetic bearing flywheel system with composite adaptive control. IET Electr. Power Appl. 2019, 13, 676–685. [Google Scholar] [CrossRef]
- Barthod, C.; Lamarquand, G. Degrees of Freedom Control of a Magnetically Levitated Rotor. IEEE Trans. Magn. 1995, 31, 4202–4204. [Google Scholar] [CrossRef]
- Lee, A.C.; Fan, Y.H. Decentralized PID Control of Magnetic Bearings in a Rotor System. Decentralized Control of A Rotor System Supported by Magnetic Bearings. Int. J. Mach. Tools Manuf. 1995, 35, 445–458. [Google Scholar]
- Hutterer, M.; Wimmer, D.; Schrodl, M. Stabilization of a magnetically levitated rotor in the case of a defective radial actuator. IEEE/ASME Trans. Mechatron. 2020, 25, 2599–2609. [Google Scholar] [CrossRef]
- Chen, L.L.; Zhu, C.S.; Zhong, Z.X.; Wang, C.K.; Li, Z.N. Radial position control for magnetically suspended high-speed flywheel energy storage system with inverse system method and extended 2-DOF PID controller. IET Electr. Power Appl. 2020, 14, 71–81. [Google Scholar] [CrossRef]
- Wu, H.C.; Yu, M.Y.; Song, C.S.; Wang, N.X. Unbalance vibration suppression of maglev high-speed motor based on the least-mean-square. Actuators 2022, 11, 348. [Google Scholar] [CrossRef]
- Laldingliana, J.; Biswas, P.K. Artificial intelligence based fractional order PID control strategy for active magnetic bearing. J. Electr. Eng. Technol. 2022, 17, 3389–3398. [Google Scholar] [CrossRef]
- Gupta, S.; Biswas, P.K.; Debnath, S.; Ghosh, A.; Babu, T.S.; Zawbaa, H.M.; Kamel, S. Metaheuristic optimization techniques used in controlling of an active magnetic bearing system for high-speed machining application. IEEE Access 2023, 11, 12100–12118. [Google Scholar] [CrossRef]
- Gupta, S.; Debnath, S.; Biswas, P.K. Control of an active magnetic bearing system using swarm intelligence-based opti-mization techniques. Electr. Eng. 2023, 105, 935–952. [Google Scholar] [CrossRef]
- Wardi, M.L.; Amairi, M.; Abdelkrim, M.N. Fractional PID controller design for nonlinear systems based on singular perturbation technique. Int. J. Digit. Signals Smart. Syst. 2018, 2, 95–120. [Google Scholar]
- Tang, J.Q.; Zhang, M.; Cui, X.; Sun, J.J.; Zhou, X.X. Neural network sliding model control of radial translation for magneti-cally suspended rotor (MSR) in control moment gyro. Actuators 2023, 12, 217. [Google Scholar] [CrossRef]
- Chen, S.Y.; Lin, F.J. Decentralized PID neural network control for five degree-of-freedom active magnetic bearing. Eng. Appl. Artif. Intel. 2013, 26, 962–973. [Google Scholar] [CrossRef]
- Noshadi, A.; Shi, J.; Lee, W.S.; Shi, P.; Kalam, A. Optimal PID-type fuzzy logic controller for a multi-input multi-output active magnetic bearing system. Neural Comput. Appl. 2016, 27, 2031–2046. [Google Scholar] [CrossRef]
- Dhyani, A.; Panda, M.K.; Jha, B. Moth-flame optimization-based fuzzy-PID controller for optimal control of active magnetic bearing system. IJST-T Electr. Eng. 2018, 42, 451–463. [Google Scholar] [CrossRef]
- Ye, Y.Y.; Hu, J.D. Design of magnetic suspended rotor controller based on fuzzy-PID double mode control. Electr. Eng. 2020, 12, 15–16. [Google Scholar]
- Fang, J.; Ren, Y. High-Precision Control for a Single-Gimbal Magnetically Suspended Control Moment Gyro Based on Inverse System Method. IEEE Trans. Ind. Electron. 2011, 58, 4331–4342. [Google Scholar] [CrossRef]
- Xie, J.J.; Liu, G.; Liu, H. High-Precision Control for Magnetically Suspended Rotor of A DGMSCMG Based on Motion Separation. J. Eng. Gas Turbines Power. 2015, 137, 41–50. [Google Scholar] [CrossRef]
- Ahrens, M.; Kucera, L.; Larsonneur, R. Performance of A Magnetically Suspended Flywheel Energy Storage Device. IEEE Trans. Control Syst. Technol. 1996, 4, 494–502. [Google Scholar] [CrossRef]
- Chen, X.C.; Ren, Y. Modal Decoupling Control for A Double Gimbal Magnetically Suspended Control Moment Gyroscope Based on Modal Controller and Feedback Linearization Method. Proc. Inst. Mech. Eng. Part C J. Mech. Eng. Sci. 2014, 228, 2303–2313. [Google Scholar] [CrossRef]
- Pesch, A.H.; Sawicki, J.T. Active Magnetic Bearing Online Levitation Recovery Through μ-Synthesis Robust Control. Actuators 2017, 6, 2. [Google Scholar] [CrossRef]
- Kuseyri, İ.S. Robust control and unbalance compensation of rotor/active magnetic bearing systems. J. Vib. Control 2012, 18, 817–832. [Google Scholar] [CrossRef]
- Lusty, C.; Keogh, P. Active vibration control of a flexible rotor by flexibly mounted internal-stator magnetic actuators. IEEE-ASME Trans. Mechatron. 2018, 23, 2870–2880. [Google Scholar] [CrossRef]
- Zhao, J.; Zhang, H.T.; Fan, M.C.; Wu, Y.; Zhao, H. Control of a Constrained Flexible Rotor On Active Magnetic Bearings. IFAC-PapersOnLine 2015, 48, 156–161. [Google Scholar] [CrossRef]
- Qi, W.; Liu, J.; Chen, X. Supervisory predictive control of standalone wind/solar energy generation systems. IEEE Trans. Control Syst. Technol. 2011, 19, 199–207. [Google Scholar] [CrossRef]
- Morsi, A.; Abbas, H.S.; Ahmed, S.M.; Mohamed, A.M. Imbalance compensation of active magnetic bearing systems using model predictive control based on linear parameter-varying models. J. Vib. Control 2022, 29, 3516–3527. [Google Scholar] [CrossRef]
- Wang, Z.; Zhu, C. Active Control of Active Magnetic Bearings for Maglev Flywheel Rotor System Based on Sliding Mode Control. In Proceedings of the 2016 IEEE Vehicle Power and Propulsion Conference (VPPC), Hangzhou, China, 17–20 October 2016; pp. 1–6. [Google Scholar]
- Dominguez, J.R.; Mora-Soto, C.; Ortega-Cisneros, S.; Panduro, J.J.R.; Loukianov, A.G. Copper and core loss minimization for induction motors using high-order sliding-mode control. IEEE Trans. Ind. Electron. 2012, 59, 2877–2889. [Google Scholar] [CrossRef]
- Wang, X.Y.; Zhang, Y.P.; Gao, P. Design and analysis of second-order sliding mode controller for active magnetic bearing. Energies 2020, 13, 5965. [Google Scholar] [CrossRef]
- Kandil, M.S.; Dubois, M.R.; Bakay, L.S.; Trovao, J.P.F. Application of second-order sliding-mode concepts to active magnetic bearings. IEEE Trans. Ind. Electron. 2018, 65, 855–864. [Google Scholar] [CrossRef]
- Chen, S.Y.; Song, M.H. Energy-Saving Dynamic Bias Current Control of Active Magnetic Bearing Positioning System Using Adaptive Differential Evolution. IEEE Trans. Syst. Man Cybern. Syst. 2017, 99, 942–953. [Google Scholar] [CrossRef]
- Tang, J.Q.; Zhao, X.F.; Wang, Y.; Cui, X. Adaptive neural network control for rotor’s stable suspension of Vernier-gim-balling magnetically suspended flywheel. Proc. Inst. Mech. Eng. Part I-J. Syst. Control. Eng. 2019, 233, 1017–1029. [Google Scholar]
- Yu, Y.J.; Yang, Z.H.; Han, C.; Liu, H. Fuzzy adaptive back-stepping sliding mode controller for high-precision deflection control of the magnetically suspended momentum wheel. IEEE Trans. Ind. Electron. 2018, 65, 3530–3538. [Google Scholar] [CrossRef]
- Xu, Y.H.; Wang, X.Y.; Liu, M.X.; Li, N.; Yu, T. Adaptive robust control of active magnetic bearings rigid rotor systems. J. Power Electron. 2023, 23, 1004–1015. [Google Scholar] [CrossRef]
- Sun, Z.R.; Zhang, Y.B.; Wang, H.F. Variable universe fuzzy PID control based on genetic optimization for magnetic bearings. Mod. Electron. Tech. 2020, 43, 94–97. [Google Scholar]
- Yao, D.; Wang, J.W.; Liu, Y. Enhancing working performance of active magnetic bearings using improved fuzzy control and Kalman-LMS filter. J. Intell. Fuzzy Syst. 2015, 29, 1343–1353. [Google Scholar] [CrossRef]
- Chen, K.Y.; Tung, P.C.; Tsai, M.T.; Fan, Y.H. A self-tuning fuzzy PID-type controller design for unbalance compensation in an active magnetic bearing. Expert Syst. Appl. 2009, 36, 8560–8570. [Google Scholar] [CrossRef]
- Han, J.Q. From PID to active disturbance rejection control. IEEE Trans. Ind. Electron. 2009, 56, 900–906. [Google Scholar] [CrossRef]
- Jin, C.W.; Guo, K.X.; Xu, Y.P.; Cui, H.B.; Xu, L.X. Design of magnetic bearing control system based on active disturbance rejection theory. J. Vib. Acoust. 2019, 141, 011009. [Google Scholar] [CrossRef]
- Ren, Y.; Fang, J. Current-Sensing Resistor Design to Include Current Derivative in PWM H-Bridge Unipolar Switching Power Amplifiers for Magnetic Bearings. IEEE Trans. Ind. Electron. 2012, 59, 4590–4600. [Google Scholar] [CrossRef]
- Liu, Z.; Cao, X.; Cai, J. A Magnetic Bearing Switched Reluctance Motor with Simultaneous Excitation by a Modified Half-Bridge Converter. IEEE Transa. Magn. 2019, 55, 1–5. [Google Scholar] [CrossRef]
- Zhang, Y.; Zhang, W.; Han, Y.; Yu, J. A Quasi-Three-Level PWM Modulation Method with Suppressed Coil Terminal Overvoltage for Active Magnetic Bearing. In Proceedings of the 2022 25th International Conference on Electrical Machines and Systems (ICEMS), Chiang Mai, Thailand, 29 November–2 December 2022; pp. 1–6. [Google Scholar]
- Jiang, D.; Kshirsagar, P. Analysis and Control of a Novel Power Electronics Converter for Active Magnetic Bearing Drive. IEEE Trans. Ind. Appl. 2017, 53, 2222–2232. [Google Scholar] [CrossRef]
- Zhou, M.; Jiang, D.; Shuai, Y.; Liu, Z. Double Five-Phase-Four-Leg Topology Converter for Five-Axis Active Magnetic Bearing with Optimized Current Control. IEEE Trans. Ind. Electron. 2024, 71, 3953–3963. [Google Scholar] [CrossRef]
- Jiang, D.; Li, T.; Hu, Z.; Sun, H. Novel Topologies of Power Electronics Converter as Active Magnetic Bearing Drive. IEEE Trans. Ind. Electron. 2020, 67, 950–959. [Google Scholar] [CrossRef]
- Yang, J.; Jiang, D.; Sun, H.; Li, A.; Liu, Z. Series-Winding Topology Converter for Active Magnetic Bearing Drive. IEEE Trans. Ind. Electron. 2021, 68, 11772–11782. [Google Scholar] [CrossRef]
- Yang, J.; Jiang, D.; Sun, H.; Ding, J.; Li, A.; Liu, Z. A Series-Winding Topology Converter with Capability of Fault-Tolerant Operation for Active Magnetic Bearing Drive. IEEE Trans. Ind. Electron. 2022, 69, 6678–6687. [Google Scholar] [CrossRef]
- Liu, C.; Zhan, J.; Wang, J.; Yang, Y.; Liu, Z. An Improved One-Cycle Control Algorithm for a Five-Phase Six-Leg Switching Power Amplifier in Active Magnetic Bearings. IEEE Trans. Ind. Electron. 2022, 69, 12564–12574. [Google Scholar] [CrossRef]
- Aboki, N.H. IoT Integration of a Voltage Controlled Active Magnetic Bearing for Real-Time Remote Monitoring and Control. Master’s Thesis, Youngstown State University, Youngstown, OH, USA, 2023. [Google Scholar]
- Cheng, X.; Deng, S.; Cheng, S.B.; Hu, Y.F.; Wu, H.C.; Zhou, R.G. Design and Implementation of a Fault-Tolerant Magnetic Bearing Control System Combined With a Novel Fault-Diagnosis of Actuators. IEEE Access 2021, 9, 2454–2465. [Google Scholar] [CrossRef]
- Liu, P. Study on Optimal Controller for Nonlinear Active Magnetic Bearing Systems Based on DSP Active Queue Management. In Proceedings of the 2023 11th International Conference on Intelligent Computing and Wireless Optical Communications (ICWOC), Chongqing, China, 16–18 June 2023; pp. 50–54. [Google Scholar]
- Abrahamsson, J.; Hedlund, M.; Kamf, T.; Bernhoff, H. High-Speed Kinetic Energy Buffer: Optimization of Composite Shell and Magnetic Bearings. IEEE Trans. Ind. Electron. 2014, 61, 3012–3021. [Google Scholar] [CrossRef]
- Wang, Y.; Zhang, K.; Dong, J.P. FPGA-Based Expanded Circuit Design for DSP Signal Processing. In Proceedings of the 2014 Fifth International Conference on Intelligent Systems Design and Engineering Applications, Hunan, China, 15–16 June 2014; pp. 511–516. [Google Scholar]
- Li, X.; Palazzolo, A.; Wang, Z. A Combination 5-DOF Active Magnetic Bearing for Energy Storage Flywheels. IEEE Trans. Transport. Electrific. 2021, 7, 2344–2355. [Google Scholar] [CrossRef]
- Ahmad, G.; Amin, U. Design, Construction and Study of Small Scale Vertical Axis Wind Turbine Based on a Magnetically Levitated Axial Flux Permanent Magnet Generator. Renew. Energy 2017, 101, 286–292. [Google Scholar] [CrossRef]
- Jayawant, R. From Natural gas to Nuclear: The Diverse Application of Active Magnetic Bearing Systems. Chin. J. Turbomach. 2018, 60, 52–61. [Google Scholar]
- Zhang, W.Y.; Zhu, H.Q.; Yuan, Y. Study on key technologies and applications of magnetic bearings. Trans. China Electrotech. Soc. 2015, 30, 12–20. [Google Scholar]
- Zhang, W.Y.; Zhu, H.Q.; Ju, J.T.; Chen, T. Research status and development of magnetic bearings. Bearing 2016, 12, 56–63. [Google Scholar]
- Jiang, H.; Su, Z.; Wang, D. Analytical Calculation of Active Magnetic Bearing Based on Distributed Magnetic Circuit Method. IEEE Trans. Energy Convers. 2021, 36, 1841–1851. [Google Scholar] [CrossRef]
- Smirnov, A.; Uzhegov, N.; Sillanpää, T.; Pyrhönen, J.; Pyrhönen, O. High-Speed Electrical Machine with Active Magnetic Bearing System Optimization. IEEE Trans. Ind. Electron. 2017, 64, 9876–9885. [Google Scholar] [CrossRef]
- Abdollha, M.B.; Tokhi, M.O. Nonlinear full-order observer-based controller design for active magnetic levitation via LQR-feedback linearisation. Int. J. Model Ident. Control 2016, 26, 59–67. [Google Scholar]
- Espenhahn, T.; Sparing, M.; Niklas, C.; Nielsch, K.; Hühne, R. Dynamic Characteristics of a Superconducting Magnetic Bearing Under μm Displacements. IEEE Trans. Appl. Supercond. 2021, 31, 1–5. [Google Scholar] [CrossRef]
- Fang, J.; Zheng, S.; Han, B. Attitude Sensing and Dynamic Decoupling Based on Active Magnetic Bearing of MSDGCMG. IEEE Trans. Instrum. Meas. 2012, 61, 338–348. [Google Scholar] [CrossRef]
- Ji, J.C.; Hansen, C.H.; Zander, A.C. Nonlinear dynamics of magnetic bearing systems. J. Intel Mat. Syst. Str. 2008, 19, 1471–1491. [Google Scholar] [CrossRef]
- Zhou, L.; Li, L. Modeling and Identification of a Solid-Core Active Magnetic Bearing Including Eddy Currents. IEEE/ASME Trans. Mechatron. 2016, 21, 2784–2792. [Google Scholar] [CrossRef]
- Zhu, Y.; Yang, D.; Gao, X.; Ma, Z. Fractional Modeling and Identification of Active Magnetic Bearings with Laminated and Nonlaminated Structures Including Eddy Currents. IEEE Trans. Transport. Electrific. 2024, 10, 2423–2433. [Google Scholar] [CrossRef]
- Ye, P.Z.; Li, H.W.; Tian, J.; Yu, W.T. Influence of rotor vibration on magnetic field distribution of radial active magnetic bearings. In Proceedings of the 2019 14th IEEE Conference on Industrial Electronics and Applications (ICIEA), Xi’an, China, 19–21 June 2019; pp. 2399–2404. [Google Scholar]
- Le, Y.; Sun, J.J.; Han, B.C. Modeling and design of 3-DOF magnetic bearing for high-speed motor including eddy-current effects and leakage effects. IEEE Trans. Ind. Electron. 2016, 63, 3656–3665. [Google Scholar] [CrossRef]
- Zhang, P.F.; Wang, Z.H.; Xi, G. A multi-objective optimal design methodology for solid core no-thrust-disk/thrust hybrid magnetic bearings considering eddy-current effects and leakage. Int. J. Appl. Electromagn. Mech. 2019, 61, 13–42. [Google Scholar] [CrossRef]
- Wang, D.X.; Wang, N.X.; Ye, C.; Chen, K.S. Research on analytical bearing capacity model of active magnetic bearings based on magnetic saturation. IET Electr. Power Appl. 2017, 11, 1548–1557. [Google Scholar] [CrossRef]
- Cao, Z.; Huang, Y.; Guo, B.; Peng, F.; Dong, J.; Hemeida, A. A Novel Hybrid Analytical Model of Active Magnetic Bearing Considering Rotor Eccentricity and Local Saturation Effect. IEEE Trans. Ind. Electron. 2022, 69, 7151–7160. [Google Scholar] [CrossRef]
- Zhong, Y.; Wu, L.; Huang, X.; Fang, Y.; Zhang, J. An Improved Magnetic Circuit Model of a 3-DOF Magnetic Bearing Considering Leakage and Cross-Coupling Effects. IEEE Trans. Magn. 2017, 53, 1–6. [Google Scholar] [CrossRef]
- Wu, M.; Zhu, H.; Zhang, W. Parameter Design of Six-Pole Hybrid Magnetic Bearing Considering Variable Stiffness. IEEE Trans. Appl. Supercond. 2020, 30, 1–5. [Google Scholar] [CrossRef]
- Liu, C.; Liu, G. Equivalent Damping Control of Radial Twist Motion for Permanent Magnetic Bearings Based on Radial Position Variation. IEEE Trans. Ind. Electron. 2015, 62, 6417–6427. [Google Scholar] [CrossRef]
- Asami, K.; Chiba, A.; Rahman, M.A.; Hoshino, T.; Nakajima, A. Stiffness analysis of a magnetically suspended bearingless motor with permanent magnet passive positioning. IEEE Trans. Magn. 2005, 41, 3820–3822. [Google Scholar] [CrossRef]
- Chiba, A.; Kiryu, K.; Rahman, M.A.; Fukao, T. Radial force and speed detection for improved magnetic suspension in bearingless motors. IEEE Trans. Ind. Appl. 2006, 42, 415–422. [Google Scholar] [CrossRef]
- Xie, Y.; Jiang, D.; Ding, J.; Liu, Z. Modeling, Analyzing, and Suppression of EMI Effects in Eddy Current Sensors of Active Magnetic Bearings. IEEE Trans. Power Electron. 2025, 40, 8093–8108. [Google Scholar] [CrossRef]
- Wang, K.; Zhang, L.; Zheng, S.; Zhou, J.; Liu, X. Analysis and Experiment of Self-Differential Eddy-Current Sensor for High-Speed Magnetic Suspension Electric Machine. IEEE Trans. Ind. Appl. 2019, 55, 2538–2547. [Google Scholar] [CrossRef]
- Hutterer, M.; Schroedl, M. Stabilization of Active Magnetic Bearing Systems in the Case of Defective Sensors. IEEE/ASME Trans. Mechatron. 2022, 27, 3672–3682. [Google Scholar] [CrossRef]
- Wang, K.; Zhang, L.; Le, Y.; Zheng, S.; Han, B.; Jiang, Y. Optimized Differential Self-Inductance Displacement Sensor for Magnetic Bearings: Design, Analysis and Experiment. IEEE Sens. J. 2017, 17, 4378–4387. [Google Scholar] [CrossRef]
- Zhang, P.; Zhu, C. Vibration Control of Base-Excited Rotors Supported by Active Magnetic Bearing Using a Model-Based Compensation Method. IEEE Trans. Ind. Electron. 2024, 71, 261–270. [Google Scholar] [CrossRef]
- Yang, R.; Deng, Z.; Peng, C.; Li, K. Frequency-Varying Suppression of Vibration for Active Magnetic Bearing Using Improved Resonant Controller. IEEE Trans. Ind. Electron. 2022, 69, 13494–13503. [Google Scholar] [CrossRef]
- Liu, C.; Liu, G.; Fang, J. Feedback Linearization and Extended State Observer-Based Control for Rotor-AMBs System With Mismatched Uncertainties. IEEE Trans. Ind. Electron. 2017, 64, 1313–1322. [Google Scholar] [CrossRef]
- Wang, S.S.; Zhu, H.Q.; Wu, M.Y.; Zhang, W.Y. Active disturbance rejection decoupling control for three-degree-of- freedom six-pole active magnetic bearing based on BP neural network. IEEE Trans. Appl. Supercon. 2020, 30, 1–5. [Google Scholar] [CrossRef]
- Cui, P.; Li, Y.; Li, J.; Du, L.; Wu, Y. Synchronous Vibration Force Suppression of Magnetically Suspended CMG Based on Modified Double SOGI-FLL. IEEE Trans. Ind. Electron. 2023, 70, 11566–11575. [Google Scholar] [CrossRef]
- Xu, B.; Zhou, J.; Xu, L. A Backstepping Controller Based on a Model-Assisted Extended State Observer for a Slice Rotor Supported by Active Magnetic Bearings. Actuators 2022, 11, 266. [Google Scholar] [CrossRef]
- Fang, J.C.; Sun, J.J.; Liu, H.; Tang, J.Q. A Novel 3-DOF Axial Hybrid Magnetic Bearing. IEEE Trans. Magn. 2010, 46, 4034–4045. [Google Scholar]
- Zhong, L.; Wu, Y.; Fang, X.; Huang, X. Investigation of Cross-Coupling Effect of A 3-DOF Magnetic Bearing Using Magnetic Circuit Method. In Proceedings of the 2017 20th International Conference on Electrical Machines and Systems (ICEMS), Sydney, Australia, 11–14 August 2017; pp. 1–6. [Google Scholar]
- Shi, J.; Zhu, H. Control Study for Compensating Rotor Vibration of Four-DOF Six-Pole Hybrid Magnetic Bearings Based on Variable Step Size LMS Algorithm. IEEE J. Emerg. Sel. Top. Power Electron. 2023, 11, 1616–1626. [Google Scholar] [CrossRef]
- Xiao, L.; He, X.W.; Cheng, W.J.; Li, M. Structural optimization and dynamic characteristics of the new type 3-degrees of freedom axial and radial hybrid magnetic bearing. Proc. Inst. Mech. Eng. Part C J. Mech. Eng. Sci. 2022, 236, 5097–5110. [Google Scholar]
- Zhu, H.; Wang, S. Decoupling control based on linear/nonlinear active disturbance rejection switching for three-degree-of-freedom six-pole active magnetic bearing. IET Electr. Power Appl. 2020, 14, 1818–1827. [Google Scholar] [CrossRef]
- Hemenway, N.R.; Gjemdal, H.; Severson, E.L. New Three-Pole Combined Radial–Axial Magnetic Bearing for Industrial Bearingless Motor Systems. IEEE Trans. Ind. Appl. 2021, 57, 6754–6764. [Google Scholar] [CrossRef]
- Ye, X.; Le, Q.; Zhou, Z. A Novel Homopolar Four Degrees of Freedom Hybrid Magnetic Bearing. IEEE Trans. Magn. 2020, 56, 1–4. [Google Scholar] [CrossRef]
- Xu, S.L.; Sun, J.J.; Ren, H.L. An Active Magnetic Bearing with Controllable Permanent-Magnet Bias Field. IEEE/ASME Trans. Mech. 2022, 27, 3474–3481. [Google Scholar] [CrossRef]
- Krishnan, S.; Harikrishnan, A.; Sajeev Kumar, A.; Ravichandran, M.H. Design of a Novel Four DOF Active Magnetic Bearing for Space Applications. In Proceedings of the 2022 IEEE International Conference on Power Electronics, Drives and Energy Systems (PEDES), Jaipur, India, 14–17 December 2022; pp. 1–5. [Google Scholar]
- Sun, J.J.; Ju, Z.Y.; Han, W.T.; Liu, G. A novel integrated 4-DOF radial hybrid magnetic bearing for MSCMG. J. Magn. Magn. Mater. 2016, 421, 86–97. [Google Scholar]
- Sun, J.J.; Ju, Z.Y.; Peng, C.; Le, Y.; Ren, H.L. A Novel 4-DOF Hybrid Magnetic Bearing for DGMSCMG. IEEE Trans. Ind. Electron. 2017, 64, 2196–2204. [Google Scholar] [CrossRef]
- Blumenstock, K.; Brown, G. Novel Integrated Radial and Axial Magnetic Bearing. In Proceedings of the 7th International Symposium on Magnetic Bearings, Zurich, Switzerland, 23–25 August 2000; ETH Zurich: Zurich, Switzerland, 2000; pp. 467–471. [Google Scholar]
- Zhang, W.Y.; Wang, J.W.; Li, A.; Xiang, Q. Multiphysics Fields Analysis and Optimization Design of a Novel Saucer-Shaped Magnetic Suspension Flywheel Battery. IEEE Trans. Transp. Electrif. 2024, 10, 5473–5483. [Google Scholar] [CrossRef]
- Cheng, X.; Cheng, B.X.; Deng, S.; Zhou, R.G.; Lu, M.Q.; Wang, B. State-feedback decoupling control of 5-DOF magnetic bearings based on α-order inverse system. Mechatronics 2020, 68, 102358. [Google Scholar] [CrossRef]
- Chen, J.; Zhu, J.; Severson, E.L. Severson, Review of Bearingless Motor Technology for Significant Power Applications. IEEE Trans. Ind. Appl. 2020, 56, 1377–1388. [Google Scholar] [CrossRef]
- Sun, X.D.; Chen, L.; Yang, Z.B. Overview of bearingless permanent-magnet synchronous motors. IEEE Trans. Ind. Electron. 2013, 60, 5528–5538. [Google Scholar] [CrossRef]
- Kato, H.; Komori, M.; Asami, K.; Sakai, N. Development of one-axis active controlled bearingless motor working at extremely low temperature. J. Adv. Mech. Des. Syst. 2020, 14, JAM DSM0034. [Google Scholar] [CrossRef]
Disclaimer/Publisher’s Note: The statements, opinions and data contained in all publications are solely those of the individual author(s) and contributor(s) and not of MDPI and/or the editor(s). MDPI and/or the editor(s) disclaim responsibility for any injury to people or property resulting from any ideas, methods, instructions or products referred to in the content. |
© 2025 by the authors. Licensee MDPI, Basel, Switzerland. This article is an open access article distributed under the terms and conditions of the Creative Commons Attribution (CC BY) license (https://creativecommons.org/licenses/by/4.0/).


























