Abstract
The Organic Rankine Cycle (ORC) is an effective method for transforming low- and medium-grade heat into electricity that has recently gained significant attention. Several review studies in the literature are focused on working fluids, system architecture, and the individual utilization of renewable and alternative heat sources in ORCs, like solar irradiation, geothermal, biomass, and waste heat energy. However, no studies have yet investigated ORC systems driven by two of the aforementioned sources combined. This work aims to review and explore multiple aspects of hybrid ORC systems. Such systems are categorized based on source combinations and configurations, and the results regarding their thermodynamic, thermo-economic, and environmental performance are discussed. The source arrangements follow the following three main configurations: series, parallel, and heat upgrade. Most of the examined systems include solar energy as one of the sources and only four cases involve combinations of the other three sources. The reported results show that hybrid ORCs generally perform better thermodynamically compared to their respective single-source systems, exhibiting an enhancement in power production that reaches 44%. An average levelized cost of energy (LCOE) of 0.165 USD/kWh was reported for solar–geothermal plants, 0.153 USD/kWh for solar–biomass plants, and 0.100 USD/kWh for solar–waste plants. Solar–biomass plants also reported the lowest reported LCOE value of 0.098 USD/kWh. The payback periods ranged from 2.88 to 10.5 years. Further research is proposed on multiple source combinations, the in-depth analysis of the three main configurations, the integration of polygeneration systems, the incorporation of zeotropic mixture working media and experimental research on ORCs with combined sources.
1. Introduction
The global energy crisis revolves around the following four key issues: the continuous rise in annual energy demand, the depletion of existing energy sources, particularly fossil fuels, the severe effects of global warming, and increasing prices in the energy market [1]. The International Energy Agency (IEA) reports that global energy demand is projected to increase significantly in the coming decades, driven by factors such as population growth and economic development in emerging economies like China and India [2]. At the same time, a great amount of the world’s energy—more than 80%—still relies on the consumption of fossil fuels, contributing to nearly three-quarters of global CO2 emissions [3]. To address these problems, there is a growing requirement for the exploitation of renewable and alternative energy sources, as well as for developing new and improving existing technologies. The International Renewable Energy Agency (IRENA) discusses various renewable energy sources, including solar, geothermal, biomass, and waste heat, as alternatives to fossil fuels in energy generation [4]. The 2024 World Energy Transitions Outlook tracks implementation and gaps across all energy sectors, identifying priority areas and actions based on available technologies that must be realized by 2030 to achieve net-zero emissions by mid-century [5,6]. In this context, heat recovery for energy generation emerges as a sustainable solution, with the Organic Rankine Cycle (ORC) being an upcoming way for utilizing low- and medium-grade heat coming from renewable energy sources and industrial waste [7].
1.1. General Information for Renewables and ORC
The ORC efficiently converts low-to-medium-grade thermal energy into electricity. In comparison with the typical Steam Rankine Cycle, the ORC differs in both its operating temperature range and the working media used. While the Steam Rankine Cycle operates at high temperatures (300–600 °C) with water as the working medium, the ORC operates at lower temperatures (80–350 °C) [8,9]. The options for working media include a great variety of organic fluids, like hydrocarbons, hydrofluorocarbons, siloxanes, and their mixtures [10]. Frequently used organic fluids in ORCs include R134a for low-temperature applications (50–100 °C), R245fa for low-to-moderate temperatures (50–200 °C), and R123 for medium-to-high temperatures (200–300 °C), while siloxanes are used for applications above 250 °C [11]. In the latest years, the research has emphasized natural working media like propane (R290), butane (R600), ammonia (R717), and carbon dioxide (R744) [12], as well as on the two- or multi-component zeotropic mixtures of these fluids [13].
The most common configuration is the Basic ORC (BORC—Figure 1a), which comprises the following four basic components: the expander, the condenser, the pump, and the heat exchanger for the heat recovery system (HRS). Heat from a low-to-medium-grade source is given to the working medium in the HRS, leaving it in a saturated or vaporized state. Subsequently, the working medium enters the expander for mechanical work production by the expansion process and is transformed into electricity using a generator. Subsequently, the medium passes through the condenser and exits as a saturated liquid. After this step, it is compressed in the pump from a low to a high pressure. To further improve the efficiency, a recuperator can be added to transfer the thermal energy from the high-temperature vapor after the expansion to the low-temperature liquid before the HRS, forming a Recuperative ORC (RORC—Figure 1b) [14]. There are also other system architectures, such as the double-stage ORC (DSORC), which involves two evaporation pressures [15], and the partial evaporation ORC (PEORC), where the organic fluid is only partially evaporated [16,17]. ORC systems are also categorized based on the working fluid’s pressure relative to its critical point: subcritical, where the cycle operates below the critical point, and transcritical, where the working fluid reaches pressure values higher than the critical point [18].
Figure 1.
Most common ORC configurations: (a) BORC; (b) RORC.
The ORC presents a promising approach to current energy challenges because it can utilize renewable and alternative sources to produce electricity, like solar irradiance, biomass, geothermal energy, and waste heat. These sources can provide low-to-high-grade heat to the system, which can then be transformed into useful work. Solar energy collected by simple or concentrated solar collectors can heat a heat transfer fluid (HTF) to temperatures ranging from 150 °C to 450 °C [19]. Geothermal source temperatures typically range between 80 °C and 180 °C [20]. Biomass-fired ORC systems allow for flexible temperature control, typically ranging from 400 °C to 600 °C, based on the fuel flow rate and the system design [21]. Waste heat from industrial processes can reach up to 400 °C [22], while waste heat from power generation systems can range from 80 °C from their cooling systems to as high as 900 °C from the exhaust gases [23]. As of 2017, 2.7 GW of cumulative capacity had been installed, based on data from over 700 projects gathered by Tartiere and Astolfi [10]. Power generation from geothermal ORC is the most dominant, accounting for 74.8% of the installed capacity, with relatively few but large-scale plants. The waste heat recovery ORC constitutes 13.9%, having the largest number of operating plants, while the biomass ORC holds a similar share of 11%. The solar ORC share is insignificant because it is a not so cost-effective technology.
1.2. Design Aspects of Combined Heat Sources
The appropriate design of the HRS is essential for the efficient performance of an ORC engine [24]. The objective is to optimize the exploitation of the available thermal energy sources and minimize the outlet temperature of the thermal source as much as possible [25]. There are several approaches to achieve more effective source utilization compared to conventional methods. Alterations in the cycle, such as the partial evaporation of the working medium, could benefit the performance of the ORC, as proposed by Bellos et al. [26]. Another approach is the two-step heating process, such as the use of bleed steam extracted from a turbine to supplement a waste heat source, as demonstrated by Mikielewicz et al. [27]. Combining heat sources in hybrid ORC configurations is another way to achieve improved source utilization and is the primary focus of this study. The importance of this technique lies in the optimal exploitation of each heat source, as well as in the contribution of a secondary source when the primary source does not have inexhaustible resources or an adequate temperature level for the HTF to feed an ORC system. Because of the mutual compensation of double sources, a hybrid system can inherit the benefits of both sources, or one source can offset the limitations of the other, improving the overall system performance. For example, coupling geothermal with solar sources addresses the problem of the intermittency of solar energy and simultaneously enhances the geothermal medium temperature with the assistance of solar collectors [28]. The source circuit connected to the HRS could be either an open (geothermal and waste heat) or sealed type (solar and biomass) [29]. The most common heat source arrangements in ORC systems, which will be described in detail, are the series, parallel, and heat upgrade configurations of combined sources.
1.2.1. Series Configurations of Combined Sources
The HRS in the series configuration of combined heat sources comprises two heat exchangers arranged in series within the ORC layout, as depicted in Figure 2a. The ORC working medium enters the bottom heat exchanger (HEX #1) in a subcooled liquid state and is heated by the HTF of the first source. It then proceeds to the top heat exchanger, which is connected to the second source (HEX #2). The type of process the working medium undergoes in each heat exchanger (preheating, evaporation, and superheating) depends on the system design. Typically, the low-grade source is connected to the first heat exchanger and the source of higher temperature is connected to the second, as exhibited in the temperature-specific enthalpy (T-s) diagram of Figure 2b. However, this arrangement is not absolute and can vary depending on the system design. These variations in heat source combinations allow for the exploration of optimal designs for heat recovery systems in series configurations.
Figure 2.
Series configuration of the hybrid ORC: (a) System layout; (b) T-s depiction.
1.2.2. Parallel Configurations of Combined Sources
The hybrid ORC system with a parallel arrangement of combined heat sources also consists of two heat exchangers, but this time connected in parallel. In this configuration, the working medium as a subcooled liquid, corresponding to state 2, is split and heated separately by the two sources before mixing and entering the expander. The system layout is illustrated in Figure 3a, and a T-s depiction of the ORC and its sources is depicted in Figure 3b. This configuration allows for the parallel contribution of multiple heat sources, offering flexibility in adjusting the percentage contribution of each source. Adding a parallel secondary source to a previously single-source system can deliver additional heat to the working medium while improving the utilization of the primary source [30]. A variation in this parallel arrangement involves mixing the HTFs from both sources before they enter a single heat exchanger within the ORC circuit.
Figure 3.
Parallel configuration of hybrid ORC: (a) System layout; (b) T-s depiction.
1.2.3. Heat Upgrade Configurations of Combined Heat Sources
Another approach to combining heat sources is by upgrading an HTF with a moderate temperature using a source of higher temperature. In this heat upgrade configuration, the HTF of the low-grade source is further heated by the high-grade source and then enters the HRS of the cycle, as depicted in Figure 4. The ORC system in this configuration consists of a single heat exchanger, unlike the previous designs with two heat exchangers. However, it is still considered a hybrid system because the higher temperature is achieved through the contribution of the secondary high-temperature source. Upgrading the heat of the HTF can lead to higher expansion temperatures in the cycle, which results in a greater pressure drop across the expander and, consequently, higher power production [31]. This configuration is particularly suited for utilizing low-temperature thermal energy sources, like low-grade geothermal fields, with the assistance of high-grade heat sources.
Figure 4.
Heat upgrade configuration of the hybrid ORC: (a) System layout; (b) T-s depiction.
1.3. ORC Basic Mathematical Formulation
The energy balance in each ORC device produces the main equations needed for modeling the cycle. The heat (Q), work (W), and power (P) are measured in [W]. The subscript of the thermodynamic properties indicates the number of the corresponding state. The thermodynamic properties required for the calculations are usually calculated with relevant software, such as REFPROP, EES, CoolProp, etc. Based on the numbering of Figure 1a, the equations of a BORC are presented.
The source’s useful heat input is derived with energy conservation in the HRS, given by the following expression, where “morc” is the mass flow rate of the working medium in the cycle in [kg/s] and h is the specific enthalpy of the state in [kg/kJ]:
The heat rejection in the condenser is determined by the energy balance in the condenser using the following Equation (2):
The expansion process, as well as the pumping process, are simulated using the isentropic efficiency equations for each device, given by Equations (3) and (4), respectively, where the subscript “is” corresponds to a theoretical state where the procedure would be completely isentropic:
The work production in the turbine is derived from energy conservation in the device, as follows:
The work consumption in the pump is calculated accordingly:
The produced electrical power is computed by the multiplication of the produced work with the generator’s efficiency, as follows:
Accordingly, the pump’s power consumption is computed by dividing the pump work by the motor’s efficiency, as follows:
The net power of the unit is computed as the generated power minus the consumed power, as follows:
If a recuperator is present, an additional equation is required regarding the energy balance in the device. The following equation is numbered according to Figure 1b:
When the cycle is modified with alternative configurations or additional devices, the modeling is adjusted accordingly by revising the numbering of the states and performing energy conservation for the new devices.
1.3.1. First-Law Efficiency
The cycle’s thermodynamic efficiency is found as the division of the net power with the useful thermal input in the cycle, as follows:
The system efficiency is determined by the division of the net power with the heat provided by the respective source or sources, as follows:
where, in the present analysis, Qs could be either solar irradiation, geothermal energy, biomass, or waste heat.
For solar systems, the available heat of the source is computed by multiplying the collector area (A) with the solar irradiance (GT) in W/m2, as follows:
For biomass systems, the input heat is derived by the multiplication of the fuel’s mass flow rate (mfuel) with the lower heating value (LHVfuel), as follows:
For the cases of geothermal energy and waste heat, the source content is determined as the thermal output if the outlet temperature reaches a reference temperature (, for example, the ambient temperature, or a lower limit, for example, the flue gas dew point limitation [32], as follows:
1.3.2. Second-Law Efficiency
The system exergetic efficiency is calculated as the net power to the sum of the exergy values of the plant’s sources ratio [17], as follows:
The exergy value of solar irradiation is determined as shown in the following Equation (17), where () is the sun temperature in [K]:
The exergetic content of the biomass can be estimated by the following Equation (18), with β being the ratio of the chemical exergy to the LHV of the organic fraction of biomass [33]:
For geothermal sources and waste heat, the exergy flow is calculated as shown in Equation (19), where (href) and (sref) represent the specific enthalpy and entropy, respectively, that correspond to the reference conditions of the heat source medium:
1.4. Contribution of the Present Work
Several reviews on ORC systems powered by the four main sources—solar, geothermal, biomass, and waste heat—have been found in the literature. Solar-driven ORCs were the subject of a study by Loni et al. [34], who reviewed several solar–thermal technologies and pointed out the limitations of the technology. In another review, Loni et al. [35] examined waste heat-powered ORCs, investigating the different aspects of this technology. Loni et al. [36] and Ahmadi et al. [37] focused on geothermal ORC applications, analyzing various configurations and operational conditions, while the highlighting factors that influence the energy and exergy efficiency. Heidarnejad et al. [38] gathered studies about biomass-fired ORCs in a literature review and explored their specific characteristics. Zhai et al. [39] provided a comprehensive categorization and analysis of the four sources, discussing how their unique properties significantly affect the theoretical analysis and ORC system design. While many studies have reviewed single-source ORCs, no review has been conducted on systems combining multiple sources.
As there are no existing review papers on ORC systems powered by combined sources, this review aims to fill a critical gap in the literature. The importance of combining renewable sources for power generation lies in leveraging the strengths of each energy source—solar, geothermal, biomass, and waste heat—and the flexibility of source arrangements, which enhance resource utilization and optimize energy production while reducing the reliance on fossil fuels. Therefore, a literature review of studies addressing this topic is essential. This investigation aligns with current energy trends that focus on the integration of renewable energy sources into the global energy mix while maintaining economic feasibility by improving the performance of integrated cycles.
The purpose of the present analysis is to compile key studies investigating hybrid ORC systems driven by two renewable or alternative heat sources, aiming for a narrative overview of the performance, advantages, and challenges of these systems. Specifically, after a thorough search in the Scopus database, 76 papers concerning ORCs with combined sources were identified and reviewed. ORCs driven by double waste were excluded from the analysis. To ensure a contemporary context, this review incorporates recent studies and reports while also including foundational works from earlier years to provide a comprehensive and balanced overview. The source combinations found in the literature are categorized into the following four sections: solar–geothermal ORCs, solar–biomass ORCs, solar–waste heat ORCs, and biomass or geothermal–waste heat ORCs, with the first section having the most studies and the last section having the fewest. The hybridization of solar energy with various sources in ORC systems addresses the problem of the intermittent nature and daily and seasonal fluctuations of the source, which is why a significant portion of these studies focus on solar-based hybrid systems. Furthermore, each combination is categorized based on the source arrangement, focusing on the following previously described configurations: series, parallel, and heat upgrade. An additional sub-section is included to briefly explore more complex source arrangements, emphasizing the vast and untapped potential of renewable source combinations for power generation. Findings on the thermodynamic performance, thermo-economic analysis, and environmental indicators will be presented. Additionally, the potential of hybrid configurations to address limitations such as intermittency and temperature variability will be explored, providing a broader perspective on hybrid ORC system design and operation.
2. Solar–Geothermal ORC
Solar and geothermal energy are the most commonly combined sources in ORC systems found in the literature. Solar energy has the disadvantage of being intermittent, while geothermal sources often do not provide high enough temperatures to efficiently power an ORC system and produce useful work [40], or may degrade over time [41]. The hybridization of the two sources in ORC systems can help to overcome these challenges. In some cases, geothermal sources are integrated into solar-only plants, and vice versa, with both sources simultaneously feeding the ORC in various configurations. In other cases, geothermal fields serve as a heat sink rather than a source in solar-based applications. Various hybrid configurations exist, with the most common being series, parallel, and heat upgrade schemes, as previously described. In this section, studies that concern solar–geothermal ORC plants from the literature will be presented along with their most important results. Table 1 provides a summary of each examined system, including details on the ORC configurations and working fluids, geothermal fluid temperature, the type of solar collector, the heat source arrangement, and the basic results.
2.1. Series Configurations with Solar–Geothermal ORC
In this section, the series configurations of solar–geothermal ORC systems are presented, all featuring layouts like that shown in Figure 2. In the systems reviewed, the solar source acts as the high-temperature input, with its corresponding heat exchanger positioned above the geothermal one. The literature includes both subcritical and supercritical configurations. Key results related to the power generation, efficiency, economic performance, and environmental impact are discussed.
Most of the analyses focus on the power production and thermodynamic performance of the examined hybrid unit, and the comparison with the respective standalone one. Acar and Arslan [42] performed an energy and exergy analysis on a hybrid BORC utilizing solar and high-temperature geothermal energy sources. The calculated energy and exergy efficiency values ranged from 12.56% to 14.56% and from 58.24% to 70.91%, respectively, and the electricity produced by the hybrid system varied from 146,362 kWh to 171,385 kWh. The integration of the solar collectors caused a slight declination in the thermodynamic performance values compared to the standalone geothermal ORC, specifically, from 0.02 to 0.04% for the energy and from 2.76 to 5.92% for the exergy efficiency. In spite of that, the net energy increased from 1.03 to 1.3%. Another analysis was performed by Heberle et al. [43], who inspected an upgrade for a geothermal ΒORC with the integration of parabolic trough collectors (PTCs) as an additional source. Annual energy production was increased by 5.2 GWh for the retrofitted case, which was 4.5% above the standalone geothermal system power generation. Power production particularly increased during the summer months, when the ambient temperatures were higher. Notably, the implementation of PTCs in the system led to the operation of the devices, especially the expander, closer to the design case. Experimental research was performed by Song et al. [44], who examined a solar–geothermal BORC with R245fa as the working medium. Compared to the geothermal-only unit, the maximum electricity production by the hybrid power station was 184.13 kW higher, with a maximum growth percentage of 30.79%. The thermal efficiency of the hybrid unit increased by 11.21% in comparison with the geothermal-only unit.
Studies among basic and recuperated ORCs were conducted by Maali and Khir [45], who performed a comparative analysis of the following four different ORC system layouts utilizing solar and geothermal energy: a solar BORC, a solar RORC, a hybrid BORC, and a hybrid RORC. The geothermal source, providing low water temperatures of 55–70 °C, was applied for preheating the working fluid after heat recovery from the recuperator, if present. Among the studied cases, the hybrid RORC was determined as the most efficient option, reaching an efficiency of 15.8% and power output of 1.09 MW in winter, and 13.11% and 1.88 MW in summer. The least efficient configuration was the solar BORC. In a later optimization of the RORC system, Maali et al. [46] achieved an exergy efficiency improvement of 2.1% to 5.4% in winter and 1% to 4.1% in summer compared to the non-optimized scenario, while a different optimization approach [47] resulted in an exergy efficiency improvement of 10.4% in winter and 6% in summer.
Expanding on the thermodynamic analyses, the following studies incorporate both thermo-economic and life cycle analyses of hybrid ORC systems. Li et al. [48] conducted an investigation on various parameters that affect the thermo-economic performance of a hybrid RORC unit with PTCs and a geothermal source of 70 to 90 °C. In relation to the solar ORC unit, the coupled system exhibited better performance in most cases, with the power generation increasing by 25.3% and the levelized cost of energy (LCOE) decreasing by 16.3%. They concluded that, while the hybrid system is recommended for locations with moderate solar and abundant geothermal resources, it offers little performance enhancement in areas with excellent solar resources. More complex ORC configurations were studied by Tempesti et al. [49], who conducted a thermodynamic analysis on two micro-combined heat and power (CHP) units driven by low-geothermal-temperature sources and solar irradiance. The examined configurations were a single-stage ORC with evacuated solar collectors (ETCs) and a double-stage ORC with ETCs and PTCs. The layout of the double-stage ORC is presented in Figure 5. Among the examined working media, R245fa had the greatest thermodynamic efficiency of 15.1%, and an exergetic efficiency of 25% for the single-stage configuration. The respective efficiencies were calculated at 12.7% and 20% for the double-stage configuration. In a later thermo-economic assessment, Tempesti and Fiaschi [50] calculated the plant’s overall cost for the single-stage configuration with R245fa at EUR 292,780–318,200. Ruzzeneti et al. [51] studied the environmental sustainability of a small double-source ORC plant for power and heat generation. They examined the following three geothermal well scenarios: a 700 m deep well, a 1200 m deep well, and a 1200 m deep previously abandoned well. By evaluating impact indicators, such as the climate change potential, they concluded the construction of the geothermal wells undermined the advantages gained from the utilization of non-fossil fuels. The scenario involving previously drilled and abandoned wells was the only environmentally sound option for all of the indicators evaluated.
Figure 5.
Double-stage hybrid ORC configuration integrating both PTCs and ETCs, and a geothermal source (derived from [49], Copyright (2025), with permission from Elsevier).
The aforementioned studies focused on subcritical ORC systems; the following studies will explore the performance of supercritical ORCs driven by combined sources. Astolfi et al. [52] performed an investigation of a double-source unit based on a supercritical RORC working with R134a in terms of the techno-economic performance. An average solar energy to electrical power efficiency of 8.5% to 9.4% was calculated, which, although lower than that of advanced solar systems, aligns with the efficiency of individually solar-driven ORC plants. The economic analysis resulted in an LCOE of 145–280 USD/MWh, a value considerably below that of a typical Rankine Cycle plant, even though the ORC-based systems typically have a lower thermodynamic efficiency. A performance analysis of a hybrid supercritical RORC system with PTCs was performed by Cakici et al. [53]. The working fluids examined were R134a, R124, R142b, R227ea, and R600a (isobutene), with R134a being selected as the most suitable among the cases. The power production was higher for the systems that implemented PTC units in relation to the geothermal-only ORC plant, but the electrical and exergy efficiencies were lower. An exergetic optimization of the same system working with R134a by Erdogan and Cakici [54] achieved a maximum power output of 16.733 kW, and maximum electrical and exergy efficiencies of 21.63% and 70.06%, respectively. Zhou et al. [55] initially performed a detailed investigation of the performance of a coupled solar–geothermal subcritical ORC plant with isopentane as a working medium. For low geothermal reservoir temperatures of 120 °C, they found that a solar fraction of 68% or higher yielded improved performance for the double-source ORC compared to a solely geothermal plant. For higher reservoir temperatures, the solar fraction decreased. The economic analysis showed that the appropriate design of a hybrid plant can lead to a higher efficiency compared to both solar and geothermal plants, with an LCOE that was 23% lower than that of the geothermal plant. In a later study, Zhou [56] examined a supercritical cycle under the same conditions as the previous study. The supercritical case demonstrated the best performance regarding power production and exergy efficiency. He also noted that utilizing a supercritical hybrid plant, as opposed to a subcritical one, helped to reduce the solar capital costs by 6% to 24% and the solar-to-electricity costs by 4 to 19%.
2.2. Parallel Configurations with Solar–Geothermal ORC
In this section, parallel configurations of hybrid ORC systems from the literature are discussed and their most notable results are presented. The system’s layout follows the schematic diagram of Figure 3. Additionally, variations in the parallel systems are explored, specifically those that incorporate a tank where the heat transfer fluids heated by each source are mixed before entering the ORC heat exchanger.
A hybrid unit where the working medium is preheated by geothermal fluid and vaporized by solar and geothermal energy in parallel was studied by Ghasemi et al. [30], who proposed the hybridization of a pre-existing binary geothermal ORC unit working with isobutane to enhance its performance. The original unit was a BORC configuration that utilized a geothermal heat source of approximately 140 °C. With only a 7.3% solar share, the optimized proposed system achieved a net power production that exceeded that of the previous system by 10% to 40%. In a subsequent study [57], they optimized the same baseline and hybrid plants, enabling a variable number of expanders, and conducted annual simulations. The optimized hybrid system demonstrated a 5.5% increase in the total generated power over a one-year period compared to the optimized pure geothermal plant. Additionally, the coupled system demonstrated greater exergetic efficiency, with an improvement of up to 3.4%. A thermo-economic assessment of the aforementioned plants was performed by Ayub et al. [58]. They calculated an increase of 5.5% in constant-flow solar systems and 6.3% in variable-flow ones compared to the geothermal-only unit. The LCOE of the hybrid unit was calculated to be 2% lower than the respective value for the geothermal-only plant. Additionally, the optimized geothermal ORC demonstrated an 8% decrease in the LCOE, allowing them to conclude that optimization is currently a more advantageous alternative than hybridization.
Figure 6.
System layout of an ORC plant with a parallel configuration of combined sources incorporating a storage tank (derived from [59], Copyright (2025), with permission from Elsevier).
Figure 6.
System layout of an ORC plant with a parallel configuration of combined sources incorporating a storage tank (derived from [59], Copyright (2025), with permission from Elsevier).

Another parallel hybrid solar–geothermal system configuration incorporates a storage tank where the medium from the geothermal and solar sources are mixed. Baral [60] carried out an experimental and techno-economic analysis on such a plant, with R134a and R245fa as the working media, and a geothermal source temperature of 70 °C. The implementation of ETCs and a thermal energy storage (TES) tank helped to raise the geothermal source temperatures to 100–150 °C. The hybrid system achieved a power output of 25 kW and 30 kW, showing an increase of 43% and 33% compared to the geothermal-only plant for R134a and R245fa, respectively. For R134a, the electricity cost was calculated at 0.17 USD/kWh, with a payback period (PBP) of 10.5 years. For R245fa, the same values were calculated at USD 0.14/kWh and 7.5 years, respectively. The LCOE was USD 0.38/kWh for both cases. Bist and Sircar [59] studied a geothermal power plant employing an ORC with R134a in India, and suggested implementing solar energy to counteract the degradation of geothermal power over the years. The proposed system is demonstrated in Figure 6. They identified ETCs as the most compatible choice for solar collectors. The results showed an increase in energy generation during the daytime, when the plant operated as a hybrid setup, compared to night-time operation as a standalone geothermal plant. Calise et al. [61] performed a dynamic simulation of a trigeneration system incorporating an ORC driven by a medium-temperature geothermal source and ETCs. The system, integrated with an absorption heat pump and a thermal storage unit, was designed to meet the electricity, heating, and cooling demands of a commercial building. Even though the study does not focus on the thermodynamic performance of the hybrid ORC, it highlights the potential of polygeneration systems in building applications.
2.3. Heat Upgrade Configurations with Solar–Geothermal ORC
In solar–geothermal ORCs, the heat upgrade arrangement of the sources is an effective type of hybridization commonly found in the literature. In these configurations, the solar thermal source serves as the high-temperature source, while the geothermal source provides a lower temperature and requires upgrading. The way to achieve this is either by following the layout shown in Figure 4 or by directly heating the geothermal fluid with the solar collector and then discharging it after it has heated the working medium of the ORC.
Many studies have examined heat upgrade configurations, where the geothermal water or brine temperature is upgraded by absorbing heat from a heat transfer fluid that is heated by solar collectors in a separate circuit. Basseti et al. [62] simulated a double-source geothermal-concentrating solar power ORC plant working with isobutane. The examined configuration incorporated a TES tank for managing the excess solar thermal energy to enhance the unit’s performance even when solar irradiance was not available. The geothermal brine temperature varied from 140 to 154.5 °C and it was upgraded when passing through a heat exchanger connected to a solar system with PTCs. The results suggested an augmentation of 2.8% in yearly electricity production compared to the pure geothermal plant when the system did not include a TES, and 6.3% when it did. Cirrincione et al. [63] performed hourly simulations of a hybrid ORC system aiming to serve the electrical demands of a hotel in Catania. The heat source configuration included a geothermal source of 95 °C, solar panels for additional heating of the geothermal fluid, and a backup boiler. Out of ten pure refrigerants, R134a and ammonia were chosen as the most suitable. Achieving a cycle efficiency of 12% and a maximum power production of 200 kW, the plant was able to generate excess electricity in winter and partially cover the summer loads. A combination of an ORC and flash cycle powered by solar–geothermal sources was studied by Djemaa et al. [64]. The system comprised the following three units: a geothermal flash cycle as the core unit, a single-press ORC as a binary unit, and a parabolic trough collector system to upgrade the geothermal source. With a geothermal fluid temperature of 98 °C and R134a as the working medium in the ORC, they reached a maximum thermodynamic efficiency of 16.1% and a power production of 3823 kW. Hu et al. [65] conducted a thermo-economic optimization of a hybrid solar–geothermal unit using a data-driven strategy. The system incorporated a PTC circuit with thermal oil heating a geothermal brine of approximately 120 °C through a heat exchanger. Their results indicated the improved performance of the coupled plant’s devices compared to an individual geothermal plant, leading to a maximum power increase from 1.6 MW to 2.4 MW and an average power increase of 8.7%. However, the economic assessment showed a net present value (NPV) of around USD 12 million for the geothermal unit and USD 10.5 million for the hybrid plant, indicating a decrease of 12%. In a subsequent study of the same plant, Hu et al. [66] concluded that the 30-year life assessment yielded different results compared to the single-year approach. Specifically, the single-year approach overestimated the increase in power generation by 433% (1.8% in the 30-year assessment) and underestimated the LCOE value by 18% (USD 154.7/MWh).
The direct heating of geothermal sources by solar collectors is considered an alternative heat upgrade arrangement method for the sources, and the following studies explore this configuration. Almehmadi et al. [67] conducted an investigation into this configuration of a heat upgrade solar–geothermal ORC for power production and water desalination, and performed an optimization based on minimizing the LCOE and post-water productivity. The system layout is shown in Figure 7. Solar collectors directly heat the geothermal fluid, raising its temperature from 75 °C to 170–260 °C depending on the area implemented. Among the working fluids examined, R123 showed the best performance, with the system’s energy and exergy efficiencies ranging from 5% to 14% and from 27.3% to 52.5%, respectively. The LCOE ranged from 0.118 to 0.171 USD/kW, making the examined plant more expensive than conventional systems. Atiz et al. [68] examined the performance of a double-source plant driven by a low-grade geothermal resource and solar thermal energy from ETCs. The cases examined concern three levels of geothermal source temperature, specifically, 63 °C, 74 °C, and 86 °C. N-hexane, n-pentane, and n-butane were examined as organic media. The best performance results, obtained for the case of the highest temperature source with n-butane as the working medium, reached a maximum overall system energy efficiency of 6.92%, an exergy efficiency of 21.06%, and a maximum generated power of 19.46 kW, with respective minimum values at 0.32%, 2.19%, and 0.6168 kW for the case of the low-temperature source and n-hexane as a working medium. In a later study by Atiz [69], three types of solar collectors of the same aperture area were investigated, namely, PTCs, ETCs, and flat plate collectors (FPCs), in the same configuration as previously with n-butane as the working medium. The electricity production and overall system efficiency were significantly higher when incorporating PTCs compared to the other solar collector types, with values of 414.93 MJ and 5.67%, respectively, for the PTCs, 238.49 MJ and 3.79% for the ETCs, and 95.45 MJ and 1.76% for the FPCs. In a comprehensive analysis conducted by Shoaei et al. [70], they studied an innovative double-source energy system powered by solar and geothermal resources. The examined cycle included the following five subsystems in a cascade configuration: a gas cycle, a steam cycle, two ORCs, and a solar–geothermal circuit with the parallel connection of the sources that provide a thermal energy source for the second ORC. The optimal working media selected were R123 and ammonia, used in the first and second ORCs, respectively. The energy efficiency, exergetic efficiency, and generated power for the overall system were 50.6%, 25.4%, and 524.7 kW, respectively. Regarding the net generated power, 70% of it came from the solar–geothermal powered ORC, which also accounted for 37% of the exergy destruction.
Figure 7.
Solar–geothermal heat upgrade configuration—direct heating of the geothermal fluid by solar collectors (derived from [67], Copyright (2025), with permission from Elsevier).
2.4. Other Configurations with Solar–Geothermal ORC
In addition to the series, parallel, and heat upgrade configurations that were discussed in the previous sections, solar and geothermal sources can be combined in various ways to serve ORC systems. Alternative combinations include using the energy sources in cascaded systems, for example, using the high-temperature source for a topping cycle while the low-temperature source serves the bottoming cycle, and utilizing a geothermal field as a heat sink while solar energy functions as the heat source. These configurations are reviewed in this section.
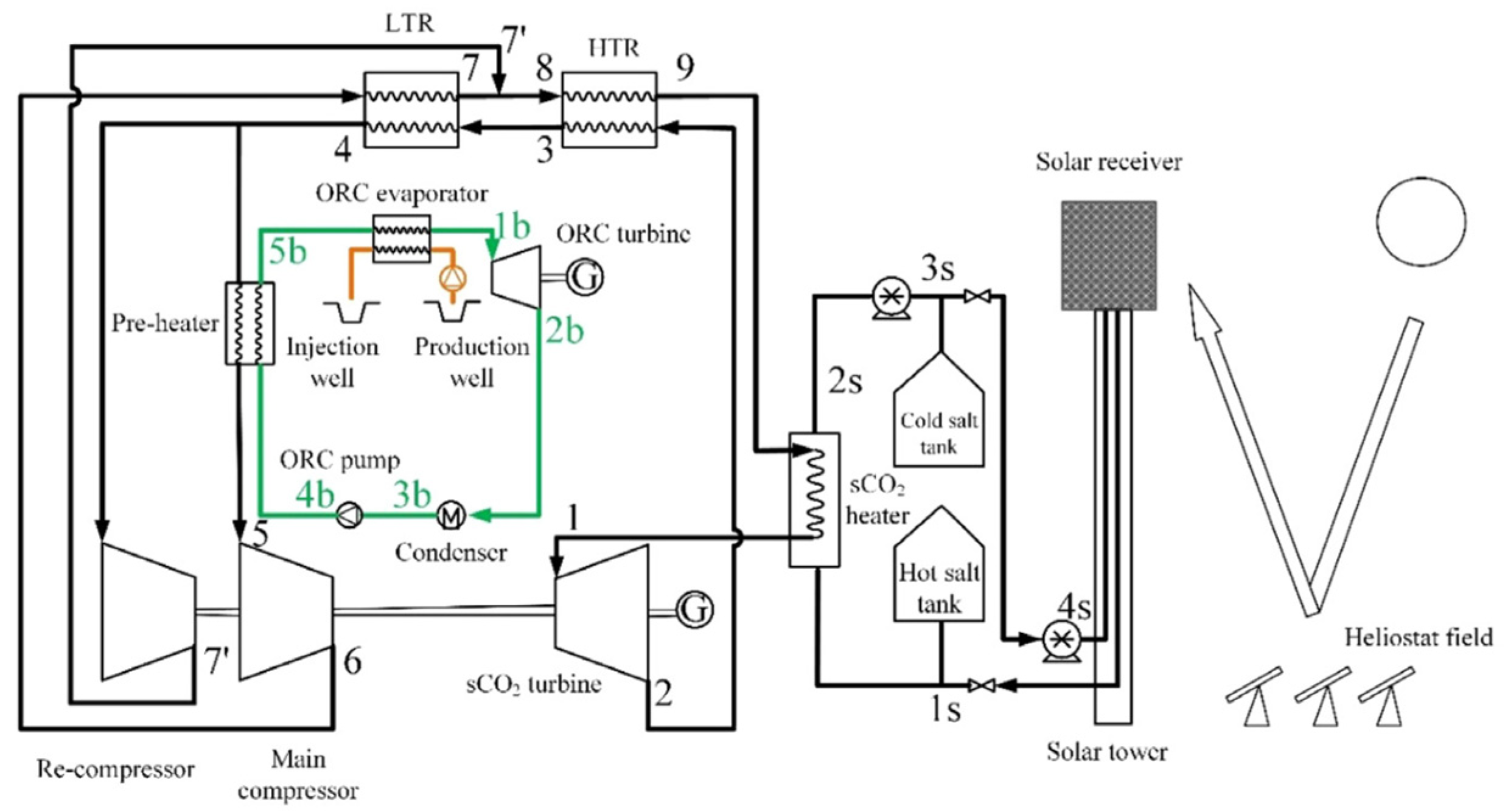
Solar and geothermal sources are hybridized in various cascaded systems where the ORC is not the primary focus of the examined studies. However, it is valuable to highlight this type of solar and geothermal energy utilization. Alibaba et al. [71] performed a comprehensive exergy investigation of such a system, focusing on its exergo-economic and exergo-environmental performance. The system featured a Steam Rankine Cycle-powered by PTCs and an ORC with R114 driven by the heated fluid from the condenser of the water/steam cycle, as well as a geothermal source of 150 °C. The exergy analysis indicated that, in the geothermal-only plant, the greatest exergy destruction occurred in the condenser, amounting to 950.16 kW. In contrast, for the hybrid cycle, the most significant exergy destruction was in the solar plant, which was 64,000 kW. Boukelia et al. [72] studied a power plant with a high-temperature level at a topping PTC steam cycle power unit and a low-temperature level at a bottoming geothermal ORC plant. The analysis showed that the power generation increased by 19.36% with the integration of the bottoming geothermal-based plant compared to the individual solar plant. The best performance yields were observed with ammonia as the ORC working medium, with an annual net energy output of 22.20 GWhe, a global efficiency of 14.67%, and an LCOE of 10.42 USD/kWh. A supercritical CO2 Brayton and ORC combined cycle was analyzed by Cao et al. [73]. The organic fluid in the ORC was preheated by the supercritical CO2, which adsorbed the heat from a solar system of solar receivers and then produced work through expansion. Afterward, a geothermal source further enhanced the thermal quality of the organic fluid before it underwent expansion. The overall plant layout is illustrated in Figure 8. The optimal calculated results were achieved with a CO2-EGS geothermal source at 180 °C and R245ca as the organic medium in the cycle. The overall unit efficiency and produced power were 35.07% and 16.63 MW, respectively. Song et al. [74] performed a thermo-economic assessment of the integrated supercritical CO2 (SCO2) cycle and solar–geothermal ORC for electrical production. The ORC using R245fa as the organic medium was integrated as a bottoming cycle for heat recovery from the topping SCO2 cycle powered by a solar system with PTCs, and to utilize the excess geothermal energy after the fluid preheated the SCO2 system. They achieved a power production of 2940 kW, which was 45% higher than that of a solar-only SCO2 unit. The yearly performance assessment showed that the combined systems could improve the total electricity generation by 22% to 45% compared to the standalone SCO2 plant. A unique combination of solar–geothermal energies was studied by Ayadi et al. [75], who performed a comparative analysis on four different Carnot battery configurations charged by PVs and then transferred heat from a geothermal source of 140 °C to a thermal storage tank. In this system, the ORC served as the discharging unit. The heat-to-power efficiency of the global system was calculated to be 107.3% to 139.3%, the energy efficiency ranged from 13.2% to 15.16%, and the exergetic efficiency was between 38.4% and 45.07%.
Figure 8.
Solar–geothermal energy integration based on a supercritical CO2 Brayton and ORC combined system (derived from [73], Copyright (2025), with permission from Elsevier).
Instead of serving as a heat source, geothermal fields can act as a heat sink in solar-based ORC systems, representing another type of hybridization. A system of this type was examined by Al-Nimr et al. [76]. Specifically, they studied a power generation system driven by solar energy featuring a concentrated photovoltaic thermal (CPVT) setup, an ORC using R134a with a ground-cooled heat exchanger, and an energy storage unit that consisted of an electrolyzer and proton-exchange membrane fuel cells (PEMFCs). The ORC unit’s thermal and system efficiency ranged from 4.3% to 12% and from 2.1% to 4.5%, respectively. The overall system’s monthly electrical efficiency was calculated at 21.9% to 22.1%, with the integration of the ORC increasing it by 15.72% to 17.78% compared to the CPVT setup alone. Kara [77] investigated a solar-assisted ground-cooled ORC with the following three organic media: toluene, cyclohexane, and isopentane. The proposed configuration was a RORC with a geothermal condenser, PTCs, and a TES to store surplus heat from the solar unit. The decrease in the temperature in the condenser from 60 °C to 30 °C due to the integration of the geothermal sink led to a higher ORC efficiency for the three working fluids, which increased by 16.7%, 13.8%, and 25.8%, respectively. With a soil temperature of 14.8 °C in January and 25.9 °C in June, the efficiency of the cycle with cyclohexane was computed at 30% and 28%, respectively. Pavlovic et al. [78] examined an ORC unit that utilized solar and geothermal energy. The layout included a solar system with solar dish concentrators, and a storage tank and a geothermal field as a heat sink with vertical boreholes with U-tubes. With toluene as the organic medium and a ground temperature of 15–22 °C, they calculated a system electrical efficiency and an ORC thermal efficiency of 21.45% and 35.99%, respectively.
Table 1.
List of solar–geothermal configurations in the literature.
Table 1.
List of solar–geothermal configurations in the literature.
| Reference | ORC Types and Working Fluids | Geothermal Source Temperature | Solar Collector Type | Method of Hybridization | Results | |
|---|---|---|---|---|---|---|
| Hybrid Plant | Comparison with Individual Plant | |||||
| Acar and Arslan [42] | Subcritical BORC, R600a | 150 °C | - | Series | ηORC = 5.56–12.56%, ηex = 58.24–70.91%, E = 146,362–171,385 kWh | ηORC = −0.02–0.04% ηex = −2.76–5.92% E = +1.03–1.3% |
| Heberle et al. [43] | Subcritical RORC, n-butane | 170 °C | PTC | Series | - | E = +2.8–5.2 GWh/a |
| Song et al. [44] | Subcritical BORC, R245fa | 90 °C | - | Series with upgraded geothermal condenser | - | ηORC = +11.21% P = +184.13 kW |
| Maali and Khir [45,46] | Subcritical BORC and RORC, n-pentane | 55–70 °C | PTC | Series with geothermal preheater before recuperator | ηORC = 15.77% winter–13.11% summer, Pmax = 1089 kW winter–1882 kW summer | - |
| Li et al. [48] | Subcritical RORC, R245fa | 70–90 °C | PTC | Series | E = 1205–1319 MWh LCOE = 0.14–0.44 USD/kWh | Pmax = +25.34% Maximum LCOE decrease = −16.28% |
| Tempesti et al. [49,50] | Subcritical SSBORC and DSBORC, R245fa | 80–100 °C | PTC (SS)/ETC and PTC (DS) | For the single stage: Series For the double stage: Series, direct heating by ETCs and PTCs, vessel for separating the saturated vapor phase | ηORC,SS = 15.1%, ηex,SS = 25%, ηORC,DS = 12.7%, ηex,DS = 20% Cost = EUR 292,780–318,200. | - |
| Ruzzeneti et al. [51] | Subcritical BORC, R134a/R245fa/R236fa | 90–95 °C | ETC | Series | Climate change potential = 329.46–990.08 g(CO2)/kW he | - |
| Astolfi et al. [52] | Supercritical RORC, R134a | 150 °C | PTC | Series | ηsys = 8.5–9.4% LCOE = 0.145–0.280 USD/kWh | - |
| Cakici et al. [53] and Erdogan and Cakici [54] | Supercritical RORC, R134a, R124, R142b, R227ea, Isobutane | 100–250 °C | PTC | Series | ηORC = 21.63% ηex = 70.06% Pmax = 16.733 kW | - |
| Zhou et al. [55,56] | Subcritical and Supercritical BORC, Isopentane | 120–210 °C | PTC | Series | Subcritical ηORC = 8.70–11.59% ηex = 13.71–14.07% LCOE = 0.165–0.222 USD/kWh Supercritical ηORC = 9.43–10.80% ηex = 8.90–14.68% | LCOEsub = −23% |
| Ghasemi et al. [30] | Subcritical RORC, Isobutane | 145 °C | PTC | Parallel | - | P = +10–40% |
| Baral [60] | Subcritical BORC, R134a/R245fa | 70 °C | ETC | Parallel with TES | R134a: P = 25 kW Cost of energy = 0.17 USD/kWh PBP = 10.5 years R245fa: P = 30 kW Cost of energy = 0.14 USD/kWh PBP = 7.5 years | R134a: P = +43% R245fa: P = +33% |
| Bist and Sircar [59] | Subcritical BORC, R134a | 45 °C | ETC | Parallel with TES | P = 20–35 kW | - |
| Basseti et al. [62] | Subcritical BORC, Isobutane | 140–154.5 °C | PTC | Parallel with TES | - | E = +5.3–6.3% |
| Cirrincione et al. [63] | Subcritical BORC, R134a/Ammonia | 95 °C | ETC | Heat upgrade with backup boiler | ηORC = 12% Pmax = 200 kW | - |
| Djemaa et al. [64] | Subcritical BORC, R134a | 98 °C | PTC | Heat upgrade | ηORC = 16.1% P = 3823 kW. | - |
| Hu et al. [65,66] | Subcritical BORC, R1234z | 120 °C | PTC | Heat upgrade | Etotal = 339 GWh NPV = USD 10.2 million | - |
| Almehmadi et al. [67] | Subcritical BORC, R123/R113 | 75 °C | - | Heat upgrade | ηORC = 5–14% ηex = 27.3–52.5% LCOE = 0.118–0.171 USD/kW | - |
| Atiz et al. [68] | Subcritical BORC, n-butane | 67 °C/74 °C/86 °C | ETC | Heat upgrade | ηsys = 6.92% ηex,sys = 21.06% P = 19.46 kW | - |
| Atiz [69] | Subcritical BORC, n-butane | 93 °C | PTC/ETC/FPC | Heat upgrade | ηsys,PTC = 5.6% EPTC = 414.93 MJ ηsys,ETC = 3.79% EETC = 238.49 MJ ηsys,FPC = 1.76% EFPC = 95.45 MJ | - |
| Shoaei et al. [70] | Cascade system of five subsystems with two BORCs at the bottom, R123/Ammonia | 150 °C | PTC | Heat upgrade | ηsys = 50.59% ηex,sys = 25.44% Exd = 1537.35 kW P = 524.66 kW | - |
| Alibaba et al. [71] | Top: Steam Rankine Cycle Bottom: Subcritical RORC, R114 | 150 °C | PTC | PTC for topping, geothermal source for bottoming ORCs | - | LCOE = −2% |
| Boukelia et al. [72] | Top: Steam Rankine Cycle Bottom: Subcritical ORC, Ammonia | 65 °C | PTC | PTC for steam cycle, enhanced geothermal source for ORCs | Eyear = 22.20 GWhe ηsys = 14.67% LCOE = 0.104 USD/kWh | P = +19.36% |
| Cao et al. [73] | Top: Supercritical Brayton Cycle, CO2 Bottom: Subcritical BORC, R245ca | 180 °C | - | Solar source for Brayton Cycle, enhanced geothermal source for ORCs | ηsys = 35.07% P = 16.63 MW | - |
| Song et al. [74] | Top: Supercritical CO2 cycle Bottom: Subcritical BORC, R245fa | 150 °C | PTC | Series solar–geothermal for SORC, geothermal for ORCs | P = 2940 kW Eyear = 4540–5420 MWh | - |
| Al-Nimr et al. [76] | Subcritical BORC, R134a | - | CPVT | CPVT as heat source, geothermal condenser | ηORC,th = 4.3–12% ηORC,tot = 2.1–4.5% ηsys = 21.9–22.1% | - |
| Kara [77] | Subcritical RORC, Toluene/Cyclohexane/Isopentane | 14.8 °C/25.9 °C | PTC | Solar system with storage tank, geothermal condenser | ηORC,JAN = 30% ηORC,JUN = 28% | - |
| Pavlovic et al. [78] | Subcritical BORC, Toluene | 15–22 °C | Solar Dish Collectors | Solar system with storage tank, geothermal condenser | ηel = 21.54% ηORC = 35.99% | - |
3. Solar–Biomass ORC
The incorporation of solar irradiance and biomass as sources in ORC units offers a promising pathway for improving the energy efficiency and sustainability. ORCs based on biomass combustion and solar-driven ORC units have in common many pieces of equipment, which makes it easier to retrofit existing Concentrating solar power ORC (CSP-ORC) systems with a biomass furnace, and the other way around [79]. This type of hybridization is the second most commonly discussed in the literature following solar–geothermal hybrid ORC systems. Unlike geothermal ORC systems, where the HTF is often discharged, the integration of a biomass furnace forms a closed circuit that allows for the recirculation of the HTF, minimizing the loss of fluid and retaining more of the system’s energy. The configurations examined are also categorized into series, parallel, and heat upgrade, as previously, with variations within each category. Studies from the literature along with additional information and their most important results are gathered in Table 2.
3.1. Series Configurations with Solar–Biomass ORC
This section presents works focused on the series configurations of solar–biomass ORC plants. The hybridization of the sources with the ORC unit follows Figure 2, with the solar collector being connected to the heat exchanger positioned above the biomass unit in the ORC system. Notably, the number of studies examining series configurations is fewer compared to those investigating parallel and heat upgrade configurations.
Calli et al. [80] conducted a comprehensive performance analysis of a coupled solar–biomass ORC in a series configuration and compared it with a solar-only ORC with PTCs and a biomass-only ORC. The study considered the following four different biomass fuels: wheat straw, hazelnut shells, wood, and paper. The highest efficiencies were achieved by the biomass plant, while the lowest was seen in the standalone solar plant. The hybrid plant achieved energy and exergy efficiencies of 8.8% and 6.9%, respectively, and was found to have a lower cost of electricity than the solar-powered ORC when the system included four or fewer PTC units of the given dimensions. A related analysis was conducted by Middelhof et al. [81], who performed a techno-economic assessment on a hybrid ORC for heat and power production to cover the electrical and heating needs of a beef abattoir. The examined system used toluene as a working fluid, a biomass boiler with a fuel mix, and a solar system with PTCs and a storage tank. The generated electrical power of the plant was computed at 5 MWe, while the thermal power was computed at 10 MWth. The respective efficiency values were found to be 18.79% and 37.57%. For the electricity generation, only the efficiency was calculated at 20.53%. An application of a solar–biomass ORC unit to serve the energy requirements of a farm was investigated by Calli et al. [82]. The system used R245fa as the organic medium, wood as the biomass fuel, and PTC as the solar system. Their findings showed a 30% reduction in electricity costs when using the proposed system compared to relying solely on the grid for electricity.
3.2. Parallel Configurations with Solar–Biomass ORC
The parallel configurations of solar–biomass ORCs found in the literature are slightly different than the layout described in Figure 3. The HTF in the heat source circuit is separately heated by each source before being mixed and passed through the ORC heat recovery system via a single heat exchanger instead of two, as described earlier. Studies on systems with such parallel configurations are presented below.
Pina et al. [83] compared the following two solar-based ORC plants: a standalone solar ORC and a hybrid solar–biomass ORC, both working with R245fa. Over a 20-year lifespan, the electricity cost for the hybrid and solar-only plants was calculated at 0.20 EUR/kWh and 0.15 EUR/kWh, respectively, which exceeds the electricity price in Spain by 49% and 7% respectively. Similarly, Soares and Oliveira [84] simulated the performance of a double-source ORC plant and performed yearly simulations for both the standalone solar and coupled configurations. The system layout is illustrated in Figure 9. Hybridization significantly improved the ORC cycle efficiency from 9.2% to 12.7% and the overall system efficiency from 3.4% to 9.6%. Additionally, it extended the system’s operating hours from 1420 h annually to 8760 or 4380 h, depending on whether 24-h or 12-h operation was selected. In another study, Ahmet and Mahanta [85] conducted an energy investigation of a parallel coupled power generation plant with PTCs. The solar system was limited to operating at a maximum share of 50%. For an equal share between the two sources, the cycle efficiencies were 20.2%, 13.0%, and 16.7%, and the total system efficiencies were 13.5%, 8.7%, and 11.2% for the organic media R123, R134a, and R600a, respectively. Compared to the system efficiencies calculated for the standalone biomass system, the hybrid plant showed increases of 11.6%, 11.5%, and 12% for the respective working fluids. Finally, Zourellis et al. [86] introduced a first-of-its-kind CSP plant installation in Denmark, which was coupled with a biomass heat and power system. The plant reached a maximum thermal energy production of MWth and supplied about 16,000 MWh of heat annually. The integration demonstrated the feasibility of combining a CSP plant with biomass in regions with limited solar resources, offering improved energy efficiency and year-round operation.
Figure 9.
Parallel configuration with the separate heating of the heat transfer fluid, followed by mixing (derived from [84], Copyright (2025), with permission from Elsevier).
Oyekale et al. conducted several studies on hybridizing a pre-existing solar ORC plant in Ottana, Italy, by incorporating a biomass boiler. In 2019 [87], they found that fixed and modular hybridization approaches increased the annual efficiency by 4% to 5% in relation to the individual solar plant, with a maximum efficiency of 19.8% achieved via the modular approach. The LCOE ranged between 130 EUR/MWh and 146 EUR/MWh. A later multi-objective thermo-economic optimization of the same system [88] demonstrated that a furnace heater and air preheater pinch point lower than 80 °C resulted in an optimized biomass retrofit scheme. The system’s exergy efficiency was computed at 11%, with electricity production costs between 0.105 EUR/kWh and 0.121 EUR/kWh [89]. The exergy analysis indicated that optimizing the solar system, TES tanks, furnaces, and ORC heat exchangers could reduce the irreversibility by over 50% and the costs by 60% [90]. Further studies revealed a 3% improvement in the annualized exergetic efficiency with hybridization, although the exergo-environmental impact increased to 27.4 Pts/MWh from 20.3 Pts/MWh in the standalone solar plant [91]. Regarding siloxane mixtures in the ORC, they found that mixtures like 0.9MM/0.1MDM and 0.8MM/0.2MDM increased the generated power by up to 2%, but the specific exergy costs also rose. Despite the thermodynamic benefits, these mixtures led to an 8% increase in the LCOE, a 13% longer payback period, and a 15.7% decrease in the NPV [92]. Further analysis showed that 0.9MM/0.1MDM improved the exergetic sustainability index (ESI) by 2%, while 0.1MM/0.9MDM worsened it by 1.5%, with the ORC condenser having the greatest exergy destruction across all of thge fluids [93].
3.3. Heat Upgrade Configurations with Solar–Biomass ORC
Several studies across the literature examined the heat upgrade arrangements of solar–biomass ORC plants, where the HTF is first heated by a solar unit and subsequently upgraded by a biomass boiler.
Morrone et al. [94] performed an investigation of a double-source transcritical ORC system for thermal and power production to serve a small-scale community. The examined unit incorporated a storage tank. Under design conditions, the plant produced an electrical power of 44 kW and a thermal power of 168 kW, with electrical and thermal efficiencies of 17.6% and 67.2%, respectively, and was able to satisfy 65.6% of the demand for electrical energy and 46.5% of the community’s thermal energy needs. Algieri and Morrone [95] later estimated a PBP of 7.5 years, with unit energy costs of 97.7 EUR/MWhe and 46.5 EUR/MWhth. Mouaky et al. [96] evaluated a similar plant using compound parabolic collectors (CPCs) and an olive waste-fueled biomass boiler. The results indicated that the hybrid option outperformed solar-only, producing 38.2–46.9 kWh/day compared to 7.5–12.8 kWh/day. However, hybrid operation resulted in a slight drop in the thermal efficiency (2.9–4.5%), but reduced fuel consumption. The hybrid plant’s electricity production and efficiency maximized in December and achieved values of 46.9 kWh and 8.41%, respectively. Sorn et al. [97] performed an advanced thermodynamic analysis of a hybrid solar–biomass ORC with R245fa as the organic fluid. The plant configuration is depicted in Figure 10. The calculations showed that the energy efficiency increased values from 9% to 11%, and the exergetic efficiency from 50% to 55%, depending on the heat source temperatures. The electricity cost was low when the number of solar units was increased, with values varying from 0.098 USD/kWh to 0.241 USD/kWh, according to the type of biomass fuel used. The study of Morais et al. [98] analyzed a polygeneration system comprising of an ORC, PTCs, a wood briquette burner, and an absorption chiller. Among the seven hydrocarbon working fluids, cyclohexane showed the best economic performance, with an IRR of 6% and an NPV of USD 2.25 × 10⁶. While pentane and decane had better thermodynamic results, they were less favorable economically. The study also noted that higher solar contributions increased the irreversibility but reduced the operating costs, highlighting the importance of a careful system design. In another study, Jradi and Riffat [99] modeled a micro-scale CHP plant based on a hybrid ORC for residential applications. The studied configuration included solar collectors and a biomass boiler for temperature upgrade. The cycle’s electrical efficiency was computed from 8.49% to 10.83%, while the thermal efficiency varied from 61.23% to 75.96% for a solar energy share of 100% to 0%, respectively. The decrease in the efficiency values, which refer to an increased solar share, was because of the slightly lower efficiency of the solar unit in relation to the biomass unit. Wang et al. [100] optimized the power and heat generation of a hybrid ORC that incorporated a thermoelectric generator instead of a condenser. The cycle operated with toluene and was powered by PTCs, while waste incineration was incorporated to ensure a steady heat supply, thus addressing solar intermittency. The optimized hybrid power plant achieved an exergy efficiency of 22.98% and an hourly cost of 43.08 USD/h, with the solar unit accounting for 53.2% of the cost.
Figure 10.
Solar–biomass ORC in the parallel configuration (derived from [97], Copyright (2025), with permission from Elsevier).
3.4. Other Configurations with Solar–Biomass ORC
In this section, a few studies that do not fit the aforementioned configurations are presented. Baral et al. [101] studied a CSP system integrated with a biomass-powered Organic Rankine Cycle, and examined the various working media and conditions of operation. The CSP and ORC achieved thermal efficiencies of 39.5% and 12%, respectively, with power outputs of 1300 kW and 730 kW. The economic assessment indicated that the hybrid plant would be highly profit-making if the LCOE could be maintained at USD 0.24/kWh. The PBP was calculated at 8 years, with an internal rate of return (IRR) of over 8%. Qi et al. [102] carried out an advanced exergy analysis of a double-ORC unit hybridizing solar and biomass energy sources. The examined configuration comprised the following two separate cycles: one powered by a biomass boiler and one powered by PV/T, interconnected with a heat exchanger used for preheating the organic medium in the solar-powered cycle, as depicted in Figure 11. The exergetic analysis pointed out that the greatest exergy destruction appeared for the two evaporators, with the solar-powered one appearing to not have the ability to improve its performance. According to the improvement potential of the devices, the biomass-powered evaporator and the condenser of the solar-powered system should be prioritized for optimization.
Figure 11.
Combination of solar energy and biomass in a double-ORC plant (derived from [102], Copyright (2025), with permission from Elsevier).
Table 2.
List of solar–biomass configurations in the literature.
Table 2.
List of solar–biomass configurations in the literature.
| Reference | ORC Types and Working Fluids | Biomass Fuel | Solar Collector Type | Type of Hybridization | Results | |
|---|---|---|---|---|---|---|
| Hybrid | Comparison with Standalone Plant | |||||
| Calli et al. [80] | Subcritical BORC, R134a | Wheat straw/hazelnut shells/wood/paper | PTC | Series | ηsys = 8.8% ηex = 6.8% | |
| Middelhof et al. [81] | Subcritical BORC, Toluene | Mix of pine sawdust, hardwood sawdust, and nutshells | PTC | Series | Pel = 5 MWe Pth = 10 MWth ηORC,th = 37.57% ηORC,el = 18.79% ηel,only = 20.53% | - |
| Calli et al. [82] | Subcritical BORC, R245fa | Wood | PTC | Series | Electricity cost reduction = 30% | - |
| Pina et al. [83] | Subcritical RORC, R245fa | Commercial biomass pellets | PTC | Parallel with TES | Cost of electricity = 0.2030 EUR/kWh | Cost of electricity = +0.0572 EUR/kWh |
| Soares and Oliveira [84] | Subcritical RORC, Solvay SES36 (azeotropic mixture) | Biogas | PTC | Parallel | ηORC = 12.7% ηsys = 9.6% | ηORC = +33.7% ηsys = +182.3% |
| Ahmet and Mahanta [85] | Subcritical RORC, R123/R134a/R600a | Rice husk | PTC | Parallel | ηorc = 20.2%/13.0%/16.7% ηsys = 13.5%/8.7%/11.2% | ηsys = +11.5–12% |
| Zourellis et al. [86] | Subcritical ORC, Cyclopentane | Wood chips | PTC | Parallel | Pth = 16.6 MWth Eheat,annual = 16,000 MWh | - |
| Oyekale et al. [87,88,89,90,91] | Subcritical RORC, MM | Wood | LFC | Parallel | ηORC = 19.8% ηORC,ex = 11% LCOE = 0.130–0.146 EUR/kWh | - |
| Morrone et al. [94,95] | Transcritical RORC, Isobutane | - | PTC | Heat upgrade | Pel = 44 kW Pth = 168 kW ηORC,el = 17.6% ηORC,th = 67.2% PBP = 7.5 years Electrical energy cost = 97.7 EUR/MWhe Thermal energy cost = 46.5 EUR/MWhth. | - |
| Mouaky et al. [96] | Subcritical BORC, R245fa | Olive waste residues | CPC | Heat upgrade | ηORC = 8.41% E = 38.2–46.9 kWh | E = + 30.7–34.1 kWh |
| Sorn et al. [97] | Subcritical BORC, R245fa | Various | ETC | Heat upgrade | ηORC = 9–11% ηORC,ex = 50–55% LCOE = 0.098–0.241 USD/kWh | - |
| Morais et al. [98] | Subcritical RORC, Cyclohexane | Wood briquette | PTC | Heat upgrade | ηex = 20% IRR = 6% NPV = 2.25 106ꞏ$ | |
| Jradi and Riffat [99] | Subcritical RORC, HFE7100 | Wood pellets | ETC | Heat upgrade | ηORC,el = 8.49–10.83% ηORC,th = 61.23–75.96% | - |
| Baral et al. [101] | CSP plant and subcritical ORC, R123/R245fa/D4/MDM | Wood | PTC | Solar and biomass-powered topping CSP plant, bottoming biomass-powered ORC | ηCSP = 39.5% ηORC = 12% PBP = 8 years | - |
| Qi et al. [102] | Subcritical cascaded BORCs, R245fa | Biomass Pellets | PV/T | Interconnected cycles powered by one source each | P = 205 kW ηsys = 14.14% | - |
4. Solar–Waste Heat Recovery ORC
There are fewer studies on hybrid solar–waste heat recovery ORC units compared to the previously discussed hybridizations. Several obstacles exist for waste heat utilization, like low-grade heat and the instability of the source [103]. Combining waste heat with solar irradiance in ORC systems can help to overcome these barriers. These hybrid systems often incorporate storage tanks to address the instability of the sources. The examined studies include configurations of standard series, parallel, and heat upgrade schemes, as well as a study of a system that does not fit into these categories. In this section, studies based on these systems are discussed and summarized in Table 3.
4.1. Series Configurations with Solar–Waste Heat Recovery ORC
The following studies explore series-configured solar and waste heat sources in hybrid ORC systems. Bellos and Tzivanidis [25] designed a hybrid solar–waste heat RORC, testing four working fluids (cyclohexane, MDM, n-pentane, and toluene) for waste heat temperatures of 150–300 °C. Toluene exhibited a better performance than the other working fluids, with an electricity production ranging from 479 kW to 845 kW and an overall efficiency from 11.6% to 19.7%. Furthermore, the system with MDM had the lowest waste heat fraction, while that with n-pentane was supplied only by waste heat at high temperatures due to its low critical temperature. Behzadi et al. [104] proposed three novel hybrid Rankine Cycle configurations incorporating solar systems (ETCs and PTCs) and waste heat energy, and compared the thermo-economic performance with that of a conventional waste-powered CHP plant. They found that the integration of solar units led to lower exergy destruction compared to the conventional system. The proposed hybrid configurations could produce up to 11.43 GWh more annual energy. The lowest energy production cost was calculated for the configuration that incorporated PTCs without a storage tank, which was USD 1.9/MWh lower than that of the conventional plant. Chen et al. [105] proposed the integration of a solar plant with LFCs to enhance the performance of low-grade waste heat recovery using an ORC. The established hybrid plant achieved a 10.97% reduction in the total annual cost (TAC) compared to a solar-only plant, along with an improvement in the waste heat recovery efficiency. Zhang et al. [106] inspected the performance of a similar system in series and parallel configurations. They examined three solar collector types, namely, FPCs, ETCs, and PTCs, with the performance of the PTC being significantly superior to the other two collector types, maintaining an efficiency of 70% throughout the year. The combination of the PTC, hexane, and series scheme offered the optimal solution, with a net produced power of 80.85 kW and SPB (specific payback period) of 2.88 years. Additionally, they noted that a large temperature difference (more than 50 °C) between the heat transfer fluids from the distinctive heat sources is better suited to the series connection of the heat exchangers for improved performance. Organic media with higher critical temperatures exhibited higher efficiencies in the series arrangement, while those with lower critical temperatures were more suitable for the parallel arrangement.
4.2. Parallel Configurations with Solar–Waste Heat Recovery ORC
In this section, ORC plants utilizing solar and waste heat energy in a parallel scheme are explored. The source arrangement in each examined study follows the parallel scheme and its variations, as described earlier. Liang et al. [107] performed a multi-objective optimization of a coupled, multi-pressure evaporation ORC with mixed organic media to identify the optimum combination of the medium composition and cycle layout. For a single-pressure ORC, the mixture of n-pentane/n-heptane with a composition of 0.9/0.1 produced the highest net power output of 428.91 kW. The double-pressure ORC with the same fluid mixture showed an increase in system efficiency from 12.09% to 13.47% compared to the single-pressure configuration. However, the efficiency gains diminished with additional evaporation stages, making the double-pressure configuration the best option. Orumiyehei et al. [108] simulated a hybrid solar–waste heat ORC and compared it with a standalone waste heat ORC plant. The hybrid system incorporated linear Fresnel collectors (LFCs) for solar heating, while both systems included steam accumulators as storage and for smoothing the steam fluctuations, as illustrated in Figure 12. The exergy analysis of both systems concluded that the largest exergetic destruction was found for the LFCs. Consequently, the energetic and exergetic efficiencies of the overall hybrid unit were computed to be lower than those of the solely waste heat plant, with energy efficiencies of 12.3% and 16.4% and exergy efficiencies of 16.35% and 27.1%, respectively. The thermodynamic efficiency of the ORC was equal in both cases, at 17.4%, while the exergetic efficiency increased in the hybrid plant from 47.7% to 53%. Dokl et al. [103] investigated a coupled ORC plant powered by solar irradiance captured by ETCs and low-temperature waste heat from an aluminum smelt. They investigated three working fluids, namely, R245fa, R1234yf, and R1234z, with R245fa producing the highest electrical power in June, at 979.8 kWh.
Figure 12.
Hybrid solar–waste heat ORC with steam accumulators as the storage units (derived from [108], Copyright (2025), with permission from Elsevier).
4.3. Heat Upgrade Configurations with Solar–Waste Heat ORC
The studies that follow concern systems with heat upgrade configurations of the combined sources, with the high-temperature source being, in certain cases, solar energy, and, in others, waste heat. Sonsaree et al. [109] investigated an ORC plant fed by industrial waste heat and integrated with a solar thermal unit and vapor compression heat pump (VCHP) for heat upgrade. The low-grade temperature from the waste heat source was enhanced by the solar collectors or the VCHP to exceed the minimum threshold of 70 °C. The conclusions exhibited that the unit could produce 47.0 MWh of electrical energy annually, with the LCOE and PBP equal to 0.098 USD/kWh and 22.5 years, respectively. Wang et al. [100] simulated a hybrid solar–waste ORC plant and performed an optimization based on the maximum power and heat generation. The system integrated PTCs and waste heat incineration to address the challenges that occur because of the intermittent availability of solar irradiance throughout the year. The optimization variables included the initial investment cost and exergy efficiency, which were calculated at USD 43.08/h and 22.98%, respectively. The solar collectors were found to account for 53.2% of the total capital cost, followed by the expander, which accounted for 19.9%. Gomaa et al. [110] studied such a system and calculated an ORC efficiency of approximately 16.7%, an overall system efficiency of 15.6%, and a net electrical power output that varied from 323 kW to 360 kW. The PBP was calculated to be close to 3.8 years, resulting in net savings of USD 280,000 annually.
4.4. Other Configurations with Solar–Waste Heat ORC
Apart from the series, parallel, and heat upgrade configurations discussed above, Al-Hawari et al. [111] studied a hybrid system that does not fit these categories. The system utilized waste heat from a diesel engine. The configuration was a double-pressure ORC working with R123, with exhaust gas heating the high-pressure side, and FPCs and cooling water from the diesel engine heating the low-pressure side. The system optimization led to a total cost rate (TCR) of 3.84 USD/h and an exergetic efficiency of 23.93%.
Table 3.
List of solar–waste configurations in the literature.
Table 3.
List of solar–waste configurations in the literature.
| Reference | ORC Types and Working Fluids | Waste Heat Source Temperature | Solar Collector Type | Type of Hybridization | Results | |
|---|---|---|---|---|---|---|
| Hybrid | Comparison with Standalone Plant | |||||
| Bellos and Tzivanidis [25] | Subcritical RORC, Cyclohexane, MDM, n-pentane, toluene | 150–300 °C | PTC | Series | Pel = 479 kW–845 kW ηsys = 11.6–19.7% | |
| Zhang et al. [106] | Subcritical BORC, Hexane | 150 °C | PTC | Series | P = 80.75 kW PBP = 2.88 years | - |
| Chen et al. [105] | Subcritical BORC, Toluene, MM, MDM | >150 °C | LFC | Series | TACtoluene = USD 1,363,463 TACMM = USD 1,439,427 TACMDM = USD 1,425,128 | TACtoluene = −5.71% TACMM = −6.99% TACMDM = −10.97% |
| Liang et al. [107] | Multi-pressure ORC, n-pentane/n-heptane (0.9/0.1) | 190 °C | PTC | Parallel with the storage tank | P = 428.91 kW–475.55 kW ηsys = 12.09–13.47% | - |
| Orumiyehei et al. [108] | Subcritical RORC, Toluene | 100–750 °C | LFC | Parallel with steam accumulators | ηsys = 12.3% ηsys,ex = 16.35% ηORC = 17.4% ηORC,ex = 53% | ηsys = −26.5% ηsys,ex = −39.7% ηORC = +0% ηORC,ex = +10% |
| Dokl et al. [103] | Subcritical ORC with Splitter and Two Evaporators, R245fa/R1234yf/R1234ze | 80 °C | ETC | Parallel | P = 979.8 kW | - |
| Gomaa et al. [110] | Subcritical BORC, R245fa | 250–280 °C | PTC | Heat upgrade | ηORC = 16.7% ηsys = 15.6% P = 323 kW–360 kW | - |
| Sonsaree et al. [109] | Subcritical BORC, R245fa | 60 °C | - | Heat upgrade with VCHP | E = 47.0 MWh/year LCOE = 0.098 USD/kWh PBP = 22.5 years | - |
| Wang et al. [100] | Subcritical BORC, Toluene | - | PTC | Heat upgrade | ηsys,ex = 22.98% | - |
| Al-Hawari et al. [111] | Double-Pressure ORC, R123 | - | FPC | Solar collector for LP fluid, exhaust gas for HP fluid | ηex = 23.93% Total Cost Rate = 3.84 USD/h | - |
5. Waste or Biomass–Geothermal ORC
Most of the combinations examined involved solar energy, while waste or biomass combinations with geothermal energy were rarely found in the literature. Due to the limited number of studies, they are not categorized into the usual series, parallel, or other configurations, and are instead presented together. Their results and key information are summarized in Table 4.
Table 4.
List of biomass or waste heat–geothermal configurations in the literature.
Briola et al. [112] assessed the off-design behavior of an innovative double-source geothermal–biomass ORC with an air-cooled condenser in extreme environmental conditions. The plant incorporated a biomass furnace with wood pine as the fuel, which heated water from a geothermal well. The water subsequently heated the working medium of the ORC, in this case, R134a, for electricity production, as in Figure 13. The achieved cycle efficiency at the design point was calculated at 26.76%. The overall system efficiency ranged from 10% to 22.9%, with lower efficiency values occurring during summer due to higher outside temperatures. The economic analysis showed an LCOE of 105–113 EUR/MWh. Overall, the integration of a biomass furnace is an effective solution for power plants that are based on resources that present fluctuations over time. Mahmood et al. [113] examined the performance of a supercritical ORC with a geothermal condenser for utilizing waste heat from a diesel generator for a basic and regenerative configuration with R123 as the working medium. They found that the integration of the geothermal condenser instead of an air-cooled one upgraded the electricity generation by 7.98% and 15.31% for the BORC and regenerative ORC, respectively. The calculated thermal efficiency values ranged from 12.89% to 15%. The payback period for the BORC was 4.9–7.8 years, while, for the regenerative ORC, it was 3.7–5.5 years. Ozcan and Ekici [114] investigated the incorporation of a bottoming waste heat ORC cycle into a geothermal ORC system to address the high exergy destruction during geothermal brine reinjection. The waste heat cycle improved the energy efficiency, exergy efficiency, and LEC, with values of 5.41%, 28.67%, and 0.0204 USD/kWh, respectively, compared to the initial values of 4.73%, 25.23%, and 0.0232 USD/kWh. Toselli et al. [115] performed a thermo-economic analysis of double-source ORCs with geothermal energy and biogas waste heat utilization. They examined the following two different hybrid configurations: heat upgrade and series, with waste heat being the high-temperature source in both cases. The annual energy production was maximized with the heat upgrade configuration at 36.255 GWh, while the energy production by the series configuration was calculated at 35.505 GWh, with both scenarios exceeding the energy production of the geothermal-only system. The maximum average thermal efficiency was achieved for the series configuration at 9.09%, followed by the heat upgrade configuration at 8.88%, and then the geothermal-only plant at 8.67%. As far as the economic performance is concerned, an LCOE of 0.1542 EUR/kWh was calculated for the heat upgrade configuration.
Figure 13.
Biomass–geothermal ORC in the heat upgrade configuration (derived from [112], Copyright (2025), with permission from Elsevier).
6. Discussion
The objective of this paper was to collect studies from the literature that investigated the performance aspects of hybrid ORC plants, to categorize them, and to highlight their most important results. A total of 76 papers that concern such systems were examined. This compilation resulted in some main findings that are going to be discussed in this section. Additionally, the limitations of hybrid ORC configurations will be addressed, and future research opportunities will be proposed.
6.1. Main Findings
As mentioned before, a total of 76 papers regarding hybrid ORC plants were reviewed, with most of them concerning the coupling of solar energy with other sources. Specifically, 38 studies of solar–geothermal, 23 studies of solar–biomass, and 11 studies of solar–waste heat ORC plants were examined. In contrast, only a small number of studies, specifically, four in total, explored other combinations, such as waste heat or biomass with geothermal energy. This was mainly due to the global accessibility of solar energy, which is more accessible compared to geothermal fields, biomass sources, or waste heat in specific locations. Additionally, since solar energy is an intermittent source, combining it with other renewable sources addresses the challenges of intermittency, placing this approach in the spotlight. The preferred solar technology in the examined configurations was PTCs, as they are the most efficient among the other choices, as Atiz [69] suggested, who compared the three solar collector technologies, namely, PTCs, ETCs, and FPCs, and concluded that the hybrid ORC with PTCs produced more power throughout the year.
In solar–geothermal ORCs, the studied combinations concerned mostly low-grade geothermal sources; specifically, 61% of the examined plants utilized geothermal temperatures below 100 °C, 26% utilized medium-grade geothermal sources of 100–150 °C, and 13% utilized high temperatures above 150 °C. Low-temperature geothermal plants were preferable for combination with another source, because higher-temperature sources can already be exploited independently for a high performance. The examined hybrid plants had a low-to-medium capacity ranging from 16 kW to 16 MW, and were used mostly for power generation, with a few examined cases for heat generation, like in studies [49,51]. The economic indicators used to evaluate these pants were mainly the LCOE and PBP. The reported LCOE increased values from 0.14 to 0.44 USD/with the lower values corresponding to series configurations. Higher LCOE values were associated with plants installed in regions with low solar endowments [48,52], which highlights the importance of appropriate site selection to optimize the utility of the solar plant. If these cases are excluded, the LCOE falls within an acceptable range for energy production from the RES. The reported PBPs were calculated in one of the studies for the parallel source arrangement [60], and were found at 7.5 and 10.5 years, which are considered acceptable. However, the reviewed studies did not include a direct economic comparison between standalone and hybrid plants. As noted in the LCA by Ruzzeneti et al. [51], drilling a new geothermal well for a combination with a solar ORC is not an environmentally sound solution, and the integration of solar plants in existing geothermal plants or previously drilled wells was proposed. The majority of the studies pointed out that the solar–geothermal configuration addresses the problem of high ambient temperatures in summer, which decreases the efficiency of low-grade geothermal plants, and integrating a solar unit into pre-existing units raises the geothermal medium temperature at those hours and overcompensates for this effect. Taken together, the investigation of studies regarding solar–geothermal ORC plants demonstrated potential in combining these sources, showing an improved thermodynamic performance when compared with standalone plants, while also exhibiting promising economic results in terms of the LCOE and PBP values, which are competitive and align with the current Renewable energy sources (RES) trends.
Solar–biomass plants were the second most explored hybrid ORC configuration in the literature. This hybridization approach also exhibited efficiency improvements and system reliability compared to the standalone solar or biomass systems. The examined plants operated at higher temperature levels than the solar–geothermal plants, resulting in higher thermodynamic efficiency values, and provided opportunities for polygeneration systems, often being examined for combined power and heat production. The reported plant capacities ranged from 44 kW to 5 MW, classifying them as low-to-medium-capacity plants. The integration of biomass boilers to support solar-powered ORCs significantly increased the operating hours of the plants, enabling continuous power and heat generation, even during periods of low solar irradiance, while also reducing the biomass fuel consumption and operational costs. They were configured mostly in the parallel and heat upgrade arrangements, thus enhancing the system flexibility and increasing the HTF temperature, while the series arrangements were recommended for scenarios with smaller solar contributions. Economic analyses were conducted for the parallel and heat upgrade configurations, and revealed a general LCOE range of USD 0.098 to USD 0.241 per kWh across the studies. This range positions the solar–biomass ORC plants as competitive options, especially in cases where biomass can be sourced locally at a low cost. The payback periods (PBPs) for these systems ranged between 7.5 and 8 years, demonstrating the economic viability for investment. Overall, the benefits of this hybridization primarily concern the flexibility in applications and the reduction in the operating costs due to decreased biomass fuel consumption from the solar contribution, while also providing acceptable and competitive LCOE and PBP values.
Solar–waste heat ORC plants were explored in 11 studies from the literature. This limited number of studies made drawing conclusions more difficult due to the less widely examined aspects. However, some trends could be observed. This hybridization presents similar benefits to the aforementioned combinations, addressing the intermittency of solar energy while exploring a more optimal arrangement of the sources to better utilize them in more effective configurations. The waste heat stream temperatures in the examined plants varied widely, ranging from 60 °C to 750 °C. The capacities of the systems were low to medium, ranging from 80 kW to 979 kW. A limited economic representation of these plants has been reported, with one study calculating an LCOE of USD 0.098/kWh. The PBP was calculated in two studies, showing a promising value of 2.88 years according to Ref. [106]. However, in the more complex system of Ref. [109], which integrated a VCHP, the PBP was reported as 22 years, which is not considered representative due to the additional complexity of the system.
Other combinations besides the aforementioned, such as biomass or waste heat with geothermal configurations, were rarely found in the literature due to the challenge of having both sources available simultaneously in one region. In fact, only four studies of such plants were examined. These systems were not categorized into the typical series, parallel, or other configurations due to the limited number of studies available, which highlights the need for further exploration in this area. However, these limited investigations provided promising results regarding the system performance and economics, which encourage further research into these configurations. The reported LCOE values ranged from 0.105 to 0.20 EUR/kWh, with the lower end referring to a biomass–geothermal plant [112] and the higher end to a waste heat–geothermal plant [114]. A PBP of 3.7 to 7.8 years was calculated for a waste heat ORC with a geothermal condenser [113].
The most promising reported results in terms of the thermo-economic performance of hybrid ORC plants are gathered and presented in Table 5. In all cases where hybrid plants were compared with the respective standalone one, the power and efficiencies were increased by up to 44%, except in references [42,108], where there was a slight reduction in the thermodynamic performance of the examined plants. Regarding the techno-economic analyses found in the literature, some plants presented an increase in the cost of energy of the hybrid plants compared to individual plants, like in the solar–biomass configuration of reference [83], and, in others, there was a decrease, like in the solar geothermal systems presented in [48,55,56]. The wide ranges in both the LCOE and PBP values suggest that the performance of the system can vary based on factors like the technology, location, and available resources. The lowest LCOEs were reported for solar–biomass plants, with an average of 0.153 USD/kWh among the reported values, and the lowest of 0.098 USD/kWh among all of the examined source combinations corresponding to such plants in the heat upgrade configuration of Ref. [97]. Solar–geothermal plants also exhibited consistently competitive LCOEs with an average of 0.165 USD/kWh, excluding cases of installations in regions with inadequate solar resources, which are not recommended for such systems. The reported results for solar–waste and geothermal–waste/biomass combinations are insufficient to draw an average value for economic performance indicators. However, the limited data available show promising trends and offer a solid foundation for future research, as LCOEs of around 0.10 USD/kWh were reported in the limited studies of each category. Overall, the double-source ORC systems presented promising results, showing improvement in thermodynamic performance compared to their respective single-source plants, and aligning with the current economic trends in RES installations.
Table 5.
Most promising reported results regarding the thermodynamic and economic performance of hybrid ORC units.
As far as the combined source configurations are concerned, systems with series, parallel heat upgrades, and other arrangements were explored for all of the examined source combinations, while some more complex configurations were also reviewed, highlighting the potential in multiple alternative source arrangements. Solar–geothermal sources were combined mostly in the series arrangement, while solar–biomass was mostly reviewed in the parallel arrangement. ORC plants utilizing solar and waste heat sources were evenly distributed among the three configurations. Based on the reviewed studies, series configurations demonstrated better thermodynamic performance compared to the parallel schemes, as highlighted by Zhang et al. [106]. Additionally, sources with a high-temperature difference were better suited to the series arrangements and working media with a low critical temperature were more compatible with the parallel configurations. Compared to the series scheme, ORC plants with the heat upgrade configuration produced a higher power output, while the series configuration achieved a better thermodynamic efficiency, as shown in the work of Toselli et al. [115]. Overall, the choice of the thermal energy source arrangement relies on various parameters, including the working fluid selection, source temperatures, and other conditions, which require a thorough investigation when combining sources.
6.2. Limitations
As highlighted before, the ORC, as it is, stands as a promising solution for power generation, while also presenting some limitations and challenges. Typically, ORCs exhibit lower system efficiencies compared to conventionally used technologies like the Steam Rankine Cycle and the Brayton Cycle, as they rely on lower-temperature heat sources. Additionally, renewable sources such as solar energy and waste heat are intermittent and lead to the operation of the unit only during specific hours or seasons. This intermittency requires supplementary solutions, such as thermal storage tanks or complementary sources, to ensure consistent performance. Moreover, the careful selection of a working fluid is essential, as it must not only be environmentally friendly but also perform well under the system’s operating conditions.
Hybrid ORCs are an innovative approach to power generation, addressing some of the aforementioned limitations while also presenting others. These challenges need to be addressed for this technology to be a sustainable option for energy production, as it is in many cases more efficient than single-source ORCs. Firstly, the installation costs for individual sources like solar–thermal and solar–geothermal are already high, and combining these sources in an ORC plant can lead to higher energy costs if they are not combined optimally. The system design when combining two sources is more complex due to the integration of more heat exchangers and heat source circuits. Furthermore, due to the temperature fluctuations of the HTF in solar systems, a careful system design, and possibly the integration of a TES tank, are required to manage this variability. Therefore, while the intermittency of solar energy is addressed by incorporating an additional source, optimizing the system design remains important in order to achieve efficient heat utilization and a higher overall performance. Overall, some of the limitations of single-source ORCs are addressed by incorporating multiple heat sources. However, challenges, such as the choice of working fluid and high installation costs, persist across both the single-source and hybrid cycle configurations, and still require further investigation and optimization.
Another problem that is faced only by hybrid ORC systems is the simultaneous availability of the examined renewable sources. Solar energy is globally available, which is why most of the studies in the reviewed literature concern hybrid plants where solar energy is one of the sources. However, for such systems to operate efficiently, it is essential that the location provides sufficient solar energy throughout the year. Geothermal energy is geographically limited to regions with geothermal fields that provide adequate heat, and waste heat recovery is restricted to areas with industries that generate excess heat. Similarly, biomass is most sustainably utilized where it is locally available to avoid the costs associated with transportation. As a result, it is challenging to combine two of these sources in the same region. This is evident in literature, where only four studies explored combinations of the aforementioned sources.
6.3. Future Work
Hybrid ORCs have been studied thoroughly in many papers in literature. However, there are still many aspects of combined sources in ORCs that need to be further investigated so to have a clear insight into this technology and to improve the performance. Certain gaps in the literature were noticed and are pointed out in this section, along with new ideas proposed for future work.
The literature has explored renewable and alternative thermal sources in various combinations, but a lack of studies of certain source combinations remains. While there was an adequate number of studies concerning solar–geothermal and solar–biomass ORCs, there were fewer studies about solar–waste heat ORCs or combinations of biomass, geothermal, and waste heat energy. Therefore, there is potential for further investigation of these combinations in order to fill this gap in the literature and to examine more aspects of these combinations. Additionally, while all of the examined studies focus on ORC systems that combine two heat sources, there are no studies on multiple heat source-based ORCs, which are needed to explore whether this approach could further benefit the performance of an ORC plant and for further renewable source utilization.
The importance of the heat source arrangement has not been sufficiently explored in the literature. In the present work, only two studies were reviewed where a comparison between two configurations was performed, specifically, the comparison of a series and parallel scheme solar–waste heat ORC system [106], and the comparison of a series and heat upgrade arrangement of a waste heat–geothermal ORC [115]. The significance of the optimal source arrangement lies in the fact that different source temperatures, working fluids, and operating conditions differently affect each system’s performance with a specific source arrangement, as stated in the limited studies that performed this comparison. For instance, Toselli et al. [115] stated that, while the thermodynamic efficiency was higher for the series configuration, the heat upgrade configuration performed better in terms of the annual energy production and economic performance, though the operating conditions were not thoroughly examined. In exploring different operating conditions, Zhang et al. [106] observed that heat exchangers in the series scheme performed better with a large temperature difference (>50 °C) between the heat sources, favoring organic media with higher critical temperatures, whereas lower-critical-temperature media are more efficient in the parallel arrangements. Such trends concerning the three main heat source arrangement schemes, namely, the series, parallel, and heat upgrade schemes, could be explored in multi-parameter investigation studies, which is so far lacking in the literature. Moreover, it is crucial that investigations of hybrid plants in any configuration are followed by comparisons with their corresponding standalone plants, which is an analysis that was not performed by all of the studies reviewed herein. Such comparative analyses are strongly encouraged so to enhance the understanding of the potential for performance improvements in hybrid systems.
Systems that deliver multiple energy outputs, known as polygeneration systems, are innovative energy solutions with the potential to improve the utilization of combined renewable sources. ORCs are currently integrated into polygeneration systems as bottoming units in power cycles, such as the Brayton Cycle and the Steam Rankine Cycle, in real-world applications [116,117]. In this context, the examined hybrid plants in the literature were mainly designed and simulated for power generation, with a few cases of combined power and heat generation. Other cases of polygeneration systems included the integration of desalination units [67] and CO2 capture [101] with the double-source ORC plant, while fewer incorporated an ORC as a bottoming cycle to another power cycle [71,72,73]. Overall, such cases are not yet widely investigated, despite their significant potential for effectively utilizing renewable energy sources for multiple applications beyond energy generation. Future research could include more hybrid ORC systems for polygeneration, like district heating and cooling (coupled with absorption heat pumps), hydrogen production, distillation, etc.
As in all ORC plants, the selection of the organic medium is crucial for the system to achieve a high performance. The same applies to hybrid ORC plants, where the choice of the working medium is necessary to properly match the source temperatures with a fluid that offers high performance, considering the energetic and exergetic efficiencies, as well as power production. The reviewed studies included various pure working media, with R245fa being the most commonly used. However, there is a notable lack of studies on hybrid systems that incorporate zeotropic mixtures. The investigation of this option is very important, as these types of working media present a temperature inclination in the evaporation process, which better matches the thermal energy source temperature and reduces the irreversibility effects at the heat exchangers, which leads to the better utilization of the source. Similarly, integrating two or multiple sources in a hybrid ORC aims for the improved matching of the temperature profiles in the heat exchangers. Combining these two approaches could further improve the matching between working fluids and heat sources, making this an important area for future research. Moreover, zeotropic mixtures are promising alternatives for replacing high-GWP working fluids like R245fa and R134a. Natural working fluids, such as propane, butane, pentane, and other hydrocarbons, and their mixtures, are particularly attractive due to their environmentally friendly properties and superior performance compared to pure fluids, as noted in many studies in the literature [13,118,119,120]. Among the reviewed studies, only two papers on hybrid ORC systems discuss or include zeotropic mixtures. In the study of Ozcan et al. [114], the benefits of zeotropic mixtures are extensively discussed in the introduction, although they are not included in the simulations. In contrast, Liang et al. [107] thoroughly examined zeotropic mixtures with various compositions and highlighted their impact on the cycle performance of both standalone and hybrid systems. Further research on this topic is strongly encouraged to better understand and optimize the use of zeotropic mixtures in hybrid ORC systems.
Finally, future research should prioritize conducting experimental studies to validate and expand upon the promising theoretical advancements discussed. In the present work, only two studies address the main topic experimentally, paving the way for more experiments involving ORCs with combined heat sources. Such studies would provide valuable data on system performance, heat exchanger behavior, and real-world feasibility, which are often absent in purely simulation-based research. These efforts are vital for bridging the gap between theory and application, ensuring the practical implementation of innovative ORC configurations.
7. Conclusions
ORCs driven by combined heat sources are a promising solution for renewable source utilization and high-efficiency power generation. In the present study, papers concerning hybrid ORCs were collected with binary combinations of solar, geothermal, biomass, and waste heat energy. The examined systems were categorized based on the source combinations and source arrangement, and their most important results were discussed. The main findings of this review study are presented below, as follows:
- -
- The arrangements of the combined heat sources were categorized into the following three main configurations: series, parallel, and heat upgrade. There were also a few studies of other heat source arrangements not falling into these categories, highlighting the numerous possibilities for renewable and alternative source combinations for power production.
- -
- Solar energy was the most combined source, with PTCs being the main solar technology integrated into hybrid ORC systems. The literature lacks systems that combine the other three sources with each other.
- -
- In solar–geothermal ORC plants, the utilization of low-temperature geothermal sources (<100 °C) is favored. The combination with solar energy helps to mitigate the problem of high ambient temperatures, which can decrease the plant efficiency, by using the solar contribution to further increase the temperature of the heat source fluid. The average LCOE reported for this case was 0.165 USD/kWh.
- -
- Solar–biomass ORC plants exhibited the lowest average LCOE of 0.153 USD/kWh among the examined source combinations. The lowest reported LCOE across all of the cases was for such a system, with a value of 0.098 USD/kWh. These plants were preferred for applications requiring heat of a higher grade and for combined heat and power production.
- -
- Solar–waste ORCs presented similar advantages as the previously mentioned combinations, but they are studied less frequently so far. The lowest reported plant payback period concerned these systems, with a value of 2.88 years. An LCOE of around 0.10 USD/kWh was reported for these systems based on limited studies.
- -
- Other combinations of geothermal energy, biomass, and waste heat in ORC applications were very limited due to the challenge of finding two of these sources in the same region.
- -
- The reported payback periods were in a range of 2.88 years to 10.5 years, with solar–geothermal and solar–biomass plants consistently falling between 7.5 and 10.5 years, while the lowest value was reported for a solar–waste plant.
- -
- The series configuration presented a better thermodynamic performance, while the heat upgrade presented greater power production. Working media with a low critical temperature were more compatible with the parallel configurations.
- -
- Overall, hybrid systems demonstrated better thermodynamic performance compared to ORC systems driven by one source, with an increase in the power generation of up to 44%.
Considering the limitations of hybrid ORCs, the following suggestions for further research are provided:
- -
- More studies on ORC systems combining geothermal energy, biomass, and waste could be conducted, as well as investigations into ORC plants integrating more than two heat sources.
- -
- A comparative analysis of the performance of the three source arrangements—series, parallel, and heat upgrade—could help to identify the conditions that fit in each configuration.
- -
- An exploration of hybrid ORCs in polygeneration systems, such as waste heat utilization for heating, cooling, distillation, etc.
- -
- The incorporation of zeotropic mixtures as working media in hybrid units for better heat source utilization due to their temperature glide during evaporation.
- -
- Conducting experimental studies to validate the theoretical advancements, and to provide data on the system performance and real-world feasibility of ORC systems with combined heat sources.
Author Contributions
Conceptualization, D.G. and E.B.; methodology, D.G. and E.B.; formal analysis, D.G. and E.B.; investigation, D.G. and E.B. writing—original draft preparation, D.G. and E.B.; writing—review and editing, D.G. and E.B.; visualization, D.G.; supervision, E.B. All authors have read and agreed to the published version of the manuscript.
Funding
This research received no external funding.
Data Availability Statement
Not applicable.
Conflicts of Interest
The authors declare no conflict of interest.
Nomenclature
| A | Collector area, m2 |
| cp,s | Specific heat capacity of the heat source fluid, kJ/kg |
| Exs | Source exergy, kW |
| Enet | Net electrical energy, kWh |
| GT | Solar irradiance, W/m2 |
| morc | Mass flow rate, kg/s |
| h | Specific enthalpy, kJ/kg |
| Pgen | Electrical production by the generator, kW |
| Pnet | Net electrical power production, kW |
| Ppump | Pump power consumption, kW |
| Qout | Heat rejected in the condenser, kW |
| Qrec | Heat exchanged in the recuperator, kW |
| Qs | Total heat of the source, kW |
| Qu | Useful heat input to the system, kW |
| s | Specific entropy, kJ/kg |
| T | Temperature, °C |
| Wexp | Expander work production, kW |
| Wpump | Pump work consumption, kW |
| Greek symbols | |
| β | Ratio of the chemical exergy to the LHV of the organic fraction of biomass, - |
| ηgen | Generator efficiency, % |
| ηis | Isentropic efficiency, % |
| ηORC | Organic Rankine Cycle efficiency, % |
| ηsys | Overall system efficiency, % |
| ηth | Thermal efficiency, % |
| Subscripts and superscripts | |
| Bio | Biomass |
| Exp | Expander |
| Gen | Generator |
| Geo | Geothermal energy |
| Rec | Recuperator |
| Ref | Reference |
| Sol | Solar energy |
| WH | Waste heat |
| Abbreviations | |
| BORC | Basic Organic Rankine Cycle |
| CPVT | Concentrated photovoltaic/thermal |
| CHPCSP | Combined heat and powerConcentrating solar power |
| CPC | Compound parabolic collector |
| ETC | Evacuated tube collector |
| FPC | Flat plate collector |
| HRS | Heat recovery system |
| HTF | Heat transfer fluid |
| LCOE | Levelized cost of energy |
| LFC | Linear Fresnel collector |
| NPV | Net present value |
| ORC | Organic Rankine Cycle |
| PBP | Payback period |
| PTC | Parabolic trough collector |
| RORC | Recuperated organic Rankine Cycle |
| TES | Thermal energy storage |
References
- Sood, K.; Grima, S.; Young, P.; Ozen, E.; Balusamy, B. (Eds.) The Impact of Climate Change and Sustainability Standards on the Insurance Market, 1st ed.; Wiley: Hoboken, NJ, USA, 2023. [Google Scholar] [CrossRef]
- The Global Energy Crisis—World Energy Outlook 2022—Analysis. IEA. Available online: https://www.iea.org/reports/world-energy-outlook-2022/the-global-energy-crisis (accessed on 3 January 2025).
- World Energy Outlook 2023—Analysis. IEA. Available online: https://www.iea.org/reports/world-energy-outlook-2023 (accessed on 9 September 2024).
- World Energy Transitions Outlook 2023. Available online: https://www.irena.org/Digital-Report/World-Energy-Transitions-Outlook-2023?utm_source=chatgpt.com (accessed on 3 January 2025).
- Renewables 2023 Global Status Report. Available online: https://www.ren21.net/gsr-2023/ (accessed on 9 September 2024).
- “IRENA_World_energy_transitions_outlook_2024.pdf.”. Available online: https://www.irena.org/-/media/Files/IRENA/Agency/Publication/2024/Nov/IRENA_World_energy_transitions_outlook_2024.pdf (accessed on 3 January 2025).
- Bo, Z.; Zhang, K.; Sun, P.; Lv, X.; Weng, Y. Performance analysis of cogeneration systems based on micro gas turbine (MGT), organic Rankine cycle and ejector refrigeration cycle. Front. Energy 2019, 13, 54–63. [Google Scholar] [CrossRef]
- Zhang, X.; Zhang, T.; Xue, X.; Si, Y.; Zhang, X.; Mei, S. A comparative thermodynamic analysis of Kalina and organic Rankine cycles for hot dry rock: A prospect study in the Gonghe Basin. Front. Energy 2020, 14, 889–900. [Google Scholar] [CrossRef]
- Liu, Z.; He, T. Exergoeconomic analysis and optimization of a Gas Turbine-Modular Helium Reactor with new organic Rankine cycle for efficient design and operation. Energy Convers. Manag. 2020, 204, 112311. [Google Scholar] [CrossRef]
- Tartière, T.; Astolfi, M. A World Overview of the Organic Rankine Cycle Market. Energy Procedia 2017, 129, 2–9. [Google Scholar] [CrossRef]
- Thurairaja, K.; Wijewardane, A.; Jayasekara, S.; Ranasinghe, C. Working Fluid Selection and Performance Evaluation of ORC. Energy Procedia 2019, 156, 244–248. [Google Scholar] [CrossRef]
- Abas, N.; Kalair, A.R.; Khan, N.; Haider, A.; Saleem, Z.; Saleem, M.S. Natural and synthetic refrigerants, global warming: A review. Renew. Sustain. Energy Rev. 2018, 90, 557–569. [Google Scholar] [CrossRef]
- Liu, Q.; Duan, Y.; Yang, Z. Effect of condensation temperature glide on the performance of organic Rankine cycles with zeotropic mixture working fluids. Appl. Energy 2014, 115, 394–404. [Google Scholar] [CrossRef]
- Lecompte, S.; Huisseune, H.; Van Den Broek, M.; Vanslambrouck, B.; De Paepe, M. Review of organic Rankine cycle (ORC) architectures for waste heat recovery. Renew. Sustain. Energy Rev. 2015, 47, 448–461. [Google Scholar] [CrossRef]
- Braimakis, K.; Karellas, S. Exergetic optimization of double stage Organic Rankine Cycle (ORC). Energy 2018, 149, 296–313. [Google Scholar] [CrossRef]
- Bellos, E. A review of organic Rankine cycles with partial evaporation and dual-phase expansion. Sustain. Energy Technol. Assess. 2024, 72, 104059. [Google Scholar] [CrossRef]
- Zhou, Y.; Zhang, F.; Yu, L. Performance analysis of the partial evaporating organic Rankine cycle (PEORC) using zeotropic mixtures. Energy Convers. Manag. 2016, 129, 89–99. [Google Scholar] [CrossRef]
- Maraver, D.; Royo, J.; Lemort, V.; Quoilin, S. Systematic optimization of subcritical and transcritical organic Rankine cycles (ORCs) constrained by technical parameters in multiple applications. Appl. Energy 2014, 117, 11–29. [Google Scholar] [CrossRef]
- Wang, M.; Wang, J.; Zhao, Y.; Zhao, P.; Dai, Y. Thermodynamic analysis and optimization of a solar-driven regenerative organic Rankine cycle (ORC) based on flat-plate solar collectors. Appl. Therm. Eng. 2013, 50, 816–825. [Google Scholar] [CrossRef]
- Zhai, H.; Shi, L.; An, Q. Influence of working fluid properties on system performance and screen evaluation indicators for geothermal ORC (organic Rankine cycle) system. Energy 2014, 74, 2–11. [Google Scholar] [CrossRef]
- Al-Sulaiman, F.A.; Dincer, I.; Hamdullahpur, F. Energy and exergy analyses of a biomass trigeneration system using an organic Rankine cycle. Energy 2012, 45, 975–985. [Google Scholar] [CrossRef]
- Sprouse, C.; Depcik, C. Review of organic Rankine cycles for internal combustion engine exhaust waste heat recovery. Appl. Therm. Eng. 2013, 51, 711–722. [Google Scholar] [CrossRef]
- Zhang, H.G.; Wang, E.H.; Fan, B.Y. A performance analysis of a novel system of a dual loop bottoming organic Rankine cycle (ORC) with a light-duty diesel engine. Appl. Energy 2013, 102, 1504–1513. [Google Scholar] [CrossRef]
- Vittorini, D.; Cipollone, R.; Carapellucci, R. Enhanced performances of ORC-based units for low grade waste heat recovery via evaporator layout optimization. Energy Convers. Manag. 2019, 197, 111874. [Google Scholar] [CrossRef]
- Bellos, E.; Tzivanidis, C. Investigation of a hybrid ORC driven by waste heat and solar energy. Energy Convers. Manag. 2018, 156, 427–439. [Google Scholar] [CrossRef]
- Bellos, E.; Lykas, P.; Sammoutos, C.; Kitsopoulou, A.; Korres, D.; Tzivanidis, C. Thermodynamic investigation of a solar-driven organic Rankine cycle with partial evaporation. Energy Nexus 2023, 11, 100229. [Google Scholar] [CrossRef]
- Mikielewicz, D.; Wajs, J.; Ziółkowski, P.; Mikielewicz, J. Utilisation of waste heat from the power plant by use of the ORC aided with bleed steam and extra source of heat. Energy 2016, 97, 11–19. [Google Scholar] [CrossRef]
- Li, K.; Liu, C.; Jiang, S.; Chen, Y. Review on hybrid geothermal and solar power systems. J. Clean. Prod. 2020, 250, 119481. [Google Scholar] [CrossRef]
- Borsukiewicz-Gozdur, A. Exergy analysis for maximizing power of organic Rankine cycle power plant driven by open type energy source. Energy 2013, 62, 73–81. [Google Scholar] [CrossRef]
- Ghasemi, H.; Mitsos, A. A Hybrid Geothermal-Solar Power System: Optimal Design and Operation. In Proceedings of the ASME 2013 International Mechanical Engineering Congress and Exposition. Volume 6A: Energy, V06AT07A043. San Diego, CA, USA, 15–21 November 2013; American Society of Mechanical Engineers: San Diego, CA, USA, 2013. [Google Scholar] [CrossRef]
- Uusitalo, A.; Turunen-Saaresti, T.; Honkatukia, J.; Dhanasegaran, R. Experimental study of small scale and high expansion ratio ORC for recovering high temperature waste heat. Energy 2020, 208, 118321. [Google Scholar] [CrossRef]
- Blanco, J.M.; Peña, F. Increase in the boiler’s performance in terms of the acid dew point temperature: Environmental advantages of replacing fuels. Appl. Therm. Eng. 2008, 28, 777–784. [Google Scholar] [CrossRef]
- Ptasinski, K.J.; Prins, M.J.; Pierik, A. Exergetic evaluation of biomass gasification. Energy 2007, 32, 568–574. [Google Scholar] [CrossRef]
- Loni, R.; Mahian, O.; Markides, C.N.; Bellos, E.; le Roux, W.G.; Kasaeian, A.; Najafi, G.; Rajaee, F. A review of solar-driven organic Rankine cycles: Recent challenges and future outlook. Renew. Sustain. Energy Rev. 2021, 150, 111410. [Google Scholar] [CrossRef]
- Loni, R.; Najafi, G.; Bellos, E.; Rajaee, F.; Said, Z.; Mazlan, M. A review of industrial waste heat recovery system for power generation with Organic Rankine Cycle: Recent challenges and future outlook. J. Clean. Prod. 2021, 287, 125070. [Google Scholar] [CrossRef]
- Loni, R.; Mahian, O.; Najafi, G.; Sahin, A.Z.; Rajaee, F.; Kasaeian, A.; Mehrpooya, M.; Bellos, E.; le Roux, W.G. A critical review of power generation using geothermal-driven organic Rankine cycle. Therm. Sci. Eng. Prog. 2021, 25, 101028. [Google Scholar] [CrossRef]
- Ahmadi, A.; Assad, M.E.H.; Jamali, D.; Kumar, R.; Li, Z.; Salameh, T.; Al-Shabi, M.; Ehyaei, M. Applications of geothermal organic Rankine Cycle for electricity production. J. Clean. Prod. 2020, 274, 122950. [Google Scholar] [CrossRef]
- Heidarnejad, P.; Genceli, H.; Hashemian, N.; Asker, M.; Al-Rawi, M. Biomass-Fueled Organic Rankine Cycles: State of the Art and Future Trends. Energies 2024, 17, 3788. [Google Scholar] [CrossRef]
- Zhai, H.; An, Q.; Shi, L.; Lemort, V.; Quoilin, S. Categorization and analysis of heat sources for organic Rankine cycle systems. Renew. Sustain. Energy Rev. 2016, 64, 790–805. [Google Scholar] [CrossRef]
- Hettiarachchi, H.D.M.; Golubovic, M.; Worek, W.M.; Ikegami, Y. Optimum design criteria for an Organic Rankine cycle using low-temperature geothermal heat sources. Energy 2007, 32, 1698–1706. [Google Scholar] [CrossRef]
- Budisulistyo, D.; Wong, C.S.; Krumdieck, S. Lifetime design strategy for binary geothermal plants considering degradation of geothermal resource productivity. Energy Convers. Manag. 2017, 132, 1–13. [Google Scholar] [CrossRef]
- Acar, M.S.; Arslan, O. Energy and exergy analysis of solar energy-integrated, geothermal energy-powered Organic Rankine Cycle. J. Therm. Anal. Calorim. 2019, 137, 659–666. [Google Scholar] [CrossRef]
- Heberle, F.; Hofer, M.; Brüggemann, D. A Retrofit for Geothermal Organic Rankine Cycles based on Concentrated Solar Thermal Systems. Energy Procedia 2017, 129, 692–699. [Google Scholar] [CrossRef]
- Song, A.; Zhu, J.; Zhang, P.; Chang, N.; Cui, Z. Experimental Research on Solar and Geothermal Energy Coupling Power Generation System. Energy Procedia 2019, 158, 5982–5987. [Google Scholar] [CrossRef]
- Maali, R.; Khir, T. Performance analysis of different orc power plant configurations using solar and geothermal heat sources. Int. J. Green Energy 2020, 17, 349–362. [Google Scholar] [CrossRef]
- Maali, R.; Khir, T.; Arici, M. Energy and exergy optimization of a combined solar/geothermal organic Rankine cycle power plant. J. Cent. South Univ. 2023, 30, 3601–3616. [Google Scholar] [CrossRef]
- Maali, R.; Khir, T. Thermodynamic analysis and optimization of an ORC hybrid geothermal–solar power plant. Euro-Mediterr. J. Environ. Integr. 2023, 8, 341–352. [Google Scholar] [CrossRef]
- Li, D.; Rao, Z.; Zhuo, Q.; Chen, R.; Dong, X.; Liu, G.; Liao, S. Resource endowments effects on thermal-economic efficiency of ORC-based hybrid solar-geothermal system. Case Stud. Therm. Eng. 2023, 52, 103739. [Google Scholar] [CrossRef]
- Tempesti, D.; Manfrida, G.; Fiaschi, D. Thermodynamic analysis of two micro CHP systems operating with geothermal and solar energy. Appl. Energy 2012, 97, 609–617. [Google Scholar] [CrossRef]
- Tempesti, D.; Fiaschi, D. Thermo-economic assessment of a micro CHP system fuelled by geothermal and solar energy. Energy 2013, 58, 45–51. [Google Scholar] [CrossRef]
- Ruzzenenti, F.; Bravi, M.; Tempesti, D.; Salvatici, E.; Manfrida, G.; Basosi, R. Evaluation of the environmental sustainability of a micro CHP system fueled by low-temperature geothermal and solar energy. Energy Convers. Manag. 2014, 78, 611–616. [Google Scholar] [CrossRef]
- Astolfi, M.; Xodo, L.; Romano, M.C.; Macchi, E. Technical and economical analysis of a solar–geothermal hybrid plant based on an Organic Rankine Cycle. Geothermics 2011, 40, 58–68. [Google Scholar] [CrossRef]
- Cakici, D.M.; Erdogan, A.; Colpan, C.O. Thermodynamic performance assessment of an integrated geothermal powered supercritical regenerative organic Rankine cycle and parabolic trough solar collectors. Energy 2017, 120, 306–319. [Google Scholar] [CrossRef]
- Erdogan, A.; Cakici, D.M.; Colpan, C.O. Thermodynamic optimisation of a hybrid solar-geothermal power plant using Taguchi method. Int. J. Exergy 2017, 23, 63. [Google Scholar] [CrossRef]
- Zhou, C.; Doroodchi, E.; Moghtaderi, B. An in-depth assessment of hybrid solar–geothermal power generation. Energy Convers. Manag. 2013, 74, 88–101. [Google Scholar] [CrossRef]
- Zhou, C. Hybridisation of solar and geothermal energy in both subcritical and supercritical Organic Rankine Cycles. Energy Convers. Manag. 2014, 81, 72–82. [Google Scholar] [CrossRef]
- Ghasemi, H.; Sheu, E.; Tizzanini, A.; Paci, M.; Mitsos, A. Hybrid solar–geothermal power generation: Optimal retrofitting. Appl. Energy 2014, 131, 158–170. [Google Scholar] [CrossRef]
- Ayub, M.; Mitsos, A.; Ghasemi, H. Thermo-economic analysis of a hybrid solar-binary geothermal power plant. Energy 2015, 87, 326–335. [Google Scholar] [CrossRef]
- Bist, N.; Sircar, A. Hybrid solar geothermal setup by optimal retrofitting. Case Stud. Therm. Eng. 2021, 28, 101529. [Google Scholar] [CrossRef]
- Baral, S. Experimental and Techno-Economic Analysis of Solar-Geothermal Organic Rankine Cycle Technology for Power Generation in Nepal. Int. J. Photoenergy 2019, 2019, 1–15. [Google Scholar] [CrossRef]
- Calise, F.; Cappiello, F.L.; Dentice d’Accadia, M.; Vicidomini, M. Energy and economic analysis of a small hybrid solar-geothermal trigeneration system: A dynamic approach. Energy 2020, 208, 118295. [Google Scholar] [CrossRef]
- Bassetti, M.C.; Consoli, D.; Manente, G.; Lazzaretto, A. Design and off-design models of a hybrid geothermal-solar power plant enhanced by a thermal storage. Renew. Energy 2018, 128, 460–472. [Google Scholar] [CrossRef]
- Cirrincione, L.; Morale, M.; Peri, G.; Scaccianoce, G. Development of sustainable ORC applications in the tertiary sector: A case study in the Mediterranean climate. IOP Conf. Ser. Earth Environ. Sci. 2022, 1106, 012016. [Google Scholar] [CrossRef]
- Djemaa, A.; Merabet, A.; Rebhi, R.; Lorenzini, G.; Bessaih, R.; Menni, Y. Simulations and Optimizations for a Low-Temperature Hybrid Geothermal-Solar Power Plant. J. Adv. Res. Fluid Mech. Therm. Sci. 2022, 90, 109–123. [Google Scholar] [CrossRef]
- Hu, S.; Yang, Z.; Li, J.; Duan, Y. Thermo-economic optimization of the hybrid geothermal-solar power system: A data-driven method based on lifetime off-design operation. Energy Convers. Manag. 2021, 229, 113738. [Google Scholar] [CrossRef]
- Hu, S.; Yang, Z.; Li, J.; Duan, Y. Optimal solar thermal retrofit for geothermal power systems considering the lifetime brine degradation. Renew. Energy 2022, 186, 628–645. [Google Scholar] [CrossRef]
- Almehmadi, F.A.; Najib, A.; Ali, E.; Alqaed, S.; Mustafa, J.; Al-Ansary, H. Thermodynamic optimization of hybrid solar-geothermal power plant coupled with DCMD for water and electricity production: A Case study at Ain Khulab, Saudi Arabia. Energy Rep. 2023, 10, 3240–3251. [Google Scholar] [CrossRef]
- Atiz, A.; Karakilcik, H.; Erden, M.; Karakilcik, M. Investigation energy, exergy and electricity production performance of an integrated system based on a low-temperature geothermal resource and solar energy. Energy Convers. Manag. 2019, 195, 798–809. [Google Scholar] [CrossRef]
- Atiz, A. Comparison of three different solar collectors integrated with geothermal source for electricity and hydrogen production. Int. J. Hydrogen Energy 2020, 45, 31651–31666. [Google Scholar] [CrossRef]
- Shoaei, M.; Hajinezhad, A.; Moosavian, S.F. Design, energy, exergy, economy, and environment (4E) analysis, and multi-objective optimization of a novel integrated energy system based on solar and geothermal resources. Energy 2023, 280, 128162. [Google Scholar] [CrossRef]
- Alibaba, M.; Pourdarbani, R.; Manesh, M.H.K.; Herrera-Miranda, I.; Gallardo-Bernal, I.; Hernández-Hernández, J.L. Conventional and Advanced Exergy-Based Analysis of Hybrid Geothermal–Solar Power Plant Based on ORC Cycle. Appl. Sci. 2020, 10, 5206. [Google Scholar] [CrossRef]
- Boukelia, T.E.; Arslan, O.; Djimli, S.; Kabar, Y. ORC fluids selection for a bottoming binary geothermal power plant integrated with a CSP plant. Energy 2023, 265, 126186. [Google Scholar] [CrossRef]
- Cao, Y.; Li, P.; Qiao, Z.; Ren, S.; Si, F. A concept of a supercritical CO2 Brayton and organic Rankine combined cycle for solar energy utilization with typical geothermal as auxiliary heat source: Thermodynamic analysis and optimization. Energy Rep. 2022, 8, 322–333. [Google Scholar] [CrossRef]
- Song, J.; Wang, Y.; Wang, K.; Wang, J.; Markides, C.N. Combined supercritical CO2 (SCO2) cycle and organic Rankine cycle (ORC) system for hybrid solar and geothermal power generation: Thermoeconomic assessment of various configurations. Renew. Energy 2021, 174, 1020–1035. [Google Scholar] [CrossRef]
- Ayadi, B.; Jasim, D.J.; Anqi, A.E.; Aich, W.; Rajhi, W.; Marefati, M. Multi-criteria/comparative analysis and multi-objective optimization of a hybrid solar/geothermal source system integrated with a carnot battery. Case Stud. Therm. Eng. 2024, 54, 104031. [Google Scholar] [CrossRef]
- Al-Nimr, M.A.; Bukhari, M.; Mansour, M. A combined CPV/T and ORC solar power generation system integrated with geothermal cooling and electrolyser/fuel cell storage unit. Energy 2017, 133, 513–524. [Google Scholar] [CrossRef]
- Kara, O. An Evaluation of a New Solar-Assisted and Ground-Cooled Organic Rankine Cycle (ORC) with a Recuperator. Arab. J. Sci. Eng. 2023, 48, 11781–11800. [Google Scholar] [CrossRef]
- Pavlović, S.; Bellos, E.; Grozdanović, M. Numerical Investigation of a Solar-Driven Organic Rankine Cycle Coupled to a Geothermal Field. FU Work. Liv. Environ. Prot. 2021, 18, 87–102. [Google Scholar] [CrossRef]
- Jensen, A.R.; Sifnaios, I.; Perers, B.; Holst Rothmann, J.; Mørch, S.D.; Jensen, P.V.; Dragsted, J.; Furbo, S. Demonstration of a Concentrated Solar Power and Biomass Plant for Combined Heat and Power. Energy Convers. Manag. 2022, 271, 116207. [Google Scholar] [CrossRef]
- Calli, O.; Colpan, C.O.; Gunerhan, H. Energy, exergy and exergy and thermoeconomic analyses of biomass and solar powered organic Rankine cycles. Int. J. Exergy 2019, 29, 172. [Google Scholar] [CrossRef]
- Middelhoff, E.; Furtado, L.A.; Parise, J.A.R.; Ximenes, F.; Florin, N. Hybrid concentrated solar biomass (HCSB) systems for cogeneration: Techno-economic analysis for beef abattoirs in New South Wales, Australia. Energy Convers. Manag. 2022, 262, 115620. [Google Scholar] [CrossRef]
- Calli, O.; Colpan, C.O.; Gunerhan, H. Thermoeconomic analysis of a biomass and solar energy based organic Rankine cycle system under part load behavior. Sustain. Energy Technol. Assess. 2021, 46, 101207. [Google Scholar] [CrossRef]
- Pina, E.A.; Serra, L.M.; Lozano, M.A.; Hernández, A.; Lázaro, A. Comparative Analysis and Design of a Solar-Based Parabolic Trough–ORC Cogeneration Plant for a Commercial Center. Energies 2020, 13, 4807. [Google Scholar] [CrossRef]
- Soares, J.; Oliveira, A.C. Numerical simulation of a hybrid concentrated solar power/biomass mini power plant. Appl. Therm. Eng. 2017, 111, 1378–1386. [Google Scholar] [CrossRef]
- Ahmed, Z.; Mahanta, D.K. Thermodynamics analysis of hybrid solar-biomass power generation system. AIP Conf. Proc. 2019, 2091, 020003. [Google Scholar] [CrossRef]
- Zourellis, A.; Perers, B.; Donneborg, J.; Matoricz, J. Optimizing Efficiency of Biomass—Fired Organic Rankine Cycle with Concentrated Solar Power in Denmark. Energy Procedia 2018, 149, 420–426. [Google Scholar] [CrossRef]
- Oyekale, J.; Heberle, F.; Petrollese, M.; Brüggemann, D.; Cau, G. Biomass retrofit for existing solar organic Rankine cycle power plants: Conceptual hybridization strategy and techno-economic assessment. Energy Convers. Manag. 2019, 196, 831–845. [Google Scholar] [CrossRef]
- Oyekale, J.; Petrollese, M.; Cau, G. Multi-objective thermo-economic optimization of biomass retrofit for an existing solar organic Rankine cycle power plant based on NSGA-II. Energy Rep. 2020, 6, 136–145. [Google Scholar] [CrossRef]
- Oyekale, J.; Petrollese, M.; Heberle, F.; Brüggemann, D.; Cau, G. Exergetic and integrated exergoeconomic assessments of a hybrid solar-biomass organic Rankine cycle cogeneration plant. Energy Convers. Manag. 2020, 215, 112905. [Google Scholar] [CrossRef]
- Oyekale, J.; Petrollese, M.; Cau, G. Modified auxiliary exergy costing in advanced exergoeconomic analysis applied to a hybrid solar-biomass organic Rankine cycle plant. Appl. Energy 2020, 268, 114888. [Google Scholar] [CrossRef]
- Oyekale, J.; Petrollese, M.; Cocco, D.; Cau, G. Annualized exergoenvironmental comparison of solar-only and hybrid solar-biomass heat interactions with an organic Rankine cycle power plant. Energy Convers. Manag. X 2022, 15, 100229. [Google Scholar] [CrossRef]
- Oyekale, J.; Heberle, F.; Petrollese, M.; Brüggemann, D.; Cau, G. Thermo-economic evaluation of actively selected siloxane mixtures in a hybrid solar-biomass organic Rankine cycle power plant. Appl. Therm. Eng. 2020, 165, 114607. [Google Scholar] [CrossRef]
- Oyekale, J.; Oreko, B. Effects of working fluid mixtures on the exergetic sustainability of a solar-biomass organic Rankine cycle power plant. Therm. Sci. Eng. Prog. 2022, 36, 101529. [Google Scholar] [CrossRef]
- Morrone, P.; Algieri, A.; Castiglione, T. Hybridisation of biomass and concentrated solar power systems in transcritical organic Rankine cycles: A micro combined heat and power application. Energy Convers. Manag. 2019, 180, 757–768. [Google Scholar] [CrossRef]
- Algieri, A.; Morrone, P. Thermo-economic investigation of solar-biomass hybrid cogeneration systems based on small-scale transcritical organic Rankine cycles. Appl. Therm. Eng. 2022, 210, 118312. [Google Scholar] [CrossRef]
- Mouaky, A.; Bennouna, E.G.; Rachek, A.; Bouhraichi, B.; Lembarki, N.; Idaghdour, O. Performance analysis of a hybrid solar/biomass power plant for different operating scenarios. AIP Conf. Proc. 2019, 2126, 090005. [Google Scholar] [CrossRef]
- Sorn, K.; Deethayat, T.; Asanakham, A.; Vorayos, N.; Kiatsiriroat, T. Subcooling effect in steam heat source on irreversibility reduction during supplying heat to an organic Rankine cycle having a solar-assisted biomass boiler. Energy 2020, 194, 116770. [Google Scholar] [CrossRef]
- Morais, P.H.D.S.; Lodi, A.; Aoki, A.C.; Energy, M.M. Exergetic and economic analyses of a combined solar-biomass-ORC cooling cogeneration systems for a Brazilian small plant. Renew. Energy 2020, 157, 1131–1147. [Google Scholar] [CrossRef]
- Jradi, M.; Riffat, S. Modelling and testing of a hybrid solar-biomass ORC-based micro-CHP system: Hybrid Solar-Biomass ORC-Based Micro CHP. Int. J. Energy Res. 2014, 38, 1039–1052. [Google Scholar] [CrossRef]
- Wang, L.; Yang, J.; Qu, B.; Pang, C. Multi-Objective Optimization of an Organic Rankine Cycle (ORC) for a Hybrid Solar–Waste Energy Plant. Energies 2024, 17, 1810. [Google Scholar] [CrossRef]
- Baral, S. Thermodynamic and financial assessment of concentrated solar power plant hybridized with biomass-based organic Rankine cycle, thermal energy storage, hot springs and CO2 capture systems. Int. J. Low-Carbon Technol. 2021, 16, 361–375. [Google Scholar] [CrossRef]
- Qi, X.; Yang, C.; Huang, M.; Ma, Z.; Hnydiuk-Stefan, A.; Feng, K.; Siarry, P.; Królczyk, G.; Li, Z. Conventional and advanced exergy-exergoeconomic-exergoenvironmental analyses of an organic Rankine cycle integrated with solar and biomass energy sources. Energy 2024, 288, 129657. [Google Scholar] [CrossRef]
- Dokl, M.; Kravanja, Z.; Čuček, L. Techno-Economic Optimization of a Low-Temperature Organic Rankine System Driven by Multiple Heat Sources. Front. Sustain. 2022, 3, 889258. [Google Scholar] [CrossRef]
- Behzadi, A.; Arabkoohsar, A.; Perić, V.S. Innovative hybrid solar-waste designs for cogeneration of heat and power, an effort for achieving maximum efficiency and renewable integration. Appl. Therm. Eng. 2021, 190, 116824. [Google Scholar] [CrossRef]
- Chen, H.; Zhao, L.; Cong, H.; Li, X. Synthesis of waste heat recovery using solar organic Rankine cycle in the separation of benzene/toluene/p-xylene process. Energy 2022, 255, 124443. [Google Scholar] [CrossRef]
- Zhang, S.; Liu, X.; Liu, L.; Pan, X.; Li, Q.; Wang, S.; Jiao, Y.; He, C.; Li, G. Thermo-economic assessment and multi-objective optimization of organic Rankine cycle driven by solar energy and waste heat. Energy 2024, 290, 130223. [Google Scholar] [CrossRef]
- Liang, Z.; Liang, Y.; Luo, X.; Chen, J.; Yang, Z.; Wang, C.; Chen, Y. Synthesis and simultaneous optimization of multi-heat source multi-pressure evaporation organic Rankine cycle with mixed working fluid. Energy Convers. Manag. 2022, 251, 114930. [Google Scholar] [CrossRef]
- Orumiyehei, A.; Ameri, M.; Nobakhti, M.H.; Zareh, M.; Edalati, S. Transient simulation of hybridized system: Waste heat recovery system integrated to ORC and Linear Fresnel collectors from energy and exergy viewpoint. Renew. Energy 2022, 185, 172–186. [Google Scholar] [CrossRef]
- Sonsaree, S.; Jiajitsawat, S.; Asaoka, T.; Aguirre, H.; Tanaka, K. Organic Rankine Cycle power generation from industrial waste heat recovery integrated with solar hot water system by using vapor compression heat pump as heating booster in Thailand. In Proceedings of the 2016 International Conference on Cogeneration, Small Power Plants and District Energy (ICUE), Bangkok, Thailand, 14–16 September 2016; IEEE: Piscataway, NJ, USA, 2016; pp. 1–6. [Google Scholar] [CrossRef]
- Gomaa, M.R.; Mustafa, R.J.; Al-Dhaifallah, M.; Rezk, H. A low-grade heat Organic Rankine Cycle driven by hybrid solar collectors and a waste heat recovery system. Energy Rep. 2020, 6, 3425–3445. [Google Scholar] [CrossRef]
- Al-Hawary, S.I.S.; Alvarez, J.R.N.; Ali, A.; Tripathi, A.K.; Rahardja, U.; Al-Kharsan, I.H.; Romero-Parra, R.M.; Marhoon, H.A.; John, V.; Hussian, W. Multiobjective optimization of a hybrid electricity generation system based on waste energy of internal combustion engine and solar system for sustainable environment. Chemosphere 2023, 336, 139269. [Google Scholar] [CrossRef] [PubMed]
- Briola, S.; Gabbrielli, R.; Bischi, A. Off-design performance analysis of a novel hybrid binary geothermal-biomass power plant in extreme environmental conditions. Energy Convers. Manag. 2019, 195, 210–225. [Google Scholar] [CrossRef]
- Mahmoud, M.; Naher, S.; Ramadan, M.; Abdelkareem, M.A.; Jaber, H.; Olabi, A.-G. Investigation of a ground-cooled organic Rankine cycle for waste heat recovery. Int. J. Thermofluids 2023, 18, 100348. [Google Scholar] [CrossRef]
- Özcan, Z.; Ekici, Ö. A novel working fluid selection and waste heat recovery by an exergoeconomic approach for a geothermally sourced ORC system. Geothermics 2021, 95, 102151. [Google Scholar] [CrossRef]
- Toselli, D.; Heberle, F.; Brüggemann, D. Techno-Economic Analysis of Hybrid Binary Cycles with Geothermal Energy and Biogas Waste Heat Recovery. Energies 2019, 12, 1969. [Google Scholar] [CrossRef]
- Köse, Ö.; Koç, Y.; Yağlı, H. Performance improvement of the bottoming steam Rankine cycle (SRC) and organic Rankine cycle (ORC) systems for a triple combined system using gas turbine (GT) as topping cycle. Energy Convers. Manag. 2020, 211, 112745. [Google Scholar] [CrossRef]
- Blanco, E.E.; Ochoa, G.V.; Thermodynamic, J.D.F. Exergy and Environmental Impact Assessment of S-CO2 Brayton Cycle Coupled with ORC as Bottoming Cycle. Energies 2020, 13, 2259. [Google Scholar] [CrossRef]
- Sadeghi, M.; Nemati, A.; Ghavimi, A.; Yari, M. Thermodynamic analysis and multi-objective optimization of various ORC (organic Rankine cycle) configurations using zeotropic mixtures. Energy 2016, 109, 791–802. [Google Scholar] [CrossRef]
- Miao, Z.; Zhang, K.; Wang, M.; Xu, J. Thermodynamic selection criteria of zeotropic mixtures for subcritical organic Rankine cycle. Energy 2019, 167, 484–497. [Google Scholar] [CrossRef]
- Chys, M.; Van Den Broek, M.; Vanslambrouck, B.; De Paepe, M. Potential of zeotropic mixtures as working fluids in organic Rankine cycles. Energy 2012, 44, 623–632. [Google Scholar] [CrossRef]
Disclaimer/Publisher’s Note: The statements, opinions and data contained in all publications are solely those of the individual author(s) and contributor(s) and not of MDPI and/or the editor(s). MDPI and/or the editor(s) disclaim responsibility for any injury to people or property resulting from any ideas, methods, instructions or products referred to in the content. |
© 2025 by the authors. Licensee MDPI, Basel, Switzerland. This article is an open access article distributed under the terms and conditions of the Creative Commons Attribution (CC BY) license (https://creativecommons.org/licenses/by/4.0/).











