The Influence of Surface Texturing of Ceramic and Superhard Cutting Tools on the Machining Process—A Review
Abstract
1. Introduction
2. Methods of Creating Texturing
2.1. Plasma Arc Machining Textures
2.2. Laser Surface Texturing
2.3. Electrical Discharge Machining
2.4. Focused Ion Beam Machining
2.5. Micro Grinding
2.6. Conclusions of Section 2
- Non-traditional machining methods (LST, EDM, FIB and plasma machining, which are the most common for texturing).
- Traditional machining methods (micro grinding and others that are less common for texturing).
- Textures created by hardening devices (a technique that uses hardness devices for plastic deformation of the surface of materials to create textures).
3. Cutting Tool Surface Texturing
3.1. Texturing Parameters
3.2. Most Common Texture Shapes on Textured Cutting Tools
- Geometric dimensions scale of texture element (micro- or nanotexture);
- Texture element configuration relative to surface baselines (protrusion, dimple, microgrooves);
- Type of texture element (continuous or discrete);
- Base shape of continuous texture element (linear, sinusoidal, wavy, circular, squares, elliptical, complex, etc.);
- Base shape of discrete texture element (dimple or protrusion with square, rectangular, triangle, circle, elliptical, chevron-like, micro pyramid, hybrid shape, or other);
- Number of texture guide axes (uniaxial, multiaxial);
- Texture placement on cutting wedge (chamfer, rake or flank face);
- Textured surface density (full textured, partial textured);
- Condition of textured surfaces (coated, empty, filled with solid lubricant);
- Texture bottom shapes (semicircles, parabola, rectangles, squares, triangles, trapezoids, sinusoidal, curvilinear);
- Texture distribution type (normal square (grid) distribution array, shifted α degree distribution array);
- Texture orientation relative to the main cutting edge (parallel, perpendicular, oblique);
- Presence of gap from the cutting edge.
3.3. Conclusions of Section 3
4. Effect of Surface Texturing of Ceramic and Superhard Cutting Tools
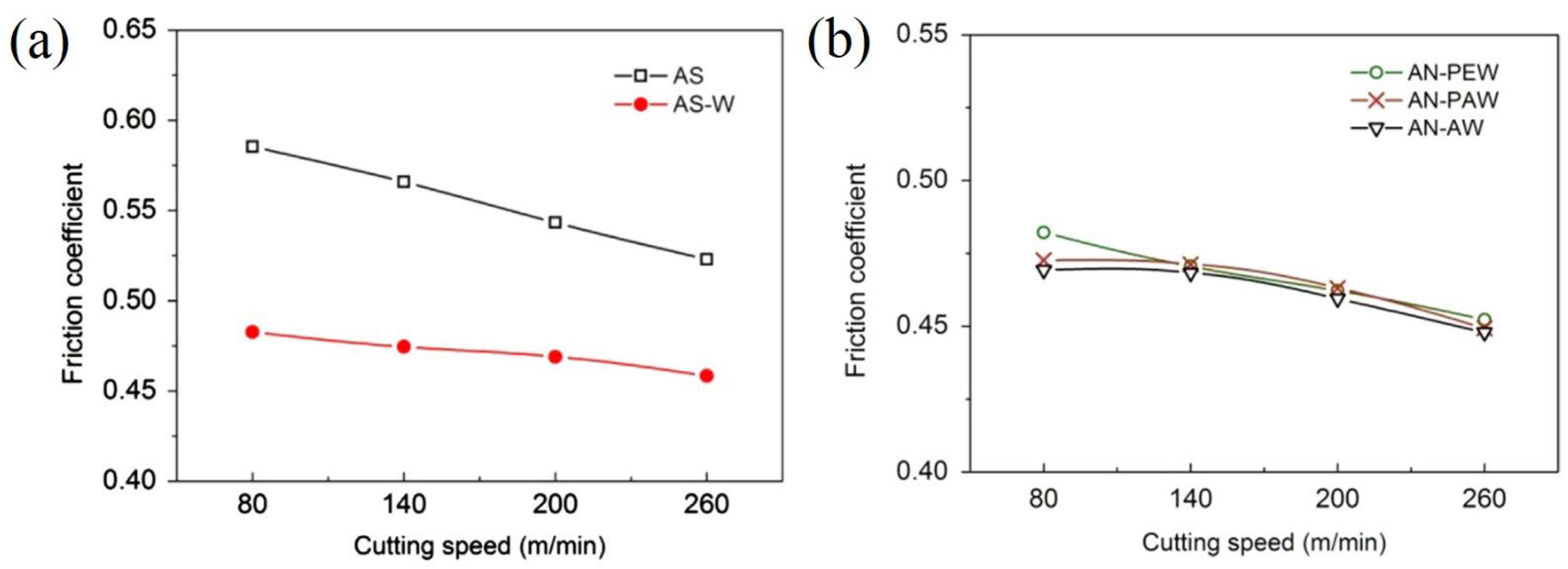
4.1. Effect of Texturing in Ceramic Tool on Friction Coefficient, Tool Wear and Adhesive Property
4.2. Effect of Texturing in Ceramic Tool on Cutting Force
4.3. Effect of Texturing in Ceramic Tool on Cutting Temperature
4.4. Effect of Texturing in Ceramic Tool on Machined Workpiece Roughness
4.5. Conclusions of Section 4
5. Conclusions
- -
- The use of textured cutting tools helps reduce cutting forces due to the reduction in the contact area in the tool–chip interface in both wet and dry cutting.
- -
- Dry machining with the application of hard lubricants on textured tools shows a greater reduction in cutting forces, compared to machining without lubricant, which improves the cutting performance. This is because the textures store the lubricant and deliver it effectively and proportionately at the tool–chip interface.
- -
- The reduction in the contact area through the use of textured cutting tools leads to a decrease in the coefficient of friction, which is improved with the application of solid lubricants.
- -
- The texture shape, its parameters (such as width, depth, edge distance and density) and its orientation have a significant effect on improving the cutting performance of the cutting tool.
- -
- The use of textured cutting tools helps reduce the cutting temperature as textures improve heat dissipation by increasing the heat radiating area.
- -
- The use of textured cutting tools showed the ability to reduce variability in cutting forces.
- -
- The reduction in adhesion in the chip–tool interfaces together with the joint manifestation of previously listed advantages leads to a reduction in tool wear compared to the non-textured tool.
- -
- The nanotextures showed a lesser adherability of the work material with the textured tool compared to the micro-textures.
Author Contributions
Funding
Institutional Review Board Statement
Informed Consent Statement
Data Availability Statement
Acknowledgments
Conflicts of Interest
Appendix A
| Abbreviations | |||
| BUE | Built-up edge | TiN | Titanium nitride | 
| CBN | Cubic boron nitride | TiCN | Titanium carbo nitride | 
| CFD | Chip flow direction | TiAlN | Titanium aluminium nitride | 
| CVD | Chemical vapor deposition | Al2O3 | Aluminum oxide (alumina) | 
| EDM | Electrical discharge machining | Si3N4 | Silicon nitride | 
| FEA | finite element analysis | SiC | Silicon carbide | 
| FIB | Focused ion beam | TiC | Titanium carbide | 
| HSS | High-speed steel | WC-Co | Tungsten carbide (WC-Co) cutting tools | 
| LM | Laser machining | B4C | Tetraboron carbon | 
| LST | Laser surface texturing or laser machining | BxCyNz | Borocarbonitrides | 
| MCE | main cutting edge | MoS2 | Molybdenum disulfide | 
| PCBN | Polycrystalline Cubic Boron Nitrides | WS2/Zr | Soft-coating Tungsten disulfide/Zr composite | 
| PCD | Polycrystalline diamonds | Zr | Zirconium | 
| MQL | Minimum quantity lubrication | MgO | Magnesium oxide | 
| SEDM | Sinking Electrical Discharge Machining | Mo | Molybdenum | 
| SEM | Scanning Electron Microscope | Cr12MoV | Steel alloy with Cr, Mo, V, and others elements. | 
| SIALON | Ceramics based on the elements silicon (Si), aluminium (Al), oxygen (O) and nitrogen (N). | ||
| Symbols | |||
| l | Diameter of a circular texture element, or texture’s length | β | Relative texture length of the total sliding surface area in the Y direction | 
| w | Width of a texture element | ρtexture | Texture density | 
| htexture | Depth of a texture element | N | The total number of texture elements | 
| λ | Texture aspect ratio | S | Relative texture depth | 
| Atexture | Texture element area | h0 | Minimal distance between the sliding surfaces | 
| Acell | Texture cell area | Hr | Height relation | 
| Xcell | Maximum cell dimension in the X direction | hp | Height of the texture element. It is the same as texture’s depth (htexture) | 
| Ycell | Maximum cell dimension in the Y direction | Φp | Diameter of the texture element | 
| B | Relative textured ratio | λp | Centerline-to-centerline spacing between texture elements | 
| Atextured | Textured surface area | Fx, F(x) | Axial thrust force | 
| Xtextured | Maximum dimension of the textured surface area in the X direction | Fy, F(y) | Radial thrust force | 
| Ytextured | Maximum dimension of the textured surface area in the Y direction | Fz, F(z) | Main cutting force | 
| Ac | Total sliding surface area | v | Cutting speed | 
| Xc | Maximum dimension of the total sliding surface area in the X direction | ap | Depth of cut | 
| Yc | Maximum dimension of the total sliding surface area in the Y direction | f | Feed rate | 
| α | Relative texture length of the total sliding surface area in the X direction | de | Distance from cutting edge | 
| Nomenclature | |||
| AN-A | Tool with areal textures | MG-W | Tool with groove width variation | 
| AN-AW | Tool with areal textures and with WS2/Zr composite soft-coatings | MP-D | Tool with pit diameter variation textures | 
| AN-PA | Tool with nanotextures parallel to the main cutting edge | MTT | Multiscale textured tool | 
| AN-PAW | Tool with nanotextures parallel to the main cutting edge textures parallel to the main cutting edge and with WS2/Zr composite soft | PGT | Tool with linear grooves parallel to the cutting edge | 
| AN-PE | Tool with nanotextures perpendicular to the main cutting edge | RT | Tool with ring sequence texture | 
| AN-PEW | Tool with nanotextures perpendicular to the main cutting edge and with WS2/Zr composite soft-coatings | T1 | Conventional tool | 
| AS-W | Conventional tool with WS2/Zr composite soft-coatings | T2 | Tool with microgrooves inclined 45° in relation to the main cutting edge | 
| AT-PA | Tool with linear grooves parallel to the cutting edge | T3 | Tool with cross microgrooves | 
| AT-PE | Tool with linear grooves perpendicular to the cutting edge | T4 | Tool with microgrooves perpendicular to main cutting edge | 
| AT-W | Tool with wavy groove | T5 | Tool with concave plane | 
| BT | Conventional tool | T6 | Tool with microgrooves parallel to main cutting edge | 
| CT | tool with concentric circular texture | VGT | Tool with linear grooves vertical to the cutting edge | 
| MG-S | Groove spacing variation | ||
| Process | Material Tested | Purpose | Shape | Significant Results | Ref. | |
|---|---|---|---|---|---|---|
| Laser | Titanium | Enhancing the tribological properties | Dimples with intensity percentage |  | Reducing coefficient of friction and increasing the tribological property | [13] | 
| Rockwell-C and Vickers indentation tips | P/M cold work steel | Studying the influence of the geometry texturing on the tribological properties. | Concave and pyramid |  | 
 | [35] | 
| Picosecond laser | Dimples with the parabolic shape |  | ||||
| SEDM | HSS | Decreasing friction, feed forces and cutting forces | Areal texture |  | 
 | [31] | 
| SEDM | HSS | Decreasing friction, feed forces and cutting forces | linear texture |  | 
 | [31] | 
| laser beam | HSS | Enhancing the coating deposition on the twist drill surface | linear texture |  | 
 | [30] | 
| Femtosecond Laser | WC/TiC/Co carbide | Increasing the effectiveness of the cutting tool |  Elliptical shape | 
 | [28] | |
| 42CrMo4 steel | Improvement of tribological properties of sliding elements | Dimple |  | The presence of oil dimples on specimen surface led to better tribological properties compared with untextured surface. | [14] | |
| Laser | Cemented carbide | Decreasing the tool wear rate, study the effect of texturing on the built-up edge phenomena | (a) Dimple |  | It offered smallest wear rate in comparison with other tested patterns. | [39] | 
| (b) channels perpendicular to cutting edge |  | Built-up edge (BUE) in cases of linear channels was not established as in case of dimple texture. | ||||
| (c) channels parallel to cutting edge |  | |||||
| Femtosecond Laser | Stainless steel | Monitoring the inclination angle influence of linear texturing on the coefficient of friction | Microgroove with inclination angles varied between 90° and 45 |  | Inclination angle and space between grooves have significant role in the performance of material in resistance to wear rate. | [29] | 
| Laser | Tungsten carbide cutting tools | Increase the tool life and the productivity of the cutting tool |  (a) 3-D model of insert (b) SEM micrograph of the insert at the cutting edge shows the dimple on the rake face and pyramid texture on the flank face | Increasing the cutting tool life and decreasing wear rate | [25] | |
| Pulsed Nd: YAG laser | 100Cr6 steel | Creating well-done texturing shapes | Micro pores (dimples) |  | The friction possesses a reduction in case of contact pressure of 0.08 GPa and sliding speed of 0.01 m/s. | [37] | 
| Plasma transferred arc powder deposition | HSS | Study the influence of texture on the performance of HSS cutting tool | Dimple texture |  | 
 | [34] | 
| Spot texture |  | |||||
| Femtosecond Laser | Al2O3/TiC | Enhancing the cutting performance and increasing the tool life by decreasing the wear rate | Linear band perpendicular to the main cutting edge |  | 
 | [40] | 
| Linear band parallel to the main cutting edge |  | |||||
| Areal texture |  | |||||
| EDM | Microgrinding tool | Design a correlation between the different machining parameters and textures | Channels |  | Large numbers of texture with small size units are better than low number units and big size texture in reducing cutting force and resulted in surface roughness | [46] | 
| Plasma-assisted laser machining | Cemented carbide tool | Support of PVD coating adhesion | Linear texturing |  | The coating adhesiveness of the plasma texturing was enhanced in comparison with untextured surface | [38] | 
| Wire electrical discharge machining | Al2O3/TiCN ceramic cutting tool | Decreasing the chip-contact length for increasing tool life and performance | Linear texture at angle to chip flow. |  | 
 | [32] | 
| Linear texture perpendicular to chip-flow. Linear texture |  | |||||
| Parallel to chip-flow. |  | |||||
| Femtosecond laser | Al2O3/TiC | Enhance the performance of the ceramic cutting tool | Microgroove textured |  | Textured cutting tools offered low wear rate, low cutting forces and better cutting performance in comparison with untextured tool | [76] | 
| Texture Element | Texture Element Dimension | Experiment Conditions | Reference | ||
|---|---|---|---|---|---|
| Geometric dimensions scale of texture element | |||||
| Micro-texture |  | Depth = 1.7 µm; width = 4.5 µm;; pitch = 10 µm; de = 0 µm. | Texture manufacturing method: Laser texturing. Textured surface: rake face. Tool material: cemented carbide tool (WC-Co). Workpiece material: aluminum alloy A5052. Cutting conditions: v = 60–600 m/min; ap = Depth of cut 0.2 mm; f = 0.1 mm/rev. Lubrication method: MQL. | [85] | |
| Nano-texture |  | Depth = 150 nm; width = 600 nm; pitch = 800 nm; de = 0 µm. | Texture manufacturing method: Laser texturing. Textured surface: rake face. Tool material: cemented carbide tool (WC-Co). Workpiece material: aluminum alloy A5052. Cutting conditions: v = 60–600 m/min; ap = Depth of cut 0.2 mm; f = 0.1 mm/rev. Lubrication method: MQL. | ||
| Texture element configuration relative to surface baselines | |||||
| Protrusion/Dimple |  | - | Examples of texture elements that could be used on the surface of cutting tools | [86] | |
| Type of texture element | |||||
| Continuous |  | Depth = 159.599 µm Width = 14.59 µm Pitch = 520 µm de = 0 µm. | Texture manufacturing method: Laser texturing. Textured surface: rake face. Tool material: cemented carbide (YG8 tool). Workpiece material: titanium alloy (Ti-6Al-4V). Cutting conditions: v = 22.7–90.4 m/min; ap = 0.1–0.4 mm; f = 0.2 mm/rev. Lubrication method: wet cutting. | [87] | |
| Discrete |  | Depth = - µm; width = 50 µm; pitch = 100 µm; de = 150 µm. | Texture manufacturing method: Laser texturing. Textured surface: flank face. Tool material: cemented carbide. Workpiece material: AISI 4140 plain carbon steel. Cutting conditions: v = 283–628 m/min; ap = 2.5 mm; f = 0.1 mm/rev. Lubrication method: dry cutting. | [26] | |
| Base shape of continuous texture element | |||||
| Linear |  | Depth = 50 µm; width = 110 µm; pitch = 160 µm; de = 100 µm. | Texture manufacturing method: micro-EDM. Textured surface: rake face. Tool material: Cubic boron nitride (CBN). Workpiece material: AISI52100 hardened steel. Cutting conditions: vs = 183–383 m/min; ap = 0.103 mm; f = 0.152–0.352 mm/rev. Lubrication method: dry cutting. | [77] | |
| Sinusoidal |  | Depth = 159.599 µm Width = 14.59 µm Pitch = 520 µm de = 0 µm. | Texture manufacturing method: Laser texturing. Textured surface: rake face. Tool material: cemented carbide (YG8 tool). Workpiece material: titanium alloy (Ti-6Al-4V). Cutting conditions: v = 22.7–90.4 m/min; ap =0.1–0.4 mm; f = 0.2 mm/rev. Lubrication method: wet cutting. | [87] | |
| Wavy |  | Width—40 µm Pitch—70 µm | Texture manufacturing method: Laser texturing. Textured surface: rake face. Tool material: polycrystalline cubic boron nitride (PCBN). Workpiece material: heat-treated Cr12MoV. Cutting conditions: v = 110, 130, 150,170 m/min; ap = 0.3 mm; f =0.1 mm/rev. Lubrication method: dry cutting. | [82] | |
| Circular |  | Depth = 1–5 µm Width = 1–5 µm Pitch = 5–25 µm | Texture manufacturing method: Ion beam machining. Textured surface: rake face. Tool material: cemented carbide (WC). Workpiece material: titanium alloy Ti6Al4V. Cutting conditions: v = 60–140 m/min; ap = 0.5 mm; f = 0.1 mm/rev. Lubrication method: dry cutting/Wolfram disulfide (WS2) coating | [88] | |
| Squares |  | ||||
| Elliptical |  | Depth = 200 µm Width = 50 µm Pitch = 130 µm | Texture manufacturing method: Laser texturing. Textured surface: rake face. Tool material: WC/Co carbide tools Workpiece material: Steel-45 Cutting conditions: v = 60–300 m/min; ap =0.5 mm; f = 0.1 mm/rev. Lubrication method: Molybdenum disulfide (MoS2) | [89] | |
| Complex |  | Depth= 200 µm Vertical and horizontal distance between the consecutive textures (364.25 μm and 380 μm, respectively) | Texture manufacturing method: Laser texturing. Textured surface: rake face. Tool material: Cemented carbide tool Workpiece material: Austenitic stainless-steel grade 304 Cutting conditions: v = 60, 80, 100 m/min; ap = 0.25 mm; f = 0.5 mm/rev. Lubrication method: dry cutting. | [90] | |
| Base shape of discrete texture element | |||||
| Square dimple |  | Depth = 0.5, 1, 1.2 µm Width = 25–50 µm de = 100–150 µm. | Texture manufacturing method: Laser texturing. Textured surface: rake face. Tool material: Cemented carbide tool. Workpiece material: aluminum alloy A6061-T6. Cutting conditions: v = 4.0, 7.0, 14.0 m/s; ap = 1.0 mm; f = 0.1 mm/rev. Lubrication method: dry/wet cutting/Diamond-like carbon (DLC) coating | [91] | |
| Rectangular dimple |  | Depth = 10 µm Width = 30 µm Spacing—100–150 µm de = 200 µm text. density = 20% | Texture manufacturing method: Laser texturing. Textured surface: rake face. Tool material: Cemented carbide tool. Workpiece material: 6061 aluminum alloy. Cutting conditions: v = 54.9–439.2 m/min; ap =2 mm; f =0.05 mm/rev. Lubrication method: dry cutting. | [92] | |
| Triangle dimple |  | Depth = 10–30 µm Width = 100 µm Pitch = 200 µm | Texture manufacturing method: Laser texturing. Textured surface: rake face. Tool material: cemented carbide. Workpiece material: tempered steel No. 45 Cutting conditions: v = 40–200 m/min; ap = 0.2 mm; f = 0.1 mm/rev. Lubrication method: lubricated conditions | [93] | |
| Chevron-like dimple |  | Depth = 200 µm Pitch = 40 µm | Texture manufacturing method: Laser texturing. Textured surface: rake face. Tool material: Al2O3 ceramic tool. Workpiece material: grey cast iron Cutting conditions: v = 80–110 m/min; ap = 0.6 mm; f = 0.2 mm/rev. Lubrication method: Solid lubricants MoS2 and Graphite | [94] | |
| Circle dimple |  | Depth = 20 µm Width = 50 µm text. density = 10% | Texture manufacturing method: Laser texturing. Textured surface: rake face. Tool material: cemented carbide. Workpiece material: SAE 1045 plain carbon steel. Cutting conditions: v = 100 m/min; ap = 1.0 mm; f = 0.05 mm/rev. Lubrication method: dry cutting. | [39] | |
| Elliptical dimple |  | Width = 70 µm Length = 150 µm Spacing = 70 µm | Texture manufacturing method: Laser texturing. Textured surface: rake face. Tool material: polycrystalline cubic boron nitride (PCBN). Workpiece material: heat-treated Cr12MoV. Cutting conditions: v = 110, 130, 150,170 m/min; ap = 0.3 mm; f =0.1 mm/rev. Lubrication method: dry cutting. | [82] | |
| Hybrid shape dimple |  | Width = 80 µm Pitch = 150 µm de = 50 µm | Texture manufacturing method: Laser texturing. Textured surface: rake. Tool material: carbide inserts Workpiece material: Ti–6Al–4V alloy Cutting conditions: v = 54–156 m/min; ap = 1 mm; f = 0.33 mm/rev. Lubrication method: dry machining. | [15] | |
| Micro pyramid Protrusion |  | Depth—155 mm Groove interval D 45.6 mm | Texture manufacturing method: Laser texturing. Textured surface: rake face. Tool material: Carbide tool YG5. Workpiece material: Ti–6Al–4V. Cutting conditions: v = 200 rpm; ap =1 mm; f = 0.14 mm/rev. Lubrication method: dry machining. | [58,95] | |
| Dot Protrusion |  | Depth = 0.5, 1, 1.2 µm Width = 25–50 µm de = 100–150 µm. | Texture manufacturing method: Laser texturing. Textured surface: rake face. Tool material: Cemented carbide tool. Workpiece material: aluminum alloy A6061-T6. Cutting conditions: v = 4.0, 7.0, 14.0 m/s; ap = 1.0 mm; f = 0.1 mm/rev. Lubrication method: dry/wet cutting/DLC coating | [91] | |
| Number of texture guide axes | |||||
| Uniaxial |  | Width = 100 µm depth = 10 µm Width—100 µm depth—10 µm | Texture manufacturing method: wire EDM. Textured surface: rake face. Tool material: carbide tool. Workpiece material: A5052 aluminum alloy. Cutting conditions: v = 380 m/min; ap = 3 mm; f = 0.12 mm/rev. Lubrication method: MQL. | [26] | |
| Multiaxial |  | ||||
| Texture placement on cutting wedge | |||||
| Rake face |  | unknown. | Texture manufacturing method: wire EDM. Textured surface: rake face Tool material: carbide tool. Workpiece material: unknown. Cutting conditions: unknown. Lubrication method: unknown. | [96] | |
| flank face |  | ||||
| Chamfer |  | Depth = 100 µm Width = 100 µm Pitch—250 µm | Texture manufacturing method: Laser texturing. Textured surface: rake face and chamfer Tool material: tungsten carbide. Workpiece material: Alloy 718. Cutting conditions: v = 60 m/min; ap = 1 mm; f = 0.3 mm/rev. Lubrication method: wet cutting. | [25] | |
| Textured surface density | |||||
| Full textured |  | Depth—1.4 µm Pitch—20 µm | Texture manufacturing method: Laser texturing. Textured surface: rake face. Tool material: carbide tool (K10). Workpiece material: Aluminum alloy A5052. Cutting conditions: v = 60–600 m/min; ap = 0.2 mm; f = 0.1 mm/rev. Lubrication method: wet cutting. | [97] | |
| Partial textured |  | Depth = 200 µm Width = 50 µm Pitch = 130 µm | Texture manufacturing method: Laser texturing. Textured surface: rake face. Tool material: cemented carbide/cobalt (WC/Co) tools Workpiece material: Steel-45 Cutting conditions: v = 60–300 m/min; ap =0.5 mm; f = 0.1 mm/rev. Lubrication method: Molybdenum disulfide (MoS2) | [89,98] | |
| Condition of textured surfaces | |||||
| Coated |  | Depth = 1–5 µm Width = 1–5 µm Pitch = 5–25 µm | Texture manufacturing method: Ion beam machining. Textured surface: rake face. Tool material: cemented carbide (WC). Workpiece material: titanium alloy Ti6Al4V. Cutting conditions: v = 60–140 m/min; ap = 0.5 mm; f = 0.1 mm/rev. Lubrication method: dry cutting/WS2 coating | [88] | |
| Empty |  | Depth = 200 µm Width = 50 µm Pitch = 130 µm | Texture manufacturing method: Laser texturing. Textured surface: rake face. Tool material: cemented carbide/cobalt (WC/Co) tools Workpiece material: Steel-45 Cutting conditions: v = 60–300 m/min; ap =0.5 mm; f = 0.1 mm/rev. Lubrication method: Molybdenum disulfide (MoS2) | [74,89] | |
| Filled with solid lubricant |  | ||||
| Texture bottom shapes | |||||
| sinusoidal |  | - | Textures with different bottom profiles are commonly used in studies about texturing simulations | [99] | |
| curvilinear |  | ||||
| semicircles, parabola, rectangles, squares, triangles, trapezoids, |  |  | - | Textures with different bottom profiles are commonly used in studies about texturing simulations | [61] | 
|  |  | ||||
| Texture distribution type | |||||
| Normal square (grid) distribution array |  | - | Textures with different distribution array that are commonly used in studies about texturing surface of cutting tools | [100] | |
| Shifted α degree distribution array |  | ||||
| Texture orientation relative to the main cutting edge | |||||
| Parallel |  | Depth = 20 µm Width = 50 µm text. density = 50% | Texture manufacturing method: Laser texturing. Textured surface: rake face. Tool material: cemented carbide. Workpiece material: SAE 1045 plain carbon steel. Cutting conditions: v = 100 m/min; ap = 1.0 mm; f = 0.05 mm/rev. Lubrication method: dry cutting. | [39] | |
| Perpendicular |  | Depth = 20 µm Width = 50 µm text. density = 50% | Texture manufacturing method: Laser texturing. Textured surface: rake face. Tool material: cemented carbide. Workpiece material: SAE 1045 plain carbon steel. Cutting conditions: v = 100 m/min; ap = 1.0 mm; f = 0.05 mm/rev. Lubrication method: dry cutting. | ||
| Oblique |  | Width—50–300 µm depth—7–149 µm | Texture manufacturing method: Microgrinding. Textured surface: rake face. Tool material: Carbide tool YG8. Workpiece material: Titanium alloy Ti–6Al–4V. Cutting conditions: v =39–49 m/min; ap = 0.5–1 mm; f = 0.1–0.3 mm/rev. Lubrication method: dry cutting. | [101] | |
| Presence of distance from the cutting edge | |||||
|  | Width—50–150 µm Depth—10–50 µm Pitch—50–150 µm de = 75–175 µm. | Texture manufacturing method: Laser texturing. Textured surface: rake face Tool material: tungsten carbide Workpiece material: Al6061 alloy Cutting conditions: v = 300 m/min; ap = 2.2 mm; f = 0.05 mm/rev. Lubrication method: cooland supply | [84] | ||
References
- Zhao, B.; Liu, H.; Huang, C.; Wang, J.; Cheng, M. Fabrication and mechanical properties of Al2O3-SiCw-TiCnp ceramic tool material. Ceram. Int. 2017, 43, 10224–10230. [Google Scholar] [CrossRef]
- Grigoriev, S.N.; Gurin, V.D.; Volosova, M.; Cherkasova, N. Development of residual cutting tool life prediction algorithm by processing on CNC machine tool. Mater. und Werkst. 2013, 44, 790–796. [Google Scholar] [CrossRef]
- Kuzin, V.; Grigoriev, S.N.; Volosova, M.A. The role of the thermal factor in the wear mechanism of ceramic tools: Part 1. Macrolevel. J. Frict. Wear 2014, 35, 505–510. [Google Scholar] [CrossRef]
- Grigoriev, S.N.; Sinopalnikov, V.A.; Tereshin, M.V.; Gurin, V.D. Control of parameters of the cutting process on the basis of diagnostics of the machine tool and workpiece. Meas. Tech. 2012, 55, 555–558. [Google Scholar] [CrossRef]
- Grigoriev, S.N.; Pristinskiy, Y.; Soe, T.N.; Malakhinsky, A.; Mosyanov, M.; Podrabinnik, P.; Smirnov, A.; Pinargote, N.W.S. Processing and Characterization of Spark Plasma Sintered SiC-TiB2-TiC Powders. Materials 2022, 15, 1946. [Google Scholar] [CrossRef] [PubMed]
- Yushin, D.I.; Smirnov, A.V.; Solis Pinargote, N.; Peretyagin, P.Y.; Kuznetsov, V.A.; Torrecillas, R. Spark plasma sintering of cutting plates. Russ. Eng. Res. 2016, 36, 410–413. [Google Scholar] [CrossRef]
- Adler, D.P.; Hii, W.W.-S.; Michalek, D.J.; Sutherland, J.W. Examining the Role of Cutting Fluids in Machining and Efforts to Address Associated Environmental/Health Concerns. Mach. Sci. Technol. 2006, 10, 23–58. [Google Scholar] [CrossRef]
- Grigoriev, S.; Vereschaka, A.; Zelenkov, V.; Sitnikov, N.; Bublikov, J.; Milovich, F.; Andreev, N.; Mustafaev, E. Specific features of the structure and properties of arc-PVD coatings depending on the spatial arrangement of the sample in the chamber. Vacuum 2022, 200, 111047. [Google Scholar] [CrossRef]
- Fox-Rabinovitch, G.; Dosbaeva, G.; Kovalev, A.; Gershman, I.; Yamamoto, K.; Locks, E.; Paiva, J.; Konovalov, E.; Veldhuis, S. Enhancement of Multi-Scale Self-Organization Processes during Inconel DA 718 Machining through the Optimization of TiAlCrSiN/TiAlCrN Bi-Nano-Multilayer Coating Characteristics. Materials 2022, 15, 1329. [Google Scholar] [CrossRef]
- Grigoriev, S.; Vereschaka, A.; Zelenkov, V.; Sitnikov, N.; Bublikov, J.; Milovich, F.; Andreev, N.; Sotova, C. Investigation of the influence of the features of the deposition process on the structural features of microparticles in PVD coatings. Vacuum 2022, 202, 111144. [Google Scholar] [CrossRef]
- Davim, J.P. Machining of Titanium Alloys; Springer: Berlin/Heidelberg, Germany, 2014. [Google Scholar] [CrossRef]
- Gershman, I.; Mironov, A.; Mezrin, A.; Torskaya, E.; Kuznetsova, T.; Lapitskaya, V.; Rogachev, A. Effect of sp3–sp2 Transformation on the Wear Rate of the DLC Coating. Lubricants 2022, 10, 85. [Google Scholar] [CrossRef]
- He, D.; Zheng, S.; Pu, J.; Zhang, G.; Hu, L. Improving tribological properties of titanium alloys by combining laser surface texturing and diamond-like carbon film. Tribol. Int. 2015, 82, 20–27. [Google Scholar] [CrossRef]
- Wos, S.; Koszela, W.; Pawlus, P. The effect of both surfaces textured on improvement of tribological properties of sliding elements. Tribol. Int. 2017, 113, 182–188. [Google Scholar] [CrossRef]
- Siju, A.S.; Jose, S.; Waigaonkar, S.D. Experimental analysis and characterisation of chip segmentation in dry machining of Ti-6Al-4V alloy using inserts with hybrid textures. CIRP J. Manuf. Sci. Technol. 2021, 36, 213–226. [Google Scholar] [CrossRef]
- Gupta, M.K.; Song, Q.; Liu, Z.; Singh, R.; Sarikaya, M.; Khanna, N. Tribological behavior of textured tools in sustainable turning of nickel based super alloy. Tribol. Int. 2020, 155, 106775. [Google Scholar] [CrossRef]
- Gajrani, K.K.; Suvin, P.; Kailas, S.V.; Rajurkar, K.; Sankar, M.R. Machining of hard materials using textured tool with minimum quantity nano-green cutting fluid. CIRP J. Manuf. Sci. Technol. 2021, 35, 410–421. [Google Scholar] [CrossRef]
- Esch, P.; Klocke, F.; Bauernhansl, T.; Schneider, M. Methodic development of laser micro structured cutting tools with microscale textures for AW7075 aluminum alloy using a Plackett–Burman screening design. CIRP J. Manuf. Sci. Technol. 2021, 32, 188–195. [Google Scholar] [CrossRef]
- You, C.; Xie, C.; Chu, X.; Zhou, W.; Zhao, G.; Lian, Y. Cutting performance of bionic cutting tools based on surface microstructures of blood clam Tegillarca granosa in dry cutting of CFRP. Int. J. Adv. Manuf. Technol. 2022, 119, 2961–2969. [Google Scholar] [CrossRef]
- Li, C.; Qiu, X.; Yu, Z.; Li, S.; Li, P.; Niu, Q.; Kurniawan, R.; Ko, T.J. Novel Environmentally Friendly Manufacturing Method for Micro-Textured Cutting Tools. Int. J. Precis. Eng. Manuf. Technol. 2020, 8, 193–204. [Google Scholar] [CrossRef]
- Elias, J.V.; Venkatesh, N.P.; Lawrence, K.; Deepak, L.K.; Jose, M. Tool texturing for micro-turning applications – an approach using mechanical micro indentation. Mater. Manuf. Process. 2020, 36, 84–93. [Google Scholar] [CrossRef]
- Böhm, S.; Ahsan, A.; Kröger, J.; Witte, J. Additive surface texturing of cutting tools using pulsed laser implantation with hard ceramic particles. Prod. Eng. 2020, 14, 733–742. [Google Scholar] [CrossRef]
- Zheng, M.; He, C.; Yang, S. Optimization of Texture Density Distribution of Carbide Alloy Micro-Textured Ball-End Milling Cutter Based on Stress Field. Appl. Sci. 2020, 10, 818. [Google Scholar] [CrossRef]
- Miao, X.; Zhang, X.; Liu, X.; Yu, Q.; Zhang, L. Numerical analysis of performance of different micro-grooved tools for cutting titanium alloy Ti-6Al-4V. Int. J. Adv. Manuf. Technol. 2020, 111, 1037–1054. [Google Scholar] [CrossRef]
- Alagan, N.T.; Zeman, P.; Hoier, P.; Beno, T.; Klement, U. Investigation of micro-textured cutting tools used for face turning of alloy 718 with high-pressure cooling. J. Manuf. Process. 2019, 37, 606–616. [Google Scholar] [CrossRef]
- Özel, T.; Biermann, D.; Enomoto, T.; Mativenga, P. Structured and textured cutting tool surfaces for machining applications. CIRP Ann. 2021, 70, 495–518. [Google Scholar] [CrossRef]
- Jawahir, I.; Van Luttervelt, C. Recent Developments in Chip Control Research and Applications. CIRP Ann. 1993, 42, 659–693. [Google Scholar] [CrossRef]
- Deng, J.; Lian, Y.; Wu, Z.; Xing, Y. Performance of femtosecond laser-textured cutting tools deposited with WS2 solid lubricant coatings. Surf. Coat. Technol. 2013, 222, 135–143. [Google Scholar] [CrossRef]
- Wang, Z.; Li, Y.-B.; Bai, F.; Wang, C.-W.; Zhao, Q.-Z. Angle-dependent lubricated tribological properties of stainless steel by femtosecond laser surface texturing. Opt. Laser Technol. 2016, 81, 60–66. [Google Scholar] [CrossRef]
- Neves, D.; Diniz, A.E.; de Lima, M.S.F. Efficiency of the laser texturing on the adhesion of the coated twist drills. J. Mater. Process. Technol. 2006, 179, 139–145. [Google Scholar] [CrossRef]
- Koshy, P.; Tovey, J. Performance of electrical discharge textured cutting tools. CIRP Ann. 2011, 60, 153–156. [Google Scholar] [CrossRef]
- Kumar, C.S.; Patel, S.K. Effect of WEDM surface texturing on Al2O3/TiCN composite ceramic tools in dry cutting of hardened steel. Ceram. Int. 2018, 44, 2510–2523. [Google Scholar] [CrossRef]
- Hamdy, K.; Okunkova, A.A.; Fedorov, S.V. Coatings-electrodes for processing dielectric aluminum oxide ceramics on a wire electrical discharge machine. J. Phys. Conf. Ser. 2021, 1954, 012011. [Google Scholar] [CrossRef]
- Sawant, M.S.; Jain, N.; Palani, I. Influence of dimple and spot-texturing of HSS cutting tool on machining of Ti-6Al-4V. J. Mater. Process. Technol. 2018, 261, 1–11. [Google Scholar] [CrossRef]
- Sedlaček, M.; Podgornik, B.; Ramalho, A.; Česnik, D. Influence of geometry and the sequence of surface texturing process on tribological properties. Tribol. Int. 2017, 115, 268–273. [Google Scholar] [CrossRef]
- El-Hofy, H. Advanced Machining Processes, 1st ed.; McGraw-Hill: Alexandria, Egypt, 2005. [Google Scholar] [CrossRef]
- Vilhena, L.M.; Sedlaček, M.; Podgornik, B.; Vižintin, J.; Babnik, A.; Možina, J. Surface texturing by pulsed Nd:YAG laser. Tribol. Int. 2009, 42, 1496–1504. [Google Scholar] [CrossRef]
- Meng, X.; Zhang, K.; Guo, X.; Wang, C.; Sun, L. Preparation of micro-textures on cemented carbide substrate surface by plasma-assisted laser machining to enhance the PVD tool coatings adhesion. J. Mater. Process. Technol. 2020, 288, 116870. [Google Scholar] [CrossRef]
- Kümmel, J.; Braun, D.; Gibmeier, J.; Schneider, J.; Greiner, C.; Schulze, V.; Wanner, A. Study on micro texturing of uncoated cemented carbide cutting tools for wear improvement and built-up edge stabilisation. J. Mater. Process. Technol. 2015, 215, 62–70. [Google Scholar] [CrossRef]
- Xing, Y.; Deng, J.; Li, S.; Yue, H.; Meng, R.; Gao, P. Cutting performance and wear characteristics of Al2O3/TiC ceramic cutting tools with WS2/Zr soft-coatings and nano-textures in dry cutting. Wear 2014, 318, 12–26. [Google Scholar] [CrossRef]
- Marashi, H.; Jafarlou, D.M.; Sarhan, A.A.; Hamdi, M. State of the art in powder mixed dielectric for EDM applications. Precis. Eng. 2016, 46, 11–33. [Google Scholar] [CrossRef]
- Jameson, E.C. Electrical Discharge Machining (EDM); Society of Manufacturing Engineers: Dearbern, MI, USA, 2001. [Google Scholar]
- Díaz, L.A.; Okunkova, A.; Solís, W.; Peretyagin, P.; Gotor, F.J.; Torrecillas, R. Electro discharge machinable alumina-based nanocomposites. In Proceedings of the ICCM International Conferences on Composite Materials, Copenhagen, Denmark, 19–24 July 2015. [Google Scholar]
- Zhao, J. The use of ceramic matrix composites for metal cutting applications. In Advances in Ceramic Matrix Composites; Woodhead Publishing: Sawston, UK, 2014. [Google Scholar] [CrossRef]
- Habib, S.S. Study of the parameters in electrical discharge machining through response surface methodology approach. Appl. Math. Model. 2009, 33, 4397–4407. [Google Scholar] [CrossRef]
- Pratap, A.; Patra, K. Combined effects of tool surface texturing, cutting parameters and minimum quantity lubrication (MQL) pressure on micro-grinding of BK7 glass. J. Manuf. Process. 2020, 54, 374–392. [Google Scholar] [CrossRef]
- Kun, P.; Tapasztó, O.; Wéber, F.; Balázsi, C. Determination of structural and mechanical properties of multilayer graphene added silicon nitride-based composites. Ceram. Int. 2012, 38, 211–216. [Google Scholar] [CrossRef]
- Fukuzawa, Y.; Mohri, N.; Gotoh, H.; Tani, T. Three-dimensional machining of insulating ceramics materials with electrical discharge machining. Trans. Nonferrous Met. Soc. China 2009, 19, s150–s156. [Google Scholar] [CrossRef]
- Grigoriev, S.N.; Volosova, M.A.; Okunkova, A.A.; Fedorov, S.V.; Hamdy, K.; Podrabinnik, P.A.; Pivkin, P.M.; Kozochkin, M.P.; Porvatov, A.N. Electrical Discharge Machining of Oxide Nanocomposite: Nanomodification of Surface and Subsurface Layers. J. Manuf. Mater. Process. 2020, 4, 96. [Google Scholar] [CrossRef]
- Bilal, A.; Jahan, M.P.; Talamona, D.; Perveen, A. Electro-Discharge Machining of Ceramics: A Review. Micromachines 2018, 10, 10. [Google Scholar] [CrossRef] [PubMed]
- Pachaury, Y.; Tandon, P. An overview of electric discharge machining of ceramics and ceramic based composites. J. Manuf. Process. 2017, 25, 369–390. [Google Scholar] [CrossRef]
- Chang, W.; Sun, J.; Luo, X.; Ritchie, J.M.; Mack, C. Investigation of microstructured milling tool for deferring tool wear. Wear 2011, 271, 2433–2437. [Google Scholar] [CrossRef]
- Nakano, M.; Ando, Y. Recent studies on the application of microfabrication technologies for improving tribological properties. Lubr. Sci. 2010, 23, 99–117. [Google Scholar] [CrossRef]
- Adams, D.P.; Vasile, M.J.; Mayer, T.M.; Hodges, V.C. Focused Ion Beam Techniques for Fabricating Geometrically-Complex Components and Devices; Report for Sandia. Report no. SAN D2004–0911; U.S. Department of Energy Office of Scientific and Technical Information: Oak Ridge, TN, USA, 2004. [Google Scholar] [CrossRef][Green Version]
- Stepien, P. Mechanism of grinding wheel surface reproduction in regular surface texture generation. Surf. Eng. 2008, 24, 219–225. [Google Scholar] [CrossRef]
- Nguyen, T.; Butler, D. Simulation of precision grinding process, part 1: Generation of the grinding wheel surface. Int. J. Mach. Tools Manuf. 2005, 45, 1321–1328. [Google Scholar] [CrossRef]
- Stępień, P. Deterministic and stochastic components of regular surface texture generated by a special grinding process. Wear 2011, 271, 514–518. [Google Scholar] [CrossRef]
- Xie, J.; Luo, M.-J.; He, J.-L.; Liu, X.-R.; Tan, T.-W. Micro-grinding of micro-groove array on tool rake surface for dry cutting of titanium alloy. Int. J. Precis. Eng. Manuf. 2012, 13, 1845–1852. [Google Scholar] [CrossRef]
- Martz, L.S. Preliminary Report of Developments in Interrupted Surface Finishes. Proc. Inst. Mech. Eng. 1949, 161, 1–9. [Google Scholar] [CrossRef]
- Patel, D.S.; Agrawal, V.; Ramkumar, J.; Jain, V.; Singh, G. Micro-texturing on free-form surfaces using flexible-electrode through-mask electrochemical micromachining. J. Mater. Process. Technol. 2020, 282, 116644. [Google Scholar] [CrossRef]
- Gropper, D.; Wang, L.; Harvey, T.J. Hydrodynamic lubrication of textured surfaces: A review of modeling techniques and key findings. Tribol. Int. 2016, 94, 509–529. [Google Scholar] [CrossRef]
- Abdel-Aal, H.A.; El Mansori, M. Tribological analysis of the ventral scale structure in a Python regius in relation to laser textured surfaces. Surf. Topogr. Metrol. Prop. 2013, 1, 015001. [Google Scholar] [CrossRef]
- Kuznetsov, A.M.; Kuznetsov, V.A.; Krylov, S.V.; Lobanov, A.S.; Prostetskov, K.V. BROACH. Patent Register SU1734965, 21 November 1989. Available online: https://patentscope.wipo.int/search/ru/detail.jsf?docId=SU28264362&_cid=P22-L7UGPG-24838-1 (accessed on 11 August 2022).
- Grzesik, W. (Ed.) Chapter Four—Cutting Tool Materials. In Advanced Machining Processes of Metallic Materials, 2nd ed.; Elsevier: Amsterdam, The Netherlands, 2017; pp. 35–63. [Google Scholar] [CrossRef]
- Kitagawa, T.; Kubo, A.; Maekawa, K. Temperature and wear of cutting tools in high-speed machining of Inconel 718 and Ti6Al6V2Sn. Wear 1997, 202, 142–148. [Google Scholar] [CrossRef]
- Schneider, G., Jr. Cutting Tools Application; ASM International: Novelty, OH, USA, 2009. [Google Scholar]
- Metel, A.; Volosova, M.; Mustafaev, E.; Melnik, Y.; Seleznev, A.; Grigoriev, S. Plasma-Beam Processing of Tools Made of SiAlON Dielectric Ceramics to Increase Wear Resistance When Cutting Nickel–Chromium Alloys. Coatings 2022, 12, 469. [Google Scholar] [CrossRef]
- Seleznev, A.; Pinargote, N.W.S.; Smirnov, A. Ceramic Cutting Materials and Tools Suitable for Machining High-Temperature Nickel-Based Alloys: A Review. Metals 2021, 11, 1385. [Google Scholar] [CrossRef]
- Grigoriev, S.N.; Fedorov, S.V.; Hamdy, K. Materials, properties, manufacturing methods and cutting performance of innovative ceramic cutting tools—A review. Manuf. Rev. 2019, 6, 19. [Google Scholar] [CrossRef]
- Sumiya, H.; Harano, K. Innovative ultra-hard materials: Binderless nanopolycrystalline diamond and nano-polycrystalline cubic boron nitride. SEI Tech. Rev. 2016, 82, 21–26. [Google Scholar]
- McKie, A.; Winzer, J.; Sigalas, I.; Herrmann, M.; Weiler, L.; Rödel, J.; Can, N. Mechanical properties of cBN–Al composite materials. Ceram. Int. 2011, 37, 1–8. [Google Scholar] [CrossRef]
- Novikov, N.; Dub, S. Hardness and fracture toughness of CVD diamond film. Diam. Relat. Mater. 1996, 5, 1026–1030. [Google Scholar] [CrossRef]
- Xing, Y.; Deng, J.; Wu, Z.; Cheng, H. Effect of regular surface textures generated by laser on tribological behavior of Si3N4/TiC ceramic. Appl. Surf. Sci. 2013, 265, 823–832. [Google Scholar] [CrossRef]
- Xing, Y.; Deng, J.; Zhao, J.; Zhang, G.; Zhang, K. Cutting performance and wear mechanism of nanoscale and microscale textured Al2O3/TiC ceramic tools in dry cutting of hardened steel. Int. J. Refract. Met. Hard Mater. 2013, 43, 46–58. [Google Scholar] [CrossRef]
- Feng, Y.; Yuan, P.; Wang, L.; Zhang, J.; Zhang, J.; Zhou, X. Experimental investigation of different morphology textured ceramic tools by in-situ formed for the dry cutting. Int. J. Appl. Ceram. Technol. 2019, 17, 1108–1118. [Google Scholar] [CrossRef]
- Duan, R.; Wang, G.; Xing, Y. Investigation of novel multiscale textures for the enhancement of the cutting performance of Al2O3/TiC ceramic cutting tools. Ceram. Int. 2021, 48, 3554–3563. [Google Scholar] [CrossRef]
- Kim, D.M.; Lee, I.; Kim, S.K.; Kim, B.H.; Park, H.W. Influence of a micropatterned insert on characteristics of the tool–workpiece interface in a hard turning process. J. Mater. Process. Technol. 2015, 229, 160–171. [Google Scholar] [CrossRef]
- Li, Q.; Pan, C.; Jiao, Y.; Hu, K. Investigation on Cutting Performance of Micro-Textured Cutting Tools. Micromachines 2019, 10, 352. [Google Scholar] [CrossRef] [PubMed]
- Wang, Q.; Yang, Y.; Yao, P.; Zhang, Z.; Yu, S.; Zhu, H.; Huang, C. Friction and cutting characteristics of micro-textured diamond tools fabricated with femtosecond laser. Tribol. Int. 2020, 154, 106720. [Google Scholar] [CrossRef]
- Ghosh, P.; Pacella, M. Effect of laser texturing on the performance of ultra-hard single-point cutting tools. Int. J. Adv. Manuf. Technol. 2019, 106, 2635–2648. [Google Scholar] [CrossRef]
- Pacella, M.; Badiee, A.; Ghosh, P. Laser micro-nano texturing of a polycrystalline ultra-hard cutting tool to improve wear behaviour. In Proceedings of the SPIE LASE, San Francisco, CA, USA, 2–7 February 2019. [Google Scholar] [CrossRef][Green Version]
- Fan, L.; Deng, Z.; Gao, X.; He, Y. Cutting performance of micro-textured PCBN tool. Nanotechnol. Precis. Eng. 2021, 4, 023004. [Google Scholar] [CrossRef]
- Wang, X.; Li, C.; Zhang, Y.; Said, Z.; Debnath, S.; Sharma, S.; Yang, M.; Gao, T. Influence of texture shape and arrangement on nanofluid minimum quantity lubrication turning. Int. J. Adv. Manuf. Technol. 2021, 119, 631–646. [Google Scholar] [CrossRef]
- Shanmugasunradam, D. Effect of Micro Texture on the Performance of Cutting Tools for Aluminium. Ph.D. Thesis, Nanyang Technological University, Singapore, 2020. Available online: https://dr.ntu.edu.sg/handle/10356/137479 (accessed on 11 August 2022).
- Kawasegi, N.; Sugimori, H.; Morimoto, H.; Morita, N.; Hori, I. Development of cutting tools with microscale and nanoscale textures to improve frictional behavior. Precis. Eng. 2009, 33, 248–254. [Google Scholar] [CrossRef]
- Abdel-Aal, H.A. Functional surfaces for tribological applications: Inspiration and design. Surf. Topogr. Metrol. Prop. 2016, 4, 043001. [Google Scholar] [CrossRef]
- Zheng, K.; Yang, F.; Zhang, N.; Liu, Q.; Jiang, F. Study on the Cutting Performance of Micro Textured Tools on Cutting Ti-6Al-4V Titanium Alloy. Micromachines 2020, 11, 137. [Google Scholar] [CrossRef]
- Rathod, P.; Aravindan, S.; Paruchuri, V.R. Evaluating the effectiveness of the novel surface textured tools in enhancing the machinability of titanium alloy (Ti6Al4V). J. Adv. Mech. Des. Syst. Manuf. 2015, 9, JAMDSM0035. [Google Scholar] [CrossRef]
- Jianxin, D.; Ze, W.; Yunsong, L.; Ting, Q.; Jie, C. Performance of carbide tools with textured rake-face filled with solid lubricants in dry cutting processes. Int. J. Refract. Met. Hard Mater. 2012, 30, 164–172. [Google Scholar] [CrossRef]
- Sathiya Narayanan, N.; Baskar, N.; Vedha Hari, B.N.; Sankaran, R. Performance of Cutting Tool with Cross-Chevron Surface Texture Filled with Green Synthesized Aluminium Oxide Nanoparticles. Sci. Rep. 2019, 9, 17803. [Google Scholar] [CrossRef]
- Obikawa, T.; Kamio, A.; Takaoka, H.; Osada, A. Micro-texture at the coated tool face for high performance cutting. Int. J. Mach. Tools Manuf. 2011, 51, 966–972. [Google Scholar] [CrossRef]
- Xing, Y.; Deng, J.; Wang, X.; Ehmann, K.; Cao, J. Experimental Assessment of Laser Textured Cutting Tools in Dry Cutting of Aluminum Alloys. J. Manuf. Sci. Eng. 2016, 138, 071006. [Google Scholar] [CrossRef]
- Hou, Q.; Yang, X.; Li, D.; Cheng, J.; Wang, S.; Xiao, J.; Li, W. Tribological performance of hydrophobic and micro/nano triangle textured rake face of cutting tools. Appl. Surf. Sci. 2021, 571, 151250. [Google Scholar] [CrossRef]
- Hari, B.V.; Narayanan, N.S.; Baskar, N.; Sriraman, N.; Nanduru, V.S. Performance of ceramic cutting tool with groove and cross-chevron surface textures filled with semi-solid lubricants. Mater. Today: Proc. 2022, 63, 504–509. [Google Scholar] [CrossRef]
- Xie, J.; Liu, X.; Wu, K.; Lu, Y.; Li, P. Evaluation on 3D micro-ground profile accuracy of micro-pyramid-structured Si surface using an adaptive-orientation WLI measurement. Precis. Eng. 2013, 37, 918–923. [Google Scholar] [CrossRef]
- Lyubimov, V.V.; Volginb, V.M.; Gnidina, I.V.; Salomatnikov, M.S. Substantiation of micro- and nano-reliefs on the surface of the cutting tool and the choice of methods for their production. News of TulGU. Tech. Sci. 2016, 1. Available online: https://cyberleninka.ru/article/n/obosnovanie-mikro-i-nanoreliefov-na-poverhnosti-rezhuschego-instrumenta-i-vybora-metodov-ih-polucheniya/viewer (accessed on 11 August 2022).
- Kawasegi, N.; Sugimori, H.; Morimoto, H.; Morita, N.; Hori, I. Development of Cutting Tools Utilizing Surface Functions Induced by Micro/Nanometer-scale Textures. J. Jpn. Soc. Precis. Eng. 2009, 75, 1245–1249. [Google Scholar] [CrossRef][Green Version]
- Ze, W.; Jianxin, D.; Yang, C.; Youqiang, X.; Jun, Z. Performance of the self-lubricating textured tools in dry cutting of Ti-6Al-4V. Int. J. Adv. Manuf. Technol. 2012, 62, 943–951. [Google Scholar] [CrossRef]
- Liu, G.; Huang, C.; Su, R.; Özel, T.; Liu, Y.; Xu, L. 3D FEM simulation of the turning process of stainless steel 17-4PH with differently texturized cutting tools. Int. J. Mech. Sci. 2019, 155, 417–429. [Google Scholar] [CrossRef]
- Azmi, M.A.M.; Mahmood, W.M.F.W.; Ghani, J.A.; Rasani, M.R.M. A Review of Surface Texturing in Internal Combustion Engine Piston Assembly. Int. J. Integr. Eng. 2020, 12, 146–163. [Google Scholar] [CrossRef]
- Xie, J.; Luo, M.; Wu, K.; Yang, L.; Li, D. Experimental study on cutting temperature and cutting force in dry turning of titanium alloy using a non-coated micro-grooved tool. Int. J. Mach. Tools Manuf. 2013, 73, 25–36. [Google Scholar] [CrossRef]






























| Sections and Subsections | Page Number | 
|---|---|
| 1. Introduction | 2 | 
| 2. Methods of creating texturing | 3 | 
| 2.1. Plasma arc machining textures | 4 | 
| 2.2. Laser surface texturing | 4 | 
| 2.3. Electrical discharge machining | 5 | 
| 2.4. Focused ion beam machining | 6 | 
| 2.5. Micro grinding | 7 | 
| 2.6. Conclusions | 7 | 
| 3. Cutting tool surface texturing | 8 | 
| 3.1. Texturing parameters | 8 | 
| 3.2. Most common texture shapes on textured cutting tools | 10 | 
| 3.3. Conclusions | 11 | 
| 4. Effect of surface texturing of ceramic and superhard cutting tools | 11 | 
| 4.1. Effect of surface texturing on friction coefficient, tool wear and adhesive property | 12 | 
| 4.2. Effect of surface texturing on cutting force | 21 | 
| 4.3. Effect of surface texturing on cutting temperature | 27 | 
| 4.4. Effect of surface texturing on machined workpiece roughness | 29 | 
| 4.5. Conclusions | 31 | 
| 5. Conclusions | 31 | 
| 6. References | 33 | 
| 7. Appendix A | |
| Table A1. Abbreviations, Symbols and Nomenclature | 39 | 
| Table A2. The most common methods for creating textures on surfaces of different materials and cutting tools | 42 | 
| Table A3. Classification of several designed textured cutting tools according to the previously proposed categorization | 48 | 
| Challenges | Solutions | Reference | 
|---|---|---|
| Determining the optimal direction of continuous textures called “groove”. | For cutting tools, most researchers have observed that the use of continuous textures perpendicular to the direction of chip movement shows less wear and a greater reduction in cutting force. | [39] | 
| Decrease in strength of cutting material due to the presence of textures near the cutting edge. | Many researchers have determined that the minimum distance between the cutting edge and the first texture should be three times the feed used. | [84] | 
| Loss of texturing effect due to adhesion of workpiece material in texture cavities that commonly is named “texture blockage”. | The simultaneous implementation of macro and nanotextures leads to the reduction in the workpiece material in the channels of the textures. | [40] | 
| The use of solid lubricants improves the dry cutting process and reduces the adhesion effect of the machined material. | [28,40] | |
| The use of multiscale textures inhibiting derivative cutting | [76] | 
| Publisher’s Note: MDPI stays neutral with regard to jurisdictional claims in published maps and institutional affiliations. | 
© 2022 by the authors. Licensee MDPI, Basel, Switzerland. This article is an open access article distributed under the terms and conditions of the Creative Commons Attribution (CC BY) license (https://creativecommons.org/licenses/by/4.0/).
Share and Cite
Grigoriev, S.N.; Soe, T.N.; Hamdy, K.; Pristinskiy, Y.; Malakhinsky, A.; Makhadilov, I.; Romanov, V.; Kuznetsova, E.; Podrabinnik, P.; Kurmysheva, A.Y.; et al. The Influence of Surface Texturing of Ceramic and Superhard Cutting Tools on the Machining Process—A Review. Materials 2022, 15, 6945. https://doi.org/10.3390/ma15196945
Grigoriev SN, Soe TN, Hamdy K, Pristinskiy Y, Malakhinsky A, Makhadilov I, Romanov V, Kuznetsova E, Podrabinnik P, Kurmysheva AY, et al. The Influence of Surface Texturing of Ceramic and Superhard Cutting Tools on the Machining Process—A Review. Materials. 2022; 15(19):6945. https://doi.org/10.3390/ma15196945
Chicago/Turabian StyleGrigoriev, Sergey N., Thet Naing Soe, Khaled Hamdy, Yuri Pristinskiy, Alexander Malakhinsky, Islamutdin Makhadilov, Vadim Romanov, Ekaterina Kuznetsova, Pavel Podrabinnik, Alexandra Yu. Kurmysheva, and et al. 2022. "The Influence of Surface Texturing of Ceramic and Superhard Cutting Tools on the Machining Process—A Review" Materials 15, no. 19: 6945. https://doi.org/10.3390/ma15196945
APA StyleGrigoriev, S. N., Soe, T. N., Hamdy, K., Pristinskiy, Y., Malakhinsky, A., Makhadilov, I., Romanov, V., Kuznetsova, E., Podrabinnik, P., Kurmysheva, A. Y., Smirnov, A., & Solís Pinargote, N. W. (2022). The Influence of Surface Texturing of Ceramic and Superhard Cutting Tools on the Machining Process—A Review. Materials, 15(19), 6945. https://doi.org/10.3390/ma15196945
 
        





 
       