Modeling Material Machining Conditions with Gear-Shaper Cutters with TiN0.85-Ti in Adhesive Wear Dominance Using Machine Learning Methods
Abstract
1. Introduction
- The optimum machining parameter area for tools coated with TiN0.85-Ti under new machining conditions, i.e., under predominantly abrasive wear;
- Determination of the thickness of the modified titanium nitride coating that is most favorable in terms of the durability of cutting blades used in impact work.
2. Materials and Methods
2.1. Research Stands
2.2. Tools Used in Research
- Drawing speed dx/dt = 7.5 mm/min,
- Loading rate dL/dt = 300 N/min,
- Ratio of loading rate to drawing speed dL/dx = 40 N/mm,
- Tip radius of the stylus (Rockwell indenter) R = 0.2 mm.
2.3. Workpiece Material Used in the Tests
- The worldwide trend towards the use of materials for gears (gear teeth), which are characterized by a few-dimensional and shape changes as possible after thermo-chemical treatment, due to the manufacture of the gear teeth components ready for this treatment;
- The occurrence of predominant adhesive wear of uncoated modular chisel blades when cutting gear teeth from this steel grade;
2.4. Description of the Machining Station (Rotary Burr Chaser)
- Achievable toothing chiseling accuracy-grade 6 according to DIN 3962;
- Number of double feeds per cycle-infinitely adjustable from 45 to 720 2·pitch/min;
- Peripheral feed rate-infinitely adjustable from 0.01 to 0.55 mm/2·pitch;
- Max. diameter of gear tips-ϕ500 mm;
- Min. diameter of gear tips-ϕ50 mm;
- Max. gear module-8 mm;
- Smallest number of teeth of the chiseled gear-z = 12.
3. Results
4. Modeling Results
5. Discussion of Results
6. Conclusions
- The most favorable coating thickness among those used was determined as follows: A coating with a thickness of 4 µm (g2) proved to be the most effective, providing the greatest cutting-edge life for the adopted blunt index value VBBmax = 0.2 mm. Producing coatings on cutting tools that are too thick is inefficient both in terms of incurring higher manufacturing costs and in terms of the potential for significant stresses to accumulate in the coating, which can adversely affect tool life.
- The highest tool life for cutting tools was achieved with coatings 4 µm thick (g2). A coating that is too thin (1 µm) does not provide sufficient durability for abrasive wear. In the case of PVD coating methods, the too-thick (7 µm) accumulation of residual stresses. Additionally, in the transition layer between the coating and the substrate, as a result of increasing defectiveness of the coating with increasing thickness (in extreme cases), too high self-stress can even lead to spontaneous coating delamination.
- The possibility of increasing production efficiency was indicated as follows: Analyzing the obtained graphs describing the change in the durability of modular chisel blades as a function of cutting parameters, it can be assumed that the use of TiN0.85-Ti coatings should enable an increase in the productivity of the machining process, which is important in the context of increasing production requirements and the use of modern materials with enhanced strength properties.
- A significant effect of cutting speed on tool life was determined as follows: As mathematical modeling has shown, cutting speed (vc) negatively correlates with blade life. Optimization of this parameter is crucial to ensure long-cutting tool life.
- The advantages of the KAN model were demonstrated as follows: the Kolmogorov–Arnold Network (KAN) model proved to be the best model for describing changes in blade life as a function of machining parameters, offering high convergence with test results and the ability to easily interpret results. The modeling showed that parameters such as coating thickness and peripheral feed have a significant but variable effect with increasing values on tool life.
Author Contributions
Funding
Institutional Review Board Statement
Informed Consent Statement
Data Availability Statement
Conflicts of Interest
References
- Delibaş, H.; Uzay, Ç.; Geren, N. Advanced Material Selection Technique for High Strength and Lightweight Spur Gear Design. Eur. Mech. Sci. 2017, 1, 133–140. [Google Scholar] [CrossRef][Green Version]
- Salawu, E.Y.; Ajayi, O.O.; Inegbenebor, A.O.; Akinlabi, S.; Afolalu, S.A.; Aroyinbo, A. Material Selection and Processing Techniques: Crucial Factors for Gear Engineering. International Conference on Engineering for Sustainable World (ICESW 2020). In IOP Conference Series: Materials Science and Engineering; IOP Publishing: Bristol, UK, 2021; Volume 1107, p. 012114. [Google Scholar] [CrossRef]
- Svenningsson, I.; Tatar, K. Exploring the mechanics of adhesion in metal cutting. Int. J. Adv. Manuf. Technol. 2023, 127, 3337–3356. [Google Scholar] [CrossRef]
- Troß, V.; Brimmers, J.; Bergs, T. Tool Wear in Dry Gear Hobbing of 20MnCr5 Case-Hardening Steel, 42CrMo4 Tempered Steel and EN-GJS-700-2 Cast Iron. Wear 2021, 476, 203737. [Google Scholar] [CrossRef]
- Zwolak, J.; Witek, M. Selection Criteria for The Tooth Material in The Context of the Applied Finishing Treatment of Case Hardened and Quenched Teeth. Tribologia 2010, 6, 293–306. [Google Scholar] [CrossRef]
- Kupczyk, M.J. Technological Quality of Gears Cut with Modular Chisels Covered with a TiNx-Ti Layer in the Conditions of Adhesive Wear of the Blades; Publishing House of the Poznan Society for the Advancement of the Art and Science: Poznan, Poland, 2014; Volume 10. [Google Scholar]
- Azizpour, M.J.; Mohammadi, H.M. Wear Mechanisms in High Speed Steel Gear Cutting Tools, World Academy of Science. Engineering and Technology. Int. J. Mater. Metall. Eng. 2010, 4, 363–365. [Google Scholar]
- Dolinšek, S.; Šuštaršič, B.; Kopac, J. Wear Mechanisms of Cutting Tools in High-Speed Cutting Processes. Wear 2001, 250, 349–356. [Google Scholar] [CrossRef]
- Diniz, A.E.; Machado, A.R.; Corrêa, J.G. Tool Wear Mechanisms in the Machining of Steels and Stainless Steels. Int. J. Adv. Manuf. Technol. 2016, 87, 3157–3168. [Google Scholar] [CrossRef]
- Soderberg, S.; Hogmark, S. Wear Mechanisms and Tool Life of High Speed Steels Related to Microstructure. Wear 1986, 110, 315–329. [Google Scholar] [CrossRef]
- Alvelid, B.; Wisell, H. Wear of HSS in Orthogonal Milling. Scand. J. Metall. 1980, 9, 59–67. [Google Scholar]
- Lim, S.C.; Lee, S.H.; Liu, Y.B.; Seah, K.H.W. Wear Maps for Uncoated High-Speed Steel Cutting Tools. Wear 1993, 170, 137–144. [Google Scholar] [CrossRef]
- Kupczyk, M.J. Determination of the Mathematical Model of Surface Roughness Changes of Involute Tooth Surfaces Cut with Modular Chisels Covered with a TiNx-Ti Layer Using The Reactive-Pulse-Plasma Method Due to Changes in Cutting Conditions. In Proceedings of the Conference on Mathematic in Mechanical Technology, Głębokie near Międzyrzecze, Poland, 3–5 May 1989; pp. 45–51. [Google Scholar]
- Ding, Y.; Yu, J.; Lu, Z. The Relationship Between Adhesion Morphology and Cutting Force in Orthogonal Cutting of 6061–T6 Aluminum Alloy. Int. J. Adv. Manuf. Technol. 2023, 124, 1971–1991. [Google Scholar] [CrossRef]
- Stephenson, D.A.; Agapiou, J.S. Metal Cutting Theory and Practice, 3rd ed.; CRC Press: Boca Raton, FL, USA, 2016. [Google Scholar]
- Svenningsson, I.; Tatar, K. On the Mechanism of Three-Body Adhesive Wear in Turning. Int. J. Adv. Manuf. Technol. 2021, 113, 3457–3472. [Google Scholar] [CrossRef]
- Ståhl, J.-E. Metal Cutting—Theories and Models; Seco Tools AB: Lund, Sweden, 2012. [Google Scholar]
- PN-EN ISO 683-3:2022-07; Heat-Treatable Steels, Alloy Steels, and Free-Cutting Steels—Part 3: Case-Hardening Steels. Polish Committee for Standardization (PKN): Warsaw, Poland, 2022.
- Klaasen, H.; Kübarsepp, J.; Roosaar, T.; Viljus, M.; Traksmaa, R. Adhesive Wear Performance of Hardmetals and Cermets. Wear 2010, 268, 1122–1128. [Google Scholar] [CrossRef]
- Kupczyk, M.J. Assessment of Adhesive Wear Resistance of MeX-Type Compounds from the Point of View of Machining. Arch. Mach. Technol. PAN 1992, 10, 245–249. [Google Scholar]
- Michalski, A. Physicochemical Basis for Obtaining Coatings from the Gas Phase; Publishing House of the Warsaw University of Technology: Warsaw, Poland, 2000. [Google Scholar]
- Michalski, A. Crystallisation of Metastable Varieties of Boron Nitride from the Gas Phase. In Proceeding of 4th Summer School “Modern Plasma Surface Technology”; Technical University of Koszalin: Koszalin, Poland, 1994; p. 90. [Google Scholar]
- GOST 321-41; Tooth Gear Cutters. Gear-Cutting Discs with Straight Teeth with a Nominal Dividing Diameter of 75 mm. Main Dimensions (Recommended). Russian Standard: Moscow, Russia, 1995.
- PN-EN ISO 4957:2018-09; Tool Steels. Polish Committee for Standardization (PKN): Warsaw, Poland, 2018.
- PN-EN ISO 6507-1:2024-04; Metallic Materials—Vickers Hardness Test—Part 1: Test Method. Polish Committee for Standardization (PKN): Warsaw, Poland, 2024.
- Sokołowska, A. (Ed.) Niekonwencjonalne Środki Syntezy Materiałów; Wydawnictwo Naukowe PWN: Warszawa, Poland, 1991; ISBN 978-83-01-10848-9. [Google Scholar]
- Palmqvist, S. Rißbildungsarbeit Bei Vickers-Eindrücken Als Maß Für Die Zähigkeit von Hartmetallen. Arch. Für Das Eisenhüttenwesen 1962, 33, 629–634. [Google Scholar] [CrossRef]
- PN-EN ISO 2178:2016-06; Non-Magnetic Coatings on Magnetic Substrates—Measurement of Coating Thickness—Magnetic Method. Polish Committee for Standardization (PKN): Warsaw, Poland, 2016.
- Palmqvist, S. Indentation Hardness and Fracture Toughness in Single Crystal; Materials Science, Physics. 1957. Available online: https://www.semanticscholar.org/paper/INDENTATION-HARDNESS-AND-FRACTURE-TOUGHNESS-IN-Palmqvist/16c3f963dd965fe1bb75f924d7d5bbef51e044eb (accessed on 8 November 2024).
- Kupczyk, M.J.; Wieczorowski, K. Unit for Measuring the Adhesion of Antiwear Layers to the Substrate, Especially Those Deposited on the Surfaces of Cutting. Tools. Patent P 301807/1994, 5 January 1994. [Google Scholar]
- Friedman, J.H. Greedy Function Approximation: A Gradient Boosting Machine. Ann. Statist. 2001, 29, 1189–1232. [Google Scholar] [CrossRef]
- Chengsheng, T.; Huacheng, L.; Bing, X. AdaBoost Typical Algorithm and Its Application Research. MATEC Web Conf. 2017, 139, 00222. [Google Scholar] [CrossRef]
- Cacciatore, A.; Morelli, V.; Paganica, F.; Frontoni, E.; Migliorelli, L.; Berardini, D. A Preliminary Study on Continual Learning in Computer Vision Using Kolmogorov-Arnold Networks. Available online: https://arxiv.org/abs/2409.13550v2 (accessed on 8 November 2024).
- Kingma, D.P.; Ba, J. Adam: A Method for Stochastic Optimization. arXiv 2017, arXiv:1412.6980. [Google Scholar]
- Thornton, J.A.; Hoffman, D.W. Stress-Related Effects in Thin Films. Thin Solid Film. 1989, 171, 5–31. [Google Scholar] [CrossRef]
- Bunshah, R.F. Deposition Technologies for Films and Coatings: Developments and Applications; Noyes Publications: Park Ridge, NJ, USA, 1982. [Google Scholar]
- Hoffman, R.W. The Mechanical Properties of Thin Condensed Films. Phys. Thin Film. 1966, 3, 211. [Google Scholar]
- Badaluddin, N.A.; Zamri, W.F.H.; Md Din, M.F.; Mohamed, I.F.; Ghani, J. Coatings of Cutting Tools and Their Contribution to Improve Mechanical Properties: A Brief Review. Int. J. Appl. Eng. Res. 2018, 13, 11653–11664. [Google Scholar]
- Vereschaka, A.; Sotova, C.; Milovich, F.; Seleznev, A.; Sitnikov, N.; Shekhtman, S.; Pirogov, V.; Baranova, N. Influence of the Ti-TiN-(Y,Ti,Al)N Nanolayer Coating Deposition Process Parameters on Cutting Tool Oxidative Wear during Steel Turning. Nanomaterials 2023, 13, 3039. [Google Scholar] [CrossRef]
- Bobzin, K. High-Performance Coatings for Cutting Tools. CIRP J. Manuf. Sci. Technol. 2017, 18, 1–9. [Google Scholar] [CrossRef]
- Vereschaka, A.A.; Grigoriev, S.; Sitnikov, N.; Oganyan, G.; Sotova, E. Influence of Thickness of Multilayer Composite Nano-Structured Coating Ti-TiN-(Ti,Al,Cr)N on Tool Life of Metal-Cutting Tool. Procedia CIRP 2018, 77, 545–548. [Google Scholar] [CrossRef]
- Kupczyk, M.J.; Komolka, J.; Józwik, J. The Effect of the Surface Topography of High-Speed Steel Cutting Blades Made Using Various Methods on Their Technological and Functional Properties. Materials 2023, 16, 6442. [Google Scholar] [CrossRef] [PubMed]
- Pytka, J.; Budzyński, P.; Łyszczyk, T.; Józwik, J.; Michałowska, J.; Tofil, A.; Błażejczak, D.; Laskowski, J. Determining Wheel Forces and Moments on Aircraft Landing Gear with a Dynamometer Sensor. Sensors 2019, 20, 227. [Google Scholar] [CrossRef]
- Zawada-Michałowska, M.; Pieśko, P.; Józwik, J. Tribological Aspects of Cutting Tool Wear during the Turning of Stainless Steels. Materials 2019, 13, 123. [Google Scholar] [CrossRef]
- PN-EN ISO 377:2017-09; Steel and Steel Products—Location and Preparation of Test Pieces for Mechanical Testing. Polish Committee for Standardization (PKN): Warsaw, Poland, 2017.
- PN-EN ISO 683-2:2018-08; Heat-Treatable Steels, Alloy Steels, and Free-Cutting Steels—Part 2: Alloy Steels for Quenching and Tempering. Polish Committee for Standardization (PKN): Warsaw, Poland, 2018.
- PN-EN ISO 6892-1:2020-05; Metallic Materials—Tensile Testing—Part 1: Method of Test at Room Temperature. Polish Committee for Standardization (PKN): Warsaw, Poland, 2020.
- PN-EN ISO 148-1:2017-02; Metallic Materials—Charpy Pendulum Impact Test—Part 1: Test Method. Polish Committee for Standardization (PKN): Warsaw, Poland, 2017.
- ISO 1328-1:2013; Cylindrical Gears—ISO System of Flank Tolerance Classification—Part 1: Definitions and Allowable Values of Deviations Relevant to Flanks of Gear Teeth, 2nd ed. International Organization for Standardization (ISO): Geneva, Switzerland, 2013.














| Specification | Chemical Composition in [%] | |||||||
|---|---|---|---|---|---|---|---|---|
| C | Mn | W | Mo | V | Cr | |||
| According to PN-86/H-85022 | 0.80–0.94 | max 0.4 | 5.8–7.2 | 3.4–5.7 | 1.63–2.17 | 3.4–4.7 | ||
| According to the analysis | 0.82–0.85 | 0.30–0.36 | 6.0–6.5 | 4.8–5.2 | 1.80–2.10 | 4.0–4.2 | ||
| Specification | Chemical composition in [%] | HRC hardness | ||||||
| Si | P | S | ||||||
| According to PN-86/H-85022 | max 0.5 | max 0.030 | max 0.030 | min 64 | ||||
| According to the analysis | 0.20–0.30 | 0.020–0.025 | 0.018–0.020 | 64–65 | ||||
| Specification | Chemical Composition in [%] | ||||||
|---|---|---|---|---|---|---|---|
| C | Mn | Si | Pmax. | Smax. | Cr | Ni | |
| according to PN-EN 10083-1+A1:1999 | 0.14–0.19 | 1.00–1.30 | 0.17–0.37 | 0.035 | 0.035 | 0.80–1.10 | 0.30 |
| according to the analysis | 0.17 | 1.20 | 0.25 | 0.020 | 0.020 | 1.00 | 0.20 |
| Specification | Strength Properties | Impact | Softened Hardness | |||
|---|---|---|---|---|---|---|
|
Rm [MPa] |
Re [MPa] |
As [%] |
Z [%] |
KC [J/cm2] | HBmax | |
| by PN-EN 10083-1+A1:1999 | min 830 | min 590 | min 12 | min 45 | min 80 | 187 |
| by analyzes | 860 ± 20 | 610 ± 15 | 13 ± 0.3 | 46 ± 1.0 | 85 ± 2.0 | 180 ± 5 |
| gi (i=0, 1, 2, 3), μm | fsi (i=1, 2, 3), mm/2·pitch | vci (i=1, 2, 3), m/s | Test Number for Durability i | i [s·103] | for p = 1 − α = 0.95 | ||||
|---|---|---|---|---|---|---|---|---|---|
| 1 | 2 | 3 | 4 | 5 | |||||
| Lifetime Values Ti(i=1, 2, 3, 4, 5) [s·103] | |||||||||
| g1 = 1 μm | fs1 = 0.10 mm/2·pitch | vc1 = 0.33 m/s | 51.0 | 56.1 | 52.3 | 61.4 | 60.0 | 56.16 | 56.16 ± 3.59 |
| g2 = 4 μm | 68.9 | 61.6 | 73.7 | 67.3 | 65.3 | 67.36 | 67.36 ± 3.51 | ||
| g3 = 7 μm | 48.0 | 56.1 | 52.2 | 53.8 | 51.9 | 52.40 | 52.40 ± 2.33 | ||
| g0 = 0 μm | 41.3 | 39.8 | 35.9 | 35.1 | 36.0 | 37.62 | 37.62 ± 2.16 | ||
| g1 = 1 μm | vc1 = 0.42 m/s | 35.8 | 35.9 | 33.7 | 40.8 | 39.4 | 37.12 | 37.12 ± 2.27 | |
| g2 = 4 μm | 47.4 | 40.7 | 43.9 | 43.9 | 39.0 | 42.98 | 42.98 ± 2.55 | ||
| g3 = 7 μm | 24.9 | 19.3 | 24.7 | 29.4 | 25.8 | 24.82 | 24.82 ± 2.84 | ||
| g0 = 0 μm | 23.2 | 19.0 | 28.8 | 24.6 | 22.9 | 23.70 | 23.70 ± 2.77 | ||
| g1 = 1 μm | vc1 = 0.53 m/s | 17.0 | 23.0 | 21.4 | 19.6 | 20.2 | 20.24 | 20.24 ± 1.75 | |
| g2 = 4 μm | 21.5 | 23.3 | 27.1 | 28.6 | 26.4 | 25.38 | 25.38 ± 2.28 | ||
| g3 = 7 μm | 15.3 | 17.0 | 17.1 | 13.8 | 12.9 | 15.22 | 15.22 ± 1.47 | ||
| g0 = 0 μm | 8.0 | 6.3 | 8.5 | 6.4 | 5.7 | 6.98 | 6.98 ± 0.94 | ||
| g1 = 1 μm | fs2 = 0.16 mm/2·pitch | vc1 = 0.33 m/s | 52.5 | 47.8 | 41.0 | 46.5 | 48.1 | 47.18 | 47.18 ± 3.24 |
| g2 = 4 μm | 66.9 | 71.3 | 64.7 | 57.2 | 64.0 | 64.82 | 64.82 ± 4.02 | ||
| g3 = 7 μm | 54.3 | 47.0 | 42.3 | 37.2 | 47.6 | 45.84 | 45.84 ± 5.01 | ||
| g0 = 0 μm | 26.9 | 33.0 | 32.0 | 38.7 | 32.3 | 32.58 | 32.58 ± 3.29 | ||
| g1 = 1 μm | vc1 = 0.42 m/s | 33.8 | 35.8 | 35.3 | 39.5 | 30.5 | 34.98 | 34.98 ± 2.56 | |
| g2 = 4 μm | 46.7 | 44.8 | 54.7 | 46.7 | 38.6 | 46.30 | 46.30 ± 4.51 | ||
| g3 = 7 μm | 28.3 | 21.0 | 30.7 | 36.8 | 31.7 | 29.70 | 29.70 ± 4.52 | ||
| g0 = 0 μm | 20.8 | 15.0 | 19.3 | 23.8 | 17.3 | 19.24 | 19.24 ± 2.63 | ||
| g1 = 1 μm | vc1 = 0.53 m/s | 27.3 | 21.5 | 25.9 | 30.3 | 28.0 | 26.56 | 26.56 ± 2.56 | |
| g2 = 4 μm | 29.0 | 23.8 | 31.8 | 38.0 | 33.0 | 31.20 | 31.20 ± 4.10 | ||
| g3 = 7 μm | 12.4 | 22.5 | 17.3 | 22.5 | 27.4 | 20.42 | 20.42 ± 4.49 | ||
| g0 = 0 μm | 10.6 | 15.5 | 6.9 | 12.2 | 12.0 | 11.44 | 11.44 ± 2.44 | ||
| g1 = 1 μm | fs3 = 0.25 mm/2·pitch | vc1 = 0.33 m/s | 38.2 | 36.2 | 33.6 | 40.5 | 37.5 | 37.20 | 37.20 ± 2.00 |
| g2 = 4 μm | 50.3 | 45.5 | 41.7 | 43.4 | 49.7 | 46.12 | 46.12 ± 2.98 | ||
| g3 = 7 μm | 29.0 | 32.5 | 35.1 | 35.6 | 30.6 | 32.56 | 32.56 ± 2.22 | ||
| g0 = 0 μm | 31.2 | 28.0 | 27.9 | 25.8 | 30.7 | 28.72 | 28.72 ± 1.74 | ||
| g1 = 1 μm | vc1 = 0.42 m/s | 23.5 | 28.2 | 32.4 | 19.8 | 26.1 | 26.00 | 26.00 ± 3.73 | |
| g2 = 4 μm | 36.2 | 29.7 | 33.0 | 24.2 | 20.1 | 28.64 | 28.64 ± 5.11 | ||
| g3 = 7 μm | 21.9 | 9.7 | 14.9 | 17.5 | 25.8 | 17.96 | 17.96 ± 4.88 | ||
| g0 = 0 μm | 10.0 | 13.6 | 7.4 | 18.5 | 15.5 | 13.00 | 13.00 ± 3.44 | ||
| g1 = 1 μm | vc1 = 0.53 m/s | 15.6 | 18.5 | 21.1 | 18.2 | 17.2 | 18.12 | 18.12 ± 1.58 | |
| g2 = 4 μm | 22.0 | 18.4 | 23.7 | 24.0 | 18.8 | 21.38 | 21.38 ± 2.08 | ||
| g3 = 7 μm | 7.1 | 9.5 | 8.5 | 7.2 | 11.6 | 8.78 | 8.78 ± 1.46 | ||
| g0 = 0 μm | 4.3 | 5.0 | 6.5 | 6.9 | 4.1 | 5.36 | 5.36 ± 1.00 | ||
| Model | R2 | MAE | RMSE |
|---|---|---|---|
| Linear Regression | 0.662 | 0.11 | 0.13 |
| Decision Tree Regressor | 0.894 | 0.06 | 0.07 |
| Gradient Boosting Regressor | 0.918 | 0.05 | 0.07 |
| Ada Boost Regressor | 0.924 | 0.05 | 0.06 |
| KAN | 0.945 | 0.04 | 0.05 |
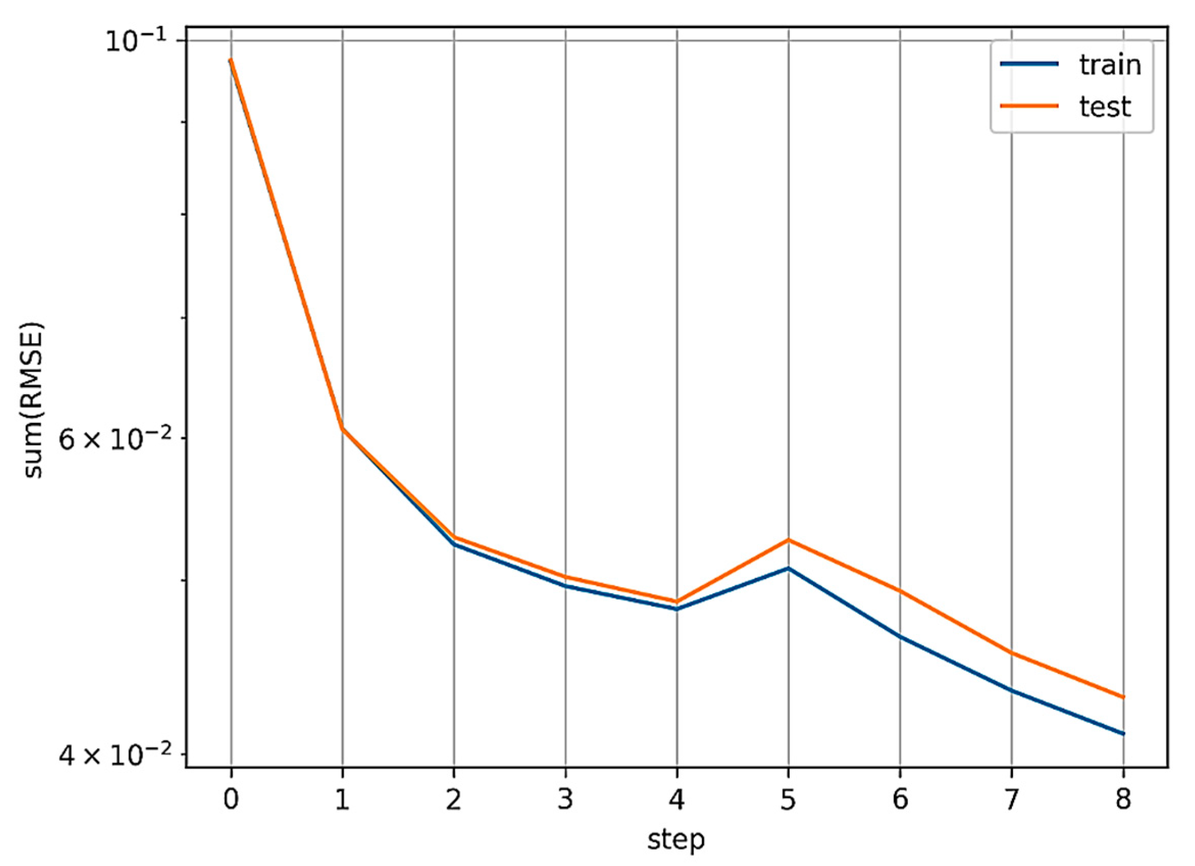
| Model | Output | R2 | MAE | RMSE | Sum (RMSE) |
|---|---|---|---|---|---|
| KAN | 0.836 | 0.09 | 0.10 | 0.33 | |
| 0.884 | 0.06 | 0.08 | |||
| 0.908 | 0.06 | 0.06 | |||
| 0.827 | 0.08 | 0.09 | |||
| 0.602 | 0.12 | 0.15 | |||
| MLP | 0.722 | 0.11 | 0.13 | 0.56 | |
| 0.573 | 0.11 | 0.15 | |||
| 0.847 | 0.07 | 0.08 | |||
| 0.793 | 0.09 | 0.10 | |||
| 0.825 | 0.08 | 0.10 |
Disclaimer/Publisher’s Note: The statements, opinions and data contained in all publications are solely those of the individual author(s) and contributor(s) and not of MDPI and/or the editor(s). MDPI and/or the editor(s) disclaim responsibility for any injury to people or property resulting from any ideas, methods, instructions or products referred to in the content. |
© 2024 by the authors. Licensee MDPI, Basel, Switzerland. This article is an open access article distributed under the terms and conditions of the Creative Commons Attribution (CC BY) license (https://creativecommons.org/licenses/by/4.0/).
Share and Cite
Kupczyk, M.; Leleń, M.; Józwik, J.; Tomiło, P. Modeling Material Machining Conditions with Gear-Shaper Cutters with TiN0.85-Ti in Adhesive Wear Dominance Using Machine Learning Methods. Materials 2024, 17, 5567. https://doi.org/10.3390/ma17225567
Kupczyk M, Leleń M, Józwik J, Tomiło P. Modeling Material Machining Conditions with Gear-Shaper Cutters with TiN0.85-Ti in Adhesive Wear Dominance Using Machine Learning Methods. Materials. 2024; 17(22):5567. https://doi.org/10.3390/ma17225567
Chicago/Turabian StyleKupczyk, Maciej, Michał Leleń, Jerzy Józwik, and Paweł Tomiło. 2024. "Modeling Material Machining Conditions with Gear-Shaper Cutters with TiN0.85-Ti in Adhesive Wear Dominance Using Machine Learning Methods" Materials 17, no. 22: 5567. https://doi.org/10.3390/ma17225567
APA StyleKupczyk, M., Leleń, M., Józwik, J., & Tomiło, P. (2024). Modeling Material Machining Conditions with Gear-Shaper Cutters with TiN0.85-Ti in Adhesive Wear Dominance Using Machine Learning Methods. Materials, 17(22), 5567. https://doi.org/10.3390/ma17225567

