Seismic Damage and Behavior Assessment of Drift-Hardening Concrete Walls Reinforced by LBUHS Bars
Abstract
1. Introduction
2. Experimental Program
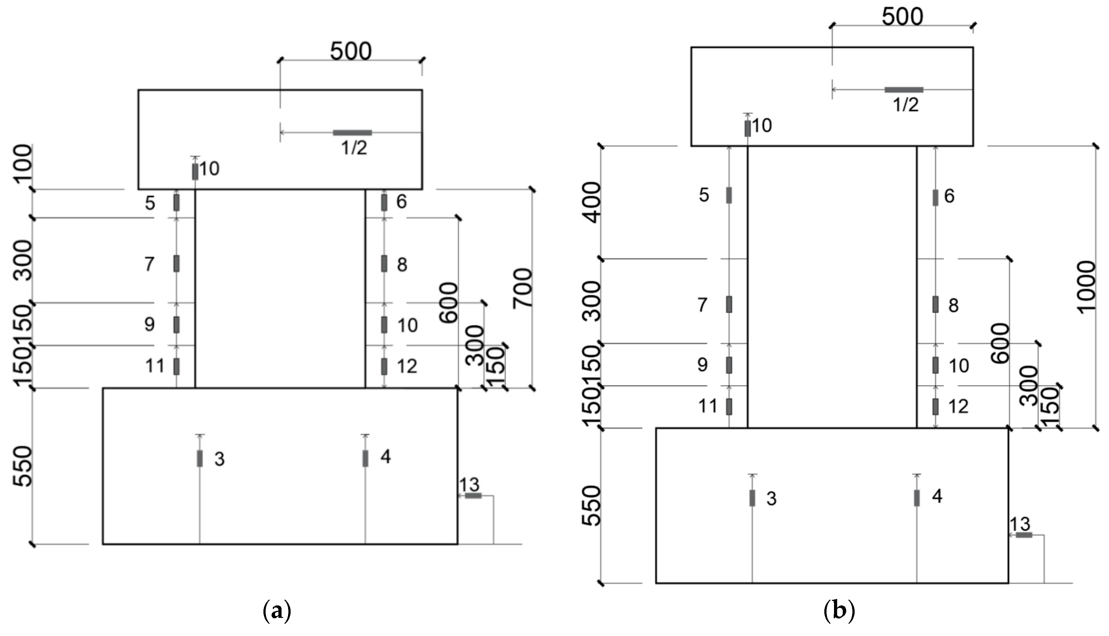
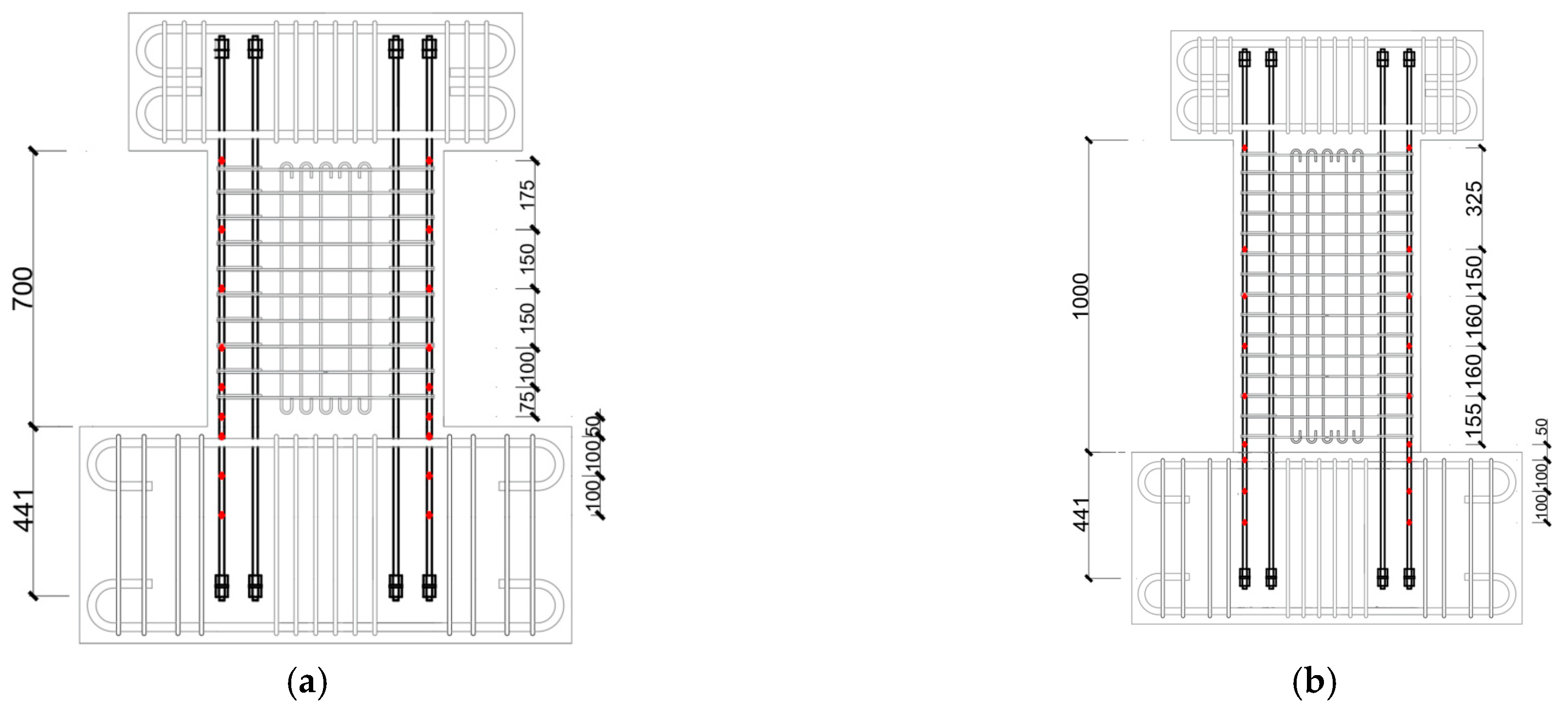
2.1. Outlines of the Specimens and Material Properties
2.2. Loading Apparatus and Instrumentations
3. Experimental Results and Discussion
3.1. Damage and Crack Propagation
3.2. Lateral Force versus Drift Ratio Relationships
3.3. Measured Maximum Strain Capacity of Compressed Concrete
3.4. Residual Deformation
3.5. Strain History of LBUHS Rebars
4. Numerical Analytical Method for Assessing Seismic Behavior of DHC Walls
4.1. Outlines of Numerical Analytical Method
4.2. Comparison between the Measured and the Calculated Results
5. Conclusions
- The use of SBPDN bars as longitudinal rebars, which were mechanically anchored by nuts and washers and had enough embedded length, could ensure the drift-hardening capability of concrete walls up to the drift ratio of at least 2.0%, which is the collapse prevention drift ratio recommended in FEMA 356 [58] for ductile concrete walls.
- The peak drift ratios of the DHC walls reinforced with SBPDN rebars increased as the axial load level decreased and the shear span ratio increased. For the specimens under an axial load ratio of 0.075, the DHC walls with a/D ratios of 1.5 and 2.0 exhibited drift-hardening behavior until 2.5% and 3.0% drift ratios, respectively. As the axial load ratio increased to 0.15, the DHC walls still maintained drift-hardening behavior up to 2.5% and 3.0% drift ratios, respectively.
- The larger the axial load ratio and the shear span ratio, the less the maximum width of the flexural crack. The maximum width of the shear crack was subjected to little, if any, influence by the axial load level but decreased as the shear span ratio increased. The residual width of a flexural crack even after unloading from R = 2.0% was less than 1.0 mm, the upper limit for the minor damage state in the AIJ design guideline, implying that the use of SBPDN rebars is effective in reducing the damage degree of concrete walls. It is further noteworthy that the residual width of a shear crack after unloading from R = 1.5% was less than 0.3 mm, below which no repairing is needed and the reoccupation of buildings is permissible.
- The smallest average maximum strain capacity reached 0.86%, much larger than the strain of 0.4% widely recommended for concrete because of strain gradient and moment gradient effects, both of which may provide the compressed concrete with extra confinement, enhancing its maximum strain capacity.
- The residual drift ratios decreased as the shear span ratio increased, and they were kept below 0.4% after being unloaded from the 2.0% and 2.5% transient drift ratios for the DHC walls with shear span ratios of 1.5 and 2.0, respectively, regardless of the axial load ratio. The influence of the axial load ratio on the residual drift ratio was little, if any, until the peaks of the DHC walls.
- The presented FSM could trace the hysteresis loops of the DHC walls up to the drift ratios of at least 2.0% with very satisfactory accuracy. On the other hand, ignoring the bond slippage effect might result in an unconservative prediction of the experimental loops from the 0.5% drift ratio on and overestimate the peak lateral resistances by 11–20%. To trace the post-peak performance and to more accurately predict the residual drift ratio, the influence of the shear failure at large deformation and the crushing of concrete need to be taken into consideration.
Author Contributions
Funding
Institutional Review Board Statement
Informed Consent Statement
Data Availability Statement
Conflicts of Interest
References
- Bertero, V.V. Seismic behavior of R/C wall structural systems. In Proceedings of Workshop on Earthquake-Resistant Reinforced Concrete Building Construction; University of California: Berkeley, CA, USA, 1977; pp. 323–330. [Google Scholar]
- Paulay, T. The design of ductile reinforced concrete structural walls for earthquake resistance. Earthq. Spectra 1986, 2, 783–823. [Google Scholar] [CrossRef]
- Wallace, J.W.; Moehle, J.P. Ductility and Detailing Requirements of Bearing Wall Buildings. J. Struct. Eng. 1992, 118, 1625–1644. [Google Scholar] [CrossRef]
- Hube, M.A.; Marihuen, A.; Llera, J.C.; Stojadinovic, B. Seismic behavior of slender reinforced concrete walls. Eng. Struct. 2014, 80, 377–388. [Google Scholar] [CrossRef]
- Aaleti, S.; Brueggen, B.L.; Johnson, B.; French, C.E.; Sritharan, S. Cyclic Response of Reinforced Concrete Walls with Different Anchorage Details: Experimental Investigation. J. Struct. Eng. 2013, 139, 1181–1191. [Google Scholar] [CrossRef]
- Alturki, M.; Burgueño, R. Displacement-Based Design Procedure for Ductile Reinforced Concrete Bridge Pier Walls. ACI Struct. J. 2017, 114, 1407–1416. [Google Scholar] [CrossRef]
- BS EN 1998-2: 2005 A2: 2011; Eurocode 8 Design of Structures for Earthquake Resistance. European Committee for Standardization: Brussels, Belgium, 2011.
- NZS 3101: 2006; Concrete Structures Standard. New Zealand Standard: Wellington, New Zealand, 2006.
- ASCE Committee 7. Minimum Design Loads and Associated Criteria for Buildings and Other Structures, ASCE 7-16; American Society of Civil Engineers: Reston, VA, USA, 2017. [Google Scholar]
- ACI Committee 318. Building Code Requirements for Structural Concrete and Commentary, ACI 318R-19; American Concrete Institute: Country Club Hills, MI, USA, 2019. [Google Scholar]
- Architectural Institute of Japan (AIJ). Standard for Structural Calculation of Reinforced Concrete Structures; Maruzen Co. Ltd.: Tokyo, Japan, 2010. [Google Scholar]
- Architectural Institute of Japan (AIJ). AIJ Seismic Performance Evaluation Guidelines for Reinforced Concrete Buildings Based on the Capacity Spectrum Method; Maruzen Co. Ltd.: Tokyo, Japan, 2010. [Google Scholar]
- Architectural Institute of Japan (AIJ). AIJ Standard for Lateral Load-Carrying Capacity Calculation of Reinforced Concrete Structures; Maruzen Co. Ltd.: Tokyo, Japan, 2021. [Google Scholar]
- Wyllie, L.A.; Filson, J.R., Jr. Armenia Earthquake Reconnaissance Report; Earthq Spectra Publication Special Supplement; Earthquake Engineering Research Institute: Oakland, CA, USA, 1989; No. 89.01. [Google Scholar]
- Fintel, M. Performance of buildings with shear walls in earthquake in the last thirty years. PCI J. 1995, 40, 62–80. [Google Scholar] [CrossRef]
- Takahashi, A.; Ando, A.; Mun, S. Estimation of the economic damages caused by the Hanshin-Awaji Great Earthquake. J. Econ. Bus. Adm. 1997, 14, 149–156. [Google Scholar] [CrossRef]
- Sezen, H.; Whittaker, A.S.; Elwood, K.J.; Mosalam, K.M. Performance of reinforced concrete buildings during the August 17, 1999, Kocaeli, Turkey earthquake, and seismic design and construction practice in Turkey. Eng. Struct. 2003, 25, 103–114. [Google Scholar] [CrossRef]
- Wallace, J.W. Performance of structural walls in recent earthquakes and tests and implications for US building codes. In Proceedings of the 15th World Conference of Earthquake Engineering, Lisbon, Portugal, 24–28 September 2012. [Google Scholar]
- Kato, H.; Tajiri, S.; Mukai, T. Preliminary Reconnaissance Report of the Chile Earthquake 2010; Buildings Research Institute: Tsukuba, Japan, 2010. (In Japanese) [Google Scholar]
- NIST (National Institute of Standards and Technology). Recommendations for Seismic Design of Reinforced Concrete Wall Buildings Based on Studies of the 2010 Maule, Chile Earthquake; NIST GCR 14-917-25; NEHRP Consultants Joint Venture: Gaithersburg, MD, USA, 2014. [Google Scholar]
- Hotel Grand Chancellor, Wikipedia. 2013. Available online: https://en.wikipedia.org/wiki/Hotel_Grand_Chancellor%2c_Christchurch (accessed on 22 March 2024).
- Fardis, M.N.; Carvalho, E.C.; Fajfar, P.; Pecker, A. Seismic Design of Concrete Buildings to Eurocode 8; CRC Press: New York, NY, USA, 2015; pp. 21–27. [Google Scholar]
- BRI (Building Research Institute). Report on Field Surveys and Subsequent Investigations of Building Damage Following the 2011 Pacific coast of Tohoku Earthquake; Building Research Data: Tsukuba, Japan, 2012; Volume 136. (In Japanese) [Google Scholar]
- Yamada, M. Preliminary Report on the Damage Caused by the 2016 Kumamoto Earthquake. Available online: http://www.eqh.dpri.kyoto-u.ac.jp/users/masumi/public_html/eq/kumamoto/ (accessed on 22 March 2024).
- Marquis, F.; Kim, J.J.; Elwood, K.J.; Chang, S.E. Understanding post-earthquake decisions on multi-storey concrete buildings in Christchurch, New Zealand. Bull. Earthq. Eng. 2017, 15, 731–758. [Google Scholar] [CrossRef]
- Sun, Z.G.; Guo, X.; Zhou, Y.W.; Wang, D.S. A method to analyze seismic damages to reinforced concrete bridge piers. J. Basic Sci. Eng. 2019, 27, 131–143. [Google Scholar]
- Priestley, M. Overview of PRESS research program. PCI J. 1991, 36, 50–57. [Google Scholar] [CrossRef]
- Priestley, M.; Sritharan, S.; Conley, J.; Pampanin, S. Preliminary results and conclusions from the PRESS five-story precast concrete test buildings. PCI J. 1999, 44, 42–67. [Google Scholar] [CrossRef]
- Kurama, Y.; Pessiki, S.; Sause, R.; Lu, L. Seismic behavior and design of unbonded post-tensioned precast concrete walls. PCI J. 1999, 44, 72–89. [Google Scholar] [CrossRef]
- Kurama, Y. Seismic design of unbonded post-tensioned precast concrete walls with supplemental viscous damping. ACI Struct. J. 2000, 97, 648–658. [Google Scholar]
- Holden, T.; Restrepo, J.; Mander, J. Seismic performance of precast reinforced and prestressed concrete walls. J. Struct. Div. 2003, 129, 286–296. [Google Scholar] [CrossRef]
- Perez, F.; Sause, R.; Pessiki, S. Analytical and experimental lateral load behavior of unbonded posttensioned precast concrete walls. J. Struct. Div. 2007, 133, 1531–1540. [Google Scholar] [CrossRef]
- Belleri, A.; Schoettler, M.; Restrepo, J.; Fleischman, R. Dynamic behavior of rocking and hybrid walls in a precast concrete building. ACI Struct. J. 2014, 111, 661–672. [Google Scholar] [CrossRef]
- Brunesia, E.; Nascimbenea, R.; Pelosob, S. Evaluation of the seismic response of precast wall connections: Experimental observations and numerical modeling. J. Earthq. Eng. 2018, 24, 1057–1082. [Google Scholar] [CrossRef]
- Guo, S.Q.; Wang, M.F. Seismic behavior of an innovative equivalent monolithic precast shear wall under low and high axial load ratios. Structures 2022, 39, 444–469. [Google Scholar] [CrossRef]
- Liu, Q.; French, C.W.; Sritharan, S. Performance of a Precast Wall with End Columns Rocking Wall System with Precast Surrounding Structure. ACI Struct. J. 2020, 117, 103–116. [Google Scholar]
- Mpampatsikos, W.; Bressaneli, M.E.; Belleri, A.; Nascimbene, R. A non-dimensional parametric approach for the design of PT tendons and mild steel dissipators in precast rocking walls. Eng. Struct. 2020, 212, 110513. [Google Scholar] [CrossRef]
- ACI 550.7-19; Requirements for Design of a Special Unbonded Post-Tensioned Precast Shear Wall Satisfying ACI 550.6 (ACI 550.7) and Commentary. An ACI Standard; American Concrete Institute (ACI): Farmington Hills, MA, USA, 2019.
- Sun, Y.P.; Takeuchi, T.; Okuda, S.; Ohada, S. Fundamental study on seismic behavior of resilient concrete columns. JCI Proc. 2013, 35, 1501–1506. (In Japanese) [Google Scholar]
- Funato, Y.; Takeuchi, T.; Sun, Y.P. Modeling and application of bond behavior of ultra-high strength bars with spiraled grooves on the surface. Proc. JCI 2012, 34, 157–162. (In Japanese) [Google Scholar]
- Takeuchi, T.; Sun, Y.P.; Tani, M.; Shing, P.S.B. Seismic performance of concrete columns reinforced with weakly bonded ultra-high strength longitudinal bars. J. Struct. Eng. 2021, 147, 04020290. [Google Scholar] [CrossRef]
- Sun, Y.P.; Cai, G.C. Seismic behavior of circular concrete columns reinforced by low bond ultra-high strength rebars. J. Struct. Eng. 2023, 149, 04023126. [Google Scholar] [CrossRef]
- Yuan, W.G.; Zhao, J.; Sun, Y.P.; Zeng, L.X. Experimental study on seismic behavior of concrete walls reinforced by PC strands. Eng. Struct. 2018, 175, 577–590. [Google Scholar] [CrossRef]
- Hassanein, A.; Mohamed, N.; Farghaly, A.S.; Benmokrane, B. Deformability and stiffness characteristics of concrete shear walls reinforced with glass fiber-reinforced polymer reinforcing bars. ACI Struct. J. 2020, 117, 183–196. [Google Scholar] [CrossRef]
- Dahmani, L.; Khennane, A.; Kaci, S. Crack identification in reinforced concrete beams using ANSYS software. Strength Mater. 2010, 42, 232–240. [Google Scholar] [CrossRef]
- Nguyen, N.H.; Whittaker, A.S. Numerical modelling of steel-plate concrete composite shear walls. Eng. Struct. 2017, 150, 1–11. [Google Scholar] [CrossRef]
- Lu, X.Z.; Xie, L.L.; Guan, H.; Huang, Y.L.; Lu, X. A shear wall element for nonlinear seismic analysis of super-tall buildings using OpenSees. Finite Elem. Anal. Des. 2015, 98, 14–25. [Google Scholar] [CrossRef]
- Damoni, C.; Belletti, B.; Esposito, R. Numerical prediction of the response of a squat shear wall subjected to monotonic loading. Eur. J. Environ. Civil Eng. 2014, 18, 754–769. [Google Scholar] [CrossRef]
- Architectural Institute of Japan (AIJ). Guidelines for Performance Evaluation of Earthquake Resistant Reinforced Concrete Buildings (Draft); Maruzen Co., Ltd.: Tokyo, Japan, 2004; pp. 69–76. [Google Scholar]
- Moehle, J.P. Seismic Design of Reinforced Concrete Buildings; McGraw Hill Education: New York, NY, USA, 2015; pp. 103–104. [Google Scholar]
- Park, R.; Paulay, T. Reinforced Concrete Structures; Wiley: New York, NY, USA, 1975. [Google Scholar]
- McCormick, J.; Aburano, H.; Ikenaga, M.; Nakashima, M. Permissible residual deformation levels for building structures considering both safety and human elements. In Proceedings of the 14th World Conference on Earthquake Engineering, Beijing, China, 12–17 October 2008. [Google Scholar]
- FEMA P-58-1. 2018; Seismic Performance Assessment of Buildings. Appendix C; FEMA: Washington, DC, USA, 2018.
- Sun, Y.P.; Fukuhara, T.; Kitajima, H. Analytical Study of Cyclic Response of Concrete Members Made of High-Strength Materials. In Proceedings of the 8th U.S. NCEE, San Francisco, CA, USA, 2006. Paper No. 1581. [Google Scholar]
- Che, J.Y. Seismic Behavior and Assessment of Precast Concrete Walls Reinforced with Weakly Bonded Ultra-High Strength Rebars. Ph.D. Thesis, Kobe University, Kobe, Japan, March 2024. [Google Scholar]
- Sun, Y.P.; Sakino, K.; Yoshioka, T. Flexural behavior of high-strength RC columns confined by rectilinear reinforcement. J. Struct. Constr. Eng. Archit. Inst. Jpn. 1996, 61, 95–106. [Google Scholar]
- Menegotto, M.; Pinto, P.E. Method of analysis for cyclically loaded reinforced concrete plane frames including changes in geometry and non-elastic behavior of elements under combined normal force and bending. IABSE Symposium of Resistance and Ultimate Deformability of Structures Acted on by Well-Defined Repeated Loads. Int. Assoc. Bridge Struct. Eng. 1973, 13, 15–22. [Google Scholar]
- FEMA. Prestandard and Commentary for the Seismic Rehabilitation of Buildings; FEMA 356; FEMA: Washington, DC, USA, 2000; pp. 1–15. [Google Scholar]




















| Specimens | fc’ (MPa) | a/D | n | LBUHS Rebars | Longitudinal Bars | Horizontal Bars | ||
|---|---|---|---|---|---|---|---|---|
| ρwv (%) | Type | ρwh (%) | Type | |||||
| W15-075 | 45.6 | 1.5 | 0.075 | 4-U12.6 | 0.35 | 10-D6 | 0.65 | Hoops D6@65 | 
| W15-150 | 43.7 | 1.5 | 0.15 | |||||
| W20-075 | 45.1 | 2.0 | 0.075 | |||||
| W20-150 | 44.5 | 2.0 | 0.15 | |||||
| Notation | Es | fsy | ey | fsu | |
|---|---|---|---|---|---|
| (kN/mm2) | (N/mm2) | (%) | (N/mm2) | ||
| D6 | SD295A | 196 | 400 | 0.23 | 530 | 
| U12.6 | LBUHS | 212 | 1399 * | 0.86 * | 1480 | 
| Disclaimer/Publisher’s Note: The statements, opinions and data contained in all publications are solely those of the individual author(s) and contributor(s) and not of MDPI and/or the editor(s). MDPI and/or the editor(s) disclaim responsibility for any injury to people or property resulting from any ideas, methods, instructions or products referred to in the content. | 
© 2024 by the authors. Licensee MDPI, Basel, Switzerland. This article is an open access article distributed under the terms and conditions of the Creative Commons Attribution (CC BY) license (https://creativecommons.org/licenses/by/4.0/).
Share and Cite
Che, J.; Son, B.; Sun, Y. Seismic Damage and Behavior Assessment of Drift-Hardening Concrete Walls Reinforced by LBUHS Bars. Materials 2024, 17, 2070. https://doi.org/10.3390/ma17092070
Che J, Son B, Sun Y. Seismic Damage and Behavior Assessment of Drift-Hardening Concrete Walls Reinforced by LBUHS Bars. Materials. 2024; 17(9):2070. https://doi.org/10.3390/ma17092070
Chicago/Turabian StyleChe, Jiayu, Bunka Son, and Yuping Sun. 2024. "Seismic Damage and Behavior Assessment of Drift-Hardening Concrete Walls Reinforced by LBUHS Bars" Materials 17, no. 9: 2070. https://doi.org/10.3390/ma17092070
APA StyleChe, J., Son, B., & Sun, Y. (2024). Seismic Damage and Behavior Assessment of Drift-Hardening Concrete Walls Reinforced by LBUHS Bars. Materials, 17(9), 2070. https://doi.org/10.3390/ma17092070
 
        


 
       