Development of an Improved Communication Control System for ATV Electric Vehicles Using MRS Developers Studio
Abstract
1. Introduction
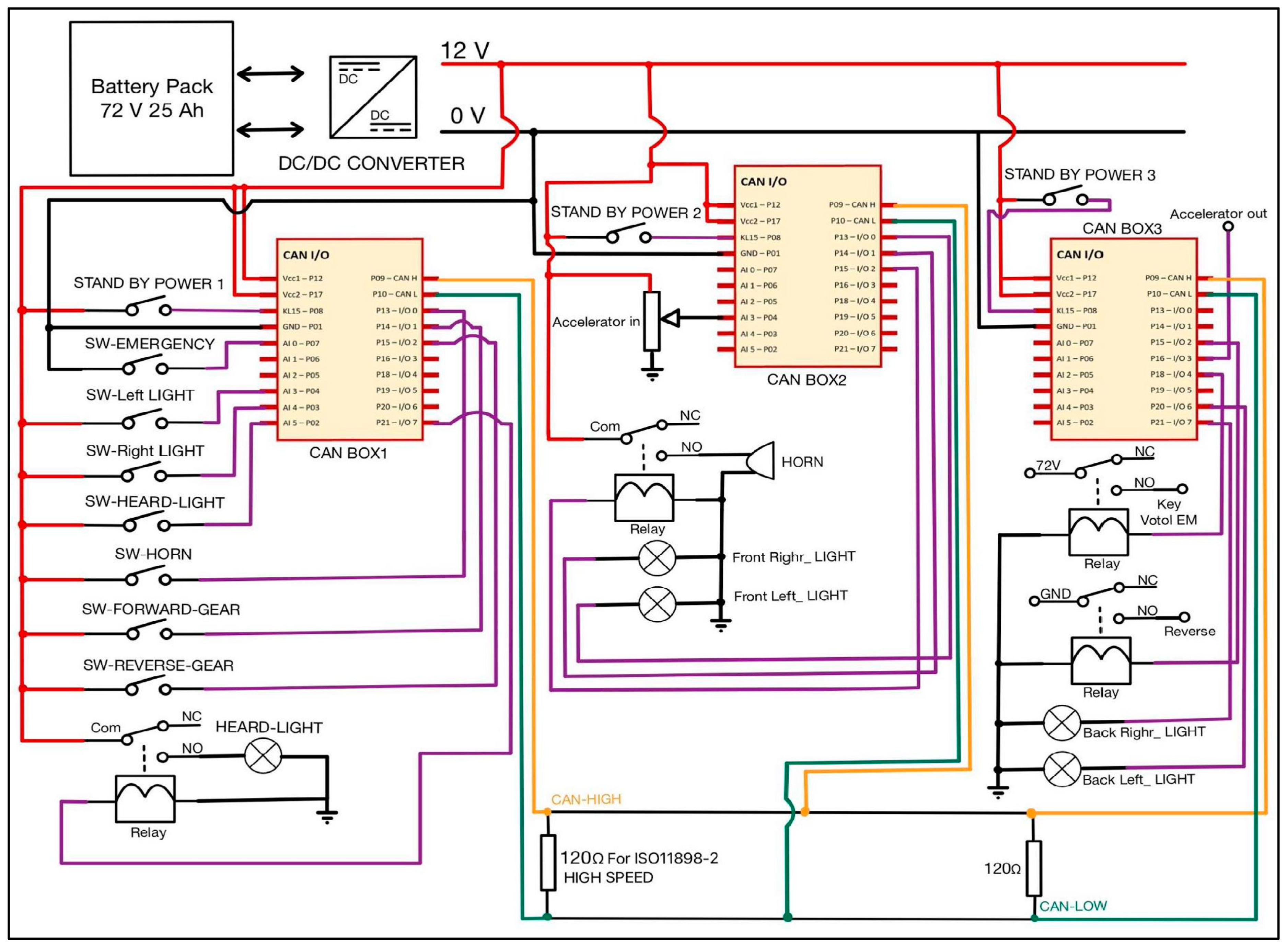
2. System Discussion about ATV Electric Vehicles
- L is the inductance per unit length of the cable.
- C is the capacitance per unit length of the cable.
- Vi is the input voltage at the cable end.
- ZL is the termination resistance.
- Z0 is the characteristic impedance of the cable.

2.1. Battery Packing
- Vtotal is the total voltage required.
- n is the number of battery cells connected in series.
- Vcell is the voltage of each individual battery cell.
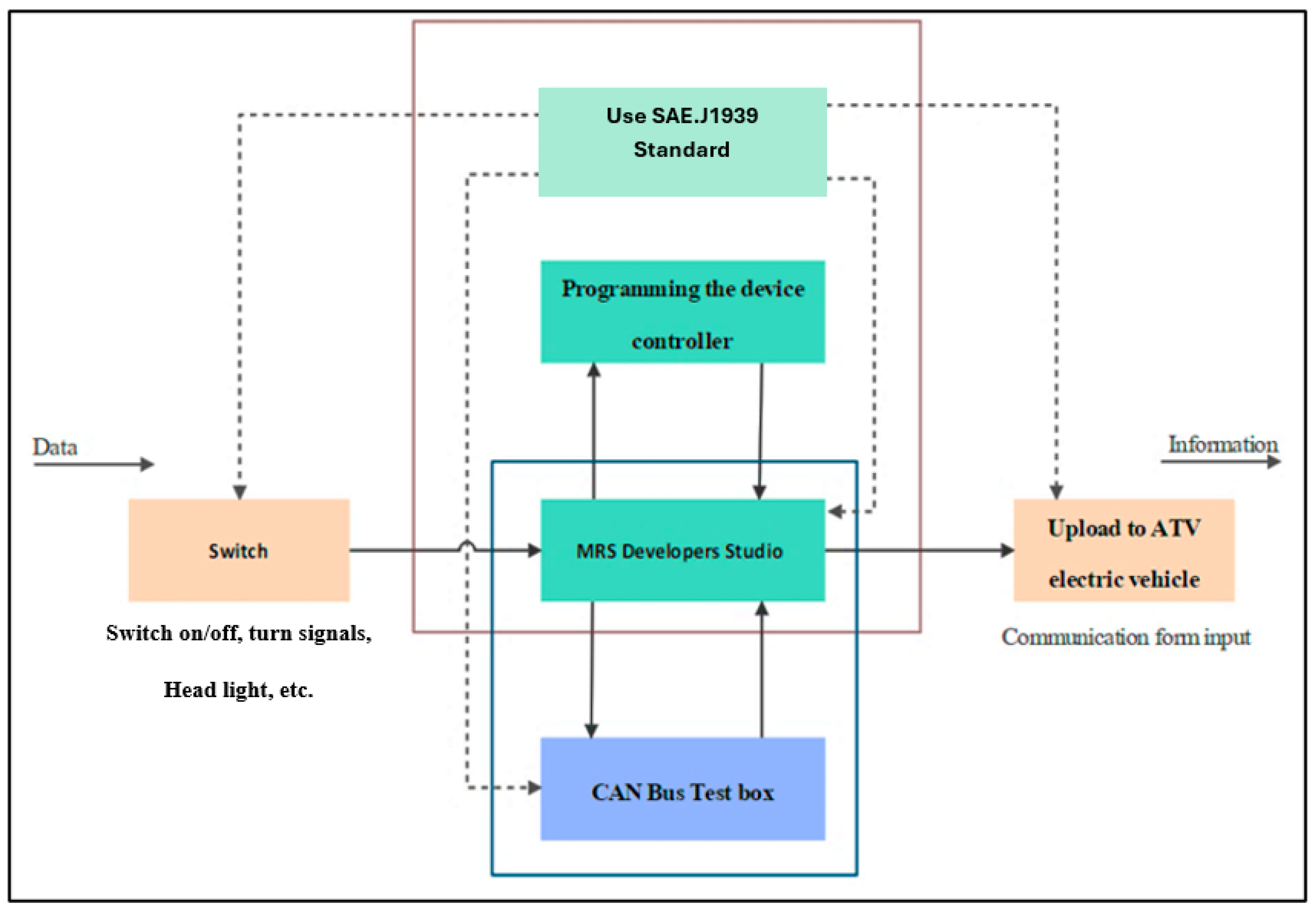
2.2. About MRS Developers Studio Software
2.3. Setting Program
3. Development of Control System Using CAN BUS Technology with MRS
Write Programming
- FOSC is the oscillator frequency.
- BRP is the oscillator frequency.
- TSEG1 is Time Segment 1.
- TSEG2 is Time Segment 2.
- TSYNC_SEG is the synchronization segment (1 Time Quantum).
- TPROP_SEG is the propagation segment.
- TPHASE_SEG1 is Phase Segment 1.
- TPHASE_SEG2 is Phase Segment 2.

4. Discussion
4.1. Assigning Controller Addresses
4.2. Choosing the Data Transmission Standard
4.3. Setting Data Transmission Speed
4.4. Configuring Data Points
4.5. Utilizing MRS Developers Studio
4.6. Upper Section—Receive/Transmit
4.7. Columns
4.8. Status Bar
5. Conclusions
Author Contributions
Funding
Data Availability Statement
Acknowledgments
Conflicts of Interest
References
- Adly, S.; Moro, A.; Hammad, S.; Maged, S.A. Prevention of Controller Area Network (CAN) Attacks on Electric Autonomous Vehicles. Appl. Sci. 2023, 13, 9374. [Google Scholar] [CrossRef]
- Yin, L.; Xu, J.; Wang, Z.; Wang, C. A Provable Secure Session Key Distribution Protocol Based on NSSK for In-Vehicle CAN Network. Mathematics 2022, 10, 2903. [Google Scholar] [CrossRef]
- Pham, N.N.; Leuchter, J.; Pham, K.L.; Dong, Q.H. Battery Management System for Unmanned Electric Vehicles with CAN BUS and Internet of Things. Vehicles 2022, 4, 639–662. [Google Scholar] [CrossRef]
- Babangida, A.; Light Odazie, C.M.; Szemes, P.T. Optimal Control Design and Online Controller-Area-Network Bus Data Analysis for a Light Commercial Hybrid Electric Vehicle. Mathematics 2023, 11, 3436. [Google Scholar] [CrossRef]
- Prasad, B.V.; Gao, R.; Jing-Jou, T.; Jhen, H.C. LIN Bus Based Touchpad System for Smart Vehicle Cabin. In Proceedings of the 2022 8th International Conference on Applied System Innovation (ICASI), Nantou, Taiwan, 22–23 April 2022; pp. 54–57. [Google Scholar] [CrossRef]
- Ling, B.; Peng, F.; Li, A. The Car Body Control Bus Design Based on CAN/LIN Bus. In Proceedings of the 2011 International Conference on Computational and Information Sciences, Chengdu, China, 21–23 October 2011; pp. 885–888. [Google Scholar] [CrossRef]
- Wang, Y.; Liu, H.; Huang, B.; Sun, X. Frame design for vehicular flex ray network based on transmission reliability. In Proceedings of the 2017 IEEE 2nd Information Technology, Networking, Electronic and Automation Control Conference (ITNEC), Chengdu, China, 10–11 December 2017; pp. 850–855. [Google Scholar] [CrossRef]
- Khanapurkar, M.; Bajaj, P.; Gharode, D. A design approach for Intelligent Vehicle Black Box System with intra-vehicular communication using LIN/Flex-ray protocols. In Proceedings of the IEEE International Conference on Industrial Technology, Chengdu, China, 21–24 April 2008; pp. 1–6. [Google Scholar] [CrossRef]
- Lee, M.Y.; Chung, S.M.; Jin, H.W. Automotive network gateway to control electronic units through MOST network. In Proceedings of the 2010 Digest of Technical Papers International Conference on Consumer Electronics (ICCE), Las Vegas, NV, USA, 9–13 January 2010; pp. 309–310. [Google Scholar] [CrossRef]
- Baek, S.H.; Jeong, D.W.; Park, Y.S.; Kim, H.S.; Kim, M.J.; Jang, J.W. Implementation Vehicle Driving State System with OBD-II, MOST network. In Proceedings of the 17th Asia Pacific Conference on Communications, Sabah, Malaysian, 2–5 October 2011; pp. 709–714. [Google Scholar] [CrossRef]
- Lu, S.; Fang, Z.; Qu, G.; Gao, S. ETBAC-Based Model in Media Oriented System Transport Network. In Proceedings of the 2015 IEEE International Conference on Computer and Information Technology; Ubiquitous Computing and Communications; Dependable, Autonomic and Secure Computing; Pervasive Intelligence and Computing, Liverpool, UK, 26–28 October 2015; pp. 504–511. [Google Scholar] [CrossRef]
- Kenjić, D.; Antić, M.; Bjelica, M. Evaluation of Ethernet Subsystem for Domain Controller in Autonomous Vehicles. In Proceedings of the 2021 Zooming Innovation in Consumer Technologies Conference (ZINC), Novi Sad, Serbia, 26–27 May 2021; pp. 59–63. [Google Scholar] [CrossRef]
- Hank, P.; Müller, S.; Vermesan, O.; Van Den Keybus, J. Automotive Ethernet: In-vehicle networking and smart mobility. In Proceedings of the 2013 Design, Automation & Test in Europe Conference & Exhibition (DATE), Grenoble, France, 18–22 March 2013; pp. 1735–1739. [Google Scholar] [CrossRef]
- Zeinali, M.; Erdogan, N.; Bayram, I.S.; Thompson, J.S. Impact of Communication System Characteristics on Electric Vehicle Grid Integration: A Large-Scale Practical Assessment of the UK’s Cellular Network for the Internet of Energy. Electricity 2023, 4, 309–319. [Google Scholar] [CrossRef]
- Kavas-Torris, O.; Gelbal, S.Y.; Cantas, M.R.; Aksun Guvenc, B.; Guvenc, L. V2X Communication between Connected and Automated Vehicles (CAVs) and Unmanned Aerial Vehicles (UAVs). Sensors 2022, 22, 8941. [Google Scholar] [CrossRef]
- Boubaker, S.; Alsubaei, F.S.; Said, Y.; Ahmed, H.E. Lightweight Cryptography for Connected Vehicles Communication Security on Edge Devices. Electronics 2023, 12, 4090. [Google Scholar] [CrossRef]
- J1939DA_202406; SAE International Supplement, J1939 Digital Annex. SAE Standard: Warrendale, PA, USA, 2024. [CrossRef]
- Alzahrani, A.; Wangikar, S.M.; Indragandhi, V.; Singh, R.R.; Subramaniyaswamy, V. Design and Implementation of SAE J1939 and Modbus Communication Protocols for Electric Vehicle. Machines 2023, 11, 201. [Google Scholar] [CrossRef]
- Zeltwanger, H. CAN Standard Review: Changes and Enhancements of the ISO 11898; SAE Technical Paper 2000-01-0143; SAE Standard: Warrendale, PA, USA, 2000. [Google Scholar] [CrossRef]
- J2889/1_201511; SAE International Recommended Practice, Measurement of Minimum Noise Emitted by Road Vehicles. SAE Standard: Warrendale, PA, USA, 2011. [CrossRef]
- Pan, J.; Xie, L.; Jin, X. Realization of CAN FD Shielding in High Speed CAN Transceiver for Partial Networking. In Proceedings of the 2021 9th International Symposium on Next Generation Electronics (ISNE), Changsha, China, 9–11 July 2021; pp. 1–4. [Google Scholar] [CrossRef]
- Rattanachan, S.; Nuchkum, S.; Leeton, U. Development of Electric Door Control System using MRS Developers Studio for Low-floor Bus. In Proceedings of the 9th International Electrical Engineering Congress (iEECON), Pattaya, Thailand, 10–12 March 2021; pp. 285–288. [Google Scholar] [CrossRef]
- Osman, R.A. Optimizing Autonomous Vehicle Communication through an Adaptive Vehicle-to-Everything (AV2X) Model: A Distributed Deep Learning Approach. Electronics 2023, 12, 4023. [Google Scholar] [CrossRef]
- Ngo, H.; Fang, H.; Wang, H. Cooperative Perception With V2V Communication for Autonomous Vehicles. IEEE Trans. Veh. Technol. 2023, 72, 11122–11131. [Google Scholar] [CrossRef]
- Ahangar, M.N.; Ahmed, Q.Z.; Khan, F.A.; Hafeez, M. A Survey of Autonomous Vehicles: Enabling Communication Technologies and Challenges. Sensors 2021, 21, 706. [Google Scholar] [CrossRef] [PubMed]
- Zhang, L. Cooperative adaptive cruise control in mixed traffic with selective use of vehicle-to-vehicle communication. IET Intell. Transp. Syst. 2018, 12, 1243–1254. [Google Scholar] [CrossRef]
- Abuhdima, E.; Liu, J.; Zhao, C.; Elqaouaq, A.; Comert, G.; Huang, C.T.; Pisu, P.; Nazeri, A.H. Impact of Dust and Sand on 5G Communications for Connected Vehicles Applications. IEEE J. Radio Freq. Identif. 2022, 6, 229–239. [Google Scholar] [CrossRef]
- Mensi, N.; Rawat, D.B. On the Performance of Partial RIS Selection vs. Partial Relay Selection for Vehicular Communications. IEEE Trans. Veh. Technol. 2022, 71, 9475–9489. [Google Scholar] [CrossRef]
- Vinel, A.; Lyamin, N.; Isachenkov, P. Modeling of V2V Communications for C-ITS Safety Applications: A CPS Perspective. IEEE Commun. Lett. 2018, 22, 1600–1603. [Google Scholar] [CrossRef]
- Deng, Y.; Lu, K.; Liu, T.; Wang, X.; Shen, H.; Gong, J. Numerical Simulation of Aerodynamic Characteristics of Electric Vehicles with Battery Packs Mounted on Chassis. World Electr. Veh. J. 2023, 14, 216. [Google Scholar] [CrossRef]
- Pražanová, A.; Knap, V.; Stroe, D.-I. Literature Review, Recycling of Lithium-Ion Batteries from Electric Vehicles, Part II: Environmental and Economic Perspective. Energies 2022, 15, 7356. [Google Scholar] [CrossRef]
- Veza, I.; Abas, M.A.; Djamari, D.W.; Tamaldin, N.; Endrasari, F.; Budiman, B.A.; Idris, M.; Opia, A.C.; Juangsa, F.B.; Aziz, M. Electric Vehicles in Malaysia and Indonesia: Opportunities and Challenges. Energies 2022, 15, 2564. [Google Scholar] [CrossRef]
- Wu, X.; Subramanian, S.; Guha, R.; White, R.G.; Li, J.; Lu, K.W.; Bucceri, A.; Zhang, T. Vehicular Communications Using DSRC: Challenges, Enhancements, and Evolution. IEEE J. Sel. Areas Commun. 2013, 31, 399–408. [Google Scholar] [CrossRef]
- Yang, L.; Li, H. Vehicle-to-vehicle communication based on a peer-to-peer network with graph theory and consensus algorithm. IET Intell. Transp. Syst. 2019, 13, 280–285. [Google Scholar] [CrossRef]
- Yang, Y.; Fei, D.; Dang, S. Inter-vehicle cooperation channel estimation for IEEE 802.11p V2I communications. J. Commun. Netw. 2017, 19, 227–238. [Google Scholar] [CrossRef]
- Cheng, X.; Huang, Z.; Chen, S. Vehicular communication channel measurement, modelling, and application for beyond 5G and 6G. IET Commun. 2020, 14, 3303–3311. [Google Scholar] [CrossRef]
- Osman, R.A.; Zaki, A.I.; Abdelsalam, A.K. Novel Road Traffic Management Strategy for Rapid Clarification of the Emergency Vehicle Route Based on V2V Communications. Sensors 2021, 21, 5120. [Google Scholar] [CrossRef] [PubMed]
- Rathore, R.S.; Hewage, C.; Kaiwartya, O.; Lloret, J. In-Vehicle Communication Cyber Security: Challenges and Solutions. Sensors 2022, 22, 6679. [Google Scholar] [CrossRef] [PubMed]
- Balkus, S.V.; Wang, H.; Cornet, B.D.; Mahabal, C.; Ngo, H.; Fang, H. A Survey of Collaborative Machine Learning Using 5G Vehicular Communications. IEEE Commun. Surv. Tutor. 2022, 24, 1280–1303. [Google Scholar] [CrossRef]
- J1939/16_201811; SAE International Recommended Practice, Automatic Baud Rate Detection Process. SAE Standard: Warrendale, PA, USA, 2018. [CrossRef]
- Osman, R.A.; Peng, X.H.; Omar, M.A. Adaptive cooperative communications for enhancing QoS in vehicular networks. Phys. Commun. 2019, 34, 285–294. [Google Scholar] [CrossRef]
- Osman, R.A.; Saleh, S.N.; Saleh, Y.N.M.; Elagamy, M.N. Enhancing the Reliability of Communication between Vehicle and Everything (V2X) Based on Deep Learning for Providing Efficient Road Traffic Information. Appl. Sci. 2021, 11, 11382. [Google Scholar] [CrossRef]
- Trien, L.T.; Adachi, K.; Yamao, Y. Packet relay-assisted V2V communication with sectorised relay station employing payload combining scheme. IET Commun. 2018, 12, 458–465. [Google Scholar] [CrossRef]
- Feteiha, M.F.; Ahmed, M.H. Multihop Best-Relay Selection for Vehicular Communication over Highways Traffic. IEEE Trans. Veh. Technol. 2018, 67, 9845–9855. [Google Scholar] [CrossRef]
- Wang, S.; Wang, D.; Li, C.; Xu, W. Full Duplex AF and DF Relaying Under Channel Estimation Errors for V2V Communications. IEEE Access 2018, 6, 65321–65332. [Google Scholar] [CrossRef]
- Wei, L.; Hu, R.Q.; Qian, Y.; Wu, G. Energy Efficiency and Spectrum Efficiency of Multihop Device-to-Device Communications Underlaying Cellular Networks. IEEE Trans. Veh. Technol. 2016, 65, 367–380. [Google Scholar] [CrossRef]










| PIN | NAME | PIN | NAME | PIN | NAME |
|---|---|---|---|---|---|
| 01 | GND. | 08 | KL15 | 16 | I/O3 |
| 02 | ANA 5 | 09 | CAN-High | 17 | Vcc (0–30V) |
| 03 | ANA 4 | 10 | CAN-Low | 18 | I/O4 |
| 04 | ANA 3 | 12 | Vcc (0–30 V) | 19 | I/O5 |
| 05 | ANA 2 | 13 | I/O0 | 20 | I/O6 |
| 06 | ANA 1 | 14 | I/O1 | 21 | I/O7 |
| 07 | ANA 0 | 15 | I/O2 | 22 | 5 V, Output |
| Name | CAN ID [hex] | Type of CAN | Send Period max [ms] | Send Period min [ms] | DLC | Status | CAN ID Mark [hex] |
|---|---|---|---|---|---|---|---|
| CAN_A_lighting | 0 × 101 | 1 | 100 | 100 | 8 | 1 | 0 |
| CAN_A_Drive | 0 × 102 | 1 | 100 | 100 | 8 | 1 | 0 |
| CAN_B_Accelerator | 0 × 103 | 1 | 0 | 0 | 8 | 0 | 0 |
| Monitor_C | 0 × 104 | 1 | 0 | 0 | 8 | 0 | 0 |
| monitor | 0 × 105 | 1 | 100 | 100 | 8 | 1 | 0 |
| CAN Data Points/Define CAN_DB | |||||||
| Variable name | CAN block name | Bit start | Bit length | Data format | |||
| Horn_out | CAN_A_lighting | 0 | 1 | 0 | |||
| Left_out | CAN_A_lighting | 1 | 1 | 0 | |||
| Right_out | CAN_A_lighting | 2 | 1 | 0 | |||
| Gear_out | CAN_A_Drive | 0 | 2 | 0 | |||
| forward_out | CAN_A_Drive | 2 | 1 | 0 | |||
| reward_out | CAN_A_Drive | 3 | 1 | 0 | |||
| ST_out | CAN_A_Drive | 4 | 1 | 0 | |||
| acc | CAN_B_Accelerator | 0 | 10 | 0 | |||
| acc_in | monitor | 0 | 10 | 0 | |||
| Name | CAN ID [hex] | Type of CAN | Send Period max [ms] | Send Period min [ms] | DLC | Status | CAN ID Mark [hex] |
|---|---|---|---|---|---|---|---|
| CAN_A_lighting | 0x101 | 1 | 0 | 0 | 8 | 0 | 0 |
| CAN_B_Accelerator | 0x103 | 1 | 100 | 100 | 8 | 1 | 0 |
| CAN data points/Define CAN_DB | |||||||
| Variable name | CAN block name | Bit start | Bit length | Data format | |||
| Horn_in | CAN_A_lighting | 0 | 1 | 0 | |||
| Left_in | CAN_A_lighting | 1 | 1 | 0 | |||
| Right_in | CAN_A_lighting | 2 | 1 | 0 | |||
| acc_out | CAN_B_Accelerator | 0 | 10 | 0 | |||
| b_test | CAN_B_Accelerator | 10 | 1 | 0 | |||
| Name | CAN ID [hex] | Type of CAN | Send Period max [ms] | Send Period min [ms] | DLC | Status | CAN ID Mark [hex] |
|---|---|---|---|---|---|---|---|
| CAN_A_lighting | 0x101 | 1 | 0 | 0 | 8 | 0 | 0 |
| CAN_A_Drive | 0x102 | 1 | 0 | 0 | 8 | 0 | 0 |
| CAN_B_Accelerator | 0x103 | 1 | 0 | 0 | 8 | 0 | 0 |
| Monitor_C | 0x104 | 1 | 100 | 100 | 8 | 1 | 0 |
| CAN data points/Define CAN_DB | |||||||
| Variable Name | CAN Block Name | Bit Start | Bit Length | Data Format | |||
| Left_in | CAN_A_lighting | 1 | 1 | 0 | |||
| Right_in | CAN_A_lighting | 2 | 1 | 0 | |||
| acc_in | CAN_B_Accelerator | 0 | 10 | 0 | |||
| forward_in | CAN_A_Drive | 2 | 1 | 0 | |||
| reward_in | CAN_A_Drive | 3 | 1 | 0 | |||
| ST_in | CAN_A_Drive | 4 | 1 | 0 | |||
| FW | Monitor_C | 0 | 1 | 0 | |||
| ST | Monitor_C | 1 | 1 | 0 | |||
| RW | Monitor_C | 2 | 1 | 0 | |||
| Acc_in | Monitor_C | 3 | 10 | 0 | |||
| Acc_out | Monitor_C | 13 | 10 | 0 | |||
-Simulation diagram of ATV: Switches ![]() | -Simulation diagram of ATV: Headlights ![]() |
-Simulation diagram of ATV: Turn signal ![]() | -Simulation diagram of ATV: Emergency light ![]() |
-Simulation diagram of car: Horn ![]() | -Simulation diagram of car: Forward/reverse gear ![]() |
-Simulation diagram of car: Electric accelerator ![]() | -Controller box/battery pack/wiring ![]() |
Disclaimer/Publisher’s Note: The statements, opinions and data contained in all publications are solely those of the individual author(s) and contributor(s) and not of MDPI and/or the editor(s). MDPI and/or the editor(s) disclaim responsibility for any injury to people or property resulting from any ideas, methods, instructions or products referred to in the content. |
© 2024 by the authors. Licensee MDPI, Basel, Switzerland. This article is an open access article distributed under the terms and conditions of the Creative Commons Attribution (CC BY) license (https://creativecommons.org/licenses/by/4.0/).
Share and Cite
Donjaroennon, N.; Nambunlue, W.; Nuchkum, S.; Leeton, U. Development of an Improved Communication Control System for ATV Electric Vehicles Using MRS Developers Studio. World Electr. Veh. J. 2024, 15, 303. https://doi.org/10.3390/wevj15070303
Donjaroennon N, Nambunlue W, Nuchkum S, Leeton U. Development of an Improved Communication Control System for ATV Electric Vehicles Using MRS Developers Studio. World Electric Vehicle Journal. 2024; 15(7):303. https://doi.org/10.3390/wevj15070303
Chicago/Turabian StyleDonjaroennon, Natthapon, Wattana Nambunlue, Suphatchakan Nuchkum, and Uthen Leeton. 2024. "Development of an Improved Communication Control System for ATV Electric Vehicles Using MRS Developers Studio" World Electric Vehicle Journal 15, no. 7: 303. https://doi.org/10.3390/wevj15070303
APA StyleDonjaroennon, N., Nambunlue, W., Nuchkum, S., & Leeton, U. (2024). Development of an Improved Communication Control System for ATV Electric Vehicles Using MRS Developers Studio. World Electric Vehicle Journal, 15(7), 303. https://doi.org/10.3390/wevj15070303









