Abstract
An increase in the usage of information and communication technologies (ICT) and the Internet of Things (IoT) in Facility Management (FM) induces a huge data stack. Even though these data bring opportunities such as cost savings, time savings, increase in user comfort, space optimization, energy savings, inventory management, etc., these data sources cannot be managed and manipulated effectively to increase efficiency at the FM stage. In addition to data management issues, FM practices, or developed solutions, need to be supported with the implementation of lean management philosophy to reveal organizational and managerial wastes. In the literature, some researchers performed studies about awareness about building information modeling (BIM)-FM, and FM-related data management problems in terms of lean philosophy. However, the comprehensive solution for effective FM has not been investigated with the application of lean management philosophy yet. Therefore, this study aims to develop an FM framework for healthcare facilities by considering lean management philosophy since more stable workflow, continuous improvement, and creating more value to customers will help to deliver a more acceptable solution for the FM industry. Within this context, the integration of BIM, Building Energy Performance Simulations, and Big Data Analytics are proposed as a solution. In the study, the Design Science Research (DSR) methodology was followed to develop the FM framework. Depending on the DSR methodology, two scenarios were used to investigate the issue in a real healthcare facility and develop the FM framework. The developed framework was evaluated by four experts, and the revisions of the proposed framework were realized.
1. Introduction
Facility Management (FM) has a considerable share in nations’ economies. It is such that the annual turnover of FM companies and FM support services has reached GBP 115 bn in the United Kingdom [1]. The comparison of OPEX (operational expenditures) with CAPEX (capital expenditures) showed that OPEX, which corresponds to the facility management (FM) stage, is the most costly stage [2,3]. The main reason for this is that there is no right strategy and decision-making approach in facility management.
Nowadays, data availability depending on digital transformation in the Architecture, Engineering, and Construction (AEC) industry, has increased rapidly. The usage of available data is essential to eliminate inefficiency in FM. However, data-related issues in FM induces the implementation of inefficient decisions and processes due to “inconsistent naming, formatting, and storage of data, insufficient or overwhelming volumes of data, unreliable data needing validation due to errors or obsolescence, incomplete or obscured information, unavailable information, irrelevant information” [4]. Furthermore, these types of information issues cause inefficiencies, such as labor hours to find accurate information from a data stack or data retrieval multiple times from facilities [4].
Chen et al. (2018) reported that facility maintenance is the main portion of expenditure of facility management with 65%. Furthermore, maintenance activities affect other FM areas [5]. For instance, abnormal faults in Heating, Cooling, Ventilating and Air Conditioning (HVAC) can result in decreased energy efficiency and unnecessary energy waste [6]. In maintenance management, delays, rework, disruption of services, and over-resource allocation are other issues due to the unpredicted nature of maintenance issues [7,8]. Furthermore, shutdowns or outages in facilities cause to stop in production or giving a service process [9]. Depending on available data, fault detection and diagnosis can be performed to identify faults in the system operation to eliminate more energy consumption or more severe problems in the facility [10].
Energy consumption of buildings constitutes a substantial part of national energy consumption [4]. Additionally, HVAC, which is used in facilities, has over 30% energy consumption in the total energy consumption of the World. With effective energy management, such as thermostat operation mode, etc., energy savings can be enabled in the facilities [10]. Furthermore, energy consumption in the buildings has a direct effect on CO2 emission. Therefore, energy consumption needs to be controlled and observed within the facilities. Moreover, legal obligations for net-zero carbon emissions in public facilities and dwellings such as the UK force the development of energy management strategies [11].
As a result of the above inefficiencies, the existing literature emphasizes that process and operational activities in FM need to be improved and replaced with more efficient and effective lean FM activities [12]. Within this context, Lean Management Philosophy (LMP) in FM can provide an opportunity to improve the low productivity [13]. LMP can be applied to organize and manage processes and activities with more efficient activities and processes by reducing wastes and increasing value to the customers [12]. Furthermore, LMP helps to improve collaboration, cost performance, schedule performance, construction safety, environmental impacts, enhance the sustainable development idea, the flow of information and handling material, improving productivity, quality and customer satisfaction [13,14,15].
However, the LMP implementations in the FM stage are not the intended level since four issues induce inefficiency and wastes in FM according to the observations from industry applications that were performed during this study. Firstly, the most important issue of FM practitioners is to achieve necessary data resources such as energy data, maintenance data, as-built data, etc. The practitioners believed that the issue depends on the lack of the requirements of facility management practices into the design stage. Secondly, the evaluation or interpretation of the existing data sources to achieve lean practices in FM is not clearly understood and implemented. Thirdly, the reporting and tracking of performed activities are one of the sources of inefficiencies in FM. Fourthly, the lack of visualization technologies in FM induces inefficiencies since visual perception plays an important role in conceiving building components and the environment in FM. Therefore, the FM needs to be supported with the help of new technologies.
Within this context, in the literature, building information modeling (BIM)-FM studies showed that BIM could be used in real-time data and its visualization, maintainability, data collection, energy consumption monitoring, space management, retrofitting, problem-solving, productivity, efficiency and less time to respond to problems, reduced data re-entry, data management, proactive maintenance, emergency management, asset data, up to date model, interoperability of data within the different platforms, maintenance costs, locating building components, considering and updating digital assets, warranty and service information and provided a more controllable environment in FM [2,16,17,18,19,20,21]. Besides this, the FM systems only provide data and information. However, the conversion of this information into knowledge and using this knowledge in the FM process are possible with new concepts. To overcome productivity and to improve the decision-making process, the use of Big Data Analytics (BDA) needs to be applied in FM because the volume and variety of asset management data necessitate data analytics [12,22,23]. Therefore, BIM-BDA integrated solutions for FM are critical to solving issues.
Although there are the existing framework and developed solutions, including BIM, BIM-BEPS (building energy performance simulations), and BIM-BDA, these frameworks and solutions focus on specific FM issues such as energy management, maintenance, emergency management and data query. However, they fell short in considering all perspectives of FM and their organizational development and implementation aspects. Furthermore, the focus on only one area in FM induces another inefficiency or waste in terms of usage of different FM software in a facility. Thus, significant data relationships cannot be discovered to improve FM. Therefore, it is believed that the consideration of LMP and all FM perspectives in the developed FM solutions or platforms help to eliminate not only data-driven wastes but also organizational and managerial issues. Furthermore, existing studies about BIM-LC-FM focused on either the increase in awareness about BIM and FM in terms of lean philosophy or confronted issues when performing BIM usage in FM in terms of data management. Therefore, to address the above FM issues, inefficiencies, wastes, etc., this study aims to develop an FM framework with an Information Delivery Manual (IDM) in which reduced wastes and variability are provided for healthcare facilities by considering LMP. In the study, three questions are explored, namely:
- Can the Lean approach help for the integrated use of BIM, BEPS and Big Data Analytics for effective Healthcare Facilities Management?
- What are the synergies between Healthcare FM and the Lean thinking concept?
- Can the integrated use of BIM, BEPS and Big Data Analytics enable the Lean concept in healthcare FM?
This study contributes to theoretical critics in FM literature, developing an integrated FM framework for healthcare facilities by considering LMP. Additionally, except for available FM solutions, this study illustrates which technologies and disciplines need to be considered. With expert views, the study contributes to the practice with the proposed FM framework that includes which processes need to be found in the FM. The research also shows how clients/end-users need to assess the FM platform to implement lean practices in FM.
2. Literature Review
New high-tech systems are finding more application areas in facilities. In the future, the facilities will require learning systems and automated systems [24]. To achieve this, FM systems need to be more expandable and offer data analytics opportunities. In the literature, Building Energy Management Systems (BEMS), Building Automation Systems (BAS), and Computerized Maintenance Management Systems (CMMS), etc. have been used as an FM system. However, there are some issues in the usage of these systems. Some of them are highly dependent on sensors [25], challenges in the new scenario implementations and extensions of sensors [25], collecting and recording limited information in their systems [26], predefined operation strategies such as set-points (decrease in energy efficiency—between 10–15%) [27,28], a huge data stack [29], low monitoring capacity due to dependence on controlling and automation process [10], missing or erroneous data due to sensor issues [30] and a lack of data analytics or limited data analytics in CMMS, BAS, BEMS, security systems and Computer-Aided Facility Management (CAFM) [31]. Additionally, some organizational and management expectations from these technologies such as FM staff, the integration of existing data in FM processes, etc. are missing in FM software. These issues not only induce inefficiencies and wastes in the management of facilities but also disrepute for FM software. Therefore, it is believed that considering LMP in FM will increase efficiency.
As a consequence, the above restrictions for FM systems, the necessity of usage data which comes from design and construction stage, heterogeneous data, IoT related issues, and storage issues in BIM lead to the consideration of the integration of BIM, Building Energy Performance Simulations and BDA within the study [32,33]. Figure 1 shows the scope of the FM data management framework required in FM.
Figure 1.
Facility Management (FM) data management vision (adopted from [34]).
Therefore, the related literature review about BIM-BDA is summarized in this section.
2.1. Building Information Modeling
BIM can be used to enable a single management resource for FM. Furthermore, it is believed that BIM is a promising tool due to its capacity to reduce facility managers’ tasks and data extraction for facility management. However, this only helps to query data in BIM, since BIM only helps to monitor or store data. Thus, the usage of BIM induces us not to consider continuous improvement in the FM. Therefore, a data-driven decision with the usage of available data in BIM can be only possible with the data analytics. Therefore, BIM integrated FM is in its infancy. However, BIM-FM can be performed in modeling and managing energy, access to and integration of maintenance information and knowledge achieving as-built information, achieving details of warranty and service, assessment and monitoring, space managing, emergency management, retrofit planning, the provision of feedback to eliminate design-related performance issues, achieving digital asset with real-time data access and safety management. Therefore, problem-solving, productivity, efficiency, less time to respond to problems, reduced data re-entry, data management, decrease maintenance costs, proactive maintenance, locating building components, LCA analysis, indoor navigation, marketing, data management, personnel training, controlling lifecycle cost data, controlling lifecycle environmental data, real-time integrated building, maintenance and management data, maintainability, space management, efficient planning and feasibility studies for non-capital construction, personnel training, expediting search and rescue and visualization can be performed with BIM [16,18,19,21,35,36,37,38,39,40].
However, the data that is found in the BIM model needs to be analyzed and used in FM processes. Otherwise, the usage of BIM in FM can be one of the wastes and the reason for the productivity losses. Therefore, before BIM and FM are integrated, the initial step must be the integration of customers or end-users in the design stage to increase value. Thus, their requirements for FM can be considered [41]. However, nowadays, the usage of the BIM model is ended at the operation, and the maintenance stage or information, which is available in the BIM model, is transferred into FM systems, and the implementation of BIM during the operation and maintenance phase is ended [42]. Furthermore, Araszkiewicz [43] stated that BIM implementation with FM systems helps to reduce manual effort to input necessary data into FM systems. Nonetheless, the data transfer between BIM and other platforms (FM systems or other BIM solutions) is not a smooth process due to the interoperability problems [44].
In the literature, the applicability of BIM in FM processes is investigated under survey and interview studies or FM software solutions. However, this study shared developed solutions for FM since survey and interview studies are out of scope. The studies were summarized in Table 1.
Table 1.
Literature review for building information modeling (BIM)-FM studies.
As a consequence, BIM has been investigated in terms of applicability in FM and as an FM software or part of an FM system in the literature. However, the studies showed that there is no comprehensive solution for data query and analysis of available data which is found in BIM to reveal wastes and to enable continuous improvement within building energy consumption, user behavior in buildings, emergency and safety management in buildings, operation and maintenance in buildings, system-equipment usage in buildings and lifecycle cost management. However, the resulting BIM files can be large and require significant computational resources. Therefore, BIM should be supported with NoSQL databases and BDA to eliminate inefficiencies in FM [48].
2.2. Building Energy Performance Simulations
Shaikh et al. [62] stated that “rapid energy depletion, rising building service demands, improved comfort lifestyles” result in more energy consumption. Furthermore, buildings are responsible for 30% of the total CO2 emission in the world. Energy consumption of the building is a combination of “climate, building envelope, building energy and services systems, indoor design criteria, building operation, and maintenance, and occupant behavior” [63].
Building Energy Performance Simulations (BEPS) can be used in fault detection, optimization of building system operation, and prediction of building energy consumption. BEPS has the opportunity to observe energy losses and gains of the buildings. Energy gains can be lighting, solar radiation and heating radiation of equipment. Losses can be summarized as transmitting of heated or cooled air temperature between the indoor and outdoor environment [64]. It also enables to create and test different scenarios [65]. In other words, BEPS can be used to identify energy efficiency strategies [66]. In Table 2, some literature review about BEPS was summarized.
Table 2.
Literature review for Building Energy Performance Simulations (BEPS)-FM studies.
In the literature, the authors have performed lots of studies on the difference between actual energy consumption and predicted energy consumption. These differences can be attributed to various assumptions, misses and errors. Furthermore, De Boeck [71] stated that BEPS tools do not reflect real consumption values. Wilde (2014) explained the difference between actual and predicted as a function of time and outdoor environment. Furthermore, the author attributed performance gap problems to interoperability problems between design, construction and operation and maintenance stages. Burman et al. [72] indicated that actual and predicted energy consumption is different due to inaccuracies and uncertainties associated with model inputs, inadequacies of modeling methods and tools and building management and operational inefficiencies. Stundon et al. [73] performed a study that investigates the difference between actual and predicted energy consumption. The authors used 12 months of data to make a comparison. Furthermore, the authors said that “the BIM energy assessment tools are considered accurate, only if they meet the percentage difference criteria of within ±15%”.
As a consequence, BEPS results can be used in building energy management and FM scenario testing. Furthermore, the existing studies showed that it also helps to identify maintenance requirements in the FM. This will be helpful to reveal wastes in energy management and increase client/end-users’ satisfaction. Additionally, the usage of BEPS can provide a standardization process for FM energy management.
However, the study heavily emphasized that there is a measurement gap between actual and simulated results. To eliminate this issue, computational fluid dynamics (CFD) can be applied with BEPS. CFD is used to simulate flood flow among or around complex objects in the construction industry. The collocation of BEPS and CFD helps to obtain energy-efficient design and higher thermal comfort. In other words, the users cannot perform advanced analysis in BEPS due to convective heat transfer coefficients (CHTC) in BEPS [74]. For instance, Motazeri and Blocken [75] stated that CHTC was affected by building geometry, wind speed, wind direction, etc. because BEPS is using default values for CHTC in the analysis. Therefore, results deviate from accurate results. Such that results differ by 30% in cooling energy consumption at the low-rise buildings. At the high-rise buildings, this ratio increases by up to 42%.
2.3. Big Data Analytics (BDA)
Web-based application and sensor applications are becoming more ordinary in BIM applications. However, this requires more data storage and analysis. In this concept, BDA present an opportunity to handle data that come together with sensor and web-based applications [76]. BDA also provides an opportunity for interactive operations. This interactivity helps to collect information about customer/client/end-user/inhabitant demands [77]. In other words, wastes, variations and non-value-added activities could be more apparent with the usage of BDA. Empirical studies, which are about facilities’ use patterns, maintenance cost patterns and preventive maintenance planning, environmental degradation analysis, user behavior monitoring, finance, accounting and energy efficiency, proved that data mining approaches help to discover knowledge patterns [22,77,78]. Therefore, the authors stated that BDA would be a solution to maintenance costs, better service quality, accurate forecasting, risk mitigation, optimization and performance evaluation in the AEC industry. Furthermore, the performed workshop in the study proved that the potential integration area of BDA is the facility and operation management area in the AEC industry. The participants thought that the decision-making process could be improved with BDA integration in the FM phase. Furthermore, the most probable areas for the implementation of the BDAin FM are energy and maintenance management areas [22].
In the literature, the applicability of BDA in FM processes is investigated under energy studies, BIM-BDA integrated studies and maintenance studies. They were summarized in Table 3.
Table 3.
Literature review for BDA-FM studies.
As a consequence, the existing studies showed that the wastes related to maintenance, FM queries, energy optimization, energy consumption, prediction of future energy demand [98], detection of anomalies in buildings [89], energy-saving decisions [82], the discovery of energy consumption behaviors of users [99] and HVAC system optimization are a working area for BDA. However, the proposed systems do not offer comprehensive data analytics opportunities on FM data to reveal all wastes during the FM stage. A substantial part of the existing studies focused on the usage of real-time data. Additionally, some studies focused on limited parameters (such as ignoring building geometry or materials, building occupancy, limited weather parameters, etc.) in energy consumption forecasting. Furthermore, the developed studies do not consider the requirements of clients or end-users, which is vital in terms of LM practices. Additionally, the studies focus on one FM area for queries of information or analysis. Therefore, the developed solutions not only remain restricted in theory, but also induce inefficiency, and wastes, since they do not meet the FM requirements of clients. Additionally, other findings from the literature review showed that the combined use of BIM and BDA is extremely limited in published literature.
3. Lean Management Practices in Facility Management
Lean thinking aims to perform activities or services with fewer resources, fewer tools, less time, less physical space, high customer satisfaction, minimum non-value-added action and minimum waste [15]. In the FM, unnecessary inspection and repairs, breakdown, increase in downtime duration, rework, safety issues, high maintenance costs, efficiency and performance problems, rapid wear of components, excessive resource utilization and storage, timely decision making, transportation of materials, the unnecessary motion of staffs, variation in processes, data searching and customer dissatisfaction can be seen as application areas for LMP [4,9,12,100,101].
Aldairi et al. [100] proposed a knowledge-based management system that includes Lean Six Sigma for maintenance activities. Gao et al. [12] investigated the synergies between FM and LMP. Terreno et al. [4] investigated the applicability of the lean concept in BIM-FM to reduce wastes in information management. However, the study did not consider inefficiency and wastes, which can emerge depending on the lack of analysis of available information within BIM. McArthur and Bortoluzzi [102] investigated the lean and agile approach in FM-BIM implementation. Mostafa et al. [101] proposed a lean maintenance structure that is designed based on five lean principles; specifying the value, identifying the value stream, flow the value, pulling the value and pursue perfection. Shou et al. [9] proposed a lean management framework for maintenance acitivities. To verify the proposed framework, the authors used 4D BIM from a real-life environment. Sharma et al. [103] used LMP in healthcare service management to detect optimum resource allocation. Shou et al. [104] investigated the applicability of BIM and LMP in the maintenance process.
Although FM processes were elaborated in terms of maintenance and BIM utilization with LMP in the literature, there is no study or framework that covers all FM areas and helps to elaborate all wastes in FM by identifying required analysis and information types. Therefore, the above issues and operational and maintenance costs due to inefficient FM practices and data management comprehensively need to be handled.
As a result of the literature review, the processes of lean management philosophy were identified (Table 4).
Table 4.
The processes of lean management philosophy.
4. Materials and Methods
The Design Science Research (DSR) methodology was followed to propose an architecture that requires iterative processes to eliminate process and resource wastes in FM. The main usage aim of this method is to find a better solution for the facility data management and data analysis in the facility [106]. The DSR was founded earlier than in 1966. The origin of the idea of DSR is that every design has its own creative processes. So, the main target of this method is to reveal both processes of design and the method in which artifacts are created. The outputs of this research strategy are constructs, algorithms, frameworks, models, methods and instantiations [107]. Furthermore, the iterative process, which is used in the strategy, is known as the most robust feature of the DSR methodology, since the iterative process helps to reveal lean methods and models. So, it provides an opportunity to create theory [106]. Gregor and Hevner [108] stated that the DSR helps one to find a more original and innovative solution for the problems. The DSR is commonly used in the investigation of information systems research. Since the DSR is preferred in decision support systems, modeling tools, management strategies, etc., the method helps to legitimate developed information systems.
The DSR methodology, which is used in this study, is given in Figure 2. The DSR methodology is applied under three categories: environment, design science research and knowledge base. In the environment, the business needs or issues are identified in the application domain (people, organizational systems, and technical systems) by considering the existing business process, corporate strategies, and culture. In the design science research, solutions/artifacts for business needs are built and evaluated by considering the existing body of knowledge. The developed artifacts must be undiscovered truth. Knowledge base helps to create new knowledge by getting knowledge from the existing body of knowledge [109].
Figure 2.
Design Science Research (DSR) oriented research methodology of the study.
DSR methodology also uses cycles to produce artifacts. They are:
- Relevance cycle: In the relevance cycle, the application domain is identified. Business needs, possible artifacts, and acceptability requirements for artifact are determined [107];
- Rigor cycle: The research foundations are defined. The research foundation also helps to identify whether the research includes new knowledge or not [107];
- Design cycle: The possible artifacts are built-in design cycle. Furthermore, the evaluation of artifacts is performed by considering acceptability requirements. If the requirements are not met, iterations are performed. The knowledge derived from assessments is used to improve existing foundations [107]. The evaluation of the created artifact provides feedback to improve the quality and design of the developed solution [109]. Different evaluation methods can be used to evaluate artifacts in DSR methodology. They are logical argument, expert evaluation, technical experiment, subject-based experiment, action research, prototype, case study and illustrative scenario [107].
The new knowledge creation procedure of this study is elaborated above three-cycle.
4.1. Relevance Cycle
Figure 1 shows the research vision. Based on research vision, an FM framework to be developed must comprise user requirements, the data storage requirements for identified data types, tools, activities, and data types for analysis. Two scenarios were developed to understand the nature of FM activities and data analysis requirements. The scenarios were created by conducting the interviews with a financial and administrative affairs manager with sixteen years of experience and a technician with nine years of experience who work in a healthcare facility (nearly 6500 m2). They are:
• Scenario 1: Energy management during FM: This scenario enlightens energy management problems to see and understand the necessary procedure, necessary activities, data requirements and essential tools in FM.
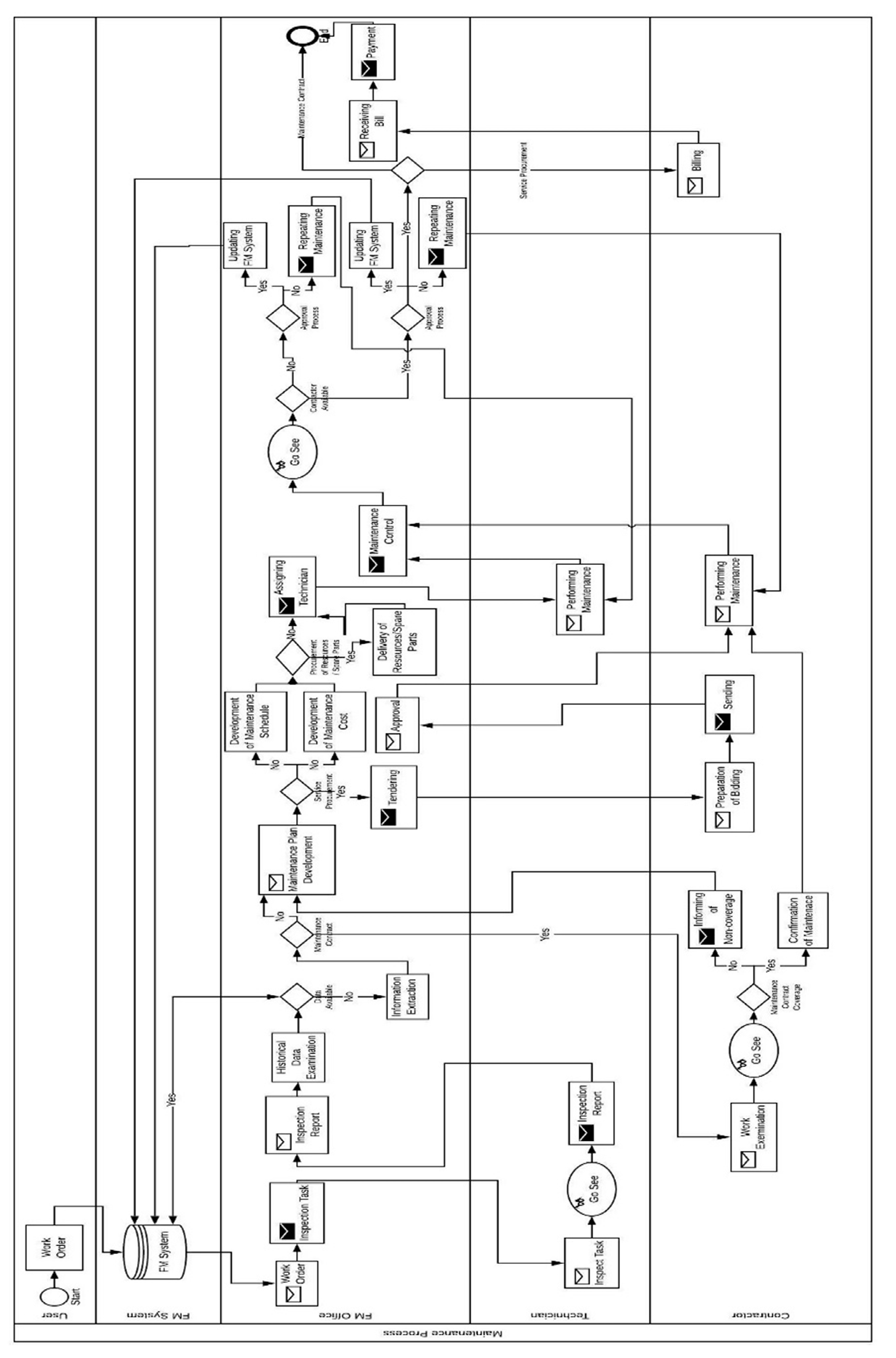
The case healthcare facility does not have any energy management system in which energy consumption can be followed in real-time. The energy management process is followed by using billings. Therefore, manual efforts are heavily applied in the processes that are depicted in Figure 3. In the Figure, while arrows represent task relationships between facility management actors, rectangle objects represent tasks. According to the interview, the process starts with the request for investigation energy consumption by the facility manager. After that, the task is assigned to a technician. The technician collects energy consumption values from meters. Before any action is taken, the facility manager compares the collected values with historical energy consumption data. At this point, the facility manager decides whether the consumption is an acceptable level or not. If the consumption is at an acceptable level, the facility manager does not need to take any measures. However, if the consumption is not at an acceptable level, the facility manager would need to control and develop the solution manually. In the interview, the energy processes were requested to be evaluated in terms of lean principles by the interviewee. The findings showed that the harmony between the short-term and long-term goals was not considered in the healthcare facility. In other words, the management level did not set long term goals for energy consumption or preventing actions. Therefore, short term actions are planned and implemented without its impact on the long term. In the healthcare facility, the facility manager can only detect the energy consumption difference between months. If the big differences were detected between months and the previous year, all the facility was controlled with site visits, whether equipment or system, etc., which can cause more energy consumption. The interviewee stated that the frequency of the site visits depends on the difference between energy consumption amounts because the facility manager does not have any data, which helps to compare actual energy consumption. Furthermore, this situation causes a waste of time for the labor force. Moreover, it causes the implementation of site visits more than the optimum level. Additionally, the interviewee stated that there is no standardized procedure for energy management in the case healthcare facility. Therefore, idle time for personnel and equipment were not managed by the facility manager. Moreover, the facility manager could not perform data analysis to improve the facility. The interviewee also added the non-availability of the energy management system and the usage of data from these systems prohibit continuous improvement in FM.
Figure 3.
Scenario 1: Energy management during FM.
• Scenario 2: Maintenance activities in buildings: This scenario helps to identify building maintenance problems to see and understand the necessary procedure, necessary activities, data requirements and essential tools.
Against the energy management process, a basic maintenance system (monitoring work orders, some information about equipment, etc.) was used in the maintenance process in the case hospital facility, which is shown in Figure 4. However, some lean issues were identified according to the interviewee’s response. The interviewees stated that there are lots of equipment in the healthcare facilities, and every equipment requires different technical knowledge. For instance, anesthesia equipment broke down in the facility, and they cannot interfere due to a lack of knowledge about equipment. When the interviewees need this type of specific knowledge, this causes a waste of time and labor force due to information requirements for activities and processes. Rework activities were explained with an example. In the maintenance example, the facility manager prepared a bid for the reconstruction of the façade system since there is no openable window on the façade. After the tendering process, the contractor performed reconstruction activities. However, some broken windows and the opening issues were detected after site visits. Therefore, the facility manager requested rework activity from the contractor. Furthermore, the facility managers could only observe work orders. Therefore, idle time cannot be monitored by the facility manager. Additionally, the interviewee stated that the workload in summer is more than the workload in winter. Furthermore, fault type, fault duration, and their comparison against season and month could be followed. However, there is no prediction system for preventive maintenance in the healthcare facility, which has a negative impact on continuous improvement.
Figure 4.
Scenario 1: Maintenance activities in buildings.
4.2. Rigor Cycle
This cycle helps to create research foundations by emphasizing research originality. Therefore, a comprehensive literature review is performed and given in Section 2. According to the literature review, it has been discovered that there is a limited study on BIM integrated BDA studies. Furthermore, the available studies consider limited and specific data types, such as energy, maintenance, etc., to perform data analysis. This prevents clarification of interrelations between data types. Additionally, IoT devices that are commonly used with FM systems have missing data and calibration issues. To eliminate these FM issues, there is a need for an FM framework that embraces the solutions for identified limitations in data analysis, FM queries, and FM data issues. This would help to:
- Usage of building data from the BIM model at the FM stage
- Improve information quality
- Usage of data analysis results in FM decision-making processes
Additionally, the Business Process Modeling Notation (BPMN) was used to reveal the processes of scenarios. In the literature, BPMN has been used in task management, resource allocation, data flow, and information systems. Business Process Management Notation (BPMN) is a technique in which the researcher or practitioners try to illustrate organizational processes because it is believed that efficiency and quality increase is hidden in organizational processes [110]. Moreover, BPMN techniques are also used in construction management literature. For instance, Lucas et al. [46] used the BPMN technique to show task distribution and to identify decision actors in facility management. Braun et al. [111] used BPMN to realize integrated hospital modeling for clinical processes.
4.3. Design Cycle
The steps of the framework were enlightened in the design cycle to create a general framework with the help of scenarios and literature review. The steps basically aimed to show which and when different kinds of information between different professionals need to be exchanged. This method is also called the Information Delivery Manual (IDM) [112]. Therefore, the steps were created by using the Cross-organizational Business Processes (CBP) modeling technique, which is used to define the organizational interactions. In CBP, process, actors, workflows, tools or software and information exchange need to be represented. Furthermore, so does the CBP-based BPMN [113,114]. The general process diagram is given in Figure 5.
Figure 5.
General Process Diagram.
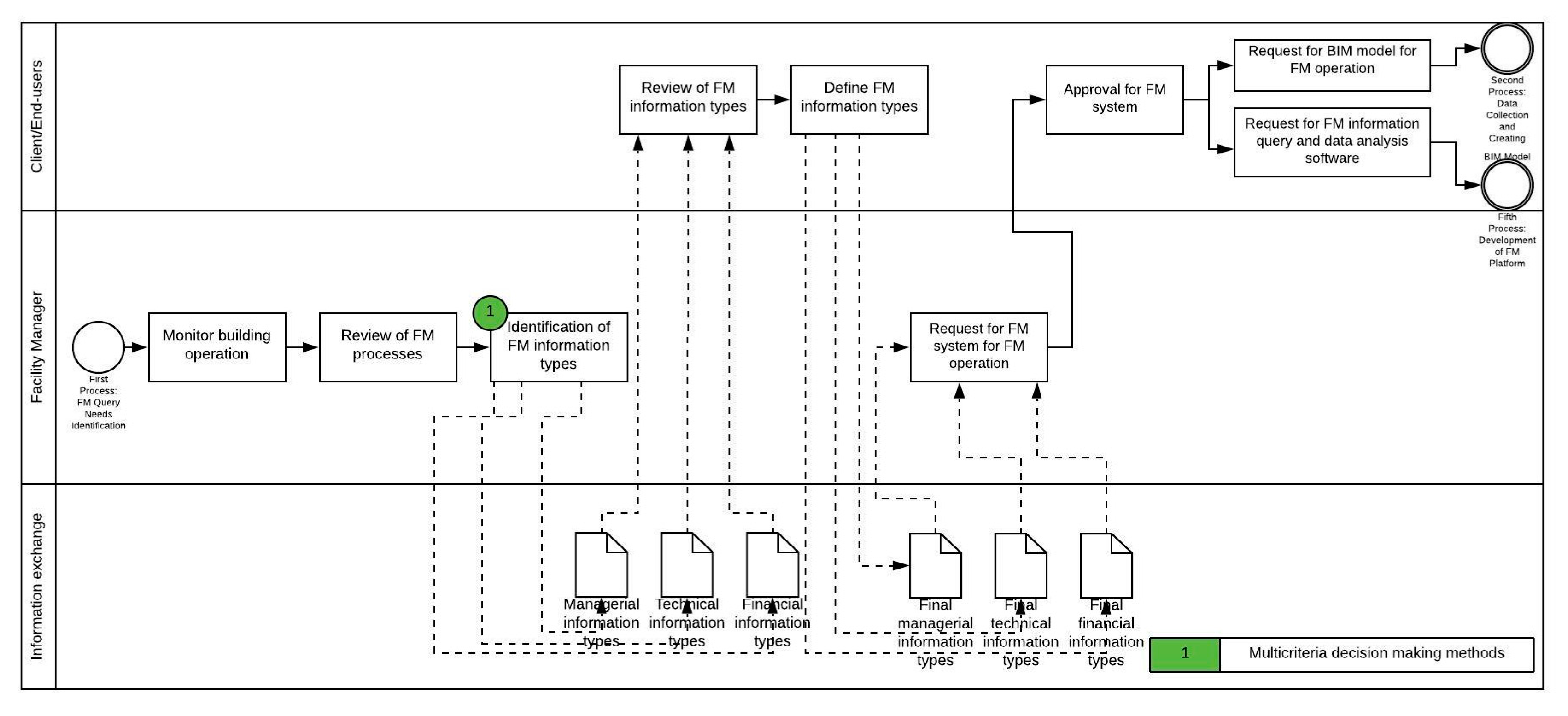
In Process 1, the facility manager needs to identify required information types in FM, since facility managers do not need all information types, which are found in BIM or FM information systems. Additionally, unnecessary information types in FM systems induce data burden, which causes inefficient FM practices. Furthermore, identification and collection of necessary information types help information loss and lack of information for FM processes [43,44,115,116]. Therefore, in the first process, information types are identified as a result of the collaboration of facility manager and client/end-users. First of all, the identification of information types is ordered by conducting multi-criteria decision methods by the facility manager. This helps to eliminate unnecessary or less important information types. The information types are categorized under three categories: managerial information types, technical information types and financial information types. These information types were identified as specific to the healthcare facilities. However, the results of the important information types are another study topic since this paper aims to create a framework for the integration of BIM, BEPS and Big Data Analytics. After the categorization of information types, the identified information types need to be reviewed and approved by the clients/end-users. The output of this process is essential to determine which types of data will be collected in the BIM model and FM platform. For instance, if vendor information for equipment is essential, it must be attached within the BIM object. To define information types in BIM, Shared Parameters can be used to attach information types into the model. Furthermore, the outputs of Process 1 help to identify query algorithms in FM Software in which BDA codes are embedded (Figure 6). Furthermore, this process helps us to consider value-added activities in FM and eliminate inefficient wastes by realizing standardization in FM data management.
Figure 6.
First Process of a Framework for Integration of BIM, BEPS, and Big Data Analytics in View of Lean Management Philosophy.
In the second process, the required information for the BIM model is collected from the building and building environment with the help of the facility manager. The information required to create a BIM model can be reviewed under three categories. They are FM data, investigation of building component data and site data. FM data involves necessary data, which are defined in the first process. Therefore, the first process has vital importance to embed necessary information into the BIM model. Investigation of building components is essential to perform energy analysis since building components and their characteristics such as reflectivity, thickness, thermal conductivity, etc. are required for energy analysis.
Furthermore, as-built models (architecture, structural, and mechanical, electrical and plumbing (MEP) plans) are essential to reflect the current condition in the building because a created BIM model at the design or construction stage cannot include updated and necessary objects for FM. The delivery of the as-built BIM model needs to be performed with the help of an architect, construction engineer and MEP engineers. The outputs of this process are also used in the creation of an energy model of the building. To enable interoperability, gbXML and IFC formats can be used [117,118]. However, some issues must be considered in the creation of the BIM model. For instance, BEPS does not necessitate columns and beams since two-dimensional analysis is performed in BEPS. Therefore, it does not require beams and columns. When beams and columns are modeled in BIM, building zones are not enclosed. Therefore, the architects also need to deliver a BIM model without FM information and other objects which cause a problem in energy analysis programs. Moreover, the information in the BIM model needs to be transferred into the NoSQL Database to use them in analysis and queries (Process 5).
Additionally, when BIM is used in maintenance management, lots of data must be attached to the objects. However, BIM gives limited data size fastening opportunity. Furthermore, overwriting causes loss of historical data. Therefore, data storing with an external database is essential (Figure 7).
Figure 7.
Second Process of a Framework for Integration of BIM, BEPS, and BDA in View of Lean Management Philosophy.
As stated in the literature review, BEPS can be used in energy management. To use them in FM, a real condition in the facility needs to be reflected. A weather data file (from weather stations) plays a vital role in finding building energy consumption after other required information is entered in the simulation model. When the building is simulated at the design stage, energy analysis is performed by using a specific data file (such as 2002 weather data file in DesignBuilder) since this data file reflects more stabilized weather data sets. If the data file is changed with current weather data, which is obtained from weather data stations, energy consumption information, which is more approximate to actual conditions, can be obtained. In the literature, energy consumption estimation was performed by changing limited weather data and other building-related parameters. Some of them can be seen in Amasyali and El-Gohary [119]’s study. Besides weather data files, building equipment, building operations, and building geometric and thermal information needs to be added into the simulation model. Therefore, before building energy consumption simulation is performed, operational data (including weather data, building equipment) and building geometry and component data (from BIM) need to be prepared by the facility manager. In the study, the usage of the integration of BEPS-CFD is offered to reduce the gap between actual and simulated energy consumption. The possible data transfer between BEPS and CFD can be seen in [117]. After BEPS results are retrieved from software, the validation of energy consumption data needs to be performed with the usage of monthly bills. To validate consumption values, Root Mean Square Error (RMSE), Mean Absolute Error (MAE), coefficient of variance (R2), and coefficient of variance (CV) can be used. While MAE is the mean difference off-set between actual and predicted values, RMSE measures the standard deviation of residuals. RMSE and MAE define prediction errors. CV is helpful to compare the obtained results with other studies. Furthermore, R2 measures the goodness of fit between actual and predicted values (should be between 0 and 1) [118]. After obtaining energy analysis results, client/end-users and facility manager need to identify performance criteria and FM requirements for energy management. After final key targets are defined by the facility manager, alternative actions need to be defined by the facility manager. These alternative actions can be determined by the client/end-user since alternatives include maintenance, changing operational behavior or further analysis with the support of Process 5. Finally, the data is transferred into NoSQL databases to make more analyses and queries on FM software (Figure 8).
Figure 8.
Third Process of a Framework for Integration of BIM, BEPS and Big Data Analytics in View of Lean Management Philosophy.
In the fourth process, FM business intelligence and analytic areas need to be identified to use available data more efficiently and effectively in FM. This also helps to obtain lean processes in FM. Available data in FM systems could be used to improve building performance in different areas. These areas can be grouped as energy consumption, user behavior, emergency and safety management, maintenance and repairs, usage of system-equipment, and lifecycle cost management. Every area has its own sub-analysis items. To identify these sub-analysis items, the literature review was performed. For example, “identification of energy consumption against time, user profile, spaces, weather, window openings, and geographical location, energy optimization” etc. in energy consumption category were identified. These sub-items need to be determined to embed them in developed FM software to eliminate the external data analysis package. This will facilitate data-driven decisions in FM.
Additionally, the lack of data analysis tools in FM systems and BIM will be eliminated with the proposed framework. Therefore, first of all, the analysis types need to be ordered with the help of Multi-Criteria Decision-Making Methods by the facility manager. After ordered analysis types are evaluated by client/end-users, the identified analysis needs to be embedded into FM software (in Process 5) (Figure 9). However, the results of the identification of FM business intelligence and analytic areas is another study topic since this paper aims to create a framework for the integration of BIM, BEPS and Big Data Analytics.
Figure 9.
Fourth Process of a Framework for Integration of BIM, BEPS and Big Data Analytics in View of Lean Management Philosophy.
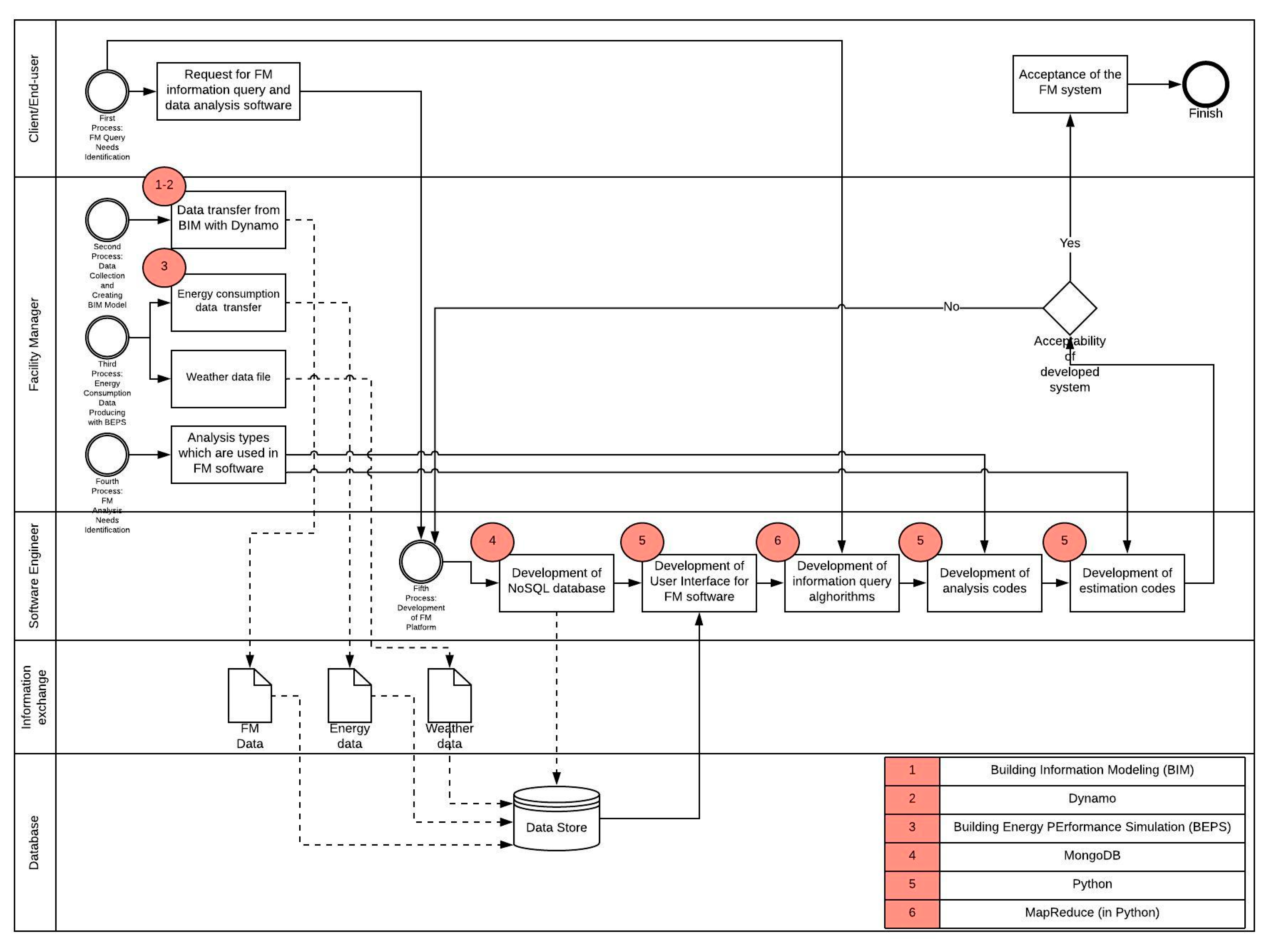
In the fifth process, the outputs which come from the identification of FM information types and FM business intelligence and analytics areas are coded in FM software by software engineers. In the study, NoSQL Databases were chosen. Relational database management systems (RDBMS) were used for data management for energy management and facility management in the literature. However, these systems suffered from seeking processes, which means read and write processes take more time. Furthermore, these systems are limited and inefficient in terms of architectural change. Another drawback of the RDBMS is that RDBMS only focused on structured data such as XML documents [119]. When the NoSQL database is built, the FM information procured by the facility manager is stored in the developed database to use them as queries, analyses, and predictions.
In the framework, the use of the MapReduce algorithm was chosen, since the advantage of MapReduce is that the queries on datasets can be performed within the tolerable time. MapReduce is a batch processing system. It is used to process data. MapReduce is worked on parallel systems which necessitate machine slaveries. MapReduce consists of the Map phase and Reduce phase, and each phase uses input and output key-value pairs. The map function is like a data preparation phase. After the data preparation phase, the reduce function takes part to find query answers. Furthermore, the map function helps to eliminate bad and unused records (missing, suspicious or erroneous) [119]. In the developed framework, the MapReduce function will be coded in FM software with the usage of Python language by the software engineer. Analysis and estimation codes that are obtained as a result of Process 4 (identification of FM business intelligence and analytics areas) are also coded with the help of data mining, text mining and visual analytic techniques, which are used together with Big Data Analytics by the software engineer. As a result of all processes, the results of data analysis and the query will be shown on FM software (Figure 10).
Figure 10.
Fifth Process of a Framework for Integration of BIM, BEPS and Big Data Analytics in View of Lean Management Philosophy.
The expert evaluation was chosen to evaluate the developed framework [107]. The evaluation of the proposed FM framework will be discussed in Section 4.
5. Discussion
The developed scenarios were used to identify facility management issues such as data management, data analysis, FM tools and data transfer. According to the findings from scenarios, a framework that integrates BIM, BEPS and Big Data Analytics was offered. The proposed framework is given in Figure 11. The framework consists of five main processes. In Figure 11, arrows represent information flow between processes and tools. The last step is to create an FM software user interface, which makes a connection between requests for queries and analysis by using data from the NoSQL Database and Big Data Analytics. With the main lines, Process 1 (Identification of FM Information Types) enables to input requirements for Process 2 (Data Collection) and Process 5 (Development of Queries). Process 2 (Data Collection) provides data input from the BIM model to NoSQL Database and Process 2 and 3 (data transfer from Revit to BEPS software). Process 3 includes the creation of building energy data obtained from BEPS tools. Process 3 creates input for NoSQL Database to use them in analysis, which is in Process 5. Process 4 (Identification of FM Business Intelligence and Analytics Areas) enables identification of data analysis requirements for Process 5 (Development of Analysis Codes and estimation codes).
Figure 11.
A Framework for Integration of BIM, BEPS and Big Data Analytics in View of Lean Management Philosophy.
To evaluate the developed framework (Figure 11), three interviews (a half-day interview) with four experts were conducted. The first and second interviews were performed with interviewees who are from multinational companies. The third interview was conducted with two interviewees who have experience in Public-Private Partnership healthcare facilities. The descriptive information about experts was given in Table 5. Before interviews were conducted, the brief about the framework and concepts such as BIM, BEPS and BDA was given to interviewees. Firstly, it was requested from interviewees to evaluate the applicability and feasibility of the developed framework in facility management (for the first research question). Secondly, the interviewees were requested to evaluate the framework’s advantages and disadvantages with open-ended questions in view of lean management philosophy (for the second and third research questions). These questions were created as a result of a literature review about lean management philosophy (Table 4).
Table 5.
The profile of experts who participate in the evaluation stage.
- Opinions about applicability and feasibility of the proposed framework: According to the interviewees, the feasibility of the proposed framework was found feasible. Data collection process and accuracy of the framework were evaluated as the most important part of the proposed framework by the first and third interviewees. Additionally, it was recommended that the applicability of the proposed framework should be customer-focused and take into consideration of continuous improvement. According to the second interviewee, the proposed model is near to industrial applications. The second interviewee stated that the BIM model could be used as a support system in FM, and asset management can be performed with the consideration of all FM information types and BIM that are given in the proposed framework. Furthermore, the proposed framework was found very comprehensive in terms of FM by all interviewees.
- Lean view about the proposed framework: According to expert view, the answers to open-ended questions were given in Table 6.
Table 6. Expert Views.
6. Conclusions
As a result of the comprehensive literature review, the studies showed that there is no study in which all FM data was comprehensively handled and managed. Therefore, this study aimed to propose an FM framework for the healthcare facilities, which includes BIM, BEPS and BDA, by combining the FM framework with LMP.
The Design Science Research Methodology was followed in the study. Within this context, two FM scenarios from a healthcare case were evaluated in terms of lean management philosophy. By considering issues, which are observed in case study scenarios, and literature review, an FM framework that consists of five steps was created. After the steps of the FM framework were clarified, the main FM framework, which combines BIM, BEPS and BDA, was evaluated by expert evaluation method in terms of applicability and lean management philosophy. The result of the proposed FM framework showed that experts did not find any issues in the applicability of the proposed FM framework. However, the experts offered that the customer, site visits and integration of AR or VR technologies need to be considered in the application of the proposed framework. Therefore, the revisions of the proposed FM framework were performed.
The developed framework will guide healthcare FM people on how to implement a client/end-user-focused FM platform, more efficient data management and how the synergies between FM and LMP can be created. It is believed that the usage of the proposed framework will contribute to increase the efficiency of FM practices and eliminate FM wastes. The proposed framework can be applied to other building types. However, Processes 1 and 4 need to be identified according to the literature review and experts specific to building types. As a limitation, the proposed FM framework is theoretical. However, the study will be applied to a real case as a further study. On the other hand, the development of the proposed FM framework is limited to two FM scenarios. As a further study, the development of the FM platform will be performed according to the defined processes in the study.
Author Contributions
Conceptualization, G.D., Z.I. and Y.A.; investigation, G.D., Z.I. and Y.A.; writing—original draft preparation, G.D., Z.I. and Y.A.; writing—review and editing, G.D., Z.I. and Y.A.; supervision, Z.I. and Y.A.; project administration, Z.I. All authors have read and agreed to the published version of the manuscript.
Funding
This research was funded by Yildiz Technical University grant number FDK-2019-3629.
Conflicts of Interest
The authors declare no conflict of interest.
References
- Atkin, B.; Bildsten, L. Editorial: A future for facility management. Constr. Innov. 2017, 17, 116–124. [Google Scholar] [CrossRef]
- Edirisinghe, R.; London, K.A.; Kalutara, P.; Aranda-Mena, G. Building information modelling for facility management: Are we there yet? Eng. Constr. Archit. Manag. 2017, 24, 1119–1154. [Google Scholar] [CrossRef]
- Koch, C.; Neges, M.; König, M.; Abramovici, M. Natural markers for augmented reality-based indoor navigation and facility maintenance. Autom. Constr. 2014, 48, 18–30. [Google Scholar] [CrossRef]
- Terreno, S.; Asadi, S.; Anumba, C. An exploration of synergies between lean concepts and BIM in FM: A review and directions for future research. Buildings 2019, 9, 147. [Google Scholar] [CrossRef]
- Baldi, S.; Zhang, F.; Le Quang, T.; Endel, P.; Holub, O. Passive versus active learning in operation and adaptive maintenance of Heating, Ventilation, and Air Conditioning. Appl. Energy 2019, 252, 113478. [Google Scholar] [CrossRef]
- Lee, K.P.; Wu, B.H.; Peng, S.L. Deep-learning-based fault detection and diagnosis of air-handling units. Build. Environ. 2019, 157, 24–33. [Google Scholar] [CrossRef]
- Yousefli, Z.; Nasiri, F.; Moselhi, O. Healthcare facilities maintenance management: A literature review. J. Facil. Manag. 2017, 15, 352–375. [Google Scholar] [CrossRef]
- Sharma, V.; Abel, J.; Al-Hussein, M.; Lennerts, K.; Pfründer, U. Simulation application for resource allocation in facility management processes in hospitals. Facilities 2007, 25, 493–506. [Google Scholar] [CrossRef]
- Shou, W.; Wang, J.; Wu, P.; Wang, X. Lean management framework for improving maintenance operation: Development and application in the oil and gas industry. Prod. Plan. Control. 2020, 1–18. [Google Scholar] [CrossRef]
- Costa, A.; Keane, M.M.; Torrens, J.I.; Corry, E. Building operation and energy performance: Monitoring, analysis and optimisation toolkit. Appl. Energy 2013, 101, 310–316. [Google Scholar] [CrossRef]
- Berry, S.; Davidson, K.; Saman, W. Defining zero carbon and zero energy homes from a performance-based regulatory perspective. Energy Effic. 2014, 7, 303–322. [Google Scholar] [CrossRef]
- Gao, S.; Pheng, L.S.; Tay, W. Lean facilities management: Preliminary findings from Singapore’s international schools. Facilities 2020, 38, 539–558. [Google Scholar] [CrossRef]
- Goyal, M.; Gao, Z. Integration of Building Information Modeling and Prefabrication for Lean Construction. In Proceedings of the International Conference on Construction and Real Estate Management 2018 (ICCREM 2018), Charleston, SC, USA, 9–10 August 2018; pp. 82–88. [Google Scholar]
- Ahmed, S.; Hossain, M.M.; Haq, I. Implementation of lean construction in the construction industry in Bangladesh: Awareness, benefits and challenges. Int. J. Build. Pathol. Adapt. 2020. [Google Scholar] [CrossRef]
- Avelar, W.; Meiriño, M.; Tortorella, G.L. The practical relationship between continuous flow and lean construction in SMEs. TQM J. 2019, 32, 362–380. [Google Scholar] [CrossRef]
- Becerik-Gerber, B.; Jazizadeh, F.; Li, N.; Calis, G. Application Areas and Data Requirements for BIM-Enabled Facilities Management. J. Constr. Eng. Manag. 2012, 138, 431–442. [Google Scholar] [CrossRef]
- Brooks, T.J.; Lucas, J.D. A Study to Support BIM Turnover to Facility Managers for Use after Construction; American Society of Civil Engineers (ASCE): Reston, VA, USA, 2014; pp. 243–250. [Google Scholar]
- Terreno, S.; Anumba, C.J.; Gannon, E.; Dubler, C. The Benefits of BIM Integration with Facilities Management: A Preliminary Case Study; American Society of Civil Engineers (ASCE): Reston, VA, USA, 2015. [Google Scholar]
- Davtalab, O. Computing in Civil Engineering 2017. Comput. Civ. Eng. 2017, 3, 326–334. [Google Scholar]
- Oti, A.H.; Kurul, E.; Cheung, F.; Tah, J.H.M. A framework for the utilization of Building Management System data in building information models for building design and operation. Autom. Constr. 2016, 72, 195–210. [Google Scholar] [CrossRef]
- Reza, H.M.; Rogier, R.; Eleni, P.; John, E.D.; Erika, P. Integrating BIM into facility management: Typology matrix of information handover requirements. Int. J. Build. Pathol. Adapt. 2018, 36, 2–14. [Google Scholar] [CrossRef]
- Ahmed, V.; Tezel, A.; Aziz, Z.; Sibley, M. The future of Big Data in facilities management: Opportunities and challenges. Facilities 2020, 35, 725–745. [Google Scholar] [CrossRef]
- Aibinu, A.A.; Koch, F.; Ng, S.T. Guest editorial. Data analytics and big data in construction project and asset management. Built Environ. Proj. Asset Manag. 2019, 9, 474–475. [Google Scholar] [CrossRef]
- Roper, K.O. Facility management maturity and research. J. Facil. Manag. 2017, 15, 235–243. [Google Scholar] [CrossRef]
- Asensio, J.A.; Criado, J.; Padilla, N.; Iribarne, L. Emulating home automation installations through component-based web technology. Future Gener. Comput. Syst. 2019, 93, 777–791. [Google Scholar] [CrossRef]
- Bhatt, J.; Verma, H.K. Design and development of wired building automation systems. Energy Build. 2015, 103, 396–413. [Google Scholar] [CrossRef]
- Bonci, A.; Carbonari, A.; Cucchiarelli, A.; Messi, L.; Pirani, M.; Vaccarini, M. A cyber-physical system approach for building efficiency monitoring. Autom. Constr. 2019, 102, 68–85. [Google Scholar] [CrossRef]
- Doukas, H.; Nychtis, C.; Psarras, J. Assessing energy-saving measures in buildings through an intelligent decision support model. Build. Environ. 2009, 44, 290–298. [Google Scholar] [CrossRef]
- Macarulla, M.; Casals, M.; Forcada, N.; Gangolells, M. Implementation of predictive control in a commercial building energy management system using neural networks. Energy Build. 2017, 151, 511–519. [Google Scholar] [CrossRef]
- Wang, H.; Xu, P.; Lu, X.; Yuan, D. Methodology of comprehensive building energy performance diagnosis for large commercial buildings at multiple levels. Appl. Energy 2016, 169, 14–27. [Google Scholar] [CrossRef]
- Gunay, H.B.; Shen, W.; Newsham, G. Data analytics to improve building performance: A critical review. Autom. Constr. 2019, 97, 96–109. [Google Scholar] [CrossRef]
- Gerrish, T.; Ruikar, K.; Cook, M.; Johnson, M.; Phillip, M. Using BIM capabilities to improve existing building energy modelling practices. Eng. Constr. Archit. Manag. 2017, 24, 190–208. [Google Scholar] [CrossRef]
- Corry, E.; Pauwels, P.; Hu, S.; Keane, M.; O’Donnell, J. A performance assessment ontology for the environmental and energy management of buildings. Autom. Constr. 2015, 57, 249–259. [Google Scholar] [CrossRef]
- Arayici, Y.; Fernando, T.; Munoz, V.; Bassanino, M. Interoperability specification development for integrated BIM use in performance based design. Autom. Constr. 2018, 85, 167–181. [Google Scholar] [CrossRef]
- Nicał, A.K.; Wodyński, W. Enhancing Facility Management through BIM 6D. Procedia Eng. 2016, 164, 299–306. [Google Scholar] [CrossRef]
- Wong, J.K.W.; Ge, J.; He, S.X. Digitisation in facilities management: A literature review and future research directions. Autom. Constr. 2018, 92, 312–326. [Google Scholar] [CrossRef]
- Ilter, D.; Ergen, E. BIM for building refurbishment and maintenance: Current status and research directions. Struct. Surv. 2015, 33, 228–256. [Google Scholar] [CrossRef]
- Liu, R.; Asce, A.M.; Issa, R.R.A.; Asce, F. Survey: Common Knowledge in BIM for Facility Maintenance. J. Perform. Constr. Facil. 2016, 30. [Google Scholar] [CrossRef]
- Oskouie, P.; Gerber, D.J.; Alves, T.; Becerik-Gerber, B. Extending the interaction of building information modeling and lean construction. In Proceedings of the 20th Annual Conference of the International Group for Lean Construction, San Diego, CA, USA, 18–20 July 2012; Volume 1. [Google Scholar]
- Ashworth, S.; Tucker, M.; Druhmann, C.K. Critical success factors for facility management employer’s information requirements (EIR) for BIM. Facilities 2019, 37, 103–118. [Google Scholar] [CrossRef]
- Barbosa, M.J.; Pauwels, P.; Ferreira, V.; Mateus, L. Towards increased BIM usage for existing building interventions. Struct. Surv. 2016, 34, 168–190. [Google Scholar] [CrossRef]
- Araszkiewicz, K. Digital Technologies in Facility Management—The State of Practice and Research Challenges. Procedia Eng. 2017, 196, 1034–1042. [Google Scholar] [CrossRef]
- Sadeghi, M.; Elliott, J.W.; Porro, N.; Strong, K. Developing building information models (BIM) for building handover, operation and maintenance. J. Facil. Manag. 2019, 17, 301–316. [Google Scholar] [CrossRef]
- Shi, Y.; Du, J.; Lavy, S.; Zhao, D. A Multiuser Shared Virtual Environment for Facility Management. Procedia Eng. 2016, 145, 120–127. [Google Scholar] [CrossRef]
- Lucas, J.; Bulbul, T.; Thabet, W. An object-oriented model to support healthcare facility information management. Autom. Constr. 2013, 31, 281–291. [Google Scholar] [CrossRef]
- Kim, E.; Park, S. Three-dimensional visualized space and asset management system for large-scale airports: The case of Incheon International Airport. Int. J. Archit. Comput. 2016, 14, 233–246. [Google Scholar] [CrossRef]
- Solihin, W.; Eastman, C.; Lee, Y.C.; Yang, D.H. A simplified relational database schema for transformation of BIM data into a query-efficient and spatially enabled database. Autom. Constr. 2017, 84, 367–383. [Google Scholar] [CrossRef]
- Kang, T.W.; Hong, C.H. A study on software architecture for effective BIM/GIS-based facility management data integration. Autom. Constr. 2015, 54, 25–38. [Google Scholar] [CrossRef]
- Lee, W.L.; Tsai, M.H.; Yang, C.H.; Juang, J.R.; Su, J.Y. V3DM+: BIM interactive collaboration system for facility management. Vis. Eng. 2016, 4, 5. [Google Scholar] [CrossRef][Green Version]
- Baek, F.; Ha, I.; Kim, H. Augmented reality system for facility management using image-based indoor localization. Autom. Constr. 2019, 99, 18–26. [Google Scholar] [CrossRef]
- Chen, W.; Chen, K.; Cheng, J.C.P.; Wang, Q.; Gan, V.J.L. BIM-based framework for automatic scheduling of facility maintenance work orders. Autom. Constr. 2018, 91, 15–30. [Google Scholar] [CrossRef]
- GhaffarianHoseini, A.; Zhang, T.; Naismith, N.; GhaffarianHoseini, A.; Doan, D.T.; Rehman, A.U.; Nwadigo, O.; Tookey, J. ND BIM-integrated knowledge-based building management: Inspecting post-construction energy efficiency. Autom. Constr. 2019, 97, 13–28. [Google Scholar] [CrossRef]
- Bortoluzzi, B.; Efremov, I.; Medina, C.; Sobieraj, D.; McArthur, J.J. Automating the creation of building information models for existing buildings. Autom. Constr. 2019, 105, 102838. [Google Scholar] [CrossRef]
- Hu, Z.Z.; Tian, P.L.; Li, S.W.; Zhang, J.P. BIM-based integrated delivery technologies for intelligent MEP management in the operation and maintenance phase. Adv. Eng. Softw. 2018, 115, 1–16. [Google Scholar] [CrossRef]
- Tu, K.; Vernatha, D. Application of Building Information Modeling in Energy Management of Individual Departments Occupying University Facilities. Int. J. Archit. Environ. Eng. 2016, 10, 225–231. [Google Scholar]
- Kim, K.; Kim, H.; Kim, W.; Kim, C.; Kim, J.; Yu, J. Integration of ifc objects and facility management work information using Semantic Web. Autom. Constr. 2018, 87, 173–187. [Google Scholar] [CrossRef]
- Lee, P.C.; Wang, Y.; Lo, T.P.; Long, D. An integrated system framework of building information modelling and geographical information system for utility tunnel maintenance management. Tunn. Undergr. Sp. Technol. 2018, 79, 263–273. [Google Scholar] [CrossRef]
- Chou, C.C.; Chiang, C.T.; Wu, P.Y.; Chu, C.P.; Lin, C.Y. Spatiotemporal analysis and visualization of power consumption data integrated with building information models for energy savings. Resour. Conserv. Recycl. 2017, 123, 219–229. [Google Scholar] [CrossRef]
- Golabchi, A.; Akula, M.; Kamat, V. Automated building information modeling for fault detection and diagnostics in commercial HVAC systems. Facilities 2016, 34, 233–246. [Google Scholar] [CrossRef]
- Gökçe, H.U.; Gökçe, K.U. Integrated System Platform for Energy Efficient Building Operations. J. Comput. Civ. Eng. 2014, 28, 05014005. [Google Scholar] [CrossRef]
- Shaikh, P.H.; Nor, N.B.M.; Nallagownden, P.; Elamvazuthi, I.; Ibrahim, T. A review on optimized control systems for building energy and comfort management of smart sustainable buildings. Renew. Sustain. Energy Rev. 2014, 34, 409–429. [Google Scholar] [CrossRef]
- Hong, T.; Taylor-Lange, S.C.; D’Oca, S.; Yan, D.; Corgnati, S.P. Advances in research and applications of energy-related occupant behavior in buildings. Energy Build. 2016, 116, 694–702. [Google Scholar] [CrossRef]
- Seeam, A.; Laurenson, D.; Usmani, A. Evaluating the potential of simulation assisted energy management systems: A case for electrical heating optimisation. Energy Build. 2018, 174, 579–586. [Google Scholar] [CrossRef]
- Pezeshki, Z.; Soleimani, A.; Darabi, A. Application of BEM and using BIM database for BEM: A review. J. Build. Eng. 2019, 23, 1–17. [Google Scholar] [CrossRef]
- Fathalian, A.; Kargarsharifabad, H. Actual validation of energy simulation and investigation of energy management strategies (Case Study: An office building in Semnan, Iran). Case Stud. Therm. Eng. 2018, 12, 510–516. [Google Scholar] [CrossRef]
- Dong, B.; O’Neill, Z.; Li, Z. A BIM-enabled information infrastructure for building energy Fault Detection and Diagnostics. Autom. Constr. 2014, 44, 197–211. [Google Scholar] [CrossRef]
- Kwak, Y.; Huh, J.H.; Jang, C. Development of a model predictive control framework through real-time building energy management system data. Appl. Energy 2015, 155, 1–13. [Google Scholar] [CrossRef]
- Hong, T.; Kim, J.; Jeong, J.; Lee, M.; Ji, C. Automatic calibration model of a building energy simulation using optimization algorithm. Energy Procedia 2017, 105, 3698–3704. [Google Scholar] [CrossRef]
- De Boeck, L.; Verbeke, S.; Audenaert, A.; De Mesmaeker, L. Improving the energy performance of residential buildings: A literature review. Renew. Sustain. Energy Rev. 2015, 52, 960–975. [Google Scholar] [CrossRef]
- Burman, E.; Mumovic, D.; Kimpian, J. Towards measurement and verification of energy performance under the framework of the European directive for energy performance of buildings. Energy 2014, 77, 153–163. [Google Scholar] [CrossRef]
- Stundon, D.; Spillane, J.; Lim, J.P.B.; Tansey, P.; Tracey, M. Building Information Modelling Energy Performance Assessment on Domestic Dwellings: A Comparative Study. In Proceedings of the 31st Annual Association of Researchers in Construction Management (ARCOM) Conference, Lincoln, UK, 7–9 September 2015; Raiden, A.B., Aboagye-Nimo, E., Eds.; pp. 671–679. [Google Scholar]
- Zhai, Z.; Chen, Q.; Haves, P.; Klems, J.H. On approaches to couple energy simulation and computational fluid dynamics programs. Build. Environ. 2002, 37, 857–864. [Google Scholar] [CrossRef]
- Montazeri, H.; Blocken, B. Extension of generalized forced convective heat transfer coefficient expressions for isolated buildings taking into account oblique wind directions. Build. Environ. 2018, 140, 194–208. [Google Scholar] [CrossRef]
- Zhang, X.; Chen, M. Application of Big Data Technology in Unstructured Data Management for Railway Freight E-Commerce. In Proceedings of the 2014 International Conference of Logistics Engineering and Management, Shenyang, China, 24–26 May 2014; pp. 1155–1161. [Google Scholar]
- Kambatla, K.; Kollias, G.; Kumar, V.; Grama, A. Trends in big data analytics. J. Parallel Distrib. Comput. 2014, 74, 2561–2573. [Google Scholar] [CrossRef]
- Assunção, M.D.; Calheiros, R.N.; Bianchi, S.; Netto, M.A.S.; Buyya, R. Big Data computing and clouds: Trends and future directions. J. Parallel Distrib. Comput. 2015, 79–80, 3–15. [Google Scholar] [CrossRef]
- Zhou, K.; Fu, C.; Yang, S. Big data driven smart energy management: From big data to big insights. Renew. Sustain. Energy Rev. 2016, 56, 215–225. [Google Scholar] [CrossRef]
- Grolinger, K.; L’Heureux, A.; Capretz, M.A.M.; Seewald, L. Energy forecasting for event venues: Big data and prediction accuracy. Energy Build. 2016, 112, 222–233. [Google Scholar] [CrossRef]
- Liu, X.; Nielsen, P.S. A hybrid ICT-solution for smart meter data analytics. Energy 2016, 115, 1710–1722. [Google Scholar] [CrossRef]
- Chou, J.S.; Ngo, N.T.; Chong, W.K.; Gibson, G.E. Big Data Analytics and Cloud Computing for Sustainable Building Energy Efficiency; Elsevier Ltd.: Amsterdam, The Netherlands, 2016; ISBN 9780081005491. [Google Scholar]
- Mocanu, E.; Nguyen, P.H.; Gibescu, M.; Kling, W.L. Deep learning for estimating building energy consumption. Sustain. Energy Grids Netw. 2016, 6, 91–99. [Google Scholar] [CrossRef]
- Al-Ali, A.R.; Zualkernan, I.A.; Rashid, M.; Gupta, R.; Alikarar, M. A Smart Home Energy Management System Using IoT and Big Data Analytics Approach. IEEE Trans. Consum. Electron. 2017, 63, 426–434. [Google Scholar] [CrossRef]
- Rao, P.; Muller, M.R.; Gunn, G. Conducting a metering assessment to identify submetering needs at a manufacturing facility. CIRP J. Manuf. Sci. Technol. 2017, 18, 107–114. [Google Scholar] [CrossRef]
- Chou, J.S.; Ngo, N.T. Smart grid data analytics framework for increasing energy savings in residential buildings. Autom. Constr. 2016, 72, 247–257. [Google Scholar] [CrossRef]
- Lachhab, F.; Malek, Y.N.; Bakhouya, M.; Ouladsine, R.; Essaaidi, M. A Context-Driven Approach using IoT and Big Data Technologies for Controlling HVAC Systems. In Proceedings of the 2018 5th International Conference on Control, Decision and Information, CoDIT 2018, Thessaloniki, Greece, 10–13 April 2018; pp. 694–699. [Google Scholar]
- Linder, L.; Vionnet, D.; Bacher, J.P.; Hennebert, J. Big Building Data-a Big Data Platform for Smart Buildings. Energy Procedia 2017, 122, 589–594. [Google Scholar] [CrossRef]
- Fan, C.; Xiao, F.; Madsen, H.; Wang, D. Temporal knowledge discovery in big BAS data for building energy management. Energy Build. 2015, 109, 75–89. [Google Scholar] [CrossRef]
- Singh, S.; Yassine, A. Big data mining of energy time series for behavioral analytics and energy consumption forecasting. Energies 2018, 11, 452. [Google Scholar] [CrossRef]
- Chen, H.M.; Chang, K.C.; Lin, T.H. A cloud-based system framework for performing online viewing, storage, and analysis on big data of massive BIMs. Autom. Constr. 2016, 71, 34–48. [Google Scholar] [CrossRef]
- Stavropoulos, G.; Krinidis, S.; Ioannidis, D.; Moustakas, K.; Tzovaras, D. A building performance evaluation & visualization system. In IEEE Big Data 2014, Proceedings of the 2014 IEEE International Conference on Big Data, Washington, DC, USA, 27–30 October 2014; Institute of Electrical and Electronics Engineers Inc.: Piscataway, NJ, USA, 2015; pp. 1077–1085. [Google Scholar]
- Yuan, Y.; Jin, Z. Life Cycle Assessment of Building Energy in Big-Data Era: Theory and Framework. In Proceedings of the 2015 International Conference on Network and Information Systems for Computers (ICNISC 2015), Wuhan, China, 23–25 January 2015; pp. 601–605. [Google Scholar]
- Kang, T.W.; Choi, H.S. BIM-based Data Mining Method considering Data Integration and Function Extension. KSCE J. Civ. Eng. 2018, 22, 1523–1534. [Google Scholar] [CrossRef]
- Arslan, M.; Riaz, Z.; Munawar, S. Building Information Modeling (BIM) Enabled Facilities management using hadoop architecture. In Technology Management for the Interconnected World, Proceedings of the Portland International Conference on Management of Engineering and Technology (PICMET 2017), Portland, OR, USA, 25–29 August 2019; Institute of Electrical and Electronics Engineers Inc.: Piscataway, NJ, USA, 2017; pp. 1–6. [Google Scholar]
- Mawed, M.; Aal-Hajj, A. Using big data to improve the performance management: A case study from the UAE FM industry. Facilities 2017, 35, 746–765. [Google Scholar] [CrossRef]
- Karim, R.; Westerberg, J.; Galar, D.; Kumar, U. Maintenance Analytics—The New Know in Maintenance. IFAC PapersOnLine 2016, 49, 214–219. [Google Scholar] [CrossRef]
- Mathew, P.A.; Dunn, L.N.; Sohn, M.D.; Mercado, A.; Custudio, C.; Walter, T. Big-data for building energy performance: Lessons from assembling a very large national database of building energy use. Appl. Energy 2015, 140, 85–93. [Google Scholar] [CrossRef]
- Zhou, K.; Yang, S. Understanding household energy consumption behavior: The contribution of energy big data analytics. Renew. Sustain. Energy Rev. 2016, 56, 810–819. [Google Scholar] [CrossRef]
- Aldairi, J.; Khan, M.K.; Munive-Hernandez, J.E. Knowledge-based Lean Six Sigma maintenance system for sustainable buildings. Int. J. Lean Six Sigma 2017, 8, 109–130. [Google Scholar] [CrossRef]
- Mostafa, S.; Lee, S.H.; Dumrak, J.; Chileshe, N.; Soltan, H. Lean thinking for a maintenance process. Prod. Manuf. Res. 2015, 3, 236–272. [Google Scholar] [CrossRef]
- McArthur, J.J.; Bortoluzzi, B. Lean-Agile FM-BIM: A demonstrated approach. Facilities 2018, 36, 676–695. [Google Scholar] [CrossRef]
- Shou, W.; Wang, X.; Wang, J.; Hou, L.; Truijens, M. Integration of BIM and Lean Concepts to Improve Maintenance Efficiency: A Case Study. Comput. Civ. Build. Eng. 2014, 955–1865. [Google Scholar] [CrossRef]
- Guillen, D.; Gomez, D.; Hernandez, I.; Charris, D.; Gonzalez, J.; Leon, D.; Sanjuan, M. Integrated methodology for industrial facilities management and design based on FCA and lean manufacturing principles. Facilities 2020, 38, 523–538. [Google Scholar] [CrossRef]
- Carstensen, A.K.; Bernhard, J. Design science research–a powerful tool for improving methods in engineering education research. Eur. J. Eng. Educ. 2019, 44, 85–102. [Google Scholar] [CrossRef]
- Velichety, S. Common Citation Analysis and Technology Overlap Factor: An Empirical Investigation of Litigated Patents Using Network Analysis. In Proceedings of the International Conference on Design Science Research in Information Systems, Las Vegas, NV, USA, 14–15 May 2012. [Google Scholar]
- Hevner, A.R.; Gregor, S. Positioning and Preenting Design Science: Types of Knowledge in Design Science Research. MIS Q. 2016, 37, 337–355. [Google Scholar]
- Hevner, A.R.; March, S.T.; Park, J.; Ram, S. Design Science in Information Systems Research. MIS Q. 2004, 28, 75–105. [Google Scholar] [CrossRef]
- Willems, J.; Willaert, P.; Van Den Bergh, J.; Deschoolmeester, P.D. The Process-Oriented Organisation: A Holistic View Developing a Framework for Business Process Orientation Maturity. In Proceedings of the 5th International Conference on Business Process Management, Brisbane, Australia, 24–28 September 2007. [Google Scholar]
- Braun, R.; Burwitz, M.; Schlieter, H.; Benedict, M. Clinical processes from various angles-amplifying BPMN for integrated hospital management. In Proceedings of the 2015 IEEE International Conference on Bioinformatics and Biomedicine (BIBM 2015), Washington, DC, USA, 9–12 November 2015; pp. 837–845. [Google Scholar]
- Smart, B. Information Delivery Manual (IDM)—Buildingsmart Technical. Available online: https://technical.buildingsmart.org/standards/information-delivery-manual/ (accessed on 20 July 2020).
- Khalfallah, M.; Figay, N.; Ghodous, P.; Ferreira, C.; Silva, D. LNBIP 144—Cross-Organizational Business Processes Modeling Using Design-by-Contract Approach. In Proceedings of the International IFIP Working Conference on Enterprise Interoperability, Enschede, The Netherlands, 27–28 March 2012. [Google Scholar]
- Lazarte, I.M.; Ia, L.; Thom, H.; Iochpe, C.; Chiotti, O.; Villarreal, P.D. A distributed repository for managing business process models in cross-organizational collaborations. Comput. Ind. 2013, 64, 252–267. [Google Scholar] [CrossRef]
- Sacks, R.; Eastman, C.; Lee, G.; Teicholz, P. BIM Handbook: A Guide to Building Information Modeling for Owners, Designers, Engineers, Contractors, and Facility Managers; John Wiley & Sons: Hoboken, NJ, USA, 2018. [Google Scholar]
- Abdirad, H.; Dossick, C.S. Normative and descriptive models for COBie implementation: Discrepancies and limitations. Eng. Constr. Archit. Manag. 2019. [Google Scholar] [CrossRef]
- Pinheiro, S.; Wimmer, R.; O’Donnell, J.; Muhic, S.; Bazjanac, V.; Maile, T.; Frisch, J.; van Treeck, C. MVD based information exchange between BIM and building energy performance simulation. Autom. Constr. 2018, 90, 91–103. [Google Scholar] [CrossRef]
- Cemesova, A.; Hopfe, C.J.; Rezgui, Y. An approach to facilitating data exchange between bim environments and a low energy design tool. In Proceedings of the 13th Conference of International Building Performance Simulation Association, Chambery, France, 26–28 August 2013; pp. 25–30. [Google Scholar]
- Amasyali, K.; El-Gohary, N.M. A review of data-driven building energy consumption prediction studies. Renew. Sustain. Energy Rev. 2018, 81, 1192–1205. [Google Scholar] [CrossRef]
- Tian, W.; Han, X.; Zuo, W.; Sohn, M.D. Building energy simulation coupled with CFD for indoor environment: A critical review and recent applications. Energy Build. 2018, 165, 184–199. [Google Scholar] [CrossRef]
- Liu, T.; Tan, Z.; Xu, C.; Chen, H.; Li, Z. Energy & Buildings Study on deep reinforcement learning techniques for building energy consumption forecasting. Energy Build. 2020, 208, 109675. [Google Scholar]
- White, T. V4 Hadoop: The definitive Guide. 2015. Available online: https://doi.org/citeulike-article-id:4882841 (accessed on 20 June 2020).
© 2020 by the authors. Licensee MDPI, Basel, Switzerland. This article is an open access article distributed under the terms and conditions of the Creative Commons Attribution (CC BY) license (http://creativecommons.org/licenses/by/4.0/).










