Abstract
Nowadays, nobody can deny that climate change is a reality and that the life cycle of buildings contributes greatly to that reality. Therefore, proposals such as the circular economy must be integrated into the construction sector. This article shows part of the results of a research project whose objective is to introduce circular economy criteria in building materials, seeking new uses for construction and demolition waste from buildings. In particular, this article analyses the possibility of replacing fibres currently used to reinforce cement mortars with recycled fibres. After consulting the bibliography, we can conclude that some studies analyse the behaviour of cement mortars reinforced with different types of fibres, but none has been found that analyses the behaviour of these mortars for the application of continuous coatings. For this purpose, a two-stage experimental plan is designed to test cement mortar samples with different types of fibres, recycled fibres and commercial fibres, taking into consideration the characteristics that these mortars have to comply to be applied as continuous coatings. Moreover, a detailed study about the porosity of these mortars and its influence on how the mortars behave with regard to compression, water vapour permeability and impermeability has been conducted. From the results obtained, it can be concluded that the mortars containing recycled fibres have very similar resistance, absorption and permeability values to those containing commercial fibres, so that they might be suitable for application as external coatings.
1. Introduction
It is true that the climate has always been changing, but the problem is that currently the pace is faster than humans have ever seen. If this pace is maintained over time, if we do not stop it, climate change threatens to make parts of the planet uninhabitable for life as we know it.
It has been scientifically proven that the industry, and in particular the construction industry, is partially responsible for this problem since it is one of the sectors that consumes more resources and generates more emissions and waste [1]. Therefore, working to reduce the impact it generates is essential [2].
According to the UK Green Building Council (UKGBC), the construction sector uses more than 400 million tons of material each year. In particular, the products that are used during the construction process can damage the environment due to intensive extraction of raw materials, transporting to manufacturing plant and site, energy consumption in manufacture and in use, waste generation and so on [3].
In Spain, in 2007, there was an expenditure of 20.1 tons of resources and materials per person and per year, compared to the 16.5 tons of the EU average, although it is true that during 2007 there was a high level of building [4]. In addition, the manufacture of construction materials consumes a large amount of energy, especially in the case of materials such as glass or plastics [5].
On the other hand, the production of waste from construction and demolition waste (CDW), occurs in each and every phase of the building life cycle [6]. These CDW cause damage, not only in their immediate surroundings [7], but also because of the contamination of the soil where they are deposited, the contamination of the runoff water or nearby rivers, atmospheric pollution due to volatile elements and odours, degradation of the surroundings and consumption of transport energy and maintenance of landfills [8].
Therefore, moving from a linear economy to a circular economy is one of the strategies that will reduce both the consumption of resources and the waste generated [9]. In addition, this strategy must be viewed from a global vision of the entire life cycle of buildings [10].
In 2015, the European Commission adopted an ambitious Circular Economy Action Plan, which includes measures that will help stimulate Europe’s transition towards a circular economy, boost global competitiveness, foster sustainable economic growth and generate new jobs.
The EU Action Plan for the Circular Economy establishes a concrete and ambitious program of action, with measures covering the whole cycle: from production and consumption to waste management and the market for secondary raw materials and a revised legislative proposal on waste [11].
Therefore, in the last decade there have been many studies whose objectives have been to incorporate circular economy criteria in the manufacture of construction materials, specifically on cement mortars, for example the studies by Aciu et al. [12], which conclude that it is possible to manufacture mortars with PVC waste, or the studies by Piña et al., [13], that confirm the feasibility of replacing, in mortars, glass or polypropylene reinforcing fibres by fibres from mineral wool residues, or the studies by Morales Conde et al. [14], that analyse the Physical and mechanical properties of wood-gypsum composites from demolition material in rehabilitation works or the works done by Gadea et al. [15], about lightweight mortar made with recycled polyurethane foam or the research projects done by Muñoz-Ruiperez et al. [16], about mortars made with expanded clay and recycled aggregates.
On the other hand, coatings are finishes of building façades that perform a dual function: providing a specific appearance (colour and texture) and improving some of the façade’s characteristics.
These coatings are usually cement-based mortar (plaster and render) or mixed cement and limestone and are used to be mixed on site with approximate dosages, which means that throughout the work, the composition of the coating might not be homogeneous as it depends on the experience and skill of the workers. Therefore, ready-to-use coatings have been on the market for a number of years, and only the water recommended by the manufacturer has to be added on site, eliminating the drawbacks of on-site preparation and hence the lack of homogeneity of traditional coatings. This type of mortar is known as single layer coating [17]. These mortars are normally quite fluid, as they are usually projected, and a significant yield is sought when they are administered.
The composition of coating mortars depends on the rendering properties required but, in general, they are based on cement (white or grey), rarely lime, and contain carbonate/silica aggregates [18]. They can also incorporate lightweight aggregates such as perlite, vermiculite, etc., and other additives such as pigments, water retainers, water repellents, aerators, accelerators, retardants, synthetic resins, fibres, etc. These aggregates are more typical in single layer coatings, as they improve ease of application, adhesion, mechanical strength or surface hardness, water impermeability, or water vapour permeability. The typical composition of cement mortars used in coatings is around 1:3:0.6 (cement: sand: water), [19,20,21], with the percentages of additions varying widely.
Despite the advantages of using single layer coatings, it is still very common to apply cement mortar coatings on walls in the traditional way, since the mortars used provide significant durability and high adhesion, which has made them historically suitable for outdoor use.
Coating mortars are defined in Standards UNE-EN 998-1:2003, [22], executed according to UNE-EN 13914-1:2019 [23] and UNE-EN 13914-2:2019 [24] and are categorised according to two basic characteristics: Compressive strength (CS), calculated according to UNE-EN 1015-11:2000/A1:2007 [25] and Water Absorption (W) calculated according to UNE-EN 1015-18:2003 [26].
The properties of mortars depend not only on their composition but also on certain external conditions such as the preparation of the substrate, the application of the product and the protection of the coating.
Cement-based coatings require compressive strength and water absorption that are achieved with relatively low cement dosages. In fact, it can be affirmed [27] that the proportion of cement added to the mortar is directly related to their impermeability and rigidity. Mortars with larger proportions of cement are more rigid, which means a greater probability of cracks appearing, which are their main setback. Mortars used in these study trials seek a balance between rigidity and impermeability without sacrificing good results in both aspects, which are fundamental in a good coating mortar.
Cracking can occur for different reasons, which have been studied in detail by several authors [28]. The primary causes range from microcracks caused by shrinkage during the setting or drying of the binder to the low plastic deformability of the mortar [29] and are usually combined with others of a secondary nature, such as sensitivity to thermal or mechanical actions [30].
A key consequence of the cracking of coating mortars is the increase in their permeability to water [31]. The appearance of cracks in the mortar causes major permeability problems both in the short and long term. One of the immediate problems is the appearance of dampness inside enclosures; one of the long-term problems is the logical increase (by attrition) in the size of the cracks and the consequent degradation of the mortar.
Different strategies are used to prevent this cracking. These include the use of additions to improve mortar plasticity [32], the incorporation of different types of fibres in their preparation [33], or the insertion of meshes or reinforcements between coating layers. These techniques can be used together to reduce the possibility of cracks but do not always eliminate them completely.
However, there is agreement in the academic community that the appearance of a crack implies a change in the permeability of the material. This leads to a reduction in its durability, since once the crack has occurred the properties of the material change drastically, and it cannot be assumed that the estimated durability for an uncracked surface can be maintained [28].
2. Purpose
This article shows part of the results of a research project that analyses the viability of replacing, in mortars for coatings, glass and polypropylene fibres (fibres commonly used today) by fibres from the recycling of mineral wool insulation panels [13] and analyses their cracking and water behaviour.
3. Experimental Plan
A two-phase experimental plan was designed to analyse the behaviour of these mortars with respect to the requirements of current regulations: resistance to compression and water absorption. The relationship between shrinkage cracks and mortar porosity with the different types of fibres used was also included in the experimental plan.
3.1. Materials
Cem II/B-L 32.5 N cement and natural river sand sieved through a 4 mm mesh screen from a gravel pit or quarry were used.
The water used comes from the Canal de Isabel II of the Community of Madrid. Its technical characteristics are established in standard UNE EN 13279-2 [34].
Three types of mineral wool waste were also used (Figure 1). These were collected manually from the Centre for the Integral Treatment of Construction and Demolition Waste on the N-1 motorway to Irún, Km 40, in the town of El Molar, Community of Madrid and managed by Gestión y Desarrollo del Medio Ambiente de Madrid (GEDESMA S.A.) They were stored outdoors and mixed with other waste materials. After selecting this waste, it was separated into piles of hand rock wool (RLR) and fibreglass (RFV). A sample of unselected mixed mineral wool waste, as it was found in the landfill, was also collected (RMIX). The three types of mineral fibre residues were subjected to grinding in a 550 W machine at a nominal voltage of 50 Hz, for 3 intervals of 3 min each, to obtain a format that was suitable to be included in the mortars with a length of 500–1000 µm.
Figure 1.
Mineral fibre waste: rock wool (left); fibreglass (centre); mixed (right).
The commercial polypropylene fibres used were 6-metre long SikaCim® Fibres-6 for concrete and mortars from Sika, S.A.U. and 12 mm long AR Tecnicret® fibreglass (Figure 2).
Figure 2.
Commercial fibreglass fibres (left); polypropylene (right).
3.2. Composition of the Mixtures
Six different cement mortar mixtures were prepared in the laboratory: a reference mortar without fibres (MREF), three mortars with mineral wool waste from insulation: mortar with rock wool waste (MRLR), mortar with fibreglass waste (MRFV) and mortar with a combination of mineral wool waste (MMIX), and two mortars with commercial fibres to compare their behaviour with the recycled samples: mortar with fibreglass (MFV), mortar with polypropylene fibre (MPP).
The dosage maintained in all mixtures is 1:3:0.6 (cement: sand: water), (Table 1); this dosage was established based on the bibliography consulted [19,20,21] and the results can be compared with other previous works [13].
Table 1.
Sample dosage.
3.3. Tests
The experimental plan was conducted in two phases:
Phase 1
In the first phase, 4 × 4 × 16 cm specimens are made of the reference mortar and the mortars reinforced with commercial fibres and fibres from the recycling of RCD (Figure 3).
Figure 3.
Cement mortar mixtures specimens prepared in the laboratory.
The physical, mechanical and behavioural tests against water were carried out on these specimens, as listed below:
Bulk density of fresh mortar (UNE-EN 1015-6) [35]: it has been calculated as the mass of each of the mixtures divided by the volume occupied by the mortar introduced and compacted in a container. The mass considered has been that necessary to fill the 1-L container. The filling of the container has been carried out in two stages. In the first one, half of the container is filled and tapped 10 times for compaction; in the second stage, the container is filled to its limit and compacted again by striking it 10 times.
Compressive strength: (UNE-EN 1015-11) [25]: The Ibertest Autotest 200 cement strength testing machine was used in 4 × 4 × 16 cm3 specimens. With constant speed, a load was gradually applied at a rate between 50 and 500 N/s until failure occurs and the value obtained was recorded.
Consistence (UNE-EN 1015-3) [36]: The flow table method was used, according to the procedure described in part 3 of the standard. The fresh mortar is poured in two layers on a frustoconical mould placed on the shaking table; each layer is compacted with ten tapping strokes. After 15 s, the mould is removed, and 15 vertical shakes are carried out with a constant frequency of approximately 1 s. using the calliper, the diameter of the mortar is measured in two perpendicular directions and the average value is calculated.
Water absorption by capillarity (UNE-EN 1015-18): [26] It was calculated by obtaining the amount of water absorbed by the 160 × 40 × 40 mm prismatic samples cured after 28 days and dried in an oven. The test specimens are impregnated with paraffin and then broken into two halves. On the break side they are submerged in water with a depth of between 5 and 10 mm.
Total absorption: The specimens are dried in a stove for 24 h, cooled in a desiccator to ambient laboratory temperature, and subsequently immersed in water, weight increases by water absorption after 24 and 48 h were recorded.
Water vapour permeability (UNE-EN 1015-19): [37]: The amount of water that has passed per unit area of the specimen in a unit of time when there is a pressure difference of one unit between its walls.
For this purpose, circular specimens are made with fresh mortar. After curing, these specimens are placed on perimeter sealed containers. These vessels contain a saline solution of potassium nitrate that maintains the relative humidity at 93.2%. The difference in relative humidity between the two faces of the test piece causes the water to gradually evaporate.
Phase 2
In the second phase, a detailed study of the shrinkage cracking and porosity was conducted on the previous mortars, as described below:
Contraction test (UNE 80112) [38]: (shrinkage): Changes in length of each sample were measured compared to the original length. The specimens used, measuring 25x25x285 mm3, had stainless steel cylinders at their ends, to be placed in a vertical position, on the length comparator, at the time of measurement. This measurement has been carried out at mould release, at 7 days and at 14 days.
Air content (UNE-EN 1015-7) [39]: Obtained by means of the pressure method in which pressurized air was applied to the chamber containing the mortar and, when it decreased, the air content present in the sample was indicated on the measuring device. This test was carried out by filling, in four layers, the container with fresh mortar. Each layer was compacted with 10 short strokes of the piston. Once the container—to which a manometer had been connected—was levelled, air was injected into the air chamber until it reached a stable pressure, which was determined in a first calibration test. The valves were closed and, once equilibrium was reached, the air content value was read from the manometer.
Porosimetry by injection of Hg: The AutoPore IV 9500 porosimeter was used to characterize the porosity of the material by applying several pressure levels to the sample submerged in mercury, with the pressure required to produce the penetration of the mercury being inversely proportional to the size of the pores. The specimens made for this test were cylindrical, with a diameter of 10 mm and a height of 10 mm. The test was carried out at room temperature, bringing the sample to a vacuum of 50 µmHg that was kept for five minutes. Subsequently, each sample was subjected to increasing pressures that force the mercury percolation into the pores up to 206MPa.
Scanning electron microscopy: The JEOL JSM-840 high-resolution environmental scanning microscope was used to study of the crystalline texture and morphology of the 6 different mortar mixtures. This microscope allows the observation of samples of sizes up to 50-100-150 mm in the motorized stage. The samples tested, small fragments of approximately 10x10 mm2, were taken from rests of the specimens that were subjected to flexion and compression tests. Once placed under the microscope, “the beam passes through the condenser and objective lenses, and is swept across the sample by the scanning coils, while a detector records the number of low-energy secondary electrons emitted for each point on the surface ”, so that an SEM image is formed [40].
4. Results and Discussion
4.1. Results Obtained in Phase 1
The results obtained from the physical, mechanical and water behaviour tests are shown.
4.1.1. Apparent Density of Fresh Mortar and Consistency
Figure 4, shows the average of the results obtained in three test specimens of each mixture of the bulk density test on the fresh mortar and the consistency of the mixtures. It can be seen that adding fibres, whether they be from waste or commercial sources, decreases their density with regard to the reference mixture (MREF) but very slightly due to the small amount of fibres added.
Figure 4.
Results of the test of the apparent density of the fresh mortar (kg/m3) and consistency of the mixtures (cm).
The mortar containing commercial fibres MPP has the lowest density (1201 kg/m3) very similar to that containing MRFV fibre waste (1204 kg/m3), representing only a decrease of 2.50% in comparison with the reference density (1232 kg/m3). MFV and MRLR mixtures have the highest density value (1216 kg/m3), although this is 1.30% lower than the reference mortar. It should be noted that all of them could be considered as lightweight mortars as they have a density of less than 1300 kg/m3 according to UNE EN 1015-6 [35].
Regarding consistency, all mixtures are within the range established for plastic mortars in the standard mentioned in the previous paragraph. The values of the mortars containing fibres are between 10.2% and 3.2% lower than those of MREF. Plasticity values showed that the most fluid mixture was MRLR (166 mm) similar to that of MFV (167.5 mm) and the less fluid one was MRFV (179 mm) similar to MMIX (178 mm). The MPP mixture showed intermediate values (170 mm).
It should be pointed out that MRFV and MFV mortars behave differently, while the former has a lower density value and a drier consistency (within the plasticity range), the latter has a higher density value with a higher, more fluid consistency.
4.1.2. Compressive Strength Test
Compressive strength of the test pieces after the test is shown in Figure 5. These results are the average of those obtained in 3 test specimens of each mixture considered.
Figure 5.
Result of the compressive strength test (N/mm2).
Compressive strength for mortars MRLR-MRFV decreased by 0.04%–10.53% in relation to the reference and, on the contrary, mortars MMIX-MPP-MFV increased by 9.34%–1.06%–7.56%. Similar to what occurs in the compressive strength test in the previous section, the mortar containing the fibre waste with better compression resistance was MMIX (25.75 N/mm2), and the worst was MRFV (21.07 N/mm2). In the case of mortars with commercial fibres, MFV (25.33 N/mm2) showed an improved performance of 3.39% compared to MPP (23.80 N/mm2), as stated by other researchers [41,42].
In all cases, the minimum values established in standard UNE-EN 1015-11:2000/A1:2007 [25] were exceeded for the case of mortars R1 and/or R3, whose compressive strength should be 3.5–7.5 N/mm2 and/or ≥ 6 N/mm2.
4.1.3. Absorption of Water by Capillarity
The average of the results of the tests carried out on 3 test pieces of each mixture for the absorption of water by capillarity test is shown in Figure 6. These mortars must absorb as little as possible due to their application. This particularly affects mortars exposed to rainwater and those located at the base of the foundations. The greater the water absorption, the greater the possibilities of the appearance of moisture by filtration. In any case, the standard UNE-EN 1015-18 [26]: requires for mortars R1 c ≤ 0.4 kg/m2 min0.5 and mortars R3 c ≤ 0.2 kg/m2 min0.5.
Figure 6.
Result of the water absorption test by capillary action (kg/m2∙min0.5).
While mortars containing fibre waste had a higher absorption coefficient in relation to the reference mortar, MRFV 16.7%, MRLR and MMIX 8.3%, this was considerably lower for mortars containing commercial fibres, MPP by 20.8% and MFV by 25%. The mortar with the greatest water absorption capacity by capillarity was MRFV (0.28 kg/m2∙min0.5 and the lowest capacity MFV (0.18 kg/m2∙min0.5). Therefore, all mortars in this study would comply with the specifications of standard mortars (R1) with medium resistance to filtration, and only mortars containing commercial fibres would comply with the provisions of mortars (R3), that is, with very high resistance to filtration. The reference mortar would not meet the values established for mortars (R3) either, as occurs in other studies [43].
4.1.4. Total Water Absorption
Figure 7 shows total water absorption values of the mixtures under study. These results are the average of the data obtained in the 3 test specimens of each mixture. It can be seen that, after 24 h, the samples are practically saturated since the increase is between 0% and 0.02%.
Figure 7.
Result of the total water absorption test (g).
In this test, all the mixtures exceeded the 4.5% increase in weight obtained by MREF, except for MMIX, which decreased its total absorption by approximately 8.90% with respect to said reference. It should be noted that, at 24 h, the mortar containing fibre waste with the greatest total absorption is MRLR (4.75%), compared to that containing commercial fibre, MPP (4.93%). MMIX (4.1%) and MFV (4.59%), with fibre waste and commercial fibres, respectively, have a lower total absorption capacity.
4.1.5. Permeability to Water Vapour
This section contains an analysis of the degree of resistance to the passage of water vapour through ready-made mortars. The previous section showed that mortars for outdoor use should be as impermeable as possible, and it should be noted that they must maintain their water vapour permeability to allow for transpiration of walls and prevent the appearance of condensation on the inside.
Table 2 shows the results of the weights obtained during the 6-week duration of the water vapour permeability test in one test specimen of each mixture; Figure 8 shows the water vapour permeability values, which are very similar to those of the reference mortar.
Table 2.
Weights of the samples for 6 weeks (g).
Figure 8.
Result of the water vapour permeability test (Kg/m2∙s∙Pa).
Mortars with fibre waste, MRLR-MRFV-MMIX, have the lowest values of water vapour permeability, i.e., 2.87%-0.38%-1.15% less than the reference mortar. In the case of commercial fibres, MPP also showed a reduction of 5.37% in relation to the reference mortar but MFV increased its value by 3.83% (Figure 8). The mortar with the lowest water vapour permeability was MPP with a value of 5.0321*10−14. This is due to the fact that, contrary to water absorption values, higher values of water vapour permeability are obtained in mortars with a greater amount of aggregate [44], since CO2 diffuses better in the aggregate than in the matrix, favouring permeability.
4.2. Results Obtained in Phase 2
4.2.1. Shrinkage
Figure 9 shows the values obtained in the contraction test in 24 h, 7 days and 14 days. They represent the average of 4 test specimens of each mixture. After the first day, there were significant differences between the reference mortar and some of the prepared samples.
Figure 9.
Result of retraction test (%).
After 24 h, mortars containing fibre waste, MRLR-MRFV-MMIX, reached 90.91%–27.27%–54.55% respectively, in relation to the reference mortar. The commercial fibre mortar MPP had the same shrinkage as MREF, but MFV had 18.18% less shrinkage.
After 7 days, the mortar containing fibre waste, MRLR, and commercial fibre mortars, MPP-MFV, retracted 4.55%–9.09%–9.09% less, respectively, than the reference mortar. MRFV and MMIX showed greater shrinkage than MREF, more specifically 4.55% and 9.09%.
Finally, after 14 days, only the mortars containing commercial fibres, MPP-MFV, showed the least shrinkage [45], 4.26%–6.38% less, in relation to the reference mortar, respectively. The mortars with fibre waste residues, MRLR-MRFV-MMIX, showed greater retraction than MREF, i.e., 6.38%–12.77%–14.89%, respectively.
4.2.2. Air Content and Porosimetry
The amount of air content from fresh mortars directly influences the porosity of the material, a greater amount of air causes greater porosity, which improves workability but reduces mechanical resistance.
The results of both tests are shown in Figure 10. This test was carried out on one test specimen of each mixture. When the fibre waste or commercial fibres were incorporated into the mortars, the air content decreased in relation to the reference sample [46].
Figure 10.
Result of the test on air content in fresh mortar (%) and porosimetry (%).
Mortar containing fibre waste, MRLR, showed a greater amount of air content (5.2%) and still represented 16.13% less than MREF; MRFV showed the least amount of air content (4.5%), 27.42% less than MREF. Regarding commercial fibres, MFV showed the highest air content (5.8%), 6.45% less than the reference sample.
The results of the air content tests in the fresh mortar did not coincide exactly with those obtained in the porosimetry test on dry mortars. The mortar containing fibre waste that showed the highest percentage of pores is MRFV (17.2%), 11.47% more than MREF; the lowest percentage was shown by MRLR (14.73%), with 4.54% less pores than the reference sample. Amongst mortars containing commercial fibres, MPP showed the least amount of pores (16.92%), 9.66% more than MREF, and MFV showed the lowest amount (16.09%), 4.28% more than the reference sample.
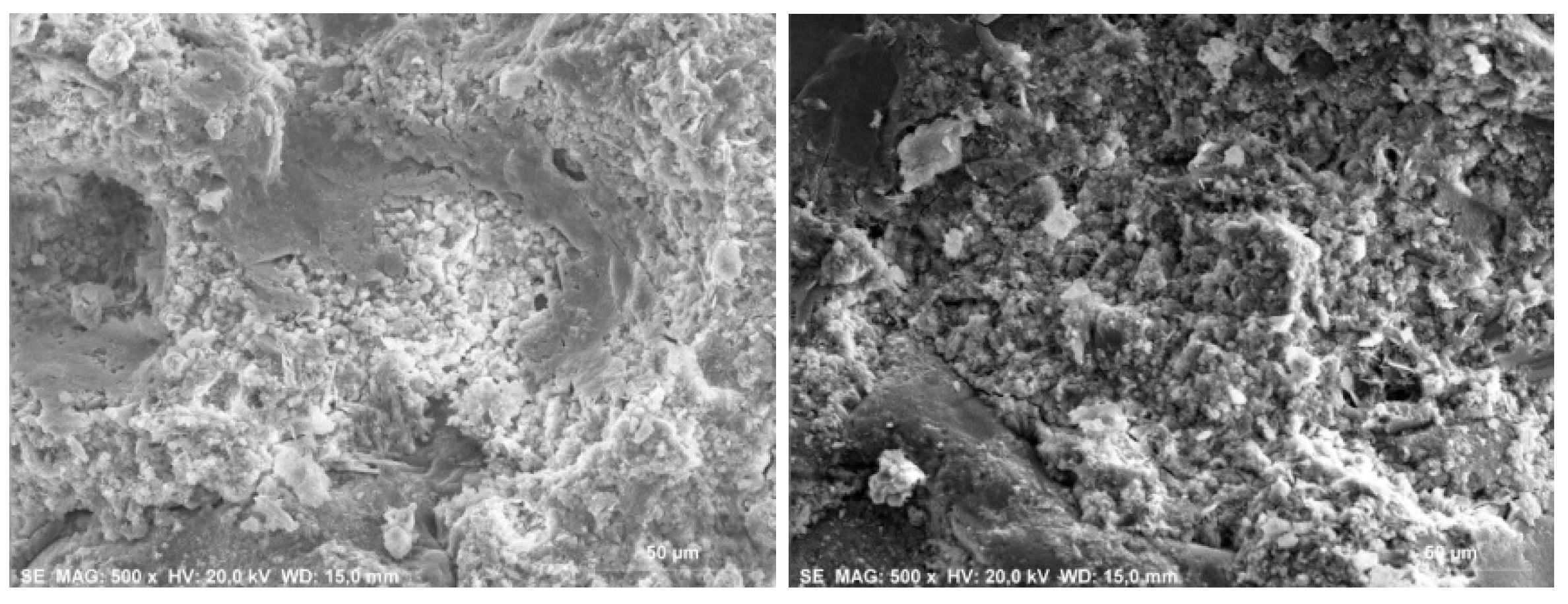
4.2.3. Scanning Electron Microscopy
Photomicrographs of selected compounds are shown in Figure 11, Figure 12 and Figure 13. It can be seen in the images that there is a good dispersion of the fibres in the mortars, although it is also obvious that the distribution may not be homogeneous, preventing control of surface properties.
Figure 11.
Microscopic image of the reference mixture (MREF).
Figure 12.
Microscopic image of mixtures containing fibre waste: mortar with rock wool waste (MRLR) (left), mortar with fibreglass waste (MRFV) (centre), mortar with a combination of mineral wool waste (MMIX) (right).
Figure 13.
Microscopic image of mixtures containing commercial fibres: mortar with polypropylene fibre (MPP) (left), mortar with fibreglass (MFV) (right).
It should be noted that ready-made mortars do not have a high percentage of fibres and that these quantities are not enough to produce significant changes in the microscopic structure of the composite material [20].
Therefore, these results indicate that the presence of fibres does not affect the setting process of the mortar, where the mortar mass sets around the fibres without any additional or significant porosity occurring in the pore size range covered by these experimental techniques. In other words, the fibres are “surrounded” by the set mass, indicating good adhesion between the mortar and the fibres, which is also proven by good mechanical behaviour.
5. Conclusions
As a general conclusion, it can be confirmed that it is possible to replace in coatings the fibres usually used by fibres from recycling.
As specific conclusions:
All the mortars studied show that fibres from recycling do not affect the setting of the mortar, nor do they produce significant changes in the microscopic structure of the compound, as their behaviour is very similar to that of the mortars reinforced with commercial fibres.
In addition, and because the amount of fibres added is not very large, the density of the mortars reinforced with fibres from recycling is similar to the density without fibres or reinforced with commercial fibres. These can be considered lightweight mortars, since their density is lower than 1300 Kg/m3 according to UNE EN 1015-6 [35].
Regarding consistency, it should be noted that mortars reinforced with recycled fibres have consistencies similar to those reinforced with commercial fibres, such as plastic mortars, and are within the range established in the standard mentioned in the previous paragraph.
These mortars are found to be viable for exterior coatings as, similar to all of those with recycled fibres, they exceed the minimum values of compressive strength established in standard UNE-EN 1015-11:2000/A1:2007 [25] for mortars R1 and/or R3, 3.5–7.5 N/mm2 and/or ≥ 6 N/mm2 and with water absorption values that are typical of mortars designated as R1, medium resistance to filtration. They can be suitable for application as exterior coatings even on walls exposed to rain and moisture. At this point, it should be noted that mortar reinforced with commercial fibres complies with the provisions of the standard for mortars (R3), i.e., mortars with very high resistance to filtration would be obtained.
Finally, it has been found that the type of fibre does not affect the water vapour permeability of mortars, since the permeability values obtained in all reinforced types are very similar to those of the reference mortar. However, shrinkage of mortars is lower in those reinforced with commercial fibres, which is probably due to the greater length of these, so it would be interesting to work with longer recycled fibres to confirm that their length plays a decisive role in the reduction of shrinkage.
Author Contributions
M.d.R.M. conceived the original idea and supervised the project. C.P.R. and A.V.B. planned the experiments and carried out the experimental Plan. J.G.M. and P.d.S.S. contributed to the interpretation of the results and wrote the manuscript. All authors have read and agreed to the published version of the manuscript.
Funding
This research received no external funding.
Conflicts of Interest
The authors declare no conflict of interest.
References
- Liu, T.; Song, W.; Zou, D.; Li, L. Dynamic mechanical analysis of cement mortar prepared with recycled cathode ray tube (CRT) glass as fine aggregate. J. Clean. Prod. 2018, 174, 1436–1443. [Google Scholar] [CrossRef]
- Salah, M. The dilemma of developing architectural minds aiming for sustainability. In Proceedings of the International Conference for Academic Disciplines Al Ain University of Science and Technology (AAU), and the American-Based International Journal of Arts and Sciences (IJAS), Al Ain, United Arab Emirates, 31 January 2016. [Google Scholar]
- Resource Use. UKGBC’s Vision for a Sustainable Built Environment Is One That Eliminates Waste and Maximises Resource Efficiency. Available online: https://www.ukgbc.org/resource-use/ (accessed on 14 August 2019).
- Cerrillo, A. España Modera el Uso de Recursos Naturales. La Vanguardia. Available online: https://www.lavanguardia.com/medio-ambiente/20120219/54256331741/-espana-modera-uso-recursos-naturales.html (accessed on 19 February 2012).
- Ling, T.C.; Poon, C.S. A comparative study on the feasible use of recycled beverage and CRT funnel glass as fine aggregate in cement mortar. J. Clean. Prod. 2012, 29, 46–52. [Google Scholar] [CrossRef]
- Martínez, P.S.; Cortina, M.G.; Martínez, F.F.; Sánchez, A.R. Comparative study of three types of fine recycled aggregates from construction and demolition waste (CDW), and their use in masonry mortar fabrication. J. Clean. Prod. 2016, 118, 162–169. [Google Scholar] [CrossRef]
- Xuan, W.; Chen, X.; Yang, G.; Dai, F.; Chen, Y. Impact behavior and microstructure of cement mortar incorporating waste carpet fibers after exposure to high temperatures. J. Clean. Prod. 2018, 187, 222–236. [Google Scholar] [CrossRef]
- Butera, S.; Christensen, T.H.; Astrup, T.F. Life Cycle Assessment of construction and demolition waste management. Waste Manag. 2015, 44, 196–205. [Google Scholar] [CrossRef]
- Sanjuán-Barbudo, M.A. Cemento y hormigón en la economía circular. Cem. Hormig. 2016, 976, 6–16. [Google Scholar]
- Barrios, Á. Impactos Ambientales en Construcción Sostenible. Construcción Sostenible. 2012. Available online: https://www.eoi.es/wiki/index.php/Construcción_sostenible (accessed on 30 May 2019).
- Mercader Moyano, P.; Ramírez de Arellano Agudo, A. Selective classification and quantification model of C&D waste from material resources consumed in residential building construction. Waste Manag. Res. 2013, 31, 458–474. [Google Scholar]
- Aciu, C.; Ilutiu-Varvara, D.A.; Manea, D.L.; Orban, Y.A.; Babota, F. Recycling of plastic waste materials in the composition of ecological mortars. Procedia Manuf. 2018, 22, 274–279. [Google Scholar] [CrossRef]
- Ramírez, C.P.; Sánchez, E.A.; del Río Merino, M.; Arrebola, C.V.; Barriguete, A.V. Feasibility of the Use of Mineral Wool Fibres Recovered from CDW for the Reinforcement of Conglomerates by Study of Their Porosity. Constr. Build. Mater. 2018, 191, 460–468. [Google Scholar] [CrossRef]
- Morales Conde, M.J.; Rodriguez Liñan, C.; Pedreño Rojas, M.A. Physical and mechanical properties of wood-gypsum composites from demolition material in rehabilitation works. Constr. Build. Mater. 2016, 114, 6–14. [Google Scholar] [CrossRef]
- Gadea, J.; Rodríguez Saiz, A.; Campos, P.L.; Garabito, J.; Calderón, V. Lightweight mortar made with recycled polyurethane foam. Cem. Concr. Compos. 2010, 32, 672–677. [Google Scholar] [CrossRef]
- Muñoz-Ruiperez, C.; Rodríguez Saiz, A.; Gutiérrez-González, S.; Calderón, V. Lightweight masonry mortars made with expanded clay and recycled aggregates. Constr. Build. Mater. 2016, 118, 139–145. [Google Scholar] [CrossRef]
- Sandin, K. Mortars for Masonry and Rendering, Choice and Application. Build. Issues 1995, 7. [Google Scholar]
- Junco, C.; Gadea, J.; Rodríguez, A.; Gutiérrez-González, S.; Calderón, V. Durability of lightweight masonry mortars made with white recycled polyurethane foam. Cem. Concr. Compos. 2012, 34, 1174–1179. [Google Scholar] [CrossRef]
- Cheng, A.; Lin, W.T.; Huang, R. Application of Rock Wool Waste in Cement-Based Composites. Mater. Des. 2011, 32, 636–642. [Google Scholar] [CrossRef]
- Lin, W.T. Improved Microstructure of Cement-Based Composites through the Addition of Rock Wool Particles. Mater. Charact. 2013, 84, 1–9. [Google Scholar] [CrossRef]
- Wang, R.; Meyer, C. Performance of Cement Mortar Made with Recycled High Impact Polystyrene. Cem. Concr. Compos. 2012, 34, 975–981. [Google Scholar] [CrossRef]
- UNE-EN 998-1:2010, Specification for Mortar for Masonry—Part 1: Rendering and Plastering Mortar; Spanish Association for Standardization: Madrid, Spain, 2010.
- UNE-EN 13914-1:2019, Design, Preparation and Application of External Rendering and Internal Plastering—Part 1: External Rendering; Spanish Association for Standardization: Madrid, Spain, 2019.
- UNE-EN 13914-2:2019, Design, Preparation and Application of External Rendering and Internal Plastering—Part 2: Design Considerations and Essential Principles for Internal Plastering; Spanish Association for Standardization: Madrid, Spain, 2019.
- UNE-EN 1015-11:2000/A1:2007, Methods of Test for Mortar for Masonry—Part 11: Determination of Flexural and Compressive Strength of Hardened Mortar; Spanish Association for Standardization: Madrid, Spain, 2000.
- UNE-EN 1015-18:2003, Methods of Test for Mortar for Masonry—Part 18: Determination of Water Absorption Coefficient due to Capillary Action of Hardened Mortar; Spanish Association for Standardization: Madrid, Spain, 2003.
- Veiga, M.R.; Velosa, A.L.; Magalhães, A.C. Evaluation of mechanical compatibility of renders to apply on old walls based on a restrained shrinkage test. Mater. Struct. 2007, 40, 1115–1126. [Google Scholar] [CrossRef]
- Lepech, M.; Li, V.C. Water permeability of cracked cementitious composi-tes. In Proceedings of the 11th International Conference on Fracture 2005 (ICF11), Turin, Italy, 20–25 March 2005; pp. 1464–1469. [Google Scholar]
- Lange, D.A.; Jennings, H.M.; Shah, S.P. Relationship between Fracture Surface Roughness and Fracture Behavior of Cement Paste and Mortar. J. Am. Ceram. Soc. 1993, 76, 589–597. [Google Scholar] [CrossRef]
- del Olmo Rodríguez, C. Los morteros, Control de calidad. Inf. Constr. 1994, 46, 57–73. [Google Scholar] [CrossRef]
- Glória Gomes, M.; Flores-Colen, I.; Manga, L.M.; Soares, A.; de Brito, J. The influence of moisture content on the thermal conductivity of external thermal mortars. Constr. Build. Mater. 2017, 135, 279–286. [Google Scholar] [CrossRef]
- Menéndez, I.; Triviño, F.; Hernández, F. Correlaciones entre plasticidad, resistencias mecánicas, relaciones agua/cemento y proporciones de filler calizo en morteros de cemento. Mater. Constr. 1993, 43, 39–52. [Google Scholar] [CrossRef][Green Version]
- Araya-Letelier, G.; Antico, F.C.; Carrasco, M.; Rojas, P.; García-Herrera, C.M. Effectiveness of new natural fibers on damage-mechanical performance of mortar. Constr. Build. Mater. 2017, 152, 672–682. [Google Scholar] [CrossRef]
- UNE-EN 13279-2:2014, Gypsum Binders and Gypsum Plasters—Part 2: Test Methods; Spanish Association for Standardization: Madrid, Spain, 2014.
- UNE EN 1015-6:1999, Methods of Test for Mortar for Masonry—Part 6: Determination of Bulk Density of Fresh Mortar; Spanish Association for Standardization: Madrid, Spain, 1999.
- UNE-EN 1015-3:2000, Methods of Test for Mortar for Masonry—Part 3: Determination of Consistence of Fresh Mortar (by Flow Table); Spanish Association for Standardization: Madrid, Spain, 2000.
- UNE-EN 1015-19:1999, Methods of Test for Mortar for Masonry—Part 19: Determination of Water Vapour Permeability of Hardened Rendering and Plastering Mortars; Spanish Association for Standardization: Madrid, Spain, 1999.
- UNE 80112:2016, Test Methods of Cements. Physical Analysis. Determination of Contraction in Air and Expansion in Water; Spanish Association for Standardization: Madrid, Spain, 2016.
- UNE-EN 1015-7: 1999, Methods of test for mortar for masonry—part 7: Determination of air content of fresh mortar; Spanish Association for Standardization: Madrid, Spain, 1999.
- Vidales Barriguete, A. Caracterización Fisicoquímica y Aplicaciones de yeso con Adición de Residuo Plástico de Cables Mediante Criterios de Economía Circular. Ph.D. Thesis, Universidad Politécnica de Madrid, Madrid, Spain, 2019. [Google Scholar]
- Puertas, F.; Gil-Maroto, A.; Palacios, M.; Amat, T. Morteros de Escoria Activada Alcalinamente Reforzados Con Fibra de Vidrio AR, Comportamiento y Propiedades. Mater. Constr. 2006, 56, 79–90. [Google Scholar] [CrossRef]
- Qin, X.C.; Li, X.M.; Cai, X.P. The Applicability of Alkaline-Resistant Glass Fiber in Cement Mortar of Road Pavement: Corrosion Mechanism and Performance Analysis. Int. J. Pavement Res. Technol. 2017, 10, 536–544. [Google Scholar]
- Henkensiefken, R.; Castro, J.; Bentz, D.; Nantung, T.; Weiss, J. Water Absorption in Internally Cured Mortar Made with Water-Fi Lled Lightweight Aggregate. Cem. Concr. Res. 2009, 39, 883–892. [Google Scholar] [CrossRef]
- Arizzi, A.; Cultrone, G.L. Influencia de La Interfase Árido-Matriz (ITZ) En Las Propiedades de Morteros de Cal. Rev. Soc. Esp. Minerol. 2012, 16, 60–61. [Google Scholar]
- Puertas, F.; Amat, T.; Vázquez, T. Comportamiento de Morteros de Cementos Alcalinos Reforzados Con Fibras Acrílicas y de Polipropileno. Mater. Constr. 2000, 50, 69–84. [Google Scholar] [CrossRef]
- Jennings, H.M.; Bullard, J.W. From Electrons to Infrastructure: Engineering Concrete from the Bottom Up. Cem. Concr. Res. 2011, 41, 727–735. [Google Scholar] [CrossRef]
© 2020 by the authors. Licensee MDPI, Basel, Switzerland. This article is an open access article distributed under the terms and conditions of the Creative Commons Attribution (CC BY) license (http://creativecommons.org/licenses/by/4.0/).












