A Highly Linear Ultra-Low-Area-and-Power CMOS Voltage-Controlled Oscillator for Autonomous Microsystems
Abstract
1. Introduction
- Design of a 65 nm ultra-low frequency–area–power VCO with linearized response of the frequency vs. the control voltage.
- The proposed linearization method is applicable to other oscillator structures and any available supply range.
- Quasi-linear response of frequency vs. supply voltage and temperature, making it easy to achieve temperature compensation with a complementary to absolute temperature (CTAT) voltage supply type.
2. Overall System Description and Design Constraints
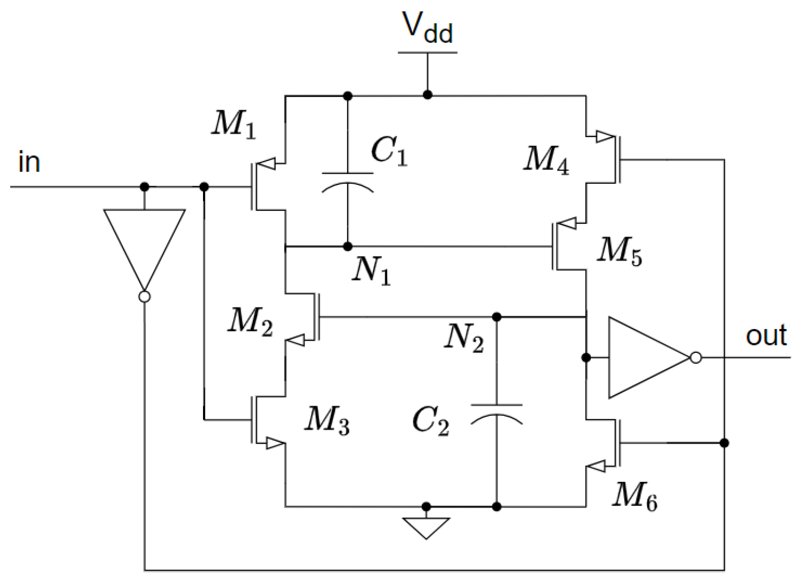
3. Sub-Threshold Leakage-Based Delay Element
- The V-f response is highly non-linear; it follows an exponential equation, which results in a poor resolution when this VCO is used for time domain digitization.
- The power consumption grows exponentially with the control voltage, a critical drawback for ultra-low power systems.
- The input range does not support a rail-to-rail input swing, which is also necessary for time-domain digitization.
- Important current peaks, in the microampere range, were found in the structure presented in [7], which can cause some energy harvesters to collapse.
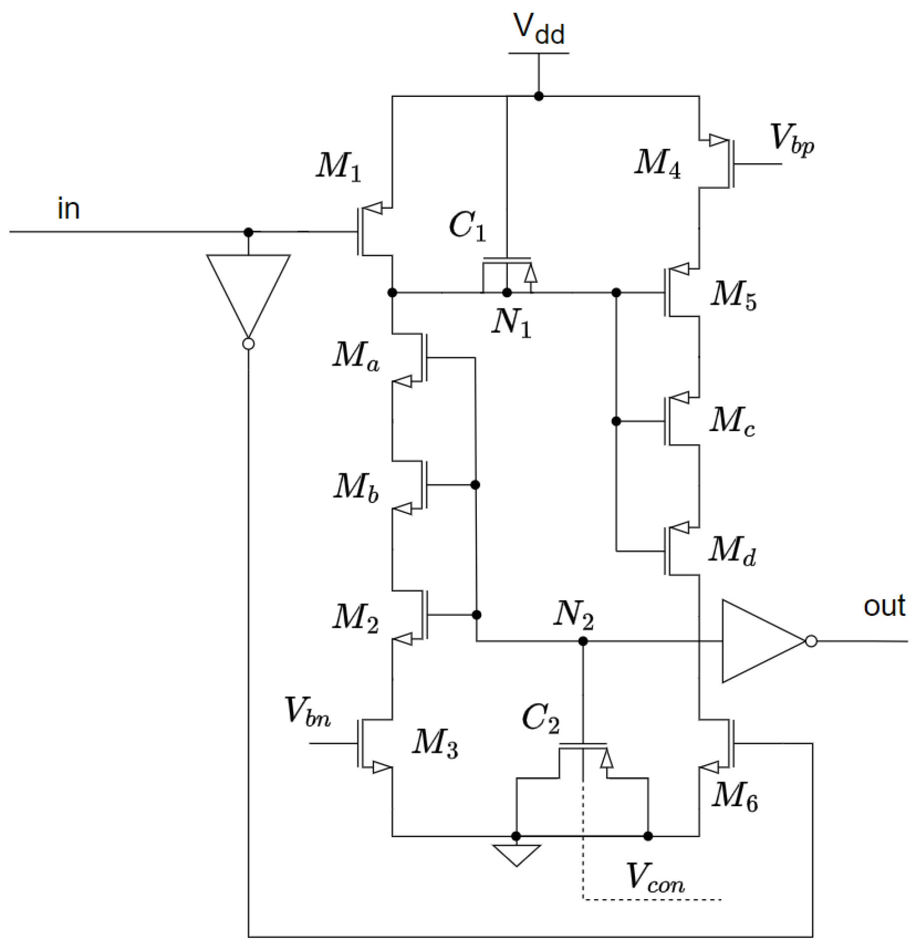
4. Proposed Structure
4.1. Large Time Constants with Nanometer Technologies
4.2. Ultra-Low Power Dissipation
4.3. Linearized Voltage-Controlled Oscillator
- Two overlap capacitances ( and ) similar to a parallel-plates capacitor and independent of the biasing voltage.
- Two junction capacitances ( and ) resulting from the charge accumulation fluctuation around the depletion layer. These depend on the biasing voltage.
- The gate-to-bulk capacitance (), which has two components, one bias-dependent, the channel-to-bulk capacitance, and another one independent, the gate-to-channel capacitance.
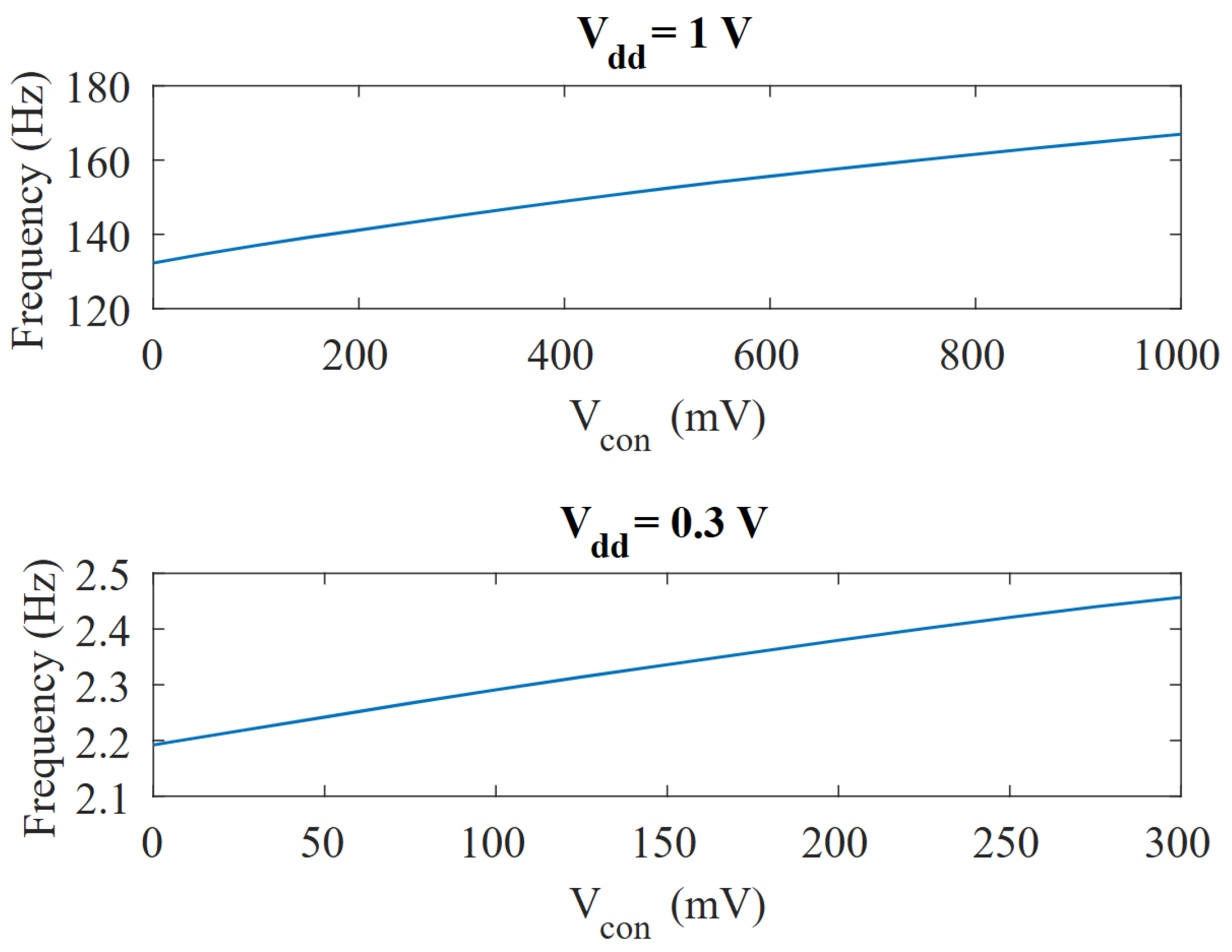
5. Results
5.1. Simulation Results
5.2. Measurement Results
| Reference | This Work | [7]a | [7]b | [8] | [9] | [5] | [6] | [25] |
|---|---|---|---|---|---|---|---|---|
| Oscillator | subth. | subth. | subth. | subth. | subth. | gate | gate | digital |
| principle | leakage | leakage | leakage | leakage | leakage | leakage | leakage | with DLS |
| Process (nm) | 65 | 180 | 180 | 250 | 350 | 130 | 55 | 180 |
| (V) | 0.3–1.2 | 0.2–1.8 | 0.2–1.8 | 2.5 | 3.3 | 0.6 | 0.29 | 0.4 |
| Freq. † (Hz) | 43.7–53.0 | 10–600 × 103 | 20 | 8.9 | 0.0308 | 0.09 | - | - |
| Freq. ‡ (Hz) | 2.2–2.46 | - | 20 | - | - | - | 0.64 * | 4 |
| Power (pW) | 4 ‡–210 † | 7 × –350 × | 3 ‡–230 † | 5.7 × | 1.98 × | 2 × | 4.5 | 3.32 |
| Area () | 592 | - | 630 | - | 25,000 | 480 | 28 | 1600 |
| Freq. control | yes | yes | no | no | no | no | no | no |
| Linear control | yes | no | no | no | no | no | no | no |
| FOM @ | 18.9 | - | 6.2 | - | 21.5 | 46.3 | - | - |
| FOM @ | 748.6 | - | 52.9 | - | - | - | 35,962.3 * | 141.2 |
6. Conclusions
Author Contributions
Funding
Data Availability Statement
Conflicts of Interest
References
- Hempel, M.; Schroeder, V.; Park, C.; Koman, V.B.; Xue, M.; McVay, E.; Spector, S.; Dubey, M.; Strano, M.S.; Park, J.; et al. SynCells: A 60 × 60 μm2 electronic platform with remote actuation for sensing applications in constrained environments. ACS Nano 2021, 15, 8803–8812. [Google Scholar] [CrossRef] [PubMed]
- Hamilton, J.; Yan, S.; Viswanathan, T. An uncalibrated 2 MHz, 6 mW, 63.5 dB SNDR discrete-time input VCO-based ΔΣ ADC. In Proceedings of the IEEE 2012 Custom Integrated Circuits Conference, San Jose, CA, USA, 9–12 September 2012; pp. 1–4. [Google Scholar]
- McNeill, J.A.; Majidi, R.; Gong, J. Split ADC background linearization of VCO-based ADCs. IEEE Trans. Circuits Syst. I Regul. Pap. 2014, 62, 49–58. [Google Scholar] [CrossRef]
- Funke, D.A.; Mayr, P.; Straczek, L.; McCaskill, J.S.; Oehm, J.; Pohl, N. A 200 μm by 100 μm Smart Dust system with an average current consumption of 1.3 nA. In Proceedings of the 2016 IEEE International Conference on Electronics, Circuits and Systems (ICECS), Monte Carlo, Monaco, 11–14 December 2016; pp. 512–515. [Google Scholar] [CrossRef]
- Lin, Y.S.; Sylvester, D.; Blaauw, D. A sub-pW timer using gate leakage for ultra low-power sub-Hz monitoring systems. In Proceedings of the 2007 IEEE Custom Integrated Circuits Conference, San Jose, CA, USA, 16–19 September 2007; pp. 397–400. [Google Scholar]
- Nishio, Y.; Kobayashi, A.; Niitsu, K. Design and calibration of a small-footprint, low-frequency, and low-power gate leakage timer using differential leakage technique. IEICE Trans. Electron. 2019, 102, 269–275. [Google Scholar] [CrossRef]
- Funke, D.A.; Mayr, P.; Maeke, T.; McCaskill, J.S.; Sharma, A.; Straczek, L.; Oehm, J. Ultra low-power,-area and-frequency CMOS thyristor based oscillator for autonomous microsystems. Analog. Integr. Circuits Signal Process. 2016, 89, 347–356. [Google Scholar] [CrossRef]
- Mahato, A.K. Ultra low frequency CMOS ring oscillator design. In Proceedings of the 2014 Recent Advances in Engineering and Computational Sciences (RAECS), Chandigarh, India, 6–8 March 2014; pp. 1–5. [Google Scholar] [CrossRef]
- Ponce, P.M.; Sayed, G.; Saleh, L.A.; Krautschneider, W.H.; Kuhl, M. A 1.9 nw timer and clock generation unit for low data-rate implantable medical devices. In Proceedings of the 2020 IEEE 11th Latin American Symposium on Circuits & Systems (LASCAS), San José, Costa Rica, 25–28 February 2020; pp. 1–4. [Google Scholar]
- Geläschus, A.; Absar, M.W.; Singer, J.A.; Bahr, A.; Kuhl, M. Low Frequency and Low Power Oscillator using Thyristor-Based Delay Elements for Optoelectronic Implants. In Proceedings of the 2023 30th IEEE International Conference on Electronics, Circuits and Systems (ICECS), Istanbul, Turkey, 4–7 December 2023; pp. 1–4. [Google Scholar] [CrossRef]
- Hempel, M. Technology and Applications of 2D Materials in Micro- and Macroscale Electronics. Ph.D. Thesis, Massachusetts Institute of Technology, Cambridge, MA, USA, 2020. [Google Scholar]
- Kim, J.; Cho, S. A time-based analog-to-digital converter using a multi-phase voltage controlled oscillator. In Proceedings of the 2006 IEEE International Symposium on Circuits and Systems (ISCAS), Kos, Greece, 21–24 May 2006. [Google Scholar]
- Cui, J.; Pottosin, I.; Lamade, E.; Tcherkez, G. What is the role of putrescine accumulated under potassium deficiency? Plant Cell Environ. 2020, 43, 1331–1347. [Google Scholar] [CrossRef] [PubMed]
- Edwards, R.; Dainty, R.; Hibbard, C. Putrescine and cadaverine formation in vacuum packed beef. J. Appl. Microbiol. 1985, 58, 13–19. [Google Scholar] [CrossRef] [PubMed]
- Chen, X.F.; Xia, X.X.; Lee, S.Y.; Qian, Z.G. Engineering tunable biosensors for monitoring putrescine in Escherichia coli. Biotechnol. Bioeng. 2018, 115, 1014–1027. [Google Scholar] [CrossRef] [PubMed]
- González-Hernández, A.I.; Scalschi, L.; Vicedo, B.; Marcos-Barbero, E.L.; Morcuende, R.; Camañes, G. Putrescine: A key metabolite involved in plant development, tolerance and resistance responses to stress. Int. J. Mol. Sci. 2022, 23, 2971. [Google Scholar] [CrossRef] [PubMed]
- Kim, N.S.; Austin, T.; Baauw, D.; Mudge, T.; Flautner, K.; Hu, J.S.; Irwin, M.J.; Kandemir, M.; Narayanan, V. Leakage current: Moore’s law meets static power. Computer 2003, 36, 68–75. [Google Scholar]
- Rabaey, J. Low Power Design Essentials; Springer Science & Business Media: Berlin/Heidelberg, Germany, 2009. [Google Scholar]
- Razavi, B. Design of Analog CMOS Integrated Circuits, 1st ed.; McGraw-Hill: New York, NY, USA, 2001. [Google Scholar]
- Hu, C. Modern Semiconductor Devices for Integrated Circuits; Prentice Hall: Upper Saddle River, NJ, USA, 2010; Volume 2. [Google Scholar]
- Kleider, J.P.; Alvarez, J.; Brézard-Oudot, A.; Gueunier-Farret, M.E.; Maslova, O. Revisiting the theory and usage of junction capacitance: Application to high efficiency amorphous/crystalline silicon heterojunction solar cells. Sol. Energy Mater. Sol. Cells 2015, 135, 8–16. [Google Scholar] [CrossRef]
- Lee, Y.; Giridhar, B.; Foo, Z.; Sylvester, D.; Blaauw, D.B. A sub-nW multi-stage temperature compensated timer for ultra-low-power sensor nodes. IEEE J.-Solid-State Circuits 2013, 48, 2511–2521. [Google Scholar] [CrossRef]
- Jeong, S.; Lee, I.; Blaauw, D.; Sylvester, D. A 5.8 nW CMOS wake-up timer for ultra-low-power wireless applications. IEEE J.-Solid-State Circuits 2015, 50, 1754–1763. [Google Scholar] [CrossRef]
- Kobayashi, A.; Niitsu, K. Low-Voltage Gate-Leakage-Based Timer Using an Amplifier-Less Replica-Bias Switching Technique in 55-nm DDC CMOS. IEEE Open J. Circuits Syst. 2020, 1, 107–114. [Google Scholar] [CrossRef]
- Aiello, O.; Crovetti, P.; Lin, L.; Alioto, M. A pW-power Hz-range oscillator operating with a 0.3–1.8-V unregulated supply. IEEE J.-Solid-State Circuits 2019, 54, 1487–1496. [Google Scholar] [CrossRef]






















| PMOS Type | Cap. Density (fF/) | Linear Fit () | |
|---|---|---|---|
| Core | 2.146 | 2.12 | 0.994 |
| I/O | 1.057 | 2.275 | 0.998 |
| LVT | 2.313 | 1.475 | 0.994 |
| HVT | 1.681 | 3.55 | 0.996 |
| Corner | Tuning Range (Hz) | Gain (%/V) | |
|---|---|---|---|
| TT | 132.4–167.0 | 26.2 | 0.994 |
| FF | 212.0–270.1 | 27.4 | 0.988 |
| FS | 91.6–109.8 | 19.9 | 0.990 |
| SS | 85.6–120.6 | 40.1 | 0.995 |
| SF | 129.4–179.6 | 38.5 | 0.990 |
| VCO | Tuning Range (Hz) | Gain (%/V) | Linear Approximation | |
|---|---|---|---|---|
| 1 | 46.9–58.2 | 24.1 | 0.997 | |
| 2 | 44.8–53.7 | 19.9 | 0.993 | |
| 3 | 64.5–79.5 | 23.3 | 0.997 | |
| 4 | 34.7–40.3 | 16.1 | 0.993 | |
| 5 | 28.3–34.0 | 20.1 | 0.994 |
Disclaimer/Publisher’s Note: The statements, opinions and data contained in all publications are solely those of the individual author(s) and contributor(s) and not of MDPI and/or the editor(s). MDPI and/or the editor(s) disclaim responsibility for any injury to people or property resulting from any ideas, methods, instructions or products referred to in the content. |
© 2024 by the authors. Licensee MDPI, Basel, Switzerland. This article is an open access article distributed under the terms and conditions of the Creative Commons Attribution (CC BY) license (https://creativecommons.org/licenses/by/4.0/).
Share and Cite
Pacheco, J.d.M.; Palacios, T.; Hempel, M.; Vallejo, M.L. A Highly Linear Ultra-Low-Area-and-Power CMOS Voltage-Controlled Oscillator for Autonomous Microsystems. Micromachines 2024, 15, 1193. https://doi.org/10.3390/mi15101193
Pacheco JdM, Palacios T, Hempel M, Vallejo ML. A Highly Linear Ultra-Low-Area-and-Power CMOS Voltage-Controlled Oscillator for Autonomous Microsystems. Micromachines. 2024; 15(10):1193. https://doi.org/10.3390/mi15101193
Chicago/Turabian StylePacheco, Javier de Mena, Tomas Palacios, Marek Hempel, and Marisa Lopez Vallejo. 2024. "A Highly Linear Ultra-Low-Area-and-Power CMOS Voltage-Controlled Oscillator for Autonomous Microsystems" Micromachines 15, no. 10: 1193. https://doi.org/10.3390/mi15101193
APA StylePacheco, J. d. M., Palacios, T., Hempel, M., & Vallejo, M. L. (2024). A Highly Linear Ultra-Low-Area-and-Power CMOS Voltage-Controlled Oscillator for Autonomous Microsystems. Micromachines, 15(10), 1193. https://doi.org/10.3390/mi15101193

