Soft-Error-Resilient Static Random Access Memory with Enhanced Write Ability for Radiation Environments
Abstract
1. Introduction
2. State-of-the-Art of Soft-Error-Resilient SRAM
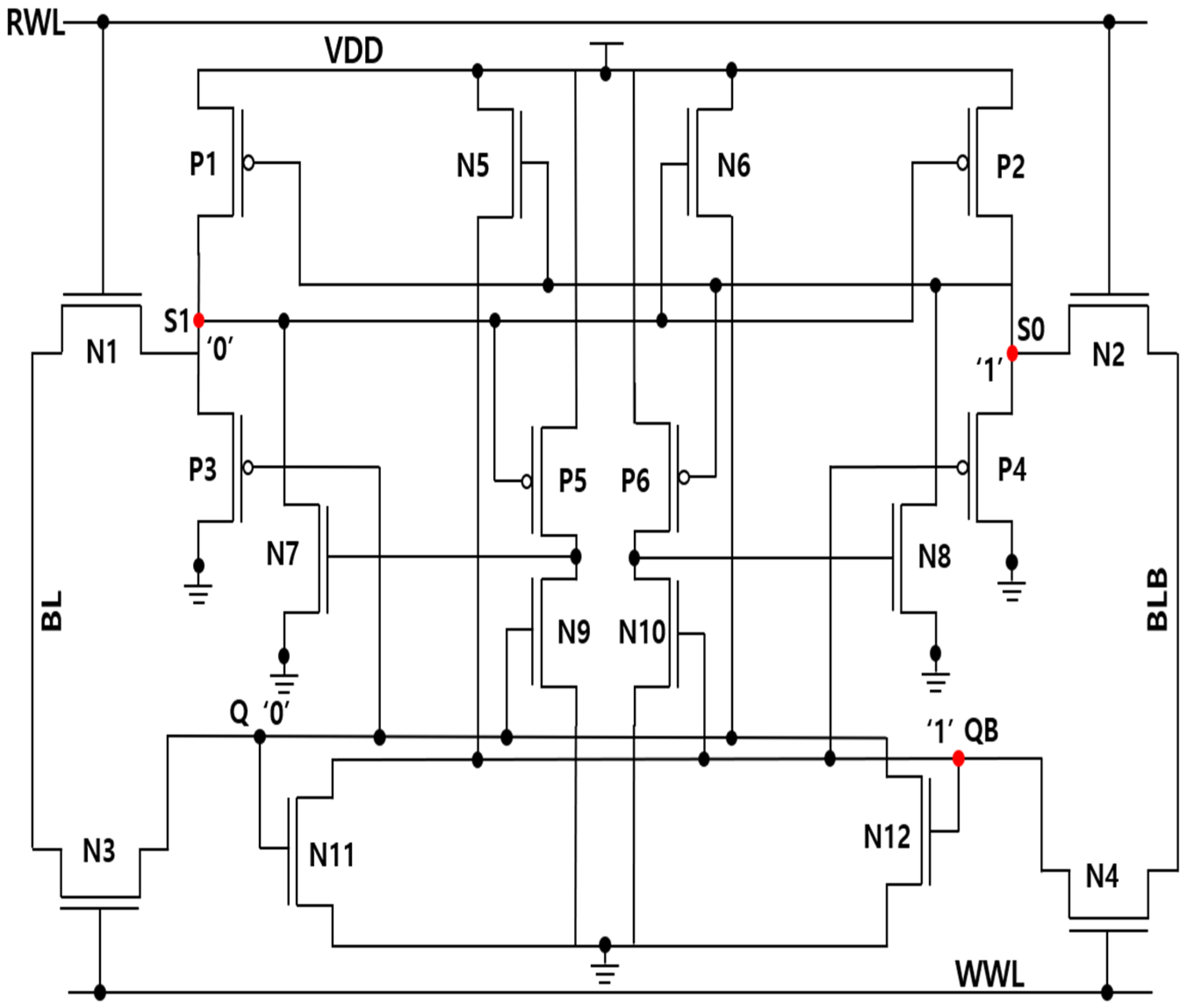
3. Proposed SHWA18T SRAM Cell
3.1. Operation of SHWA18T Cell
3.1.1. Hold Operation
3.1.2. Read Operation
3.1.3. Write Operation
3.2. Soft Error Recovery Analysis
3.2.1. SEU at QB
3.2.2. SEU at S0
3.2.3. SEU at S1
3.2.4. DNU at Node Pairs QB-S1
3.2.5. DNU at Node Pairs S0–S1
4. Simulation and Analysis
4.1. Comparison of Write Delay and Stability
4.2. Stability Simulation and Comparison
4.3. SEU and SEMNU Immunity Comparisons
4.4. Power Dissipation
4.5. New Electrical Quality Metric
5. Conclusions
Author Contributions
Funding
Data Availability Statement
Acknowledgments
Conflicts of Interest
References
- Pal, S.; Chowdary, G.; Ki, W.-H.; Tsui, C.-Y. Energy-Efficient Dual-Node-Upset-Recoverable 12T SRAM for Low-Power Aerospace Applications. IEEE Access 2023, 11, 20184–20195. [Google Scholar] [CrossRef]
- Vangal, S.; Paul, S.; Hsu, S.; Agarwal, A.; Kumar, S.; Krishnamurthy, R.; Krishnamurthy, H.; Tschanz, J.; De, V.; Kim, C.H. Wide-Range Many-Core SoC Design in Scaled CMOS: Challenges and Opportunities. IEEE Trans. Very Large Scale Integr. (VLSI) Syst. 2021, 29, 843–856. [Google Scholar] [CrossRef]
- Guo, J.; Xiao, L.; Mao, Z. Novel Low-Power and Highly Reliable Radiation Hardened Memory Cell for 65 Nm CMOS Technology. IEEE Trans. Circuits Syst. I Regul. Pap. 2014, 61, 1994–2001. [Google Scholar] [CrossRef]
- Bai, N.; Zhu, W.; Zhou, X.; Xu, Y.; Wang, Y. A High Critical Charge 16T Soft-Error-Aware SRAM for Aerospace Applications. In Proceedings of the 2024 2nd International Symposium of Electronics Design Automation (ISEDA), Xi’an, China, 10–13 May 2024; pp. 740–745. [Google Scholar] [CrossRef]
- Li, H.; Xiao, L.; Qi, C.; Li, J. Design of High-Reliability Memory Cell to Mitigate Single Event Multiple Node Upsets. IEEE Trans. Circuits Syst. I Regul. Pap. 2021, 68, 4170–4181. [Google Scholar] [CrossRef]
- Yan, A.; Xiang, J.; Cao, A.; He, Z.; Cui, J.; Ni, T.; Huang, Z.; Wen, X.; Girard, P. Quadruple and Sextuple Cross-Coupled SRAM Cell Designs With Optimized Overhead for Reliable Applications. IEEE Trans. Device Mater. Reliab. 2022, 22, 282–295. [Google Scholar] [CrossRef]
- Pal, S.; Mohapatra, S.; Ki, W.-H.; Islam, A. Design of Soft-Error-Aware SRAM With Multi-Node Upset Recovery for Aerospace Applications. IEEE Trans. Circuits Syst. I Regul. Pap. 2021, 68, 2470–2480. [Google Scholar] [CrossRef]
- Pal, S.; Mohapatra, S.; Ki, W.-H.; Islam, A. Soft-Error-Immune Read-Stability-Improved SRAM for Multi-Node Upset Tolerance in Space Applications. IEEE Trans. Circuits Syst. I Regul. Pap. 2021, 68, 3317–3327. [Google Scholar] [CrossRef]
- Peng, C.; Huang, J.; Liu, C.; Zhao, Q.; Xiao, S.; Wu, X.; Lin, Z.; Chen, J.; Zeng, X. Radiation-Hardened 14T SRAM Bitcell With Speed and Power Optimized for Space Application. IEEE Trans. Very Large Scale Integr. (VLSI) Syst. 2019, 27, 407–415. [Google Scholar] [CrossRef]
- Jiang, J.; Xu, Y.; Zhu, W.; Xiao, J.; Zou, S. Quadruple Cross-Coupled Latch-Based 10T and 12T SRAM Bit-Cell Designs for Highly Reliable Terrestrial Applications. IEEE Trans. Circuits Syst. I Regul. Pap. 2019, 66, 967–977. [Google Scholar] [CrossRef]
- Pal, S.; Ki, W.-H.; Tsui, C.-Y. Soft-Error-Aware Read-Stability-Enhanced Low-Power 12T SRAM With Multi-Node Upset Recoverability for Aerospace Applications. IEEE Trans. Circuits Syst. I Regul. Pap. 2022, 69, 1560–1570. [Google Scholar] [CrossRef]
- Saraza-Canflanca, P.; Carrasco-Lopez, H.; Santana-Andreo, A.; Diaz-Fortuny, J.; Castro-Lopez, R.; Roca, E.; Fernandez, F.V. A Smart SRAM-Cell Array for the Experimental Study of Variability Phenomena in CMOS Technologies. In Proceedings of the 2022 IEEE International Reliability Physics Symposium (IRPS), Dallas, TX, USA, 27–31 March 2022; pp. P3-1–P3-5. [Google Scholar] [CrossRef]
- Guo, J.; Zhu, L.; Liu, W.; Huang, H.; Liu, S.; Wang, T.; Xiao, L.; Mao, Z. Novel Radiation-Hardened-by-Design (RHBD) 12T Memory Cell for Aerospace Applications in Nanoscale CMOS Technology. IEEE Trans. Very Large Scale Integr. (VLSI) Syst. 2017, 25, 1593–1600. [Google Scholar] [CrossRef]
- Wei, F.; Cui, X.; Zhang, Q.; Zhang, S.; Cui, X.; Zhang, X. Design of Highly Reliable 14T and 16T SRAM Cells Combined With Layout Harden Technique. IEEE Trans. Device Mater. Reliab. 2024, 24, 390–400. [Google Scholar] [CrossRef]
- Verma, N.; Chandrakasan, A.P. A 256 Kb 65 Nm 8T Subthreshold SRAM Employing Sense-Amplifier Redundancy. IEEE J. Solid-State Circuits 2008, 43, 141–149. [Google Scholar] [CrossRef]
- Nabavi, M.; Sachdev, M. A 290-mV, 3.34-MHz, 6T SRAM With pMOS Access Transistors and Boosted Wordline in 65-Nm CMOS Technology. IEEE J. Solid-State Circuits 2018, 53, 656–667. [Google Scholar] [CrossRef]
- Yao, R.; Lv, H.; Zhang, Y.; Chen, X.; Zhang, Y.; Liu, X.; Bai, G. A High-Reliability 12T SRAM Radiation-Hardened Cell for Aerospace Applications. Micromachines 2023, 14, 1305. [Google Scholar] [CrossRef] [PubMed]
- Oh, J.-Y.; Jo, S.-H. Radiation-Hardened 16T SRAM Cell with Improved Read and Write Stability for Space Applications. Appl. Sci. 2024, 14, 11940. [Google Scholar] [CrossRef]
- Shah, A.P.; Vishvakarma, S.K.; Hübner, M. Soft Error Hardened Asymmetric 10T SRAM Cell for Aerospace Applications. J. Electron. Test. 2020, 36, 255–269. [Google Scholar] [CrossRef]
- Park, H.-G.; Jo, S.-H. Low-Power Radiation-Hardened Static Random Access Memory with Enhanced Read Stability for Space Applications. Appl. Sci. 2024, 14, 10961. [Google Scholar] [CrossRef]
- Lin, S.; Kim, Y.-B.; Lombardi, F. Design and Performance Evaluation of Radiation Hardened Latches for Nanoscale CMOS. IEEE Trans. Very Large Scale Integr. (VLSI) Syst. 2011, 19, 1315–1319. [Google Scholar] [CrossRef]












| Cell | (fC) |
|---|---|
| IASE16T [4] | 10 |
| PRO14T [5] | 16 |
| PRO16T [5] | 12 |
| QCCS [6] | 38 |
| SEA14T [7] | >40 |
| SIRI [8] | 10 |
| SHWA18T | 26 |
| Design | Ref. | RSNM (mV) | HSNM (mV) | (fC) | WWTV (mV) | Number of Transistors | WAT (ps) | (nW) | DNUR Rate | Sensitive Node |
|---|---|---|---|---|---|---|---|---|---|---|
| IASE16T | [4] | 16 | 292 | 10 | 273 | 16 | 22.7 | 50.6 | 0 | 3 |
| PRO14T | [5] | 183 | 149 | 12 | 265 | 14 | 23.5 | 58.5 | 0 | 2 |
| PRO16T | [5] | 250 | 178 | 16 | 269 | 16 | 23 | 58.5 | 0 | 2 |
| QCCS | [6] | 190 | 285 | 38 | 206 | 12 | 29.39 | 50.4 | 0 | 3 |
| SEA14T | [7] | 203 | 183 | >40 | 280 | 14 | 25.4 | 60.4 | 33% | 3 |
| SIRI | [8] | 292 | 313 | 10 | 67 | 14 | 43.32 | 25.89 | 33% | 3 |
| SHWA18T | Proposed | 151 | 161 | 26 | 331 | 18 | 16.9 | 100.681 | 66% | 3 |
Disclaimer/Publisher’s Note: The statements, opinions and data contained in all publications are solely those of the individual author(s) and contributor(s) and not of MDPI and/or the editor(s). MDPI and/or the editor(s) disclaim responsibility for any injury to people or property resulting from any ideas, methods, instructions or products referred to in the content. |
© 2025 by the authors. Licensee MDPI, Basel, Switzerland. This article is an open access article distributed under the terms and conditions of the Creative Commons Attribution (CC BY) license (https://creativecommons.org/licenses/by/4.0/).
Share and Cite
Park, S.-Y.; Jeong, E.G.; Jo, S.-H. Soft-Error-Resilient Static Random Access Memory with Enhanced Write Ability for Radiation Environments. Micromachines 2025, 16, 1212. https://doi.org/10.3390/mi16111212
Park S-Y, Jeong EG, Jo S-H. Soft-Error-Resilient Static Random Access Memory with Enhanced Write Ability for Radiation Environments. Micromachines. 2025; 16(11):1212. https://doi.org/10.3390/mi16111212
Chicago/Turabian StylePark, Se-Yeon, Eun Gyo Jeong, and Sung-Hun Jo. 2025. "Soft-Error-Resilient Static Random Access Memory with Enhanced Write Ability for Radiation Environments" Micromachines 16, no. 11: 1212. https://doi.org/10.3390/mi16111212
APA StylePark, S.-Y., Jeong, E. G., & Jo, S.-H. (2025). Soft-Error-Resilient Static Random Access Memory with Enhanced Write Ability for Radiation Environments. Micromachines, 16(11), 1212. https://doi.org/10.3390/mi16111212

