Abstract
With the improvement of environmental protection standards, selective catalytic reduction (SCR) has become the mainstream technology of flue gas deNOx. Especially, the low-temperature SCR nano-catalyst has attracted more and more attention at home and abroad because of its potential performance and economy in industrial applications. In this paper, low-temperature SCR catalysts were prepared using the activated carbon loading MnOx-Cu. Then, the catalysts were packed into the fiedbed stainless steel micro-reactor to evaluate the selective catalytic reduction of NO performance. The influence of reaction conditions was investigated on the catalytic reaction, including the MnOx-Cu loading amount, calcination and reaction temperature, etc. The experimental results indicate that SCR catalysts show the highest catalytic activity for NO conversion when the calcination temperature is 350 °C, MnOx loading amount is 5%, Cu loading amount is 3%, and reaction temperature is 200 °C. Under such conditions, the NO conversion arrives at 96.82% and the selectivity to N2 is almost 99%. It is of great significance to investigate the influence of reaction conditions in order to provide references for industrial application.
1. Introduction
The emission of nitrogen oxides (NOx) has aroused widespread concern in recent years, which is dangerous to human health and brings many negative effects on the environment, such as urban smog, acid rain, and so on. Increasingly stringent limits for flue gas emissions have driven many researchers to look for suitable methods [1,2]. Selective non-catalytic reduction (SNCR) is a more economical NOx control method with a considerable efficiency of 40–70%, which involves the reduction of NOx by a nitrogen agent, usually ammonia (NH3) or urea, and it is relatively simple to implement. Although reasonably inexpensive, SNCR process has a serious limitation. For example, the NOx reduction efficiency drops off drastically at slightly higher or lower temperatures because the temperature window over which nitrogen agents are effective is relatively narrow [3,4]. The selective catalytic reduction (SCR) of NOx with NH3 has been regarded as the most effective method to reduce the emission of NOx. However, the SCR catalysts have to be placed upstream of the electrostatic precipitator and desulfurization units to avoid costly heating of the flue gas due to its high working temperature window (300–400 °C), where the SCR catalysts are susceptible to deactivation by dust accumulation and sulfur poison. As an alternative, low-temperature SCR catalysts could be placed downstream of the electrostatic precipitator and desulfurization units. Therefore, it is crucial to develop low-temperature SCR catalysts, which can work at 200 °C or even lower, and adapt to the complex flue gas environment [5,6,7]. Many scientists whether foreign and domestic had carried out the study of low-temperature SCR catalysts and their main research contents included the active component and catalyst support. However, sintering often occurs in the preparation of single component SCR catalyst, which reduces the dispersion of the active component and the activity of the SCR catalyst. The sintering is avoided by adding transition metal and the performance of SCR catalyst is improved. Therefore, the researches and developments of low-temperature SCR catalyst focused on the transition metal oxide catalyst at home and abroad [8,9,10,11]. Copper and copper compounds are thought to have excellent catalytic properties at low temperatures, which can improve the physical properties of the SCR catalyst as a promoter [12,13]. Chmielarz et al. prepared a M-Mg-Al catalyst with a coprecipitation of hydrotalcite (M=Cu2+, Co2+, and Cu2++Co2+), and they compared the catalytic properties of the mixed catalyst. The results showed Cu-Mg-Al > Cu-Co-Mg-Al > Co-Mg-Al and the deNOx efficiency of 80–95% at temperatures of 200–250 °C [14].
Manganese (Mn) is thought to have a very outstanding catalytic property at low temperatures, and Mn-based catalyst has been widely studied over the past few decades owing to its low cost. In relation to the supported metal oxide catalysts, the researchers mainly focused on the MnOx catalyst. MnOx is characterized by strong catalytic performance for NOx as the active component of thenSCR catalyst. There are many kinds of MnOx due to the wide distribution of the Mn valence. The Mn with a different valence can be converted to each other, which promotes the selective reduction of NOx by NH3. Therefore, the valence state of Mn in MnOx has a significant effect on the activity of the SCR catalyst. Moreover, composite oxide catalysts are of great interest because one metal element can modify the catalytic properties of another, which results from both electronic and structural influences. For example, binary metal oxide solid solutions might be formed between Mn and Cu [15,16]. Qi et al. used a different precipitation agent to prepare a series of Mn oxide catalyst by coprecipitation, and the catalyst activities were investigated under the condition of NH3-NOx. The results indicated that the catalyst was of high catalytic activity at a low temperature using sodium carbonate as a precipitant preparation of Mn oxide catalysts [17]. Ouzzine et al. studied the Mn-Cu composite catalyst and found that the catalytic temperature range was wide through the activity test. The NOx conversion was more than 60% in the range of 150–400 °C. What is more, they found that Cu could absorb sulfur dioxide and form sulfate, which improved sulfur resistance greatly [18]. Yao et al. successfully prepared a series of Mn/CeO2 catalysts via impregnation using deionized water, anhydrous ethanol, acetic acid, and oxalic acid as a solvent and found that the Mn/Ce catalyst exhibited the best water and sulfur tolerance [19]. Therefore, mixing MnOx with suitable metal oxides and loading Mn-based active components on a suitable support could be considered as an efficient strategy [20].
Activated carbon (AC) is a kind of materials with a high specific surface area, unique pore structure, excellent dispersion of active components and chemical stability, which has been widely studied as substrates for supporting low-temperature SCR catalysts. If AC is adopted as the catalyst support, the possibility of sintering deactivation could be reduced [21,22,23,24,25]. Valdés-Sols et al. confirmed that the vanadium loaded on the carbon-ceramic body was of a good low-temperature property, and the ability to resist the poison of catalyst for sulfur dioxide was greater than the Mn catalyst. But water vapor in the flue gas had an influence on the catalyst activation [26]. García-bordejé et al. studied low-temperature SCR characteristics using carbon materials loaded on a honeycomb support, and vanadium loaded on the carbon material. They found that deNOx efficiency was 59.8–72.1% at 150 °C and 68–78.6% at 180 °C [27]. Shanxi Institute of Coal Chemistry of Chinese Academy of Sciences prepared a SCR catalyst of V2O5 loaded on the carbon honeycomb support. They found the catalyst not only had a deNOx effect, but also could resist SO2 poisoning. But the engineering practicability of the low-temperature SCR catalyst still needs further research [28,29].
Although the catalyst varied, it is the key problem on how to effectively reduce NOx emission from flue gas at a low temperature and with low energy. At the same time, the SCR catalysts in industrial application are facing many problems, such as high costs, poisoning and transformations. The steady increase of NOx emissions necessitates the improvement of abatement technologies [30]. In this context, the research on low-temperature SCR catalyst was launched. According to the data, 95% of NOx in flue gas is in the form of NO. The by-products NO2 and N2O were formed in the reaction, but the amount generated was very small. Therefore, NO was used to simulate the catalytic reduction of NOx in this research and the NO conversion was taken as an index of the SCR catalyst [31,32]. The influence of reaction conditions on NO conversion was investigated, including the MnOx-Cu loading amount, calcination and reaction temperatures, etc. The optimal preparation and reaction conditions of low-temperature SCR catalyst were determined in a series of experiments so that it could provide basic research data for industrial application.
2. Results and Discussion
2.1. The Characterization of Support
The AC was purified by 1%, 5% and 10% nitric acid, then filtered, washed and dried, respectively. Observed by the X-ray diffraction (XRD) pattern as shown in Figure 1, there are two dispersed peaks in the scope from 20 to 30°, and there are three dispersed peaks in the scope from 30 to 40°. The skeleton structure of AC is similar to amorphous carbon and it is mainly composed of graphite microcrystals in which 2–4 layers single layer graphite sheets are stacked. The dispersed peaks are graphite microcrystals with different structures, which indicates that the AC sample has a low graphitization structure and silica is an inorganic component of AC. There is almost no amorphous peak in the XRD diffraction pattern of the AC, which indicates that AC is of good crystallinity after processing.
Figure 1.
XRD pattern of AC.
The Brunauer-Emmett-Teller (BET) surface areas, pore volumes and pore sizes of AC are summarized in Table 1. From Table 1, the BET surface area of AC increases by about 9.10% after the nitric acid purification process, and total pore volume is not significant. It is worth noting that the purified micropore volume of AC increases and the average pore diameter decreases. Obviously, the nitric acid process enhances the microporous nature of AC, which is conducive to the dispersion of MnOx and Cu on the AC surface. Furthermore, it is beneficial for SCR catalyst in terms of mass transfer, adsorption and activation of reactants during the reaction [33]. The AC average pore diameter falls in the range of 8–11 nm, favoring gas molecule diffusion in the pores and thus ruling out the diffusion limitation in the adsorption and desorption process.
Table 1.
Physical characteristics of AC.
2.2. The Influence of MnOx Loading Amount on Catalytic Activity
The influence of MnOx loading amount on SCR catalyst activity was investigated when the Cu loading amount (% wt) was 1%, 3%, 5%, 7%, 10%, respectively. The calcination temperature was 350 °C. The experiments compared the different MnOx loading amount of SCR catalyst under different reaction temperatures for NO conversion. Figure 2 presents the NO conversion changes with MnOx loading amounts and reaction temperatures when Cu loading amounts were 1%, 3%, 5%, 7%, 10%, respectively.

Figure 2.
Relationship between MnOx loading amount and NO conversion with a Cu loading amount of (a) 1%, (b) 3%, (c) 5%, (d) 7%, (e) 10%, respectively.
When MnOx loading amounts change in the scope of 1–5%, NO conversion increases with the increase of MnOx loading amounts. There are more active sites if the catalyst has more active components, which is helpful to enhance catalytic activity. However, NO conversion decreases when MnOx loading amounts change in the scope of 5–10%. All the experimental results indicate that SCR catalysts show optimal performance when the MnOx loading amount reaches 5%, and NO conversion arrives at 95.31%, 96.82%, 95.20%, 92.65%, 88.00% at a reaction temperature of 200 °C. As can be seen from Figure 2, the SCR catalyst shows strong activity at 200 °C, which indicates that the SCR catalyst is suitable for deNOx of low temperature flue gas. Whatever the Cu loading amount change, NO conversion reaches the maximum with a MnOx loading amount of 5%, and the N2 selectivity remains stable at nearly 99%.
2.3. The Influence of Cu Loading Amount on Catalytic Activity
The influence of Cu loading amount on SCR catalyst activity was explored when MnOx loading amounts (% wt) were 1%, 3%, 5%, 7%, 10%, respectively. The calcination temperature was 350 °C. The experiments compared the different Cu loading amount of the SCR catalyst under different reaction temperatures for NO conversion. Figure 3 illustrates the influence of the Cu loading amount on NO conversion with different MnOx loading amounts. NO conversion arrives at 93.58%, 93.79%, 96.82%, 91.82%, 87.93% when the Cu loading amount is 3%, and the reaction temperature is 200 °C, respectively.
Figure 3.
Relationship between the Cu loading amount and NO conversion with the MnOx loading amount of (a) 1%, (b) 3%, (c) 5%, (d) 7%, (e) 10%, respectively.
When the Cu loading amount changes in the scope of 1–3%, NO conversion always increases with the increase of the Cu loading amount. However, NO conversion decreases when the Cu loading amount changes in the scope of 3–10%. Whatever the MnOx loading amount changes, NO conversion reaches the maximum with a Cu loading amount of 3%, and the N2 selectivity remains stable at nearly 99%. On the whole, NO conversion decreases gradually when the reaction temperature exceeds 200 °C. This result reveals that the MnOx-Cu/AC catalyst has a good activity at a low temperature.
2.4. The Influence of Calcination Temperature on Catalytic Activity
In four different calcination temperatures (250 °C, 300 °C, 350 °C and 400 °C), the SCR catalysts (Cu loading amount of 3%, and MnOx loading amount of 5%) were prepared. Figure 4 shows that NO conversion is highest up to 96.49% when the calcination temperature is 350 °C, and the N2 selectivity remains stable at nearly 99%.
Figure 4.
The influence of calcination temperature on catalytic activity. (a) NO conversion; (b) N2 selectivity.
The SCR catalyst could not give full play to the function because MnOx and Cu might not integrate adequately due to the calcination temperature of 300 °C. When the calcination temperature reaches 400 °C, the temperature may lead to the inside pore channels of SCR catalyst to be collapsed or closed due to sintering, which reduces the number of active sites on the surface of the SCR catalyst. The high calcination temperature may reduce the dispersion of active sites [34]. Huang et al. found that the suitable calcination temperature could improve the attrition strength of the SCR catalyst, while the continuous increase of the calcination temperature could change the mechanical property and catalytic performance of the SCR catalyst in a perverse way [35].
2.5. The Influence of Reaction Temperature on Catalytic Activity
From the above experiments, NO conversion reaches a maximum at a calcination temperature of 350 °C, MnOx loading amount of 5%, and Cu loading amount of 3%. Then the MnOx-Cu/AC catalysts were prepared under that condition. The influence of reaction temperature on NO conversion was investigated at 100 °C, 150 °C, 200 °C, 250 °C, 300 °C, 350 °C, respectively.
Figure 5 presents that the NO conversion of MnOx-Cu catalyst increases firstly and then decreases with the increase in reaction temperature, and the N2 selectivity remains stable at nearly 99%. Especially, the NO conversion reaches 96.82% when the reaction temperature is 200 °C. According to Ren’s research, the reason why NO conversion increases rapidly with the increase in temperature is that the consumption of NH3 is mainly for the NO reduction reaction. Therefore, NO conversion increases rapidly in the temperature range of 100 to 200 °C. After that, NO reaction will be restricted for the occurrence of NH3 oxidation reaction if the reaction temperature continues to rise, that is because the NH3 oxidation reaction will easily occur at a high reaction temperature [36].
Figure 5.
The influence of reaction temperature on catalytic activity.
2.6. The Catalytic Stability Test of SCR Catalyst
Long-time stability is a crucial indicator to evaluate the catalytic performance of SCR catalysts in practical industrial application. As shown in Figure 6, a 25 h stability test was carried out to investigate catalytic stability at 200 °C. The calcination temperature of the MnOx-Cu/AC catalyst was 350 °C. Throughout the 25 h continuous procedure, the deNOx activity of MnOx-Cu/AC catalyst is rather stable with a slight fluctuation around ±1% over time, the NO conversion remains at nearly 96%, and the selectivity of N2 is almost 99%. There is almost no deactivation occurring during 25 h at 200 °C, which further demonstrates that the MnOx-Cu/AC catalyst behaves with excellent stability.
Figure 6.
The catalytic stability of the SCR catalyst with the loading amount of 5% MnOx and 3% Cu.
2.7. The Catalytic Activity Analysis of the SCR Catalyst
In order to explore the relationship between the structure and performance in detail, microstructure and micromorphology analysis were performed. The XRD pattern of SCR catalysts with a loading amount of 3%, 5% MnOx and 3%, 5% Cu is shown in Figure 7, which presents that the obvious peaks are between 20° and 50°. Its main phase is graphite microcrystal with different structures. The MnOx is not found in the XRD pattern, which is consistent with Jiang’s report and indicates that the active component is present in an amorphous state. Moreover, it is very likely that Mnn+ ions are incorporated into the copper oxide lattice to form a solid solution during the calcinations [37]. The amorphous MnOx may be one of the key factors for the excellent catalytic activity in deNOx performance according to Tang’s research [38]. CuO shows a peak at 37.2°, and Wang et al. found that Cu was present nearly exclusively in the form of mononuclear ions and oligomeric species [39].
Figure 7.
The XRD pattern of SCR catalysts with the loading amount of 3%, 5% MnOx and 3%, 5% Cu, respectively.
XPS analysis was carried out to determine the atomic concentration and chemical states of different species presented on catalysts surface. Figure 8 shows the oxidation state of Mn species and the binding energy peaks of Mn 2p for MnOx/Cu-AC catalyst. The Mn 2P3/2 peak of 5% MnOx-3% Cu/AC catalyst can be separated into three peaks, i.e., 642.3 eV, 643.4 eV and 644.7 eV, which correspond to Mn2+ species, Mn3+ species and Mn4+ species, respectively. The active components are mainly in the form of MnO, Mn2O3 and MnO2. The Mn valence binding energy distribution of SCR catalysts as shown in Table 2, and the valence distribution of Mn oxides are dominated by Mn3+ and Mn4+. The MnOx catalytic activity has been ascribed to the potential of Mn to form several oxides and to provide oxygen selectively from its crystalline lattice [40]. The proportion of Mn3+ and Mn4+ reaches maximum when the loading amount of Cu is 3%, which indicates that the reducibility of the SCR catalyst is relatively strong. Xin et al. suggested that Mn3+ could activate NH3 into NH2 intermediate that would readily react with NO to produce N2 [41]. Yao et al. confirmed that an ample amount of Mn4+ ions is one of the key factors enhancing NH3 oxidation in the NH3-SCR process due to the strong oxidizing state of Mn (IV) [42]. According to Lee’s research, the existence of various Mn valences increased the electron transfer during the NO conversion processes, which could promote the denitration reaction for NH3-SCR [43]. Fang et al. found that there was a strong interaction between manganese oxides and copper oxides, and the valence distribution of Mn was affected by the loading amount of Cu [44]. Furthermore, a synergistic interaction between Mn and Cu might exist according to the redox couple: Mn3+ + Cu2+ → Mn4+ + Cu+.
Figure 8.
The XPS pattern of SCR catalysts with the loading amount of 3%, 5% MnOx and 3%, 5% Cu, respectively. (a) Full spectrum; (b) Peak spectrum.
Table 2.
The Mn valence binding energy distribution of SCR catalysts.
The distribution of acidic sites were characterized by NH3-TPD with the loading amount of 3%, 5% MnOx and 3%, 5% Cu, respectively. The calcination temperature was 350 °C. As is shown in Figure 9a, the weaker desorption peak appears at 68 °C, which corresponds to the weak acidic sites of SCR catalysts. In addition, the stronger desorption peak appears at 142 °C, which corresponds to the strong acidic sites. The peak area and intensity of the catalyst with a loading amount of 5% MnOx-3% Cu are higher than others, which indicates that there are more acidic sites in the catalyst surface. The optimum combination ratio makes the active component of MnOx dispersed uniformly, and it is conducive to improving the activity of the SCR catalyst [45]. Many research showed that surface acidity played a critical role in SCR reaction [46,47]. Therefore, the increased acidic sites might represent one of the most important reasons for the higher catalytic activity of the MnOx-Cu/AC catalyst. Yao et al. found that the synergistic effects between Mn and Cu ions could further enhance the low-temperature performances via modified active sites [48]. Moreover, Shu et al. found that surface acidity played a critical role in the SCR reaction [49]. Consequently, the increased acidic sites might represent one of the most important reasons for the higher catalytic activity of the MnOx-Cu/AC catalyst.
Figure 9.
The acid and redox properties of the SCR catalysts with the loading amount of 3%, 5% MnOx and 3%, 5% Cu, respectively. (a) NH3-TPD; (b) H2-TPR.
The redox property is an important index to evaluate the performance of catalysts, and H2-TPR technology provides an effective way in measuring the reducibility of the SCR catalyst. The sample amount of SCR catalyst was 0.10 g and the concentration of H2 was 3% in the process of analysis. Figure 9b presents the TPR profiles of the MnOx-Cu/AC catalyst, and the H2 consumption amounts in the temperature range of 100–220 °C are summarized in Table 3. As can be seen from Figure 9b, one reduction peak is observed for MnOx-Cu/AC catalyst, which can be attributed to the reduction of MnOx, and the peak area of 5% of the MnOx-3% Cu/AC catalyst is higher than others. The reduction peak appears around 200 °C, and the reduction of MnO2 → Mn2O3 → MnO may occur at this process [50,51]. The TPR profiles of the MnOx-Cu/AC catalyst are able to deconvoluted into three Gaussian peaks (dotted curves). The lowest temperature peak (150–177 °C) is attributed to the reduction of highly dispersed MnOx surface species, the higher temperature peak (194–208 °C) corresponds to the bulk-like MnOx, and the highest temperature peak (200–212 °C) appearing in the MnOx-Cu/AC catalyst is related to the MnOx strongly interacted with CuO [52,53]. It could be concluded that H2 consumption amounts increase with the increase of the Mn and Cu loading amount, and the H2 consumption of 5% of the MnOx-3% Cu/AC catalyst is obviously higher than that of others, which suggests that the reducibility is relatively strong and verifies that 5% MnOx-3% Cu is the optimal ratio. Dong et al. found that Cu and Mn elements might form the copper galaxite of CuMn2O4, and the interaction between MnOx and Cu improved the activity of the catalyst effectively and was beneficial for NO conversion [54].
Table 3.
The H2 consumption of the SCR catalysts.
2.8. The Reaction Mechanism of NH3-SCR
According to the above research, the optimal component ratio of the SCR catalyst is loaded 5% MnOx and 3% Cu on AC. The large specific surface area of AC is beneficial to the uniform loading of active component Mn. NH3 and NO simulate the catalytic reduction in this work. As for the reaction mechanism of SCR, more and more scholars think that the SCR catalytic reaction should comply with the Eley-Rideal (E-R) mechanism. Another view with the Langmuir-Hinshelwood (L-H) mechanism is now accepted for the NH3-SCR process reaction mechanism. For the E-R mechanism, the redox reaction takes place between active NH3 and gaseous NO. The adsorbed NH3 is activated at the weak acid site on the surface of the catalyst, with the adsorption and activation of NH3 as the critical step. For the L-H mechanism, the NO of the gas phase first interacts with O2 and subsequently the NOx is adsorbed onto the surface of the catalyst where it is oxidized to nitrates and nitrites in the role of lattice oxygen [55,56,57,58,59]. The NO removal mechanism of the MnOx-Cu/AC catalyst can be seen in Figure 10. In both E-R and L-H catalytic mechanisms, acidic sites are beneficial to the adsorption and activation of NH3 and NOx in a low-temperature NH3-SCR process [60,61,62]. Kijlstra et al. suggested that the Mn3+ location on the surface of MnOx/Al2O3 was the Lewis acid center [63]. On the MnOx-Cu catalysts, a mechanism similar with that on the MnOx/Al2O3 were pointed out by researchers. Most researchers believe that NH3 is adsorbed to the Lewis acid center and intermediates like NH2* or adsorbed NH3 formed, then they react with NO through the E-R mechanism getting N2 and H2O [64,65]. Yang et al. found that chemisorption mechanism was responsible for the adsorption of reactants through density functional theory calculations and NH2* produced from NH3 dehydrogenation was identified as a key reactive intermediate in the selective catalytic reduction activity of NO with NH3 over CuMn2O4 spinel [66]. For the catalytic process, the optimal reaction pathway of N2 formation in NH3-SCR of NO is a two-step process: (1) NH2 formation from NH3 dehydrogenation (NH3* + * → NH2* + H*), and (2) the reaction between NH2 and NO (NH2* + NO* → N2* + H2O*).
Figure 10.
NO removal mechanism of the MnOx-Cu/AC catalyst.
3. Materials and Methods
3.1. Catalyst Preparation
AC was used as the support to prepare the low-temperature SCR catalysts in this experiment, which was purchased from Sinopharm Chemical Reagent Ltd Co. Twenty mesh beforehand and smaller AC particles were selected in order to ensure the uniform particle size of AC. The original AC contained many impurities, such as amorphous carbon and Fe, Ni and Co, etc. Therefore, it was necessary to purify AC to avoid the influence of these impurities on catalyst preparation. Firstly, AC particles were added to different concentrations of nitric acid in turn and stirred for 2 h. Next, these activated carbon particles experienced dilution, filtering, deionized water flushing to pH = 6–7 in turn. Then, 110 °C drying in electrothermal blowing for 12 h. The AC was supported with MnOx and Cu using impregnation methods, where Mn and Cu nitrates were dissolved in deionized water, and a certain amount of the AC was added. The mixture of metal nitrates and carbon was heated and continuously stirred for 5 h after impregnated with a rotary evaporation instrument for 2 h, and then these particles were dried respectively in 110 °C for 5 h and in 50 °C for 12 h. After drying, the sample was calcined in a certain temperature under N2 atmosphere for 2 h. Finally, the sample was cooled down to room temperature with protection of N2, and the MnOx-Cu/AC catalyst was packed into a fiedbed stainless steel micro-reactor for the performance evaluation of SCR for NO conversion.
3.2. Catalyst Characterization
X-ray diffraction (XRD) measurement was performed by an XRD-7000 S system (Shimadzu Corporation, Japan). The 2θ scans covered the range from 10° to 80° at a 5° min−1 scan rate and a step of 0.02°. Cu Κα radiation was employed, and the X-ray tube was operated at 40 kV and 40 mA. Specific surface area and pore size were calculated by the Brunauer-Emmett-Teller (BET) method and the Barrett-Joyner-Halenda (BJH) method, respectively. The surface atomic states of the catalysts were analyzed by X-ray photoelectron spectroscopy (XPS, AXIS Ultra DLD) with Al Κα radiation (hv = 1486.6 eV) as the excitation source at 150 W. C1 s-binding energy of 284.6 eV was taken as a reference. The hydrogen temperature programmed reduction (H2-TPR) experiments of the prepared catalysts were performed on a Tianjin XQ TP5080 auto-adsorption apparatus. Prior to the H2-TPR experiment, 0.10 g of the catalyst was pretreated with Ar at a total flow rate of 50 mL/min at 200 °C for 1 h, and subsequently cooled to room temperature under an Ar atmosphere. Finally, the reactor temperature was raised to 700 °C at a constant heating rate of 10 °C/min under a flow of H2 (10%)/Ar (50 mL/min). The H2 consumption was monitored by a thermal conductivity detector (TCD) during the experiment. The curve data of temperature programmed desorption of ammonia (NH3-TPD) were recorded by a thermal conductivity detector (TCD) in a Tianjin XQ TP5080 auto-adsorption apparatus. First, the quartz tube is added to the catalysts and a helium gas of 30 mL/min was introduced and the temperature of the furnace was raised from room temperature to 200 °C with a 10 °C/min heating rate. After a span of 30 min at 200 °C, the catalysts were cooling to 80 °C. The sample was adsorbed for 30 min under pure ammonia gas conditions of 30 mL/min. The physically adsorbed ammonia to the surface of the catalyst was then purged with 30 mL/min helium for 1 h. At last, the catalysts were heated to 500 °C at a heating rate of 5 °C/min under a helium gas flow of 30 mL/min, and a temperature-programmed ammonia desorption curve was recorded.
3.3. Catalyst Activity Evaluation
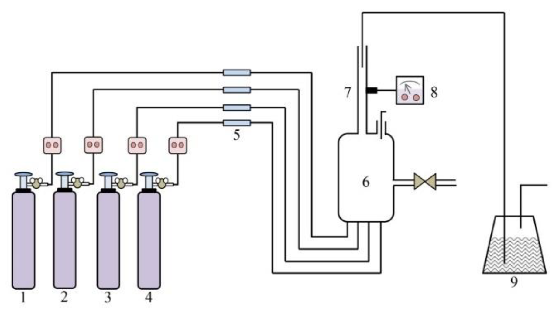
The device was used for NH3-SCR reaction activity evaluation process as shown in Figure 11. The catalytic activities of solid samples were evaluated in a fiedbed stainless steel micro-reactor loaded with 0.10 g of catalyst powder in 20 mesh size. The electrically heated wire and thermocouple in a fiedbed stainless steel micro-reactor was used to heat the mixed gas. In order to simulate the realistic exhaust condition, the composition of NH3, NO and O2 in the feed gas were 0.12%, 0.10% and 3.60%, respectively. The total flow rate was 1.00 L/min and the gas hourly space velocity (GHSV) was 5000 h−1. N2 was used as balance gas and NH3 was used as reductant. Catalytic activity was measured in a steady flow mode in a fiedbed stainless steel micro-reactor. Each part of gas was controlled by mass flow controllers. Prior to each activity test, the catalysts were pretreated at 200 °C for 2 h with flowing air, and cooled to the initial reaction temperature around 100 °C. The steady-state deNOx activity test was then conducted in the reaction temperature range from 100 to 350 °C at intervals of 50 °C. Each temperature point was kept for 30 min to achieve a balanced reaction gas concentration and all of the data were obtained when the SCR reaction reached the steady state.
Figure 11.
Flow chart of NH3-SCR reactivity evaluation. 1. N2 2. O2 3. NO 4. NH3 5. Mass flow controllers 6. Gas generating system 7. Fiedbed stainless steel micro-reactor 8. The flue gas analyzer 9. Adsorbent.
An FT-IR gas analyzer (GASM ET DX 4000, Finland) was used for the purpose of analyzing the concentrations of NOx (NO + NO2) and N2O in the outlet gas. The following Equations (1) and (2) were used to estimate the NOx conversion and N2 selectivity:
where refers to the concentration of nitric oxide at the inlet of the reactor, refers to the concentration of NOx (NO + NO2) at the outlet of the reactor, refers to the concentration of N2O at the outlet of the reactor.
The catalytic activity experiments were done in triplicate. If the experimental data fluctuated greatly, it was discarded. If the fluctuation of the experimental data was less than 10%, it was averaged. Finally, the average was plotted in the figures. The error bar was plotted in the figures, which was used as an index to evaluate the difference between the average and measurement. The following Equations (3) and (4) were the experiment result average and error bar, respectively.
4. Conclusions
In this paper, an impregnation method was used to prepare the low-temperature SCR catalysts made of MnOx-Cu loaded on activated carbon. Then, the catalysts were packed into the fixed bed reactor to evaluate the selective catalytic reduction of NO performance. The experimental results show that NO conversion is highest at 96.82% and it remains rather stable with a slight fluctuation around ±1% over time throughout the 25 h continuous procedure when the calcination temperature is 350 °C, and MnOx loading amount is 5%, and Cu loading amount is 3%, and reaction temperature is 200 °C, which can meet the needs of deNOx at a low temperature and provide reference for industrial production and application. The concentration of N2O as a by-product in the outlet gas is measured. The results show that the concentration of N2O is very low in the outlet gas of the reactor in the SCR reaction, and the selectivity to N2 is almost 99%. Although much progress has been made in this research, many problems need to be solved. As for the development of low-temperature SCR catalysts in the future, it is worthwhile to explore Mn-based catalysts with excellent resistance to sulfur, water and so on. Discovering new doping elements and novel supports may be promising research directions, and monolithic catalysts should be given more consideration from a commercial perspective.
Author Contributions
All authors have contributed in various degrees to the analytical methods used, to the research concept, to the experiment design, to the acquisition of data, or analysis and interpretation of data, to draft the manuscript or to revise it critically for important intellectual content. All authors have read and agreed to the published version of the manuscript.
Funding
This research was funded by the Open Foundation of Shaanxi Key Laboratory of Lacustrine Shale Gas Accumulation and Exploitation (under planning), and the Major Science and Technology Projects of Shanxi Province (No.20181102017), and the Fundamental Research Funds for the Central Universities (No.2009QH03).
Acknowledgments
In this section you can acknowledge any support given which is not covered by the author contribution or funding sections. This may include administrative and technical support, or donations in kind (e.g., materials used for experiments).
Conflicts of Interest
The authors confirm that this article content contains no conflicts of interest.
References
- Tang, C.J.; Zhang, H.L.; Dong, L. Ceria-based catalysts for low-temperature selective catalytic reduction of NO with NH3. Catal. Sci. Technol. 2016, 6, 1248–1264. [Google Scholar] [CrossRef]
- Mosrati, J.; Atia, H.; Eckelt, R.; Lund, H.; Agostini, G.; Bentrup, U.; Rockstroh, N.; Keller, S.; Armbruster, U.; Mhamdi, M. Nb-Modified Ce/Ti Oxide Catalyst for the Selective Catalytic Reduction of NO with NH3 at Low Temperature. Catalysts 2018, 8, 175. [Google Scholar] [CrossRef]
- Daood, S.S.; Yelland, T.S.; Nimmo, W. Selective non-catalytic reduction Fe-based additive hybrid technology. Fule 2017, 208, 353–362. [Google Scholar] [CrossRef]
- Yan, Q.H.; Yang, R.Y.; Zhang, Y.L.; Umar, A.; Huang, Z.G.; Wang, Q. A comprehensive review on selective catalytic reduction catalysts for NOx emission abatement from municipal solid waste incinerators. Environ. Prog. Sustain. 2016, 35, 1061–1069. [Google Scholar] [CrossRef]
- Yang, G.; Zhao, H.T.; Luo, X.; Shi, K.Q.; Zhao, H.B.; Wang, W.K.; Chen, Q.H.; Fan, H.; Wu, T. Promotion effect and mechanism of the addition of Mo on the enhanced low temperature SCR of NOx by NH3 over MnOx/gamma-Al2O3 catalysts. Appl. Catal. B Environ. 2019, 245, 743–752. [Google Scholar] [CrossRef]
- Sala, R.; Dzida, J.; Krasowski, J. Ammonia Concentration Distribution Measurements on Selective Catalytic Reduction Catalysts. Catalysts 2018, 8, 231. [Google Scholar] [CrossRef]
- Zhang, K.; Yu, F.; Zhu, M.Y.; Dan, J.M.; Wang, X.G.; Zhang, J.L.; Dai, B. Enhanced Low Temperature NO Reduction Performance via MnOx-Fe2O3_Vermiculite Monolithic Honeycomb Catalysts. Catalysts 2018, 8, 100. [Google Scholar] [CrossRef]
- Wang, R.H.; Hao, Z.F.; Li, Y.; Liu, G.Q.; Zhang, H.; Wang, H.T.; Xia, Y.G.; Zhan, S.H. Relationship between structure and performance of a novel highly dispersed MnOx on Co-Al layered double oxide for low temperature NH3-SCR. Appl. Catal. B Environ. 2019, 258, 983–992. [Google Scholar] [CrossRef]
- Han, L.P.; Gao, M.; Hasegawa, J.; Li, S.X.; Shen, Y.J.; Li, H.R.; Shi, L.Y.; Zhang, D.S. SO2-tolerant selective catalytic reduction of NOx over meso-TiO2@Fe2O3@Al2O3 metal-based monolith catalysts. Environ. Sci. Technol. 2019, 53, 6462–6473. [Google Scholar] [CrossRef]
- Blanco, J.; Avila, P.; Suárez, S.; Yates, M.; Martin, J.A.; Marzo, L.; Knapp, C. CuO/NiO monolithic catalysts for NOx removal from nitric acid plant flue gas. Chem. Eng. J. 2004, 97, 1–9. [Google Scholar] [CrossRef]
- Lin, T.; Zhang, Q.L.; Li, W.; Gong, M.C.; Xing, Y.X.; Chen, Y.Q. Monolith Manganese-Based Catalyst Supported on ZrO2-TiO2 for NH3-SCR Reaction at Low Temperature. Acta Phys. Chim. Sin. 2008, 24, 1127–1131. [Google Scholar] [CrossRef]
- Brookshear, D.W.; Nam, J.; Nguyen, K.; Toops, T.J.; Binder, A. Impact of sulfation and desulfation on NOx reduction using Cu-chabazite SCR catalysts. Catal. Today 2015, 258, 359–366. [Google Scholar] [CrossRef]
- Xiao, X.; Sheng, Z.; Yang, L.; Dong, F. Low-temperature selective catalytic reduction of NOx with NH3 over a manganese and cerium oxide/graphene composite prepared by a hydrothermal method. Catal. Sci. Technol. 2016, 6, 1507–1514. [Google Scholar] [CrossRef]
- Chmielarz, L.; Kuśtrowski, P.; Rafalskalasocha, A.; Majda, D.; Dziembaj, R. Catalytic activity of Co-Mg-Al, Cu-Mg-Al and Cu-Co-Mg-Al mixed oxides derived from hydrotalcites in SCR of NO with ammonia. Appl. Catal. B Environ. 2002, 35, 195–210. [Google Scholar] [CrossRef]
- Wan, Y.; Zhao, W.; Tang, Y.; Li, L.; Wang, H.J.; Cui, Y.L.; Gu, J.L.; Li, Y.S.; Shi, J.L. Ni-Mn bi-metal oxide catalysts for the low temperature SCR removal of NO with NH3. Appl. Catal. B Environ. 2014, 148, 114–122. [Google Scholar] [CrossRef]
- Thirupathi, B.; Smirniotis, P.G. Nickel-doped Mn/TiO2 as an efficient catalyst for the low-temperature SCR of NO with NH3: Catalytic evaluation and characterizations. J. Catal. 2012, 288, 74–83. [Google Scholar] [CrossRef]
- Qi, G.S.; Yang, R.T. Performance and kinetics study for low-temperature SCR of NO with NH3 over MnOx–CeO2 catalyst. J. Catal. 2003, 217, 434–441. [Google Scholar] [CrossRef]
- Ouzzine, M.; Cifredo, G.A.; Gatica, J.M.; Harti, S.; Chafik, T.; Vidal, H. Original carbon-based honeycomb monoliths as support of Cu or Mn catalysts for low-temperature SCR of NO: Effects of preparation variables. Appl. Catal. A Gen. 2008, 342, 150–158. [Google Scholar] [CrossRef]
- Yao, X.; Kong, T.; Chen, L.; Ding, S.; Yang, F.; Dong, L. Enhanced low-temperature NH3-SCR performance of MnOx/CeO2 catalysts by optimal solvent effect. Appl. Surf. Sci. 2017, 420, 407–415. [Google Scholar] [CrossRef]
- Gao, C.; Shi, J.W.; Fan, Z.Y.; Gao, G.; Niu, C.M. Sulfur and Water Resistance of Mn-Based Catalysts for Low-Temperature Selective Catalytic Reduction of NOx: A Review. Catalysts 2018, 8, 11. [Google Scholar] [CrossRef]
- Wang, P.C.; Yao, L.; Pu, Y.J.; Yang, L.; Jiang, X.; Jiang, W.J. Low-temperature selective catalytic reduction of NOx with NH3 over an activated carbon-carbon nanotube composite material prepared by in situ method. RSC Adv. 2019, 9, 36658–36663. [Google Scholar] [CrossRef]
- Liu, K.J.; Yu, Q.B.; Wang, B.L.; Qin, Q.; Wei, M.Q.; Fu, Q. Low temperature selective catalytic reduction of nitric oxide with urea over activated carbon supported metal oxide catalysts. Environ. Technol. 2018, 1–14. [Google Scholar] [CrossRef] [PubMed]
- Huang, L.H.; Li, X.; Chen, Y.Q. The effect of the oxidation method of an activated carbon on the selective catalytic reduction of NOx with NH3 over CeO2/activated carbon catalysts. New Carbon Mater. 2018, 33, 237–244. [Google Scholar]
- Samojeden, B.; Grzybek, T. The influence of the promotion of N-modified activated carbon with iron on NO removal by NH3-SCR (Selective catalytic reduction). Energy 2016, 116, 1484–1491. [Google Scholar] [CrossRef]
- Li, Y.R.; Guo, Y.Y.; Xiong, J.; Zhu, T.Y.; Hao, J.K. The Roles of Sulfur-Containing Species in the Selective Catalytic Reduction of NO with NH3 over Activated Carbon. Ind. Eng. Chem. Res. 2016, 55, 12341–12349. [Google Scholar] [CrossRef]
- Valdés-Sols, T.; Marbán, G.; Fuertes, A.B. Low-temperature SCR of NOx with NH3 over carbon-ceramic supported catalysts. Appl. Catal. B Environ. 2003, 46, 261–271. [Google Scholar] [CrossRef]
- García-bordejé, E.; Calvillo, L.; Lázaro, M.J.; Moliner, R. Vanadium supported on carbon-coated monoliths for the SCR of NO at low temperature: Effect of pore structure. Appl. Catal. B Environ. 2004, 50, 235–242. [Google Scholar] [CrossRef]
- Wang, Y.L.; Huang, Z.G.; Liu, Z.Y.; Liu, Q.Y. A novel activated carbon honeycomb catalyst for simultaneous SO2 and NO removal at low temperatures. Carbon 2004, 42, 423–460. [Google Scholar] [CrossRef]
- Zhu, Z.P.; Liu, Z.Y.; Niu, H.X.; Liu, S.J.; Hu, T.D.; Liu, T.; Xie, Y.N. Mechanism of SO2 Promotion for NO Reduction with NH3 over Activated Carbon-Supported Vanadium Oxide Catalyst. J. Catal. 2001, 197, 6–16. [Google Scholar] [CrossRef]
- Ye, T.; Chen, D.L.; Yin, Y.S.; Liu, J.; Zeng, X. Experimental Research of an Active Solution for Modeling In Situ Activating Selective Catalytic Reduction Catalyst. Catalysts 2018, 7, 258. [Google Scholar] [CrossRef]
- Flura, A.; Can, F.; Courtois, X.; Royer, S.; Duprez, D. High-surface-area zinc aluminate supported silver catalysts for low-temperature SCR of NO with ethanol. Appl. Catal. B Environ. 2012, 126, 275–289. [Google Scholar] [CrossRef]
- Zhao, S.; Huang, L.M.; Jiang, B.Q.; Cheng, M.; Zhang, J.W.; Hu, Y.J. Stability of Cu-Mn bimetal catalysts based on different zeolites for NOx removal from diesel engine exhaust. Chin. J. Catal. 2018, 39, 800–809. [Google Scholar] [CrossRef]
- Jiang, H.X.; Zhao, J.; Jiang, D.Y.; Zhang, M.H. Hollow MnOx–CeO2 nanospheres prepared by a green route: A novel low-temperature NH3-SCR catalyst. Catal. Lett. 2014, 144, 325–332. [Google Scholar] [CrossRef]
- Xu, L.T.; Niu, S.L.; Lu, C.M.; Zhang, Q.; Li, J. Influence of calcination temperature on Fe0.8Mg0.2Oz catalyst for selective catalytic reduction of NOx with NH3. Fuel 2018, 219, 248–258. [Google Scholar] [CrossRef]
- Huang, L.; Zong, Y.H.; Wang, H.; Li, Q.; Chen, T.; Dong, L.; Zou, W.X.; Guo, K. Influence of calcination temperature on the plate-type V2O5-MoO3/TiO2 catalyst for selective catalytic reduction of NO. React. Kinet. Mech. Catal. 2018, 124, 603–617. [Google Scholar] [CrossRef]
- Ren, B.N. Low-temperature selective catalytic reduction of NO with NH3 over CuOx/CNTs Catalyst. Mat. Sci. Eng. R. 2017, 281, 12006. [Google Scholar] [CrossRef]
- Jiang, L.J.; Liu, Q.C.; Zhao, Q.; Ren, S.; Kong, M.; Yao, L.; Meng, F. Promotional effect of Ce on the SCR of NO with NH3 at low temperature over MnOx supported by nitric acid-modified activated carbon. Res. Chem. Intermed. 2018, 44, 1729–1744. [Google Scholar] [CrossRef]
- Tang, X.L.; Hao, J.M.; Xu, W.G.; Li, J.H. Low temperature selective catalytic reduction of NOx with NH3 over amorphous MnOx catalysts prepared by three methods. Catal. Commun. 2006, 8, 329–334. [Google Scholar] [CrossRef]
- Wang, T.; Zhang, X.Y.; Liu, J.; Liu, H.Z.; Wang, Y.; Sun, B.M. Effects of temperature on NOx removal with Mn-Cu/ZSM5 catalysts assisted by plasma. Appl. Therm. Eng. 2018, 130, 1224–1232. [Google Scholar] [CrossRef]
- Gao, X.; Liu, S.J.; Zhang, Y.; Luo, Z.Y.; Cen, K.F. Physicochemical properties of metal-doped activated carbons and relationship with their performance in the removal of SO2 and NO. J. Hazard. Mater. 2011, 188, 58–66. [Google Scholar] [CrossRef]
- Xin, Y.; Li, H.; Zhang, N.N.; Li, Q.; Zhang, Z.L.; Cao, X.M.; Hu, P.; Zheng, L.R.; Anderson, J.A. Molecular-level insight into selective catalytic reduction of NOx with NH3 to N2 over a highly efficient bifunctional V-alpha-MnOx catalyst at low temperature. ACS Catal. 2018, 8, 4937–4949. [Google Scholar] [CrossRef]
- Yao, Z.; Guo, Y.X.; Yang, Y.J.; Huang, H.; Qu, D.L. MnOx-CeOx Nanoparticles supported on graphene aerogel for selective catalytic reduction of nitric oxides. J. Nanomater. 2019, 4239764. [Google Scholar] [CrossRef]
- Lee, S.M.; Park, K.H.; Hong, S.C. MnOx/CeO2-TiO2 mixed oxide catalysts for the selective catalytic reduction of NO with NH3 at low temperature. Chem. Eng. J. 2012, 195, 323–331. [Google Scholar] [CrossRef]
- Fang, D.; Xie, J.L.; Mei, D.; Zhang, Y.M.; He, F.; Liu, X.Q.; Li, Y.M. Effect of CuMn2O4 spinel in Cu–Mn oxide catalysts on selective catalytic reduction of NOx with NH3 at low temperature. RSC Adv. 2014, 4, 25540–25551. [Google Scholar] [CrossRef]
- Zhang, M.H.; Cao, H.B.; Chen, Y.F.; Jiang, H.X. Role of Mn: Promotion of Fast-SCR for Cu-SAPO-34 in Low-Temperature Selective Catalytic Reduction with Ammonia. Catal. Surv. Asia 2019, 23, 245–255. [Google Scholar] [CrossRef]
- Cai, S.X.; Zhang, D.S.; Zhang, L.; Huang, L.; Li, H.R.; Gao, R.H.; Shi, L.Y.; Zhang, J.P. Comparative study of 3D ordered macroporous Ce0.75Zr0.2M0.05O2-delta (M = Fe, Cu, Mn, Co) for selective catalytic reduction of NO with NH3. Catal. Sci. Technol. 2014, 4, 93–101. [Google Scholar] [CrossRef]
- Shen, Q.; Zhang, L.Y.; Sun, N.N.; Wang, H.; Zhong, L.S.; He, C.; Wei, W.; Sun, Y.H. Hollow MnOx-CeO2 mixed oxides as highly efficient catalysts in NO oxidation. Chem. Eng. J. 2017, 322, 46–55. [Google Scholar] [CrossRef]
- Yao, Z.; Qu, D.L.; Guo, Y.X.; Yang, Y.J.; Huang, H. Fabrication and Characteristics of Mn@ Cu3(BTC)2 for Low-Temperature Catalytic Reduction of NOx with NH3. Adv. Mater. Sci. Eng. 2019, 2019, 2935942. [Google Scholar] [CrossRef]
- Shu, Y.; Zhang, F.; Wang, H.C. Manganese-cerium mixed oxides supported on rice husk based activated carbon with high sulfur tolerance for low-temperature selective catalytic reduction of nitrogen oxides with ammonia. RSC Adv. 2019, 9, 23964–23972. [Google Scholar] [CrossRef]
- Yu, C.L.; Chen, F.; Dong, L.F.; Liu, X.Q.; Huang, B.C.; Wang, X.N.; Zhong, S.B. Manganese-rich MnSAPO-34 molecular sieves as an efficient catalyst for the selective catalytic reduction of NOx with NH3: One-pot synthesis, catalytic performance, and characterization. Environ. Sci. Pollut. R. 2017, 24, 7499–7510. [Google Scholar] [CrossRef]
- Luo, S.P.; Zhou, W.T.; Xie, A.J.; Wu, F.Q.; Yao, C.; Li, X.Z.; Zuo, S.X.; Liu, T.H. Effect of MnO2 polymorphs structure on the selective catalytic reduction of NOx with NH3 over TiO2-Palygorskite. Chem. Eng. J. 2016, 286, 291–299. [Google Scholar] [CrossRef]
- Yan, Q.H.; Chen, S.N.; Zhang, C.; O’Hare, D.; Wang, Q. Synthesis of Cu0.5Mg1.5Mn0.5Al0.5Ox mixed oxide from layered double hydroxide precursor as highly efficient catalyst for low-temperature selective catalytic reduction of NOx with NH3. J. Colloid Interf. Sci. 2018, 526, 63–74. [Google Scholar] [CrossRef]
- Bennici, S.; Carniti, P.; Gervasini, A. Bulk and surface properties of dispersed CuO phases in relation with activity of NOx reduction. Catal. Lett. 2004, 98, 187–194. [Google Scholar] [CrossRef]
- Dong, G.J.; Li, Y.M.; Wang, Y.G.; Zhang, J.; Duan, R.R. DeNOx performance of Cu-Mn composite catalysts prepared by the slurry coating method. React. Kinet. Mech. Cat. 2014, 111, 235–245. [Google Scholar] [CrossRef]
- Yan, Q.H.; Gao, Y.S.; Li, Y.R.; Vasiliades, M.A.; Chen, S.N.; Zhang, C.; Gui, R.R.; Wang, Q.; Zhu, T.Y.; Efstathiou, A.M. Promotional effect of Ce doping in Cu4Al1Ox-LDO catalyst for low-T practical NH3-SCR: Steady-state and transient kinetics studies. Appl. Catal. B Environ. 2019, 255, 117749. [Google Scholar] [CrossRef]
- Zhu, B.Z.; Li, G.B.; Sun, Y.L.; Yin, S.L.; Fang, Q.L.; Zi, Z.H.; Zhu, Z.C.; Li, J.X.; Mao, K.K. De-NOx Performance and Mechanism of Mn-Based Low-Temperature SCR Catalysts Supported on Foamed Metal Nickel. J. Brazil. Chem. Soc. 2018, 29, 1680–1689. [Google Scholar] [CrossRef]
- Efstathiou, A.M.; Fliatoura, K. Selective catalytic reduction of nitric oxide with ammonia over V2O5/TiO2 catalyst: A steady-state and transient kinetic study. Appl. Catal. B Environ. 1995, 6, 35–59. [Google Scholar] [CrossRef]
- Stathopoulos, V.N.; Belessi, V.C.; Costa, C.N.; Neophytides, S.; Falaras, P.; Efstathiou, A.M.; Pomonis, P.J. Catalytic activity of high surface area mesoporous Mn-based mixed oxides for the deep oxidation of methane and lean-NOx reduction. Stud. Surf. Sci. Catal. 2000, 130, 1529–1534. [Google Scholar]
- Damma, D.; Ettireddy, P.R.; Reddy, B.M.; Smirniotis, P.G. A Review of Low Temperature NH3-SCR for Removal of NOx. Catalysts 2019, 9, 349. [Google Scholar] [CrossRef]
- Wang, J.H.; Zhao, H.W.; Haller, G.; Li, Y.D. Recent advances in the selective catalytic reduction of NOx with NH3 on Cu-Chabazite catalysts. Appl. Catal. B Environ. 2017, 202, 346–354. [Google Scholar] [CrossRef]
- Gao, F.; Peden, C.H.F. Recent Progress in Atomic-Level Understanding of Cu/SSZ-13 Selective Catalytic Reduction Catalysts. Catalysts 2018, 8, 140. [Google Scholar]
- Wang, S.X.; Guo, R.T.; Pan, W.G.; Chen, Q.L.; Sun, P.; Li, M.Y.; Liu, S.M. The deactivation of Ce/TiO2 catalyst for NH3-SCR reaction by alkali metals: TPD and DRIFT studies. Catal. Commun. 2017, 89, 143–147. [Google Scholar] [CrossRef]
- Kijlstra, W.S.; Brands, D.S.; Poels, E.K.; Bliek, A. Kinetics of the selective catalytic reduction of NO with NH3 over MnOx/Al2O3 catalysts at low temperature. Catal. Today 1999, 50, 133–140. [Google Scholar] [CrossRef]
- Park, K.H.; Lee, S.M.; Kim, S.S.; Kwon, D.W.; Hong, S.C. Reversibility of Mn Valence State in MnOx/TiO2 Catalysts for Low-temperature Selective Catalytic Reduction for NO with NH3. Catal. Lett. 2013, 143, 246–253. [Google Scholar] [CrossRef]
- Li, J.H.; Chang, H.Z.; Ma, L.; Hao, J.M.; Yang, R.T. Low-temperature selective catalytic reduction of NOx with NH3 over metal oxide and zeolite catalysts—A review. Catal. Today 2011, 175, 147–156. [Google Scholar] [CrossRef]
- Yang, Y.J.; Liu, J.; Liu, F.; Wang, Z.; Ding, J.Y.; Huang, H. Reaction mechanism for NH3-SCR of NOx over CuMn2O4 catalyst. Chem. Eng. J. 2019, 361, 578–587. [Google Scholar] [CrossRef]
© 2020 by the authors. Licensee MDPI, Basel, Switzerland. This article is an open access article distributed under the terms and conditions of the Creative Commons Attribution (CC BY) license (http://creativecommons.org/licenses/by/4.0/).











