Application of a Model-Based Method to the Online Detection of Rotating Rectifier Faults in Brushless Synchronous Machines
Abstract
1. Introduction
2. Description of the Fault Detection Method
- First stage: Main machine.
- 2.
- Rectifier stage relationship.
- 3.
- Second stage: Exciter.
3. Computer Simulations
3.1. Computer Simulation Model
3.2. Computer Simulation Verification
4. Experimental Tests
4.1. Experimental Test Bench
- Hall effect DC current sensor, in order to measure the exciter field current.
- Three 10/5A current transformers (CT), compliant with EN-IEC 61869-2 standard, one per output phase.
- Industrial programmable multi-transducer, compliant with EN-IEC 61000 standard regarding electromagnetic compatibility, with EN 60688 standard regarding electrical measuring transducers and with EN 55011 standard regarding radiofrequency disturbance.
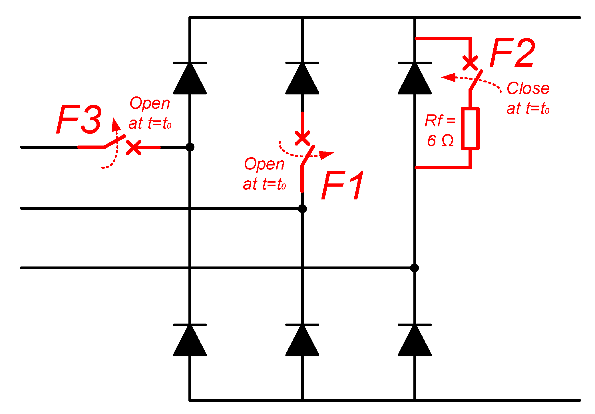
- F1: Open-diode fault. A circuit-breaker is placed in series with one of the diodes. It is closed in healthy conditions and suddenly opened when the fault is performed.
- F2: Shorted-diode fault. A short-circuit branch is connected in parallel with one of the diodes and it is provided with a circuit-breaker. It is open in healthy conditions and suddenly closed when the fault is carried out. The fault has been performed with a fault resistance value of 6 Ω (Rf = 6 Ω) in order to limit the fault current below the rated exciter current, and, therefore, to avoid excessive fault currents that could damage the exciter, as shown in Figure 11.
- F3: Open-phase fault. A circuit-breaker is placed in series with one of the input phase lines. It is closed in healthy conditions and suddenly opened when the fault is produced.
4.2. Experimental Test Results
- Regarding the open-diode fault (F1), the initial healthy condition point is (U = 400 V; P = 1500 W; Q = 0 var). When the fault is produced, Q drops to −594 var defining a new operating point at (U = 400 V; P = 1500 W; Q = −594 var), as shown in Figure 18a. In healthy conditions, the value of the measured current (Ie,mea) is similar to the theoretical one computed through the model (Ie,cal), i.e., r ≈ 1, but after the fault takes place, while Ie,mea stays constant at 230 mA, the value of Ie,cal experiences a drop as the new output operating point should be attained with less need of excitation power if the system was healthy, as per Figure 18b. This fact gives rise to a value difference obtained from the comparison of Ie,mea and Ie,cal after the fault, represented by the stepwise gap (r > 1).
- Similarly to the previous case, in the case of the shorted-diode fault (F2) with Rf = 6 Ω, the initial healthy condition point (U = 400 V; P = 1500 W; Q = 0 var) gives place to a new operating point at (U = 400 V; P = 1500 W; Q = −1012 var) after the fault is produced, as shown in Figure 19a. As represented parallelly in Figure 19b, the value of Ie,mea passes from being similar to the theoretical one computed through the model (Ie,cal) before the fault, i.e., r ≈ 1, to having a clear difference after the fault, as Ie,mea stays constant at 230 mA but the value of Ie,cal drops when the calculation is performed with the healthy model at the new operating point (r > 1).
- Finally, regarding the open-phase fault (F3), the healthy-to-faulty transition implies that the (U = 400 V; P = 1500 W; Q = 0 var) is left and a new operating point at (U = 400 V; P = 1500 W; Q = −610 var) is attained, as represented in Figure 20a. As shown parallelly in Figure 20b, a stepwise gap between Ie,mea and Ie,cal is also obtained after the fault (r > 1) due to the drop of Ie,cal at the new operating point.
5. Conclusions
Author Contributions
Funding
Informed Consent Statement
Data Availability Statement
Conflicts of Interest
References
- Dulas, J.H.; Chisholm, M.; Griffith, T.; Ocmand, J. API 546, 4th Edition—Making It Easier to Specify Brushless Synchronous Machines. In Proceedings of the 2019 IEEE Petroleum and Chemical Industry Committee Conference (PCIC), Vancouver, BC, Canada, 9–12 September 2019; pp. 41–50. [Google Scholar]
- IEEE Std C50.13-2014 (Revision of IEEE Std C50.13-2005); IEEE Standard for Cylindrical-Rotor 50 Hz and 60 Hz Synchronous Generators Rated 10 MVA and Above. IEEE: New York, NY, USA, 2014; pp. 1–63.
- Nøland, J.K.; Nuzzo, S.; Tessarolo, A.; Alves, E.F. Excitation System Technologies for Wound-Field Synchronous Machines: Survey of Solutions and Evolving Trends. IEEE Access 2019, 7, 109699–109718. [Google Scholar] [CrossRef]
- Rebollo, E.; Blánquez, F.R.; Platero, C.A.; Blázquez, F.; Redondo, M. Improved High-Speed De-excitation System for Brushless Synchronous Machines Tested on a 20 MVA Hydro-generator. IET Electr. Power Appl. 2015, 9, 405–411. [Google Scholar] [CrossRef]
- Chapman, S.J. Electric Machinery Fundamentals, 5th ed.; McGraw-Hill: New York, NY, USA, 2012; ISBN 9780073529547. [Google Scholar]
- Pallantla, M.; Kumar, P.; Mohan, N. Comparison and Evaluation of the Different Brushless Excitation Topologies for Synchronous Machines-A Literature Survey. In Proceedings of the 2020 IEEE International Conference on Power Electronics, Smart Grid and Renewable Energy (PESGRE2020), Cochin, India, 2–4 January 2020; pp. 1–6. [Google Scholar]
- IEEE Std C37 102-2006 (Revision of IEEE Std C37 102-1995); IEEE Guide for AC Generator Protection. IEEE: New York, NY, USA, 2006; pp. 1–177.
- Kim, H.J.; Shaikh, M.F.; Lee, S.B.; Platero, C.A.; Kim, T. Alternative Test Methods for Monitoring the Condition of Brushless Exciters in Synchronous Machines. IEEE Trans. Energy Convers. 2022, 37, 2009–2018. [Google Scholar] [CrossRef]
- Sun, C.; Liu, W.; Han, X.; Jiao, N.; Shen, K.; Wang, R.; Mao, S.; Wang, K. Fault Diagnosis of a Rotating Rectifier in a Wound-Rotor Synchronous Starter/Generator in the Generation Mode. IEEE Trans. Transp. Electrif. 2022, 8, 4569–4582. [Google Scholar] [CrossRef]
- IEEE Std 421.1-2007 (Revision of IEEE Std 421.1-1986); IEEE Standard Definitions for Excitation Systems for Synchronous Machines. IEEE: New York, NY, USA, 2007; pp. 1–33.
- Batzel, T.D.; Swanson, D.C.; Defenbaugh, J.F. Predictive diagnostics for the main field winding and rotating rectifier assembly in the brushless synchronous generator. In Proceedings of the 4th IEEE International Symposium on Diagnostics for Electric Machines, Power Electronics and Drives (SDEMPED), Atlanta, GA, USA, 24–26 August 2003; pp. 349–354. [Google Scholar]
- Salah, M.; Bacha, K.; Chaari, A. Detection of Brushless Exciter Rotating Diodes Failures by Spectral Analysis of Main Output Voltage. In Proceedings of the 2013 International Conference on Electrical Engineering and Software Applications, Hammamet, Tunisia, 21–23 March 2013; pp. 1–6. [Google Scholar]
- Rahnama, M.; Vahedi, A.; Alikhani, A.M.; Takorabet, N. Diode Open-Circuit Fault Detection in Rectifier Bridge of the Brushless Synchronous Generator. In Proceedings of the 2018 XIII International Conference on Electrical Machines (ICEM), Alexandroupoli, Greece, 3–6 September 2018; pp. 1821–1826. [Google Scholar]
- Rahnama, M.; Vahedi, A. Rotary Diode Failure Detection in Brushless Exciter System of Power Plant Synchronous Generator. In Proceedings of the 2016 6th Conference on Thermal Power Plants (CTPP), Tehran, Iran, 19–20 January 2016; pp. 6–11. [Google Scholar]
- McArdle, M.G.; Morrow, D.J. Noninvasive Detection of Brushless Exciter Rotating Diode Failure. IEEE Trans. Energy Convers. 2004, 19, 378–383. [Google Scholar]
- Sottile, J.; Trutt, F.C.; Leedy, A.W. Condition Monitoring of Brushless Three-phase Synchronous Generators with Stator Winding or Rotor Circuit Deterioration. IEEE Trans. Ind. Appl. 2006, 42, 1209–1215. [Google Scholar] [CrossRef]
- Cui, J.; Tang, J.; Shi, G.; Zhang, Z. Generator Rotating Rectifier Fault Detection Method Based on Stacked Auto-encoder. In Proceedings of the 2017 IEEE Workshop on Electrical Machines Design, Control and Diagnosis (WEMDCD), Nottingham, UK, 20–21 April 2017; pp. 256–261. [Google Scholar]
- Ahmadi, A.; Mahbubi, S.; Shahnazari, M. Rotating Rectifier Fault Detection in Brushless Excitation System of Synchronous Generators. In Proceedings of the 2019 27th Iranian Conference on Electrical Engineering (ICEE), Yazd, Iran, 30 April–2 May 2019; pp. 1–5. [Google Scholar]
- Pang, J.; Liu, W.; Wei, Z.; Sun, C.; Jiao, N.; Han, X. Online Diode Fault Detection in Rotating Rectifier of the Brushless Synchronous Starter Generator. IEEE Trans. Ind. Inform. 2020, 16, 6943–6951. [Google Scholar] [CrossRef]
- Zhang, C.; Xia, L. A Novel Online Diagnosis of Brushless Generator Rotary Rectifier Fault. In Proceedings of the 2008 International Conference on Electrical Machines and Systems, Wuhan, China, 17–20 October 2008; pp. 835–838. [Google Scholar]
- Rahnama, M.; Vahedi, A. Application of Acoustic Signals for Rectifier Fault Detection in Brushless Synchronous Generator. Arch. Acoust. 2019, 44, 267–276. [Google Scholar]
- Rahnama, M.; Vahedi, A.; Alikhani, A.M.; Montazeri, A. Machine-learning Approach for Fault Detection in Brushless Synchronous Generator Using Vibration Signals. IET Sci. Meas. Technol. 2019, 13, 852–861. [Google Scholar] [CrossRef]
- Mohammad-Alikhani, A.; Rahnama, M.; X Vahedi, A. Neighbors Class Solidarity Feature Selection for Fault Diagnosis of Brushless Generator Using Thermal Imaging. IEEE Trans. Instrum. Meas. 2020, 69, 6221–6227. [Google Scholar] [CrossRef]
- Li, X. A Microprocessor-based Fault Monitor for Rotating Rectifiers of Brushless AC Exciters Using a Pattern-Recognition Approach. In Proceedings of the 10th Anniversary IMTC/94. Advanced Technologies in I & M. 1994 IEEE Instrumentation and Measurement Technology Conference, Hamamatsu, Japan, 10–12 May 1994; pp. 394–397. [Google Scholar]
- Wu, Y.; Cai, B.; Ma, Q. An Online Diagnostic Method for Rotary Diode Open-Circuit Faults in Brushless Exciters. IEEE Trans. Energy Convers. 2018, 33, 1677–1685. [Google Scholar] [CrossRef]
- Tian, P.; Platero, C.A.; Lee, S.B.; Gyftakis, K.N.; Antonino-Daviu, J.A. Exciter Axial and Radial Stray Flux Analysis for Rotating Diodes Supervision. In Proceedings of the IEEE 13th International Symposium on Diagnostics for Electrical Machines, Power Electronics and Drives (SDEMPED), Dallas, TX, USA, 22–25 August 2021; pp. 86–91. [Google Scholar]
- Salah, M.; Bacha, K.; Chaari, A.; Benbouzid, M.E.H. Brushless Three-Phase Synchronous Generator Under Rotating Diode Failure Conditions. IEEE Trans. Energy Convers. 2014, 29, 594–601. [Google Scholar] [CrossRef]
- Zouaghi, T.; Poloujadoff, M. Modeling of Polyphase Brushless Exciter Behavior for Failing Diode Operation. IEEE Trans. Energy Convers. 1998, 13, 214–220. [Google Scholar] [CrossRef]
- Tang, J.; Liu, Y.; Sharma, N. Modeling and Experimental Verification of High-Frequency Inductive Brushless Exciter for Electrically Excited Synchronous Machines. IEEE Trans. Ind. Appl. 2019, 55, 4613–4623. [Google Scholar] [CrossRef]
- Bui, H.K.; Bracikowski, N.; Hecquet, M.; Zappellini, K.L.; Ducreux, J.P. Simulation of a Large Power Brushless Synchronous Generator (BLSG) with a Rotating Rectifier by a Reluctance Network for Fault Analysis and Diagnosis. IEEE Trans. Ind. Appl. 2017, 53, 4327–4337. [Google Scholar] [CrossRef]
- Tantawy, A.; Koutsoukos, X.; Biswas, G. Aircraft Power Generators: Hybrid Modeling and Simulation for Fault Detection. IEEE Trans. Aerosp. Electron. Syst. 2012, 48, 552–571. [Google Scholar] [CrossRef]
- Rahnama, M.; Vahedi, A.; Alikhani, A.M.; Nobahari, A. Numerical Modeling of Brushless Synchronous Generator for Rectifier Fault Detection. In Proceedings of the 2019 19th International Symposium on Electromagnetic Fields in Mechatronics, Electrical and Electronic Engineering (ISEF), Nancy, France, 29–31 August 2019; pp. 1–2. [Google Scholar]
- Mahtani, K.; Guerrero, J.M.; Beites, L.F.; Platero, C.A. Model-based On-line Protection Method for Brushless Synchronous Generators. In Proceedings of the IEEE 13th International Symposium on Diagnostics for Electrical Machines, Power Electronics and Drives (SDEMPED), Dallas, TX, USA, 22–25 August 2021; pp. 126–132. [Google Scholar]
- Mahtani, K.; Guerrero, J.M.; Beites, L.F.; Platero, C.A. Model-Based Field Winding Interturn Fault Detection Method for Brushless Synchronous Machines. Machines 2022, 10, 1227. [Google Scholar] [CrossRef]
- EN-IEC 60034-4-1: 2018; Rotating Electrical Machines—Part 4–1: Methods for Determining Electrically Excited Synchronous Machine Quantities from Tests. International Electrotechnical Commission: Geneva, Switzerland, 2018.




















| Category | Subcategories | References | Challenges Overcome by Model-Based Methods |
|---|---|---|---|
| Electrical signal analysis | Output voltage | [12,13,32] | Suboptimal accuracy Electrical measurement error dependence Computational complexity |
| Output current | [14,19] | ||
| Exciter field current | [14,15,16,17,18,19,20] | ||
| Mechanical signal analysis | Acoustics | [21] | Audio signal acquisition technical constraints Acoustic noise Additional equipment Difficult fault classification Computational complexity |
| Vibrations | [22] | Suboptimal accuracy Vibration signal acquisition technical constraints Additional equipment Difficult fault classification Computational complexity Cost | |
| Thermal signal analysis | n/a | [23] | Computational complexity Additional equipment Material cost |
| Airgap flux analysis | n/a | [24,25] | Invasiveness Additional equipment Installation constraints Machine design constraints Computational complexity Cost |
| Stray flux analysis | n/a | [26,27] | Low accuracy Computational complexity Additional equipment Cost |
| Alternator Type | Synchronous 3-Phase | |
|---|---|---|
| Rated power | 5 | kVA |
| Rated speed | 1500 | rpm |
| Rated voltage | 400 | V |
| Rated current | 7.2 | A |
| Pole pairs | 2 | |
| Rated frequency | 50 | Hz |
| IP | 21 | |
| Isolation class | F | |
| Rated excitation voltage | 33 | V |
| Rated excitation current | 4.10 | A |
| Alternator Type | Synchronous 3-Phase | |
|---|---|---|
| Rated power | 277 | VA |
| Rated speed | 1500 | rpm |
| Rated voltage | 40 | V |
| Rated current | 4 | A |
| Pole pairs | 4 | |
| Rated frequency | 100 | Hz |
| IP | 21 | |
| Isolation class | F | |
| Rated excitation voltage | 33 | V |
| Rated excitation current | 0.61 | A |
| Maximum Voltage | 26 | V |
| Maximum current | ±3.2 (±0.8 resolution) | A (mA) |
| Precision amplifier | 0.1 (1% precision) | Ω |
| Interface | I2C |
| Type | Single Phase, Wound Primary | |
|---|---|---|
| Ratio | 10/5 | |
| Rated current | 10 | A |
| Class and power | 0.5 (2.5) 1 (5) 3 (7) | (VA) |
| Maximum operating voltage | 0.72 | kV |
| Number of Outputs | 3 | |
|---|---|---|
| Type of output | Analogue | |
| Rated input current | 1 to 6 | A |
| Rated input voltage | 57.7 to 400 (phase-to-neutral) 100 to 693 (phase-to-phase) | V |
| Accuracy class | 0.2 (voltage and current) 0.5 (all other quantities) | |
| Computer interface | RS232 |
Disclaimer/Publisher’s Note: The statements, opinions and data contained in all publications are solely those of the individual author(s) and contributor(s) and not of MDPI and/or the editor(s). MDPI and/or the editor(s) disclaim responsibility for any injury to people or property resulting from any ideas, methods, instructions or products referred to in the content. |
© 2023 by the authors. Licensee MDPI, Basel, Switzerland. This article is an open access article distributed under the terms and conditions of the Creative Commons Attribution (CC BY) license (https://creativecommons.org/licenses/by/4.0/).
Share and Cite
Mahtani, K.; Guerrero, J.M.; Beites, L.F.; Platero, C.A. Application of a Model-Based Method to the Online Detection of Rotating Rectifier Faults in Brushless Synchronous Machines. Machines 2023, 11, 223. https://doi.org/10.3390/machines11020223
Mahtani K, Guerrero JM, Beites LF, Platero CA. Application of a Model-Based Method to the Online Detection of Rotating Rectifier Faults in Brushless Synchronous Machines. Machines. 2023; 11(2):223. https://doi.org/10.3390/machines11020223
Chicago/Turabian StyleMahtani, Kumar, José M. Guerrero, Luis F. Beites, and Carlos A. Platero. 2023. "Application of a Model-Based Method to the Online Detection of Rotating Rectifier Faults in Brushless Synchronous Machines" Machines 11, no. 2: 223. https://doi.org/10.3390/machines11020223
APA StyleMahtani, K., Guerrero, J. M., Beites, L. F., & Platero, C. A. (2023). Application of a Model-Based Method to the Online Detection of Rotating Rectifier Faults in Brushless Synchronous Machines. Machines, 11(2), 223. https://doi.org/10.3390/machines11020223

