Transient Stability-Oriented Nonlinear Power Control of PMSG-WT Using Power Transfer Matrix Modeling with DC Link Behavior
Abstract
1. Introduction
1.1. Related Work
1.2. Research Contribution
- (1)
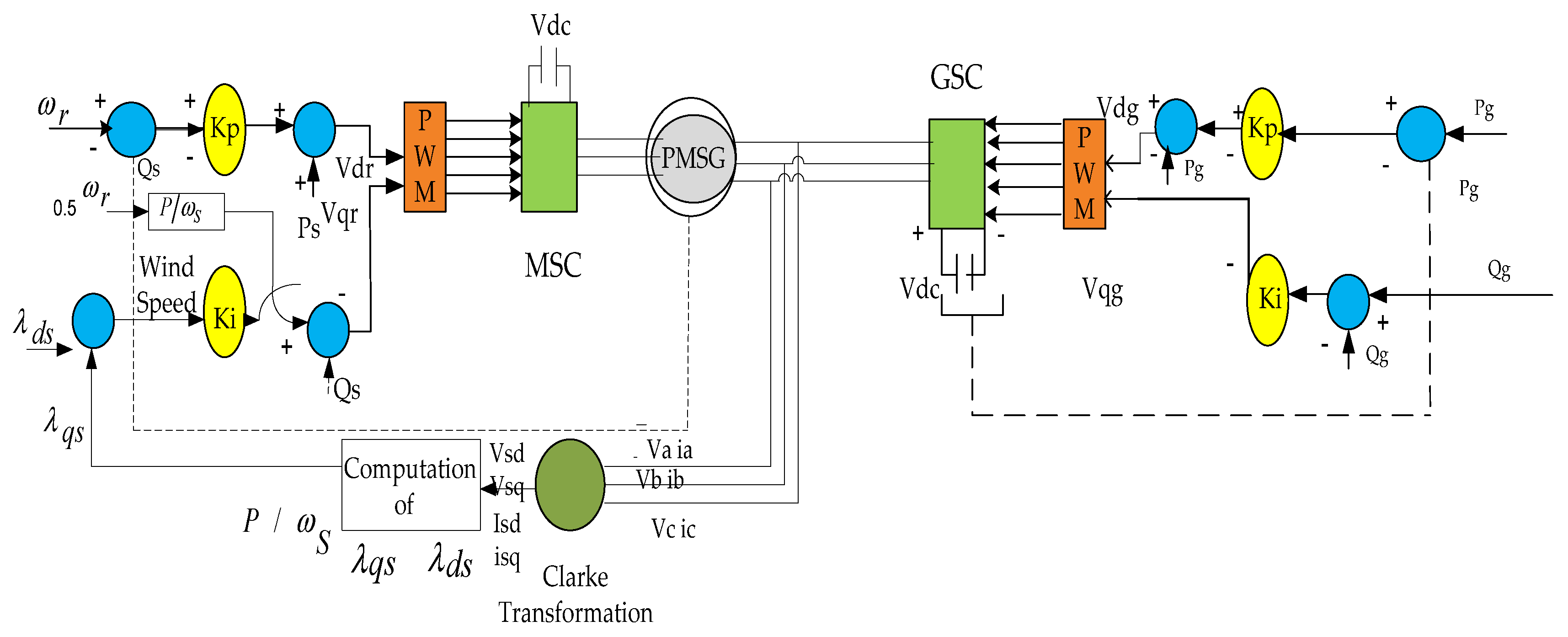
- In this paper, a nonlinear power transfer matrix approach is applied to model the dynamic behavior of a PMSG-based wind energy conversion system. Unlike conventional models that rely on voltage, current, and flux linkage as state variables, the proposed nonlinear power transfer matrix employs instantaneous active and reactive powers as the state variables.
- (2)
- To achieve the effective regulation of active and reactive power, a Lyapunov-based stability scheme is incorporated into the conventional controller, thereby guaranteeing the stability of the nonlinear system under uncertain wind conditions.
- (3)
- During the fault circumstances, the grid voltage can sag. LVRT-capable generators inject reactive power to support voltage recovery.
- (4)
- After the fault is cleared, LVRT ensures a smooth transition back to normal operation without unnecessary tripping and reconnection delays.
2. Modeling of Wind Turbine’s Mechanical Power
3. PMSG Wind Energy System Model Based on Power Components
3.1. Modeling of PMSG Wind Turbine System in dq Reference Frame
3.2. Grid-Side Converter and Filter Model
4. Controller Design and Analysis of a Feedback Control System
Active and Reactive Power Controller Design
5. Stability Analysis of the Feedback Control System
6. DC-Link Voltage Controller
7. Angular Speed Operation Controller
7.1. Short Circuit Current Behavior
7.2. Crowbar Protection
7.3. Current Limiting During a Fault
8. System Performance Evaluation—Results
9. Conclusions
10. Future Work and Discussion
- (1)
- Fuzzy Logic Control (FLC): These types of controllers can be applied to grip the nonlinear and uncertain behavior of WTs, and it does not require any accurate mathematical model.
- (2)
- Neural Network (NN) Controller: the NN controller is a well-known controller for many applications, such as solar/wind and other renewable sources, and it can also provide self-learning and pattern recognition that can enhance PMSG performance under variable wind profiles. However, the research could discover the use of AI, machine and deep learning architectures for predictive control, system identification, and adaptive optimization in order to maintain the wind turbine systems’ stability and performance.
- (3)
- Model Predictive Control (MPC): These types of controllers can be used to handle various system variables with limitations, making them highly suitable for grid-connected WTs. In PMSG systems, MPCs have the ability to optimize maximum energy at minimum wind speed, and they can also minimize the system’s losses and deliver smooth power during grid disturbances.
- (4)
- Hybrid Intelligent Control Systems: A combination of fuzzy logic, neural networks, MPC, and AI could be integrated to create hybrid controllers that exploit the strengths of each approach. For instance, fuzzy logic can provide robustness, while neural networks add adaptability, and MPC ensures optimal control under constraints. Such hybrid schemes may offer superior performance in terms of efficiency, reliability, and resilience.
Author Contributions
Funding
Data Availability Statement
Conflicts of Interest
Abbreviations
| Cp | Power coefficient of wind turbine |
| Rs | Resistance of stator |
| Ids | d-axis Stator current |
| Iqs | q-axis Stator current |
| Rr | Resistance of Rotor |
| Idr | d-axis Rotor current |
| Iqr | q-axis Rotor current |
Appendix A
References
- Baloch, M.H.; Wang, J.; Kaloi, G.S. Stability and nonlinear controller analysis of wind energy conversion system with random wind speed. Int. J. Electr. Power Energy Syst. 2016, 79, 75–83. [Google Scholar] [CrossRef]
- Nguyen, P.T.H.; Stüdli, S.; Braslavsky, J.H.; Middleton, R.H. Coordinated Control for Low Voltage Ride Through in PMSG Wind Turbines. IFAC-PapersOnLine 2018, 51, 672–677. [Google Scholar] [CrossRef]
- Polinder, H.; Ferreira, J.A.; Jensen, B.B.; Abrahamsen, A.B.; Atallah, K.; McMahon, R.A. Trends in Wind Turbine Generator Systems. IEEE J. Emerg. Sel. Top. Power Electron. 2013, 1, 174–185. [Google Scholar] [CrossRef]
- Mayilsamy, G.; Lee, S.R.; Joo, Y.H. An improved model predictive control of back-to-back three-level NPC converters with virtual space vectors for high power PMSG-based wind energy conversion systems. ISA Trans. 2023, 143, 503–524. [Google Scholar] [CrossRef] [PubMed]
- Shotorbani, A.M.; Mohammadi-Ivatloo, B.; Wang, L.; Marzband, M.; Sabahi, M. Application of finite-time control Lyapunov function in low-power PMSG wind energy conversion systems for sensorless MPPT. Int. J. Electr. Power Energy Syst. 2019, 106, 169–182. [Google Scholar] [CrossRef]
- Ghafoor, A.; Apsley, J.; Al Kez, D.; Djurović, S. Operation of a wind turbine permanent magnet synchronous generator (PMSG) for ancillary frequency support services. Int. J. Electr. Power Energy Syst. 2025, 167, 110623. [Google Scholar] [CrossRef]
- Wang, C.-N.; Lin, W.-C.; Le, X.-K. Modelling of a PMSG Wind Turbine with Autonomous Control. Math. Probl. Eng. 2014, 2014, 856173. [Google Scholar] [CrossRef]
- Huang, S.; Wang, J.; Huang, C.; Zhou, L.; Xiong, L.; Liu, J.; Li, P. A fixed-time fractional-order sliding mode control strategy for power quality enhancement of PMSG wind turbine. Int. J. Electr. Power Energy Syst. 2022, 134, 107354. [Google Scholar] [CrossRef]
- Kuppusamy, S.; Joo, Y.H. Stabilization of PMSG-based wind turbine systems with sampling information: Dynamic delay partition method. Int. J. Electr. Power Energy Syst. 2023, 149, 109023. [Google Scholar] [CrossRef]
- Ibrahim, R.A.; Zakzouk, N.E. A PMSG Wind Energy System Featuring Low-Voltage Ride-through via Mode-Shift Control. Appl. Sci. 2022, 12, 964. [Google Scholar] [CrossRef]
- Hu, Y.-L.; Wu, Y.-K.; Chen, C.-K.; Wang, C.-H.; Chen, W.-T.; Cho, L.-I. A Review of the Low-Voltage Ride-Through Capability of Wind Power Generators. Energy Procedia 2017, 141, 378–382. [Google Scholar] [CrossRef]
- Mallick, P.; Sharma, R.; Kabat, S.R. Low Voltage Ride Through Improvement Using Power System Stabilizer for DFIG based Wind Energy Conversion System. In Proceedings of the 2022 2nd Odisha International Conference on Electrical Power Engineering, Communication and Computing Technology (ODICON), 11–12 November 2022; IEEE: Piscataway, NJ, USA, 2022; pp. 1–6. [Google Scholar] [CrossRef]
- Emeghara, C.M.; Mahajan, S.M.; Arzani, A. Direct Power Control of a Surface-Mounted Permanent Magnet Synchronous Generator Wind Turbine for Offshore Applications. IEEE Access 2023, 11, 62409–62423. [Google Scholar] [CrossRef]
- Shanmugam, L.; Joo, Y.H. Stabilization of permanent magnet synchronous generator-based wind turbine system via fuzzy-based sampled-data control approach. Inf. Sci. 2021, 559, 270–285. [Google Scholar] [CrossRef]
- Abo-Khalil, A.G.; Alobaid, M. Optimized Control for PMSG Wind Turbine Systems under Unbalanced and Distorted Grid Voltage Scenarios. Sustainability 2023, 15, 9552. [Google Scholar] [CrossRef]
- Soliman, M.A.; Hasanien, H.M.; Al-Durra, A.; Alsaidan, I. A Novel Adaptive Control Method for Performance Enhancement of Grid-Connected Variable-Speed Wind Generators. IEEE Access 2020, 8, 82617–82629. [Google Scholar] [CrossRef]
- Han, S.; Yao, D.; Wei, W. Mechanical Power Calculation of Wind Turbine in Mountainous Wind Farm Model Utilizing Variation Coefficient of Wind Speed. In Proceedings of the 2019 IEEE Sustainable Power and Energy Conference (iSPEC), 21–23 November 2019; IEEE: Piscataway, NJ, USA, 2019; pp. 325–330. [Google Scholar] [CrossRef]
- Hawkins, N.; McIntyre, M.L. A Robust Nonlinear Controller for PMSG Wind Turbines. Energies 2021, 14, 954. [Google Scholar] [CrossRef]
- Ramasamy, T.; Basheer, A.A.; Tak, M.-H.; Joo, Y.-H.; Lee, S.-R. An Effective DC-Link Voltage Control Strategy for Grid-Connected PMVG-Based Wind Energy Conversion System. Energies 2022, 15, 2931. [Google Scholar] [CrossRef]
- Hu, Q.; Xiong, Y.; Liu, C.; Wang, G.; Ma, Y. Transient Stability Analysis of Direct Drive Wind Turbine in DC-Link Voltage Control Timescale during Grid Fault. Processes 2022, 10, 774. [Google Scholar] [CrossRef]
- Yessef, M.; Bossoufi, B.; Taoussi, M.; Motahhir, S.; Lagrioui, A.; Chojaa, H.; Lee, S.; Kang, B.-G.; Abouhawwash, M. Improving the Maximum Power Extraction from Wind Turbines Using a Second-Generation CRONE Controller. Energies 2022, 15, 3644. [Google Scholar] [CrossRef]
- Gholizadeh, M.; Tohidi, S.; Oraee, A.; Oraee, H. Appropriate crowbar protection for improvement of brushless DFIG LVRT during asymmetrical voltage dips. Int. J. Electr. Power Energy Syst. 2018, 95, 1–10. [Google Scholar] [CrossRef]
- Yin, J.; Huang, X.; Qian, W. Analysis and research on short-circuit current characteristics and grid access faults of wind farms with multi-type fans. Energy Rep. 2024, 11, 1161–1170. [Google Scholar] [CrossRef]
- Liu, D.; Ma, X.; Wang, Z.; Yang, Y.; Wang, J.; Zhou, L. Crowbar-Less Low-Voltage Ride-Through Control Strategy for Full-Size Converter-Based Variable-Speed Pumped Storage Units in Generation Mode. Electronics 2025, 14, 1411. [Google Scholar] [CrossRef]
- Huy, T.N.; Le Hanh, D.; Takano, H.; Duc, T.N. Cooperative LVRT control for protecting PMSG-based WTGs using battery energy storage system. Energy Rep. 2023, 9, 590–598. [Google Scholar] [CrossRef]
- Mahela, O.P.; Gupta, N.; Khosravy, M.; Patel, N. Comprehensive Overview of Low Voltage Ride Through Methods of Grid Integrated Wind Generator. IEEE Access 2019, 7, 99299–99326. [Google Scholar] [CrossRef]
- Li, J.; Qiu, Q.; Zhan, M. An Improved Crowbar Control Circuit of DFIG during LVRT. In Proceedings of the 2021 IEEE 4th International Electrical and Energy Conference (CIEEC), 28–30 May 2021; IEEE: Piscataway, NJ, USA, 2021; pp. 1–6. [Google Scholar] [CrossRef]
















| Symbol | Quantity | Value |
|---|---|---|
| Rs | Resistance (stator) | 0.01 Ω |
| Rr | Resistance (rotor) | 0.00840 Ω |
| Ls | Inductance (stator) | 0.005310 H |
| Lr | Inductance (rotor) | 0.0053135 H |
| Lm | Mutual inductance | 0.0051836 H |
| P | No. of pairs poles | 3.2 |
| Rf | Resistance of grid filter | 0.03 Ω |
| Lf | Inductance of grid | 0.002 H |
| C | Capacitance (DC-link) | 0.02 F |
| RT | Blade radius | 36 m |
| B | Coefficient of rotor | 0.00016 Nm s/rad |
| J | Total rotor inertia | 765.5 kg.m2 |
| Ng | Ratio of gearbox | 62.1 |
| Β | Pitch angle | 0° |
| Ρ | Air density | 1.2 kg/m3 |
| λopt | Tip–speed ratio optimal | |
| ωs | Angular frequency grid | 2 π f rad/s |
| Vg | Voltage grid | 575 V rms |
| Gain | Value | Gain | Value | Gain | Value |
|---|---|---|---|---|---|
| kPPr | 0.001 | kPPf | 0.01 | kPω | 32,100 |
| kIPr | 0.001 | kIPf | 0.1 | kIω | 6400 |
| kPQr | 0.001 | kPQf | 0.001 | kPdc | 10,000 |
| kIQr | 0.01 | kIQf | 0.01 | kIdc | 4000 |
Disclaimer/Publisher’s Note: The statements, opinions and data contained in all publications are solely those of the individual author(s) and contributor(s) and not of MDPI and/or the editor(s). MDPI and/or the editor(s) disclaim responsibility for any injury to people or property resulting from any ideas, methods, instructions or products referred to in the content. |
© 2025 by the authors. Licensee MDPI, Basel, Switzerland. This article is an open access article distributed under the terms and conditions of the Creative Commons Attribution (CC BY) license (https://creativecommons.org/licenses/by/4.0/).
Share and Cite
Bijarani, M.A.; Kaloi, G.S.; Baloch, M.; Talani, R.A.; Masud, M.I.; Aman, M.; Jumani, T.A. Transient Stability-Oriented Nonlinear Power Control of PMSG-WT Using Power Transfer Matrix Modeling with DC Link Behavior. Machines 2025, 13, 886. https://doi.org/10.3390/machines13100886
Bijarani MA, Kaloi GS, Baloch M, Talani RA, Masud MI, Aman M, Jumani TA. Transient Stability-Oriented Nonlinear Power Control of PMSG-WT Using Power Transfer Matrix Modeling with DC Link Behavior. Machines. 2025; 13(10):886. https://doi.org/10.3390/machines13100886
Chicago/Turabian StyleBijarani, Muhammad Ali, Ghulam S. Kaloi, Mazhar Baloch, Rameez Akbar Talani, Muhammad I. Masud, Mohammed Aman, and Touqeer Ahmed Jumani. 2025. "Transient Stability-Oriented Nonlinear Power Control of PMSG-WT Using Power Transfer Matrix Modeling with DC Link Behavior" Machines 13, no. 10: 886. https://doi.org/10.3390/machines13100886
APA StyleBijarani, M. A., Kaloi, G. S., Baloch, M., Talani, R. A., Masud, M. I., Aman, M., & Jumani, T. A. (2025). Transient Stability-Oriented Nonlinear Power Control of PMSG-WT Using Power Transfer Matrix Modeling with DC Link Behavior. Machines, 13(10), 886. https://doi.org/10.3390/machines13100886

