Evaluation of the Seismic Performance of Single-Plate Metallic Slit Dampers Using Experimental and Numerical Data
Abstract
1. Introduction
2. Assessment of Seismic Performance
2.1. Experimental Evaluation Process of MSDs
2.2. Combined Numerical and Experimental Evaluation Process of MSDs
3. Methodology
4. Results and Analysis
4.1. Experimental Results
4.2. Energy Dissipation and Damping Ratio
4.3. Measure of Strain and Failure Modes
4.4. Comparison of Experimental Results and Numerical Analysis
4.4.1. Failure Modes
4.4.2. Hysteretic Responses
4.5. Practical Implementation in Seismic Design of SPMSDs
- Step 1: Conduct a preliminary structural analysis of the building or structure to decide and understand how it will react to dynamic loads. This investigation identifies the areas and sections that need more dampening.
- Step 2: The best (optimal) places to install single-plate metallic slit dampers should be determined next by considering the distribution of projected seismic forces and structural susceptibility. Performance-based analysis is also an option.
- Step 3: The next phase is to consider the design specifications of the dampers (i.e., maximum displacement capacity, strength, and energy dissipation capabilities). The design must take into consideration both the general structural response and the anticipated seismic loads. In addition, the dampers should be made of an appropriate material, usually high-strength steel or another alloy with good ductility and energy-dissipation properties. The material must have a steady stress–strain response and be able to tolerate cyclic loads.
- Step 4: Installation of the single-plate metallic slit dampers is next. Using the proper fasteners and/or welding procedures, depending on the structural codes implemented and followed, the dampers are attached to the structural components, such as columns, beams, or braces.
- Step 5: The final step is to combine the following:
5. Conclusions
- Stability and compliance with standards. When the experimental ultimate load is considered, SPMSD 1 is more stable than SPMSD 2. Both dampers meet the ASCE/SEI 7-16 standard at zero displacement. When examining the minimum and maximum recorded forces during minimum and maximum displacements, SPMSD 2 is more appropriate than SPMSD 1 because it only failed to meet the criterion on its final cycle of dissipating energy.
- Energy Dissipation and Damping Ratios. SPMSD 2 outperforms SPMSD 1 in dissipating energy during step one of the loading protocol. During the first step, SPMSD 2 maintained 30.53% more dissipated energy than SPMSD 1. SPMSD 1 became more stable and capable of dispersing energy when the loading protocol continued to be applied in the dampers. During step two, SPMSD 1 dissipated roughly 112.78% more energy than SPMSD 2. When tested, both SPMSDs failed to comply with section 18.6.1.2 of ASCE/SEI 7-16.
- Hysteretic behavior. SPMSD 2 failed promptly after achieving its maximum effective stiffness and minimal damping ratio, as opposed to SPMSD 1. The shift from the tenth cycle to the first cycle of steps one and two, respectively, provides significant insight into the dampers’ failure to dissipate energy. For SPMSD 2, an 88.12% difference in effective damping value during this transition resulted in instantaneous damper disintegration.
- Measure of Strain and Failure Modes. Cracks indicate the presence of plastic deformation in the dampers. Failure is expected whenever the strain value suddenly increases by 1.26 times the average strain for SPMSD 1 and by approximately 0.8 times the average strain for SPMSD 2. It is common to see that the value of recorded strain reduces after failure. However, in locations where plastic deformation is greater, the occurrence of cracking increases significantly for SPMSD 1.
- Numerical Evaluation and Analysis. ABAQUS software was used to successfully model the SPMSDs under cyclic loading. The simulation’s stress concentration corresponds to the critical regions of the dampers, as determined by experimental results. The curved connection between the strut (web) and the flange is represented by this component. The numerical simulations in the FE models agreed well with the experimental results, revealing that the ABAQUS modeling approach accurately anticipated the cyclic behavior of the dampers, particularly during the elastic stage. For SPMSD 1, the relative error ranged from 4.4% to 5.7% between the minimum and highest reported forces from experimental data and numerical simulation, while the relative error ranged from 1.6% to 2.1% for SPMSD 2.
- Practical implementation. If SPMSDs and the modified SPMSD are used either as a component of seesaw brace systems, as an addition to conventional bracing, or as a beam-to-column connection, they can lessen the forces and displacements that the structure experiences during seismic occurrences (Figure 13, Figure 14 and Figure 15). In Section 4.5 of this study, a manual for the general implementation of SPMSDs is provided.
Author Contributions
Funding
Data Availability Statement
Acknowledgments
Conflicts of Interest
References
- Martínez-Rueda, J.E. On the Evolution of Energy Dissipation Devices for Seismic Design. Earthq. Spectra 2002, 18, 309–346. [Google Scholar] [CrossRef]
- Ahn, T.-S.; Kim, Y.-J.; Park, J.-H.; Kim, H.-G.; Jang, D.-W.; Oh, S.-H. Experimental Study on a Cantilever Type Metallic Damper for Seismic Retrofit of Building Structures. J. Korean Soc. Steel Constr. 2012, 24, 149–161. [Google Scholar] [CrossRef]
- Titirla, M.D. A State-of-the-Art Review of Passive Energy Dissipation Systems in Steel Braces. Buildings 2023, 13, 851. [Google Scholar] [CrossRef]
- Chan, R.W.K.; Albermani, F. Experimental Study of Steel Slit Damper for Passive Energy Dissipation. Eng. Struct. 2008, 30, 1058–1066. [Google Scholar] [CrossRef]
- Foti, D.; Bozzo, L.; López-Almansa, F. Numerical Efficiency Assessment of Energy Dissipators for Seismic Protection of Buildings. Earthq. Engng. Struct. Dyn. 1998, 27, 543–556. [Google Scholar] [CrossRef]
- Guerrero Bobadilla, H.; Zamora Romero, E.; Escobar Sánchez, J.A.; Gómez Martínez, R. Experimental behaviour of a low-cost seismic energy dissipation device. RIS 2020, 102, 65–81. [Google Scholar] [CrossRef]
- Mena, Á.; Franco, J.; Miguel, D.; Mínguez, J.; Jiménez, A.C.; González, D.C.; Vicente, M.Á. Experimental Campaign of a Low-Cost and Replaceable System for Passive Energy Dissipation in Precast Concrete Structures. Appl. Sci. 2020, 10, 1213. [Google Scholar] [CrossRef]
- Symans, M.D.; Charney, F.A.; Whittaker, A.S.; Constantinou, M.C.; Kircher, C.A.; Johnson, M.W.; McNamara, R.J. Energy Dissipation Systems for Seismic Applications: Current Practice and Recent Developments. J. Struct. Eng. 2008, 134, 3–21. [Google Scholar] [CrossRef]
- Javanmardi, A.; Ibrahim, Z.; Ghaedi, K.; Benisi Ghadim, H.; Hanif, M.U. State-of-the-Art Review of Metallic Dampers: Testing, Development and Implementation. Arch. Comput. Methods Eng. 2020, 27, 455–478. [Google Scholar] [CrossRef]
- Park, J.W.; Yoon, J.-H.; Yoon, G.-H.; Lim, Y.M. Effect of Dynamic Loading Conditions on Maximizing Energy Dissipation of Metallic Dampers. Appl. Sci. 2022, 12, 3086. [Google Scholar] [CrossRef]
- Moreschi, L.M.; Singh, M.P. Design of Yielding Metallic and Friction Dampers for Optimal Seismic Performance. Earthq. Engng. Struct. Dyn. 2003, 32, 1291–1311. [Google Scholar] [CrossRef]
- Ghabraie, K.; Chan, R.; Huang, X.; Xie, Y.M. Shape Optimization of Metallic Yielding Devices for Passive Mitigation of Seismic Energy. Eng. Struct. 2010, 32, 2258–2267. [Google Scholar] [CrossRef]
- Li, H.-N.; Li, G. Earthquake-Resistant Design of RC Frame with “Dual Functions” Metallic Dampers. In Proceedings of the Volume 8: Seismic Engineering; ASMEDC: San Antonio, TX, USA, 1 January 2007; pp. 43–53. [Google Scholar]
- Li, Z.; Shu, G. Optimal Placement of Metallic Dampers for Seismic Upgrading of Multistory Buildings Based on a Cost-effectiveness Criterion Using Genetic Algorithm. Struct. Des. Tall Spec. Build. 2019, 28, e1595. [Google Scholar] [CrossRef]
- Bagheria, S.; Hadidi, A.; Alilou, A. Heightwise Distribution of Stiffness Ratio for Optimum Seismic Design of Steel Frames with Metallic-Yielding Dampers. Procedia Eng. 2011, 14, 2891–2898. [Google Scholar] [CrossRef][Green Version]
- Sahoo, D.R.; Singhal, T.; Taraithia, S.S.; Saini, A. Cyclic Behavior of Shear-and-Flexural Yielding Metallic Dampers. J. Constr. Steel Res. 2015, 114, 247–257. [Google Scholar] [CrossRef]
- Farsi, A.; Amiri, H.R.; Dehghan Manshadi, S.H. An Innovative C-Shaped Yielding Metallic Dampers for Steel Structures. Structures 2021, 34, 4254–4268. [Google Scholar] [CrossRef]
- Dargush, G.F.; Soong, T.T. Behavior of Metallic Plate Dampers in Seismic Passive Energy Dissipation Systems. Earthq. Spectra 1995, 11, 545–568. [Google Scholar] [CrossRef]
- Abarkane, C.; Ríos-García, G.; Gale-Lamuela, D.; Rescalvo, F.; Gallego, A.; Benavent-Climent, A. Metallic Slit-Plate Dampers: Damage Evaluation with Metal Magnetic Memory Technique and Application to Structures with Rocking Columns. Metals 2019, 9, 953. [Google Scholar] [CrossRef]
- Kim, Y.-C.; Mortazavi, S.; Farzampour, A.; Hu, J.-W.; Mansouri, I.; Awoyera, P. Optimization of the Curved Metal Damper to Improve Structural Energy Dissipation Capacity. Buildings 2022, 12, 67. [Google Scholar] [CrossRef]
- Morillas, L.; Escolano-Margarit, D. Estimation of Cyclic Demand in Metallic Yielding Dampers Installed on Frame Structures. Appl. Sci. 2020, 10, 4364. [Google Scholar] [CrossRef]
- Aghlara, R.; Md Tahir, M.; Adnan, A. Comparative study of eight metallic yielding dampers. J. Teknol. 2015, 77. [Google Scholar] [CrossRef]
- Li, G.; Wang, S.; Li, H. Study and Application of Metallic Yielding Energy Dissipation Devices in Buildings. In Proceedings of the Tenth U.S. National Conference on Earthquake EngineeringFrontiers of Earthquake Engineering, Anchorage, AK, USA, 21–25 July 2014. [Google Scholar] [CrossRef]
- Aljawadi, A.S.; Alih, S.C.; Vafaei, M. Mechanical Behaviour of Metallic Yielding Dampers with Different Aspect Ratios. Lat. Am. J. Solids Struct. 2021, 18, e353. [Google Scholar] [CrossRef]
- Oh, S.-H.; Park, H.-Y. Experimental Study on Seismic Performance of Steel Slit Damper under Additional Tensile Load. J. Build. Eng. 2022, 50, 104110. [Google Scholar] [CrossRef]
- Bae, J.; Lee, C.-H.; Park, M.; Alemayehu, R.W.; Ryu, J.; Kim, Y.; Ju, Y.K. Cyclic Loading Performance of Radius-Cut Double Coke-Shaped Strip Dampers. Materials 2020, 13, 3920. [Google Scholar] [CrossRef] [PubMed]
- Chen, G.; Eads, S.A. Behavior and Fatigue Properties of Metallic Dampers for Seismic Retrofit of Highway Bridges; Missouri Department of Transportation: Jefferson City, MO, USA, 2005; p. 105.
- Donaire-Ávila, J.; Benavent-Climent, A. Optimum Strength Distribution for Structures with Metallic Dampers Subjected to Seismic Loading. Metals 2020, 10, 127. [Google Scholar] [CrossRef]
- Oinam, R.M.; Sahoo, D.R. Using Metallic Dampers to Improve Seismic Performance of Soft-Story RC Frames: Experimental and Numerical Study. J. Perform. Constr. Facil. 2019, 33, 04018108. [Google Scholar] [CrossRef]
- Zheng, J.; Zhang, C.; Li, A. Experimental Investigation on the Mechanical Properties of Curved Metallic Plate Dampers. Appl. Sci. 2019, 10, 269. [Google Scholar] [CrossRef]
- Askariani, S.S.; Garivani, S.; Aghakouchak, A.A. Application of Slit Link Beam in Eccentrically Braced Frames. J. Constr. Steel Res. 2020, 170, 106094. [Google Scholar] [CrossRef]
- Ahmadie Amiri, H.; Pournamazian Najafabadi, E.; Esmailpur Estekanchi, H.; Ozbakkaloglu, T. Performance-Based Seismic Design and Assessment of Low-Rise Steel Special Moment Resisting Frames with Block Slit Dampers Using Endurance Time Method. Eng. Struct. 2020, 224, 110955. [Google Scholar] [CrossRef]
- Houshmand-Sarvestani, A.; Totonchi, A.; Shahmohammadi, M.A.; Salehipour, H. Numerical Assessment of the Effects of ADAS Yielding Metallic Dampers on the Structural Behavior of Steel Shear Walls (SSWs). Mech. Based Des. Struct. Mach. 2023, 51, 1626–1644. [Google Scholar] [CrossRef]
- Keykhosro Kiani, B.; Hosseini Hashemi, B.; Torabian, S. Optimization of Slit Dampers to Improve Energy Dissipation Capacity and Low-Cycle-Fatigue Performance. Eng. Struct. 2020, 214, 110609. [Google Scholar] [CrossRef]
- Zhao, B.; Lu, B.; Zeng, X.; Gu, Q. Experimental and Numerical Study of Hysteretic Performance of New Brace Type Damper. J. Constr. Steel Res. 2021, 183, 106717. [Google Scholar] [CrossRef]
- Kim, D.K.; Dargush, G.F.; Hu, J.W. Cyclic Damage Model for E-Shaped Dampers in the Seismic Isolation System. J. Mech. Sci. Technol 2013, 27, 2275–2281. [Google Scholar] [CrossRef]
- Li, H.-N.; Li, G. Experimental Study of Structure with “Dual Function” Metallic Dampers. Eng. Struct. 2007, 29, 1917–1928. [Google Scholar] [CrossRef]
- Jarrah, M.; Khezrzadeh, H.; Mofid, M.; Jafari, K. Experimental and Numerical Evaluation of Piston Metallic Damper (PMD). J. Constr. Steel Res. 2019, 154, 99–109. [Google Scholar] [CrossRef]
- Garivani, S.; Aghakouchak, A.A.; Shahbeyk, S. Numerical and Experimental Study of Comb-Teeth Metallic Yielding Dampers. Int. J. Steel Struct. 2016, 16, 177–196. [Google Scholar] [CrossRef]
- Naimi, S.; Celikag, M.; Hedayat, A.A. Ductility Enhancement of Post-Northridge Connections by Multilongitudinal Voids in the Beam Web. Sci. World J. 2013, 2013, 515936. [Google Scholar] [CrossRef]
- Koroglu, M.A.; Koken, A. Dere Use of Different Shaped Steel Slit Dampers in Beam to Column Connections of Steel Frames under Cycling Loading; The Hong Kong Institute of Steel Construction: Hong Kong, China, 2018. [Google Scholar]
- Smith, M. ABAQUS/Standard User’s Manual, Version 6.11; Dassault Systemes Simulia Corp: Johnston, RI, USA, 2009. [Google Scholar]
- Galambos, T.V. Specification for Structural Steel Buildings, Supersedes the Specification for Structural Steel Buildings dated June 7, 2016, and all previous versions; American Institute of Steel Construction: Chicago, IL, USA, 2022. [Google Scholar]
- Krolo, P.; Grandić, D.; Smolčić, Ž. Experimental and Numerical Study of Mild Steel Behaviour under Cyclic Loading with Variable Strain Ranges. Adv. Mater. Sci. Eng. 2016, 2016, 7863010. [Google Scholar] [CrossRef]
- KDS 41 17 00; Seismic Building Design Code. Korean Design Standard: Seoul, Republic of Korea, 2019.
- ASTM A36/A36M-19; ASTM Standard Specification for Carbon Structural Steel. ASTM International: West Conshohocken, PA, USA, 2019.
- American Society of Civil Engineers. Minimum Design Loads and Associated Criteria for Buildings and Other Structures, 7th ed.; American Society of Civil Engineers: Reston, VA, USA, 2017; ISBN 978-0-7844-1424-8. [Google Scholar]
- Chopra, A.K. Dynamics of Structures: Theory and Applications to Earthquake Engineering; Prentice-Hall International Series in civil Engineering and Engineering Mechanics; Prentice Hall: Englewood Cliffs, NJ, USA, 1995; ISBN 978-0-13-855214-5. [Google Scholar]
















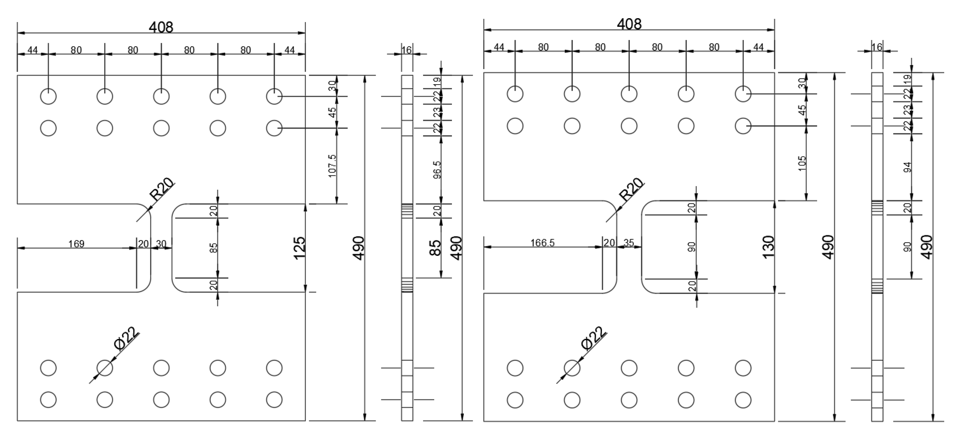
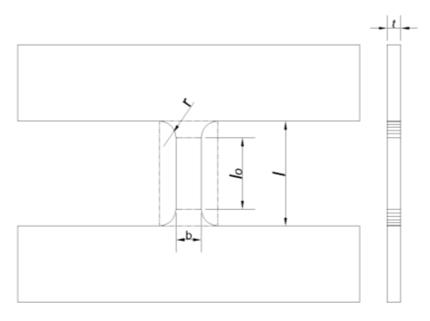
| Damper | Strut Size [(b × h × t); [mm]] | b/h Ratio | Remarks |
|---|---|---|---|
| SPMSD 1 | 30 × 125 × 16 | 4.17 | Optimized test piece |
| SPMSD 2 | 35 × 130 × 16 | 3.71 | Non-optimized test piece |
| Part | Material Behaviors | ||||||||||
|---|---|---|---|---|---|---|---|---|---|---|---|
| Isotropic Hardening | |||||||||||
| SPMSD | Y (GPa) | Fy (MPa) | |||||||||
| 207 | 0.3 | 285 1 | |||||||||
| Combined (Isotropic and Kinematic) Hardening | |||||||||||
| Fyeq (MPa) | C1 (MPa) | 1 | C2 (MPa) | 2 | C3 (MPa) | 3 | b | ||||
| 285 | 13921 | 765 | 4240 | 52 | 1573 | 14 | 25.6 | 4.4 | |||
| Damper | Material | Cyclic Loading Protocol | (mm) | (kN) | (kN) | (kN) | % (Exceed/Fall Short) | |||||
|---|---|---|---|---|---|---|---|---|---|---|---|---|
| vs. | vs. | vs. | ||||||||||
| SPMSD 1 | SS275 | Step 1 | Cycle 1 | 16 | 30 | 85 | 34.73 ≤ 46.59 | 44.58 | 44.75 b | - | - | 0.38 |
| Cycle 2 | 16 | 30 | 85 | 43.89 | 44.59 b | - | - | 1.58 | ||||
| Cycle 3 | 16 | 30 | 85 | 42.30 | 44.56 b | - | - | 5.20 | ||||
| Cycle 4 | 16 | 30 | 85 | 43.33 | 44.53 b | - | - | 2.73 | ||||
| Cycle 5 | 16 | 30 | 85 | 43.07 | 44.46 b | - | - | 3.18 | ||||
| Cycle 6 | 16 | 30 | 85 | 43.77 | 44.43 b | - | - | 1.50 | ||||
| Cycle 7 | 16 | 30 | 85 | 42.63 | 44.40 b | - | - | 4.07 | ||||
| Cycle 8 | 16 | 30 | 85 | 42.46 | 44.43 b | - | - | 4.53 | ||||
| Cycle 9 | 16 | 30 | 85 | 40.60 | 44.40 b | - | - | 8.94 | ||||
| Cycle 10 | 16 | 30 | 85 | 42.27 | 44.72 b | - | - | 5.63 | ||||
| Step 2 | Cycle 1 | 16 | 30 | 85 | 52.06 a | 55.35 a,b | 11.09 | 17.19 | 6.13 | |||
| Cycle 2 | 16 | 30 | 85 | 52.23 a | 54.87 a,b | 11.41 | 16.32 | 4.93 | ||||
| Cycle 3 | 16 | 30 | 85 | 52.46 a | 53.77 a,b | 11.85 | 14.31 | 2.47 | ||||
| Cycle 4 | 16 | 30 | 85 | 42.59 | 51.62 a,b | - | 10.24 | 19.17 | ||||
| SPMSD 2 | Step 1 | Cycle 1 | 16 | 35 | 90 | 44.64 ≤ 59.89 | 57.27 | 58.09 b | - | - | 1.42 | |
| Cycle 2 | 16 | 35 | 90 | 55.21 | 58.16 b | - | - | 5.20 | ||||
| Cycle 3 | 16 | 35 | 90 | 53.90 | 58.28 b | - | - | 7.81 | ||||
| Cycle 4 | 16 | 35 | 90 | 55.68 | 58.32 b | - | - | 4.63 | ||||
| Cycle 5 | 16 | 35 | 90 | 56.46 | 58.45 b | - | - | 3.46 | ||||
| Cycle 6 | 16 | 35 | 90 | 56.11 | 58.41 b | - | - | 4.02 | ||||
| Cycle 7 | 16 | 35 | 90 | 56.91 | 58.54 b | - | - | 2.82 | ||||
| Cycle 8 | 16 | 35 | 90 | 56.04 | 58.38 b | - | - | 4.09 | ||||
| Cycle 9 | 16 | 35 | 90 | 57.01 | 58.22 b | - | - | 2.10 | ||||
| Cycle 10 | 16 | 35 | 90 | 51.74 | 58.22 b | - | - | 11.79 | ||||
| Step 2 | Cycle 1 | 16 | 35 | 90 | 37.81 a | 63.18 a,b | 16.57 | 5.35 | 50.24 | |||
| Damper | Step and Cycle | Zero Displacement | Maximum Displacement | ||||||
|---|---|---|---|---|---|---|---|---|---|
(kN) | Diff (%) | (kN) | Diff (%) | (kN) | Diff (%) | (kN) | Diff (%) | ||
| SPMSD 1 | Step 1 Cycle 1 | 39.18 | 1.38 | −38.79 | 2.55 | 44.59 | 0.63 | −44.69 | 0.30 |
| Step 1 Cycle 2 | 38.95 | 1.95 | −38.79 | 2.55 | 44.50 | 0.85 | −44.56 | 0.59 | |
| Step 1 Cycle 3 | 38.99 | 1.87 | −38.79 | 2.55 | 38.79 | 14.54 | −40.18 | 10.93 | |
| Step 1 Cycle 4 | 38.86 | 2.20 | −38.60 | 3.05 | 44.43 | 0.99 | −40.08 | 11.17 | |
| Step 1 Cycle 5 | 38.95 | 1.95 | −38.79 | 2.55 | 44.30 | 1.28 | −44.30 | 1.17 | |
| Step 1 Cycle 6 | 38.73 | 2.53 | −38.66 | 2.88 | 43.72 | 2.60 | −44.30 | 1.17 | |
| Step 1 Cycle 7 | 38.89 | 2.12 | −38.70 | 2.80 | 41.18 | 8.59 | −39.95 | 11.49 | |
| Step 1 Cycle 8 | 38.82 | 2.29 | −38.60 | 3.05 | 43.66 | 2.75 | −42.56 | 5.18 | |
| Step 1 Cycle 9 | 38.82 | 2.29 | −38.66 | 2.88 | 41.24 | 8.44 | −41.21 | 8.40 | |
| Step 1 Cycle 10 | 38.76 | 2.45 | −38.66 | 2.88 | 44.66 | 0.49 | −44.17 | 1.46 | |
| Step 2 Cycle 1 | 44.30 | 10.90 | −43.34 | 8.52 | 50.97 | 12.72 | −52.07 | 14.95 | |
| Step 2 Cycle 2 | 44.11 | 10.47 | −43.75 | 9.48 | 48.30 | 7.35 | −54.61 | 19.69 | |
| Step 2 Cycle 3 | 42.76 | 7.36 | −43.14 | 8.08 | 50.23 | 11.26 | −52.71 | 16.17 | |
| Step 2 Cycle 4 | 35.99 | 9.86 | −39.82 | 0.08 | 37.47 | 17.98 | −42.14 | 6.17 | |
| SPMSD 2 | Step 1 Cycle 1 | 54.19 | 2.22 | −52.84 | 1.39 | 57.19 | 5.71 | −57.35 | 2.69 |
| Step 1 Cycle 2 | 54.35 | 2.52 | −53.07 | 0.97 | 53.07 | 1.77 | −57.35 | 2.69 | |
| Step 1 Cycle 3 | 54.29 | 2.40 | −53.23 | 0.66 | 54.81 | 1.46 | −52.65 | 5.87 | |
| Step 1 Cycle 4 | 54.29 | 2.40 | −53.32 | 0.48 | 58.25 | 7.55 | −49.71 | 11.59 | |
| Step 1 Cycle 5 | 54.32 | 2.46 | −53.39 | 0.36 | 57.70 | 6.61 | −54.29 | 2.80 | |
| Step 1 Cycle 6 | 54.35 | 2.52 | −53.45 | 0.24 | 55.03 | 1.87 | −57.00 | 2.07 | |
| Step 1 Cycle 7 | 54.32 | 2.46 | −53.45 | 0.24 | 56.74 | 4.92 | −57.61 | 3.13 | |
| Step 1 Cycle 8 | 54.29 | 2.40 | −53.39 | 0.36 | 57.70 | 6.61 | −51.36 | 8.35 | |
| Step 1 Cycle 9 | 54.13 | 2.11 | −53.32 | 0.48 | 58.19 | 7.44 | −54.32 | 2.74 | |
| Step 1 Cycle 10 | 53.45 | 0.85 | −53.48 | 0.18 | 58.12 | 7.33 | −57.48 | 2.91 | |
| Step 2 Cycle 1 | 41.02 | 25.50 | −56.45 | 5.21 | 24.65 | 74.66 | −65.02 | 15.21 | |
| Damper | Step and Cycle | Energy Dissipation | Equivalent Viscous Damping | |||
|---|---|---|---|---|---|---|
(kN-mm) | (kN-mm) | Diff (%) | (kN/mm) | |||
| SPMSD 1 | Step 1 Cycle 1 | 1398.49 | 1394.97 | 0.25 | 4.20 | 0.4317 |
| Step 1 Cycle 2 | 1396.88 | 1394.97 | 0.14 | 4.18 | 0.4264 | |
| Step 1 Cycle 3 | 1398.03 | 1394.97 | 0.22 | 3.74 | 0.4849 | |
| Step 1 Cycle 4 | 1398.05 | 1394.97 | 0.22 | 3.99 | 0.4469 | |
| Step 1 Cycle 5 | 1395.02 | 1394.97 | 0.00 | 4.18 | 0.4224 | |
| Step 1 Cycle 6 | 1393.38 | 1394.97 | 0.11 | 4.12 | 0.4183 | |
| Step 1 Cycle 7 | 1394.04 | 1394.97 | 0.07 | 3.82 | 0.4545 | |
| Step 1 Cycle 8 | 1391.27 | 1394.97 | 0.27 | 4.06 | 0.4238 | |
| Step 1 Cycle 9 | 1391.03 | 1394.97 | 0.28 | 3.91 | 0.4506 | |
| Step 1 Cycle 10 | 1393.46 | 1394.97 | 0.11 | 4.20 | 0.4176 | |
| Step 2 Cycle 1 | 3458.86 | 3298.50 | 4.75 | 2.43 | 0.4655 | |
| Step 2 Cycle 2 | 3459.19 | 3298.50 | 4.76 | 2.42 | 0.4680 | |
| Step 2 Cycle 3 | 3376.69 | 3298.50 | 2.34 | 2.43 | 0.4577 | |
| Step 2 Cycle 4 | 2899.24 | 3298.50 | 12.88 | 1.87 | 0.5090 | |
| SPMSD 2 | Step 1 Cycle 1 | 1901.70 | 1897.57 | 0.22 | 5.40 | 0.4677 |
| Step 1 Cycle 2 | 1904.41 | 1897.57 | 0.36 | 5.21 | 0.4805 | |
| Step 1 Cycle 3 | 1907.27 | 1897.57 | 0.51 | 5.04 | 0.4875 | |
| Step 1 Cycle 4 | 1905.57 | 1897.57 | 0.42 | 5.08 | 0.4787 | |
| Step 1 Cycle 5 | 1904.80 | 1897.57 | 0.38 | 5.27 | 0.4547 | |
| Step 1 Cycle 6 | 1905.35 | 1897.57 | 0.41 | 5.27 | 0.4547 | |
| Step 1 Cycle 7 | 1908.28 | 1897.57 | 0.56 | 5.39 | 0.4485 | |
| Step 1 Cycle 8 | 1908.67 | 1897.57 | 0.58 | 5.14 | 0.4737 | |
| Step 1 Cycle 9 | 1903.92 | 1897.57 | 0.33 | 5.21 | 0.4296 | |
| Step 1 Cycle 10 | 1825.73 | 1897.57 | 3.86 | 5.49 | 0.3578 | |
| Step 2 Cycle 1 | 3679.10 | 3679.10 | 0.00 | 2.13 | 0.5259 | |
Disclaimer/Publisher’s Note: The statements, opinions and data contained in all publications are solely those of the individual author(s) and contributor(s) and not of MDPI and/or the editor(s). MDPI and/or the editor(s) disclaim responsibility for any injury to people or property resulting from any ideas, methods, instructions or products referred to in the content. |
© 2023 by the authors. Licensee MDPI, Basel, Switzerland. This article is an open access article distributed under the terms and conditions of the Creative Commons Attribution (CC BY) license (https://creativecommons.org/licenses/by/4.0/).
Share and Cite
Payawal, J.M.G.; Kim, D.-K. Evaluation of the Seismic Performance of Single-Plate Metallic Slit Dampers Using Experimental and Numerical Data. Buildings 2023, 13, 2188. https://doi.org/10.3390/buildings13092188
Payawal JMG, Kim D-K. Evaluation of the Seismic Performance of Single-Plate Metallic Slit Dampers Using Experimental and Numerical Data. Buildings. 2023; 13(9):2188. https://doi.org/10.3390/buildings13092188
Chicago/Turabian StylePayawal, John Mark Go, and Dong-Keon Kim. 2023. "Evaluation of the Seismic Performance of Single-Plate Metallic Slit Dampers Using Experimental and Numerical Data" Buildings 13, no. 9: 2188. https://doi.org/10.3390/buildings13092188
APA StylePayawal, J. M. G., & Kim, D.-K. (2023). Evaluation of the Seismic Performance of Single-Plate Metallic Slit Dampers Using Experimental and Numerical Data. Buildings, 13(9), 2188. https://doi.org/10.3390/buildings13092188

