Verification Measurement of Laboratory Test Equipment for Evaluation of Technical Properties of Automotive Oil Filters
Abstract
1. Introduction
2. Materials and Methods
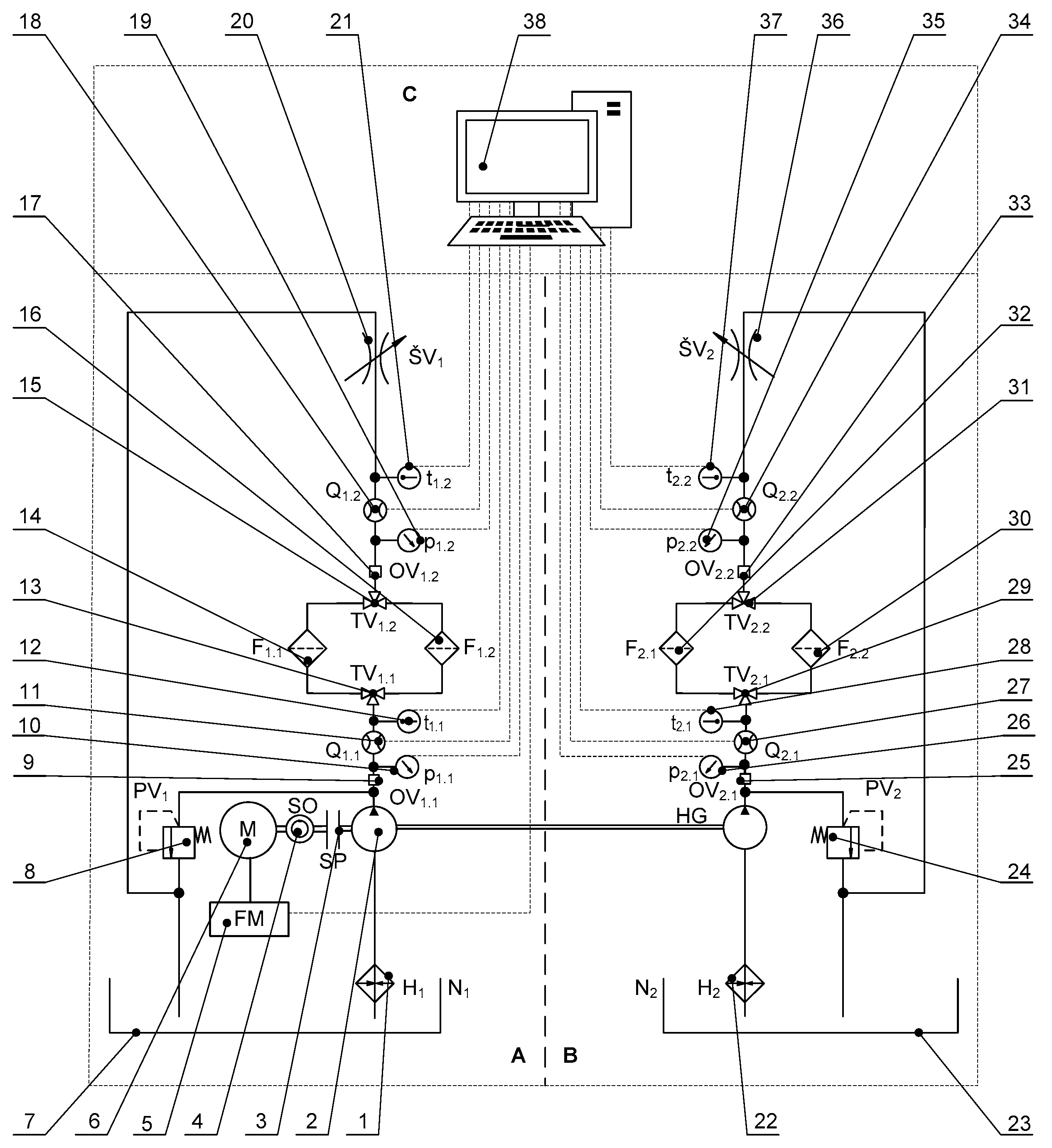
- measurement of pressure and flow characteristics of selected types of oil filters with uncontaminated and contaminated engine oil at a temperature of 30 °C;
- the hydraulic pump will not be loaded with pressure from the throttle valve during the test; the working pressure range in the reference and test circuit will be in the range of 0.2 to 0.5 MPa;
- comparison and evaluation of measured values of pressure and flow characteristics of oil filter MANN W950/26 and oil filter CNH Industrial 2992242;
- the laboratory equipment measurement setting shall not change during the test, the hydraulic pump speed shall correspond to the nominal engine speed under operating conditions, and the speed value shall not change after adjustment Δn = ± 1% or 10 rpm, whichever is greater.
3. Results
4. Discussion
5. Conclusions
Author Contributions
Funding
Institutional Review Board Statement
Informed Consent Statement
Acknowledgments
Conflicts of Interest
References
- Halenár, M.; Kuchar, P. Research of Biodegradable Fluid During Operating Test. In Proceedings of the 24th International Ph.D. Students Conference, Brno, Czech Republic, 8–9 November 2017. [Google Scholar]
- Tkáč, Z.; Čorňák, Š.; Cviklovič, V.; Kosiba, J.; Glos, J.; Jablonický, J.; Bernát, R. Research of Biodegradable Fluid Impacts on Operation of Tractor Hydraulic System. Acta Technol. Agric. 2017, 20, 42–45. [Google Scholar] [CrossRef]
- Majdan, R.; Tkáč, Z.; Abrahám, R.; Kollárová, K.; Vitázek, I.; Halenár, M. Filtration Systems Design for Universal Oils in Agricultural Tractors. Tribol. Ind. 2017, 39, 547–558. [Google Scholar] [CrossRef][Green Version]
- Čorňák, Š. Identification of Operating Fluids with Fingerprint Method Utilization. In Proceedings of the 17th International Scientific Conference Engineering for Rural Development, Jelgava, Latvia, 23–25 May 2018. [Google Scholar]
- Tóth, F.; Fürstenzeller, A.; Rusnák, J.; Bošanský, M.; Kadnár, M. The Possibilities of Using Ecological Liquids in Tribological Gliding Systems with a Selected Surface Created by the Radial Welding Technology. Acta Technol. Agric. 2019, 22, 134–139. [Google Scholar] [CrossRef]
- Košinár, I.; Kuric, M. Monitoring of CNC Machine Tool Accuracy. Postepy Nauki Tech. 2011, 6, 145–153. [Google Scholar]
- Kuric, I.; Zajačko, I.; Císar, M. Analytical Intelligence Tools for Multicriterial of CNC Machines. Int. J. Adv. Sci. Technol. 2011, 10, 59–64. [Google Scholar] [CrossRef]
- Kučera, M.; Aleš, Z.; Pexa, M. Detection and Characterization of Wear Particles of Universal Tractor Oil Using of Particles Size Analyser. Agron. Res. 2016, 14, 1351–1360. [Google Scholar]
- Simikić, M.; Dedovič, N.; Savin, L.; Tomič, M.; Ponjičan, O. Power Delivery Efficiency of a Wheeled Tractor at Oblique Drawbar Force. Soil Tillage Res. 2014, 141, 32–43. [Google Scholar] [CrossRef]
- Zariadenie na Testovanie Filtrov US 3478601. Available online: https://patents.google.com/patent/US3478601 (accessed on 9 March 2018).
- König-Birk, J. Filter testing: Particle counters for hydraulic and lubricating oils. Filtr. Sep. 2011, 48, 33–36. [Google Scholar] [CrossRef]
- Kanade, S.P.; Bhattacharya, S. A Guide to Filtration with String Wound Cartridges; Elsevier: Amsterdam, The Netherlands, 2016; pp. 11–50. ISBN 9780128048474. [Google Scholar] [CrossRef]
- Petillon, N. Advanced Characterization and Testing of Textiles. In The Textile Institute Book Series; Elsevier: Amsterdam, The Netherlands, 2018; pp. 375–397. ISBN 9780081004531. [Google Scholar] [CrossRef]
- Peuchot, C.; Petillon, N.; Lynch, J. Filter efficiency and liquids: The advantages of cartridge filters. Filtr. Sep. 2008, 45, 11–13. [Google Scholar] [CrossRef]
- Hujo, L.; Jablonický, J.; Markovič, J.; Tulík, J.; Simikić, M.; Zastempowski, M.; Janoušková, R. Design of Laboratory Test Equipment for Automotive Oil Filters to Evaluate the Technical Life of Engine Oil. Appl. Sci. 2021, 11, 483. [Google Scholar] [CrossRef]
- Tkáč, Z.; Drabant, Š.; Majdan, R.; Cvícela, P. Testing Stands for Laboratory Tests of Hydrostatic Pump of Agricultural Machinery. Res. Agric. Eng. 2008, 54, 127–141. [Google Scholar] [CrossRef]
- Zastempowski, M. Test Stands with Energy Recovery System for Machines and Hydraulic Transmissions. Res. Agric. Eng. 2013, 58, 188–191. [Google Scholar]
- Helebrant, F.; Ziegler, J.; Marasosová, D. Technická Diagnostika a Spolehlivost, Díl I. Tribodiagnostika, 1st ed.; Technická Univerzita Ostrava: Ostrava, Czech Republic, 2004; ISBN 80-7078-883-6. [Google Scholar]
- Janoško, I.; Polonec, T.; Lindák, S. Performance Parameters Monitoring of the Hydraulic System with Bio-Oil. Res. Agric. Eng. 2014, 60, 37–43. [Google Scholar] [CrossRef]
- Majdan, R.; Tkáč, Z.; Abrahám, R.; Szabó, M.; Halenár, M.; Rášo, M. Proposal for Filtration System for Biodegradable Lubricants in Agricultural Tractors. Agron. Res. 2016, 14, 1395–1405. [Google Scholar]
- Kopiláková, B.; Turza, J.; Hujo, L.; Kosiba, J. Evaluation of Hydraulic Resistance in Various Liquids and Temperature. Tribol. Ind. 2017, 39, 129–135. [Google Scholar] [CrossRef]
- Puškár, M.; Jahnátek, A.; Kuric, I.; Kádárová, J.; Kopas, M.; Šoltésová, M. Complex Analysis of Influence of Biodiesel and Its Mixture on Regulated and Unregulated Emissions of Motor Vehicles with the Aim to Protect Air Quality and Environment. Air Qual. Atmos. Health 2019, 12, 855–864. [Google Scholar] [CrossRef]
- Tribotechniká Diagnostika v Automobilovom Priemysle. Available online: http://www.tribotechnika.sk/tribotechnika-1-2009/tribotechnicka-diagnostika-v-automobilovom-priemysle.html (accessed on 23 April 2009).
- Kosiba, J.; Čorňák, Š.; Glos, J.; Jablonický, J.; Vozárová, V.; Petrovič, A.; Csillag, J. Monitoring Oil Degradation During Operating Tests. Agron. Res. 2016, 14, 1626–1634. [Google Scholar]
- Hujo, L.; Čorňák, Š.; Tkáč, Z.; Jánošová, M. Laboratory Research of Transmission-Hydraulic Fluid. In Proceedings of the 7th International Conference on Trends in Agricultural Engineering, Prague, Czech Republic, 17–20 September 2019. [Google Scholar]
- Wakeman, R. Filter media: Testing for liquid filtration. Filtr. Sep. 2007, 44, 32–34. [Google Scholar] [CrossRef]
- Semjonovs, J. Increasing of Engine Oil Change Interval by Using Additional Oil Filter in Diesel Engines. In Proceedings of the 13th International Scientific Conference Engineering for Rural Development, Jelgava, Latvia, 29–30 May 2014. [Google Scholar]












| Hydac Temperature Sensor ETS 4144-A-006-000 | ||
|---|---|---|
| Parameter | Unit | Value |
| Protection class acc. to DIN 43650 | IP | 65 |
| Supply voltage | V | 8 ÷ 32 |
| Output signal, permitted load resistance | mA | 4 ÷ 20 |
| Measuring range Accuracy of measuring | °C % | −25 ÷ 100 ≤±0.4 |
| Response time acc. to DIN EN 60751 | s | 4 |
| Hydac flow sensor EVS 3104-A-0060-000 | ||
| Output signal, permitted load resistance | mA | 4 ÷ 20 |
| Measured range (flow) | dm3/min | 6 ÷ 60 |
| Measuring range (pressure) Accuracy of measuring | MPa % | 40 ≤2 |
| Supply voltage | V DC | 10 ÷ 32 |
| Fluid temperature range | °C | −20 ÷ 90 |
| Operating temperature range | °C | −20 ÷ 70 |
| Hydac pressure sensor HDA 4744-A-0250-000 | ||
| Protection class acc. to DIN 43650 | IP | 65 |
| Measuring range (pressure) | MPa | 25 |
| Accuracy of measuring | % | ≤±0.25 |
| Supply voltage | V DC | 12 ÷ 30 |
| Output signal, permitted load resistance | mA | 4 ÷ 20 |
| MANN W950/26 | ||
|---|---|---|
| Parameter | Unit | Value |
| Outer diameter | mm | 93 |
| Internal diameter 1 | mm | 62 |
| Internal diameter 2 | mm | 71 |
| Hight | mm | 170 |
| Nominal flow | dm3/min | 60 |
| Permissible operating pressure | MPa | 1.4 |
| CNH Industrial 2992242 | ||
| Outer diameter | mm | 93.7 |
| Internal diameter 1 | mm | 63 |
| Internal diameter 2 | mm | 72 |
| Hight | mm | 168 |
| Nominal flow | dm3/min | 60 |
| Permissible operating pressure | MPa | 1.4 |
| Manufacturer | Petronas |
|---|---|
| Type | Urania FE LS |
| Viscosity grade | 5 W-30 |
| API | CF |
| ACEA | E4/E6/E7 |
| Density at 15 °C | 855 kg/m3 |
| Dynamic viscosity at −30 °C | 6100 mPa.s |
| Kinematic viscosity at 100 °C | 11.5 mm2/s1 |
| MANN W950/26 | CNH Industrial 2992242 | |||
|---|---|---|---|---|
| Parameter | Uncontamined | Contamined | Uncontamined | Contamined |
| Oil | Oil | Oil | Oil | |
| Average Flow Gradient, ΔQ (dm3·min−1) | 1.39 | 1.12 | 1.41 | 1.14 |
| Average Pressure Drop, Δp (MPa) | 0.22 | 0.08 | 0.21 | 0.05 |
Publisher’s Note: MDPI stays neutral with regard to jurisdictional claims in published maps and institutional affiliations. |
© 2021 by the authors. Licensee MDPI, Basel, Switzerland. This article is an open access article distributed under the terms and conditions of the Creative Commons Attribution (CC BY) license (https://creativecommons.org/licenses/by/4.0/).
Share and Cite
Hujo, Ľ.; Jablonický, J.; Tulík, J.; Kosiba, J.; Kaszkowiak, J.; Michalides, M. Verification Measurement of Laboratory Test Equipment for Evaluation of Technical Properties of Automotive Oil Filters. Appl. Sci. 2021, 11, 8435. https://doi.org/10.3390/app11188435
Hujo Ľ, Jablonický J, Tulík J, Kosiba J, Kaszkowiak J, Michalides M. Verification Measurement of Laboratory Test Equipment for Evaluation of Technical Properties of Automotive Oil Filters. Applied Sciences. 2021; 11(18):8435. https://doi.org/10.3390/app11188435
Chicago/Turabian StyleHujo, Ľubomír, Juraj Jablonický, Juraj Tulík, Ján Kosiba, Jerzy Kaszkowiak, and Matej Michalides. 2021. "Verification Measurement of Laboratory Test Equipment for Evaluation of Technical Properties of Automotive Oil Filters" Applied Sciences 11, no. 18: 8435. https://doi.org/10.3390/app11188435
APA StyleHujo, Ľ., Jablonický, J., Tulík, J., Kosiba, J., Kaszkowiak, J., & Michalides, M. (2021). Verification Measurement of Laboratory Test Equipment for Evaluation of Technical Properties of Automotive Oil Filters. Applied Sciences, 11(18), 8435. https://doi.org/10.3390/app11188435

