Abstract
With the success of the commercial operation of the maglev train, the demand for real-time monitoring and high-performance control of the maglev train suspension system is also increasing. Therefore, a framework for performance monitoring and performance optimization of the maglev train suspension system is proposed in this article. This framework consists of four parts: plant, feedback controller, residual generator, and dynamic compensator. Firstly, after the system model is established, the nominal controller is designed to ensure the stability of the system. Secondly, the observer-based residual generator is identified offline based on the input and output data without knowing the accurate model of the system, which avoids the interference of the unmodeled part. Thirdly, the control performance is monitored and evaluated in real time by analyzing the residual and executing the judgment logic. Fourthly, when the control performance of the system is degraded or not satisfactory, the dynamic compensator based on the residual is updated online iteratively to optimize the control performance. Finally, the proposed framework and theory are verified on the single suspension experimental platform and the results show the effectiveness.
1. Introduction
As a new type of rail transportation, the maglev train has acquired attention at home and abroad due to its low noise, low energy consumption, and high comfort [1]. In addition, the commercial operation of high-speed maglev trains is also proceeding as scheduled [2], and maglev trains are gradually becoming a promising transportation tool.
For actual automation engineering systems, control performance monitoring has always been a part of the operation of the system. By measuring and monitoring the performance of system elements and equipment, the operation of the system can be obtained, and maintenance plans can be made to reduce the life cycle cost of the system [3,4,5]. In order to perform performance monitoring, engineers usually pre-design a performance monitoring and evaluation unit, which evaluates the control performance based on the measurement values obtained by the sensors. Model-based control performance monitoring is widely used in industrial automation control systems and has always been favored [6,7,8]. However, the model-based control performance monitoring program requires prior knowledge of physics and mathematics, which reduces the robustness to the uncertainty of the model to a certain extent. With the development of data network technology, data acquisition systems are widely used in industrial automation systems, and more and more process data can be collected and stored. Data-driven process monitoring programs have been widely used in many complex industries in recent years, for example [9,10,11]. This scheme can directly extract the necessary process information from a large amount of process data, thus saving the complicated modeling process, simple in form and low design workload [12,13,14,15,16]. However, for large-scale systems, the number and types of sensors are very large, a large amount of process data will be generated during operation, which undoubtedly increases the difficulty of performance monitoring and evaluation. Therefore, it is necessary to establish a unified dimension based on measurement data, and the monitoring and evaluation of system performance can be realized based on this dimension.
Meanwhile, similarly to other automation systems for Industry 4.0 [17], maglev trains are equipped with highly intelligent components and equipment, so they also face the problem of ensuring high control performance during the entire operation [18]. Taking the suspension system of the maglev train as an example, the nominal controller of suspension system in the maglev train is basically a PID controller. Although the PID controller ensures the stable suspension of the maglev train, and there is a certain stability margin to counter interference and other factors. In actual operation, maglev trains are often subject to various environmental conditions (such as track irregularities, load fluctuations caused by passengers getting on and off the train, excessive temperature of electromagnets [2,18,19,20,21,22], etc.), the control performance of the PID controller is not ideal. If no active and effective measures are taken, the control performance of the suspension system is very likely to be degraded, causing the train to deviate from the operating point or even fail. Although there are many algorithms for the online adjustment of PID parameters, in actual engineering, online adjustment of PID parameters is likely to cause system instability [23,24,25,26]. In addition, the controllers of most systems are encapsulated inside the system, and it is difficult to change easily once it has been determined. Therefore, it is an urgent problem to be solved in the commercial operation of the maglev train to improve the controller of the suspension system and optimize the control performance of the system in the operation of the maglev train.
Strongly motivated by the above discussion, this article establishes a real-time performance monitoring and performance optimization framework for suspension system of maglev train to achieve performance optimization and higher control performance, and provides a data-driven solution to its implementation.
The main contributions of this article are:
- A framework for performance monitoring and performance optimization of the suspension system in maglev train is proposed. The framework consists of a nominal controller, a residual generator and a dynamic compensator. The nominal controller is used to stabilize the system and achieve tracking performance. The residual generator realizes the performance monitoring of the system and the dynamic compensator is used to realize the performance compensation and recovery;
- The observer-based residual generator is identified offline based on the data-driven method. The offline identification method does not need to know the accurate model of the system. During the operation of the system, the residual signal generated by the residual generator is monitored to distinguish disturbances and degradations of the suspension system, which provides strong support for performance evaluation and performance optimization;
- A data-driven performance optimization algorithm for the suspension system is designed. The algorithm can optimize the control performance of the system online when the system performance is unsatisfactory or even degraded;
- The validity of the proposed framework and algorithm is verified on a single suspension experimental platform.
The structure of this article is as follows. Section 2 introduces the preliminary knowledge about the residual generator based on data-driven method, and proposes the structure of real-time monitoring and performance optimization. Section 3 establishes the model of the suspension system and designs the nominal controller. Section 4 introduces the realization form of the residual generator and proposes the strategy of control performance evaluation. Section 5 proposes the parameters optimization method of the dynamic compensator. Section 6 verifies the proposed method through the single suspension system. Section 7 summarizes the full article.
2. Preliminaries
2.1. Data-Driven Residual Generator
Considering a general noisy linear time-invariant discrete system:
Among them, , and are the state variable, input variable and output variable of the system, respectively. is the process noise; is the measurement noise. Both obey the normal distribution and are independent of the input and state variables.
The input and output data model [27,28] is defined as:
where is the number of future data, . , and are the Hankel matrix of state, input and output, respectively [27] ; ; is the observability matrix of the system; and are the Hankel matrix of noise.
There exists satisfying . The data-driven residual is defined as:
where is a parameter vector [29] and is the core of residual generator.
2.2. Controller Based on Residual Generator
Considering the definition of the residual generator (3) and the Youla parameterized form of controllers [30], all inner-stable controllers can be parameterized as:
Among them, is the output of any controller that makes the linear time-invariant system (1) stable [31,32] is used to improve the robustness of the system and can be regarded as a residual-driven dynamic compensator [33,34]. The expression of is:
As a result, the proposed structure of real-time monitoring and performance optimization is shown in the Figure 1.
Figure 1.
Structure of real-time monitoring and performance optimization.
The dynamic compensator based on the residual generator has the following advantages:
- The residual generator is integrated in the system and residual signal is generated in the operation, which can be used for process monitoring and further optimization of the controller;
- guarantees the stability of the closed-loop system. When is stable, the design of does not affect the stability of the system;
- When the system is subjected to unmodeled disturbances that cause changes in the input structure, will be activated to compensate system disturbance. When the system performance is degraded, is updated iteratively to restore the performance loss of the system.
3. Modelling and Nominal Controller of Suspension System
The article takes the suspension system of the maglev train as an example to discuss the optimization of control performance based on data-driven methods. The model of the suspension system is the prerequisite for the design of nominal controller.
3.1. Model of Suspension System
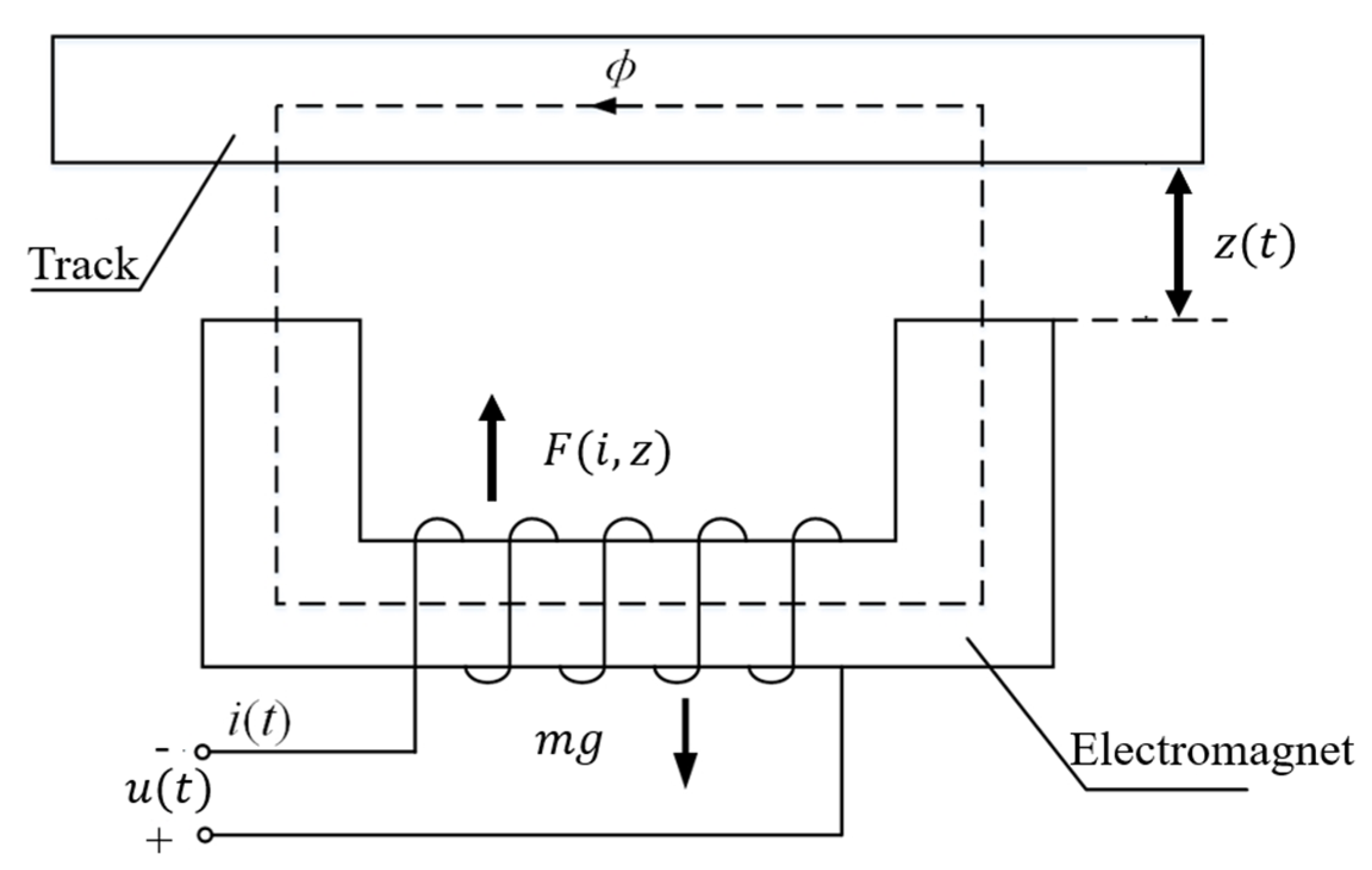
Each carriage of the maglev train has five bogies, each bogie has two suspension modules, and each suspension module has two suspension units, so the entire suspension system is composed of twenty sets of single suspension systems controlled independently [35]. The single suspension system is composed of a suspension control box, a set of sensors and an electromagnet. Taking a suspension point as an example, the single suspension point of a medium-speed maglev train is simplified to obtain the single point suspension model, as shown in Figure 2.
Figure 2.
The single point suspension model.
The system model in Figure 2 is:
where is the equivalent mass of the electromagnet; is the electromagnetic attraction exerted on the electromagnet; is the current in the electromagnet coil; is the gap between the electromagnet and the track and and are both variables that change over time; is the acceleration of gravity; ; is the number of turns of the solenoid winding, is the pole area of the iron core, and is the vacuum permeability rate; and are the coil current and the gap at equilibrium point, respectively. is the equivalent resistance of electromagnet; is the inductance of coil; is the control voltage of the coil.
The model of the suspension system consists of a set of nonlinear equations and it is difficult to design the nominal controller directly. Considering that during the operation, the current and gap of the electromagnet fluctuate up and down at the equilibrium point , can be expanded by Taylor series at the equilibrium point, and higher-order terms can be ignored, and the system model is linearized as [36]:
3.2. Nominal Controller
From the above analysis, the electromagnet is a first-order inertial link and the time constant is [37], so there is a large delay between the solenoid coil current and the control voltage . Current feedback is introduced to reduce the time constant of this link. After introducing the current loop and determining the appropriate parameters, the corrected electromagnet can be approximated as a proportional link with a gain equal to in the response frequency band of the system, which means that . The state space equation of the system is degraded into a second-order differential equation, and the state space expression is:
If (8) is completely controllable and observable, a stable state feedback controller can be further designed. The minimum realization of the state feedback controller [38] is:
where , , and are matrices of appropriate dimensions. is the state variable of the controller; is the system given value; is the deviation, and is the output of the controller.
Therefore, the structure of the feedback control of the system is as shown in Figure 3.
Figure 3.
The structure of the feedback control.
4. Real-Time Performance Monitoring and Performance Evaluation
In order to ensure the high control performance of the suspension system, combining the nominal controller , the residual generator and the dynamic compensator based on the residual drive, this section proposes a new controller framework and its implementation of a suspension system in the maglev train.
4.1. Problem Formulation
This article mainly considers the feedback control loop of the suspension unit as shown in Figure 1. After the current loop is set, the suspension unit is unstable in the second-order open loop. By designing the nominal controller, the stable performance and tracking performance of the system are guaranteed. However, maglev trains are subject to multiple disturbances during operation, such as changes in environmental conditions (temperature, humidity, etc.), track irregularities, aging of IGBTs, and changes in load caused by passengers getting on and off the train. These changes and disturbances will lead to the control performance of the suspension unit. A certain degree of degradation will occur, affecting the stable operation of the maglev train. Therefore, the performance optimization after the controller performance of the suspension system is degraded is the primary concern.
In this article, we will use the input and output data of the actual system during normal operation to identify the residual generator of the system offline and monitor the performance of the suspended unit online. In addition, the optimization of the controller during the operation phase of the maglev train will be introduced based on the monitoring results.
4.2. Realization of Data-Driven Residual Generator
Let , [39], then:
Consider a single-input and single-output system, that is, , we can get:
The observer-based residual generator is constructed that:
where ;;; . Specific steps are in [40].
4.3. Performance Evaluation and Classification
During actual operation, the operation of the system often goes through three stages, normal operation, degradation and failure. Among them, the degradation can be divided into three stages, that is, the tiny degradation that can return to normal, the medium degradation that can cause poor control performance but does not cause failure, and the severe degradation that is prone to failure. Different measures should be taken in time for different performance de-flowering to prevent major safety accidents. Taking the maglev system as an example, maglev trains are often affected by multiple uncertain factors (for example: degradation/failure of the component, wearing out of the windings, aging of the IGBTs, variation of the load, demagnetization of the magnet caused by collision, changing of the operation point, humidity), resulting in the degradation of system performance. Therefore, it is necessary to classify the degradation of the system and adopt different measures.
According to the residual generator constructed in Section 3.2, the thresholds are set by analyzing the residual signal during normal operation and without degradation. According to the thresholds and , the degradation of the suspension system is divided into three levels [38]:
- Tiny degradation:. The degradation may be caused by parameter changes or external interference. Through the feedback control of the nominal controller, the train can still run safely and stably without any additional measures;
- Medium degradation: . This may be caused by changes in the component parameters of the suspension system (such as large load fluctuations, track irregularities, etc.). If medium degradation occurs, there is no need to stop the maglev train for overhaul, and one only needs to activate the online performance optimization algorithm;
- Severe degradation: or . This may be caused by component failure of the suspension system. At this stage, the train is very prone to breakdowns. At this time, the maglev train should be stopped and overhauled as soon as possible to prevent major safety accidents.
5. Control Performance Optimization Architecture
5.1. Quadratic Performance Index
Although the nominal controller, based on the simplified model, can realize the stable suspension of the suspension system, when the suspension system is medium degraded, the nominal controller alone cannot realize the performance optimization. According to the Youla, parameterized realization form of the controller based on the residual generator, can be regarded as a dynamic compensator based on the residual signals. When itself is stable, the robustness of the system can be further improved, and the performance optimization of the system can be achieved [39,40]. The design of the dynamic compensator and the iterative implementation based on the gradient descent are given below.
Considering the input standard type parameter [18] of the dynamic compensator as shown in (13):
Among them, is the parameterization of and ; and are the parameterization of and , respectively.
The quadratic performance indicator is defined as [32]:
where and are the weight value of error and input, respectively, which are constants; is the specified start time of the calculation; is the data length. The optimization of the dynamic compensator is transformed to find the that minimizes the performance index . To solve this problem, the gradient descent [41] can be used to change along the direction of the negative gradient of to , namely:
Among them, is the step length of parameter update [42].
Therefore, when calculating the negative gradient vector , it is necessary to obtain the partial differential of and to first.
When the dynamic compensator is activated, the output of the controller acting on the system is:
And then,
Let , then:
So, can be written as:
Let and , then:
Differentiate the left and right sides of (19)–(21) to obtain the partial differential of and to
5.2. Iterative Update of Parameter
Since the iterative update of the three parameters of is very similar, this article only gives the update formula of .
Through (22)–(26), and can be obtained, then parameters can be updated online iteratively according to (27).
The update equation of and can be obtained in the same way. Through the above equation, is continuously updated iteratively during the operation of the system. When the performance index meets a certain condition or reaches the maximum number of iterations, the online update stops and outputs the dynamic compensator .
6. Experimental Verification and Analysis
6.1. Experimental Device
Considering the single-point suspension system shown in Figure 2, the experimental device is shown in the Figure 4. The whole experimental platform is composed of an electromagnet, a chopper board, a control board, two power supplies, sensors and a semi-physical simulation platform. The sampling period of the single suspension system is 0.001 s.
Figure 4.
Experimental device.
In each sampling period, the gap sensor obtains the suspension gap between the electromagnet and the track. Then the controller generates the input signal, and the chopper outputs the corresponding PWM wave. The suspension electromagnet generates different suspension forces according to the current, so that the electromagnet and the track can always maintain a stable gap of 4 mm.
According to the single suspension system model determined by (8), the stable feedback controller is determined as:
After the introduction of the nominal controller, the gap of the single suspension system during normal operation is shown in Figure 5.
Figure 5.
Gap during normal operation.
6.2. Observer and Performance Optimization
Collecting input and output data during normal operation of the system and constructing an observer-based residual generator according to [32].
The residual signals of the single suspension system during the operation are shown in Figure 6. It can be found that during the operation, the fluctuation of the residual of the system is very small, most of which are between . The mean value of the residual is 0 and the residual approximately obeys the normal distribution. In addition, when the system is disturbed by an unknown operation from the outside, the residual fluctuates between , and the average value is almost unchanged. Since the suspension gap of the train fluctuates little, it is still in safe operation. Therefore, the small disturbance during the operation will not have a major impact on the performance of the system, and the system is in a state of no degradation at this time. Setting and , and the control performance of the system can be distinguished by the logic in Section 4.3.
Figure 6.
The residual during the operation.
During the operation of the train, passengers constantly get on and off the train, and the situation of getting on and off the passengers is unpredictable, which might cause the load to fluctuate in a large range. In order to verify the performance monitoring of the residual generator in the case of large load operation and large load fluctuations, from the 10th second, loads of different sizes are applied to the electromagnet to simulate passengers getting on and off the train. Residual and gap are shown in Figure 7.
Figure 7.
Gap (a) and residual (b) when the load fluctuates.
It can be found that when the load changes, the residual and the gap change at the same time. The amplitude of the residual sharply increases. The maximum value of residual is ,which is much larger than the threshold ; the minimum value of residual is ,which is much smaller than the threshold . Therefore, by analyzing the residual signal, real-time monitoring of the large fluctuation of the load of the system can be carried out.
The gap and residual when the performance is experiencing degradation and when the train is in normal operation are shown in Figure 8 and Figure 9, respectively. When the suspension system is degraded, the change in the suspension gap is not obvious, and the degradation of the suspension system cannot be judged by analyzing the gap. However, the variance of the residual signal in the two cases is different. When the system is degraded, the fluctuation range of the residual is ,which is larger than that of the normal operation. Therefore, performance degradation of the suspension system can be judged by observing the residual signal.
Figure 8.
Gap of performance degradation and normal operation.
Figure 9.
Residual of performance degradation and normal operation.
For real-time performance optimization under performance degradation, the initial values are set as ,, and . During the entire performance optimization period, is continuously updated iteratively until the end time of the algorithm has been reached. Finally, is:
The gap and residual of the four periods when the system is disturbed by the disturbance during the performance optimization are shown in Figure 10 and Figure 11, respectively, where is the time before the algorithm terminates. The parameter index comparison is shown in Table 1.
Figure 10.
Gap at four moments.
Figure 11.
Residual at four moments.
Table 1.
Comparison of indicators at four moments.
After the performance of the suspension system is degraded, any small disturbance will cause the system to crash track, that is, the electromagnet first collides with the upper track and is adsorbed to the upper track. After a period, it falls and collides with the lower track, and finally the electromagnetic achieves normal suspension. Among them, the gap peak is the maximum value of the gap between the electromagnet and the upper track, and the smaller value means the lower the probability of collision with the lower track. The dead time is the duration of the electromagnet being attracted to the upper track. The adjustment time is the time from the minimum electromagnet gap to normal operation.
As time goes by, is continuously updated iteratively, the peak value of the gap is getting smaller. This means that the probability of the electromagnet colliding with the underlying track becomes smaller. Additionally, the dead time and adjustment time are both smaller. Moreover, the performance index become smaller as the iteration time increases.
In the iterative process of the dynamic compensator, the maximum value of the residual signal gradually becomes smaller. However, in normal suspension, the difference between the mean and variance of the residual signals at the four times is not big, mainly because the running time is not suffice and the control performance convergence is slow, which is the limitations of the proposed method in this article.
7. Conclusions
This paper proposes a framework for performance monitoring and performance optimization of suspension system in maglev train. Under this framework, the nominal control, residual generator and dynamic compensator respectively realize the stable suspension of the train, the real-time performance monitoring and the improvement in control performance. It is worth mentioning that the above control algorithms all follow the Youla parameterized realization of all stable controllers. Based on the data-driven method, the observer-based residual generator is designed offline and embedded in the control system to realize the performance monitoring of the system. The parameters are optimized through the gradient descent method to further optimize the control performance. Finally, under the conditions of real-time realization, the proposed framework and control algorithm are verified on a single suspension system.
Author Contributions
Conceptualization, X.Z. and T.W.; methodology, Z.L.; software, X.Z.; validation, X.Z., T.W. and Z.L.; formal analysis, X.Z.; investigation, X.Z. and T.W.; resources, Z.L.; data curation, X.Z. and T.W.; writing—original draft preparation, X.Z.; writing—review and editing, T.W.; visualization, X.Z.; supervision, Z.L.; project administration, Z.L.; funding acquisition, Z.L. All authors have read and agreed to the published version of the manuscript.
Funding
This work is supported by the 13th Five-year National Key Research and Development Program of China under Grant 2016YFB1200600.
Institutional Review Board Statement
Not applicable.
Informed Consent Statement
Not applicable.
Conflicts of Interest
The authors declare no conflict of interest.
References
- Liu, Z.; Long, Z.; Li, X. Maglev Trains; Springer Tracts in Mechanical Engineering; Springer: Berlin, Germany, 2015. [Google Scholar]
- Wang, Z.; Long, Z.; Li, X. Levitation control of permanent magnet electromagnetic hybrid suspension maglev train. Proc. Inst. Mech. Eng. I J. Syst. Control Eng. 2018, 232, 315–323. [Google Scholar] [CrossRef]
- Domański, P.D.; Golonka, S.; Jankowski, R.; Kalbarczyk, P.; Moszowski, B. Control rehabilitation impact on production efficiency of ammonia synthesis installation. Ind. Eng. Chem. Res. 2016, 55, 10366–10376. [Google Scholar] [CrossRef]
- Ordys, A.; Uduehi, D.; Johnson, M. Process Control Performance Assessment from Theory to Implementation; Springer: London, UK, 2007. [Google Scholar]
- Bauer, M.; Horch, A.; Xie, L.; Jelali, M.; Thornhill, N. The current state of control loop performance monitoring a survey of application in industry. J. Process Control 2016, 38, 1–10. [Google Scholar] [CrossRef]
- Bazanella, A.S.; Campestrini, L.; Eckhard, D. Data-Driven Controller Design: The H2 Approach; Springer: Dordrecht, The Netherlands, 2012. [Google Scholar]
- Bendtsen, J.; Trangbaek, K.; Stoustrup, J. Plug-and play control—Modifying control systems online. IEEE Trans. Control Syst. Technol. 2013, 21, 79–93. [Google Scholar] [CrossRef] [Green Version]
- Ma, M.; Wong, D.; Jang, S.; Tseng, S. Fault detection based on statistical multivariate analysis and microarray visualization. IEEE Trans. Ind. Inform. 2010, 6, 18–24. [Google Scholar]
- Yao, Y.; Chen, T.; Gao, F. Multivariate statistical monitoring of two-dimensional dynamic batch processes utilizing non-Gaussian information. J. Process Control 2010, 20, 1188–1197. [Google Scholar] [CrossRef] [Green Version]
- Gong, R.; Huang, S.; Chen, T. Robust and efficient rule extraction through data summarization and its application in welding fault diagnosis. IEEE Trans. Ind. Inform. 2008, 4, 198–206. [Google Scholar] [CrossRef]
- Russell, E.; Chiang, L.; Braatz, R. Data-Driven Methods for Fault Detection and Diagnosis in Chemical Processes; Springer: London, UK, 2000. [Google Scholar]
- Chiang, L.; Russell, E.; Braatz, R. Fault Detection and Diagnosis in Industrial Systems; Springer: London, UK, 2001. [Google Scholar]
- Zhang, Y.; Dudzic, M.S. Online monitoring of steel casting processes using multivariate statistical technologies: From continuous to transitional operations. J. Process Control 2006, 16, 819–829. [Google Scholar] [CrossRef]
- Qin, S.J. Data-driven fault detection and diagnosis for complex industrial processes. In Proceedings of the IFAC SAFEPROCESS Symposium, Barcelona, Spain, 30 June–3 July 2009; pp. 1115–1125. [Google Scholar]
- Qin, S.J. Survey on data-driven industrial process monitoring and diagnosis. Annu. Rev. Control 2012, 36, 220–234. [Google Scholar] [CrossRef]
- Gao, Z.; Dai, X. From model, signal to knowledge: A data-driven perspective of fault detection and diagnosis. IEEE Trans. Ind. Inform. 2013, 9, 2226–2238. [Google Scholar]
- Drath, R.; Horch, A. Industrie 4.0: Hit or hype? [industry forum]. IEEE Ind. Electron. Mag. 2014, 8, 56–58. [Google Scholar] [CrossRef]
- Luo, H.; Yang, X.; Kruger, M.; Ding, S.; Peng, K. A Plug-and-Play monitoring and control architecture for disturbance compensation in rolling mills. IEEE/ASME Trans. Mechatron. 2016, 23, 200–210. [Google Scholar] [CrossRef]
- Yang, X.; Lin, Z.; Ding, J.; Long, Z. Lifetime prediction of IGBT modules in suspension choppers of medium/low-speed maglev train using an energy-based approach. IEEE Trans. Power Electron. 2019, 34, 738–747. [Google Scholar] [CrossRef]
- Xu, Z.; Wang, W.; Sun, Y. Performance degradation monitoring for onboard speed sensors of trains. IEEE Trans. Intell. Transp. Syst. 2012, 13, 1287–1297. [Google Scholar] [CrossRef]
- Chen, D.; Yin, J.; Chen, L.; Xu, H. Parallel control and management for high-speed maglev systems. IEEE Trans. Intell. Transp. Syst. 2016, 18, 431–440. [Google Scholar] [CrossRef]
- Long, Z.-Q.; Lv, Z.-G.; Chang, W.-S. Fault diagnosis to suspension system of maglev train based on fuzzy fault tree. Control Decis. 2004, 19, 139–142. [Google Scholar]
- Åström, K.J.; Hägglund, T. PID Controllers: Theory, Design, and Tuning, 2nd ed.; The Instrumentation, Systems, and Automation Society: Research Triangle Park, NC, USA, 1995. [Google Scholar]
- Esch, J.; Konings, T.; Ding, S.X. Optimal performance tuning of a PI-controller for an integrator plant with uncertain parameters as a convex optimisation problem. In Proceedings of the IEEE 52nd Conference on Decision and Control, Florence, Italy, 10–13 December 2013; pp. 1977–1982. [Google Scholar]
- O’Dwyer, A. Handbook of PI and PID Controller Tuning Rules, 3rd ed.; Imperial College Press: Hackensack, NJ, USA, 2009. [Google Scholar]
- Yu, C.-C. Autotuning of PID Controllers: Relay Feedback Approach; Springer: London, UK, 1999. [Google Scholar]
- Hao, H. Key Performance Monitoring and Diagnosis in Industrial Automation Processes. Ph.D. Thesis, University of Duisburg-Essen, Duisburg, Germany, 2014. [Google Scholar]
- Huang, B.; Kadali, R. Dynamic Modeling, Predictive Control and Performance Monitoring: A Data-Driven Subspace Approach; Springer: London, UK, 2008. [Google Scholar]
- Xue, T.; Ding, S.X.; Zhong, M.; Li, L. A distribution independent data-driven design scheme of optimal dynamic fault detection systems. J. Process Control 2020, 95, 1–9. [Google Scholar] [CrossRef]
- Yin, S.; Luo, H.; Ding, S.X. Real-time implementation of fault-tolerant control systems with performance optimization. IEEE Trans. Ind. Electron. 2014, 61, 2402–2411. [Google Scholar] [CrossRef]
- Ding, S.X.; Yin, S.; Peng, K.; Hao, H.; Shen, B. A novel scheme for key performance indicator prediction and diagnosis with application to an industrial hot strip mill. IEEE Trans. Ind. Inform. 2012, 9, 2239–2247. [Google Scholar] [CrossRef]
- Luo, H.; Krueger, M.; Koenings, T.; Ding, S.X.; Dominic, S.; Yang, X. Real-time optimization of automatic control systems with application to BLDC motor test rig. IEEE Trans. Ind. Electron. 2017, 64, 4306–4314. [Google Scholar] [CrossRef]
- Zhang, Y.; Yang, Y.; Ding, S.X.; Li, L. Optimal design of residual driven dynamic compensator using iterative algorithms with guaranteed convergence. IEEE Trans. Syst. Man Cybern. Syst. 2016, 46, 548–558. [Google Scholar] [CrossRef]
- Zhang, Y.; Yang, Y.; Ding, S.X.; Li, L. Data-driven design and optimization of feedback control systems for industrial applications. IEEE Trans. Ind. Electron. 2014, 61, 6409–6417. [Google Scholar] [CrossRef]
- Yan, L. Development and application of the maglev transportation system. IEEE Trans. Appl. Supercond. 2008, 18, 92–99. [Google Scholar]
- Zhai, M.; Long, Z.; Li, X. Fault-Tolerant Control of Magnetic Levitation System Based on State Observer in High Speed Maglev Train. IEEE Access 2019, 7, 31624–31633. [Google Scholar] [CrossRef]
- Safaei, F.; Suratgar, A.A.; Afshar, A.; Mirsalim, M. Characteristics optimization of the Maglev train hybrid suspension system using genetic algorithm. IEEE Trans. Energy Convers. 2015, 30, 1163–1170. [Google Scholar] [CrossRef]
- Xu, Y.; Long, Z.; Zhao, Z.; Zhai, M.; Wang, Z. Real-Time Stability Performance Monitoring and Evaluation of Maglev Trains’ Levitation System: A Data-Driven Approach. IEEE Trans. Intell. Transp. Syst. 2020, 1–12. [Google Scholar] [CrossRef]
- Ding, S.X. Data-Driven Design of Fault Diagnosis and Fault-Tolerant Control Systems; Springer: New York, NY, USA, 2014. [Google Scholar]
- Ding, S.X.; Yang, Y.; Zhang, Y.; Li, L. Data-driven realizations of kernel and image representations and their application to fault detection and control system design. Automatica 2014, 50, 2615–2623. [Google Scholar] [CrossRef]
- Xu, Y.; Ding, S.X.; Luo, H.; Yin, S. A real-time performance recovery framework for vision-based control systems. IEEE Trans. Ind. Electron. 2020, 68, 1571–1580. [Google Scholar] [CrossRef]
- Ruder, S. An overview of gradient descent optimization algorithms. arXiv 2016, arXiv:1609.04747. [Google Scholar]
Publisher’s Note: MDPI stays neutral with regard to jurisdictional claims in published maps and institutional affiliations. |
© 2021 by the authors. Licensee MDPI, Basel, Switzerland. This article is an open access article distributed under the terms and conditions of the Creative Commons Attribution (CC BY) license (https://creativecommons.org/licenses/by/4.0/).










